WO2015004878A1 - Image coding device, image coding method, storage medium, image decoding device, image decoding method, and storage medium - Google Patents

Image coding device, image coding method, storage medium, image decoding device, image decoding method, and storage medium Download PDF

Info

Publication number
WO2015004878A1
WO2015004878A1 PCT/JP2014/003504 JP2014003504W WO2015004878A1 WO 2015004878 A1 WO2015004878 A1 WO 2015004878A1 JP 2014003504 W JP2014003504 W JP 2014003504W WO 2015004878 A1 WO2015004878 A1 WO 2015004878A1
Authority
WO
WIPO (PCT)
Prior art keywords
tile
layer
decoding
image
enhancement
Prior art date
Legal status (The legal status is an assumption and is not a legal conclusion. Google has not performed a legal analysis and makes no representation as to the accuracy of the status listed.)
Ceased
Application number
PCT/JP2014/003504
Other languages
English (en)
French (fr)
Inventor
Mitsuru Maeda
Masato Shima
Current Assignee (The listed assignees may be inaccurate. Google has not performed a legal analysis and makes no representation or warranty as to the accuracy of the list.)
Canon Inc
Original Assignee
Canon Inc
Priority date (The priority date is an assumption and is not a legal conclusion. Google has not performed a legal analysis and makes no representation as to the accuracy of the date listed.)
Filing date
Publication date
Application filed by Canon Inc filed Critical Canon Inc
Priority to US14/904,171 priority Critical patent/US10136142B2/en
Publication of WO2015004878A1 publication Critical patent/WO2015004878A1/en
Anticipated expiration legal-status Critical
Ceased legal-status Critical Current

Links

Images

Classifications

    • HELECTRICITY
    • H04ELECTRIC COMMUNICATION TECHNIQUE
    • H04NPICTORIAL COMMUNICATION, e.g. TELEVISION
    • H04N19/00Methods or arrangements for coding, decoding, compressing or decompressing digital video signals
    • H04N19/30Methods or arrangements for coding, decoding, compressing or decompressing digital video signals using hierarchical techniques, e.g. scalability
    • HELECTRICITY
    • H04ELECTRIC COMMUNICATION TECHNIQUE
    • H04NPICTORIAL COMMUNICATION, e.g. TELEVISION
    • H04N19/00Methods or arrangements for coding, decoding, compressing or decompressing digital video signals
    • H04N19/10Methods or arrangements for coding, decoding, compressing or decompressing digital video signals using adaptive coding
    • H04N19/102Methods or arrangements for coding, decoding, compressing or decompressing digital video signals using adaptive coding characterised by the element, parameter or selection affected or controlled by the adaptive coding
    • H04N19/103Selection of coding mode or of prediction mode
    • H04N19/105Selection of the reference unit for prediction within a chosen coding or prediction mode, e.g. adaptive choice of position and number of pixels used for prediction
    • HELECTRICITY
    • H04ELECTRIC COMMUNICATION TECHNIQUE
    • H04NPICTORIAL COMMUNICATION, e.g. TELEVISION
    • H04N19/00Methods or arrangements for coding, decoding, compressing or decompressing digital video signals
    • H04N19/10Methods or arrangements for coding, decoding, compressing or decompressing digital video signals using adaptive coding
    • H04N19/134Methods or arrangements for coding, decoding, compressing or decompressing digital video signals using adaptive coding characterised by the element, parameter or criterion affecting or controlling the adaptive coding
    • H04N19/136Incoming video signal characteristics or properties
    • HELECTRICITY
    • H04ELECTRIC COMMUNICATION TECHNIQUE
    • H04NPICTORIAL COMMUNICATION, e.g. TELEVISION
    • H04N19/00Methods or arrangements for coding, decoding, compressing or decompressing digital video signals
    • H04N19/10Methods or arrangements for coding, decoding, compressing or decompressing digital video signals using adaptive coding
    • H04N19/134Methods or arrangements for coding, decoding, compressing or decompressing digital video signals using adaptive coding characterised by the element, parameter or criterion affecting or controlling the adaptive coding
    • H04N19/167Position within a video image, e.g. region of interest [ROI]
    • HELECTRICITY
    • H04ELECTRIC COMMUNICATION TECHNIQUE
    • H04NPICTORIAL COMMUNICATION, e.g. TELEVISION
    • H04N19/00Methods or arrangements for coding, decoding, compressing or decompressing digital video signals
    • H04N19/10Methods or arrangements for coding, decoding, compressing or decompressing digital video signals using adaptive coding
    • H04N19/169Methods or arrangements for coding, decoding, compressing or decompressing digital video signals using adaptive coding characterised by the coding unit, i.e. the structural portion or semantic portion of the video signal being the object or the subject of the adaptive coding
    • H04N19/17Methods or arrangements for coding, decoding, compressing or decompressing digital video signals using adaptive coding characterised by the coding unit, i.e. the structural portion or semantic portion of the video signal being the object or the subject of the adaptive coding the unit being an image region, e.g. an object
    • HELECTRICITY
    • H04ELECTRIC COMMUNICATION TECHNIQUE
    • H04NPICTORIAL COMMUNICATION, e.g. TELEVISION
    • H04N19/00Methods or arrangements for coding, decoding, compressing or decompressing digital video signals
    • H04N19/10Methods or arrangements for coding, decoding, compressing or decompressing digital video signals using adaptive coding
    • H04N19/169Methods or arrangements for coding, decoding, compressing or decompressing digital video signals using adaptive coding characterised by the coding unit, i.e. the structural portion or semantic portion of the video signal being the object or the subject of the adaptive coding
    • H04N19/187Methods or arrangements for coding, decoding, compressing or decompressing digital video signals using adaptive coding characterised by the coding unit, i.e. the structural portion or semantic portion of the video signal being the object or the subject of the adaptive coding the unit being a scalable video layer
    • HELECTRICITY
    • H04ELECTRIC COMMUNICATION TECHNIQUE
    • H04NPICTORIAL COMMUNICATION, e.g. TELEVISION
    • H04N19/00Methods or arrangements for coding, decoding, compressing or decompressing digital video signals
    • H04N19/30Methods or arrangements for coding, decoding, compressing or decompressing digital video signals using hierarchical techniques, e.g. scalability
    • H04N19/33Methods or arrangements for coding, decoding, compressing or decompressing digital video signals using hierarchical techniques, e.g. scalability in the spatial domain
    • HELECTRICITY
    • H04ELECTRIC COMMUNICATION TECHNIQUE
    • H04NPICTORIAL COMMUNICATION, e.g. TELEVISION
    • H04N19/00Methods or arrangements for coding, decoding, compressing or decompressing digital video signals
    • H04N19/44Decoders specially adapted therefor, e.g. video decoders which are asymmetric with respect to the encoder

Definitions

  • the present invention relates to an image coding device, an image coding method, a storage medium, an image decoding device, an image decoding method, and a storage medium.
  • the present invention relates to coding and decoding of layers having different spatial resolutions or different image qualities.
  • JCT-VC Joint Collaborative Team on Video Coding
  • HEVC High Efficiency Video Coding
  • NPL 1 ITU-T H.265 (04/2013) High efficiency video coding
  • HEVC For the standardization of HEVC, various coding tools are developed and high coding efficiency is achieved.
  • HEVC divides an image into rectangular tiles and coding and decoding can be performed on a tile basis as compared with H.264 of related art.
  • a prediction limit is provided for a tile so that the tile can be independently coded and decoded irrespective of other tile (NPL 2: Contributed by JCT-VC, JCTVC-M0235 Internet ⁇ http://phenix.int-evry.fr/jct/doc_end_user/documents/13_Incheon/wg11/>).
  • This technique defines a tile that can be independently coded and decoded on a sequence basis.
  • Tile sets that can be independently coded and decoded are called motion-constrained tile sets (hereinafter, abbreviated as MCTS). Only tile sets at relatively equivalent positions are subjects of inter-frame prediction, and prediction for tiles other than the tile sets is not performed. Accordingly, independence of coding and decoding is ensured.
  • the positions of the tiles included in MCTS are included in a Supplemental Enhancement Information (SEI) message and coded.
  • SEI Supplemental Enhancement Information
  • NPL 3 Contributed by JCT-VC, JCTVC-M0202 Internet ⁇ http://phenix.int-evry.fr/jct/doc_end_user/documents/13_Incheon/wg11/>).
  • VUI Video Usability Information
  • this code is 1, it is assured that the position of the boundary of a tile in an enhancement layer is aligned with the position of a corresponding tile in a base layer. Accordingly, since the position of the image in the base layer called by decoding the tile in the enhancement layers can be specified, decoding can be performed at high speed. At this time, the base layer is the highest layer, and the successive enhancement layers are lower layers.
  • MCTS in MCTS described in NPL 2, hierarchical coding is not considered. That is, in the present standard, MCTS is set on a sequence basis. In a coding method having a plurality of layers, such as hierarchical coding, it is not sure how MCTS is handled in each layer. Since handling of MCTS is conceived on a sequence basis, for example, it may be considered that MCTS is set only in the base layer or MCTS is set in all layers. In the former case, for the enhancement layer with a high resolution, it is difficult to satisfy the request for partial reading by using MCTS. Also, in the latter case, since the tile in the base layer and the tile in the enhancement layer are included in MCTS, tile division has to be performed even for the base layer.
  • Fig. 15 shows tile division.
  • Reference signs 1501 to 1510 are frames.
  • the frame 1501 represents a frame in a base layer at a time t. Each layer is formed of tiles numbered 0 to 11.
  • the frame 1505 represents a frame in an enhancement first hierarchical layer at the time t.
  • the frame 1503 represents a frame in which decoded image data of the frame 1501 is enlarged to the resolution of the enhancement first hierarchical layer.
  • the frame 1509 represents a frame of an enhancement second hierarchical layer at the time t.
  • the frame 1507 represents a frame in which decoded image data of the frame 1505 is enlarged to the resolution of the enhancement second hierarchical layer.
  • the frame 1502 represents a frame of the base layer at a time t+delta.
  • the frame 1506 represents a frame of the enhancement first hierarchical layer at the time t+delta.
  • the frame 1504 represents a frame in which decoded image data of the frame 1502 is enlarged to the resolution of the enhancement first hierarchical layer.
  • the frame 1510 represents a frame of the enhancement second hierarchical layer at the time t+delta.
  • the frame 1508 represents a frame in which decoded image data of the frame 1506 is enlarged to the resolution of the enhancement second hierarchical layer.
  • tile division of each frame includes division into four in the horizontal direction and division into three in the vertical direction. Thin lines in the drawing represent the boundaries of tiles.
  • MCTS includes a tile with a tile number 5 and a tile with a tile number 6.
  • an area surrounded by thick lines is MCTS.
  • decoding of a base layer is performed, videos of a plurality of cameras are monitored, and if an abnormal state is detected, the abnormal area is enlarged and displayed.
  • MCTS since inter-frame prediction is limited to image data in a tile set, coding efficiency is decreased. For example, if a subject, such as a person, enters from the outside of MCTS, image data outside MCTS is not referenced, and hence inter-frame prediction of the subject cannot be performed.
  • the base layer has a sufficiently smaller image size than that of the enhancement layer and has a small code amount, processing cost for decoding is markedly lower than that of the enhancement layer.
  • the present invention improves the image quality and increases the coding efficiency in a higher hierarchical layer such as a base layer while ensuring independence of coding and decoding of a tile even during hierarchical coding.
  • a tile that can be independently decoded such as a tile included in MCTS, is called independent decoding tile, and a group of independent decoding tiles, such as MCTS, is called independent decoding tile set.
  • JCTVC-M0235 Internet ⁇ http://phenix.int-evry.fr/jct/doc_end_user/documents/13_Incheon/wg11/>
  • JCTVC-M0202 Internet ⁇ http://phenix.int-evry.fr/jct/doc_end_user/documents/13_Incheon/wg11/>
  • An image coding device that performs hierarchical coding on an image, which forms a movie, for a plurality of hierarchical layers, includes a first acquiring unit configured to acquire at least one of a first image and a second image of different hierarchical layers from the image; a coding unit configured to code at least one of the first image and the second image; and a determination unit configured to determine whether or not an independent region, which is coded without reference to other region in an image, is set for each of the images of the respective hierarchical layers.
  • the coding unit codes an image of a coding subject based on a determined result of the determination unit.
  • An image decoding device that decodes coded data obtained by performing hierarchical coding on an image, which forms a movie, for a plurality of hierarchical layers, includes a first acquiring unit configured to acquire data of an image, which is generated from the coded data and corresponds to at least a hierarchical layer among the plurality of hierarchical layers; a second acquiring unit configured to acquire information relating to whether or not information relating to an independent region, which is decoded without reference to other region in an image, is set for each of the images of the respective hierarchical layers; a third acquiring unit configured to acquire information relating to a hierarchical layer of a decoding subject among the plurality of hierarchical layers, and information relating to a region of a decoding subject in an image of the hierarchical layer of the decoding subject; and a decoding unit configured to decode the data acquired by the first acquiring unit, based on the information relating to
  • the tile that can be independently decoded can be set even during hierarchical coding. Accordingly, only a video part required for decoding can be decoded and displayed at high speed with a low power consumption while the calculation cost is decreased.
  • Fig. 1 is a block diagram showing a configuration of an image coding device according to a first embodiment.
  • Fig. 2 is an illustration showing an example of a configuration of tiles.
  • Fig. 3A is a flowchart showing image coding processing according to the first embodiment.
  • Fig. 3B is a flowchart showing the image coding processing according to the first embodiment.
  • Fig. 4A is an illustration showing a configuration example of coded data according to the first embodiment.
  • Fig. 4B is an illustration showing a configuration example of coded data according to the first embodiment.
  • Fig. 5 is a block diagram showing another configuration of an image coding device according to the first embodiment.
  • Fig. 6A is an illustration showing another configuration example of coded data according to the first embodiment.
  • FIG. 6B is an illustration showing another configuration example of coded data according to the first embodiment.
  • Fig. 7A is a flowchart showing image coding processing of another example according to the first embodiment.
  • Fig. 7B is a flowchart showing the image coding processing of the example according to the first embodiment.
  • Fig. 8 is an illustration showing an example of a configuration of tiles.
  • Fig. 9 is a block diagram showing a configuration of an image display device according to a second embodiment.
  • Fig. 10 is a block diagram showing a configuration of an image decoding device according to the second embodiment.
  • Fig. 11A is a flowchart showing image decoding processing according to the second embodiment.
  • Fig. 11B is a flowchart showing the image decoding processing according to the second embodiment.
  • Fig. 11A is a flowchart showing image decoding processing according to the second embodiment.
  • Fig. 11B is a flowchart showing the image decoding processing according to the second embodiment.
  • FIG. 12 is a block diagram showing another configuration of an image decoding device according to the second embodiment.
  • Fig. 13A is a flowchart showing image decoding processing of another example according to the second embodiment.
  • Fig. 13B is a flowchart showing the image decoding processing of the example according to the second embodiment.
  • Fig. 14 is a block diagram showing a configuration example of hardware of a computer that can be applied to the image coding device and the image decoding device of the present invention.
  • Fig. 15 is an illustration showing an example of related art of a configuration of tiles.
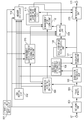
  • Fig. 1 is a block diagram showing an image coding device according to this embodiment.
  • hierarchical coding is performed in a case in which the number of hierarchical layers is two only including a base layer and an enhancement layer; however, the number of hierarchical layers is not limited thereto.
  • the hierarchical layer is a hierarchical layer based on a spatial resolution.
  • reference sign 101 is a terminal to which image data is input. The image data forms a movie. It is assumed that the image data is input on a frame basis.
  • Reference sign 102 is a tile setting unit that determines the number of division and positions of tiles in a frame, and further determines whether one of tiles is coded as an independent decoding tile, for each hierarchical layer. It is assumed that information indicative of the number of division of the tiles in the horizontal direction, the number of division of the tiles in the vertical direction, and the positions of the tiles set herein is tile division information. Also, information relating to an independent decoding tile in the base layer is called base-layer independent decoding tile information, and information relating to an independent decoding tile in the enhancement layer is called enhancement-layer independent decoding tile information.
  • Fig. 2 shows tile division.
  • Reference signs 201 to 210 are frames.
  • the frame 201 represents a frame in the base layer at a time t. Each layer is formed of tiles numbered 0 to 11.
  • the frame 205 represents a frame of an enhancement first hierarchical layer at the time t. Thin lines in the drawing represent the boundaries of tiles.
  • description is given based on an assumption that an image of a coding subject is 4K2K (4096 pixels x 2160 pixels). Hence, a tile has a size of 1024 pixels x 720 pixels.
  • Division information of tiles is written in the description of Picture Parameter Set (PPS) which is header data of a picture described in NPL 1. Hence, the description is omitted here.
  • PPS Picture Parameter Set
  • an independent-decoding-tile presence flag which represents information of whether or not an independent decoding tile is included on a sequence basis, is generated. The value of the independent-decoding-tile presence flag becomes 1 if the independent decoding tile is included, and becomes 0 if not.
  • the position of the independent decoding tile is determined in each hierarchical layer, and independent-decoding-tile position information is generated for the determined position.
  • the independent-decoding-tile position information is expressed by the tile number of a tile to be coded; however, it is not limited thereto.
  • the tile division information is input to an enhancement-layer tile dividing unit 104, a base-layer tile dividing unit 105, a base-layer independent-decoding-tile judging(determination) unit 106, an enhancement-layer independent-decoding-tile judging(determination) unit 115, and a header coding unit 114, which are located at the downstream side.
  • a tile with a tile number 5 indicated by a thick line in each of the frames 205 to 208 is an independent decoding tile, and forms an independent decoding tile set.
  • a frame at a time t+delta is a frame of a coding subject.
  • Reference sign 103 is a reducing unit.
  • the reducing unit 103 reduces the input image data by using a predetermined filter or the like, and generates an image with a low resolution.
  • the reducing method is not particularly limited.
  • the reducing unit 103 holds the input image data of the frame and the reduced image obtained by reducing the image data until the next frame is input.
  • Reference sign 104 is the enhancement-layer tile dividing unit that divides input image data of the enhancement layer into tiles based on the tile division information.
  • the enhancement-layer tile dividing unit 104 divides the input frame 206 into tiles from a tile with a tile number 0 to a tile with a tile number 11. After division into the tiles, the enhancement-layer tile dividing unit 104 outputs the tiles from the tile with the tile number 0 in the order of the numbers to the downstream side.
  • Reference sign 114 is the header coding unit.
  • the header coding unit 114 generates header coded data on a sequence or picture basis.
  • the header coding unit 114 receives inputs of the independent-decoding-tile presence flag and the independent-decoding-tile position information generated by the tile setting unit 102, generates MCTS SEI by coding these pieces of independent decoding tile information, and codes vui_parameters.
  • Reference sign 105 is the base-layer tile dividing unit.
  • the base-layer tile dividing unit 105 divides the reduced image data into tiles based on the tile division information.
  • the reduced image data is divided into the tiles so that the positions of the tiles set by the tile setting unit 102 meet the relatively equivalent positions in the reduced image data.
  • the base-layer tile dividing unit 105 divides the input frame 202 into tiles from a tile with a tile number 0 to a tile with a tile number 11. After division into the tiles, the base-layer tile dividing unit 105 outputs the tiles from the tile with the tile number 0 in the order of the numbers to the downstream side. Also, the base-layer tile dividing unit 105 notifies the base-layer independent-decoding-tile judging unit 106 about the numbers at this time.
  • Reference sign 106 is the base-layer independent-decoding-tile judging unit that judges whether a tile in the base layer to be coded is an independent decoding tile or not.
  • the base-layer independent-decoding-tile judging unit 106 compares the independent-decoding-tile presence flag and the independent-decoding-tile position information of the base layer generated by the tile setting unit 102, with the tile number of the tile of the coding subject input from the base-layer tile dividing unit 105. By the comparison, the base-layer independent-decoding-tile judging unit 106 judges whether the coding subject tile in the base layer is an independent decoding tile or not.
  • the judgment result serves as a base-layer independent-decoding-tile coding flag, the value of which becomes 1 if the coding subject tile in the base layer is the independent decoding tile, and becomes 0 if not.
  • Reference sign 115 is the enhancement-layer independent-decoding-tile judging unit that judges whether a tile in the enhancement layer to be coded is an independent decoding tile or not.
  • the enhancement-layer independent-decoding-tile judging unit 115 compares the independent-decoding-tile presence flag and the independent-decoding-tile position information of the enhancement layer generated by the tile setting unit 102, with the tile number of the coding subject tiles input from the enhancement-layer tile dividing unit 104. By the comparison, the enhancement-layer independent-decoding-tile judging unit 115 judges whether the coding subject tile in the enhancement layer is an independent decoding tile or not.
  • the judgment result serves as an enhancement-layer independent-decoding-tile coding flag, the value of which becomes 1 if the coding subject tile in the base layer is the independent decoding tile, and becomes 0 if not.
  • Reference sign 107 is a base-layer coding unit.
  • the base-layer coding unit 107 codes the image data of a tile input from the base-layer tile dividing unit 105.
  • the base-layer coding unit 107 receives an input of the base-layer independent-decoding-tile coding flag. According to this flag, if the coding subject tile in the base layer is the independent coding tile, prediction and coding are performed from only a portion, which has been the independent decoding tile in the same tile set, in the decoded image of the base layer that can be referenced.
  • coding is performed with reference to only the tile with the tile number 5 in the tile set of the frame 201. If the base-layer independent-decoding-tile coding flag is 0, that is, if the tile is not the independent decoding tile, prediction is performed from the decoded image of the base layer that can be referenced without limiting to the independent decoding tile in the base layer, and coding is performed for a prediction error etc. Base-layer coded data obtained by coding is output to the downstream side.
  • Reference sign 108 is a base-layer image reconfiguring unit that reconfigures a reconfigured image of the base layer by using a coefficient etc. generated by the base-layer coding unit 107.
  • the base-layer image reconfiguring unit 108 holds the reconfigured image data so that image data, which is enlarged by an enlarging unit 109 (described later), is referenced when coding is performed by the base-layer coding unit 107 and an enhancement-layer coding unit 112 (described later).
  • Reference sign 109 is the enlarging unit that enlarges the decoded image of the base layer to the size of the enhancement layer.
  • the enlarging unit 109 enlarges the reconfigured image data of each of the frame 201 and the frame 202, and generates the frame 203 and the frame 204.
  • Reference sign 112 is the enhancement-layer coding unit.
  • the enhancement-layer coding unit 112 codes the image data of a tile input from the enhancement-layer tile dividing unit 104.
  • the enhancement-layer coding unit 112 receives an input of the enhancement-layer independent-decoding-tile coding flag from the enhancement-layer independent-decoding-tile judging unit 115. According to this flag, the enhancement-layer coding unit 112 selects a reference image and performs coding. That is, if the tile of the coding subject of the enhancement layer is the independent decoding tile, the enlarged image data of the reconfigured image of the base layer and the reconfigured image data of the enhancement layer are referenced.
  • the portion of the independent decoding tile set of each image data is referenced and coded. Describing with reference to Fig. 2, when the tile with the tile number 5 in the frame 206 is coded, coding is performed with reference to the tile with the tile number 5 in the frame 204 and the tile with the tile number 5 in the frame 206. Also, if the enhancement-layer independent-decoding-tile coding flag is 0, that is, if the tile is not the independent decoding tile, prediction is performed from the reconfigured image data of the enhancement layer without limiting to the enlarged image data or the independent decoding tile of the decoded base layer, and coding for a prediction error etc. is performed. Enhancement-layer coded data obtained by coding is output to the downstream side.
  • Reference sign 113 is an enhancement-layer image reconfiguring unit.
  • the enhancement-layer image reconfiguring unit 113 generates a reconfigured image of the enhancement layer by using information, for example, a quantization coefficient and a prediction mode, which are generated in the middle of coding by the enhancement-layer coding unit 112.
  • the enhancement-layer image reconfiguring unit 113 holds the reconfigured image to be referenced during coding by the enhancement-layer coding unit 112.
  • Reference sign 110 is an integration unit that integrates the base-layer coded data generated by the base-layer coding unit 107, the enhancement-layer coded data generated by the enhancement-layer coding unit 112, and the header coded data generated by the header coding unit 114, and generates a bit stream.
  • Reference sign 111 is a terminal that outputs the generated bit stream to the outside.
  • a coding operation of an image by the image coding device is described below.
  • the coding operation is described with reference to a flowchart in Figs. 3A and 3B.
  • step S301 a user determines the number of hierarchical layers of hierarchical coding by using a hierarchical-layer setting unit (not shown).
  • the enhancement layer is one hierarchical layer, and hierarchical coding is performed with two hierarchical layers in total.
  • the tile setting unit 102 determines the number of division of the tiles and the positions of the tiles in a frame, and further determines whether or not coding is performed on a tile in any of the hierarchical layers, as the independent decoding tile.
  • the tile with the tile number 5 in the enhancement layer is the independent decoding tile, and forms one independent decoding tile set.
  • the tile with the tile number 5 in the base layer is not the independent decoding tile.
  • the independent-decoding-tile presence flag is 1. In other case, if the independent decoding tile is not included, the independent-decoding-tile presence flag is 0.
  • the size of the image, the number of division of the tiles, and the position of the independent decoding tile are not limited thereto.
  • the independent-decoding-tile presence flag is input to the enhancement-layer tile dividing unit 104, the base-layer tile dividing unit 105, the base-layer independent-decoding-tile judging unit 106, the enhancement-layer independent-decoding-tile judging unit 115, and the header coding unit 114.
  • step S303 the header coding unit 114 judges the independent-decoding-tile presence flag. If the independent-decoding-tile presence flag is 1, the process goes to step S304, and if not, the process goes to S305.
  • step S304 the header coding unit 114 sets a tile_boundaries_aligned_flag code of vui_parameters, which is tile-position alignment information, at 1.
  • the header coding unit 114 first codes video_parameter_set, which is one of sequence headers. This includes a vps_max_layers_minus1 code, which represents the number of hierarchical layers of hierarchical coding. In this embodiment, the vps_max_layers_minus1 code is 1. Then, Sequence parameter set is coded. Sequence parameter set includes vui_parameters. In this case, vui_parameters includes the tile_boundaries_aligned_flag code set in step S304. These pieces of coded data are input to the integration unit 110, and are output from the terminal 111 as a bit stream.
  • step S306 the header coding unit 114 codes Pictureparameter set, which is a picture header.
  • the coded data of the picture header is input to the integration unit 110, and is output from the terminal 111 as a bit stream.
  • step S307 the header coding unit 114 judges the independent-decoding-tile presence flag. If the independent-decoding-tile presence flag is 1, the process goes to step S308, and if not, the process goes to S309.
  • the header coding unit 114 codes motion-constrained_tile_sets_scalability SEI (abbreviated as MCTSS SEI).
  • MCTSS SEI motion-constrained_tile_sets_scalability SEI
  • Fig. 4A An example of MCTSS SEI coded data, which is independent decoding tile information, is shown in Fig. 4A.
  • the vps_max_layers_minus1 code is 1.
  • the value 0 of a variable k represents the base layer, and the value 1 represents the enhancement layer.
  • a num_tile_rects_in_set_minus1[1][0] code becomes 0.
  • a combination of the tile number of the upper left tile and the tile number of the lower right tile is used. That is, a top_left_tile_index[1][0][0] code and a bottom_right_tile_index[1][0][0] code represent the position of the independent decoding tile.
  • NPL 1 describes an exact_sample_value_match_flag code, the description thereof is omitted.
  • the reducing unit 103 reduces the input image, and generates an input image of the base layer.
  • the enhancement layer is one hierarchical layer
  • the reducing unit 103 generates the base layer.
  • the reducing unit 103 may be increased by the number of hierarchical layers, or image data may be generated by the required number of hierarchical layers in the reducing unit 103 in accordance with the number of hierarchical layers input from the tile setting unit 102.
  • step S310 the base-layer tile dividing unit 105 extracts the image data of the tile in the base layer, which is successively coded according to the tile number from the upper left of the reduced image data, from the reducing unit 103.
  • the image data of the tile in the base layer extracted by the base-layer tile dividing unit 105 is input to the base-layer coding unit 107.
  • the position information of the tile to be coded that is, the tile number is output to the base-layer independent-decoding-tile judging unit 106.
  • step S311 the base-layer independent-decoding-tile judging unit 106 receives an input of the tile number of the tile serving as the coding subject from the base-layer tile dividing unit 105. Simultaneously, the base-layer independent-decoding-tile judging unit 106 receives an input of the independent-decoding-tile position information of the base layer from the tile setting unit 102. The base-layer independent-decoding-tile judging unit 106 compares the tile number of the tile of the coding subject with the tile number of the base-layer independent-decoding-tile position information.
  • the base-layer independent-decoding-tile coding flag becomes 1, and the process goes to step S312. If the tile numbers do not match, it is judged that the coding subject tile is not the independent decoding tile in the base layer, the base-layer independent-decoding-tile coding flag becomes 0, and the process goes to step S313. In this embodiment, since the independent decoding tile is not present, independent-decoding-tile position information of the base layer is not input. Hence, the base-layer independent-decoding-tile coding flag becomes 0, and the process goes to step S313.
  • the tile in the base layer is the independent decoding tile.
  • the base-layer coding unit 107 performs inter-frame prediction with reference to the reconfigured image data included in the independent decoding tile set at the relatively equivalent position of the reconfigured image of the base layer, performs prediction with reference to the reconfigured pixels in the tile being coded, and performs coding.
  • Fig. 2 described below is a case in which the tile number 5 in the frame 202 is the independent decoding tile, and the tile is coded is described.
  • Coding is performed with reference to the reconfigured image data of the coded pixels of the tile with the tile number 5 and the tile with the tile number 6 in the frame 201, and the tile with the tile number 5 in the frame 202 stored in the base-layer image reconfiguring unit 108.
  • the coded data of the tile in the base layer is output to the integration unit 110 as the base-layer coded data.
  • the integration unit 110 integrates the base-layer coded data with the other coded data, and generates a bit stream.
  • the generated bit stream is output from the terminal 111.
  • the base-layer image reconfiguring unit 108 successively generates tile reconfigured image data of the base layer by using a coefficient etc. generated in the middle of coding by the base-layer coding unit 107, and holds the tile reconfigured image data.
  • the tile in the base layer is not the independent decoding tile.
  • the base-layer coding unit 107 performs inter-frame prediction for all image data of the reconfigured frame of the base layer as a reference subject, and performs coding.
  • Fig. 2 when the tile with the tile number 5 in the frame 202 is performed, coding is performed with reference to the coded pixels of all tiles in the frame 201 and the tile with the tile number 5 in the frame 202 stored in the base-layer image reconfiguring unit 108.
  • the generated base-layer coded data is output to the integration unit 110.
  • the integration unit 110 integrates the base-layer coded data with the other coded data, and generates a bit stream.
  • the generated bit stream is output from the terminal 111.
  • the base-layer image reconfiguring unit 108 successively generates tile reconfigured image data of the base layer by using a coefficient etc. generated in the middle of coding by the base-layer coding unit 107, and holds the tile reconfigured image data.
  • step S314 the base-layer coding unit 107 judges whether or not coding of all tile data of the base layer is completed. If coding processing on all tile data of the base layer is not completed, the process returns to step S310. The base-layer tile dividing unit 105 extracts and outputs the next tile, and continues the processing. If the coding processing on image data of all tiles in the base layer is completed, the process goes to step S315.
  • the enhancement-layer tile dividing unit 104 extracts the image data of the tile in the enhancement layer, which is coded according to the tile number successively from the upper left of the input image data, which is in the reducing unit 103 and is not reduced.
  • the image data of the tile in the enhancement layer extracted by the enhancement-layer tile dividing unit 104 is input to the enhancement-layer coding unit 112. Also, the position information of the tile to be coded, that is, the tile number is output to the enhancement-layer independent-decoding-tile judging unit 115.
  • step S316 the enhancement-layer independent-decoding-tile judging unit 115 receives an input of the tile number of the tile as the coding subject from the enhancement-layer tile dividing unit 104. Simultaneously, the enhancement-layer independent-decoding-tile judging unit 115 receives an input of the independent-decoding-tile position information of the enhancement layer from the tile setting unit 102. In this embodiment, the independent-decoding-tile position information is 5. The enhancement-layer independent-decoding-tile judging unit 115 compares the tile number of the tile of the coding subject with the tile number of the enhancement-layer independent-decoding-tile position information.
  • the enhancement-layer independent-decoding-tile coding flag becomes 1, and the process goes to step S317. If the tile numbers do not match, it is judged that the coding subject tile is not the independent decoding tile, the enhancement-layer independent-decoding-tile coding flag becomes 0, and the process goes to step S319. In this embodiment, since the tile with the tile number 5 in the enhancement layer is the independent decoding tile, the process goes to step S317, and otherwise, the process goes to step S319.
  • the tile of the coding subject is the independent decoding tile in the enhancement layer.
  • the enlarging unit 109 receives an input of the reconfigured image data of the tile at the relatively equivalent position from the reconfigured image data of the base layer stored in the base-layer image reconfiguring unit 108.
  • the enlarging unit 109 performs enlarging by, for example, filtering, by using the reconfigured image data of the tile at the relatively equivalent position from the input reconfigured image data of the base layer, and generates enlarged image data.
  • enlarging is performed by using the image data of the tile with the tile number 5 in the frame 202 in Fig. 2 and the image data of its periphery.
  • the enlarged image data is input to the enhancement-layer coding unit 112.
  • the enhancement-layer coding unit 112 codes the image data of the tile of the coding subject input from the enhancement-layer tile dividing unit 104 with reference to the reconfigured image data. That is, the enhancement-layer coding unit 112 performs inter-layer prediction with reference to the enlarged image data generated in step S317. Also, the enhancement-layer coding unit 112 performs inter-layer prediction with reference to the reconfigured image data of the independent decoding tile set at the relatively equivalent position of the reconfigured enhancement layer stored in the enhancement-layer image reconfiguring unit 113. Further, the enhancement-layer coding unit 112 performs intra-prediction with reference to the coded reconfigured image data in the tile of the coding subject tile.
  • the enhancement-layer coding unit 112 codes information relating to prediction of a motion vector etc. and a prediction error obtained by the above-described prediction and inter-frame prediction. Further, the enhancement-layer image reconfiguring unit 113 successively generates tile reconfigured image data of the enhancement layer by using a coefficient etc. generated in the middle of coding by the enhancement-layer coding unit 112, and holds the tile reconfigured image data.
  • step S319 the tile of the coding subject is not the independent decoding tile in the enhancement layer.
  • the enlarging unit 109 performs enlarging by, for example, filtering, by using the entire reconfigured image data of the base layer stored in the base-layer image reconfiguring unit 108, and generates enlarged image data.
  • the enlarged image data is input to the enhancement-layer coding unit 112.
  • the enhancement-layer coding unit 112 codes the image data of the tile of the coding subject input from the enhancement-layer tile dividing unit 104 with reference to the coded image data. That is, the enhancement-layer coding unit 112 performs inter-layer prediction with reference to the enlarged image data generated in step S319. Also, the enhancement-layer coding unit 112 performs inter-frame prediction with reference to the reconfigured image data of the reconfigured enhancement layer stored in the enhancement-layer image reconfiguring unit 113. Further, the enhancement-layer coding unit 112 performs intra-prediction with reference to the coded reconfigured image data in the tile of the coding subject tile. The enhancement-layer coding unit 112 codes information relating to prediction of a motion vector etc.
  • the enhancement-layer image reconfiguring unit 113 successively generates tile reconfigured image data of the enhancement layer by using a coefficient etc. generated in the middle of coding by the enhancement-layer coding unit 112, and holds the tile reconfigured image data.
  • step S321 the enhancement-layer coding unit 112 judges whether or not coding of all tile data of the enhancement layer is completed. If the coding processing on all tile data of the enhancement layer is not completed, the process returns to step S315. The enhancement-layer tile dividing unit 104 extracts and outputs the next tile, and continues the processing. If the coding processing on image data of all tiles in the enhancement layer is completed, the process goes to step S322.
  • step S322 the integration unit 110 judges whether or not the coding processing of image data for all frames included in the sequence input from the terminal 101 is completed. If a frame before the coding processing is present, the process goes to step S309, and performs the processing on the next frame. If a frame before the coding processing is not present, the coding processing is ended.
  • the independent decoding tile set can be individually set in each hierarchical layer. Accordingly, the independent decoding tile and the independent decoding tile set can be set in the middle of the hierarchical layers. Also, an increase in code amount of the base layer can be restricted. In addition, for a certain hierarchical layer or higher, by applying a limitation to a reference image relating to a code, coded data in which the portion can be decoded at high speed can be generated.
  • an interest region or the like may be changed from the enhancement layer to the independent decoding tile set, and in the hierarchical layer in which the independent decoding tile set is present, the boundaries of the tiles may be aligned. Accordingly, the independent decoding tile set can be independently coded without reference to other tile in the enhancement layer with a large code amount and a high decoding cost. Hence, high-speed processing can be performed on a required portion.
  • the reducing unit 103 or the enlarging unit 109 may not be used, or a reduction ratio or an enlargement ratio may be 1, so that a quantization parameter set by the enhancement-layer coding unit 112 is smaller than a quantization parameter set by the base-layer coding unit 107. Accordingly, SNR hierarchical coding can be performed.
  • the enlarged image data which is referenced by the enhancement layer of the tile in the independent decoding tile set, is generated only by using the image data of the tile in the base layer at the relatively equivalent position.
  • image data of the periphery of the independent decoding tile of the base layer may be referenced.
  • the example is described, in which the base layer and the single enhancement layer are provided.
  • the reducing unit 103, the enhancement-layer tile dividing unit 104, the enhancement-layer coding unit 112, the enhancement-layer image reconfiguring unit 113, and the enlarging unit 109 may form a set.
  • the enhancement-layer coding unit 112 the enhancement-layer image reconfiguring unit 113, the enlarging unit 109, and the reducing unit 103 have the same internal processing, these units may be integrated and may perform coding of each enhancement layer.
  • the frame 203 represents a frame obtained by enlarging the decoded image data of the frame 201 to have a resolution of an enhancement first hierarchical layer.
  • the frame 209 represents a frame of an enhancement second hierarchical layer at the time t.
  • the frame 207 represents a frame in which decoded image data of the frame 205 is enlarged to have a resolution of the enhancement second hierarchical layer.
  • the frame 202 represents a frame of the base layer at a time t+delta.
  • the frame 206 represents a frame of the enhancement first hierarchical layer at the time t+delta.
  • the frame 204 represents a frame obtained by enlarging the decoded image data of the frame 202 to have the resolution of the enhancement first hierarchical layer.
  • the frame 210 represents a frame of the enhancement second hierarchical layer at the time t+delta.
  • the frame 208 represents a frame obtained by enlarging the decoded image data of the frame 206 to have the resolution of the enhancement second hierarchical layer.
  • the tile with the tile number 5 is the enhancement-layer independent decoding tile
  • the tiles with the tile number 5 in the frame 205 and the frame 206 are the enhancement-layer independent decoding tiles indicated by thick lines.
  • the tile with the tile number 5 and the tile with the tile number 6 are the enhancement-layer independent decoding tiles
  • the enhancement-layer independent decoding tile set is formed for each of the enhancement-layer independent decoding tiles.
  • the tiles with the tile number 5 and the tiles with the tile number 6 in the frame 209 and the frame 210 form the enhancement-layer independent decoding tile set indicated by the thick lines.
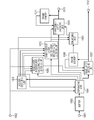
  • Fig. 5 shows a block diagram of a coding device in this case.
  • the same number is applied to a unit that has the same function as that in the block of the image coding device in Fig. 1, and the description thereof is omitted.
  • Reference sign 501 is a hierarchical-layer-number setting unit that sets the number of hierarchical layers.
  • Reference sign 502 is a tile setting unit. The tile setting unit 502 differs from the tile setting unit 102 in Fig. 1 in that the number of hierarchical layers is three, and an independent decoding tile is set in each of the base layer, the enhancement first hierarchical layer, and the enhancement second hierarchical layer.
  • Reference sign 503 is a reducing unit.
  • the reducing unit 503 differs from the reducing unit 103 in Fig. 1 in that the reducing unit 503 receives an input of the number of hierarchical layers to be generated from the hierarchical-layer-number setting unit 501, and generates a plurality of hierarchical images by reducing, i.e., generates a plurality of pieces of reduced image data.
  • Reference sign 506 is a frame memory that stores the reduced image data of each hierarchical layer generated by the reducing unit 503.
  • Reference sign 504 is an enhancement-layer tile dividing unit.
  • the enhancement-layer tile dividing unit 504 differs from the enhancement-layer tile dividing unit 104 in Fig.
  • Reference sign 509 is an enlarging unit.
  • the enlarging unit 509 differs from the enlarging unit 109 in Fig. 1 in that the enlarging unit 509 receives an input of the number of hierarchical layers to be generated from the hierarchical-layer-number setting unit 501, and generates enlarged image data of the hierarchical layers with a plurality of different resolutions by enlarging.
  • Reference sign 513 is an enhancement-layer image reconfiguring unit.
  • the enhancement-layer image reconfiguring unit 513 differs from the enhancement-layer image reconfiguring unit 113 in Fig. 1 in that the enhancement-layer image reconfiguring unit 513 receives an input of the number of hierarchical layers to be generated from the hierarchical-layer-number setting unit 501, and the enlarging unit 509 is added as the output target.
  • Reference sign 510 is an integration unit that differs from the integration unit 110 in Fig. 1 in that the integration unit 510 receives an input of the number of hierarchical layers from the hierarchical-layer-number setting unit 501, and integrates coded data for the number of hierarchical layers to a bit stream.
  • Reference sign 515 is an enhancement-layer independent-decoding-tile judging unit.
  • the enhancement-layer independent-decoding-tile judging(determination) unit 515 differs from the enhancement-layer independent-decoding-tile judging unit 115 in Fig. 1 in that the enhancement-layer independent-decoding-tile judging unit 515 can handle up to the enhancement second hierarchical layer, and compares the independent decoding tile information of the enhancement first hierarchical layer and the enhancement second hierarchical layer with the tile position information input for each of the hierarchical layers.
  • Figs. 7A and 7B show a coding method in this case.
  • the same number as that in Figs. 3A and 3B is applied to a step that has the same function as that in Figs. 3A and 3B, and the description thereof is omitted.
  • step S701 the hierarchical-layer-number setting unit 501 sets the number of hierarchical layers.
  • the number of hierarchical layers is three.
  • the number of hierarchical layers can be desirably set.
  • step S305 the vps_max_layers_minus1 code is set at 2 and header coded data is generated.
  • the header coding unit 114 codes MCTSS SEI.
  • the MCTSS SEI coded data has the configuration shown in Fig. 4A.
  • the vps_max_layers_minus1 code is 2.
  • the value 0 of the variable k represents the base layer
  • the value 1 represents the enhancement first hierarchical layer
  • the value 2 represents the enhancement second hierarchical layer.
  • k 1 is established, and information of the independent decoding tile in the enhancement layer (enhancement first hierarchical layer) is coded. Since one independent decoding tile set is included, the num_sets_in_message[1] code indicative of the number of independent decoding tile sets becomes 1. Then, the mcts_id[1] code is set at 0. Since the number of independent decoding tiles belonging to the independent decoding tile set of the enhancement layer (enhancement first hierarchical layer) is 1, the num_tile_rects_in_set_minus1[1][0] code becomes 0.
  • the top_left_tile_index[1][0][0] code and the bottom_right_tile_index[1][0][0] code represent the position of the independent decoding tile.
  • the independent decoding tile of the enhancement layer is only the tile with the tile number 5, either value is 5.
  • the information of the independent decoding tile of the enhancement layer (enhancement second hierarchical layer) is coded. Since two independent decoding tile sets are included, the num_sets_in_message[2] code indicative of the number of independent decoding tile sets of the enhancement layer (enhancement second hierarchical layer) becomes 2. Then, the independent decoding tile set with the tile number 5 is coded. Then, the mcts_id[2][0] code is set at 0.
  • the num_tile_rects_in_set_minus1[2][0] code becomes 0.
  • Both the top_left_tile_index[2][0][0] code and the bottom_right_tile_index[2][0][0] code become 5.
  • the independent decoding tile set with the tile number 6 is coded.
  • the mcts_id[2][1] code is 1 to distinguish the independent decoding tile set with the tile number 6 from the independent decoding tile set with the tile number 5.
  • NPL 1 describes the exact_sample_value_match_flag code, the description thereof is omitted.
  • These are coded, and coded data of MCTSS SEI is generated.
  • the MCTSS SEI coded data is input to the integration unit 110, and is output from the terminal 111 as a bit stream.
  • step S709 the reducing unit 503 generates reduced image data by the number of hierarchical layers of one frame.
  • the two enhancement layers set in step S701 are generated.
  • enhancement first-hierarchical-layer image data is obtained by halving the length and width of the input image
  • image data of the base layer is further generated by halving the length and width of the enhancement first-hierarchical-layer image data.
  • the image with the input resolution is output to the frame memory 506 without being changed, as enhancement second-hierarchical-layer image data.
  • the base-layer image reconfiguring unit 108 reconfigures a decoded image of an image, which has been coded.
  • the base-layer image reconfiguring unit 108 holds the reconfigured image.
  • step S730 the hierarchical-layer-number setting unit 501 sets the base layer coded in step S312 or step S313 or the enhancement layer of the hierarchical layer coded in step S719, step S721, or step S723 (described later), as a higher layer. Further, the hierarchical-layer-number setting unit 501 sets the successive enhancement layer of the coding subject, as a lower layer. First, the base layer coded in step S312 or step S313 is set as the higher layer, and the enhancement first hierarchical layer is set as the lower layer.
  • step S715 the enhancement-layer tile dividing unit 104 extracts image data of the tile in the lower layer to be coded in accordance with the tile number in the order from the upper left of the image data of the lower layer of the coding subject.
  • the image data of the tile in the lower layer extracted by the enhancement-layer tile dividing unit 104 is input to the enhancement-layer coding unit 112.
  • the image data of the tile to be coded of the image data of the enhancement first hierarchical layer image is extracted as the coding subject of the lower layer, and the extracted image data is input to the enhancement-layer coding unit 112.
  • the enhancement-layer independent-decoding-tile judging unit 115 receives an input of the tile number of the lower layer (enhancement first hierarchical layer) of the tile as the coding subject from the enhancement-layer tile dividing unit 104. Simultaneously, the enhancement-layer independent-decoding-tile judging unit 115 receives an input of the independent-decoding-tile position information of the lower layer (enhancement first hierarchical layer) from the tile setting unit 102. In this embodiment, the independent-decoding-tile position information is 5. The enhancement-layer independent-decoding-tile judging unit 115 compares the tile number of the tile of the coding subject with the tile number of the independent-decoding-tile position information of the higher layer (base layer).
  • the enhancement-layer independent-decoding-tile coding flag becomes 1, and the process goes to step S717. If the tile numbers do not match, it is judged that the coding subject tile is not the independent decoding tile, the independent-decoding-tile coding flag of the lower layer (enhancement first hierarchical layer) becomes 0, and the process goes to step S720. In this embodiment, since the tile with the tile number 5 in the enhancement layer is the independent decoding tile, the process goes to step S717, and otherwise, the process goes to step S720.
  • step S717 the enlarging unit 509 judges whether or not the block in the higher layer (base layer) at the relatively equivalent position to the tile of the coding subject in the lower layer (enhancement first hierarchical layer) of the coding subject is the independent decoding tile.
  • independent-decoding-tile position information of the higher layer (base layer) fed from the tile setting unit 502 is compared with the position of the coding subject tile in the lower layer (enhancement first hierarchical layer). If the tile numbers match and it is judged that the tile in the higher layer (base layer) at the relatively equivalent position to the coding subject tile is the independent decoding tile, the process goes to S718, and if not, the process goes to step S720.
  • the process goes to step S720.
  • the tile of the coding subject in the lower layer is the independent decoding tile
  • the tile of the coding subject in the higher layer is the independent decoding tile.
  • the enlarging unit 509 receives an input of reconfigured image data of the tile at the relatively equivalent position from the reconfigured image data of the higher layer (base layer) stored in the base-layer image reconfiguring unit 108 or the enhancement-layer image reconfiguring unit 513.
  • the enlarging unit 509 performs enlarging by, for example, filtering, by using only the reconfigured image data of the input independent decoding tile set, and generates enlarged image data.
  • the enlarged image data is input to the enhancement-layer coding unit 112.
  • the enlarged image data is generated from the reconfigured image data of the base-layer image reconfiguring unit 108.
  • the tile with the tile number 5 in the frame 202 in Fig. 2 is the independent decoding tile
  • enlarging is performed by using only the image data of the tile with the tile number 5 in the frame 202.
  • the generated enlarged image data (enlarged image data of the tile with the tile number 5 in the frame 204) is input to the enhancement-layer coding unit 112.
  • the enhancement-layer coding unit 112 codes the image data of the tile in the lower layer (enhancement first hierarchical layer) of the coding subject input from the enhancement-layer tile dividing unit 104 with reference to the reconfigured image data. That is, the enhancement-layer coding unit 112 performs inter-layer prediction with reference to the enlarged image data of the higher layer (base layer) generated in step S718. Also, the enhancement-layer coding unit 112 performs inter-frame prediction with reference to the image data of the independent decoding tile set at the relatively equivalent position in the reconfigured lower layer (enhancement first hierarchical layer) stored in the enhancement-layer image reconfiguring unit 513.
  • the enhancement-layer coding unit 112 performs intra-prediction with reference to the coded reconfigured image data in the tile of the coding subject tile.
  • the enhancement-layer coding unit 112 codes information relating to prediction of a motion vector etc. and a prediction error obtained by the above-described prediction and inter-frame prediction.
  • the enhancement-layer image reconfiguring unit 513 successively generates tile reconfigured image data of the enhancement layer by using a coefficient etc. generated in the middle of coding by the enhancement-layer coding unit 112, and holds the tile reconfigured image data.
  • the tile of the coding subject in the lower layer is the independent decoding tile, whereas the tile of the coding subject in the higher layer is not the independent decoding tile.
  • the enlarging unit 509 performs enlarging by, for example, filtering, by using the reconfigured image data of the base layer stored in the base-layer image reconfiguring unit 108 or the reconfigured image data of the higher layer stored in the enhancement-layer image reconfiguring unit 513, and generates enlarged image data.
  • the enlarged image data is input to the enhancement-layer coding unit 112.
  • enlarged image data of the higher layer is generated from the reconfigured image data of the base-layer image reconfiguring unit 108.
  • enlarging is performed by using the image data of the tile with the tile number 5 in the frame 202 in Fig. 2 and the image data of its periphery.
  • the enhancement-layer coding unit 112 codes the image data of the tile in the lower layer (enhancement first hierarchical layer) of the coding subject input from the enhancement-layer tile dividing unit 104 with reference to the coded image data of the lower layer (enhancement first hierarchical layer). That is, the enhancement-layer coding unit 112 performs inter-layer prediction with reference to the enlarged image data of the higher layer (base layer) generated in step S720. Also, the enhancement-layer coding unit 112 performs inter-frame prediction with reference to the reconfigured image data of the lower layer (enhancement first hierarchical layer) stored in the enhancement-layer image reconfiguring unit 513.
  • the enhancement-layer coding unit 112 performs intra-prediction with reference to the coded reconfigured image data in the tile of the coding subject tile in the lower layer (enhancement first hierarchical layer).
  • the enhancement-layer coding unit 112 codes information relating to prediction of a motion vector etc. and a prediction error obtained by the above-described prediction and inter-frame prediction.
  • the enhancement-layer image reconfiguring unit 513 successively generates tile reconfigured image data of the lower layer (enhancement first hierarchical layer) by using a coefficient etc. generated in the middle of coding by the enhancement-layer coding unit 112, and holds the tile reconfigured image data.
  • the tile of the coding subject in the lower layer is not the independent decoding tile.
  • the enlarging unit 509 performs enlarging by using the entire reconfigured image data of the base layer stored in the base-layer image reconfiguring unit 108 or the reconfigured image data of the higher enhancement layer stored in the enhancement-layer image reconfiguring unit 513, and generates enlarged image data.
  • the enlarged image data is input to the enhancement-layer coding unit 112. In this case, since the higher layer is the base layer, enlarged image data of the higher layer is generated from the reconfigured image data of the base-layer image reconfiguring unit 108.
  • the enhancement-layer coding unit 112 codes the image data of the tile in the lower layer (enhancement first hierarchical layer) of the coding subject input from the enhancement-layer tile dividing unit 104 with reference to the coded image data of the lower layer (enhancement first hierarchical layer). That is, the enhancement-layer coding unit 112 performs inter-layer prediction with reference to the enlarged image data of the higher layer (base layer) generated in step S722. Also, the enhancement-layer coding unit 112 performs inter-frame prediction with reference to the reconfigured image data of the lower layer (enhancement first hierarchical layer) stored in the enhancement-layer image reconfiguring unit 113.
  • the enhancement-layer coding unit 112 performs intra-prediction with reference to the coded reconfigured image data in the tile of the coding subject tile in the lower layer (enhancement first hierarchical layer).
  • the enhancement-layer coding unit 112 codes information relating to prediction of a motion vector etc. and a prediction error obtained by the above-described prediction and inter-frame prediction.
  • the enhancement-layer image reconfiguring unit 513 successively generates tile reconfigured image data of the lower layer (enhancement first hierarchical layer) by using a coefficient etc. generated in the middle of coding by the enhancement-layer coding unit 112, and holds the tile reconfigured image data.
  • step S724 the integration unit 510 judges whether or not coding is completed for all hierarchical layers set in the hierarchical-layer-number setting unit 501. If the coding processing on tile data for all hierarchical layers is not completed, the process returns to step S730, in which the hierarchical-layer-number setting unit 501 sets the next hierarchical layer as the lower layer, and the processing is continued. If the coding processing on the image data of all tiles in the enhancement layer is completed, the process goes to step S725. In this case, since coding of the enhancement second hierarchical layer is not completed, the process returns to step S730.
  • step S725 the integration unit 510 judges whether or not the coding processing of image data for all frames included in the sequence input from the terminal 101 is completed. If a frame before the coding processing is present, the process goes to step S709, and performs the processing on the next frame. If a frame before the coding processing is not present, the coding processing is ended.
  • step S730 the hierarchical-layer-number setting unit 501 sets the enhancement first hierarchical layer coded in step S719 or step S721 as the higher layer, and sets the enhancement second hierarchical layer as the lower layer.
  • step S715 the enhancement-layer tile dividing unit 104 extracts image data of a tile to be coded of the image data of the lower layer (enhancement second hierarchical layer), and inputs the extracted image data to the enhancement-layer coding unit 112.
  • the tile with the tile number 6 newly becomes the independent decoding tile from the enhancement second hierarchical layer, and forms the independent decoding tile set together with the tile with the tile number 5.
  • the image data of the tile with the tile number 5 in the lower layer (enhancement second hierarchical layer) is input first.
  • the enhancement-layer independent-decoding-tile judging unit 115 receives an input of the tile number of the lower layer (enhancement second hierarchical layer) of the tile as the coding subject from the enhancement-layer tile dividing unit 104. Simultaneously, the enhancement-layer independent-decoding-tile judging unit 115 receives an input of the independent-decoding-tile position information of the lower layer (enhancement second hierarchical layer) from the tile setting unit 102. In this case, the independent-decoding-tile position information is 5.
  • the enhancement-layer independent-decoding-tile judging unit 115 compares the tile number of the tile of the coding subject with the tile number of the independent-decoding-tile position information of the higher layer (enhancement first hierarchical layer). If the tile numbers match, it is judged that the coding subject tile is the independent decoding tile in the lower layer (enhancement second hierarchical layer), the enhancement-layer independent-decoding-tile coding flag becomes 1, and the process goes to step S717. If the tile numbers do not match, it is judged that the coding subject tile is not the independent decoding tile, the enhancement-layer independent-decoding-tile coding flag of the lower layer (enhancement second hierarchical layer) becomes 0, and the process goes to step S720. Regarding the tile with the tile number 5 in the enhancement second hierarchical layer, since the tile with the tile number 5 in the enhancement layer is the independent decoding tile, the process goes to step S717, and otherwise, the process goes to step S720.
  • step S717 the enlarging unit 509 judges whether or not a block in the higher layer (enhancement first hierarchical layer) at the relatively equivalent position to the tile of the coding subject in the lower layer (enhancement second hierarchical layer) of the coding subject is the independent decoding tile.
  • the independent-decoding-tile position information of the higher layer (enhancement first hierarchical layer) fed from the tile setting unit 502 is compared with the position of the coding subject tile in the lower layer (enhancement second hierarchical layer).
  • step S720 the process goes to step S718.
  • step S718 the tile of the coding subject in the lower layer (enhancement second hierarchical layer) is the independent decoding tile, and the tile of the coding subject in the higher layer (enhancement first hierarchical layer) is the independent decoding tile.
  • the enlarging unit 509 receives an input of the reconfigured image data of the tile at the relatively equivalent position from the reconfigured image data of the higher layer (enhancement first hierarchical layer) stored in the enhancement-layer image reconfiguring unit 513.
  • the enlarging unit 509 performs enlarging by, for example, filtering, by using only the input reconfigured image data of the independent decoding tile set in the higher layer (enhancement first hierarchical layer), and generates enlarged image data of the higher layer (enhancement first hierarchical layer). It is to be noted that as long as adjacent tiles are independent decoding tiles of the same independent decoding tile set, enlarging may be performed by using reconfigured image data of the adjacent independent decoding tile.
  • the enlarged image data of the higher layer (enhancement first hierarchical layer) is input to the enhancement-layer coding unit 112.
  • the tile with the tile number 5 in the enhancement second hierarchical layer is the tile with the tile number 5 in the frame 210 in Fig. 2. Regarding the tile with the tile number 5 in the frame 210, since the tile with the tile number 5 in the frame 208 is the independent decoding tile, an enlarged image is generated by using only the reconfigured image data of the tile with the tile number 5 in the frame
  • the enhancement-layer coding unit 112 codes the image data of the tile in the lower layer (enhancement second hierarchical layer) of the coding subject input from the enhancement-layer tile dividing unit 104.
  • the enlarged image data of the higher layer (enhancement first hierarchical layer) and the reconfigured image data of the lower layer (enhancement second hierarchical layer) are referenced. That is, the enhancement-layer coding unit 112 performs inter-layer prediction with reference to the enlarged image data of the higher layer (enhancement first hierarchical layer) generated in step S718.
  • the enhancement-layer coding unit 112 performs inter-frame prediction with reference to the reconfigured image data of the independent decoding tile set at the relatively equivalent position in the lower layer (enhancement second hierarchical layer) stored in the enhancement-layer image reconfiguring unit 513. Further, the enhancement-layer coding unit 112 performs intra-prediction with reference to the coded reconfigured image data of the lower layer (enhancement second hierarchical layer) in the tile of the coding subject tile.
  • the enhancement-layer coding unit 112 codes information relating to prediction of a motion vector etc. and a prediction error obtained by the above-described prediction.
  • the enhancement-layer image reconfiguring unit 513 successively generates tile reconfigured image data of the lower layer (enhancement second hierarchical layer) by using a coefficient etc. generated in the middle of coding by the enhancement-layer coding unit 112, and holds the tile reconfigured image data.
  • a state of reference for coding is described with reference to Fig. 2.
  • the tile with the tile number 5 in the frame 210 references the enlarged image of the tile with the tile number 5 in the frame 208, the reconfigured image data of the tile with the tile number 5 of the independent decoding tile set in the frame 209, and the reconfigured image data of the tile with the tile number 5 in the frame 210.
  • step S321 since coding of the tile with the tile number 6 is not performed, the process goes to step S715.
  • step S715 the enhancement-layer tile dividing unit 104 extracts image data of the tile to be coded with the tile number 6 in the frame 210 in Fig. 2 of the image data of the lower layer (enhancement second hierarchical layer), and inputs the extracted image data to the enhancement-layer coding unit 112.
  • the enhancement-layer independent-decoding-tile judging unit 115 receives an input of the tile number of the lower layer (enhancement second hierarchical layer) of the tile as the coding subject from the enhancement-layer tile dividing unit 104. Simultaneously, the enhancement-layer independent-decoding-tile judging unit 115 receives an input of the independent-decoding-tile position information of the lower layer (enhancement second hierarchical layer) from the tile setting unit 102. In this case, the independent-decoding-tile position information is 6.
  • the enhancement-layer independent-decoding-tile judging unit 115 compares the tile number of the tile of the coding subject with the tile number of the independent-decoding-tile position information of the higher layer (enhancement first hierarchical layer). Since the tile with the tile number 6 is not the independent decoding tile in the lower layer (enhancement second hierarchical layer), the process goes to step S720.
  • the tile (tile number 6) of the coding subject in the lower layer (enhancement second hierarchical layer) is the independent decoding tile, however the tile of the coding subject in the higher layer (enhancement first hierarchical layer) is not the independent decoding tile.
  • the enlarging unit 509 performs enlarging by, for example, filtering, by using the reconfigured image data of the higher layer (enhancement first hierarchical layer) stored in the enhancement-layer image reconfiguring unit 513, and generates enlarged image data.
  • the reconfigured image data of the higher layer (enhancement first hierarchical layer) also uses a pixel in the periphery of the tile with the tile number 6 required for enlarging tile data.
  • the enlarged image data is input to the enhancement-layer coding unit 112. To be specific, enlarging is performed by using the image data of the tile with the tile number 6 in the frame 206 in Fig. 2 and the image data of its periphery.
  • the enhancement-layer coding unit 112 codes the image data of the tile in the lower layer (enhancement second hierarchical layer) of the coding subject input from the enhancement-layer tile dividing unit 104.
  • the enlarged image data of the higher layer (enhancement first hierarchical layer) and the coded image data of the lower layer (enhancement second hierarchical layer) are referenced. That is, the enhancement-layer coding unit 112 performs inter-layer prediction with reference to the enlarged image data of the higher layer (enhancement first hierarchical layer) generated in step S720.
  • the enhancement-layer coding unit 112 performs inter-frame prediction with reference to the reconfigured image data of the lower layer (enhancement second hierarchical layer) stored in the enhancement-layer image reconfiguring unit 513. Further, the enhancement-layer coding unit 112 performs intra-prediction with reference to the coded reconfigured image data in the tile with the tile number 6 in the tile of the coding subject tile in the lower layer (enhancement second hierarchical layer). The enhancement-layer coding unit 112 codes information relating to prediction of a motion vector etc. and a prediction error obtained by the above-described prediction. Further, the enhancement-layer image reconfiguring unit 513 successively generates tile reconfigured image data of the lower layer (enhancement second hierarchical layer) by using a coefficient etc.
  • the tile with the tile number 5 in the frame 210 references the enlarged image of the tile with the tile number 5 in the frame 208, the reconfigured image data of the tile with the tile number 5 of the independent decoding tile set in the frame 209, and the reconfigured image data of the tile with the tile number 5 in the frame 210.
  • the tile (tile number 6) of the coding subject in the lower layer (enhancement second hierarchical layer) is not the independent decoding tile.
  • the enlarging unit 509 performs enlarging by, for example, filtering, by using the reconfigured image data of the higher enhancement layer (enhancement first hierarchical layer) stored in the enhancement-layer image reconfiguring unit 513, and generates enlarged image data.
  • the enlarged image data is input to the enhancement-layer coding unit 112.
  • the enhancement-layer coding unit 112 codes the image data of the tile in the lower layer (enhancement second hierarchical layer) of the coding subject input from the enhancement-layer tile dividing unit 104. That is, the enhancement-layer coding unit 112 performs inter-layer prediction with reference to the enlarged image data of the higher layer (enhancement first hierarchical layer) generated in step S722. Also, the enhancement-layer coding unit 112 performs inter-frame prediction with reference to the reconfigured image data of the lower layer (enhancement second hierarchical layer) stored in the enhancement-layer image reconfiguring unit 413.
  • the enhancement-layer coding unit 112 performs intra-prediction with reference to the coded reconfigured image data in the tile of the coding subject tile in the lower layer (enhancement second hierarchical layer).
  • the enhancement-layer coding unit 112 codes information relating to prediction of a motion vector etc. and a prediction error obtained by the above-described prediction and inter-frame prediction.
  • the enhancement-layer image reconfiguring unit 513 successively generates tile reconfigured image data of the lower layer (enhancement second hierarchical layer) by using a coefficient etc. generated in the middle of coding by the enhancement-layer coding unit 112, and holds the tile reconfigured image data.
  • step S724 the integration unit 510 judges whether or not coding is completed for all hierarchical layers set in the hierarchical-layer-number setting unit 501. In this case, since coding of the enhancement second hierarchical layer is completed, the process goes to step S725. In step S724, if coding of all frames is completed, the coding processing is ended.
  • the independent decoding tile set can be individually set in each hierarchical layer.
  • the tile_boundaries_aligned_flag code of vui_parameters which is the tile-position alignment information, is always set at 1.
  • the tile_boundaries_aligned_flag code may be omitted.
  • MCTSS SEI is not present, the tile_boundaries_aligned_flag code is coded, and the coded data is included in the bit stream.
  • MCTSS SEI is present, the tile_boundaries_aligned_flag code is not coded, and the value of 1 is always set at the decoding side. In this way, the tile_boundaries_aligned_flag code being redundant may be omitted.
  • the tile_boundaries_aligned_flag code of vui_parameters which is the tile-position alignment information
  • the base layer may be divided into two tiles. That is, the tile numbers 0, 1, 4, 5, 8, and 9 of each of the frames 201 and 202 may form one new tile, and the tile number may be 0. Also, the tile numbers 2, 3, 6, 7, 10, and 11 may form one new tile, and the tile number may be 1.
  • the independent decoding tile is present in the enhancement first hierarchical layer or higher, in a hierarchical layer lower than the enhancement first hierarchical layer, the tile boundary has to be aligned with the boundary of the frame 205. Accordingly, desirable tile division can be provided in a higher layer with a low resolution.
  • the reducing unit 103 can generate reduced image data by, for example, filtering, regardless of the boundary of a tile, the reducing method may be properly changed for the independent decoding tile and the other tile. For example, since image data outside the independent decoding tile is not used during enlarging, the file size is properly changed, or image data outside the tile is compensated by image data in the tile. Even during reducing, when pixels outside the independent decoding tile set are used at an end portion, the change in filter size and the image data compensation can be performed similarly to during enlarging. Accordingly, the image quality can be prevented from being deteriorated because of mismatch of the reducing method and the enlarging method.
  • MCTSS SEI coded data is not limited to the configuration in Fig. 4A.
  • a configuration shown in Fig. 4B may be employed.
  • the case with the three hierarchical layers is described. That is, the vps_max_layers_minus1 code is 2.
  • the value 0 of the variable k represents the base layer
  • the value 1 represents the enhancement first hierarchical layer
  • the value 2 represents the enhancement second hierarchical layer.
  • the independent decoding tile is described according to an example shown in Fig. 2.
  • a lowest_layer_MCTSS code is coded.
  • the lowest_layer_MCTSS code represents a number of the highest hierarchical layer in which the independent decoding block set is set.
  • the enhancement first hierarchical layer is the highest hierarchical layer in which the independent decoding block set is set
  • the lowest_layer_MCTSS code becomes 1. Accordingly, the initial value of a successive loop becomes the value of the lowest_layer_MCTSS code of 1.
  • the initial value of the code set below is 0, and the value of the code is 0 unless updated by the following processing.
  • the information of the independent decoding tile in the enhancement layer is coded. Since one included independent decoding tile set (including the tile with the tile number 5) is included, the num_sets_in_message_minus1[1][0] code indicative of the number of independent decoding tile sets becomes 0. Then, the mcts_id[1][0] code is set at 0. Since the number of the independent decoding tiles belonging to the independent decoding tile set is 1, the num_tile_rects_in_set_minus1[1][0] code becomes 0.
  • top_left_tile_index[1][0][0] code and the bottom_right_tile_index[1][0][0] code represent the position of the independent decoding tile.
  • the independent decoding tile is only the tile with the tile number 5, either value is 5.
  • NPL 1 describes the exact_sample_value_match_flag code, the description thereof is omitted.
  • the num_sets_in_message_minus1[2][0] code indicative of the number of independent decoding tile sets becomes 0.
  • the mcts_id[2][0] code is set at 0. Since the number of the independent decoding tiles belonging to the independent decoding tile set is 1, the num_tile_rects_in_set_minus1[2][0] code becomes 0.
  • the top_left_tile_index[2][0][0] code and the bottom_right_tile_index[2][0][0] code represent the position of the independent decoding tile.
  • the independent decoding tile set includes the tile with the tile number 5 and the tile with the tile number 6, the former value is 5, and the latter value is 6.
  • a configuration shown in Fig. 6A may be employed. That is, in each layer, setting can be made in each hierarchical layer by motion-constrained_tile_sets_scalability(nuh_layer_id).
  • the nuh_layer_id code is coded data indicative of a hierarchical layer included in nal_unit_header() described in Section 7. 3. 1. 2 of NPL 1.
  • the nuh_layer_id code sets the base layer at 0, and properly assigns values to the other enhancement layers. That is, if the value is other than 0, hierarchical coding is performed.
  • the code indicative of the hierarchical layer is not limited thereto. In Fig.
  • nuh_layer_id 0
  • the num_sets_in_message[0] code indicative of the number of independent decoding tile sets is 0. Hence, a successive code is not generated.
  • nuh_layer_id 1
  • information of the independent decoding tile in the enhancement layer is coded. Since one independent decoding tile set is included, the num_sets_in_message[1] code indicative of the number of independent decoding tile sets becomes 1. Then, the mcts_id[1][0] code is set at 0.
  • the num_sets_in_message[2] code indicative of the number of independent decoding tile sets becomes 1. Then, the mcts_id[2][0] code is set at 0. Since the number of the independent decoding tiles belonging to the independent decoding tile set is 1, the num_tile_rects_in_set_minus1[2][0] code becomes 0. The top_left_tile_index[2][0][0] code and the bottom_right_tile_index[2][0][0] code represent the position of the independent decoding tile. In this case, the independent decoding tiles are the tile with the tile number 5 and the tile with the tile number 6. Hence, the former value is 5, and the latter value is 6.
  • a configuration shown in Fig. 6B may be employed. That is, with reference to the vps_max_layers_minus1 code, it may be determined whether its value is larger than 0 or not, and whether the value is defined as a normal independent decoding tile set or a tile set on a hierarchical layer basis. Accordingly, the processing may be properly switched. If the profile of hierarchical coding in HEVC is defined, the profile may be determined in MCTS SEI and information of an independent decoding tile in each layer can be coded.
  • an independent decoding tile which is increased in an intermediate hierarchical layer may be added to the existing independent decoding tile set.
  • the independent decoding tile set in the enhancement second hierarchical layer is one, and the tile with the tile number 6 is handled as the same independent decoding tile set in addition to the tile with the tile number 5 in the independent tile set.
  • step S304 the content of the code of MCTSS SEI is changed.
  • the num_sets_in_message[2] code indicative of the number of independent decoding tile sets of the enhancement layer (enhancement second hierarchical layer) becomes 1.
  • the mcts_id[2][0] code is 0, which is the same as the independent decoding tile set including the tile with the tile number 5 of the enhancement first hierarchical layer. Since the number of rectangular regions of independent decoding tiles belonging to the independent decoding tile set including the tile with the tile number 5 and the tile with the tile number 6 of the enhancement layer (enhancement second hierarchical layer) is 1, the num_tile_rects_in_set_minus1[2][0] code becomes 0.
  • the enhancement-layer coding unit 112 codes the image data of the tile in the lower layer (enhancement second hierarchical layer) of the coding subject input from the enhancement-layer tile dividing unit 104.
  • the enlarged image data of the higher layer (enhancement first hierarchical layer) and the reconfigured image data of the lower layer (enhancement second hierarchical layer) are referenced.
  • the reconfigured image data of the independent decoding tile set in the lower layer (enhancement second hierarchical layer) stored in the enhancement-layer image reconfiguring unit 513 may be referenced. That is, the tile with the tile number 5 and the tile with the tile number 6 in the frame 210 can reference the reconfigured image data of the tile with the tile number 5 and the tile with the tile number 6 in the frame 209 during coding. As described above, the content of the independent decoding tile set may be changed at an intermediate hierarchical layer.
  • Fig. 6B the configuration shown in Fig. 6B may be employed. That is, setting can be made in each hierarchical layer by motion-constrained_tile_sets_scalability (vps_max_layers_minus1).
  • the vps_max_layers_minus1 code indicates the number of hierarchical layers. If 0, it represents that only the base layer is present.
  • Fig. 6B at first, it is judged whether or not vps_max_layers_minus1 is 0. If the value is 0, hierarchical coding is not made, and hence line 3 to line 12 are formed of normal MCTS SEI codes. If the value is other than 0, hierarchical coding is made, and hence line 15 to line 26 are formed of the same codes as MCTSS SEI in Fig. 4A. However, line 15 to line 26 may have the configuration in Fig. 4B, and is not limited thereto. As described above, the code may be formed of motion-constrained_tile_sets().
  • Fig. 9 is a block diagram showing an image display device using an image decoding device according to this embodiment.
  • an example, in which the bit stream generated in the first embodiment is decoded, is described.
  • Reference sign 901 is an interface to which a bit stream is input through communication etc.
  • Reference sign 902 is a storage unit that stores an input bit stream or a previously recorded bit stream.
  • Reference sign 903 is a display control unit by which a user instructs a bit stream to be displayed, and designates a display method of the bit stream.
  • the display control unit 903 outputs a hierarchical layer to be decoded and a region to be decoded as a display control signal to the image decoding device.
  • the hierarchical layer to be decoded is expressed by the number of hierarchical layers, and the display region is expressed by the position of a tile to be displayed. However, it is not limited thereto.
  • Reference sign 904 is a selector that designates an input target of a bit stream to be input.
  • Reference sign 905 is an image decoding device relating to the present invention.
  • Reference sign 906 is a display unit that displays decoded image data generated by the image decoding device 905.
  • a display operation of an image by the image display device is described below. Described below is a case in which the user makes an instruction on the display control unit 903 for decoding and displaying a base layer by using a bit stream input from the interface 901. This case corresponds to a case in which the overview is monitored with an input of a monitoring camera or the like.
  • a bit stream, which is input from the monitoring camera or the like on a frame basis, is received from the interface 901, and the bit stream is output to the selector 904 while being recorded in the storage unit 902.
  • the selector 904 is instructed from the display control unit 903 so as to output the bit stream input from the interface 901 to the image decoding device 905.
  • the image decoding device 905 receives an input of information about a layer to be displayed and a tile to be displayed as a display control signal from the display control unit 903. In this case, decoding of a base layer and decoding of all tiles as a region are instructed.
  • Fig. 10 is a block diagram showing the details of the image decoding device 905.
  • reference sign 1001 is a terminal that receives an input of a bit stream.
  • header data and coded data per frame are input.
  • the data per frame includes all hierarchical coded data forming a frame. However, it is not limited thereto, and an input may be made on a slice etc. basis. Also, the data configuration of the frame is not limited thereto.
  • Reference sign 1002 is a terminal that receives an input of the display control signal relating to decoding input from the display control unit 903 in Fig. 9.
  • the input display control signal As the display control signal, a layer to be decoded and position information of a tile to be decoded are input.
  • the input display control signal is input to a separating unit 1004, a base-layer decoding unit 1007, and an enhancement-layer decoding unit 1010.
  • Reference sign 1003 is a buffer that stores input hierarchical coded data for one frame.
  • Reference sign 1004 is the separating unit.
  • the separating unit 1004 separates header coded data, base-layer coded data, each piece of enhancement-layer coded data from the input coded data.
  • the separating unit 1004 further divides the input hierarchical coded data for one frame into coded data on a tile basis, and outputs the coded data.
  • the number of the corresponding tiles is output to a base-layer independent-decoding-tile judging unit 1006 and an enhancement-layer independent-decoding-tile judging unit 1016, as position information of the tile.
  • the respective pieces of separated coded data are output to a header decoding unit 1005, the base-layer decoding unit 1007, and the enhancement-layer decoding unit 1010.
  • Reference sign 1005 is the header decoding unit.
  • the header decoding unit 1005 decodes the header coded data on a sequence or picture basis, and acquires a parameter required for decoding. In particular, if MCTSS SEI is present, MCTSS SEI is also decoded. In particular, the independent-decoding-tile presence flag and independent-decoding-tile position information are decoded and acquired.
  • Reference sign 1006 is the base-layer independent-decoding-tile judging unit that receives inputs of the independent-decoding-tile presence flag and the base-layer independent-decoding-tile position information from the header decoding unit 1005, and receives an input of position information of a tile as a decoding subject from the separating unit 1004. These pieces of information are compared, and it is judged whether or not the tile in the base layer of the decoding subject is an independent decoding tile. The judgment result is input to the base-layer decoding unit 1007.
  • Reference sign 1016 is the enhancement-layer independent-decoding-tile judging unit that receives inputs of the independent-decoding-tile presence flag and the enhancement-layer independent-decoding-tile position information from the header decoding unit 1005, and receives an input of position information of a tile as a decoding subject from the separating unit 1004. These pieces of information are compared, and it is judged whether or not the tile in the enhancement layer of the decoding subject is an independent decoding tile. The judgment result is input to the enhancement-layer decoding unit 1010.
  • Reference sign 1007 is the base-layer decoding unit.
  • the base-layer decoding unit 1007 decodes the coded data of the tile in the base layer separated by the separating unit 1004, and generates decoded image data of the base layer.
  • the base-layer decoding unit 1007 selects a reference subject for performing prediction based on information indicative of whether or not the tile in the base layer of the decoding subject input from the base-layer independent-decoding-tile judging unit 1006 is the independent decoding tile, performs prediction, and decodes image data of the base layer.
  • Reference sign 1008 is a frame memory.
  • the frame memory 1008 holds decoded image data, obtained by decoding the coded data of each tile in the base layer and reconfiguring the coded data.
  • Reference sign 1009 is an enlarging unit.
  • the enlarging unit 1009 generates enlarged image data by enlarging the decoded and reconfigured image data to have the resolution of the enhancement layer. Also, the enlarging unit 1009 receives an input of the judgment result from the enhancement-layer independent-decoding-tile judging unit 1016, and properly selects image data to be used for enlarging depending on whether the tile in the enhancement layer of the decoding subject is the independent decoding tile or not.
  • Reference sign 1010 is the enhancement-layer decoding unit.
  • the enhancement-layer decoding unit 1010 decodes the coded data of the tile in the enhancement layer separated by the separating unit 1004, and generates decoded image data of the enhancement layer.
  • the enhancement-layer decoding unit 1010 selects a reference subject for performing prediction based on information indicative of whether or not the tile in the enhancement layer of the decoding subject input from the enhancement-layer independent-decoding-tile judging unit 1016 is the independent decoding tile, performs prediction, and decodes image data of the enhancement layer.
  • Reference sign 1011 is a frame memory.
  • the frame memory 1011 holds decoded image data, obtained by decoding the coded data of each tile in the enhancement layer and reconfiguring the coded data.
  • Reference sign 1012 is a terminal that outputs the decoded image data of the base layer to the outside.
  • Reference sign 1013 is a terminal that outputs the decoded image data of the enhancement layer to the outside.
  • a decoding operation of an image by the image decoding device is described below.
  • the decoding operation is described with reference to a flowchart in Figs. 11A and 11B.
  • a bit stream generated by the coding device shown in Fig. 1 according to the first embodiment is described.
  • the bit stream is formed of two hierarchical layers including the base layer and the enhancement layer.
  • MCTSS SEI has the configuration in Fig. 4A.
  • a user instructs start of decoding and displaying of the entire base layer from the display control unit 903 by using the bit stream input from the interface 901.
  • step S1101 the header coded data input from the terminal 1001 first is input to the header decoding unit 1005 through the buffer 1003 and the separating unit 1004.
  • the header decoding unit 1005 first decodes video_parameter_set, which is one of sequence headers. This includes the vps_max_layers_minus1 code, which represents the number of hierarchical layers of hierarchical coding. In this embodiment, the vps_max_layers_minus1 code is 1.
  • Sequence parameter set is decoded. Sequence parameter set includes vui_parameters. In this case, vui_parameters includes the tile_boundaries_aligned_flag code, which is the tile-position alignment information. In this embodiment, the tile_boundaries_aligned_flag code is 1.
  • step S1102 Picture parameter set is decoded. Decoding of the header coded data is described in detail in NPL 1, and hence the description thereof is omitted.
  • step S1103 the header decoding unit 1005 judges the presence of the independent decoding tile.
  • the result serves as the independent-decoding-tile presence flag.
  • MCTSS SEI the presence of MCTSS SEI is judged. If MCTSS SEI is present, the independent-decoding-tile presence flag is set at 1, and the process goes to step S1104. If MCTSS SEI is not present, the independent-decoding-tile presence flag is set at 0, and the process goes to step S1105. In this embodiment, the process goes to step S1104.
  • the independent-decoding-tile presence flag is input to the base-layer independent-decoding-tile judging unit 1006 and the enhancement-layer independent-decoding-tile judging unit 1016.
  • tile_boundaries_aligned_flag code of the vui_parameters which is the tile-position alignment information, is required to be 1. In not, a reply of an error may be made and decoding may be stopped.
  • the independent-decoding-tile presence flag is input to the base-layer independent-decoding-tile judging unit 1006, and then also input to the base-layer decoding unit 1007 and the enhancement-layer decoding unit 1010.
  • step S1104 the header decoding unit 1005 decodes MCTSS SEI, and acquires the independent-decoding-tile presence flag and the independent-decoding-tile position information.
  • the num_sets_in_message[0] code is decoded, the value 0 is obtained.
  • the header decoding unit 1005 outputs the absence of the corresponding tile number as independent tile position information to the base-layer independent-decoding-tile judging unit 1006.
  • the value 1 is obtained.
  • one independent decoding tile set is present in the enhancement layer.
  • the successive mcts_id[1][0] code is decoded, and the value 0 is obtained.
  • the num_tile_rects_in_set_minus1[1][0] code is decoded, and the value 0 is obtained. This represents that one block of a rectangular region of an independent decoding tile is present.
  • the header decoding unit 1005 outputs the tile number 5 of the independent decoding tile as enhancement-layer independent-decoding-tile position information to the enhancement-layer independent-decoding-tile judging unit 1016.
  • step S1105 the separating unit 1004 receives an input of position information of tiles corresponding to a displaying portion input from the terminal 1002. Displaying of the entire base layer is instructed. Hence, the tiles corresponding to the displaying portion are all tiles. Therefore, the separating unit 1004 extracts coded data of the decoding subject tile in the base layer in the order of the tile number from the tile number 0 from the buffer 1003, and outputs the coded data to the base-layer decoding unit 1007.
  • step S1106 the base-layer independent-decoding-tile judging unit 1006 receives an input of the tile number of the tile as the decoding subject from the separating unit 1004. Simultaneously, the base-layer independent-decoding-tile judging unit 1006 receives an input of the independent-decoding-tile position information from the header decoding unit 1005. The base-layer independent-decoding-tile judging unit 1006 compares the tile number of the tile of the decoding subject with the tile number of the independent-decoding-tile position information. If the tile numbers match, it is judged that the decoding subject tile is the independent decoding tile, and the process goes to step S1107.
  • step S1108 If the tile numbers do not match, it is judged that the decoding subject tile is not the tile of the independent decoding tile set, and the process goes to step S1108. In this case, since there is no independent decoding tile set, either of the tiles in the base layer is not the independent decoding tile. Hence, the process goes to step S1108.
  • the decoding subject tile in the base layer is the independent decoding tile.
  • the base-layer decoding unit 1007 performs decoding with reference to only the independent decoding tile in the independent decoding tile set at the relatively equivalent position of the decoded image of the base layer and the decoded pixels in the tile of the decoding subject tile. That is, inter-frame prediction is performed with reference to the decoded image data of the independent decoding tile in the independent decoding tile set at the relatively equivalent position stored in the frame memory 1008. Further, intra-prediction is performed with reference to the decoded image data in the tile of the decoding subject tile stored in the frame memory 1008.
  • the decoded image data of the tile in the base layer which has been decoded and reconfigured, is stored in the frame memory 1008, and is referenced when decoding is subsequently performed.
  • the decoding subject tile is not the tile of the independent decoding tile set.
  • the base-layer decoding unit 1007 performs decoding with reference to the decoded image data of the base layer in the decoded frame and the decoded pixels in the frame of the base layer of the frame of the decoding subject. That is, inter-frame prediction is performed with reference to the decoded image data stored in the frame memory 1008. Further, intra-prediction is performed with reference to the coded reconfigured image data in the tile of the coding subject tile. In this case, for example, in Fig.
  • inter-frame prediction is performed by using the entire image data of the frame 201
  • intra-prediction is performed by using the decoded image data of the tile number 5 in the frame 202.
  • the decoded image data of the tile in the base layer which has been decoded and reconfigured, is stored in the frame memory 1008, and is referenced when decoding is performed.
  • step S1109 the base-layer decoding unit 1007 judges whether or not the input coded data of all tiles in the base layer corresponding to the displaying portion has been decoded. In this case, since the base layer does not include the independent decoding tile, it is judged whether or not the coded data of all tiles for one frame in the base layer has been decoded. If decoding processing on the coded data of all tiles for one frame in the base layer is not completed, the process returns to step S1105, the separating unit 1004 extracts the next tile, outputs the tile, and the processing is continued. If the decoding processing of the coded data of all tiles for one frame in the base layer is completed, the process goes to step S1110.
  • step S1110 the separating unit 1004 judges whether or not the layer indicated by the display control signal input from the display control unit 903 in Fig. 9 through the terminal 1002 has been decoded. In this case, since there are two hierarchical layers, it is judged whether the subject is the base layer or the enhancement layer. If decoding and displaying of the enhancement layer are instructed, the process goes to step S1111, and if not, the process goes to step S1121. In this case, decoding is performed on only the base layer, the process goes to step S1121, and the enhancement-layer decoding unit 1010 is not operated.
  • step S1121 since the decoded base layer is the hierarchical layer to be displayed, the decoded image is sent to the display unit 906 in Fig. 9 through the terminal 1012, and is displayed.
  • step S1122 the base-layer decoding unit 1007 or the enhancement-layer decoding unit 1010 judges whether or not the decoding processing on the coded data of the base layer or the coded data of the enhancement layer for all frames included in a sequence input from the terminal 1001 is completed. In this case, the base-layer decoding unit 1007 judges whether or not decoding of the coded data of the base layer for all frames is completed. If there is the coded data of the base layer or the enhancement layer before the decoding processing, the process goes to step S1105, and the processing is performed on the next frame. If there is not the coded data of the frame before the decoding processing, the decoding processing is ended.
  • the display unit 906 receives an instruction for displaying the image data of the base layer from the display control unit 903. In response to this instruction, the display unit 906 displays the entire decoded image of the base layer.
  • the input of the selector 904 serves as the storage unit 902. Then, the display control unit 903 selects a required bit stream from the storage unit 902, and outputs the bit stream to the selector 904.
  • the layer of the decoding subject is the enhancement layer. Described below is a case in which the user makes an instruction on the display control unit 903 for decoding and partially displaying of the enhancement layer by using a bit stream input from the interface 901. This case corresponds to a case of partly detailed monitoring with the input of a monitoring camera or the like.
  • the image decoding device 905 receives an instruction of decoding for the base layer and the enhancement layer and the number of the tiles included in the region to be displayed from the display control unit 903.
  • the tile included in the region to be displayed is the tile with the tile number 5 and the tile with the tile number 6 in Fig. 2.
  • the decoding operation is described based on the flowchart shown in Figs. 11A and 11B like the case of decoding and displaying for only the base layer. Also, the same operation part as that of decoding for only the base layer is only briefly described.
  • step S1101 video_parameter_set and Sequence parameter set are decoded, like the case of displaying only the base layer. Among these, the vps_max_layers_minus1 code and the tile_boundaries_aligned_flag are decoded.
  • step S1102 Picture parameter set is decoded, like the case of displaying only the base layer.
  • step S1103 the header decoding unit 1005 judges the presence of the independent decoding tile, like the case of displaying only the base layer.
  • step S1104 the header decoding unit 1005 decodes MCTSS SEI, like the case of displaying only the base layer.
  • step S1105 the separating unit 1004 receives an input of position information of tiles corresponding to a displaying portion input from the terminal 1002.
  • the positions of tiles to be displayed are the tile numbers 5 and 6.
  • Coded data of the tile with the tile number 5, which is the decoding subject tile, in the base layer is extracted from input position information.
  • the extracted coded data is output to the base-layer decoding unit 1007.
  • its tile position information is input to the base-layer independent-decoding-tile judging unit 1006.
  • step S1106 the base-layer independent-decoding-tile judging unit 1006 compares the tile number of the tile of the decoding subject with the tile number of the independent-decoding-tile position information. Since the decoding subject tile in the base layer is not the independent decoding tile, the process goes to step S1108.
  • the base-layer decoding unit 1007 decodes the decoding subject tile in the base layer and stores decoded image data in the frame memory 1008, like the case of displaying only the base layer.
  • step S1108 the decoding subject tile in the base layer is not the independent decoding tile.
  • the base-layer decoding unit 1007 decodes the decoding subject tile in the base layer and stores the decoded image data in the frame memory 1008.
  • step S1109 the base-layer decoding unit 1007 judges whether or not the coded data of all tiles in the base layer corresponding to the displaying portion input from the separating unit 1004 has been decoded. In this case, since the base layer does not include the independent decoding tile, it is judged whether or not the coded data of all tiles for one frame in the base layer has been decoded. In this case, if decoding of the coded data of all tiles is not completed, the process returns to step S1106, and if completed, the process goes to step S1110.
  • step S1110 the separating unit 1004 judges whether or not the layer indicated by the display control signal input from the display control unit 903 in Fig. 9 through the terminal 1002 includes the enhancement layer. In this case, since the enhancement layer is also displayed, the process goes to step S1111.
  • step S1111 the separating unit 1004 receives an input of position information of tiles corresponding to the displaying portion input from the terminal 1002, like step S1105.
  • the positions of tiles to be displayed are the tile numbers 5 and 6.
  • the separating unit 1004 extracts coded data of the tile with the tile number 5, which is the decoding subject tile, in the enhancement layer from input position information.
  • the extracted coded data is output to the enhancement-layer decoding unit 1010.
  • its tile position information is input to the base-layer independent-decoding-tile judging unit 1006.
  • step S1112 the enhancement-layer independent-decoding-tile judging unit 1016 compares the tile number of the tile of the decoding subject with the tile number of the independent-decoding-tile position information, like step S1106. If the tile numbers match, the process goes to step S1113. If the tile numbers do not match, the process goes to step S1118. In this case, the independent-decoding-tile position information is 5. This matches the tile number of the tile of the decoding subject. Hence, it is judged that the decoding subject tile in the enhancement layer is the tile of the independent decoding tile set, and the process goes to step S1113.
  • step S1113 the enhancement-layer independent-decoding-tile judging unit 1016 compares the tile number of the tile of the decoding subject with the tile number of the base-layer independent-decoding-tile position information. If the tile numbers match, the process goes to step S1114. If the tile numbers do not match, the process goes to step S1116. In this case, since there is not the independent-decoding-tile position information of the base layer, the tile number of the decoding subject tile does not match the independent decoding tile number of the base layer. Hence, it is judged that the decoding subject tile in the enhancement layer is the tile of the independent decoding tile set but the tile at the relatively equivalent position in the base layer is not the independent decoding tile, and the process goes to step S1116.
  • the tile of the decoding subject is the independent decoding tile
  • the tile at the relatively equivalent position in the base layer is the independent decoding tile.
  • the enlarging unit 1009 receives an input of only decoded image data of the tile at the relatively equivalent position from the reconfigured image data of the base layer stored in the frame memory 1008.
  • the enlarging unit 1009 performs enlarging by, for example, filtering, by using only the input decoded image data of the independent decoding tile, and generates enlarged image data.
  • the enlarged image data is input to the enhancement-layer decoding unit 1010.
  • the enhancement-layer decoding unit 1010 decodes enhancement-layer coded data of the tile of the decoding subject input from the separating unit 1004.
  • the decoded image data is reconfigured with reference to the enlarged image data generated in step S1114 input from the enlarging unit 1009, the decoded image data of the enhancement layer decoded and stored in the frame memory 1011, and the coded pixel data of the decoding subject tile. That is, the enhancement-layer decoding unit 1010 performs inter-layer prediction with reference to the enlarged image data of the base layer generated in step S1114. Also, the enhancement-layer decoding unit 1010 performs inter-frame prediction with reference to the decoded image data in the same independent decoding tile set of the enhancement layer stored in the frame memory 1011. The same independent decoding tile set has the same MCTS_id code. Further, the enhancement-layer decoding unit 1010 performs intra-prediction with reference to the decoded image data in the tile of the decoding subject tile.
  • the tile of the decoding subject is the independent decoding tile, however the tile at the relatively equivalent position in the base layer is not the independent decoding tile.
  • the enlarging unit 1009 receives an input of the decoded image data of the tile at the relatively equivalent position and the decoded image data of its periphery from the reconfigured image data of the base layer stored in the frame memory 1008.
  • the enlarging unit 1009 performs enlarging by, for example, filtering, by using the input decoded image data of the independent decoding tile and the decoded image data of its periphery, and generates enlarged image data.
  • the enlarged image data is input to the enhancement-layer decoding unit 1010.
  • step S1117 the enhancement-layer decoding unit 1010 decodes the enhancement-layer coded data of the tile of the decoding subject input from the separating unit 1004.
  • the decoded image data is reconfigured with reference to the enlarged image data generated in step S1116 input from the enlarging unit 1009, the decoded image data of the enhancement layer decoded and stored in the frame memory 1011, and the decoded pixel data of the decoding subject tile. That is, the enhancement-layer decoding unit 1010 performs inter-layer prediction with reference to the enlarged image data of the base layer generated in step S1116.
  • the enhancement-layer decoding unit 1010 performs inter-frame prediction with reference to the decoded image data in the same independent decoding tile set of the enhancement layer stored in the frame memory 1011. Further, the enhancement-layer decoding unit 1010 performs intra-prediction with reference to the decoded image data in the tile of the decoding subject tile.
  • a state of reference for decoding is described with reference to Fig. 2.
  • decoding is performed with reference to the enlarged image data of the frame 202 (frame 204), the decoded image data of the tile number 5 of the decoded frame 205, and the decoded pixels of the tile number 5 of the frame 206.
  • the decoded image data of the tile in the decoded enhancement layer is output to and held in the frame memory 1011.
  • step S1111 the coded data of the tile with the tile number 6 in the enhancement layer is extracted.
  • step S1112 the base-layer independent-decoding-tile judging unit 1006 compares the tile number of the tile of the decoding subject with the tile number of the independent-decoding-tile position information, and the process goes to step S1118.
  • the tile of the coding subject is not the independent decoding tile.
  • the enlarging unit 1009 receives an input of the decoded image data of the tile at the relatively equivalent position and the decoded image data of its periphery from the reconfigured image data of the base layer stored in the frame memory 1008.
  • the enlarging unit 1009 performs enlarging by, for example, filtering, by using the input decoded image data of the independent decoding tile and the decoded image data of its periphery, and generates enlarged image data.
  • the enlarged image data is input to the enhancement-layer decoding unit 1010.
  • step S1119 the enhancement-layer decoding unit 1010 decodes enhancement-layer coded data of the tile of the decoding subject input from the separating unit 1004.
  • the decoded image data is reconfigured with reference to the enlarged image data generated in step S1118 input from the enlarging unit 1009, the decoded image data of the enhancement layer decoded and stored in the frame memory 1011, and the decoded image data of the decoding subject tile. That is, the enhancement-layer decoding unit 1010 performs inter-layer prediction with reference to the enlarged image data of the base layer generated in step S1118.
  • the enhancement-layer decoding unit 1010 performs inter-frame prediction with reference to the decoded image data (entire image data being subject) of the enhancement layer stored in the frame memory 1011. Further, the enhancement-layer decoding unit 1010 performs intra-prediction with reference to the decoded image data in the tile of the decoding subject tile. To be specific, when decoding for the tile number 6 in the frame 206 is performed, decoding is performed with reference to the enlarged image data of the frame 202 (frame 204), the decoded image data of the decoded frame 205, and the decoded pixels of the tile with the tile number 6 of the frame 206. The decoded image data of the tile in the decoded enhancement layer is output to and held in the frame memory 1011.
  • step S1120 since the coded data of all tiles in the enhancement layer corresponding to the displaying portion has been decoded, the process goes to step S1121.
  • step S1121 since the decoded enhancement layer is the hierarchical layer to be displayed, the decoded image is sent to the display unit 906 in Fig. 9 through the terminal 1013, and is displayed.
  • step S1122 the enhancement-layer decoding unit 1010 judges whether or not the decoding processing of the coded data corresponding to the displaying portion for all frames included in the sequence input from the terminal 101 is completed. If there is a frame before the decoding processing, the process goes to step S1105, and performs the processing on the next frame. If there is not a frame before the decoding processing, the decoding processing is ended.
  • the bit stream in which the independent decoding tile is independently set on a layer basis and coded, can be decoded by a method suitable for displaying.
  • the independent decoding tile is not set in a higher layer which has a low resolution and which does not need setting of the independent decoding tile, and the independent decoding tile can be set in a lower layer with a high resolution. Accordingly, decoding can be performed at high speed on the entire image data with the bit stream in which an increase in code amount because of setting of the independent decoding tile is restricted in the layer with the low resolution.
  • the image data can be entirely recognized. In particular, when a plurality of images are simultaneously decoded and displayed, this embodiment is effective. Also, in the high-resolution layer, for easier access on a tile basis, the required portion can be read at high speed and decoded with high precision.
  • the enlarging unit 1009 may not be used, or an enlargement ratio may be 1, so that a quantization parameter decoded by the base-layer decoding unit 1007 is smaller than a quantization parameter decoded by the enhancement-layer decoding unit 1010. Accordingly, decoding of data after SNR hierarchical coding can be performed.
  • coded data of all hierarchical layers is included in coded data of one frame.
  • Coded data may be input on a layer basis.
  • data may be grouped on a layer basis and stored in the storage unit 902, coded data may be extracted and read as required for the enhancement layer from the storage unit 902.
  • the enhancement-layer decoding unit 1010, the frame memory 1011, and the enlarging unit 1009 may form a set, and sets may be additionally provided by the number of hierarchical layers. Accordingly, more hierarchical layers can be handled.
  • Fig. 12 shows a block diagram of a decoding device in this case. In Fig. 12, the same number is applied to a unit that has the same function as that in the block of the image decoding device in Fig. 10, and the description thereof is omitted.
  • Reference sign 1208 is a frame memory that holds decoded image data reconfigured by the base-layer decoding unit 1007.
  • the frame memory 1208 differs from the frame memory 1008 in Fig. 10 in that the frame memory 1208 additionally has a function of making an output to a selector 1220.
  • Reference sign 1209 is an enlarging unit.
  • the enlarging unit 1209 differs from the enlarging unit 1009 in Fig. 10 in that the enlarging unit 1209 can selectively receive one of an input from a frame memory 1211 and an input from the frame memory 1208.
  • Reference sign 1211 is the frame memory.
  • the frame memory 1211 differs from the frame memory 1011 in Fig. 10 in that the frame memory 1211 has a function of outputting coded data of a desirable tile to the enlarging unit 1209 and the selector 1220.
  • Reference sign 1220 is the selector that selects desirable decoded image data from the frame memory 1208 or the frame memory 1211, receives an input of the desirable decoded image data, and outputs the desirable decoded image data to a terminal 1212.
  • Reference sign 1210 is an enhancement-layer decoding unit that decodes each hierarchical layer of the enhancement layer.
  • the enhancement-layer decoding unit 1210 differs from the enhancement-layer decoding unit 1010 in Fig. 10 in that the enhancement-layer decoding unit 1210 judges whether or not the decoded hierarchical layer matches the hierarchical layer to be displayed, and performs decoding of the enhancement layer.
  • Reference sign 1212 is the terminal that outputs the decoded image data to the outside.
  • Figs. 13A and 13B show a decoding method of the image decoding device in Fig. 12.
  • the same number as that in Figs. 11A and 11B is applied to a step that has the same function as that in Figs. 11A and 11B, and the description thereof is omitted.
  • description is given for, for example, decoding of a bit stream, in which the number of hierarchical layers generated by the coding method in Figs. 7A and 7B by the image coding device in Fig. 5 according to the first embodiment is 3.
  • header coded data is decoded by the header decoding unit 1005.
  • the vps_max_layers_minus1 code is 2.
  • step S1105 the layer of the decoding subject is only the base layer
  • step S1107 the independent decoding tile is selected in step S1106.
  • step S1310 the base-layer decoding unit 1007 or the enhancement-layer decoding unit 1210 compares the number of decoded hierarchical layers with the number of hierarchical layers to be displayed, instructed by the display control unit 903, and judges whether the hierarchical layer is the hierarchical layer to be displayed or not. If the number of hierarchical layers reaches the number of hierarchical layers to be displayed, the process goes to step S1321, and if not, the process goes to step S1330. In this case, according to the display control signal input from the terminal 1002, the hierarchical layer to be displayed is only the base layer. Hence, it is judged that the process has reached the hierarchical layer to be displayed, and the process goes to step S1321.
  • step S1321 the selector 1220 selects the decoded image data of the hierarchical layer instructed so as to display the decoded hierarchical layer.
  • the selector 1220 since the lowermost hierarchical layer is the base layer, the selector 1220 reads the decoded image data from the frame memory 1208, and outputs the decoded image data to the display unit 906 in Fig. 9 from the terminal 1212.
  • the display unit 906 receives an instruction for displaying the image data of the base layer from the display control unit 903. In response to this instruction, the display unit 906 displays the entire decoded image of the base layer.
  • the layer of the decoding subject is the enhancement layer. Described below is a case in which the user makes an instruction on the display control unit 903 for decoding and partially displaying of the enhancement layer by using the bit stream input from the interface 901.
  • the hierarchical layer to be displayed is the enhancement second hierarchical layer (the number of hierarchical layers is 3).
  • the tile included in the region to be displayed is the tile with the tile number 5 and the tile with the tile number 6 in Fig. 2.
  • the decoding operation is described based on the flowchart shown in Figs. 13A and 13B like the case of decoding and displaying for only the base layer. Also, the same operation part as that of decoding for only the base layer is only briefly described.
  • step S1106 the base-layer independent-decoding-tile judging unit 1006 compares the tile number of the tile of the decoding subject with the tile number of the independent-decoding-tile position information. Since the decoding subject tile in the base layer is not the independent decoding tile, the process goes to step S1108.
  • step S1108 the base-layer decoding unit 1007 decodes the tile in the base layer and stores the decoded image data in the frame memory 1208.
  • step S1109 the base-layer decoding unit 1007 judges whether or not the coded data of all tiles in the base layer corresponding to the displaying portion input from the separating unit 1004 has been decoded.
  • step S1310 the selector 1220 compares the number of decoded hierarchical layers with the number of hierarchical layers to be displayed, instructed by the display control unit 903, and judges whether the hierarchical layer is the hierarchical layer to be displayed or not.
  • the hierarchical layer to be displayed is the enhancement second hierarchical layer.
  • the selector 1220 judges that the process has not reached the hierarchical layer to be displayed, the separating unit 1004 is caused to output coded data of the next hierarchical layer, and then the process goes to step S1330.
  • step S1330 the enhancement-layer decoding unit 1210 sets the base layer decoded in step S1107 or step S1108 or the enhancement layer of the hierarchical layer decoded in step S1315, step S1317, or step S1319 (described later), as a higher layer. Further, the enhancement-layer decoding unit 1210 sets the enhancement layer of the successive decoding subject, as a lower layer. Since either of the higher layers (base layer) is not the independent decoding tile, the base layer coded in step S1108 serves as the higher layer, and the enhancement first hierarchical layer is serves as the lower layer.
  • step S1311 the separating unit 1004 receives an input of position information of tiles corresponding to a displaying portion input from the terminal 1002.
  • the positions of tiles to be displayed are the tile numbers 5 and 6.
  • Coded data of the tile with the tile number 5, which is the decoding subject tile, in the lower layer (enhancement first hierarchical layer) is extracted from the input position information.
  • the extracted coded data is output to the enhancement-layer decoding unit 1210.
  • its tile position information is input to the base-layer independent-decoding-tile judging unit 1006.
  • step S1312 the enhancement-layer independent-decoding-tile judging unit 1016 compares the tile number of the tile of the decoding subject in the lower layer (enhancement first hierarchical layer) with the tile number of the independent-decoding-tile position information of the lower layer (enhancement first hierarchical layer). If the tile numbers match, the process goes to step S1313. If the tile numbers do not match, the process goes to step S1318. In this case, the independent-decoding-tile position information of the lower layer (enhancement first hierarchical layer) is 5. The tile matches the tile number of the tile of the decoding subject. Hence, it is judged that the decoding subject tile in the lower layer (enhancement first hierarchical layer) is the tile of the independent decoding tile set, and the process goes to step S1313.
  • step S1313 the enhancement-layer independent-decoding-tile judging unit 1016 compares the tile number of the tile of the decoding subject in the lower layer (enhancement first hierarchical layer) with the tile number of the independent-decoding-tile position information of the higher layer (base layer). If the tile numbers match, the process goes to step S1314. If the tile numbers do not match, the process goes to step S1316. In this case, since there is not the independent-decoding-tile position information of the higher layer (base layer), the tile number of the decoding subject tile does not match the independent decoding tile number of the lower layer (enhancement first hierarchical layer).
  • the decoding subject tile in the lower layer is the tile of the independent decoding tile set but the tile at the relatively equivalent position in the higher layer (base layer) is not the independent decoding tile, and the process goes to step S1316.
  • the tile of the decoding subject is the independent decoding tile, however the tile at the relatively equivalent position in the base layer is not the independent decoding tile.
  • the enlarging unit 1209 receives an input of the decoded image data of the tile at the relatively equivalent position and the decoded image data of its periphery from the reconfigured image data of the base layer stored in the frame memory 1208.
  • the enlarging unit 1209 performs enlarging by, for example, filtering, by using the input decoded image data of the independent decoding tile and the decoded image data of its periphery, and generates enlarged image data.
  • the enlarged image data is input to the enhancement-layer decoding unit 1210.
  • step S1317 the enhancement-layer decoding unit 1210 decodes enhancement-layer coded data of the tile of the decoding subject input from the separating unit 1004.
  • inter-layer prediction is performed with reference to the enlarged image data generated in step S1316 input from the enlarging unit 1209.
  • inter-frame prediction is performed with reference to the decoded image data of the lower layer (enhancement first hierarchical layer) decoded and stored in the frame memory 1211.
  • intra-prediction is performed with reference to pixel data of the decoded block of the decoding subject tile in the lower layer (enhancement first hierarchical layer), and decoded image data is reconfigured.
  • the enhancement-layer decoding unit 1210 performs inter-layer prediction with reference to the enlarged image data of the higher layer (base layer) generated in step S1316. Also, inter-frame prediction is performed with reference to decoded image data in an independent decoding tile set in other decoded frame of the lower layer (enhancement first hierarchical layer) at the relatively equivalent position of the lower layer (enhancement first hierarchical layer) stored in the frame memory 1211. Further, intra-prediction is performed with reference to the decoded image data in the tile of the decoding subject tile in the lower layer (enhancement first hierarchical layer). A state of reference for decoding is described with reference to Fig. 2.
  • decoding is performed with reference to the enlarged image data of the frame 202 (frame 204), the decoded image data of the tile number 5 of the decoded frame 205, and the decoded pixels of the tile number 5 of the frame 206.
  • the decoded image data of the tile in the decoded enhancement layer is output to and held in the frame memory 1011.
  • step S1120 the enhancement-layer decoding unit 1210 judges whether or not the coded data of all tiles in the lower layer (enhancement first hierarchical layer) corresponding to the displaying portion input from the separating unit 1004 has been decoded. In this case, since decoding of the coded data of the tile with the tile number 6 in the enhancement layer is not completed, the process returns to step S1330, and decoding of the coded data of the tile with the tile number 6 in the lower layer (enhancement first hierarchical layer) is performed.
  • step S1311 the coded data of the tile with the tile number 6 in the lower layer (enhancement first hierarchical layer) is extracted.
  • step S1312 the enhancement-layer independent-decoding-tile judging unit 1016 compares the tile number of the tile of the decoding subject in the lower layer (enhancement first hierarchical layer) with the tile number of the independent-decoding-tile position information of the hierarchical layer of the decoding subject. In this case, since the tile with the tile number 6 is not the independent decoding tile in the lower layer (enhancement first hierarchical layer), the process goes to step S1318.
  • step S1318 enlarged image data is generated by using the input decoded image data of the higher layer (base layer). That is, the enlarging unit 1209 receives an input of the decoded image data from the frame memory 1208, and enlarges the decoded image data.
  • the tile number 6 of the frame 204 which is the enlarged image data, is generated by using the decoded image data of the tile with the tile number 6 in the frame 202 and the decoded image data of its periphery.
  • the enhancement-layer decoding unit 1210 decodes enhancement-layer coded data of the tile of the decoding subject in the lower layer (enhancement first hierarchical layer) input from the separating unit 1004.
  • the decoded image data is reconfigured with reference to the enlarged image data generated in step S1318 input from the enlarging unit 1009, the decoded image data of the enhancement layer decoded and stored in the frame memory 1211, and the decoded image data of the decoding subject tile. That is, the enhancement-layer decoding unit 1210 performs inter-layer prediction with reference to the enlarged image data of the higher layer (base layer) generated in step S1318.
  • inter-frame prediction is performed with reference to the decoded image data (entire image data being subject) of the lower layer (enhancement first hierarchical layer) stored in the frame memory 1011.
  • intra-prediction is performed with reference to the decoded image data in the tile of the decoding subject tile in the lower layer (enhancement first hierarchical layer).
  • decoding is performed with reference to the enlarged image data of the frame 202 (frame 204), the entire decoded image data of the decoded frame 205, and the decoded pixels of the tile number 5 of the frame 206.
  • the decoded image data of the tile in the decoded lower layer (enhancement first hierarchical layer) is output to and held in the frame memory 1211.
  • step S1120 the enhancement-layer decoding unit 1210 judges whether or not the coded data of all tiles in the lower layer (enhancement first hierarchical layer) corresponding to the displaying portion input from the separating unit 1004 has been decoded. In this case, since decoding for the coded data of all tiles in the lower layer (enhancement first hierarchical layer) is completed, the process goes to step S1320.
  • step S1320 the enhancement-layer decoding unit 1210 judges whether or not decoding for all hierarchical layers indicated by the vps_max_layers_minus1 code is completed. If the decoding processing on tile data for all hierarchical layers is not completed, the process returns to step S1310, and judgment on displaying is made. If the decoding processing on image data of all tiles in the enhancement layer is completed, the process goes to S1321. In this case, since decoding of the enhancement second hierarchical layer is not completed, the process returns to step S1310.
  • step S1310 according to the display control signal input from the terminal 1002, the hierarchical layer to be displayed is the enhancement second hierarchical layer. Hence, the enhancement-layer decoding unit 1210 judges that the process has not reached the hierarchical layer to be displayed, and the process goes to step S1330.
  • step S1330 the enhancement-layer decoding unit 1210 sets the lower layer (enhancement first hierarchical layer) decoded in step S1315, step S1317, or step S1319 at a higher layer. Further, the enhancement-layer decoding unit 1210 sets the enhancement layer (enhancement second hierarchical layer) of the successive decoding subject at a lower layer.
  • step S1311 the separating unit 1004 receives an input of position information of tiles corresponding to a displaying portion input from the terminal 1002.
  • the positions of tiles to be displayed are the tile numbers 5 and 6.
  • Coded data of the tile with the tile number 5, which is the decoding subject tile, in the lower layer (enhancement second hierarchical layer) is extracted from the input position information.
  • Coded data of the tile number 5 in the extracted lower layer (enhancement second hierarchical layer) is output to the enhancement-layer decoding unit 1210.
  • its tile position information is input to the enhancement-layer independent-decoding-tile judging unit 1016.
  • step S1312 the enhancement-layer independent-decoding-tile judging unit 1016 compares the tile number of the tile of the decoding subject in the lower layer (enhancement second hierarchical layer) with the tile number of the independent-decoding-tile position information of the lower layer (enhancement second hierarchical layer) of the decoding subject. If the tile numbers match, the process goes to S1313. If the tile numbers do not match, the process goes to step S1318. In this case, the independent-decoding-tile position information of the lower layer (enhancement first hierarchical layer) is 5. The tile number of the tile of the independent-decoding-tile position information matches the tile number of the tile in the lower layer (enhancement second hierarchical layer) of the decoding subject. Hence, it is judged that the decoding subject tile in the lower layer (enhancement second hierarchical layer) is the tile of the independent decoding tile set, and the process goes to step S1314.
  • step S1313 the enhancement-layer independent-decoding-tile judging unit 1016 compares the tile number of the tile of the decoding subject in the lower layer (enhancement second hierarchical layer) with the tile number of the independent-decoding-tile position information of the higher layer (enhancement first hierarchical layer). If the tile numbers match, the process goes to S1314. If the tile numbers do not match, the process goes to step S1316. In this case, while the independent-decoding-tile position information of the higher layer (enhancement first hierarchical layer) is only 5, the number matches the independent decoding tile number 5 of the lower layer (enhancement second hierarchical layer).
  • the decoding subject tile in the lower layer is the tile of the independent decoding tile set and the tile at the relatively equivalent position in the higher layer (enhancement first hierarchical layer) is the independent decoding tile.
  • the process goes to step S1314.
  • the tile of the decoding subject in the lower layer is the independent decoding tile
  • the tile at the relatively equivalent position in the higher layer is also the independent decoding tile.
  • the enlarging unit 1209 receives an input of only decoded image data of the tile at the relatively equivalent position from the reconfigured image data of the higher layer (enhancement first hierarchical layer) stored in the frame memory 1211.
  • the enlarging unit 1209 performs enlarging by, for example, filtering, by using only the input decoded image data of the independent decoding tile, and generates enlarged image data.
  • the enlarged image data is input to the enhancement-layer decoding unit 1210.
  • step S1315 the enhancement-layer decoding unit 1210 decodes enhancement-layer coded data of the tile in the lower layer (enhancement second hierarchical layer) of the decoding subject input from the separating unit 1004.
  • inter-layer prediction is performed with reference to the enlarged image data generated in step S1314 input from the enlarging unit 1209.
  • inter-prediction is performed with reference to the decoded image data of the frame of the lower layer (enhancement second hierarchical layer) decoded and stored in the frame memory 1211.
  • intra-prediction is performed with reference to pixel data of the decoded block of the decoding subject tile in the lower layer (enhancement second hierarchical layer), and decoded image data is reconfigured.
  • the enhancement-layer decoding unit 1210 performs inter-layer prediction with reference to the enlarged image data of the higher layer (enhancement second hierarchical layer) generated in step S1314. Also, inter-frame prediction is performed with reference to the decoded image data of the independent decoding tile set of the lower layer (enhancement second hierarchical layer) at the relatively equivalent position of the lower layer (enhancement second hierarchical layer) stored in the frame memory 1211. Further, intra-prediction is performed with reference to the decoded image data in the tile of the decoding subject tile in the lower layer (enhancement second hierarchical layer). A state of reference for decoding is described with reference to Fig. 2.
  • decoding is performed with reference to the enlarged image data of the frame 206 (frame 208), the decoded image data of the tile number 5 of the decoded frame 209, and the decoded pixels of the tile number 5 of the frame 210.
  • the decoded image data of the tile in the decoded enhancement layer is output to and held in the frame memory 1011.
  • step S1120 the enhancement-layer decoding unit 1210 judges whether or not the coded data of all tiles in the lower layer (enhancement second hierarchical layer) corresponding to the displaying portion input from the separating unit 1004 has been decoded. In this case, since decoding of the coded data of the tile with the tile number 6 in the enhancement layer is not completed, the process returns to step S1311, and decoding of the coded data of the tile with the tile number 6 in the lower layer (enhancement second hierarchical layer) is performed.
  • step S1311 the coded data of the tile with the tile number 6 in the lower layer (enhancement second hierarchical layer) is extracted.
  • step S1312 the enhancement-layer independent-decoding-tile judging unit 1016 compares the tile number of the tile of the decoding subject in the lower layer (enhancement second hierarchical layer) with the tile number of the independent-decoding-tile position information of the hierarchical layer of the decoding subject. In this case, since the tile with the tile number 6 is not the independent decoding tile in the lower layer (enhancement second hierarchical layer), the process goes to step S1313.
  • step S1313 the enhancement-layer independent-decoding-tile judging unit 1016 compares the tile number of the tile of the decoding subject in the lower layer (enhancement second hierarchical layer) with the tile number of the independent-decoding-tile position information of the higher layer (enhancement first hierarchical layer). If the tile numbers match, the process goes to S1314. If the tile numbers do not match, the process goes to step S1316. In this case, while the independent-decoding-tile position information of the higher layer (enhancement first hierarchical layer) is only 5, and the number does not match the independent decoding tile number 6 of the lower layer (enhancement second hierarchical layer).
  • the decoding subject tile in the lower layer is the tile of the independent decoding tile set but the tile at the relatively equivalent position of the higher layer (enhancement first hierarchical layer) is not the independent decoding tile.
  • the process goes to step S1316.
  • step S1316 the tile of the decoding subject in the lower layer (enhancement second hierarchical layer) is the independent decoding tile but the tile at the relatively equivalent position in the higher layer (enhancement first hierarchical layer) is not the independent decoding tile.
  • the enlarging unit 1209 receives an input of decoded image data of the tile at the relatively equivalent position and an input of decoded image data of its periphery from the reconfigured image data of the higher layer (enhancement first hierarchical layer) stored in the frame memory 1211.
  • the enlarging unit 1209 performs enlarging by, for example, filtering, by using the input decoded image data of the independent decoding tile and the input decoded image data of its periphery, and generates enlarged image data.
  • the enlarged image data is input to the enhancement-layer decoding unit 1210.
  • the enhancement-layer decoding unit 1210 decodes enhancement-layer coded data of the tile of the decoding subject in the lower layer (enhancement second hierarchical layer) input from the separating unit 1004.
  • Inter-layer prediction is performed with reference to the enlarged image data of the higher layer (enhancement first hierarchical layer) generated in step S1316 input from the enlarging unit 1209.
  • Inter-prediction is performed with reference to the decoded image data of the frame of the lower layer (enhancement second hierarchical layer) decoded and stored in the frame memory 1211.
  • Decoded image data is reconfigured with reference to pixel data of the decoded block of the decoding subject tile in the lower layer (enhancement second hierarchical layer).
  • the enhancement-layer decoding unit 1210 performs inter-layer prediction with reference to the enlarged image data of the higher layer (enhancement first hierarchical layer) generated in step S1316. Also, the enhancement-layer decoding unit 1210 performs inter-frame prediction with reference to the decoded image data in the independent decoding tile set in the lower layer (enhancement second hierarchical layer) at the relatively equivalent position of the lower layer (enhancement second hierarchical layer) stored in the frame memory 1211. Further, the enhancement-layer decoding unit 1210 performs intra-prediction with reference to the decoded image data in the tile of the decoding subject tile in the lower layer (enhancement second hierarchical layer). A state of reference for decoding is described with reference to Fig. 2.
  • decoding is performed with reference to the enlarged image data of the frame 206 (frame 208), the decoded image data of the tile number 6 of the decoded frame 209, and the decoded pixels of the tile number 6 of the frame 210.
  • the decoded image data of the tile in the decoded enhancement layer is output to and held in the frame memory 1211.
  • step S1120 the enhancement-layer decoding unit 1210 judges whether or not the coded data of all tiles in the lower layer (enhancement second hierarchical layer) corresponding to the displaying portion input from the separating unit 1004 has been decoded. In this case, since decoding for the coded data of all tiles in the lower layer (enhancement second hierarchical layer) is completed, the process goes to step S1320.
  • step S1320 the enhancement-layer decoding unit 1210 judges whether or not decoding of all hierarchical layers indicated by the vps_max_layers_minus1 code is completed. Since the decoding processing on the tile data of all hierarchical layers is completed, the process goes to step S1321.
  • step S1321 the selector 1220 selects decoded image data of the hierarchical layer instructed for displaying.
  • the selector 1220 since the lowermost hierarchical layer is the enhancement second hierarchical layer, the selector 1220 reads the decoded image data of the enhancement second hierarchical layer from the frame memory 1211, and outputs the decoded image data to the display unit 906 in Fig. 9 from the terminal 1212.
  • the display unit 906 receives an instruction of displaying the tile with the tile number 5 and the tile with the tile number 6 in the image data of the enhancement layer from the display control unit 903. In response to this instruction, the display unit 906 displays the entire decoded image of the base layer.
  • step S1106 If the tile of the displaying subject is not the independent decoding tile, in step S1106, the process goes to step S1108, and in step S1312, the process goes to step S1318.
  • Step S1108 is described above, and hence the description thereof is omitted.
  • step S1318 enlarged image data is generated by using the decoded image data of the input higher layer. That is, the enlarging unit 1209 receives an input of the decoded image data from the frame memory 1208 or the frame memory 1211, and is enlarged.
  • the enhancement-layer decoding unit 1210 decodes enhancement-layer coded data of the tile of the decoding subject in the lower layer input from the separating unit 1004.
  • the decoded image data is reconfigured with reference to the enlarged image data generated in step S1318 input from the enlarging unit 1009, the decoded image data of the enhancement layer decoded and stored in the frame memory 1211, and the decoded pixel data of the decoding subject tile. That is, the enhancement-layer decoding unit 1210 performs inter-layer prediction with reference to the enlarged image data of the higher layer generated in step S1318.
  • the enhancement-layer decoding unit 1210 performs inter-frame prediction with reference to the decoded image data (entire image data being subject) of the lower layer stored in the frame memory 1211. Further, the enhancement-layer decoding unit 1210 performs intra-prediction with reference to the decoded image data in the tile of the decoding subject tile in the lower layer. To be specific, when decoding for the tile number 5 of the frame 206 is performed, decoding is performed with reference to the enlarged image data of the frame 202 (frame 204), the entire decoded image data of the decoded frame 205, and the decoded pixels of the tile with the tile number 5 in the frame 206. The decoded image data of the tile in the decoded lower layer (enhancement first hierarchical layer) is output to and held in the frame memory 1211.
  • the hierarchical layer to be displayed is the enhancement second hierarchical layer (the number of hierarchical layers is 3).
  • the hierarchical layer to be displayed is the enhancement first hierarchical layer (the number of hierarchical layers is 2)
  • the process goes to step S1321 when decoding of the enhancement first hierarchical layer is completed. Therefore, the enhancement second hierarchical layer is not decoded.
  • the tile_boundaries_aligned_flag code of vui_parameters which is the tile-position alignment information, is set at 1.
  • the tile_boundaries_aligned_flag code serving as coded data, is omitted; however, the value can become 1 at the decoding side without exception.
  • MCTSS SEI is not present, the tile_boundaries_aligned_flag code is decoded, and is referenced in decoding at the downstream side. Accordingly, decoding can be similarly performed even if the tile_boundaries_aligned_flag code is not present.
  • MCTSS SEI coded data is not limited to the configuration in Fig. 4A.
  • coded data of the configuration shown in Fig. 4B may be decoded.
  • the header decoding unit 1005 decodes the vps_max_layers_minus1 code, and decodes 2 set in the first embodiment. That is, the number of hierarchical layers becomes 3.
  • the value 0 of the variable k represents the base layer
  • the value 1 represents the enhancement first hierarchical layer
  • the value 2 represents the enhancement second hierarchical layer.
  • the mcts_id[2][0] code is decoded, and it is obtained that the ID of the first included independent decoding tile set is 0. Further, the num_tile_rects_in_set_minus1[2][0] code is decoded, and it is obtained that the block of the rectangular region of the independent decoding tile belonging to the first independent decoding tile set is one. The top_left_tile_index[2][0][0] code and the bottom_right_tile_index[2][0][0] code are decoded, and the value 5 is obtained. Further, the mcts_id[2][1] code is decoded, and it is obtained that the ID of the included first independent decoding tile set is 1.
  • the num_tile_rects_in_set_minus1[2][1] code is decoded, and it is obtained that the block of the rectangular region of the independent decoding tile belonging to the second independent decoding tile set is one.
  • the top_left_tile_index[2][1][0] code and the bottom_right_tile_index[2][1][0] code are decoded, and the value 6 is obtained. That is, it is found that two independent decoding tile sets are present in the enhancement first hierarchical layer and the two independent decoding tile sets include an independent decoding tile set including the tile with the tile number 5 and an independent decoding tile set including the tile with the tile number 6.
  • coded data of the configuration shown in Fig. 6A may be decoded. That is, in each layer, coded data individually set in each hierarchical layer by motion-constrained_tile_sets_scalability(nuh_layer_id) can be decoded.
  • nuh_layer_id represents a hierarchical layer having dependence.
  • the nuh_layer_id code is additionally decoded.
  • a hierarchical layer corresponding to the nuh_layer_id code is decoded. In this embodiment, it is assumed that three hierarchical layers are provided like Fig. 4B.
  • the value 0 of the nuh_layer_id code represents the base layer
  • the value 1 thereof represents the enhancement first hierarchical layer
  • the value 2 thereof represents the enhancement second hierarchical layer.
  • nuh_layer_id 1
  • information of the independent decoding tile in the enhancement layer is decoded.
  • the num_sets_in_message[1] code is decoded, and the value 1 is obtained.
  • the value 1 represents that the enhancement first hierarchical layer includes one independent decoding tile set.
  • the mcts_id[1][0] code is decoded, and the value 0 is obtained. That is, it is obtained that the ID of the included independent decoding tile set is 0.
  • the num_tile_rects_in_set_minus1[1][0] code is decoded, and the value 0 is obtained.
  • one independent decoding tile set is present in the enhancement first hierarchical layer.
  • the mcts_id[1][0] code is decoded, and it is obtained that the ID of the included independent decoding tile set is 0. Further, the num_tile_rects_in_set_minus1[1] code is decoded, and it is obtained that the block of the rectangular region of the independent decoding tile belonging to the independent decoding tile set is one.
  • the top_left_tile_index[1][0][0] code and the bottom_right_tile_index[1][0][0] code are decoded, and the value 5 is obtained. That is, it is obtained that one independent decoding tile set is present in the enhancement first hierarchical layer and the tile number is 5.
  • nuh_layer_id 2
  • information of the independent decoding tile in the enhancement layer is decoded.
  • the num_sets_in_message[2] code is decoded, and the value 2 is obtained.
  • the value 2 represents that the enhancement second hierarchical layer includes two independent decoding tile sets.
  • the num_id[2][0] code is decoded, and the value 0 is obtained. That is, it is obtained that the ID of the included first independent decoding tile set is 0.
  • the num_tile_rects_in_set_minus1[1][0] code is decoded, and the value 0 is obtained.
  • one block of the rectangular region of the independent decoding tile is present in the first independent decoding tile set of the enhancement second hierarchical layer.
  • the mcts_id[2][0] code is decoded, and it is obtained that the ID of the included independent decoding tile set is 0.
  • the num_tile_rects_in_set_minus1[2][0] code is decoded, and it is obtained that the block of the rectangular region of the independent decoding tile belonging to the independent decoding tile set is one.
  • the top_left_tile_index[1][0][0] code and the bottom_right_tile_index[1][0][0] code are decoded, and the value 5 is obtained.
  • the tile number is 5. Further, the num_tile_rects_in_set_minus1[2][1] code is decoded, and it is obtained that the block of the rectangular region of the independent decoding tile belonging to the second independent decoding tile set is one.
  • the top_left_tile_index[2][1][0] code and the bottom_right_tile_index[2][1][0] code are decoded, and the value 6 is obtained. That is, it is found that two independent decoding tile sets are present in the enhancement first hierarchical layer and the two independent decoding tile sets includes an independent decoding tile set including the tile with the tile number 5 and an independent decoding tile set including the tile with the tile number 6.
  • the MCTSS SEI coded data configured as described above corresponds to the coded data of each hierarchical layer and the independent-decoding-tile position information of each hierarchical layer is coded. Accordingly, coding of a layer basis becomes easy. For example, independent-decoding-tile position information of a hierarchical layer which is not required to be decoded is not decoded. Accordingly, the cost of the decoding processing is decreased.
  • coded data of a configuration shown in Fig. 6B may be decoded. That is, setting can be made in each hierarchical layer by motion-constrained_tile_sets_scalability (vps_max_layers_minus1).
  • the vps_max_layers_minus1 code indicates the number of hierarchical layers. If 0, it represents that only the base layer is present.
  • Fig. 6B at first, it is judged whether or not vps_max_layers_minus1 is 0. If 0, hierarchical coding is not made, and hence normal MCTS SEI code can be decoded by line 3 to line 12. If a value is other than 0, hierarchical coding is made, and hence line 15 to line 26 are formed of the same code as MCTSS SEI in Fig. 4A. Information of the independent decoding tile can be acquired by the above-described decoding.
  • Fig. 14 is a block diagram showing a configuration example of hardware of a computer that can be applied to the image coding device and the image decoding device according to any of the above-described embodiments.
  • a CPU 1401 controls the entire computer by using a computer program and data stored in a RAM 1402 and a ROM 1403, and executes the above-described processing so that the image coding device and the image decoding device according to the above-described embodiments perform the processing. That is, the CPU 1401 functions as the respective processing units shown in Figs. 1, 5, 10, and 12.
  • the RAM 1402 has an area for temporarily storing, for example, a computer program and data loaded from an external storage device 1406, and data acquired from the outside through an interface (I/F) 1407. Further, the RAM 1402 has a work area used when the CPU 1401 executes various processing. That is, the RAM 1402 is assigned as, for example, a frame memory, or can properly provide other various areas.
  • the ROM 1403 stores, for example, setting data and a boot program of this computer.
  • An operation unit 1404 is formed of, for example, a keyboard and a mouse. When a user of this computer operates the operation unit 1404, the operation unit 1404 can input various instructions to the CPU 1401.
  • a display unit 1405 displays the processing result by the CPU 1401. Also, the display unit 1405 is formed of, for example, a liquid crystal display.
  • the external storage device 1406 is a large-capacity information storage device represented by a hard disk drive.
  • the external storage device 1406 stores an operating system (OS), and a computer program for causing the CPU 1401 to execute functions of the respective units shown in Figs. 1 and 7. Further, the external storage device 1406 may store image data as a processing subject.
  • OS operating system
  • a computer program for causing the CPU 1401 to execute functions of the respective units shown in Figs. 1 and 7. Further, the external storage device 1406 may store image data as a processing subject.
  • the computer program and data stored in the external storage device 1406 are properly loaded to the RAM 1402 under the control by the CPU 1401, and becomes a processing subject by the CPU 1401.
  • a network such as LAN or the Internet, and other device, such as a projecting device or a displaying device, can be connected with the I/F 1407.
  • This computer can acquire and transmit various information through the I/F 1407.
  • Reference sign 1408 is a bus that connects the respective units with each other.
  • the CPU 1401 mainly controls the operations described with reference to the flowchart.
  • Embodiments of the present invention can also be realized by a computer of a system or apparatus that reads out and executes computer executable instructions recorded on a storage medium (e.g., non-transitory computer-readable storage medium) to perform the functions of one or more of the above-described embodiment(s) of the present invention, and by a method performed by the computer of the system or apparatus by, for example, reading out and executing the computer executable instructions from the storage medium to perform the functions of one or more of the above-described embodiment(s).
  • the computer may comprise one or more of a central processing unit (CPU), micro processing unit (MPU), or other circuitry, and may include a network of separate computers or separate computer processors.
  • the computer executable instructions may be provided to the computer, for example, from a network or the storage medium.
  • the storage medium may include, for example, one or more of a hard disk, a random-access memory (RAM), a read only memory (ROM), a storage of distributed computing systems, an optical disk (such as a compact disc (CD), digital versatile disc (DVD), or Blu-ray Disc (BD)?), a flash memory device, a memory card, and the like.

Landscapes

  • Engineering & Computer Science (AREA)
  • Multimedia (AREA)
  • Signal Processing (AREA)
  • Compression Or Coding Systems Of Tv Signals (AREA)
PCT/JP2014/003504 2013-07-12 2014-07-01 Image coding device, image coding method, storage medium, image decoding device, image decoding method, and storage medium Ceased WO2015004878A1 (en)

Priority Applications (1)

Application Number Priority Date Filing Date Title
US14/904,171 US10136142B2 (en) 2013-07-12 2014-07-01 Image coding device, image coding method, storage medium, image decoding device, image decoding method, and storage medium

Applications Claiming Priority (2)

Application Number Priority Date Filing Date Title
JP2013146312A JP6271888B2 (ja) 2013-07-12 2013-07-12 画像符号化装置、画像符号化方法及びプログラム、画像復号装置、画像復号方法及びプログラム
JP2013-146312 2013-07-12

Publications (1)

Publication Number Publication Date
WO2015004878A1 true WO2015004878A1 (en) 2015-01-15

Family

ID=51355596

Family Applications (1)

Application Number Title Priority Date Filing Date
PCT/JP2014/003504 Ceased WO2015004878A1 (en) 2013-07-12 2014-07-01 Image coding device, image coding method, storage medium, image decoding device, image decoding method, and storage medium

Country Status (3)

Country Link
US (1) US10136142B2 (enExample)
JP (1) JP6271888B2 (enExample)
WO (1) WO2015004878A1 (enExample)

Families Citing this family (6)

* Cited by examiner, † Cited by third party
Publication number Priority date Publication date Assignee Title
CN105359512B (zh) * 2013-07-15 2019-05-28 索尼公司 用于交互性的运动约束贴片集合sei消息的扩展
JP6429668B2 (ja) * 2015-02-20 2018-11-28 キヤノン株式会社 通信装置、画像処理装置、それらの制御方法、およびプログラム
JP7052732B2 (ja) * 2016-12-27 2022-04-12 ソニーグループ株式会社 画像処理装置および方法
WO2019001741A1 (en) * 2017-06-30 2019-01-03 Huawei Technologies Co., Ltd. MOTION VECTOR REFINEMENT FOR MULTI-REFERENCE PREDICTION
CN113273196A (zh) * 2018-12-27 2021-08-17 华为技术有限公司 视频译码中的分块组指示
US11785239B2 (en) * 2021-06-29 2023-10-10 Tencent America LLC Independent coded region output supplementary enhancement information message

Family Cites Families (6)

* Cited by examiner, † Cited by third party
Publication number Priority date Publication date Assignee Title
JPH11155144A (ja) * 1997-08-20 1999-06-08 Canon Inc 画像処理システム及びその制御方法、画像処理装置及びその制御方法、コンピュータ可読メモリ
CN101120593A (zh) * 2005-04-13 2008-02-06 诺基亚公司 可扩展性信息的编码、存储和信号发送
KR101255226B1 (ko) * 2005-09-26 2013-04-16 한국과학기술원 스케일러블 비디오 코딩에서 다중 roi 설정, 복원을위한 장치 및 방법
US20090300692A1 (en) * 2008-06-02 2009-12-03 Mavlankar Aditya A Systems and methods for video streaming and display
KR101611437B1 (ko) * 2009-10-28 2016-04-26 삼성전자주식회사 복수의 프레임을 참조하여 영상을 부호화, 복호화하는 방법 및 장치
JP5419654B2 (ja) * 2009-12-01 2014-02-19 株式会社ソニー・コンピュータエンタテインメント 情報処理装置および情報処理システム

Non-Patent Citations (3)

* Cited by examiner, † Cited by third party
Title
LU Z ET AL: "Deblocking filter for ROI SVC", 22. JVT MEETING; 79. MPEG MEETING; 13-01-2007 - 20-01-2007; MARRAKECH,MA; (JOINT VIDEO TEAM OF ISO/IEC JTC1/SC29/WG11 AND ITU-T SG.16 ),, no. JVT-V064, 16 January 2007 (2007-01-16), XP030006872, ISSN: 0000-0156 *
SCHWARZ H ET AL: "SVC overview", 21. JVT MEETING; 78. MPEG MEETING; 20-10-2006 - 27-10-2006; HANGZHOU,CN; (JOINT VIDEO TEAM OF ISO/IEC JTC1/SC29/WG11 AND ITU-T SG.16 ),, no. JVT-U145, 20 October 2006 (2006-10-20), XP030006791, ISSN: 0000-0405 *
SUEHRING K ET AL: "Inter-layer constrained tile sets SEI message", 14. JCT-VC MEETING; 25-7-2013 - 2-8-2013; VIENNA; (JOINT COLLABORATIVE TEAM ON VIDEO CODING OF ISO/IEC JTC1/SC29/WG11 AND ITU-T SG.16 ); URL: HTTP://WFTP3.ITU.INT/AV-ARCH/JCTVC-SITE/,, no. JCTVC-N0087, 16 July 2013 (2013-07-16), XP030114533 *

Also Published As

Publication number Publication date
JP6271888B2 (ja) 2018-01-31
JP2015019307A (ja) 2015-01-29
US10136142B2 (en) 2018-11-20
US20160142722A1 (en) 2016-05-19

Similar Documents

Publication Publication Date Title
US11115670B2 (en) Image encoding apparatus, image encoding method, recording medium and program, image decoding apparatus, image decoding method, and recording medium and program
US10863191B2 (en) Image coding apparatus, image coding method, image decoding apparatus, image decoding method, and storage medium
WO2015004878A1 (en) Image coding device, image coding method, storage medium, image decoding device, image decoding method, and storage medium
US20190306515A1 (en) Coding apparatus, coding method, decoding apparatus, and decoding method
CN108419076A (zh) 视频编码及解码方法、装置及系统
WO2013069231A1 (en) Motion vector coding apparatus, method and program for coding motion vector, motion vector decoding apparatus, and method and program for decoding motion vector
JP6656335B2 (ja) 画像符号化装置、画像符号化方法、画像復号装置、画像復号方法、及び、プログラム

Legal Events

Date Code Title Description
121 Ep: the epo has been informed by wipo that ep was designated in this application

Ref document number: 14752438

Country of ref document: EP

Kind code of ref document: A1

WWE Wipo information: entry into national phase

Ref document number: 14904171

Country of ref document: US

NENP Non-entry into the national phase

Ref country code: DE

122 Ep: pct application non-entry in european phase

Ref document number: 14752438

Country of ref document: EP

Kind code of ref document: A1