RU2559661C2 - Способ электрических проверок космического аппарата - Google Patents
Способ электрических проверок космического аппарата Download PDFInfo
- Publication number
- RU2559661C2 RU2559661C2 RU2013131324/11A RU2013131324A RU2559661C2 RU 2559661 C2 RU2559661 C2 RU 2559661C2 RU 2013131324/11 A RU2013131324/11 A RU 2013131324/11A RU 2013131324 A RU2013131324 A RU 2013131324A RU 2559661 C2 RU2559661 C2 RU 2559661C2
- Authority
- RU
- Russia
- Prior art keywords
- solar
- spacecraft
- parameters
- battery
- simulators
- Prior art date
Links
Images
Landscapes
- Charge And Discharge Circuits For Batteries Or The Like (AREA)
- Photovoltaic Devices (AREA)
Abstract
Изобретение относится к наземным испытаниям, в т.ч. при изготовлении космических аппаратов (КА). КА содержит систему электропитания с бортовыми источниками: солнечными (СБ) и аккумуляторными (АБ) батареями, а также стабилизированным преобразователем напряжения (СПН) с зарядными и разрядными преобразователями. СПН служит для согласования работы СБ и АБ и питания стабильным напряжением модулей служебных систем и полезной нагрузки. Способ предусматривает включение и выключение КА (в т.ч. наземных имитаторов АБ и СБ), автоматизированную выдачу команд управления, допусковый контроль дискретных и аналоговых параметров от системы телеизмерения, параметров бортовой вычислительной системы и др. В процессе проверок КА дополнительно контролируют аналоговые параметры наземных имитаторов АБ и СБ и в совокупности с дискретными и аналоговыми параметрами от системы телеизмерения формируют вторичные параметры для последующего их допускового контроля. В качестве последних используют рассчитанные по определенным формулам величины собственного потребления СПН, зарядных и разрядных преобразователей, а также - падения напряжения в цепях наземных имитаторов АБ и СБ. Вторичные параметры служат для дополнительной оценки работоспособности КА. Техническим результатом изобретения является повышение надежности электрических проверок КА. 9 з.п. ф-лы, 2 ил.
Description
Заявляемое изобретение относится к электротехнической промышленности и может быть использовано при изготовлении космических аппаратов (КА).
При изготовлении КА большое внимание уделяется обеспечению высокой степени надежности электрических проверок.
Эта задача может быть решена только при условии обеспечения широких функциональных возможностей и применения многоуровневого контроля технологического процесса электрических проверок КА.
Известен способ электрических проверок КА (патент RU №2245825), реализованный «Автоматизированной испытательной системой для отработки, электрических проверок и подготовки к пуску космических аппаратов».
Известный способ заключается в автоматизированной выдаче технологических команд и радиокоманд, допусковом контроле дискретных и аналоговых параметров по данным бортовой системы телеизмерения и контроле поставленных на слежение параметров бортовой вычислительной системы, контроле сопротивления изоляции бортовых шин относительно корпуса, формирования директив оператора в ручном режиме, формировании протокола испытаний, отображения текущего состояния процесса испытаний.
Недостатком известного способа электрических проверок КА является отсутствие защиты от возникновения нештатных ситуаций, связанных с неполным выключением КА при перерывах в работе с ним, в случае возникновения каких-либо неисправностей в бортовой или наземной аппаратуре на различных этапах электрических проверок КА.
Наиболее близким техническим решением является способ электрических проверок КА, патент №2447002 RU, который выбран в качестве прототипа.
Известный способ заключается в проведении включения и выключения КА, включая подключение или отключение бортовых источников электропитания или их наземных имитаторов, автоматизированной выдачи команд управления, допускового контроля дискретных и аналоговых параметров по данным бортовой системы телеизмерения и контроля поставленных на слежение параметров бортовой вычислительной системы, контроля сопротивления изоляции бортовых шин относительно корпуса, формирования директив автоматической программы и директив оператора в ручном режиме, формирования протокола испытаний, отображения текущего состояния процесса испытаний, отличающийся тем, что в процессе проведения включения КА, перед подключением бортовых источников электропитания или их наземных имитаторов, дополнительно контролируют электрическое сопротивление между шинами питания КА на предмет соответствия его наперед заданному значению, а при его несоответствии наперед заданному значению включение КА запрещают.
Недостатком известного способа электрических проверок КА является отсутствие контроля собственного потребления стабилизированного преобразователя напряжения с зарядными и разрядными преобразователями системы электропитания КА, а также состояния силовых цепей от имитаторов бортовых источников электропитания (имитаторов солнечных и аккумуляторных батарей) в процессе проведения электрических проверок КА. Это снижает надежность электрических проверок КА. Так в случае появления неисправностей стабилизированного преобразователя напряжения, связанных с его повышенным потреблением, или повреждением, или некачественной стыковки соединителей в цепях бортовых источников электропитания, бортовая телеметрия может «не заметить» этого факта, так как оценивает значения аналоговых параметров в достаточно широком диапазоне их штатного функционирования, при этом они могут существенно не измениться, и, соответственно, дефект может быть пропущен.
Задачей заявляемого изобретения является повышение надежности электрических проверок КА.
Поставленная задача решается тем, что при проведении электрических проверок КА, содержащего систему электропитания с бортовыми источниками электропитания (солнечными и аккумуляторными батареями) и стабилизированным преобразователем напряжения с зарядными и разрядными преобразователями, для согласования работы солнечных и аккумуляторных батарей и обеспечения питанием стабильным напряжением заданного номинала модулей служебных систем и полезной нагрузки, заключающийся в проведении включения и выключения КА, включая подключение и отключение наземных имитаторов бортовых источников электропитания (солнечных и аккумуляторных батарей), автоматизированной выдачи команд управления, допускового контроля дискретных и аналоговых параметров по данным бортовой системы телеизмерения и контроля поставленных на слежение параметров бортовой вычислительной системы, контроля сопротивления изоляции бортовых шин относительно корпуса, формирования директив автоматической программы и директив оператора в ручном режиме, формирования протокола испытаний, отображения текущего состояния процесса испытаний, в процессе проведения электрических проверок космического аппарата дополнительно контролируют аналоговые параметры наземных имитаторов бортовых источников электропитания (солнечных и аккумуляторных батарей) и в совокупности с дискретными и аналоговыми параметрами по данным бортовой системы телеизмерения формируют вторичные параметры для последующего их допускового контроля для дополнительной оценки работоспособности космического аппарата, причем в качестве вторичных параметров используют расчеты собственного потребления стабилизированного преобразователя напряжения, а также собственного потребления зарядных и разрядных преобразователей. При этом для формирования вторичных параметров используют аналоговые параметры по данным бортовой системы телеизмерения:
Uбс - общее напряжение солнечной батареи, B;
Iбс - общий ток солнечной батареи, A;
Uн1 - напряжение на первой нагрузке, B;
Iн1 - ток первой нагрузки, A;
Uн2(1÷n-1) - напряжение на последующих нагрузках, B;
Iн2(1÷n-1) - токи в последующих нагрузках, A;
Uаб(1, 2) - напряжение аккумуляторной батареи 4/1 и 4/2 соответственно, B;
Iаб(1, 2) - ток аккумуляторной батареи 4/1 и 4/2 соответственно, A, и аналоговые параметры наземных имитаторов бортовых источников электропитания (солнечных и аккумуляторных батарей):
Uибс (1÷m) - выходное напряжение секции имитатора солнечной батареи, B;
Iибс(1÷m) - выходной ток секции имитатора солнечной батареи, A;
Uиаб(1, 2) - выходное напряжение имитатора аккумуляторной батареи, B;
Iиаб(1, 2)3 - входной ток имитатора аккумуляторной батареи в режиме заряда, A;
Iиаб(1, 2)p - выходной ток имитатора аккумуляторной батареи в режиме разряда, A. Кроме того, в качестве вторичного параметра используют расчет собственного потребления стабилизированного преобразователя напряжения при питании нагрузки от солнечных батарей по формуле:
ΔPибс=ΣUибс(1÷m)·Iибс(1÷m)-Uн1·Iн1-ΣUн2(1÷n-1)·Iн2(1÷n-1)-ΣUиаб(1, 2)·Iиаб(1, 2)3, а также расчет собственного потребления стабилизированного преобразователя напряжения при питании нагрузки от аккумуляторных батарей по формуле:
ΔPиаб=ΣUиаб(1, 2)·Iиаб(1, 2)p-Uн1·Iн1-ΣUн2(1÷n-1)·Iн2(1÷n-1), расчет собственного потребления стабилизированного преобразователя напряжения при питании нагрузки от солнечных и аккумуляторных батарей по формуле:
ΔPибс-иаб=ΣUибс(1÷m)·Iибс(1÷m)+ΣUиаб(1, 2)·Iиаб(1, 2)p-Uн1·Iн1-ΣUн2(1÷n-1)·Iн2(1÷n-1), расчет собственного потребления зарядных преобразователей по формуле:
ΔPзп1, 2=Uбс·ΣIиаб(1, 2)3-ΣUиаб(1, 2)·Iиаб(1, 2)3, расчет собственного потребления разрядных преобразователей по формуле:
ΔPрп1, 2=ΣUиаб(1, 2)·Iиаб(1, 2)p-Uбc·ΣIиаб(1, 2)p, расчет падения напряжения по цепям от имитаторов солнечных батарей по формуле:
ΔUбсi=Uбс-Uибсi, расчет падения напряжения по цепям от имитаторов аккумуляторных батарей по формуле:
ΔUаб(1, 2)p=Uаб(1, 2)-Uиаб(1, 2) - в режиме разряда
и
ΔUаб(1, 2)3=Uиаб(1, 2)-Uаб(1, 2) - в режиме заряда.
Действительно, при проведении электрических проверок КА проводится допусковый контроль дискретных и аналоговых параметров по данным бортовой системы телеизмерения и контроля поставленных на слежение параметров бортовой вычислительной системы, контроль сопротивления изоляции бортовых шин относительно корпуса, формирование директив автоматической программы и директив оператора в ручном режиме, формирование протокола испытаний, отображение текущего состояния процесса испытаний. В то же время проводится управление и контроль работы наземных имитаторов бортовых источников электропитания (солнечных и аккумуляторных батарей). Это позволяет организовать оценку работоспособности КА, используя весь объем информации (бортовой и наземной), создав вторичные параметры для расширенной оценки каких-либо характеристик КА в изменяющихся в достаточно узком контрольном диапазоне.
На фиг.1 приведена блок-схема наземной системы управления и контроля КА в процессе проведения его электрических проверок.
Космический аппарат (КА) 1 содержит, в частности, систему электропитания с бортовыми источниками электропитания (солнечными и аккумуляторными батареями) и стабилизированным преобразователем напряжения с зарядными и разрядными преобразователями для согласования работы солнечных и аккумуляторных батарей и обеспечения питанием стабильным напряжением заданного номинала модулей служебных систем и полезной нагрузки, бортовую систему телеизмерения, бортовую ЭВМ (на схеме не показано).
В процессе электрических проверок КА вместо солнечных и аккумуляторных батарей подключают имитаторы солнечных батарей (ИБС) 2 со встроенными ЭВМ 2-1 и имитаторы аккумуляторных батарей (ИАБ) 3 со встроенными ЭВМ 3-1.
Система управления и контроля электрических проверок КА содержит:
4 - автоматизированный испытательный комплекс (АИК);
5 - ЭВМ АИК (блок управления и отображения информации с АИК).
Встроенные в ИБС и ИАБ ЭВМ 2-1 и 3-1 связаны по межмашинному обмену (по Ethernet) с ЭВМ АИК 5.
АИК 4 совместно с ЭВМ АИК 5 осуществляет автоматизированную выдачу команд управления, допусковый контроль дискретных и аналоговых параметров КА 1 по данным бортовой системы телеизмерения и контроля поставленных на слежение параметров бортовой вычислительной системы, контроль сопротивления изоляции бортовых шин относительно корпуса, формирование директив автоматической программы и директив оператора в ручном режиме, формирование протокола испытаний, отображения текущего состояния процесса испытаний.
Связь ЭВМ АИК 5 с ЭВМ ИБС 2-1 и ЭВМ ИАБ 3-1 позволяет управлять текущими режимами работы ИБС 2 и ИАБ 3 и получать оперативную информацию об их текущих выходных параметрах (напряжение, ток).
Рассмотрим формирование вторичных параметров на примере конкретной структуры автономной системы электропитания КА.
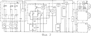
На фиг. 2 приведена функциональная схема автономной системы электропитания с «n» номиналами выходного напряжения, «m» секциями солнечных батарей и двумя аккумуляторными батареями.
Устройство содержит солнечную батарею (первичный источник ограниченной мощности) 1, состоящую из секций 11, 12, …1m, подключенную к нагрузке 2 через диоды РД1, РД2,…РДm в цепи каждой секции соответственно и выходной фильтр 3. В общей силовой цепи солнечной батареи установлен измерительный токовый шунт Iбс для измерения текущего суммарного тока солнечной батареи. В цепи нагрузки 2 установлен измерительный токовый шунт Iн1.
Аккумуляторные батареи 4/1 и 4/2 подключены через зарядные преобразователи 5/1 и 5/2 и через разрядные преобразователи 6/1 и 6/2 к входу выходного фильтра 3, при этом входы разрядных преобразователей подключены к выходу выходного фильтра 3. Параллельный стабилизированный преобразователь 7 входом подключен к выходу выходного фильтра 3, а силовым транзисторным ключом, разделенного также на «m» единичных силовых транзисторных ключей, подключен к каждой соответствующей секции первичного источника ограниченной мощности. Кроме того, к клеммам «+» и «-» нагрузки 2 подключено (n-1) сериесных преобразователей 81, 82,….8n-1, к выходу которых подключены нагрузки 21, 22,….2n-1, где n - число номиналов напряжения в автономной системе электропитания. В цепи каждой нагрузки 21, 22,…2n-1 установлены измерительные токовые шунты Iн2 (1÷[n-1]).
Зарядный преобразователь состоит из регулирующего ключа 9, управляемого схемой управления 10, вольтодобавочного узла, выполненного на трансформаторе Tp, транзисторах T1 и Т2 и выпрямителя на диодах D1 и D2. В силовой цепи заряда установлен измерительный токовый шунт Iаб для измерения тока заряда, а также тока разряда.
Разрядный преобразователь 6 состоит из регулирующего ключа 11, управляемого схемой управления 12.
Параллельный стабилизированный преобразователь 7 состоит из «m» единичных силовых транзисторных ключей K1, K2,…Km, управляемых общей схемой управления 13.
Сериесные преобразователи 81, 82,….8n-1 состоят из регулирующих ключей 14, управляемых схемами управления 15 и выходных фильтров 16.
Схемы управления преобразователями 10, 12, 13, 15 выполнены в виде широтно-импульсных модуляторов, входом подключенных к шинам стабилизируемого напряжения.
В бортовую телеметрию (бортовую систему телеизмерения) выводятся, в частности, следующие аналоговые параметры системы электропитания:
Uбс - общее напряжение солнечной батареи, B;
Iбс - общий ток солнечной батареи, A;
Uн1 - напряжение на первой нагрузке, B;
Iн1 - ток первой нагрузки, A;
Uн2(1÷n-1) - напряжение на последующих нагрузках, B;
Iн2(1÷n-1) - токи в последующих нагрузках, A;
Uаб(1, 2) - напряжение аккумуляторной батареи 4/1 и 4/2 соответственно, B;
Iаб(1, 2) - ток аккумуляторной батареи 4/1 и 4/2 соответственно, A.
Точки для измерения напряжений для бортовой телеметрии показаны стрелками на фиг.2.
В процессе проведения электрических проверок КА вместо секций солнечных батарей подключают секции имитаторов солнечных батарей (ИБС), а вместо аккумуляторных батарей соответственно - имитаторы аккумуляторных батарей (ИАБ).
Из ИБС и ИАБ выводятся, в частности, следующие аналоговые параметры:
Uибс(1÷m) - выходное напряжение секции имитатора солнечной батареи, B;
Iибс(1÷m) - выходной ток секции имитатора солнечной батареи, А;
Uиаб(1, 2) - выходное напряжение имитатора аккумуляторной батареи, B;
Iиаб(1, 2)3 - входной ток имитатора аккумуляторной батареи в режиме заряда, A;
Iиаб(1, 2)p - выходной ток имитатора аккумуляторной батареи в режиме разряда, A.
Вторичные параметры формируются следующим образом.
В качестве вторичных параметров используют расчеты собственного потребления стабилизированного преобразователя напряжения, собственного потребления зарядных и разрядных преобразователей, а так же падения напряжения по цепям наземных имитаторов бортовых источников электропитания (солнечных и аккумуляторных батарей).
1. Собственное потребление стабилизированного преобразователя напряжения при питании нагрузки от солнечных батарей:
ΔPибс=ΣUибс(1÷m)·Iибс(1÷m)-Uн1·Iн1-ΣUн2(1÷n-1)·Iн2(1÷n-1)-ΣUиаб(1, 2)·Iиаб(1, 2)3.
2. Собственное потребление стабилизированного преобразователя напряжения при питании нагрузки от аккумуляторных батарей:
ΔPиаб=ΣUиаб(1, 2)·Iиаб(1, 2)p-Uн1·Iн1-ΣUн2(1÷n-1)·Iн2(1÷n-1).
3. Собственное потребление стабилизированного преобразователя напряжения при питании нагрузки от солнечных и аккумуляторных батарей:
ΔPибс-иаб=ΣUибс(1÷m)·Iибс(1÷m)+ΣUиаб(1, 2)·Iиаб(1, 2)p-Uн1·Iн1-ΣUн2(1÷n-1)·Iн2(1÷n-1).
4. Собственное потребление зарядных преобразователей:
ΔPзп1, 2=Uбс·ΣIиаб(1, 2)3-ΣUиаб(1, 2)·Iиаб(1, 2)3.
5. Собственное потребление разрядных преобразователей:
ΔPрп1, 2=ΣUиаб(1, 2)·Iиаб(1, 2)p-Uбс·ΣIиаб(1, 2)p.
5. Падение напряжения по цепям от имитаторов солнечных батарей:
ΔUбсi=Uбс-Uибсi.
6. Падение напряжения по цепям от имитаторов аккумуляторных батарей:
ΔUаб(1, 2)p=Uаб(1, 2)-Uиаб(1, 2) - в режиме разряда
и
ΔUаб(1, 2)3=Uиаб(1, 2)-Uаб(1, 2) - в режиме заряда.
Следует отметить, что полученные расчетные значения собственного потребления содержат в себе некоторую погрешность, обусловленную падением напряжения в наземных кабелях от имитаторов бортовых источников электропитания (солнечных и аккумуляторных батарей). Однако их величина несущественна, так как наземные кабели выполняются (как правило) с максимальным сечением, и, кроме того, в данном случае важна качественная оценка величины приведенных вторичных параметров.
В зависимости из особенностей конкретной системы электропитания КА и задач электрических проверок могут быть созданы другие вторичные параметры в рамках приведенных первичных аналоговых параметров по данным бортовой системы телеизмерения и аналоговых параметров наземных имитаторов бортовых источников электропитания (солнечных и аккумуляторных батарей).
Таким образом, предлагаемый способ электрических проверок КА повышает надежность электрических проверок КА.
Claims (10)
1. Способ электрических проверок космического аппарата, содержащего систему электропитания с бортовыми источниками электропитания (солнечными и аккумуляторными батареями) и стабилизированным преобразователем напряжения с зарядными и разрядными преобразователями для согласования работы солнечных и аккумуляторных батарей и обеспечения питанием стабильным напряжением заданного номинала модулей служебных систем и полезной нагрузки, заключающийся в проведении включения и выключения космического аппарата, в том числе подключения и отключения наземных имитаторов бортовых источников электропитания (солнечных и аккумуляторных батарей), автоматизированной выдаче команд управления, допускового контроля дискретных и аналоговых параметров по данным бортовой системы телеизмерения и контроля поставленных на слежение параметров бортовой вычислительной системы, контроле сопротивления изоляции бортовых шин относительно корпуса, формировании директив автоматической программы и директив оператора в ручном режиме, формировании протокола испытаний, отображении текущего состояния процесса испытаний, отличающийся тем, что в процессе проведения электрических проверок космического аппарата дополнительно контролируют аналоговые параметры наземных имитаторов бортовых источников электропитания (солнечных и аккумуляторных батарей) и в совокупности с дискретными и аналоговыми параметрами по данным бортовой системы телеизмерения формируют вторичные параметры для последующего их допускового контроля для дополнительной оценки работоспособности космического аппарата.
2. Способ электрических проверок космического аппарата по п.1, отличающийся тем, что в качестве вторичных параметров используют расчеты собственного потребления стабилизированного преобразователя напряжения, собственного потребления зарядных и разрядных преобразователей, а также падения напряжения по цепям наземных имитаторов бортовых источников электропитания (солнечных и аккумуляторных батарей).
3. Способ электрических проверок космического аппарата по п.1 или 2, отличающийся тем, что для формирования вторичных параметров используют первичные аналоговые параметры по данным бортовой системы телеизмерения:
Uбc - общее напряжение солнечной батареи, B;
Iбc - общий ток солнечной батареи, A;
Uн1 - напряжение на первой нагрузке, B;
Iн1 - ток первой нагрузки, A;
Uн2(1÷n-1) - напряжение на последующих нагрузках, B;
Iн2(1÷n-1) - токи в последующих нагрузках, A;
Uaб(1, 2) - напряжение аккумуляторных батарей (4/1), (4/2) соответственно, B;
Iaб(1, 2) - ток аккумуляторных батарей (4/1), (4/2) соответственно, A,
и первичные аналоговые параметры наземных имитаторов бортовых источников электропитания (солнечных и аккумуляторных батарей):
Uибс(1÷m) - выходное напряжение секции имитатора солнечной батареи, В;
Iибс(1÷m) - выходной ток секции имитатора солнечной батареи,
А;
Uиаб(1, 2) - выходное напряжение имитатора аккумуляторной батареи, B;
Iиаб(1, 2)3 - входной ток имитатора аккумуляторной батареи в режиме заряда, A;
Iиаб(1, 2)p - выходной ток имитатора аккумуляторной батареи в режиме разряда, A.
Uбc - общее напряжение солнечной батареи, B;
Iбc - общий ток солнечной батареи, A;
Uн1 - напряжение на первой нагрузке, B;
Iн1 - ток первой нагрузки, A;
Uн2(1÷n-1) - напряжение на последующих нагрузках, B;
Iн2(1÷n-1) - токи в последующих нагрузках, A;
Uaб(1, 2) - напряжение аккумуляторных батарей (4/1), (4/2) соответственно, B;
Iaб(1, 2) - ток аккумуляторных батарей (4/1), (4/2) соответственно, A,
и первичные аналоговые параметры наземных имитаторов бортовых источников электропитания (солнечных и аккумуляторных батарей):
Uибс(1÷m) - выходное напряжение секции имитатора солнечной батареи, В;
Iибс(1÷m) - выходной ток секции имитатора солнечной батареи,
А;
Uиаб(1, 2) - выходное напряжение имитатора аккумуляторной батареи, B;
Iиаб(1, 2)3 - входной ток имитатора аккумуляторной батареи в режиме заряда, A;
Iиаб(1, 2)p - выходной ток имитатора аккумуляторной батареи в режиме разряда, A.
4. Способ электрических проверок космического аппарата по п.3, отличающийся тем, что в качестве вторичного параметра используют расчет собственного потребления стабилизированного преобразователя напряжения при питании нагрузки от солнечных батарей по формуле:
ΔРибс=ΣUибс(1÷m)·Iибс(1÷m)-Uн1·Iн1-ΣUн2(1÷n-1)·Iн2(1÷n-1)-ΣUиаб(1, 2)·Iиаб(1, 2)3.
ΔРибс=ΣUибс(1÷m)·Iибс(1÷m)-Uн1·Iн1-ΣUн2(1÷n-1)·Iн2(1÷n-1)-ΣUиаб(1, 2)·Iиаб(1, 2)3.
5. Способ электрических проверок космического аппарата по п.3, отличающийся тем, что в качестве вторичного параметра используют расчет собственного потребления стабилизированного преобразователя напряжения при питании нагрузки от аккумуляторных батарей по формуле:
ΔРиаб=ΣUиаб(1, 2)·1иаб(1, 2)p-Uн1·Iн1-ΣUн2(1÷n-1)·Iн2(1÷n-1).
ΔРиаб=ΣUиаб(1, 2)·1иаб(1, 2)p-Uн1·Iн1-ΣUн2(1÷n-1)·Iн2(1÷n-1).
6. Способ электрических проверок космического аппарата по п.3, отличающийся тем, что в качестве вторичного параметра используют расчет собственного потребления стабилизированного преобразователя напряжения при питании нагрузки от солнечных и аккумуляторных батарей по формуле:
ΔРибс-иаб=ΣUибс(1÷m)·Iибс(1÷m)+ΣUиаб(1, 2)·Iиаб(1, 2)p-Uн1·Iн1-Σ Uн2(1÷n-1)·Iн2(1÷n-1).
ΔРибс-иаб=ΣUибс(1÷m)·Iибс(1÷m)+ΣUиаб(1, 2)·Iиаб(1, 2)p-Uн1·Iн1-Σ Uн2(1÷n-1)·Iн2(1÷n-1).
7. Способ электрических проверок космического аппарата по п.3, отличающийся тем, что в качестве вторичного параметра используют расчет собственного потребления зарядных преобразователей по формуле:
ΔРзп1,2=Uбc·ΣIиаб(1, 2)3-ΣUиaб(1, 2)·Iиаб(1, 2)3.
ΔРзп1,2=Uбc·ΣIиаб(1, 2)3-ΣUиaб(1, 2)·Iиаб(1, 2)3.
8. Способ электрических проверок космического аппарата по п.3, отличающийся тем, что в качестве вторичного параметра используют расчет собственного потребления разрядных преобразователей по формуле:
ΔPpп1,2=ΣUиаб(1, 2)·Iиаб(1, 2)p-Uбc·ΣIиаб(1, 2)p.
ΔPpп1,2=ΣUиаб(1, 2)·Iиаб(1, 2)p-Uбc·ΣIиаб(1, 2)p.
9. Способ электрических проверок космического аппарата по п.3, отличающийся тем, что в качестве вторичного параметра используют расчет падения напряжения по цепям от имитаторов солнечных батарей по формуле:
ΔUбci=Uбc-Uибci.
ΔUбci=Uбc-Uибci.
10. Способ электрических проверок космического аппарата по п.3, отличающийся тем, что в качестве вторичного параметра используют расчет падения напряжения по цепям от имитаторов аккумуляторных батарей по формуле:
ΔUаб(1,2)p=Uaб(1,2)-Uиaб(1, 2) - в режиме разряда
и
ΔUаб(1,2)3=Uиаб(1, 2)-Uаб(1,2) - в режиме заряда.
ΔUаб(1,2)p=Uaб(1,2)-Uиaб(1, 2) - в режиме разряда
и
ΔUаб(1,2)3=Uиаб(1, 2)-Uаб(1,2) - в режиме заряда.
Priority Applications (1)
| Application Number | Priority Date | Filing Date | Title |
|---|---|---|---|
| RU2013131324/11A RU2559661C2 (ru) | 2013-07-08 | 2013-07-08 | Способ электрических проверок космического аппарата |
Applications Claiming Priority (1)
| Application Number | Priority Date | Filing Date | Title |
|---|---|---|---|
| RU2013131324/11A RU2559661C2 (ru) | 2013-07-08 | 2013-07-08 | Способ электрических проверок космического аппарата |
Publications (2)
| Publication Number | Publication Date |
|---|---|
| RU2013131324A RU2013131324A (ru) | 2015-01-20 |
| RU2559661C2 true RU2559661C2 (ru) | 2015-08-10 |
Family
ID=53280518
Family Applications (1)
| Application Number | Title | Priority Date | Filing Date |
|---|---|---|---|
| RU2013131324/11A RU2559661C2 (ru) | 2013-07-08 | 2013-07-08 | Способ электрических проверок космического аппарата |
Country Status (1)
| Country | Link |
|---|---|
| RU (1) | RU2559661C2 (ru) |
Cited By (2)
| Publication number | Priority date | Publication date | Assignee | Title |
|---|---|---|---|---|
| RU2609619C2 (ru) * | 2015-06-29 | 2017-02-02 | Акционерное общество "Авиационная электроника и коммуникационные системы" (АО "АВЭКС") | Автоматизированное рабочее место для исследований и испытания систем электропитания космических аппаратов |
| RU2671600C1 (ru) * | 2017-10-05 | 2018-11-02 | Российская Федерация, от имени которой выступает Государственная корпорация по космической деятельности "РОСКОСМОС" | Способ наземной эксплуатации системы электропитания космического аппарата |
Families Citing this family (2)
| Publication number | Priority date | Publication date | Assignee | Title |
|---|---|---|---|---|
| RU2563925C1 (ru) * | 2014-05-06 | 2015-09-27 | Акционерное общество "Информационные спутниковые системы" имени академика М.Ф. Решетнёва" | Контрольно-проверочная аппаратура космического аппарата |
| CN105173124B (zh) * | 2015-07-16 | 2017-07-07 | 兰州空间技术物理研究所 | 一种离子推力器寿命地面试验方法 |
Citations (8)
| Publication number | Priority date | Publication date | Assignee | Title |
|---|---|---|---|---|
| US3535683A (en) * | 1969-11-07 | 1970-10-20 | Nasa | Electronic checkout system for space vehicles |
| WO1990010242A2 (en) * | 1989-02-21 | 1990-09-07 | Allied-Signal Inc. | Aircraft battery status monitor |
| RU2015622C1 (ru) * | 1992-11-03 | 1994-06-30 | Научно-производственное объединение "ЭНОП" | Автоматизированная система контроля |
| RU2245825C1 (ru) * | 2003-11-03 | 2005-02-10 | Открытое акционерное общество "Ракетно-космическая корпорация "Энергия" им. С.П. Королева" | Автоматизированная испытательная система для отработки, электрических проверок и подготовки к пуску космических аппаратов |
| RU77447U1 (ru) * | 2008-03-26 | 2008-10-20 | Государственное образовательное учреждение высшего профессионального образования "Российский государственный открытый технический университет путей сообщения" (РГОТУПС) | Устройство контроля короткого замыкания в контактной сети переменного тока |
| RU2344431C2 (ru) * | 2005-08-02 | 2009-01-20 | Открытое акционерное общество "АВТОВАЗ" | Устройство для контроля монтажа |
| WO2011001268A1 (en) * | 2009-07-01 | 2011-01-06 | Toyota Jidosha Kabushiki Kaisha | Battery control system and vehicle |
| RU2447002C1 (ru) * | 2010-10-08 | 2012-04-10 | Открытое акционерное общество "Информационные спутниковые системы" имени академика М.Ф. Решетнёва" | Способ электрических проверок космического аппарата |
-
2013
- 2013-07-08 RU RU2013131324/11A patent/RU2559661C2/ru active
Patent Citations (8)
| Publication number | Priority date | Publication date | Assignee | Title |
|---|---|---|---|---|
| US3535683A (en) * | 1969-11-07 | 1970-10-20 | Nasa | Electronic checkout system for space vehicles |
| WO1990010242A2 (en) * | 1989-02-21 | 1990-09-07 | Allied-Signal Inc. | Aircraft battery status monitor |
| RU2015622C1 (ru) * | 1992-11-03 | 1994-06-30 | Научно-производственное объединение "ЭНОП" | Автоматизированная система контроля |
| RU2245825C1 (ru) * | 2003-11-03 | 2005-02-10 | Открытое акционерное общество "Ракетно-космическая корпорация "Энергия" им. С.П. Королева" | Автоматизированная испытательная система для отработки, электрических проверок и подготовки к пуску космических аппаратов |
| RU2344431C2 (ru) * | 2005-08-02 | 2009-01-20 | Открытое акционерное общество "АВТОВАЗ" | Устройство для контроля монтажа |
| RU77447U1 (ru) * | 2008-03-26 | 2008-10-20 | Государственное образовательное учреждение высшего профессионального образования "Российский государственный открытый технический университет путей сообщения" (РГОТУПС) | Устройство контроля короткого замыкания в контактной сети переменного тока |
| WO2011001268A1 (en) * | 2009-07-01 | 2011-01-06 | Toyota Jidosha Kabushiki Kaisha | Battery control system and vehicle |
| RU2447002C1 (ru) * | 2010-10-08 | 2012-04-10 | Открытое акционерное общество "Информационные спутниковые системы" имени академика М.Ф. Решетнёва" | Способ электрических проверок космического аппарата |
Cited By (2)
| Publication number | Priority date | Publication date | Assignee | Title |
|---|---|---|---|---|
| RU2609619C2 (ru) * | 2015-06-29 | 2017-02-02 | Акционерное общество "Авиационная электроника и коммуникационные системы" (АО "АВЭКС") | Автоматизированное рабочее место для исследований и испытания систем электропитания космических аппаратов |
| RU2671600C1 (ru) * | 2017-10-05 | 2018-11-02 | Российская Федерация, от имени которой выступает Государственная корпорация по космической деятельности "РОСКОСМОС" | Способ наземной эксплуатации системы электропитания космического аппарата |
Also Published As
| Publication number | Publication date |
|---|---|
| RU2013131324A (ru) | 2015-01-20 |
Similar Documents
| Publication | Publication Date | Title |
|---|---|---|
| CN106295956B (zh) | 一种考虑核电厂供电系统可修复多状态复杂特性的可靠性评估方法 | |
| US20230420948A1 (en) | Energy storage system and power supply method for battery management system | |
| CN112005425A (zh) | 数据中心的备用电源系统、备用电池架 | |
| RU2459749C1 (ru) | Способ изготовления космического аппарата | |
| CN109245085A (zh) | 具有削峰填谷功能的直流储能后备电源及控制方法 | |
| RU2559661C2 (ru) | Способ электрических проверок космического аппарата | |
| RU158876U1 (ru) | Электронный имитатор аккумуляторной батареи | |
| US20170310126A1 (en) | Voltage regulation for battery strings | |
| Mohamed et al. | Efficiency focused energy management strategy based on optimal droop gain design for more electric aircraft | |
| RU174125U1 (ru) | Электронный имитатор аккумуляторной батареи для испытаний систем электроснабжения космических аппаратов | |
| CN106300626B (zh) | 一种ups的双电源系统、ups设备及其控制方法 | |
| CN105158703B (zh) | 基于储能单元的液流电池测试系统 | |
| RU2647808C2 (ru) | Способ электрических проверок космического аппарата | |
| US8819470B2 (en) | Switching device, a switching device control method and a switching device control program | |
| JP5122699B1 (ja) | 電力蓄積システム、および、蓄電モジュールの制御方法 | |
| RU159208U1 (ru) | Комплекс для наземных испытаний систем электропитания космических аппаратов | |
| RU2513322C2 (ru) | Способ электрических проверок космического аппарата | |
| RU2647806C2 (ru) | Способ электрических проверок космического аппарата | |
| Pedapati et al. | Reconfigured multi-switch fault-tolerant DC-DC converter for DC microgrid applications | |
| RU2571480C1 (ru) | Способ изготовления космического аппарата | |
| JP6086768B2 (ja) | 充放電検査システム | |
| RU2541599C2 (ru) | Способ изготовления космического аппарата | |
| Sun et al. | Design of civil aircraft lithium battery management system and study of common failure countermeasures | |
| AU2016241607B2 (en) | Storage battery unit and electricity storage system | |
| RU2609619C2 (ru) | Автоматизированное рабочее место для исследований и испытания систем электропитания космических аппаратов |