RU2549318C2 - Способ питания и управления системой коррекции космического аппарата - Google Patents
Способ питания и управления системой коррекции космического аппарата Download PDFInfo
- Publication number
- RU2549318C2 RU2549318C2 RU2013117105/11A RU2013117105A RU2549318C2 RU 2549318 C2 RU2549318 C2 RU 2549318C2 RU 2013117105/11 A RU2013117105/11 A RU 2013117105/11A RU 2013117105 A RU2013117105 A RU 2013117105A RU 2549318 C2 RU2549318 C2 RU 2549318C2
- Authority
- RU
- Russia
- Prior art keywords
- power supply
- power sources
- electrodes
- eppe
- spacecraft
- Prior art date
Links
- 238000000034 method Methods 0.000 title claims description 10
- 230000000694 effects Effects 0.000 abstract description 2
- 230000005611 electricity Effects 0.000 abstract 1
- 239000000126 substance Substances 0.000 abstract 1
- 230000015556 catabolic process Effects 0.000 description 7
- 239000000919 ceramic Substances 0.000 description 4
- 238000010586 diagram Methods 0.000 description 4
- 238000002955 isolation Methods 0.000 description 4
- 229910052724 xenon Inorganic materials 0.000 description 3
- 239000012212 insulator Substances 0.000 description 2
- 230000003068 static effect Effects 0.000 description 2
- 238000004804 winding Methods 0.000 description 2
- 101100043229 Oryza sativa subsp. japonica SPL14 gene Proteins 0.000 description 1
- 230000015572 biosynthetic process Effects 0.000 description 1
- 238000004364 calculation method Methods 0.000 description 1
- 230000005684 electric field Effects 0.000 description 1
- 238000004870 electrical engineering Methods 0.000 description 1
- 239000012530 fluid Substances 0.000 description 1
- 150000002500 ions Chemical class 0.000 description 1
- FHNFHKCVQCLJFQ-UHFFFAOYSA-N xenon atom Chemical compound [Xe] FHNFHKCVQCLJFQ-UHFFFAOYSA-N 0.000 description 1
- -1 xenon ions Chemical class 0.000 description 1
Images
Landscapes
- Electric Propulsion And Braking For Vehicles (AREA)
- Elimination Of Static Electricity (AREA)
Abstract
Изобретение относится к космической технике и может быть использовано для коррекции космического аппарата (КА) с помощью электрореактивных плазменных двигателей (ЭРПД). Выбирают ЭРПД для включения, определяют необходимое время работы ЭРПД, выбирают используемые и неиспользуемые электроды двигателей, подключают выбранные электроды к источникам питания с помощью контакторов, включают и выключают источники питания для запуска и работы ЭРПД в течение необходимого времени, формируют высокоомную резистивную сеть стока электрического заряда с электродов ЭРПД на корпус КА, формируют два режима коммутации электрических цепей двигателя, подключают к электродам неработающих ЭРПД основные и резервные источники питания с емкостными фильтрами, оставляют электрические цепи выбранного ЭРПД подключенными к используемым источникам питания, отключают электрические цепи остальных двигателей от используемых источников питания и оставляют подключенными к неиспользуемым источникам питания, включают и отключают в соответствии с определенным алгоритмом используемые источники питания. Изобретение позволяет повысить надежность системы коррекции КА. 4 ил.
Description
Изобретение относится к электротехнике, а именно к системам коррекции (СК) космических аппаратов (КА) с использованием электрореактивных плазменных двигателей (ЭРПД).
Известны современные системы коррекции орбиты КА, выполненные на базе ЭРПД. Двигатели периодически включаются по командам с Земли, и за счет создаваемого ими вектора тяги с высоким удельным импульсом КА перемещается в заданном направлении. Тем самым поддерживается его расчетная орбита.
При запуске и работе выбранного двигателя по определенному алгоритму на его элементы - анод (А), магнитную катушку (МК), катод (К1) и связанные с ним электроды поджига (П1) и накала (НК1), катод (К2) и связанные с ним электроды поджига (П2) и накала (НК2) подают питающие напряжения соответствующей формы и величины (патент RU №2366123). В кольцевую газоразрядную камеру дозированно подают рабочее тело - газ ксенон. При малом давлении, поданном высоком напряжении между анодом A и катодом K1 (К2) в несколько сотен вольт, после поджига электродом П1 (П2) в камере зажигается разряд и ксенон ионизируется, создавая плазму. Магнитная катушка создает магнитное поле, управляя движением ионов ксенона, которые ускоряются электрическим полем вдоль камеры и набирают энергию. Их поток создает реактивную тягу двигателя. Вместе с ионами из ЭРПД испускается равный им по заряду поток электронов, излучаемых катодом. Скорость истечения и, соответственно, удельный импульс двигателя, определяются напряжением анод-катод.
Наиболее близким к заявляемому техническому решению является способ питания и управления СК (Ермошкин Ю.М. Основы теории и расчета электрореактивных двигателей и двигательных установок. Красноярск, 2003; Стационарные плазменные двигатели: Учебн. пособие для студентов техн. фак. вузов / Н.В.Белан, В.П.Ким, А.И.Оранский, В.Б.Тихонов; ХАИ. Харьков, 1989), заключающийся в том, что для выбранного двигателя, основного катода К1 или резервного К2, основного электрода поджига П1 или резервного П2 подключают с помощью контактов реле соответствующие источники питания (основные или резервные). Затем в требуемой последовательности включают и выключают источники питания накала катода, источники питания анода-катода, источники питания поджига, обеспечивая запуск и работу двигателя в течение необходимого времени, по истечении которого выключают источники питания. После чего отключают с помощью контактов реле источники питания от управления двигателем, переводя СК в исходное состояние.
Для обеспечения устойчивой работы плазменного разряда и обеспечения электромагнитной совместимости требуется полная гальваническая развязка цепей питания и управления от других цепей КА и корпуса.
В исходном состоянии СК электрические цепи всех двигателей отключены от источников питания, все источники выключены.
Во время работы СК электрические цепи выбранного двигателя подключены к выбранным (основным или резервным) источникам питания, электрические цепи всех остальных двигателей отключены от источников питания, выбранные источники питания включаются и отключаются в соответствии с определенным алгоритмом. При этом встроенные в источники питания емкостные фильтры обеспечивают питание элементов двигателей постоянным напряжением требуемого качества, т.е. с необходимым уровнем пульсаций, а также снижение электромагнитных помех, излучаемых источниками питания.
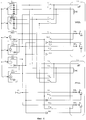
Структурная схема СК прототипа в исходном состоянии приведена на фиг.1.
Система коррекции содержит n электрореактивных плазменных двигателей - 1.1…1.n, основной 2.1 и резервный 2.2 источники питания анодного напряжения, основной 3.1 и резервный 3.2 источник накала катода, основной 4.1 и резервный 4.2 источник устройства поджига, причем источники 2.1 и 2.2 через контакты реле 5.1, 6.1, 7.1, 8.1 подключены к аноду A и катодам K1 и К2 (через цепь магнитной катушки МК) двигателя 1.1 и соответственно через контакты реле 5.n, 6.n, 7.n, 8.n к анодам и катодам каждого из остальных двигателей 1.n.
Контакты реле 9.1, 10.1, 11.1, 12.1 предназначены для подключения источников накала катода 3.1 и 3.2 к элементам накала катодов НК1 и НК2 двигателя 1.1, и, соответственно, контакты реле 9.n, 10.n, 11.n, 12.n - к элементам накала катодов двигателей 1.n.
Устройства поджига УП1 и УП2 подключаются к электродам поджига П1 и П2 двигателей 1.1…1.n через развязывающие диоды 13.1…13.n, 14.1…14.n и контакты реле 9.1…9.n.
Контакты реле 15…20 предназначены для включения соответствующих источников питания.
Структурная схема СК для включения и работы двигателя (в качестве примера выбран двигатель 1 и катод К1) приведена на фиг.2.
Известный способ реализуется следующим образом: выбирают двигатель и катод двигателя для включения, например двигатель 1.1 и катод К1; выбирают источники питания, используемые при данном включении, например 2.1 (ИПА1), 3.1 (НК1) и 4.1 (УП1); подключают используемые источники питания к выбранному двигателю и катоду контактами реле 5.1, 6.1, 9.1, 10.1; после этого включают источники питания контактами реле 15, 17, 19.
После окончания работы двигателя выключают источники питания (размыкают контакты 15, 17, 19) и отключают их от двигателя (размыкают контакты реле 5.1, 6.1, 9.1, 10.1).
Известный способ позволяет выполнить требования гальванической развязки и обеспечить надежную работу СК в течение длительного срока активного существования за счет использования алгоритмов формирования требуемой структуры СК для включения двигателя, реализуемых с помощью коммутации выключенных источников питания, то есть используя бестоковый режим коммутации: за счет питания двигателей напряжением требуемого качества с низким уровнем излучаемых электромагнитных помех; а также за счет использования резервных элементов СК-двигателей, источников питания, электродов катода, поджига, накала.
Однако при известном способе питания и управления СК существует опасность повреждения электрических цепей, электронных и электротехнических схем в источниках питания в результате воздействия факторов электризации в условиях космического полета.
А именно: во время геомагнитных возмущений плотность тока электронов с энергией в несколько тысяч электрон-вольт в пространстве вокруг КА может составлять 10-9A·см-2. Вследствие этого облучения керамический изолятор ЭРПД может накапливать заряд электронов, особенно при низких температурах. Конструкция двигателя не позволяет обеспечить эффективный сток накопленного керамикой заряда электронов. Этот заряд может вызвать высоковольтные пробои - электростатические разряды между керамическим изолятором и электродами двигателя. При этом высоковольтная динамическая помеха может пробить электрическую изоляцию имеющейся гальванической развязки и вывести из строя драйверы управления обмоток коммутаторов, а также проникнуть в электронные схемы источников питания и вывести их из строя.
Экспериментально также установлена возможность возникновения статического потенциала на электрических цепях СК, связанного с непосредственным натеканием электронов из магнитосферной плазмы на проводящие элементы СК, гальванически развязанные от корпуса КА. Рост потенциала в дальнейшем может также привести к высоковольтным пробоям и повреждению элементов СК.
Цель заявляемого способа заключается в повышении надежности СК КА.
Поставленная цель достигается тем, что в способе питания и управления системой коррекции космического аппарата выбирают один из ЭРПД, подлежащий включению, определяют необходимое время работы выбранного ЭРПД, выбирают используемые и неиспользуемые при данном включении электроды двигателей, источники питания, к выбранным электродам выбранного двигателя подключают с помощью контакторов используемые источники питания, затем включают и выключают указанные источники питания, обеспечивая запуск и работу ЭРПД в течение необходимого времени, по истечении которого выключают все источники питания, формируют высокоомную резистивную цепь стока электрического заряда с электродов ЭРПД на корпус КА, а также формируют два режима коммутации электрических цепей двигателя - "режим хранения", когда к электродам неработающих ЭРПД подключают основные и резервные источники питания со встроенными в эти источники емкостными фильтрами, и "режим защиты", когда во время работы СК электрические цепи выбранного ЭРПД оставляют подключенными к используемым (основным или резервным) источникам питания, электрические цепи всех остальных двигателей отключают от используемых источников питания и оставляют подключенными к неиспользуемым источникам питания, после чего используемые источники питания включаются и отключаются в соответствии с определенным алгоритмом.
Сущность изобретения поясняется чертежами, где на фиг.3 изображена структурная схема СК в "режиме хранении", на фиг.4 приведена схема СК для включения и работы двигателя в "режиме защиты" (в качестве примера выбран двигатель 1 и катод К1).
Предлагаемый способ реализуется следующим образом:
- в "режиме хранения" (фиг.3) замыкают все контакты, соединяющие источники питания 2.1, 2.2, 3.1, 3.2, 4.1, 4.2 с двигателями 1.1…1.n, контакты 15…20 разомкнуты, двигатели выключены;
- в "режиме защиты" (фиг.4) систему коррекции переводят из "режима хранения" следующим образом: выбирают используемый двигатель и катод двигателя, выбирают используемые источники питания, например двигатель 1.1, катод К1 источники 2.1, 3.1, 4.1; отключают от выбранного двигателя 1.1 неиспользуемые источники питания 2.2, размыкая контакты реле 7.1, 8.1; отключают от всех двигателей 1.n, кроме выбранного, используемые источники питания 2.1, размыкая контакты 5.n, 6.n. Таким образом, к выбранному двигателю 1.1 через контакты 5.1 и 6.1 подключены емкостные фильтры используемого источника питания 2.1, а к остальным двигателям 1.n через контакты 7.n и 8.n подключены емкостные фильтры неиспользуемого источника питания 2.2.
Сущность нового способа заключается в том, что формируют высокоомную резистивную цепь стока электрического заряда с электродов ЭРПД, а также используют встроенные в источники питания емкостные фильтры для защиты электрических цепей системы коррекции от высоковольтных динамических помех - пробоев, возникающих вследствие воздействия факторов электризации.
За счет подключения к электродам неработающих двигателей основных и резервных источников питания к ним оказываются подключенными встроенные в эти источники емкостные фильтры. Тем самым обеспечивается защита СК от динамических электростатических воздействий при разряде накопленного керамикой двигателя электрического заряда. Емкостные фильтры шунтируют цепи СК, замыкая цепи высоковольтных пробоев на корпус КА.
Высокоомная резистивная цепь обеспечивает сток электрического заряда с электродов ЭРПД на корпус КА, тем самым снижая статический потенциал на электрических цепях СК и защищая их от высоковольтных пробоев.
Экспериментальная проверка при огневых испытаниях ЭРПД подтвердила устойчивую работу ЭРПД при сопротивлении резистивной цепи более 100 кОм.
В исходном состоянии СК электрические цепи всех двигателей подключены ко всем источникам питания, все источники выключены, емкостные фильтры всех источников питания шунтируют цепи высоковольтных пробоев. СК находится в "режиме хранения".
Во время работы СК электрические цепи выбранного двигателя оставляют подключенными к используемым источникам питания, электрические цепи всех остальных двигателей отключают от выбранных источников питания и оставляют подключенными к неиспользуемым источникам питания ("режим защиты").
Затем выбранные источники питания включаются и отключаются в соответствии с определенным алгоритмом.
После окончания работы двигателя СК из "режима защиты" вновь переводится в "режим хранения".
В конечном состоянии СК все источники выключены, электрические цепи всех двигателей вновь подключены ко всем источникам питания, и емкостные фильтры всех источников питания шунтируют цепи высоковольтных пробоев.
Реализация указанного технического решения позволяет решить поставленную задачу повышением надежности системы коррекции космического аппарата.
Claims (1)
- Способ питания и управления системой коррекции (СК) космического аппарата (КА), выполненной на базе электрореактивных плазменных двигателей (ЭРПД) и основных и резервных источников питания, заключающийся в том, что выбирают один из ЭРПД, подлежащий включению, определяют необходимое время работы выбранного ЭРПД, выбирают используемые и неиспользуемые при данном включении электроды двигателей, источники питания, к выбранным электродам выбранного двигателя подключают с помощью контакторов используемые источники питания, затем включают и выключают указанные источники питания, обеспечивая запуск и работу ЭРПД в течение необходимого времени, по истечении которого выключают все источники питания, отличающийся тем, что формируют высокоомную резистивную цепь стока электрического заряда с электродов ЭРПД на корпус КА, а также формируют два режима коммутации электрических цепей двигателя - "режим хранения", когда к электродам неработающих ЭРПД подключают основные и резервные источники питания со встроенными в эти источники емкостными фильтрами, и "режим защиты", когда во время работы СК электрические цепи выбранного ЭРПД оставляют подключенными к используемым (основным или резервным) источникам питания, электрические цепи всех остальных двигателей отключают от используемых источников питания и оставляют подключенными к неиспользуемым источникам питания, после чего используемые источники питания включаются и отключаются в соответствии с определенным алгоритмом.
Priority Applications (1)
| Application Number | Priority Date | Filing Date | Title |
|---|---|---|---|
| RU2013117105/11A RU2549318C2 (ru) | 2013-04-15 | 2013-04-15 | Способ питания и управления системой коррекции космического аппарата |
Applications Claiming Priority (1)
| Application Number | Priority Date | Filing Date | Title |
|---|---|---|---|
| RU2013117105/11A RU2549318C2 (ru) | 2013-04-15 | 2013-04-15 | Способ питания и управления системой коррекции космического аппарата |
Publications (2)
| Publication Number | Publication Date |
|---|---|
| RU2013117105A RU2013117105A (ru) | 2014-10-20 |
| RU2549318C2 true RU2549318C2 (ru) | 2015-04-27 |
Family
ID=53289927
Family Applications (1)
| Application Number | Title | Priority Date | Filing Date |
|---|---|---|---|
| RU2013117105/11A RU2549318C2 (ru) | 2013-04-15 | 2013-04-15 | Способ питания и управления системой коррекции космического аппарата |
Country Status (1)
| Country | Link |
|---|---|
| RU (1) | RU2549318C2 (ru) |
Cited By (1)
| Publication number | Priority date | Publication date | Assignee | Title |
|---|---|---|---|---|
| RU2624688C2 (ru) * | 2015-12-15 | 2017-07-05 | Открытое акционерное общество "Ракетно-космическая корпорация "Энергия" имени С.П. Королева" | Устройство для измерения массы рабочего тела, газообразного при нормальных условиях, в баллоне электроракетной двигательной установки и способ определения его массы |
Citations (4)
| Publication number | Priority date | Publication date | Assignee | Title |
|---|---|---|---|---|
| US6029438A (en) * | 1997-10-15 | 2000-02-29 | Space Systems/Loral, Inc. | Drive circuit for electric propulsion thruster |
| US20020047622A1 (en) * | 1999-07-12 | 2002-04-25 | Hughes Electronics Corporation | Starter circuit for an ion engine |
| RU2220322C2 (ru) * | 2001-10-08 | 2003-12-27 | Федеральное государственное унитарное предприятие "Научно-производственный центр "Полюс" | Способ электропитания электроракетного плазменного двигателя и устройство для его осуществления |
| RU2366123C1 (ru) * | 2008-03-28 | 2009-08-27 | Федеральное государственное унитарное предприятие "Опытное конструкторское бюро "Факел" | Способ запуска и электропитания электрореактивного плазменного двигателя (его варианты) и устройство для его осуществления (его варианты) |
-
2013
- 2013-04-15 RU RU2013117105/11A patent/RU2549318C2/ru not_active IP Right Cessation
Patent Citations (4)
| Publication number | Priority date | Publication date | Assignee | Title |
|---|---|---|---|---|
| US6029438A (en) * | 1997-10-15 | 2000-02-29 | Space Systems/Loral, Inc. | Drive circuit for electric propulsion thruster |
| US20020047622A1 (en) * | 1999-07-12 | 2002-04-25 | Hughes Electronics Corporation | Starter circuit for an ion engine |
| RU2220322C2 (ru) * | 2001-10-08 | 2003-12-27 | Федеральное государственное унитарное предприятие "Научно-производственный центр "Полюс" | Способ электропитания электроракетного плазменного двигателя и устройство для его осуществления |
| RU2366123C1 (ru) * | 2008-03-28 | 2009-08-27 | Федеральное государственное унитарное предприятие "Опытное конструкторское бюро "Факел" | Способ запуска и электропитания электрореактивного плазменного двигателя (его варианты) и устройство для его осуществления (его варианты) |
Cited By (1)
| Publication number | Priority date | Publication date | Assignee | Title |
|---|---|---|---|---|
| RU2624688C2 (ru) * | 2015-12-15 | 2017-07-05 | Открытое акционерное общество "Ракетно-космическая корпорация "Энергия" имени С.П. Королева" | Устройство для измерения массы рабочего тела, газообразного при нормальных условиях, в баллоне электроракетной двигательной установки и способ определения его массы |
Also Published As
| Publication number | Publication date |
|---|---|
| RU2013117105A (ru) | 2014-10-20 |
Similar Documents
| Publication | Publication Date | Title |
|---|---|---|
| US8742828B2 (en) | Disconnector switch for galvanic direct current interruption | |
| US9800171B2 (en) | Protection system for DC power transmission system, AC-DC converter, and method of interrupting DC power transmission system | |
| JPH03110737A (ja) | 中空陰極を有するプラズマスイッチ | |
| US11088689B2 (en) | Switching apparatus | |
| US20230257135A1 (en) | Micro-cathode arc propulsion system | |
| US8116059B2 (en) | System and method for quickly discharging an AC relay | |
| CA2918522C (en) | High energy ignition generator notably for a gas turbine | |
| RU2549318C2 (ru) | Способ питания и управления системой коррекции космического аппарата | |
| US10718319B2 (en) | Electric power supply system for a hall effect electric thruster | |
| JP6368928B2 (ja) | 直流スパッタ装置用電源装置 | |
| CN103917034A (zh) | 一种空心阴极点火电路 | |
| CN113285627B (zh) | 一种脉冲电源系统及中子发生器 | |
| KR101691431B1 (ko) | 이오나이저 및 그 제어 방법 | |
| JP2017059979A (ja) | デバイス | |
| CN112260529B (zh) | 一种高压直流输入开关电源及启动辅源封锁方法 | |
| RU2838467C1 (ru) | Устройство электропитания стационарного плазменного двигателя | |
| CN108678920B (zh) | 点火电路及固体烧蚀脉冲式电推力器 | |
| RU2775741C1 (ru) | Цепь зажигания и поддержания электронного разряда для электрической двигательной установки, содержащей бесподогревный диспенсерный катод | |
| Kvasha et al. | Development of the INR DTL RF system crowbar operation | |
| RU2565646C1 (ru) | Ионный двигатель | |
| KR20160026058A (ko) | 마이크로 펄스 시스템 및 이를 이용한 전기 집진장치 | |
| US12205784B2 (en) | Triggered vacuum gap that controllably sustains a vacuum arc through current zeros | |
| SU894813A1 (ru) | Импульсный газоразр дный прибор с двусторонним управлением | |
| Savvas et al. | Power processing unit for micro satellite electric propulsion system | |
| RU2612308C1 (ru) | Ионный двигатель с устройством защиты от дугового разряда в межэлектродном зазоре ионно-оптической системы |
Legal Events
| Date | Code | Title | Description |
|---|---|---|---|
| MM4A | The patent is invalid due to non-payment of fees |
Effective date: 20180416 |