RU2524503C1 - Многофункциональный учебно-тренировочный комплекс для подготовки космонавтов (астронавтов) к внекорабельной деятельности (варианты) - Google Patents
Многофункциональный учебно-тренировочный комплекс для подготовки космонавтов (астронавтов) к внекорабельной деятельности (варианты) Download PDFInfo
- Publication number
- RU2524503C1 RU2524503C1 RU2013101081/11A RU2013101081A RU2524503C1 RU 2524503 C1 RU2524503 C1 RU 2524503C1 RU 2013101081/11 A RU2013101081/11 A RU 2013101081/11A RU 2013101081 A RU2013101081 A RU 2013101081A RU 2524503 C1 RU2524503 C1 RU 2524503C1
- Authority
- RU
- Russia
- Prior art keywords
- input
- output
- module
- electric drive
- sensor
- Prior art date
Links
- 238000012549 training Methods 0.000 title claims abstract description 167
- 238000004891 communication Methods 0.000 claims abstract description 74
- 230000000694 effects Effects 0.000 claims abstract description 57
- 239000000725 suspension Substances 0.000 claims description 70
- 238000012800 visualization Methods 0.000 claims description 57
- 230000009347 mechanical transmission Effects 0.000 claims description 45
- 230000001133 acceleration Effects 0.000 claims description 35
- 238000004088 simulation Methods 0.000 claims description 29
- 238000013016 damping Methods 0.000 claims description 19
- 238000012544 monitoring process Methods 0.000 claims description 19
- 238000002360 preparation method Methods 0.000 claims description 18
- 230000005540 biological transmission Effects 0.000 claims description 14
- 238000005303 weighing Methods 0.000 claims description 13
- 239000011521 glass Substances 0.000 claims description 12
- 238000003032 molecular docking Methods 0.000 claims description 10
- 230000007704 transition Effects 0.000 claims description 10
- 230000007246 mechanism Effects 0.000 claims description 8
- 238000006073 displacement reaction Methods 0.000 claims description 7
- 230000006870 function Effects 0.000 claims description 5
- 230000021615 conjugation Effects 0.000 claims description 3
- 230000008878 coupling Effects 0.000 claims description 2
- 238000010168 coupling process Methods 0.000 claims description 2
- 238000005859 coupling reaction Methods 0.000 claims description 2
- 230000002085 persistent effect Effects 0.000 claims description 2
- 239000000126 substance Substances 0.000 abstract 1
- 238000000034 method Methods 0.000 description 31
- 230000005484 gravity Effects 0.000 description 25
- PEDCQBHIVMGVHV-UHFFFAOYSA-N Glycerine Chemical compound OCC(O)CO PEDCQBHIVMGVHV-UHFFFAOYSA-N 0.000 description 17
- 238000013461 design Methods 0.000 description 16
- 238000007726 management method Methods 0.000 description 14
- 230000008569 process Effects 0.000 description 14
- 210000003128 head Anatomy 0.000 description 12
- 238000005516 engineering process Methods 0.000 description 11
- 230000009471 action Effects 0.000 description 8
- 238000010586 diagram Methods 0.000 description 8
- 230000002452 interceptive effect Effects 0.000 description 8
- 230000003190 augmentative effect Effects 0.000 description 5
- 238000009434 installation Methods 0.000 description 5
- 239000000203 mixture Substances 0.000 description 5
- 238000011160 research Methods 0.000 description 5
- 238000012423 maintenance Methods 0.000 description 4
- 230000003304 psychophysiological effect Effects 0.000 description 4
- 230000001360 synchronised effect Effects 0.000 description 4
- 238000012360 testing method Methods 0.000 description 4
- 230000000007 visual effect Effects 0.000 description 4
- 230000008859 change Effects 0.000 description 3
- 238000012937 correction Methods 0.000 description 3
- 238000011161 development Methods 0.000 description 3
- 238000007654 immersion Methods 0.000 description 3
- 239000000463 material Substances 0.000 description 3
- 230000003387 muscular Effects 0.000 description 3
- 230000008439 repair process Effects 0.000 description 3
- 230000029058 respiratory gaseous exchange Effects 0.000 description 3
- 238000012546 transfer Methods 0.000 description 3
- 238000009423 ventilation Methods 0.000 description 3
- 101100264172 Oryza sativa subsp. japonica XIAO gene Proteins 0.000 description 2
- 238000007792 addition Methods 0.000 description 2
- 238000010276 construction Methods 0.000 description 2
- 239000000428 dust Substances 0.000 description 2
- 239000012634 fragment Substances 0.000 description 2
- 230000003993 interaction Effects 0.000 description 2
- 239000007788 liquid Substances 0.000 description 2
- 230000007774 longterm Effects 0.000 description 2
- 230000008520 organization Effects 0.000 description 2
- 230000004044 response Effects 0.000 description 2
- 230000035807 sensation Effects 0.000 description 2
- 239000002689 soil Substances 0.000 description 2
- 238000003860 storage Methods 0.000 description 2
- 239000013598 vector Substances 0.000 description 2
- XLYOFNOQVPJJNP-UHFFFAOYSA-N water Substances O XLYOFNOQVPJJNP-UHFFFAOYSA-N 0.000 description 2
- 101100283975 Bos taurus GSTM1 gene Proteins 0.000 description 1
- BUGBHKTXTAQXES-UHFFFAOYSA-N Selenium Chemical compound [Se] BUGBHKTXTAQXES-UHFFFAOYSA-N 0.000 description 1
- 238000004458 analytical method Methods 0.000 description 1
- 238000005452 bending Methods 0.000 description 1
- 230000008901 benefit Effects 0.000 description 1
- 230000036760 body temperature Effects 0.000 description 1
- 238000006243 chemical reaction Methods 0.000 description 1
- 238000010835 comparative analysis Methods 0.000 description 1
- 230000000052 comparative effect Effects 0.000 description 1
- 230000009189 diving Effects 0.000 description 1
- 238000005562 fading Methods 0.000 description 1
- 210000001061 forehead Anatomy 0.000 description 1
- 238000009432 framing Methods 0.000 description 1
- 231100001261 hazardous Toxicity 0.000 description 1
- 230000036541 health Effects 0.000 description 1
- 238000003384 imaging method Methods 0.000 description 1
- 238000002955 isolation Methods 0.000 description 1
- 230000009916 joint effect Effects 0.000 description 1
- 210000003127 knee Anatomy 0.000 description 1
- 230000002045 lasting effect Effects 0.000 description 1
- 210000002414 leg Anatomy 0.000 description 1
- 238000004519 manufacturing process Methods 0.000 description 1
- 238000012986 modification Methods 0.000 description 1
- 230000004048 modification Effects 0.000 description 1
- 210000003205 muscle Anatomy 0.000 description 1
- 230000007935 neutral effect Effects 0.000 description 1
- 238000005457 optimization Methods 0.000 description 1
- 210000000056 organ Anatomy 0.000 description 1
- 230000003071 parasitic effect Effects 0.000 description 1
- 238000012545 processing Methods 0.000 description 1
- 230000005855 radiation Effects 0.000 description 1
- 230000035484 reaction time Effects 0.000 description 1
- 230000001020 rhythmical effect Effects 0.000 description 1
- 238000007665 sagging Methods 0.000 description 1
- 239000004576 sand Substances 0.000 description 1
- 229910052711 selenium Inorganic materials 0.000 description 1
- 239000011669 selenium Substances 0.000 description 1
- 230000003238 somatosensory effect Effects 0.000 description 1
- 238000013519 translation Methods 0.000 description 1
- CZPRKINNVBONSF-UHFFFAOYSA-M zinc;dioxido(oxo)phosphanium Chemical compound [Zn+2].[O-][P+]([O-])=O CZPRKINNVBONSF-UHFFFAOYSA-M 0.000 description 1
Images
Landscapes
- Manipulator (AREA)
- Rehabilitation Tools (AREA)
Abstract
Изобретение относится к разделу пилотируемой космонавтики и предназначено для подготовки космонавтов (астронавтов) экипажей МКС к внекорабельной деятельности. Многофункциональный учебно-тренировочный комплекс состоит из двух основных частей - функционально-моделирующего стенда предтренажерной подготовки и комплексного тренажера внекорабельной деятельности. Функционально-моделирующий стенд предтренажерной подготовки состоит из АРМ руководителя обучения, АРМ обучаемых, первого блока устройств сопряжения с объектом, второго блока цифровой связи, действующего макета выходного космического скафандра, телекамеры наблюдения и первого модуля средств отображения информации коллективного пользования. Комплексный тренажер внекорабельной деятельности содержит скафандр, предназначенный для размещения обучаемого, а также средства обеспечения жизнедеятельности, устройства, имитирующие невесомость, а также средства, имитирующие поверхность космического объекта Солнечной системы. В результате расширяются функциональные возможности многофункционального учебно-тренировочного комплекса, обеспечивается эффективная подготовка космонавтов. 2 н. и 11 з.п. ф-лы, 17 ил.
Description
Изобретение относится к разделу пилотируемой космонавтики и предназначено для подготовки космонавтов (астронавтов) экипажей МКС к внекорабельной деятельности (подготовка и выход в космос, выполнение перемещений и различных технологических операций) в условиях полной невесомости открытого космического пространства, а также в условиях пониженной гравитации на спутнике Земли Луне и на других космических объектах Солнечной системы.
Известна «Многофункциональная система имитации космического корабля» (Европейская патентная заявка CN 202042069 U MULTI-ROLE SPACE SIMULATION SYSTEM AND SPACE SHIP SIMULATION SYSTEM, Int. Class.: G09B 9/52, H04L 29/06, Priority Data: 05.03.2011, Applicants: BEIJING SUPER VIEW TECHNOLOGY CO LTD [CN]), содержащая систему имитации бортовых систем космического корабля и отдельных факторов космического пространства, функционирующую на базе сервера, сетевые коммуникационные устройства и персональные компьютеры обучаемых с основным и дополнительным дисплеями и с устройством управления компьютером.
Известен также «Стенд подготовки экипажей международной космической станции с использованием элементов виртуальной реальности» (см. Web-страницу ФГБУ «НИИ ЦПК им. Ю.А. Гагарина»: http://www.gctc.ru/main.php?id=135), обеспечивающий моделирование бортовых систем и погружение в виртуальный мир Российского сегмента Международной космической станции, а также отработку группового взаимодействия членов экипажа при их совместной работе по эксплуатации и ремонту бортовых систем.
Недостатком данной системы и стенда является то, что они, относясь к автоматизированным обучающим системам, использующим синтезированные изображения бортового оборудования и визуализацию отдельных факторов космического пространства (на базе технологий виртуальной реальности), предназначены, преимущественно, для теоретической и первоначальной практической подготовки (так называемой предтренажерной подготовки: знакомство с устройством космического аппарата и принципами его управления, привитие первоначальных навыков по управлению космическим аппаратом, визуализация процессов и явлений космического пространства и т.д.). В составе этих систем отсутствуют штатные органы управления и средства отображения информации (или органы управления и средства отображения информации в тренажном исполнении, внешне полностью идентичные штатным), что не позволяет обеспечить приобретение обучаемыми операторами устойчивых перцептуальных и сенсорно-моторных навыков по управлению космическим аппаратом. В то же время огромным преимуществом систем, использующих технологии виртуальной реальности, является практически неограниченная возможность наглядной демонстрации обучаемым космического пространства и условий космического полета, например невесомости, солнечной радиации, перепада температур, метеорной пыли, космического мусора и т.д.
Кроме этого, в рассмотренных выше технических средствах обучения («Многофункциональная система имитации космического корабля» и «Стенд подготовки экипажей международной космической станции с использованием элементов виртуальной реальности») отсутствует имитация такого важного фактора космического полета, как состояния невесомости и соответственно не обеспечивается приобретение обучаемыми космонавтами (астронавтами) перцептуальных и сенсорно-моторных навыков при выполнении операций в открытом космосе в процессе осуществлении внекорабельной деятельности.
Известны устройства для моделирования пониженной силы тяжести (Международная патентная заявка № EP 1231139 DEVICE FOR THE SIMULATION OF VARIABLE GRAVITY ACCELERATIONS, IPC: B64D 47/00, B64G 7/00, Publication Date: 13.02.2001, Applicant: EADS SPACE TRANSP GMBH [DE]) и способ (Патент на изобретение РФ №2099256 СПОСОБ ПИЛОТИРОВАНИЯ ЛЕТАТЕЛЬНОГО АППАРАТА, СОВЕРШЕНСТВУЮЩИЙ СОСТОЯНИЕ ИСКУССТВЕННОЙ НЕВЕСОМОСТИ И СИСТЕМА ДЛЯ РЕАЛИЗАЦИИ ЭТОГО СПОСОБА, МПК 6: B64G 7/00, Опубликовано: 20.12.1997, Патентообладатель: Сантр Насьональ Д′Этюд Спасьаль (FR), а также летающие лаборатории (см. Web-страницу ФГБУ «НИИ ЦПК им. Ю.А. Гагарина»: http://www.gctc.ru/main.php?id=132), в которых для создания невесомости используется самолет, летящий по параболической траектории (по так называемой «параболе Кеплера»).
Основным недостатком данных устройств является сравнительная кратковременность имитации состояния невесомости (до 15 режимов невесомости, каждый длительностью ориентировочно 15-30 с, причем общее время пребывания в состоянии невесомости составляет не более 450 с), что позволяет обучаемым лишь ознакомиться с влиянием невесомости на организм, с особенностями пространственной ориентировки в безопорном пространстве и, в лучшем случае выполнить только некоторые простейшие операции из комплекса процедур многочасовой внекорабельной деятельности.
Известны метод и устройство создания переменной силы тяжести с эффектом присутствия в виртуальной реальности (Международная патентная заявка № WO/2011/032363 METHOD AND APPARATUS OF VARIABLE G FORCE EXPERIENCE AND CREATE IMMERSIVE VR SENSATIONS, IPC: B64G 7/00, G09B 9/00, Publication Date: 24.03.2011, Applicant: XIAO, Quan [CN/CN]), а также устройство и метод для имитации ощущений, испытываемых в космическом пространстве (Международная патентная заявка № WO/2009/029657 APPARATUS AND METHOD OF SIMULATING A SOMATOSENSORY EXPERIENCE IN SPACE, IPC: B64G 7/00, Publication Date: 05.03.2009, Applicant: XIAO, Quan [CN/US]). Основным недостатком этих методов и устройств для их осуществления является необходимость использования гидросреды для обезвешивания обучаемого космонавта, помещенного в специально адаптированный для погружений в гидросреду космический скафандр.
Сравнительный анализ работы космонавтов в условиях открытого космоса и в гидросреде (см. Тренажерные комплексы и тренажеры. Технологии разработки и опыт эксплуатации / В.Е. Шукшунов, В.В. Циблиев, С.И. Потоцкий и др. Под ред. В.Е. Шукшунова. - М.: Машиностроение, 2005. - с.258-260) показывает, что при работе в гидросреде возникают дополнительные нагрузки на обучаемого (являющиеся предпосылками для привития некоторых так называемых «ложных навыков»), которые вызваны рядом факторов, основным из которых является гидродинамическое сопротивление жидкости как при движениях рук, так и особенно ощутимое гидродинамическое сопротивление при перемещениях обучаемых космонавтов в гидросреде, в то время как в открытом космосе перемещение осуществляется по инерции после кратковременного приложения усилия и продолжается без «замирания» из-за отсутствия каких-либо сил сопротивления. Кроме этого, при погружениях в гидросреду возникает необходимость закрепления на скафандре дополнительных грузов для создания нулевой плавучести, которые приводят к смещению его центра масс, что также несколько влияет на динамические характеристики при перемещении.
Наиболее близким по технической сущности аналогом, принятым в качестве прототипа предлагаемого изобретения, является система управления (Патент на изобретение РФ №2355039 СИСТЕМА УПРАВЛЕНИЯ ВЕРТИКАЛЬНЫМ ПЕРЕМЕЩЕНИЕМ ОБУЧАЕМОГО НА ТРЕНАЖЕРЕ ВЫХОДА В КОСМОС, МПК G09B 9/00 (2006.01). Дата начала отсчета срока действия патента: 12.12.2007, Патентообладатель: Государственное образовательное учреждение высшего профессионального образования "Южно-Российский государственный технический университет (Новочеркасский политехнический институт)" ГОУ ВПО ЮРГТУ (НПИ) (RU), содержащая скафандр с обучаемым, задатчик веса груза, датчик положения, индикатор нуля, индикатор отказа датчика усилия, задатчик момента электродвигателя, сумматор, устройство регулирования момента, электродвигатель, передаточное устройство, датчик усилия, блок выделения разности усилий, регулятор усилия, кнопка запуска коррекции, первый блок коррекции и ключ, датчик скорости и второй блок коррекции.
Данная система управления, предназначенная для создания тренажера по подготовке к выходу в космос обучаемого космонавта в стыковочном (переходном/шлюзовом) отсеке орбитального модуля Российского сегмента Международной космической станции и осуществлению его внекорабельной деятельности в открытом космосе, обеспечивает имитацию состояния невесомости в воздушной среде методом силокомпенсирующего обезвешивания космонавта в скафандре, перемещающегося в так называемом «безопорном пространстве».
Система управления вертикальным перемещением обучаемого на тренажере выхода в космос обладает следующими существенными недостатками:
- система обеспечивает создание условий безопорного пространства только для трех степеней свободы;
- для скафандра с обучаемым использовано эффективное силокомпенсирующее обезвешивание активного типа только для вертикального перемещения, а в горизонтальной плоскости обеспечиваются перемещения лишь пассивного типа, то есть за счет мускульной силы самого обучаемого, которому приходится перемещать помимо своей массы вместе со скафандром (полезная масса), еще и массу тележки, на которой он подвешен, и массу моста, на котором подвешена тележка («паразитные» массы, перемещение которой отчасти способствует привитию в процессе тренировки определенных «ложных навыков»).
Кроме этого, данная система управления не предоставляет ряд функций, необходимых для обеспечения профессионального уровня подготовки, которые характерны для современных технических средств обучения.
Во-первых, не обеспечивает возможность предтренажерной подготовки космонавтов (астронавтов), во-вторых, не обеспечивает возможность отработки сложных технологических операций, как правило, выполняемых в открытом космическом пространстве совместными действиями двух членов экипажа МКС, так как предоставляет возможность подготовки только для одного обучаемого в скафандре, в-третьих, не предусматривает компоновку рабочей зоны обучаемых оборудованием, необходимым для получения перцептуальных и сенсорно-моторных навыков при работе как внутри орбитального модуля, так и в открытом космическом пространстве на орбите Земли, в том числе с космическим грузовым манипулятором Российского сегмента МКС, в-четвертых, не обеспечивает возможность имитации пониженной гравитации, свойственной перспективным для посещения человеком космическим объектам Солнечной системы (Луна, крупные астероиды, Марс, спутники Марса и т.д.), в-пятых, не обеспечивает жизнедеятельность обучаемого в скафандре, в-шестых, не обеспечивает психофизиологический контроль обучаемого в реальном масштабе времени, в-седьмых, не предусматривает возможность связи обучаемого с остальными тренируемыми членами экипажа МКС и имитации связи со специалистами Центра управления полетами, в-восьмых, не обеспечивает возможность телевизионного наблюдения за обучаемым, в-девятых, не предусматривает возможность моделирования светотеневой обстановки, характерной для космических объектов, которые находятся на орбите Земли, в-десятых, не предусматривает возможность контроля и управления ходом тренировки, в-одиннадцатых, не предоставляет обучаемым возможность визуализации ближнего окружающего пространства (космические аппараты) и дальнего космического пространства (Земля, Луна, Солнце и другие космические объекты) и, в-двенадцатых, персонал не обеспечивается оперативной и ремонтно-технологической связью.
Целью изобретения является расширение функциональных возможностей предлагаемого многофункционального учебно-тренировочного комплекса для обеспечения эффективной подготовки космонавтов (астронавтов) к так называемой «внекорабельной деятельности» (подготовка в переходном - шлюзовом отсеке орбитального модуля МКС к выходу, выход в открытый космос, выполнение перемещений и различных технологических операций, включая работу с грузами, на орбите Земли в условиях имитируемого состояния «полной» невесомости открытого космического пространства), а также для подготовки космонавтов (астронавтов) к предстоящим перспективным миссиям на поверхность космических объектов Солнечной системы, имеющих пониженную (по сравнению с Землей) гравитацию.
Поставленная цель (по 1-му варианту предлагаемого технического решения, обеспечивающего режим «Совместная внекорабельная деятельность двух обучаемых») достигается тем, что в многофункциональный учебно-тренировочный комплекс для подготовки космонавтов (астронавтов) к внекорабельной деятельности, состоящий из первого механического передаточного устройства, первого датчика усилия и первого скафандра, предназначенного для размещения обучаемого, введены
интегрирующая система, состоящая из мобильного автоматизированного рабочего места (АРМ), адаптера беспроводной связи, сетевого сервера, консоли оператора, первого блока цифровой связи, многоканального видеорегистратора, локальной вычислительной сети передачи данных, локальной вычислительной сети видеонаблюдения и аудиопрослушивания и локальной вычислительной сети цифровой связи; «Гидролаборатория» и «Молодежный образовательный Космоцентр»; функционально-моделирующий стенд предтренажерной подготовки, состоящий из АРМ руководителя обучения, АРМ обучаемых, первого блока устройств сопряжения с объектом, второго блока цифровой связи, действующего макета выходного космического скафандра, телекамеры наблюдения и первого модуля средств отображения информации коллективного пользования; комплект телекамер наблюдения, система визуализации, первый и второй модуль средств медицинского контроля, сервер моделирования; первый электромеханический модуль обезвешивания с 6-ю степенями свободы, состоящий из первого комплекса устройств сопряжения с объектом, первого комплекта конечных выключателей, первого датчика положения моста, первого датчика положения тележки, первого комплектного электропривода перемещения моста, первого комплектного электропривода перемещения тележки, первого комплектного электропривода вертикального перемещения, первого датчика ускорений и угловых отклонений, первого упорного подшипника, первого демпфирующего устройства, первого одностепенного шарнирного подвеса для поворота по крену, первого комплектного электропривода перемещения по крену, первого датчика угла положения по крену, первого датчика положения обезвешиваемого объекта по вертикали, первого одностепенного шарнирного подвеса для поворота по тангажу, первого комплектного электропривода перемещения по тангажу, первого датчика угла положения по тангажу и первого датчика угловых скоростей обезвешиваемого объекта; второй блок устройств сопряжения с объектом, модуль средств освещения, полномасштабный макет орбитального модуля МКС и второй скафандр, предназначенный для размещения обучаемого; второй электромеханический модуль обезвешивания с 6-ю степенями свободы, состоящий из второго комплекса устройств сопряжения с объектом, второго комплекта конечных выключателей, второго датчика положения моста, второго датчика положения тележки, второго комплектного электропривода перемещения моста, второго комплектного электропривода перемещения тележки, второго комплектного электропривода вертикального перемещения, второго механического передаточного устройства, второго датчика ускорений и угловых отклонений, второго упорного подшипника, второго датчика усилия, второго демпфирующего устройства, второго одностепенного шарнирного подвеса для поворота по крену, второго комплектного электропривода перемещения по крену, второго датчика угла положения по крену, второго датчика положения обезвешиваемого объекта по вертикали, второго одностепенного шарнирного подвеса для поворота по тангажу, второго комплектного электропривода перемещения по тангажу, второго датчика угла положения по тангажу и второго датчика угловых скоростей обезвешиваемого объекта; пульт контроля и управления, состоящий из АРМ инженера, АРМ инструктора, третьего блока цифровой связи, АРМ врача, панели управления средствами обеспечения жизнедеятельности и второго модуля средств отображения информации коллективного пользования; средства обеспечения жизнедеятельности и участок, имитирующий поверхность космического объекта Солнечной системы, с комплектом учебного оборудования.
К входу-выходу мобильного АРМ через адаптер беспроводной связи подключен первый вход-выход локальной вычислительной сети передачи данных, причем к первому входу-выходу сетевого сервера подключен второй вход-выход локальной вычислительной сети передачи данных, ко второму входу-выходу - первый вход-выход локальной вычислительной сети видеонаблюдения и аудиопрослушивания, к третьему входу-выходу - первый вход-выход локальной вычислительной сети цифровой связи и к четвертому входу-выходу - вход-выход консоли оператора. К третьему входу-выходу локальной вычислительной сети передачи данных подключен первый вход-выход АРМ обучаемых, к четвертому входу-выходу - первый вход-выход АРМ руководителя обучения, к пятому входу-выходу - первый вход-выход сервера моделирования, к шестому входу-выходу - первый вход-выход АРМ инженера, к седьмому входу-выходу - вход-выход АРМ инструктора, к восьмому входу-выходу - вход-выход АРМ врача, к первому входу - выход первого модуля средств медицинского контроля и ко второму входу - выход второго модуля средств медицинского контроля. Ко второму входу-выходу локальной вычислительной сети видеонаблюдения и аудиопрослушивания подключен вход-выход многоканального видеорегистратора, к третьему входу-выходу - вход-выход комплекта телекамер наблюдения, к четвертому входу-выходу - вход-выход телекамеры наблюдения, к пятому входу-выходу - второй вход-выход АРМ обучаемых, к шестому входу-выходу - второй вход-выход АРМ руководителя обучения, к седьмому входу-выходу - второй вход-выход АРМ инженера, к первому входу - второй выход первого скафандра, предназначенного для размещения обучаемого, ко второму входу - третий выход второго скафандра, предназначенного для размещения обучаемого, к третьему входу - выход «Гидролаборатории» и к выходу - вход «Молодежного образовательного Космоцентра». Ко второму входу-выходу локальной вычислительной сети цифровой связи подключен вход-выход первого блока цифровой связи, к третьему входу-выходу - вход-выход второго блока цифровой связи, к четвертому входу-выходу - первый вход-выход первого скафандра, предназначенного для размещения обучаемого, к пятому входу-выходу - второй вход-выход второго скафандра, предназначенного для размещения обучаемого, и к шестому входу-выходу - вход-выход третьего блока цифровой связи. К третьему входу-выходу АРМ руководителя обучения через первый блок устройств сопряжения с объектом подключен вход-выход действующего макета выходного космического скафандра и к выходу - вход первого модуля средств отображения информации коллективного пользования. К выходу сервера моделирования подключен вход системы визуализации, ко второму входу-выходу - первый вход-выход электромеханического модуля обезвешивания с 6-ю степенями свободы, являющийся одновременно первым входом-выходом первого комплекса устройств сопряжения с объектом, к третьему входу-выходу - первый вход-выход второго блока устройств сопряжения с объектом и к четвертому входу-выходу - первый вход-выход второго электромеханического модуля обезвешивания с 6-ю степенями свободы, являющийся одновременно первым входом-выходом второго комплекса устройств сопряжения с объектом. К первому входу первого комплекса устройств сопряжения с объектом первого электромеханического модуля обезвешивания с 6-ю степенями свободы подключен выход первого датчика положения обезвешиваемого объекта по вертикали, ко второму входу - информационный выход первого датчика усилия, к третьему входу - выход первого датчика ускорений и угловых отклонений, к четвертому входу - выход первого комплекта конечных выключателей, к пятому входу - выход первого датчика положения моста, к шестому входу - выход первого датчика положения тележки, ко второму входу-выходу - вход-выход первого комплектного электропривода перемещения моста, к третьему входу-выходу - вход-выход первого комплектного электропривода перемещения тележки, к четвертому входу-выходу - вход-выход первого комплектного электропривода вертикального перемещения, к пятому входу-выходу - вход-выход первого комплектного электропривода перемещения по крену, к седьмому входу - выход первого датчика угла положения по крену, к шестому входу-выходу - вход-выход первого комплектного электропривода перемещения по тангажу, к восьмому входу - выход первого датчика угла положения по тангажу и к девятому входу - выход первого датчика угловых скоростей обезвешиваемого объекта. К первому выходу первого механического передаточного устройства первого электромеханического модуля обезвешивания с 6-ю степенями свободы подключен вход первого комплекта конечных выключателей, ко второму выходу - вход первого датчика положения моста, к третьему выходу - вход первого датчика положения тележки, к первому входу - выход первого комплектного электропривода перемещения моста, ко второму входу - выход первого комплектного электропривода перемещения тележки, к третьему входу - выход первого комплектного электропривода вертикального перемещения, к четвертому выходу - вход первого датчика ускорений и угловых отклонений, к входу-выходу через последовательно соединенные первый упорный подшипник, первый датчик усилия, первое демпфирующее устройство и первый одностепенной шарнирный подвес для поворота по крену - вход-выход первого одностепенного шарнирного подвеса для поворота по тангажу. К входу первого одностепенного шарнирного подвеса для поворота по крену первого электромеханического модуля обезвешивания с 6-ю степенями свободы подключен выход первого комплектного электропривода перемещения по крену, к выходу - вход первого датчика угла положения по крену. К входу первого одностепенного шарнирного подвеса для поворота тангажу первого электромеханического модуля обезвешивания с 6-ю степенями свободы подключен выход первого комплектного электропривода перемещения по тангажу, к выходу - вход первого датчика угла положения по тангажу. К первому входу второго комплекса устройств сопряжения с объектом второго электромеханического модуля обезвешивания с 6-ю степенями свободы подключен выход второго датчика положения обезвешиваемого объекта по вертикали, ко второму входу - информационный выход второго датчика усилия, к третьему входу - выход второго датчика ускорений и угловых отклонений, к четвертому входу - выход второго комплекта конечных выключателей, к пятому входу - выход второго датчика положения моста, к шестому входу - выход второго датчика положения тележки, ко второму входу-выходу - вход-выход второго комплектного электропривода перемещения моста, к третьему входу-выходу - вход-выход второго комплектного электропривода перемещения тележки, к четвертому входу-выходу - вход-выход второго комплектного электропривода вертикального перемещения, к пятому входу-выходу - вход-выход второго комплектного электропривода перемещения по крену, к седьмому входу - выход второго датчика угла положения по крену, к шестому входу-выходу - вход-выход второго комплектного электропривода перемещения по тангажу, к восьмому входу - выход второго датчика угла положения по тангажу и к девятому входу - выход второго датчика угловых скоростей обезвешиваемого объекта. К первому выходу второго механического передаточного устройства второго электромеханического модуля обезвешивания с 6-ю степенями свободы подключен вход второго комплекта конечных выключателей, ко второму выходу - вход второго датчика положения моста, к третьему выходу - вход второго датчика положения тележки, к первому входу - выход второго комплектного электропривода перемещения моста, ко второму входу - выход второго комплектного электропривода перемещения тележки, к третьему входу - выход второго комплектного электропривода вертикального перемещения, к четвертому выходу - вход второго датчика ускорений и угловых отклонений, к входу-выходу через последовательно соединенные второй упорный подшипник, второй датчик усилия, второе демпфирующее устройство и второй одностепенной шарнирный подвес для поворота по крену - вход-выход второго одностепенного шарнирного подвеса для поворота по тангажу. К входу второго одностепенного шарнирного подвеса для поворота по крену второго электромеханического модуля обезвешивания с 6-ю степенями свободы подключен выход второго комплектного электропривода перемещения по крену, к выходу - вход второго датчика угла положения по крену. К входу второго одностепенного шарнирного подвеса для поворота тангажу второго электромеханического модуля обезвешивания с 6-ю степенями свободы подключен выход второго комплектного электропривода перемещения по тангажу, к выходу - вход второго датчика угла положения по тангажу.
К первому выходу первого скафандра, предназначенного для размещения обучаемого, подключен вход первого модуля средств медицинского контроля, к третьему выходу - первый вход первого электромеханического модуля обезвешивания с 6-ю степенями свободы, являющийся одновременно входом первого датчика положения обезвешиваемого объекта по вертикали, ко второму входу-выходу - второй вход-выход первого электромеханического модуля обезвешивания с 6-ю степенями свободы, являющийся одновременно вторым входом-выходом первого одностепенного шарнирного подвеса для поворота по тангажу, к четвертому выходу - второй вход первого электромеханического модуля обезвешивания с 6-ю степенями свободы, являющийся одновременно входом первого датчика угловых скоростей обезвешиваемого объекта, к третьему входу-выходу - второй вход-выход системы визуализации, к четвертому входу-выходу - третий вход-выход средств обеспечения жизнедеятельности. Ко второму входу-выходу второго блока устройств сопряжения с объектом подключен вход-выход полномасштабного макета орбитального модуля МКС, к третьему входу-выходу - вход модуля средств освещения.
К первому выходу второго скафандра, предназначенного для размещения обучаемого, подключен первый вход второго электромеханического модуля обезвешивания с 6-ю степенями свободы, являющийся одновременно входом второго датчика положения обезвешиваемого объекта по вертикали, к первому входу-выходу - второй вход-выход второго электромеханического модуля обезвешивания с 6-ю степенями свободы, являющийся одновременно вторым входом-выходом второго одностепенного шарнирного подвеса для поворота по тангажу, ко второму выходу - второй вход второго электромеханического модуля обезвешивания с 6-ю степенями свободы, являющийся одновременно входом второго датчика угловых скоростей обезвешиваемого объекта, к четвертому выходу - вход второго модуля средств медицинского контроля, к третьему входу-выходу - первый вход-выход системы визуализации, к четвертому входу-выходу - второй вход-выход средств обеспечения жизнедеятельности. К первому входу-выходу средств обеспечения жизнедеятельности подключен вход-выход панели управления средствами обеспечения жизнедеятельности пульта контроля и управления. К выходу АРМ инженера пульта контроля и управления подключен вход второго модуля средств отображения информации коллективного пользования.
Поставленная цель (по 2-му варианту предлагаемого технического решения, обеспечивающего режим «Работа обучаемого с космическим грузовым манипулятором») достигается аналогичным образом, но вместо второго скафандра, предназначенного для размещения обучаемого, в составе комплекса используется космический грузовой манипулятор, перемещающий груз и вместо второго электромеханического модуля обезвешивания с 6-ю степенями свободы - электромеханический модуль обезвешивания только с 3-мя степенями свободы, а также исключены ряд компонентов и связей многофункционального учебно-тренировочного комплекса, которые обеспечивали использование второго скафандра, предназначенного для размещения обучаемого (по 1-му варианту предлагаемого технического решения).
Причем в многофункциональном учебно-тренировочном комплексе первое механическое передаточное устройство и первый датчик усилия включены в состав первого электромеханического модуля обезвешивания с 6-ю степенями свободы (по 1-му варианту) и единственного электромеханического модуля обезвешивания с 6-ю степенями свободы (по 2-му варианту).
В многофункциональном учебно-тренировочном комплексе (по 1-му и 2-му варианту) как первое, так и второе механическое передаточное устройство включает опорную конструкцию прямоугольной формы, образованную комплектом вертикальных стоек, горизонтальных ферм и горизонтальных балок, подвижный мост, перемещающийся на колесах по рельсам, закрепленным на вертикальных стойках опорной конструкции, с помощью 2-х двигателей комплектного электропривода перемещения моста, подвижную тележку, перемещающуюся на колесах по рельсам, закрепленным на подвижном мосту, с помощью 4-х двигателей комплектного электропривода перемещения тележки, причем на подвижной тележке установлена лебедка, барабан которой, приводимый в движение двигателем комплектного электропривода вертикального перемещения, перемещает трос с блоком.
Помимо этого, в многофункциональном учебно-тренировочном комплексе (по 1-му и 2-му варианту) полномасштабный макет орбитального модуля МКС включает во внутреннем объеме оборудование комплекса средств шлюзования переходного и стыковочного отсеков (в том числе, выходной люк), а также оборудование, навесные механизмы и приборы, поручни и средства фиксации на внешней поверхности орбитального модуля, причем в верхней части по продольной оси корпуса полномасштабного макета орбитального модуля МКС, включая обрамление выходного люка, выполнен вырез, позволяющий перемещаться скафандру с обучаемым на подвесе и со шлангом обеспечения жизнедеятельности как во внутреннем объеме макета, так и в процессе перехода из внутреннего объема через выходной люк на внешнюю поверхность макета («выход в открытый космос»).
Сущность изобретения заключается в том, что в предлагаемом многофункциональном учебно-тренировочном комплексе, укрупнено состоящем из двух основных частей (функционально-моделирующего стенда предтренажерной подготовки и комплексного тренажера внекорабельной деятельности), обеспечивается эффективная подготовка к внекорабельной деятельности одновременно двух обучаемых космонавтов (астронавтов), «одетых» в штатный выходной скафандр Российского сегмента МКС типа «Орлан» и «погруженных» в интерактивное безопорное пространство с шестью степеням свободы в условиях имитируемой «полной» невесомости, по приобретению устойчивых перцептуальных (распознавательных) и сенсорно-моторных (исполнительных) навыков при отработке практических задач в открытом космическом пространстве на орбите Земли, а также обеспечивается подготовка обучаемых к предстоящим перспективным миссиям на поверхность космических объектов Солнечной системы, имеющим пониженную силу гравитацию. Кроме этого, в предлагаемом комплексе для одного из обучаемых космонавтов (астронавтов) предоставляется возможность практической подготовки к операциям по перемещению грузов на МКС с помощью действующего макета космического грузового манипулятора.
Сущность изобретения поясняется графическими материалами.
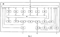
На фиг.1 представлена функционально-структурная схема многофункционального учебно-тренировочного комплекса для подготовки космонавтов (астронавтов) к внекорабельной деятельности (вариант 1 - режим «Совместная внекорабельная деятельность двух обучаемых»).
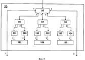
На фиг.2 представлена функционально-структурная схема первого электромеханического модуля обезвешивания с 6-ю степенями свободы.
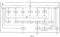
На фиг.3 представлена функционально-структурная схема второго электромеханического модуля обезвешивания с 6-ю степенями свободы.
На фиг.4 представлена конструкция механического передаточного устройства с изображением ориентировочных мест установки отдельных компонентов электромеханического модуля обезвешивания (фиг.4а - вид спереди механического передаточного устройства в целом, фиг.4б - вид сверху механического передаточного устройства в целом, фиг.4в и 4б - виды отдельных фрагментов механического передаточного устройства).
На фиг.5 представлена функционально-структурная схема системы визуализации.
На фиг.6 представлена функционально-структурная схема многофункционального учебно-тренировочного комплекса для подготовки космонавтов (астронавтов) к внекорабельной деятельности (вариант 2 - режим «Работа обучаемого с космическим грузовым манипулятором»).
На фиг.7 представлена функционально-структурная схема электромеханического модуля обезвешивания с 3-мя степенями свободы.
На фото 1 представлен общий вид специализированного тренажера «Выход-2» - это изображение принадлежит ФГБУ «НИИ ЦПК им. Ю.А. Гагарина», скопировано с Web-страницы: http://www.gctc.ru/main.php?id=145.
На фото 2 представлен общий вид космического грузового манипулятора типа «Стрела».
На рис.1а и 1б представлены синтезированные изображения общего вида многофункционального учебно-тренировочного комплекса с основным оборудованием в ракурсе 3/4 сверху.
На рис.2 представлено синтезированное изображение вида сверху-сбоку полиэкранной стереопроекционной системы визуализации.
На рис.3 представлен обучаемый на участке, имитирующем поверхность Луны, и изображение, создаваемое системой визуализации.
На рис.4 представлен обучаемый за пультом управления макетом космического грузового манипулятора в тренажном исполнении и изображение, синтезируемое системой визуализации.
Согласно фиг.1, 2 и 3 многофункциональный учебно-тренировочный комплекс для подготовки космонавтов (астронавтов) к внекорабельной деятельности (вариант 1) включает:
интегрирующую систему 1, состоящую из мобильного АРМ 2, адаптера беспроводной связи 3, сетевого сервера 4, консоли оператора 5, первого блока цифровой связи 6, многоканального видеорегистратора 7, локальной вычислительной сети передачи данных 8, локальной вычислительной сети видеонаблюдения и аудиопрослушивания 9 и локальной вычислительной сети цифровой связи 10;
«Гидролабораторию» 11 и «Молодежный образовательный Космоцентр» 12;
функционально-моделирующий стенд предтренажерной подготовки 13, состоящий из АРМ руководителя обучения 14, АРМ обучаемых 15, первого блока устройств сопряжения с объектом 16, второго блока цифровой связи 17, действующего макета выходного космического скафандра 18, телекамеры наблюдения 19 и первого модуля средств отображения информации коллективного пользования 20;
комплект телекамер наблюдения 21, систему визуализации 22, первый 23 и второй 32 модули средств медицинского контроля, первый 24 и второй 31 скафандры, предназначенные для размещения обучаемых, сервер моделирования 25;
первый электромеханический модуль обезвешивания с 6-ю степенями свободы 26, состоящий из первого комплекса устройств сопряжения с объектом 42, первого комплекта конечных выключателей 43, первого датчика положения моста 44, первого датчика положения тележки 45, первого комплектного электропривода перемещения моста 46, первого комплектного электропривода перемещения тележки 47, первого комплектного электропривода вертикального перемещения 48, первого механического передаточного устройства 49, первого датчика ускорений и угловых отклонений 50, первого упорного подшипника 51, первого демпфирующего устройства 53, первого одностепенного шарнирного подвеса для поворота по крену 54, первого комплектного электропривода перемещения по крену 55, первого датчика угла положения по крену 56, первого датчика положения обезвешиваемого объекта по вертикали 57, первого одностепенного шарнирного подвеса для поворота по тангажу 58, первого комплектного электропривода перемещения по тангажу 59, первого датчика угла положения по тангажу 60 и первого датчика угловых скоростей обезвешиваемого объекта 61;
второй блок устройств сопряжения с объектом 27, модуль средств освещения 28, полномасштабный макет орбитального модуля МКС 29;
второй электромеханический модуль обезвешивания с 6-ю степенями свободы 30, состоящий из второго комплекса устройств сопряжения с объектом 62, второго комплекта конечных выключателей 63, второго датчика положения моста 64, второго датчика положения тележки 65, второго комплектного электропривода перемещения моста 66, второго комплектного электропривода перемещения тележки 67, второго комплектного электропривода вертикального перемещения 68, второго механического передаточного устройства 69, второго датчика ускорений и угловых отклонений 70, второго упорного подшипника 71, второго датчика усилия 72, второго демпфирующего устройства 73, второго одностепенного шарнирного подвеса для поворота по крену 74, второго комплектного электропривода перемещения по крену 75, второго датчика угла положения по крену 76, второго датчика положения обезвешиваемого объекта по вертикали 77, второго одностепенного шарнирного подвеса для поворота по тангажу 78, второго комплектного электропривода перемещения по тангажу 79, второго датчика утла положения по тангажу 80 и второго датчика угловых скоростей обезвешиваемого объекта 81;
пульт контроля и управления 33, состоящий из АРМ инженера 34. АРМ инструктора 35, третьего блока цифровой связи 35, АРМ врача 37, панели управления средствами обеспечения жизнедеятельности 38 и второго модуля средств отображения информации коллективного пользования 39;
средства обеспечения жизнедеятельности 40 и участок, имитирующий поверхность космического объекта Солнечной системы, с комплектом учебного оборудования 41.
К входу-выходу мобильного АРМ 2 через адаптер беспроводной связи 3 подключен первый вход-выход локальной вычислительной сети передачи данных 8.
К первому входу-выходу сетевого сервера 4 подключен второй вход-выход локальной вычислительной сети передачи данных 8, ко второму входу-выходу - первый вход-выход локальной вычислительной сети видеонаблюдения и аудиопрослушивания 9, к третьему входу-выходу - первый вход-выход локальной вычислительной сети цифровой связи 10 и к четвертому входу-выходу - вход-выход консоли оператора 5.
К третьему входу-выходу локальной вычислительной сети передачи данных 8 подключен первый вход-выход АРМ обучаемых 15, к четвертому входу-выходу - первый вход-выход АРМ руководителя обучения 14, к пятому входу-выходу - первый вход-выход сервера моделирования 25, к шестому входу-выходу - первый вход-выход АРМ инженера 34, к седьмому входу-выходу - вход-выход АРМ инструктора 35, к восьмому входу-выходу - вход-выход АРМ врача 37, к первому входу - выход первого модуля средств медицинского контроля 23 и ко второму входу - выход второго модуля средств медицинского контроля 32.
Ко второму входу-выходу локальной вычислительной сети видеонаблюдения и аудиопрослушивания 9 подключен вход-выход многоканального видеорегистратора 7, к третьему входу-выходу - вход-выход комплекта телекамер наблюдения 21, к четвертому входу-выходу - вход-выход телекамеры наблюдения 19, к пятому входу-выходу - второй вход-выход АРМ обучаемых 15, к шестому входу-выходу - второй вход-выход АРМ руководителя обучения 14, к седьмому входу-выходу - второй вход-выход АРМ инженера 34, к первому входу - второй выход первого скафандра, предназначенного для размещения обучаемого, 24, ко второму входу - третий выход второго скафандра, предназначенного для размещения обучаемого, 31, к третьему входу - выход «Гидролаборатории» 11 и к выходу - вход «Молодежного образовательного Космоцентра» 12.
Ко второму входу-выходу локальной вычислительной сети цифровой связи 10 подключен вход-выход первого блока цифровой связи 6, к третьему входу-выходу - вход-выход второго блока цифровой связи 17, к четвертому входу-выходу - первый вход-выход первого скафандра, предназначенного для размещения обучаемого, 24, к пятому входу-выходу - второй вход-выход второго скафандра, предназначенного для размещения обучаемого, 31 и к шестому входу-выходу - вход-выход третьего блока цифровой связи 36.
К третьему входу-выходу АРМ руководителя обучения 14 через первый блок устройств сопряжения с объектом 16 подключен вход-выход действующего макета выходного космического скафандра 18 и к выходу - вход первого модуля средств отображения информации коллективного пользования 20.
К выходу сервера моделирования 25 подключен вход системы визуализации 22, ко второму входу-выходу - первый вход-выход электромеханического модуля обезвешивания с 6-ю степенями свободы 26, являющийся одновременно первым входом-выходом первого комплекса устройств сопряжения с объектом 42, к третьему входу-выходу - первый вход-выход второго блока устройств сопряжения с объектом 27 и к четвертому входу-выходу - первый вход-выход второго электромеханического модуля обезвешивания с 6-ю степенями свободы 30, являющийся одновременно первым входом-выходом второго комплекса устройств сопряжения с объектом 62.
К первому входу первого комплекса устройств сопряжения с объектом 42 первого электромеханического модуля обезвешивания с 6-ю степенями свободы 26 подключен выход первого датчика положения обезвешиваемого объекта по вертикали 57, ко второму входу - информационный выход первого датчика усилия 52, к третьему входу - выход первого датчика ускорений и угловых отклонений 50, к четвертому входу - выход первого комплекта конечных выключателей 43, к пятому входу - выход первого датчика положения моста 44, к шестому входу - выход первого датчика положения тележки 45, ко второму входу-выходу - вход-выход первого комплектного электропривода перемещения моста 46, к третьему входу-выходу - вход-выход первого комплектного электропривода перемещения тележки 47, к четвертому входу-выходу - вход-выход первого комплектного электропривода вертикального перемещения 48, к пятому входу-выходу - вход-выход первого комплектного электропривода перемещения по крену 55, к седьмому входу - выход первого датчика угла положения по крену 56, к шестому входу-выходу - вход-выход первого комплектного электропривода перемещения по тангажу 59, к восьмому входу - выход первого датчика угла положения по тангажу 60 и к девятому входу - выход первого датчика угловых скоростей обезвешиваемого объекта 61.
К первому выходу первого механического передаточного устройства 49 первого электромеханического модуля обезвешивания с 6-ю степенями свободы 26 подключен вход первого комплекта конечных выключателей 43, ко второму выходу - вход первого датчика положения моста 44, к третьему выходу - вход первого датчика положения тележки 45, к первому входу - выход первого комплектного электропривода перемещения моста 46, ко второму входу - выход первого комплектного электропривода перемещения тележки 47, к третьему входу - выход первого комплектного электропривода вертикального перемещения 48, к четвертому выходу - вход первого датчика ускорений и угловых отклонений 50, к входу-выходу через последовательно соединенные первый упорный подшипник 51, первый датчик усилия 52, первое демпфирующее устройство 53 и первый одностепенной шарнирный подвес для поворота по крену 54 - вход-выход первого одностепенного шарнирного подвеса для поворота по тангажу 58.
К входу первого одностепенного шарнирного подвеса для поворота по крену 54 первого электромеханического модуля обезвешивания с 6-ю степенями свободы 26 подключен выход первого комплектного электропривода перемещения по крену 55, к выходу - вход первого датчика угла положения по крену 56.
К входу первого одностепенного шарнирного подвеса для поворота тангажу 58 первого электромеханического модуля обезвешивания с 6-ю степенями свободы 26 подключен выход первого комплектного электропривода перемещения по тангажу 59, к выходу - вход первого датчика угла положения по тангажу 60.
К первому входу второго комплекса устройств сопряжения с объектом 62 второго электромеханического модуля обезвешивания с 6-ю степенями свободы 30 подключен выход второго датчика положения обезвешиваемого объекта по вертикали 77, ко второму входу - информационный выход второго датчика усилия 72, к третьему входу - выход второго датчика ускорений и угловых отклонений 70, к четвертому входу - выход второго комплекта конечных выключателей 63, к пятому входу - выход второго датчика положения моста 64, к шестому входу - выход второго датчика положения тележки 65, ко второму входу-выходу - вход-выход второго комплектного электропривода перемещения моста 66, к третьему входу-выходу - вход-выход второго комплектного электропривода перемещения тележки 67, к четвертому входу-выходу - вход-выход второго комплектного электропривода вертикального перемещения 68, к пятому входу-выходу - вход-выход второго комплектного электропривода перемещения по крену 75, к седьмому входу - выход второго датчика угла положения по крену 76, к шестому входу-выходу - вход-выход второго комплектного электропривода перемещения по тангажу 79, к восьмому входу - выход второго датчика угла положения по тангажу 80 и к девятому входу - выход второго датчика угловых скоростей обезвешиваемого объекта 81.
К первому выходу второго механического передаточного устройства 69 второго электромеханического модуля обезвешивания с 6-ю степенями свободы 30 подключен вход второго комплекта конечных выключателей 63, ко второму выходу - вход второго датчика положения моста 64, к третьему выходу - вход второго датчика положения тележки 65, к первому входу - выход второго комплектного электропривода перемещения моста 66, ко второму входу - выход второго комплектного электропривода перемещения тележки 67, к третьему входу - выход второго комплектного электропривода вертикального перемещения 68, к четвертому выходу - вход второго датчика ускорений и угловых отклонений 70, к входу-выходу через последовательно соединенные второй упорный подшипник 71, второй датчик усилия 72, второе демпфирующее устройство 73 и второй одностепенный шарнирный подвес для поворота по крену 74 - вход-выход второго одностепенного шарнирного подвеса для поворота по тангажу 78.
К входу второго одностепенного шарнирного подвеса для поворота по крену 74 второго электромеханического модуля обезвешивания с 6-ю степенями свободы 30 подключен выход второго комплектного электропривода перемещения по крену 75, к выходу - вход второго датчика угла положения по крену 76.
К входу второго одностепенного шарнирного подвеса для поворота тангажу 78 второго электромеханического модуля обезвешивания с 6-ю степенями свободы 30 подключен выход второго комплектного электропривода перемещения по тангажу 79, к выходу - вход второго датчика угла положения по тангажу 80.
К первому выходу первого скафандра, предназначенного для размещения обучаемого 24, подключен вход первого модуля средств медицинского контроля 23, к третьему выходу - первый вход первого электромеханического модуля обезвешивания с 6-ю степенями свободы 26, являющийся одновременно входом первого датчика положения обезвешиваемого объекта по вертикали 57, ко второму входу-выходу - второй вход-выход первого электромеханического модуля обезвешивания с 6-ю степенями свободы 26, являющийся одновременно вторым входом-выходом первого одностепенного шарнирного подвеса для поворота по тангажу 58, к четвертому выходу - второй вход первого электромеханического модуля обезвешивания с 6-ю степенями свободы 26, являющийся одновременно входом первого датчика угловых скоростей обезвешиваемого объекта 61, к третьему входу-выходу - второй вход-выход системы визуализации 22, к четвертому входу-выходу - третий вход-выход средств обеспечения жизнедеятельности 40.
Ко второму входу-выходу второго блока устройств сопряжения с объектом 27 подключен вход-выход полномасштабного макета орбитального модуля МКС 29, к третьему входу-выходу - вход модуля средств освещения 28.
К первому выходу второго скафандра, предназначенного для размещения обучаемого, 31 подключен первый вход второго электромеханического модуля обезвешивания с 6-ю степенями свободы 30, являющийся одновременно входом второго датчика положения обезвешиваемого объекта по вертикали 77, к первому входу-выходу - второй вход-выход второго электромеханического модуля обезвешивания с 6-ю степенями свободы 30, являющийся одновременно вторым входом-выходом второго одностепенного шарнирного подвеса для поворота по тангажу 78, ко второму выходу - второй вход второго электромеханического модуля обезвешивания с 6-ю степенями свободы 30, являющийся одновременно входом второго датчика угловых скоростей обезвешиваемого объекта 81, к четвертому выходу - вход второго модуля средств медицинского контроля 32, к третьему входу-выходу - первый вход-выход системы визуализации 22, к четвертому входу-выходу - второй вход-выход средств обеспечения жизнедеятельности 40.
К первому входу-выходу средств обеспечения жизнедеятельности 40 подключен вход-выход панели управления средствами обеспечения жизнедеятельности 38 пульта контроля и управления 33.
К выходу АРМ инженера 34 пульта контроля и управления 33 подключен вход второго модуля средств отображения информации коллективного пользования 39.
Мобильный АРМ 2 интегрирующей системы 1 предназначен для оперативного управления оборудованием комплекса с произвольного места помещения, в котором установлен комплекс, например, управление в аварийных ситуациях электроприводами электромеханического модуля обезвешивания с 6-ю степенями свободы 26 (30), а также при выполнении пуско-наладочных работ и операций по техническому обслуживанию. В качестве мобильного АРМ 2 применен коммуникатор, имеющий возможность доступа к беспроводным сетям Wi-Fi по стандарту 802.11 (ноутбук, нетбук, планшетный компьютер, смартфон и т.д.).
В качестве адаптера беспроводной связи 3, предназначенного для создания беспроводных точек доступа к локальной вычислительной сети передачи данных 8, использован сетевой роутер беспроводной сети Wi-Fi по стандарту 802.11, например, типа «TRENDnet TEW-652BRP».
Сетевой сервер 4 представляют собой высокопроизводительный компьютер (с установленным программным обеспечением, соответствующим выполняемым функциональным задачам) в промышленном исполнении (в корпусе, предназначенном для установки в стойку с форм-фактором 19-дюймов). Основное назначение сетевого сервера 4 - обеспечение информационного обмена между локальными вычислительными сетями передачи данных 8, видеонаблюдения и аудиопрослушивания 9 и цифровой связи 10, а также оптимизация, при необходимости, протокола передачи информации по локальной вычислительной сети передачи данных 8 между средствами вычислительной техники, встроенными в основные составные части комплекса (АРМ руководителя обучения 14, АРМ обучаемых 15, первый 23 и второй 32 модуль средств медицинского контроля, сервер моделирования 25, АРМ инженера 34, АРМ инструктора 35 и АРМ врача 37). Кроме этого, сервер 4 обеспечивает организацию единой базы данных комплекса (например, для долговременного хранения информации по результатам учебно-тренировочного курса экипажа МКС, поступающей по локальной вычислительной сети передачи данных 8 от АРМ комплекса), а также коммутацию, трансляцию и запись (с возможностью последующего воспроизведения заинтересованными пользователями) речевых переговоров абонентов, циркулирующих по локальной вычислительной сети цифровой связи 10.
Консоль оператора 5, предназначенная для управления сетевым сервером 4, представляет собой комплект, состоящий из компьютерного LCD-монитора, клавиатуры и манипулятора «Мышь».
Первый 6, второй 17 и третий 36 блоки цифровой связи, предназначенные для обеспечения оперативной связи эксплуатационного персонала (системный администратор интегрирующей системы 1, руководитель обучения в функционально-моделирующем стенде предтренажерной подготовки 13, инструктор, инженер и врач комплексного тренажера за пультом контроля и управления 33) в процессе обучения и ремонтно-технологической связи обслуживающего персонала при выполнении пуско-наладочных работ, операций по техническому обслуживанию и т.д., представляют собой компактные блоки с микротелефонной гарнитурой, которые позволяют осуществлять дуплексную телефонную цифровую связь по локальной вычислительной сети цифровой связи 10.
Многоканальный видеорегистратор 7, предназначенный для записи аудио-видеоинформации от выбранных телекамер наблюдения (телекамера наблюдения 19, телекамер наблюдения из комплекта 21, установленных в различных местах комплекса, и от телекамер, установленных на шлеме скафандров с обучаемыми 24 и 31), реализован на базе автономного регистратора с RAID-массивом на жестких магнитных дисках большого объема, например, типа «NV-2040 NUUO NVR mini».
Локальные вычислительные сети передачи данных 8, видеонаблюдения и аудиопрослушивания 9 и цифровой связи 10 реализованы на базе высокоскоростных сетевых коммутаторов с интерфейсом «Ethernet» и кабелей связи типа «витая пара категории 6».
«Гидролаборатория» 11 (см. Web-страницу ФГБУ «НИИ ЦПК им. Ю.А. Гагарина»: http://www.gctc.ru/main.php?id=130) предназначена для проведения тренировок космонавтов в условиях моделируемой невесомости в гидросреде и обеспечивает решение задач: подготовки космонавтов для внекорабельной деятельности, выполнения экспериментальных исследований, проведения эргономических испытаний объектов космической техники и синхронного сопровождения работ, выполняемых космонавтами в открытом космосе.
«Молодежный образовательный Космоцентр» 12 (см. Web-страницу: Космоцентр ФГБУ «НИИ ЦПК имени Ю.А. Гагарина», http://www.cosmocentr.ru/) предназначен для первоначальной общекосмической подготовки космонавтов и школьников с использованием современных информационно-телекоммуникационных образовательных технологий, в том числе технологии виртуальной реальности.
АРМ руководителя обучения 14 функционально-моделирующего стенда предтренажерной подготовки 13, АРМ инженера 34, инструктора 35 и врача 37 пульта контроля и управления 33, предназначенные для размещения одного специалиста за эргономичным компьютерным столом, реализованы на базе высокопроизводительного персонального компьютера с несколькими (от двух до четырех) компьютерных LCD-мониторов высокого разрешения, а также клавиатуры и манипулятора «Мышь».
АРМ обучаемых 15, предназначенные для размещения трех обучаемых за эргономичными компьютерными столами, реализованы на базе трех высокопроизводительных персональных компьютеров с двумя компьютерными LCD-мониторами высокого разрешения, а также клавиатуры и манипулятора «Мышь».
Первый блок устройств сопряжения с объектом 16 реализован на базе контроллера (с установленным программным обеспечением соответствующим выполняемым функциональным задачам) и набора модулей ввода-вывода дискретной и аналоговой информации (пример реализации - комплекс типа WP8841 из семейства «WinPack» тайваньской фирмы «ICP DAS»). Основное назначение первого блока 16 обеспечение функционирования оборудования действующего макета выходного космического скафандра 18.
Действующий макет выходного космического скафандра 18 предназначен для изучения устройства, конструкции, компоновки и работы основного оборудования штатных выходных скафандров Российского сегмента МКС для внекорабельной деятельности типа «Орлан», отработки операций по подготовке скафандра к использованию по прямому назначению и т.д.
В качестве телекамеры наблюдения 19 и телекамер, входящих в комплект телекамер наблюдения 21, используются дистанционно управляемые (с возможность управления углом обзора, масштабированием и фокусировкой изображения) IP-камеры со встроенными микрофонами.
В качестве первого модуля средств отображения информации коллективного пользования 20, предназначенного для демонстрации обучаемым функционально-моделирующего стенда предтренажерной подготовки 13 разнообразной учебной мультимедийной информации, использованы две большеразмерные LCD-панели высокого разрешения со встроенными акустическими системами.
Состав и устройство системы визуализации 22 представлены на фиг.5.
В качестве первого 23 и второго 32 модулей средств медицинского контроля, предназначенного для обеспечения оперативного контроля психофизиологического состояния обучаемого, находящегося в скафандре 24 (31), и передачи информации по локальной вычислительной сети передачи данных 8 на АРМ врача 37 на пульте контроля и управления 33, используется контроллер (с установленным программным обеспечением соответствующим выполняемым функциональным задачам) с устройствами преобразования, гальванической развязки и передачи медицинской информации.
В качестве скафандра 24 (31), предназначенного для размещения обучаемого, используются выходные космические скафандры, то есть скафандры, предназначенные для выхода космонавтов в открытый космос (штатные для Российского сегмента Международной космической станции) семейства «Орлан» (см. Материал из Википедии - свободной энциклопедии Орлан (скафандр), http://ru.wikipedia.org/wiki/Орлан_(скафандр). В комплексе использована специальная модификация скафандра в тренажном исполнении типа «Орлан-МКТ» с гибким шлангом обеспечения жизнедеятельности (подача воздуха для дыхания обучаемого и вентиляции внутреннего объема скафандра, низковольтного напряжения для электропитания разнообразного оборудования скафандра), свободно перемещающимся на специальных подвесах по тросу или рельсу (например, как показано на фото). В скафандре имеются комплекты средств связи, медицинской аппаратуры, оборудования обеспечения жизнедеятельности и IP-телекамера, установленная на шлеме скафандра, которые через шланг обеспечения жизнедеятельности подключаются соответственно к локальной вычислительной сети цифровой связи 10, модулю средств медицинского контроля 23 (32), средствам обеспечения жизнедеятельности 40 и локальной вычислительной сети видеонаблюдения и аудиопрослушивания 9. Кроме этого, для создания эффекта стереоизображения визуальной обстановки, обучаемый должен надеть стереоочки, которые через этот же шланг подключаются к системе визуализации 22. Для обеспечения жизнедеятельности и подключения оборудования скафандра вместо гибкого шланга можно использовать гибкие кабель-каналы серии «Sabin Chain» южно-корейской фирмы «CPS». Однако, гибкий шланг (или гибкий кабель-канал) обеспечения жизнедеятельности несколько ограничивает подвижность обучаемого в открытом пространстве (в частности, необходимо полностью исключить возможность перекручивания воздуховода в гибком шланге) и весьма значительно - во внутреннем объеме полномасштабного макета орбитального модуля МКС 29.
В качестве кардинального решения (с минимальными ограничениями подвижности обучаемого) вместо скафандра в тренажном исполнении типа «Орлан-МКТ» с гибким шлангом может быть использован скафандр в специальном исполнении, в котором установлены средства автономного жизнеобеспечения (аккумуляторная батарея, компрессор и преобразователь напряжений для электропитания разнообразного оборудования скафандра), позволяющие отказаться от шланга обеспечения жизнедеятельности. В этом случае средства связи, медицинская аппаратура, система управления средствами автономного жизнеобеспечения, IP-телекамера и стереоочки выполняются с возможностью беспроводного информационного обмена.
Для исключения отдельных нежелательных воздействий (или хотя бы уменьшения последствий этих воздействий) на обучаемого в процессе его эволюций в электромеханическом модуле обезвешивания 26 (30), хотя и в безопорном пространстве с 6-ю степенями свободы, но в условиях Земного притяжения, предусмотрен ряд дополнений к конструкции скафандра, например мягкие ограничители для головы, исключающие резкое «наваливание» носом и лбом в остекление шлема скафандра, «подпорки» для ног, уменьшающие их провисание, при переходе обучаемого в горизонтальное положение (нулевой тангаж) и т.д.
Сервер моделирования 25 представляют собой высокопроизводительный компьютер (с установленным программным обеспечением соответствующим выполняемым функциональным задачам) в промышленном исполнении (в корпусе, предназначенном для установки в стойку с форм-фактором 19-дюймов). Основное назначение сервера 25 - моделирование в Земных условиях среды, максимально приближенной к условиям отрытого космического пространства и перспективных для посещения космических объектов Солнечной системы, а также координация функционирования (в реальном масштабе времени) электромеханических модулей обезвешивания с 6-ю степенями свободы 24 и 30, системы визуализации 22 и средств освещения 28. Кроме этого, сервер 25 обеспечивает передачу необходимой информации в единую базу данных комплекса, реализованную в сетевом сервере 4.
Второй блок устройств сопряжения с объектом 27 реализован на базе контроллера (с установленным программным обеспечением соответствующим выполняемым функциональным задачам) и набора модулей ввода-вывода дискретной и аналоговой информации (пример реализации - комплекс типа WP8841 из семейства «WinPack» тайваньской фирмы «ICP DAS»). Основное назначение второго блока 27 - обеспечение функционирования оборудования модуля средств освещения 28 и полномасштабного макета орбитального модуля МКС 28.
Модуль средств освещения 28, предназначенный для моделирования светотеневой обстановки при работе обучаемого на внешней поверхности полномасштабного макета орбитального модуля МКС 29, а также на участке, имитирующем поверхность космического объекта Солнечной системы с комплектом учебного оборудования 41, реализован на базе нескольких прожекторов и устройств их включения и регулирования яркости.
Полномасштабный макет орбитального модуля МКС 29 предназначен для получения обучаемым космонавтом (астронавтом) сенсорно-моторных навыков внутри орбитального модуля при подготовке к выходу, при выполнении операций по непосредственному выходу в открытый космос, а также при работе на внешней поверхности макета в открытом космическом пространстве на орбите Земли. Макет 29 включает во внутреннем объеме оборудование комплекса средств шлюзования переходного и стыковочного отсеков (в том числе, выходной люк), штатное функционирование которых обеспечивается вторым блоком устройств сопряжения с объектом 27, а также оборудование, навесные механизмы и приборы, поручни и средства фиксации на внешней поверхности. В верхней части по продольной оси корпуса полномасштабного макета орбитального модуля МКС 29, включая обрамление выходного люка, выполнен вертикальный вырез, позволяющий перемещаться скафандру с обучаемым 24 (31) на подвесе и со шлангом обеспечения жизнедеятельности как во внутреннем объеме макета 29, так и в процессе перехода из внутреннего объема через выходной люк на внешнюю поверхность макета («выход в открытый космос»).
Особенностью полномасштабного макета орбитального модуля МКС 29 является то, что он изготавливается на базе сборно-разборной каркасно-модульной конструкции с использованием способа создания полномасштабных (крупногабаритных) натурных макетов объектов аэрокосмической техники (см. Заявку ООО «Центра тренажеростроения» на получение патента РФ на изобретение №2012115841 от 19.04.2012).
Пульт контроля и управления 33, обеспечивающий размещение инструктора, инженера и врача комплекса за эргономичными автоматизированными рабочими местами, предназначен для задания сценария и начальных условий отработки практических задач внекорабельной деятельности, для экспериментальной отработки учебных упражнений с целью выбора наиболее эффективных методик реальной внекорабельной деятельности экипажей МКС и соответствующих им оптимальных методик подготовки космонавтов (астронавтов), для запуска и оперативного контроля процесса тренировки, ввода отказов, а также останова и завершения тренировки.
Панель управления средствами обеспечения жизнедеятельности 38 предназначена для достоверного контроля состояния и оперативного управления средствами обеспечения жизнедеятельности 40 одновременно двух скафандров с обучаемыми 24 и 31.
Второй модуль средств отображения информации коллективного пользования 39 предназначен для предъявления инструктору, инженеру и врачу аудиовизуальной обстановки в рабочих зонах комплексного тренажера, контролируемых комплектом телекамер наблюдения 21 и телекамерой, установленной на шлеме скафандра 24 (31), а также любой другой информации, формируемой серверами и компьютерами АРМ, например, формат инженера с изображением результатов контроля работоспособности программно-технических средств комплекса, которые задействуются в проводимом учебном мероприятии. В качестве второго модуля средств отображения информации коллективного пользования 39 использованы две большеразмерные LCD-панели высокого разрешения со встроенными акустическими системами.
Средства обеспечения жизнедеятельности 40 предназначены для подачи воздуха для дыхания обучаемого и вентиляции внутреннего объема скафандра, а также электропитания оборудования, установленного в скафандре 24 (31).
Участок, имитирующий поверхность космического объекта Солнечной системы, с комплектом учебного оборудования 41 предназначен для отработки передвижения обучаемым космонавтом (астронавтом) в скафандре 24 (31) по различным рельефам, характерным, например, для поверхности Луны, крупных астероидов, Марса и т.д., перемещения (переноски) грузов, выполнения отдельных работ, технологических операций и т.д. в условиях имитируемой пониженной гравитации.
Первый 42 и второй 62 комплексы устройств сопряжения с объектом первого 26 и второго 30 электромеханического модуля обезвешивания с 6-ю степенями свободы, реализованы на базе контроллера (с установленным программным обеспечением соответствующим выполняемым функциональным задачам) и набора модулей ввода-вывода дискретной и аналоговой информации (пример реализации - комплекс типа WP8841 из семейства «WinPack» тайваньской фирмы «ICP DAS»). Основное назначение комплекса 42 (62) - управление (в реальном масштабе времени) электроприводами электромеханическго модуля обезвешивания с 6-ю степенями свободы, включая трансляцию, сформированных сервером моделирования 25, обобщенных управляющих воздействий на комплектные электроприводы перемещения моста 46 (66), тележки 47 (67) и вертикального перемещения 48 (68), а также получение контрольной информации от комплекта конечных выключателей 43 (63), от датчиков положения моста 44 (64), тележки 45 (65), датчиков ускорений и угловых отклонений 50 (70), усилия 52 (72), угла положения по крену 56 (76), положения обезвешиваемого объекта по вертикали 57 (77), угла положения по тангажу 60 (80) и угловых скоростей обезвешиваемого объекта 61 (81).
Первый 43 и второй 63 комплекты концевых выключателей предназначены для упреждающей остановки электродвигателей комплектных электроприводов горизонтального перемещения моста 46 (66), тележки 47 (67) и вертикального перемещения 48 (68), с целью предотвращения попадания подвижных элементов механического передаточного устройства 49 (69) в предельные положения, за которыми возможны их повреждения и поломки.
Первый 44 и второй 64 датчики положения моста, предназначенные для обеспечения контроля фактического положения моста (см. поз.85 на фиг.4) во всем диапазоне его линейного перемещения по рельсам (см. поз.87 на фиг.4), реализованы на основе электромагнитной головки (установлена на подвижном мосту 85), которая считывает магнитные метки положения с предварительно намагниченной ленты, закрепленной на неподвижной части опорной конструкции механического передаточного устройства 49 и 69 (например, на рельсе 87 - см. фиг.4). Пример реализации датчика положения моста 44 (64) - датчик типа «МТ H5-F1000-E-LD-MP500» итальянской фирмы «Givi Missure».
В качестве первого 45 и второго 65 датчиков положения тележки, предназначенных для обеспечения контроля фактического положения тележки (см. поз.89 на фиг.4) во всем диапазоне ее линейного перемещения по рельсам моста, используется датчик, аналогичный датчику положения моста 44 (64).
Первый 46 и второй 66 комплектные электроприводы перемещения моста (линейная координата «x»), предназначенные для перемещения моста (см. поз.85 на фиг.4) механического передаточного устройства 49 (69), представляют собой функционально полный комплект, реализованный на основе серии сервоприводов «Dynamic Line II» немецкой фирмы «Karl E. Brinkmann GmbH» и состоящий из двух идентичных мотор-редукторов со встроенными дисковыми электромагнитными тормозами, двух частотных преобразователей напряжения, работающих синхронно, двух наборов датчиков напряжения, тока, положения ротора и температуры статора мотора. Причем в качестве моторов этого комплектного электропривода используются синхронные электродвигатели с постоянными магнитами в роторе.
Первый 47 и второй 67 комплектные электроприводы перемещения тележки (линейная координата «y»), предназначенные для перемещения тележки (см. поз.89 на фиг.4) механического передаточного устройства 49 (69), представляют собой функционально полный комплект, реализованный на основе серии сервоприводов «Dynamic Line II» немецкой фирмы «Karl E. Brinkmann GmbH» и состоящий из четырех идентичных мотор-редукторов со встроенными дисковыми электромагнитными тормозами, четырех частотных преобразователей напряжения, работающих синхронно, четырех наборов датчиков напряжения, тока, положения ротора и температуры статора мотора. Причем в качестве моторов этого комплектного электропривода используются синхронные электродвигатели с постоянными магнитами в роторе.
Первый 48 и второй 68 комплектные электроприводы вертикального перемещения (линейная координата «z»), предназначенные для перемещения блока (см. поз.94 на фиг.4) механического передаточного устройства 49 (69), представляют собой функционально полный комплект, реализованный на основе серии сервоприводов «Dynamic Line II» немецкой фирмы «Karl E. Brinkmann GmbH» и состоящий из мотор-редуктора с барабаном лебедки со встроенным дисковым электромагнитным тормозом, частотного преобразователя напряжения, набора датчиков напряжения, тока, положения ротора и температуры статора мотора. Причем в качестве мотора этого комплектного электропривода используется синхронный электродвигатель с постоянными магнитами в роторе.
Состав и устройство первого 49 и второго 69 механических передаточных устройств представлены на фиг.4а и 4б.
В качестве первого 50 и второго 70 датчиков ускорений и угловых отклонений, предназначенных для обеспечения контроля динамики движения и отклонения от вертикальной оси блока (см. поз.94 на фиг.4г) механического передаточного устройства 49 (69), применен акселерометр-инклинометр, например, из семейства «GNAMG» фирмы «Baumer IVO».
Первый 51 и второй 71 упорные подшипники предназначены для обеспечения поворотов скафандра с обучаемым 24 (31) вокруг вертикальной оси (перемещение по курсу - угловая координата «α»).
В качестве первого 52 и второго 72 датчика усилия, предназначенного для обеспечения обратной связи по значению усилия обезвешивания при вертикальных перемещениях скафандра с обучаемым 24 (31), использован тензорезисторный датчик, например, типа U9B/5KN немецкой фирмы «Hottinger Baldwin Messtechnik GmbH».
В качестве первого 53 и второго 73 демпфирующего устройства, предназначенного для компенсации нежелательных динамических воздействий на обучаемого в скафандре 24 (31) при срабатывании электромагнитного тормоза комплектного электропривода вертикального перемещения 48 (68), используется специальный механизм рычажно-пружинной конструкции.
Первый 54 и второй 74 одностепенные шарнирные подвесы для поворота по крену, предназначенные для обеспечения возможности поворота скафандра с обучаемым 24 (31) вокруг горизонтальной оси, проходящей через центр масс скафандра перпендикулярно передней/задней стороне скафандра (угловое перемещение по крену), представляют собой вертикальную штангу с зигзагообразным изгибом, в верхней части которого расположен узел крепления, а в нижней закреплен один поворотный шарнир консольного типа.
Первый 55 и второй 75 комплектные электроприводы перемещения по крену (угловая координата «β»), предназначенные для перемещения скафандра в одностепенном шарнирном подвесе для поворота по крену 54 (74), представляют собой функционально полный комплект, реализованный на основе серии «IS23x Intelligent Step Motor Family» швейцарской фирмы «Technosoft S.A.» и состоящий из шагового двигателя, преобразователя напряжения, набора датчиков напряжения, тока, положения ротора и температуры статора двигателя.
В качестве первого 56 (60) и второго 76 (80) датчиков угла положения по крену и тангажу используется инкрементный угловой фотоэлектрический преобразователь перемещений, например датчик типа «ЛИР-158» «Специального Конструкторского Бюро Измерительных Систем».
В качестве первого 57 и второго 77 датчиков положения обезвешиваемого объекта по вертикали, предназначенного для обеспечения контроля фактического положения скафандра во всем диапазоне его перемещения по вертикали, используется трос-энкодер семейства «BTF» фирмы «SICK-Stegmann». Причем измерительный блок этого датчика установлен на подвижной тележке (см. поз.89 на фиг.4) механического передаточного устройства 49 (69), а конец тросика, вытягиваемого из измерительного блока датчика, зафиксирован на скафандре с обучаемым 24 (31).
Первый 58 и второй 78 одностепенные шарнирные подвесы для поворота по тангажу, предназначенные для обеспечения возможности поворота скафандра с обучаемым 24 (31) вокруг горизонтальной оси, проходящей через центр масс скафандра параллельно передней/задней стороне скафандра, представляют собой горизонтальную полуокружность (или полуовал), на средней части которого расположен узел крепления, а на концах закреплены два поворотных шарнира консольного типа.
Первый 59 и второй 79 комплектные электроприводы перемещения по тангажу, предназначенные для перемещения скафандра в одностепенном шарнирном подвесе для поворота по тангажу 58 (78), представляют собой функционально полный комплект, реализованный на основе серии «IS23x Intelligent Step Motor Family» швейцарской фирмы «Technosoft S.A.» и состоящий из двух идентичных шаговых двигателей, двух преобразователей напряжения, двух наборов датчиков напряжения, тока, положения ротора и температуры статора двигателя.
В качестве первого 61 и второго 81 датчиков угловых скоростей обезвешиваемого объекта, предназначенного для определения (в любой текущий момент времени) динамики движения скафандра в системе трех угловых координат («α», «β» и «γ») моделируемого 6-степенного пространства, использован комплект микросхем со встроенными сенсорами, выполненных по технологии «MEMS» фирмы «InvenSense». Данный датчик закреплен в районе центра масс скафандра с обучаемым, а информация от него используется контроллером комплекса устройств сопряжения с объектом 42 (62) для замыкания обратной связи по скорости обезвешивания.
Согласно фиг.4 первое механическое передаточное устройство (см. поз.49 на фиг.2) первого электромеханического модуля обезвешивания с 6-ю степенями свободы (см. поз.26 на фиг.1) включает опорную конструкцию прямоугольной формы, образованную комплектом вертикальных стоек 82, горизонтальных ферм 83 и горизонтальных балок 84 (в качестве опорной конструкции также можно использовать несущие стены помещения), подвижный мост 85, перемещающийся на колесах 86 по рельсам 87 (закреплены на вертикальных стойках 82 опорной конструкции) с помощью 2-х двигателей 88 комплектного электропривода перемещения моста (см. поз.46 на фиг.2), подвижную тележку 89, перемещающуюся на колесах (на фиг.4 не показаны) по рельсам (на фиг.4 не показаны), закрепленным на подвижном мосту 85, с помощью 4-х двигателей 90 комплектного электропривода перемещения тележки (см. поз.47 на фиг.2). На подвижной тележке 89 установлена лебедка 91, барабан которой, приводимый в движение двигателем 92 комплектного электропривода вертикального перемещения (см. поз.48 на фиг.2), перемещает трос 93 с блоком 94. На блоке 94 установлен датчик ускорений и угловых отклонений (на фиг.4 не показан, см. поз.50 на фиг.2).
Второе механическое передаточное устройство (см. поз.69 на фиг.3) второго электромеханического модуля обезвешивания с 6-ю степенями свободы (см. поз.30 на фиг.1) использует опорную конструкцию (стойки 82, фермы 83 и балки 84) и единые рельсы 87 первого механического передаточного устройства (см. поз.49 на фиг.2) первого электромеханического модуля обезвешивания с 6-ю степенями свободы (см. поз.26 на фиг.1), а в остальном - имеет абсолютно идентичный состав.
К блоку 94 через последовательно соединенные упорный подшипник, датчик усилия, демпфирующее устройство, одностепенный шарнирный подвес для поворота по крену, одностепенный шарнирный подвес для поворота по тангажу подвешен скафандр с обучаемым (на фиг.4 не показаны). В качестве иллюстрации, на рис.1 представлены опорная конструкция, один из двух подвижных мостов с подвижной тележкой, тросом и блоком механического передаточного устройства, к которому на одностепенном шарнирном подвесе для поворота по тангажу подвешен скафандр с обучаемым.
В одностепенный шарнирный подвес для поворота по крену 54 (74) встроены комплектный электропривод поворота по крену 55 (75) и датчик угла положения по крену 56 (76), а в одностепенный шарнирный подвес для поворота по тангажу 58 (78) - комплектный электропривод поворота по тангажу 59 (79) и датчик угла положения по тангажу 60 (80) - на фиг.4 не показаны, см. фиг.2 и 3. Для исключения возможности переворота скафандра с обучаемым вниз головой в одностепенных шарнирных подвесах для поворота по крену 54 (74) и для поворота по тангажу 58 (78) использованы конечные выключатели и специальные упоры-ограничители.
На скафандре с обучаемым зафиксирован конец тросика (на фиг.4 не показан), вытягиваемого из измерительного блока (на фиг.4 тоже не показан), который установлен на подвижной тележке 89, датчика положения обезвешиваемого объекта по вертикали (см. поз.57 и 77 на фиг.2 и 3).
Согласно фиг.5 система визуализации (см. поз.22 на фиг.1) включает сервер визуализации 95, первую 96, вторую 97 и третью 98 графические станции, а также первый 99, второй 100, третий 101, четвертый 102, пятый 103 и шестой 104 видеопроекторы, первый 105, второй 106 и третий 107 экраны (см. рис.2).
Вход, первый и второй вход-выход системы визуализации 22 являются одновременно соответственно входом, первым и вторым входом-выходом сервера визуализации 95; к третьему, четвертому и пятому входу-выходу сервера визуализации 95 подключены соответственно вход-выход первой 96, второй 97 и третьей 98 графических станций; первый выход первой графической станции 96 через первый видеопроектор 99 подключен к первому входу первого экрана 105, второй выход через второй видеопроектор 100 - ко второму входу первого экрана 105, первый выход второй графической станции 97 через третий видеопроектор 101 подключен к первому входу второго экрана 106, второй выход через четвертый видеопроектор 102 - ко второму входу второго экрана 106, первый выход третьей графической станции 98 через пятый видеопроектор 103 подключен к первому входу третьего экрана 107, второй выход через шестой видеопроектор 104 - ко второму входу третьего экрана 107.
Сервер визуализации 95 системы визуализации 22 представляет собой высокопроизводительный компьютер (с установленным программным обеспечением, соответствующим выполняемым функциональным задачам) в промышленном исполнении (в корпусе, предназначенном для установки в стойку с форм-фактором 19-дюймов). Основное назначение сервера визуализации 95 - координация функционирования графических станций 96, 97 и 97, обеспечивающая создание качественного слитного изображения (так называемая «сшивка» изображения на смежных сторонах экранов 105, 106 и 107).
Кроме этого, так как система визуализации предназначена для генерации и воспроизведения стереоизображения, обучаемый в скафандре должен надеть стереоочки, состоящие из так называемого «трекера» (датчик положения и ориентации) и затворных экранов для левого и правого глаз. При этом сервер визуализации 95 осуществляет синхронизацию процесса воспроизведения изображений на экранах 105, 106 и 107 с управлением затворными экранами для левого и правого глаз стереоочков, обеспечивая обучаемому эффект стереоизображения визуальной обстановки, а также с помощью трекера стереоочков контролирует положение головы обучаемого в шлеме скафандра и направление его взгляда, что позволяет корректировать предъявляемое изображение с учетом изменяющейся так называемой «расчетной точки зрения». При отсутствии возможности у обучаемого использовать стереоочки сервер визуализации 95 переводит графические станции 96, 97 и 98 в режим работы только с первым 99, третьим 101 и пятым 103 видеопроекторами, которые проецируют на экраны 105, 106 и 107 единое изображение для левого и правого глаз обучаемого (изображение без стереоэффекта).
Первая 96, вторая 97 и третья 98 графические станции представляют собой высокопроизводительные компьютеры (с установленным программным обеспечением, соответствующим выполняемым функциональным задачам) в промышленном исполнении (в корпусе, предназначенном для установки в стойку с форм-фактором 19-дюймов).
В качестве первого 99, второго 100, третьего 101, четвертого 102, пятого 103 и шестого 104 видеопроекторов использованы короткофокусные проекторы с высоким разрешением.
В качестве первого 105, второго 106 третьего 107 экранов предлагаемой полиэкранной системы визуализации использованы большеразмерные экраны просветного типа, обеспечивающие для обучаемого углы обзора по горизонтали 150…170° и по вертикали 70…80°. При необходимости визуализации окружающего пространства с большими углами обзора производится наращивание числа проекторов и экранов.
Как один из наиболее перспективных вариантов реализации, вместо использования видеопроекторов, большеразмерных экранов и стереоочков с затворными экранами, в составе системы визуализации 22 могут быть применены 3D видеоочки, например видеоочки дополненной реальности типа «Wrap 920AR» компании «Vuzix», которые не только отображают 3D графику, синтезированную высокопроизводительной графической станцией системы визуализации 22, но и имеют две внешние компактные видеокамеры, которые сканируют окружающую реальность в формате 3D и обеспечивают формирование интегрального изображения дополненной реальности (совмещение реального объемного мира с виртуальными 3D объектами) в 3D-стерео формате на микродисплеях видео-очков.
Согласно фиг.6, 2 и 7 многофункциональный учебно-тренировочный комплекс для подготовки космонавтов (астронавтов) к внекорабельной деятельности (вариант 2) включает:
интегрирующую систему 1, состоящую из мобильного АРМ 2, адаптера беспроводной связи 3, сетевого сервера 4, консоли оператора 5, первого блока цифровой связи 6, многоканального видеорегистратора 7, локальной вычислительной сети передачи данных 8, локальной вычислительной сети видеонаблюдения и аудиопрослушивания 9 и локальной вычислительной сети цифровой связи 10;
«Гидролабораторию» 11 и «Молодежный образовательный Космоцентр» 12;
функционально-моделирующий стенд предтренажерной подготовки 13, состоящий из АРМ руководителя обучения 14, АРМ обучаемых 15, первого блока устройств сопряжения с объектом 16, второго блока цифровой связи 17, действующего макета выходного космического скафандра 18, телекамеры наблюдения 19 и первого модуля средств отображения информации коллективного пользования 20;
комплект телекамер наблюдения 21, систему визуализации 22, модуль средств медицинского контроля 23, скафандр, предназначенный для размещения обучаемого, 24, сервер моделирования 25;
электромеханический модуль обезвешивания с 6-ю степенями свободы 26, состоящий из первого комплекса устройств сопряжения с объектом 42, первого комплекта конечных выключателей 43, первого датчика положения моста 44, первого датчика положения тележки 45, первого комплектного электропривода перемещения моста 46, первого комплектного электропривода перемещения тележки 47, первого комплектного электропривода вертикального перемещения 48, первого механического передаточного устройства 49, первого датчика ускорений и угловых отклонений 50, первого упорного подшипника 51, первого датчика усилия 52, первого демпфирующего устройства 53, первого одностепенного шарнирного подвеса для поворота по крену 54, первого комплектного электропривода перемещения по крену 55, первого датчика угла положения по крену 56, первого датчика положения обезвешиваемого объекта по вертикали 57, первого одностепенного шарнирного подвеса для поворота по тангажу 58, первого комплектного электропривода перемещения по тангажу 59, первого датчика угла положения по тангажу 60 и первого датчика угловых скоростей обезвешиваемого объекта 61;
второй блок устройств сопряжения с объектом 27, модуль средств освещения 28, полномасштабный макет орбитального модуля МКС 29;
электромеханический модуль обезвешивания с 3-мя степенями свободы 108, состоящий из второго комплекса устройств сопряжения с объектом 62, второго комплекта конечных выключателей 63, второго датчика положения моста 64, второго датчика положения тележки 65, второго комплектного электропривода перемещения моста 66, второго комплектного электропривода перемещения тележки 67, второго комплектного электропривода вертикального перемещения 68, второго механического передаточного устройства 69, второго датчика ускорений и угловых отклонений 70, второго датчика усилия 71 и второго датчика положения обезвешиваемого объекта по вертикали 72;
перемещаемый груз 109, космический грузовой манипулятор 110;
пульт контроля и управления 33, состоящий из АРМ инженера 34, АРМ инструктора 35, третьего блока цифровой связи 36, АРМ врача 37, панели управления средствами обеспечения жизнедеятельности 38 и второго модуля средств отображения информации коллективного пользования 39;
средства обеспечения жизнедеятельности 40 и участок, имитирующий поверхность космического объекта Солнечной системы, с комплектом учебного оборудования 41.
К входу-выходу мобильного АРМ 2 через адаптер беспроводной связи 3 подключен первый вход-выход локальной вычислительной сети передачи данных 8.
К первому входу-выходу сетевого сервера 4 подключен второй вход-выход локальной вычислительной сети передачи данных 8, ко второму входу-выходу - первый вход-выход локальной вычислительной сети видеонаблюдения и аудиопрослушивания 9, к третьему входу-выходу - первый вход-выход локальной вычислительной сети цифровой связи 10 и к четвертому входу-выходу - вход-выход консоли оператора 5.
К третьему входу-выходу локальной вычислительной сети передачи данных 8 подключен первый вход-выход АРМ обучаемых 15, к четвертому входу-выходу - первый вход-выход АРМ руководителя обучения 14, к пятому входу-выходу - первый вход-выход сервера моделирования 25, к шестому входу-выходу - первый вход-выход АРМ инженера 34, к седьмому входу-выходу - вход-выход АРМ инструктора 5, к восьмому входу-выходу - вход-выход АРМ врача 37, к входу - выход модуля средств медицинского контроля 23.
Ко второму входу-выходу локальной вычислительной сети видеонаблюдения и аудиопрослушивания 9 подключен вход-выход многоканального видеорегистратора 7, к третьему входу-выходу - вход-выход комплекта телекамер наблюдения 21, к четвертому входу-выходу - вход-выход телекамеры наблюдения 19, к пятому входу-выходу - второй вход-выход АРМ обучаемых 15, к шестому входу-выходу - второй вход-выход АРМ руководителя обучения 14, к седьмому входу-выходу - второй вход-выход АРМ инженера 34, к первому входу - второй выход скафандра, предназначенного для размещения обучаемого 24, ко второму входу - выход «Гидролаборатории» 211 и к выходу - вход «Молодежного образовательного Космоцентра» 12.
Ко второму входу-выходу локальной вычислительной сети цифровой связи 10 подключен вход-выход первого блока цифровой связи 6, к третьему входу-выходу - вход-выход второго блока цифровой связи 17, к четвертому входу-выходу - первый вход-выход скафандра предназначенного для размещения обучаемого 24, к пятому входу-выходу - вход-выход третьего блока цифровой связи 36.
К третьему входу-выходу АРМ руководителя обучения 14 через первый блок устройств сопряжения с объектом 16 подключен вход-выход действующего макета выходного космического скафандра 18 и к выходу - вход первого модуля средств отображения информации коллективного пользования 20.
К выходу сервера моделирования 25 подключен вход системы визуализации 22, ко второму входу-выходу - первый вход-выход электромеханического модуля обезвешивания с 6-ю степенями свободы 26, являющийся одновременно первым входом-выходом первого комплекса устройств сопряжения с объектом 42, к третьему входу-выходу - первый вход-выход второго блока устройств сопряжения с объектом 27 и к четвертому входу-выходу - первый вход-выход электромеханического модуля обезвешивания с 3-мя степенями свободы 108, являющийся одновременно первым входом-выходом второго комплекса устройств сопряжения с объектом 42.
К первому входу первого комплекса устройств сопряжения с объектом 42 электромеханического модуля обезвешивания с 6-ю степенями свободы 26 подключен выход первого датчика положения обезвешиваемого объекта по вертикали 57, ко второму входу - информационный выход первого датчика усилия 52, к третьему входу - выход первого датчика ускорений и угловых отклонений 50, к четвертому входу - выход первого комплекта конечных выключателей 43, к пятому входу - выход первого датчика положения моста 44, к шестому входу - выход первого датчика положения тележки 45, ко второму входу-выходу - вход-выход первого комплектного электропривода перемещения моста 46, к третьему входу-выходу - вход-выход первого комплектного электропривода перемещения тележки 47, к четвертому входу-выходу - вход-выход первого комплектного электропривода вертикального перемещения 48, к пятому входу-выходу - вход-выход первого комплектного электропривода перемещения по крену 55, к седьмому входу - выход первого датчика угла положения по крену 56, к шестому входу-выходу - вход-выход первого комплектного электропривода перемещения по тангажу 59, к восьмому входу - выход первого датчика угла положения по тангажу 60 и к девятому входу - выход первого датчика угловых скоростей обезвешиваемого объекта 61.
К первому выходу первого механического передаточного устройства 49 электромеханического модуля обезвешивания с 6-ю степенями свободы 26 подключен вход первого комплекта конечных выключателей 43, ко второму выходу - вход первого датчика положения моста 44, к третьему выходу - вход первого датчика положения тележки 45, к первому входу - выход первого комплектного электропривода перемещения моста 46, ко второму входу - выход первого комплектного электропривода перемещения тележки 47, к третьему входу - выход первого комплектного электропривода вертикального перемещения 48, к четвертому выходу - вход первого датчика ускорений и угловых отклонений 50, к входу-выходу через последовательно соединенные первый упорный подшипник 51, первый датчик усилия 52, первое демпфирующее устройство 53 и первый одностепенной шарнирный подвес для поворота по крену 54 - вход-выход первого одностепенного шарнирного подвеса для поворота по тангажу 58.
К входу первого одностепенного шарнирного подвеса для поворота по крену 54 электромеханического модуля обезвешивания с 6-ю степенями свободы 26 подключен выход первого комплектного электропривода перемещения по крену 55, к выходу - вход первого датчика угла положения по крену 56.
К входу первого одностепенного шарнирного подвеса для поворота тангажу 58 электромеханического модуля обезвешивания с 6-ю степенями свободы 26 подключен выход первого комплектного электропривода перемещения по тангажу 59, к выходу - вход первого датчика угла положения по тангажу 60.
К первому входу второго комплекса устройств сопряжения с объектом 62 электромеханического модуля обезвешивания с 3-мя степенями свободы 108 подключен выход второго датчика положения обезвешиваемого объекта по вертикали 72, ко второму входу - информационный выход второго датчика усилия 71, к третьему входу - выход второго датчика ускорений и угловых отклонений 70, к четвертому входу - выход второго комплекта конечных выключателей 63, к пятому входу - выход второго датчика положения моста 64, к шестому входу - выход второго датчика положения тележки 65, ко второму входу-выходу - вход-выход второго комплектного электропривода перемещения моста 66, к третьему входу-выходу - вход-выход второго комплектного электропривода перемещения тележки 67, к четвертому входу-выходу - вход-выход второго комплектного электропривода вертикального перемещения 68.
К первому выходу второго механического передаточного устройства 69 электромеханического модуля обезвешивания с 3-мя степенями свободы 108 подключен вход второго комплекта конечных выключателей 63, ко второму выходу - вход второго датчика положения моста 64, к третьему выходу - вход второго датчика положения тележки 65, к первому входу - выход второго комплектного электропривода перемещения моста 66, ко второму входу - выход второго комплектного электропривода перемещения тележки 67, к третьему входу - выход второго комплектного электропривода вертикального перемещения 68, к четвертому выходу - вход второго датчика ускорений и угловых отклонений 70, к входу-выходу - второй датчик усилия 71.
К первому выходу скафандра, предназначенного для размещения обучаемого, 24 подключен вход модуля средств медицинского контроля 23, к третьему выходу - первый вход первого электромеханического модуля обезвешивания с 6-ю степенями свободы 26, являющийся одновременно входом первого датчика положения обезвешиваемого объекта по вертикали 57, ко второму входу-выходу - второй вход-выход первого электромеханического модуля обезвешивания с 6-ю степенями свободы 26, являющийся одновременно вторым входом-выходом первого одностепенного шарнирного подвеса для поворота по тангажу 58, к четвертому выходу - второй вход первого электромеханического модуля обезвешивания с 6-ю степенями свободы 26, являющийся одновременно входом первого датчика угловых скоростей обезвешиваемого объекта 61, к третьему входу-выходу - вход-выход системы визуализации 22, к четвертому входу-выходу - второй вход-выход средств обеспечения жизнедеятельности 40.
Ко второму входу-выходу второго блока устройств сопряжения с объектом 27 подключен вход-выход полномасштабного макета орбитального модуля МКС 29, к третьему входу-выходу - вход модуля средств освещения 28.
К выходу перемещаемого груза 109 подключен вход электромеханического модуля обезвешивания с 3-мя степенями свободы 108, являющийся одновременно входом второго датчика положения обезвешиваемого объекта по вертикали 72, к первому входу-выходу - второй вход-выход электромеханического модуля обезвешивания с 3-мя степенями свободы 108, являющийся одновременно вторым входом-выходом второго датчика усилия 71, ко второму входу-выходу через космический грузовой манипулятор 110 - третий вход-выход электромеханического модуля обезвешивания с 3-мя степенями свободы 108, являющийся одновременно пятым входом-выходом второго комплекса устройств сопряжения с объектом 62.
К первому входу-выходу средств обеспечения жизнедеятельности 40 подключен вход-выход панели управления средствами обеспечения жизнедеятельности 38 пульта контроля и управления 33.
К выходу АРМ инженера 34 пульта контроля и управления 33 подключен вход второго модуля средств отображения информации коллективного пользования 39.
В качестве перемещаемого груза 109 использован массогабаритный макет объекта, характерный для погрузочно-разгузочных операций, выполняемых на МКС (причем для учебно-тренировочных целей используется целый набор таких объектов).
Космической грузовой манипулятор 110, предназначенный для отработки операций в открытом космическом пространстве, связанных с перемещениями грузов и т.д., представляет собой действующий полномасштабный макет манипулятора «Стрела» (см. фото 2) и состоит из грузовой стрелы ГСтМ телескопической конструкции, такелажного узла на конце стрелы, приводного механизма (выдвижения-втягивания, перемещения вверх-вниз и влево-вправо) стрелы и поста оператора с пультом управления. На МКС манипулятор «Стрела» устанавливается на стыковочном отсеке - модуле СО-1 «Пирс» или на исследовательском модуле МИМ-2 «Поиск», а в предлагаемом комплексе космический грузовой манипулятор 232 - на полномасштабном макете (или фрагменте макета) орбитального модуля МКС 229. Как вариант реализации космического грузового манипулятора 232, в комплексе используется манипулятор «Стрела» в тренажном исполнении, состоящий только из поста оператора с пультом управления и части грузовой стрелы ГСтМ (например, только первого звена телескопической конструкции стрелы).
Предлагаемый комплекс работает следующим образом.
Многофункциональный учебно-тренировочный комплекс для подготовки космонавтов (астронавтов) к внекорабельной деятельности состоит из двух основных взаимодействующих частей: функционально-моделирующего стенда предтренажерной подготовки и комплексного тренажера внекорабельной деятельности.
Перед началом подготовки на комплексе обучаемые космонавты (астронавты) экипажей МКС и проходят соответствующую теоретическую подготовку. Кроме этого, для эффективного использования комплекса по прямому назначению производится тщательная методическая проработка содержания и последовательности учебных мероприятий.
В функционально-моделирующем стенде предтренажерной подготовки в соответствии с планом подготовки запускается сетевой сервер 4 интегрирующей системы 1, обучаемые космонавты (астронавтов) размещаются за АРМ обучаемых 15 функционально-моделирующего стенда предтренажерной подготовки 13, а руководитель обучения - за своим АРМ 14. Руководитель обучения по локальной вычислительной сети передачи данных 8 запрашивает у сетевого сервера 4 пакет информации, необходимой для проведения учебного мероприятия, а затем с помощью АРМ руководителя обучения 14 и первого модуля средств отображения информации коллективного пользования 20 предъявляет обучаемым учебный материал во всем необходимом многообразии: текст, речевая информация, 20-графика, видео с аудиосопровождением, вовлекая обучаемых в так называемый интерактивный учебный процесс, заключающийся в активном взаимодействии обучаемых с изучаемой предметной областью путем ритмичного чередования (по заранее подготовленному сценарию) выдачи модулей (порций) учебной информации и ожидании ответных реакции (конкретных ответных действий) на эту информацию от обучаемых, в том числе путем организации оперативных опросов, а также проведения автоматизированного тестирования. Причем наличие действующего макета выходного космического скафандра 18 позволяет произвести детально изучение устройства, конструкции и компоновки штатных выходных скафандров Российского сегмента МКС для внекорабельной деятельности типа «Орлан», а также практически и на высоком уровне отработать процедуры подготовки скафандра к использованию.
При этом руководитель обучения имеет возможность предъявить обучаемым аудио-видеоинформацию (связанную с решением задач внекорабельной деятельности) при проведении тренировок других групп космонавтов в «Гидролаборатории» и на комплексном тренажере внекорабельной деятельности (предлагаемого комплекса), а также с помощью второго блока цифровой связи 17 вести переговоры с другими абонентами локальной вычислительной сети цифровой связи 10, причем ход учебного процесса может контролироваться заинтересованными пользователями по сети видеонаблюдения и аудиопрослушивания 9 с помощью телекамеры наблюдения 19. Конкретные результаты проведенного учебного мероприятия, например результаты автоматизированного тестирования обучаемых космонавтов по теме, изученной в данном учебном мероприятии, пересылаются на долговременное хранение в сетевой сервер 4.
После успешного завершения предтренажерной подготовки обучаемые космонавты переходят в помещение, в котором смонтировано оборудование комплексного тренажера внекорабельной деятельности многофункционального учебно-тренировочного комплекса. В качестве иллюстрации, на рис.1 представлены опорная конструкция, один из двух подвижных мостов с подвижной тележкой и подвешенным скафандром, полномасштабный макет орбитального модуля МКС, две стойки со средствами вычислительной техники (серверы, графические станции и т.д.) и пульт контроля и управления. Здесь обучаемые космонавты имеют возможность детально ознакомиться с устройством и конструкцией оборудования системы шлюзования, интерьером внутреннего объема переходного и стыковочного отсеков, выходного люка; с конструкцией оборудования, навесных механизмов и приборов, поручней и средств фиксации на внешней поверхности полномасштабного макета орбитального модуля МКС 29; с участком, имитирующим поверхность космического объекта Солнечной системы, и с комплектом учебного оборудования 41 (на рис.1 не показано), а также уточнить особенности Российского выходного скафандра типа «Орлан» и проверить готовность скафандров к использованию.
После подачи электропитания обслуживающий персонал производит включение и проверку работоспособности оборудования (конкретный состав используемого оборудования определяется в соответствии с планом тренировки), устанавливает первый 24 и второй 31 скафандры на пол помещения комплексного тренажера в вертикальном положении, а инструктор, инженер и врач комплекса размещаются за пультом контроля и управления 33. После включения в работу средств обеспечения жизнедеятельности 40, обучаемые космонавты могут осуществить процесс одевания (или точнее «входа») скафандров с последующим запуском первого 23 и второго 32 модулей средств медицинского контроля. В процессе выполнения работ по проверке работоспособности обслуживающим персоналом используются первый 6 и третий 35 блоки цифровой связи, а также, при необходимости, мобильный АРМ 2.
Ввод начальных условий и запуск тренажера в работу.
Инструктор, выбрав с помощью программного обеспечения АРМ инструктора 35 на пульте контроля и управления 33 предусмотренный планом сценарий тренировки и соответствующий набор начальных условий (вариант видеопотока, генерируемого системой визуализации 22, исходное положение скафандров 24 (31), режим освещения и т.д.), запускает тренажер в работу.
Внекорабельная деятельность в интерактивном безопорном пространстве (использование предлагаемого технического решения по варианту 1)
Внекорабельная деятельность в открытом космическом пространстве осуществляется, как правило, одновременно двумя взаимодействующими космонавтами (астронавтами).
Параметры набора начальных условий тренировки из АРМ инструктора 35 с помощью локальной вычислительной сети передачи данных 8 поступают в сервер моделирования 25. При этом в сервере моделирования 25 активируется программный модуль, обеспечивающий моделирование невесомости, который формирует соответствующие управляющие команды для сервера визуализации 95 системы визуализации 22, первого 42 и второго 62 контроллеров комплекса устройств сопряжения с объектом соответственно первого 26 и второго 30 электромеханических модулей обезвешивания с 6-ю степенями свободы и контроллера второго блока устройств сопряжения с объектом 27.
Система визуализации 22 формирует на экранах необходимое изображение окружающего космического пространства (звезды, орбитальные модули МКС и т.д.), которое с помощью видеопроекторов 99-104 проецируется на экраны 105-107. Одновременно с этим контроллеры, используя модули ввода-вывода дискретной и аналоговой информации комплекса устройств сопряжения с объектом 42 (62), с помощью комплектных электроприводов вертикального перемещения 48 (68), перемещения моста 46 (66) и перемещения тележки 47 (67) осуществляют позиционирование скафандров с обучаемыми 24 и 31 в требуемой зоне помещения тренажера, контролируя правильность отработки своих управляющих воздействий с помощью датчика положения обезвешиваемого объекта по вертикали 57 (77), датчиков положения тележки 44 (64) и моста 45 (65). После отработки заданных линейных координат схемы автоматики комплектных электроприводов останавливают электродвигатели, синхронно включая электромагнитные тормоза, которые надежно фиксируют скафандры с обучаемыми 24 и 31 по вертикали и в горизонтальной плоскости. Для повышения эффективности компенсации нежелательных (в том числе и опасных) динамических воздействий на обучаемого в скафандре при его вертикальных перемещениях и в особенности при аварийном срабатывании электромагнитного тормоза комплектного электропривода вертикального перемещения 48 (68) в тренажере использовано демпфирующее устройство 53 (73). В это же время контроллер второго блока устройств сопряжения с объектом 27, используя модули ввода-вывода дискретной и аналоговой информации, создает необходимый режим освещения рабочей зоны тренажера.
При необходимости перемещения в безопорном пространстве тренажера, обучаемый, например, отталкивается руками от элементов конструкции полномасштабного макета орбитального модуля МКС 29 (или, захватив элементы конструкции, притягивает их к себе руками). Создаваемые обучаемым усилия, в общем случае, состоят из трех составляющих векторов (усилие по вертикали и два взаимно перпендикулярных усилия в горизонтальной плоскости) и трех моментов (момент по курсу, крену и тангажу). Данные усилия вызывают пропорциональное их величине изменение значения выходного сигнала датчика усилия 52 (72), датчика ускорений и угловых отклонений 50 (70) и датчика угловых скоростей обезвешиваемого объекта 61 (81), которые поступают в контроллер комплекса устройств сопряжения с объектом 42 (62). Программное обеспечение этого контроллера выполняет решение уравнений динамики и формирует управляющие воздействия для комплектного электропривода вертикального перемещения 48 (68), перемещения моста 46 (66), перемещения тележки 47 (87), перемещения по крену 55 (75) и перемещения по тангажу 59 (79), что приводит к соответствующему (в зависимости от величины и продолжительности усилия, прилагаемого обучаемым) перемещению скафандра с обучаемым в направлении, противоположном направлению прилагаемого усилия.
Таким образом, в интерактивном безопорном пространстве, создаваемом функционально-моделирующим стендом, осуществляется активное силокомпенсирующее обезвешивание с помощью управляемых электроприводов по вертикали и в горизонтальной плоскости, а также при повороте по крену и тангажу. А момент, создаваемый обучаемым по курсу, благодаря использованию в подвеске скафандра с обучаемым 24 и 31 упорного подшипника 51 (71), приводит к соответствующему повороту скафандра за счет мускульной силы обучаемого также в направлении, противоположном направлению прилагаемого усилия.
Для исключения возможности перекручивания шланга средств обеспечения жизнедеятельности 40 угол поворота обучаемого в скафандре 24 и 31 ограничен (предельные значения не более 180° как против часовой стрелки, так и по часовой стрелке) конструкцией упорного подшипника 51 (71). Помимо этого осуществляется контроль текущего угла поворота (то есть угла положения обучаемого в скафандре по курсу) как в автоматическом режиме программным обеспечением сервера моделирования 25 по значениям, получаемым от датчика угловых скоростей обезвешиваемого объекта 61 (с выдачей соответствующей предупредительной информации, например, на АРМ врача 37 пульта контроля и управления 33 или на второй модуль средства отображения информации коллективного пользования 39, так и непосредственно врачом тренажера при визуальном наблюдении за действиями обучаемых с помощью комплекта телекамер наблюдения 21.
При отработке отдельных учебных упражнений, для которых характерны динамичные воздействия обучаемого, для уменьшения времени реакции контроллера комплекса устройств сопряжения с объектом 42 (62) по управлению интерактивным безопорным пространством предусмотрена реализация части задач по упрощенному алгоритму.
При отработке задач внекорабельной деятельности во внутреннем объеме полномасштабного макета орбитального модуля МКС 29 обучаемый, выполнив требуемые операции в соответствии с циклограммами шлюзования, открывает выходной люк и, приняв положение по тангажу близкое к горизонтальному (нулевой тангаж), осуществляет «выход в открытый космос».
Далее с помощью поручней обучаемый перемещается по внешней поверхности полномасштабного макета орбитального модуля МКС 29 фиксируется страховочным фалом скафандра в нужной для выполнения работы зоне макета и выполняет необходимые операции с оборудованием, навесными механизмами и приборами, установленными в рабочей зоне на внешней поверхности макета. Причем для воссоздания яркого солнечного освещения макета, требующего от обучаемого, например, использования светофильтра на шлеме скафандра, инструктор на пульте контроля и управления 33 (с помощью соответствующего программного обеспечения АРМ инструктора 35) имеет возможность регулирования яркости прожекторов из состава модуля средств освещения 28.
В процессе тренировки средства обеспечения жизнедеятельности 40 осуществляют очистку и подачу воздуха для дыхания обучаемого и вентиляции внутреннего объема скафандра, а также подачу низковольтного напряжения для электропитания устройств оборудования скафандра с обучаемым 24 и 31. Кроме этого, с помощью средств обеспечения жизнедеятельности 40 имеется возможность изменять (в определенном интервале) давление воздуха внутри скафандра, изменяя скафандр от сжатого до максимально раздутого состояния, движение в котором требует от обучаемого максимальных мышечных усилий.
Обучаемый с помощью комплекта средств связи скафандра 24 и 31, подключенных к локальной вычислительной сети цифровой связи 10, имеет возможность вести речевой обмен с инструктором (врачом) стенда, которые в процессе тренировки выполняют роль как специалистов Центра управления полетами, так и других членов экипажа МКС, находящихся внутри орбитальных модулей.
В процессе тренировки с помощью датчиков, закрепленных на теле обучаемого, и комплекта медицинской аппаратуры скафандра снимаются сигналы электрокардиограммы, пневмограммы и значения температуры тела, которые через первый 23 и второй 32 модуль средств медицинского контроля поступают в АРМ врача 37 пульта контроля и управления 33, позволяя врачу комплексного тренажера осуществлять в реальном масштабе времени достоверный контроль психофизиологического состояния обучаемых.
За отработкой процедур и упражнений по внекорабельной деятельности обучаемого в процессе тренировки, инструктором и врачом осуществляется дистанционное визуальное наблюдение с помощью комплекта телекамер наблюдения 21. Кроме этого, телекамера, установленная на шлеме скафандра 24 и 31, предоставляет инструктору дополнительную возможность наблюдения за действиями обучаемого непосредственно в его рабочей зоне, что позволяет значительно более объективно оценивать правильность выполнения конкретных операций и упражнений.
Работа в условиях пониженной гравитации (использование предлагаемого технического решения по варианту 1)
Как известно, внекорабельная деятельность в условиях пониженной гравитации на спутнике Земли Луне осуществлялась одновременно двумя взаимодействующими американскими астронавтами и, вероятно, также будет осуществляться, как минимум, двумя взаимодействующими космонавтами (астронавтами) и на других космических объектах Солнечной системы.
Параметры набора начальных условий тренировки из АРМ инструктора 35 с помощью локальной вычислительной сети передачи данных 8 поступают в сервер моделирования 25. При этом в сервере моделирования 25 активируется программный модуль, обеспечивающий моделирование пониженной гравитации (0,165 от земной для Луны и 0,378 - для Марса и т.д.). Далее, система визуализации 22 синтезирует изображение, например, окружающего Лунного пейзажа (см. рис.3), электромеханические модули обезвешивания 26 (30) перемещают скафандры с обучаемыми 24 (31) на участок, имитирующий поверхность космического объекта Солнечной системы (в данном случае, Луны), с комплектом учебного оборудования 41 (на рис.3 не показано), а модуль средств освещения 28 создает необходимый режим освещения.
Обучаемый в скафандре 24 (31), стоя, например, на участке, имитирующей поверхность Луны, начинает движение. Анализ опыта работы американских астронавтов на Луне (см. Техническое предложение ООО «Центр тренажеростроения и подготовки персонала» ЦТКФ.161454.081 ПЗ Динамический стенд «Селен». Модернизация. Пояснительная записка, 2010 год) показал, что характерная для земных условий походка на Луне является неудобной. Так как используемый скафандр характеризуется тем, что помимо жесткой конструкции он имеет смещение центра тяжести вверх и несколько назад, то, чтобы не потерять равновесие в жестком скафандре астронавту при ходьбе необходимо существенно наклонятся вперед. Кроме этого, пониженное по сравнению с земным сцепление подошв обуви с лунным грунтом несколько снижает скорость движения астронавта на поворотах, однако, при приобретении им определенных навыков привычная скорость движения при поворотах все же достигается. В тренажере требуемые наклоны набок, вперед и повороты обучаемого в скафандре вокруг вертикальной оси обеспечиваются соответственно с помощью одностепенных шарнирных подвесов 54 (74) и 58 (78), а также упорного подшипника 51 (71).
В комплексном тренажере при отработке передвижений по имитируемой поверхности Луны, обеспечивается активное силокомпенсирующее обезвешивание обучаемого в скафандре 24 (31) при перемещениях по вертикали (компенсация гравитационных сил Лунного притяжения), компенсация сил трения в механических передачах и инерции масс подвижных элементов в горизонтальной плоскости и при перемещениях по курсу и тангажу (три линейных и две угловых координаты), а также пассивная подвижность по курсу за счет мускульной силы, то есть принципиально - абсолютно аналогично работе обучаемого в условиях невесомости. Очевидно только, что при движении по имитируемой поверхности Луны обучаемый космонавт (астронавт) создает усилия, преимущественно, отталкивания, причем, в основном ногами, а моделируемые динамические характеристики перемещений в условиях имитируемых невесомости и пониженной гравитации Луны существенно отличаются.
На тренажере помимо приобретения навыков хождения по имитируемой поверхности Луны предполагается также выполнять следующие экспериментальные исследования и учебные задачи: бег вприпрыжку и скачки по ровной (наклонной) как по твердой, так и по мягкой поверхности (песок, вязкий грунт и пыль) при отсутствии (при наличии) препятствий; падение вперед, назад, вправо или влево и подъем после этого на ноги; наклоны вперед и опускание на одно или оба колена и подъем после этого на ноги; спуск и подъем по трапу; перемещение (переноска) макетов различных приборов и оборудования, имеющихся в составе участка, имитирующего поверхность Луны, с комплектами учебного оборудования 41.
Работа с космическим грузовым манипулятором (использование предлагаемого технического решения по варианту 2)
Актуальной особенностью предлагаемого тренажера является возможность отработки комплекса задач по использованию космического грузового манипулятора 231. Для реализации этой возможности один из обучаемых в скафандре 24 обезвешивается электромеханическим модулем обезвешивания с 6-ю степенями свободы 26, а на блок (см. поз.94 на фиг.4а) механического передаточного устройства 69, входящего в состав электромеханического модуля обезвешивания с 3-мя степенями свободы 108, подвешивается перемещаемый груз 109, с которым соединен такелажный узел на конце стрелы космического грузового манипулятора ПО. Обучаемый, переместившись по внешней поверхности полномасштабного макета орбитального модуля МКС 29, фиксирует скафандр 24 на посту оператора действующего полномасштабного макета манипулятора «Стрела» и, воздействуя на органы его пульта управления с целью изменения вылета (выдвижение-втягивание) и перемещения (вверх-вниз и влево-вправо) грузовой стрелы ГСтМ, создает соответствующие усилия на конце стрелы. Эти усилия, в общем случае, состоят из трех составляющих векторов (усилие по вертикали и два взаимно перпендикулярных усилия в горизонтальной плоскости), которые отрабатываются электромеханическим модулем обезвешивания с 3-мя степенями свободы 108, абсолютно аналогично усилиям, создаваемым обучаемым при перемещениях в безопорном пространстве тренажера с 3-мя линейными координатами.
При использовании манипулятор «Стрела» в тренажном исполнении (состоящем только из поста оператора с пультом управления и части грузовой стрелы ГСтМ) при воздействии обучаемого на органы пульта управления происходит перемещение (вверх-вниз и влево-вправо) только первого реального звена телескопической конструкции грузовой стрелы ГСтМ, а контрольная информация о данных управляющих воздействиях через контроллер комплекса устройств сопряжения с объектом 62 и сервер моделирования 25 передается в систему визуализации 22. Причем в этом случае необходимость использования электромеханического модуля обезвешивания с 3-мя степенями свободы 108 отпадает, так как система визуализации 22 получает возможность «продолжить» первое звено грузовой стрелы синтезированным изображением последующих звеньев (см. рис.4) и даже «подвесить» к такелажному узлу на конце стрелы разнообразные виртуальные грузы (так называемая «дополненная реальность»).
Ввод отказов.
Для инструктора в процессе тренировки, с АРМ инструктора 34 пульта контроля и управления тренировкой 33 предусмотрена возможность ввода следующих основных отказов на выбор или в требуемой комбинации:
- отказ отдельных органов управления (клавиши, тумблеры и т.д.) и отдельных средств отображения информации (индикаторы, сигнальные табло, транспаранты и т.д.) оборудования системы шлюзования из комплекта оборудования шлюзования во внутреннем объеме полномасштабного макета орбитального модуля МКС 29;
- отказ отдельных органов управления и отдельных средств отображения информации оборудования выходного люка стыковочного отсека из комплекта оборудования шлюзования полномасштабного макета орбитального модуля МКС 29;
отказ отдельных органов управления и отдельных средств отображения информации космического грузового манипулятора 110 в тренажном исполнении.
Для имитации отказов органов управления и средств отображения информации оборудования системы шлюзования и выходного люка, в зависимости от выполняемого сценария тренировки, инструктор с АРМ инструктора 34 с помощью локальной вычислительной сети передачи данных 8 производит блокирование обработки необходимых каналов ввода-вывода аналоговых и дискретных сигналов в контроллере второго блока устройств сопряжения с объектом 27, а для космического грузового манипулятора - в контроллере комплекса устройств сопряжения с объектом 62.
Кроме этого, возможна имитация отказа средств речевой связи обучаемого с инструктором (путем отключения третьего блока цифровой связи 35 пульта контроля и управления 33), а также предусмотрена возможность под контролем врача комплексного тренажера с помощью средств обеспечения жизнедеятельности 40 имитации отказов отдельных элементов оборудования скафандра с обучаемым 24 (31), например останов насоса системы жидкостного терморегулирования микроклимата внутри скафандра, останов и завершение работы тренажера.
Инструктор, выполнив требуемый сценарий тренировки, производит останов и выдает команду на завершение работы.
К техническим результатам, полученным в предлагаемом изобретении, относятся следующие функциональные возможности комплекса:
- одновременная подготовка 3-х обучаемых космонавтов (астронавтов) с использованием современных информационно-коммуникационных образовательных технологий, в том числе технологий виртуальной реальности на базе средств функционально-моделирующего стенда предтренажерной подготовки;
- обеспечение возможности предоставления обучаемым космонавтам (астронавтам) аудио-видеоинформации (связанной с решением задач внекорабельной деятельности) при проведении тренировок космонавтов в «Гидролаборатории»;
- изучение устройства, конструкции и компоновки штатных выходных скафандров Российского сегмента МКС для внекорабельной деятельности типа «Орлан», подготовка скафандра к использованию, работа в скафандре, управление его системами в штатных режимах и в нештатных ситуациях;
- изучение устройства, конструкции и компоновки оборудования во внутреннем объеме (оборудование средств шлюзования, выходного люка и т.д.), навесных механизмов и приборов, поручней и средств фиксации на внешней поверхности полномасштабного макета орбитального модуля МКС (например, стыковочный отсек - модуль СО-1 «Пирс», исследовательский модуль МИМ-2 «Поиск» и т.д.);
- изучение устройства, конструкции и возможностей по управлению действующим макетом космического грузового манипулятора (манипулятор «Стрела» Российского сегмента МКС);
- знакомство с участками, характерными для поверхности космических объектов Солнечной системы, назначением и устройством комплектов учебного оборудования, которые планируется использовать в предполагаемых миссиях посещения этих объектов;
- подготовка одновременно двух обучаемых космонавтов (астронавтов) при выполнении совместных операций и процедур внекорабельной деятельности в открытом космическом пространстве;
- подготовка одного обучаемого космонавта (астронавта) при выполнении операций по управлению действующим макетом космического грузового манипулятора (манипулятор «Стрела» Российского сегмента МКС);
- подготовка одновременно двух обучаемых космонавтов (астронавтов) при выполнении операций по управлению макетом космического грузового манипулятора «Стрела» в тренажном исполнении с дополнением реального оборудования комплекса элементами виртуальной реальности (так называемая дополненная реальность), например, изображение орбитального модуля (модулей) МКС, груз для космического манипулятора и т.д.;
- «погружение» обучаемых в интерактивное безопорное пространство с шестью степеням свободы в условиях имитируемой «полной» невесомости открытого космоса, дополненное для полноты ощущений визуализацией ближнего окружающего пространства (космические аппараты) и дальнего космического пространства (Земля, Луна, Солнце и другие космические объекты);
- активное силокомпенсирующее обезвешивание обучаемого в скафандре по пяти степеням свободы при перемещениях по вертикали (компенсация гравитационных сил Земного притяжения) и в горизонтальной плоскости (компенсация сил трения в механических передачах и инерции масс подвижных элементов) - линейные координаты «x», «y» и «z»), при перемещениях по крену и тангажу (компенсация сил трения в механических передачах и инерции масс подвижных элементов) - угловые координаты «β» и «γ»;
- возможность угловых перемещений (пассивная подвижность) по курсу (шестая степень свободы) - угловая координата «α»;
- обеспечение возможности приобретения обучаемыми космонавтами устойчивых перцептуальных (распознавательных) и сенсорно-моторных (исполнительных) навыков по эффективному управлению комплексом средств шлюзования при выполнении операций в переходном и стыковочном отсеках орбитального модуля Российского сегмента МКС в соответствии с требуемыми циклограммами работ;
обеспечение возможности приобретения обучаемыми устойчивых перцептуальных (распознавательных) и сенсорно-моторных (исполнительных) навыков по закреплению в рабочей зоне, при работе с оборудованием, навесными механизмами и приборами, установленными на внешней поверхности орбитального модуля МКС, в том числе с космическим грузовым манипулятором;
- проведение экспериментальных исследований и тренировок с обучаемым в скафандре в условиях, имитирующих пониженную гравитацию на поверхности космических объектов Солнечной системы с шестью степенями свободы по отработке способов передвижения и приобретению обучаемыми космонавтами (астронавтами) устойчивых перцептуальных (распознавательных) и сенсорно-моторных (исполнительных) навыков при работе с комплектом учебного оборудования и дополненную для полноты ощущений визуализацией окружающего пейзажа объекта Солнечной системы;
- обеспечение жизнедеятельности двух обучаемых в скафандре длительное время (до 8 часов), достаточное для решения учебно-тренировочных задач любого уровня сложности;
- обеспечение возможности имитации ведения речевых переговоров обучаемых в скафандре с остальными членами экипажа МКС и со специалистами Центра управления полетами;
- моделирование светотеневой обстановки, характерной для космических объектов, которые находятся на орбите Земли, а также для космических объектов Солнечной системы;
- обеспечение возможности всестороннего контроля и эффективного управления ходом тренировок с помощью пульта контроля и управления, дополненное возможностью дистанционного визуального наблюдения за деятельностью обучаемых, а также за конкретными действиями обучаемого непосредственно в его рабочей зоне;
- обеспечение достоверного контроля психофизиологического состояния обучаемого в реальном масштабе времени профессиональным специалистом-врачом;
- возможность ознакомления школьников, студентов и молодых специалистов с такой важной и интересной сферой пилотируемой космонавтики, как внекорабельная деятельность;
модульность построения из конструктивно и функционально законченных составных частей, что позволяет, в зависимости от потребностей, решаемых задач и финансовых возможностей потенциальных пользователей (потенциальной эксплуатирующей организации) практически реализовать учебно-тренировочный комплекс (по предлагаемому техническому решению) как в полном объеме, так и частично (например, путем «погружения» обучаемого в интерактивное безопорное пространство только с пятью степенями свободы без скафандра и системой визуализации на базе одной графической станции и видео-очков дополненной реальности, без комплектации полномасштабным макетом орбитального модуля МКС, действующим макетом космического грузового манипулятора типа «Стрела», без имитации поверхности, характерной для космических объектов Солнечной системы и создания соответствующих условий пониженной гравитации и т.д.).
Промышленная применимость изобретения определяется тем, что предлагаемый комплекс может быть изготовлен на базе известных комплектующих изделий и технологического оборудования.
В настоящее время, отдельные приоритетные компоненты и технические решения предлагаемого изобретения практически реализованы в программно-техническом комплексе (поставка по документу ЦТКФ. 161454.081), предназначенном для модернизации динамического стенда «Селен» (см. Web-страницу журнала «Новости космонавтики»: Лунный стенд для марсиан, http://www.novosti-kosmonavtiki.ru/content/numbers/249/05.shtml) на стендовой базе ОАО «Ракетно-космическая корпорация «Энергия» им. С.П. Королева» (г. Королев, Московская обл.), на тренажерно-стендовой базе ФГБУ «НИИ ЦПК им. Ю.А. Гагарина» (Звездный городок, Московская обл.): мультимедийный учебный класс для подготовки к внекорабельной деятельности, специализированный тренажер «Выход-2» (поставка по документу 1ЦТ.301.017) - см. Web-страницу: http://www.gctc.ru/main.php?id=145), a также в «Функционально-моделирующем стенде для создания условий интерактивного безопорного пространства и пониженной гравитации» на экспериментально-исследовательской и опытно-производственной базе Донского филиала Центра тренажеростроения (г. Новочеркасск, Ростовская обл.).
Таким образом, предлагаемый комплекс является высокотехнологичной разработкой, обладающей весьма широкими функциональными возможностями, и который по современной классификации технических средств обучения может быть отнесен одновременно как комплексному тренажеру, так и к стенду полунатурного моделирования.
Широкие функциональные возможности предлагаемого учебно-тренировочного комплекса позволят на тренажерно-стендовой базе заинтересованных организаций «Роскосмоса» обеспечить поэтапный процесс всесторонней высокопрофессиональной подготовки экипажей МКС к эффективной работе в открытом космическом пространстве на орбите Земли, использованию космического манипулятора «Стрела», установленного на стыковочном отсеке - модуле СО-1 «Пирс» и исследовательском модуле МИМ-2 «Поиск» Российского сегмента МКС, и подготовку космонавтов (астронавтов) к грядущему освоению космических объектов Солнечной системы.
На основании вышеизложенного и по результатам проведенного патентно-информационного поиска считаем, что предлагаемый комплекс отвечает критериям «Новизна», «Изобретательский уровень» и «Промышленная применимость» и может быть защищен патентом РФ на изобретение.
Claims (13)
1. Многофункциональный учебно-тренировочный комплекс для подготовки космонавтов (астронавтов) к внекорабельной деятельности, содержащий первое механическое передаточное устройство, первый датчик усилия и первый скафандр, предназначенный для размещения обучаемого, отличающийся тем, что в него введены
интегрирующая система, состоящая из мобильного автоматизированного рабочего места (АРМ), адаптера беспроводной связи, сетевого сервера, консоли оператора, первого блока цифровой связи, многоканального видеорегистратора, локальной вычислительной сети передачи данных, локальной вычислительной сети видеонаблюдения и аудиопрослушивания и локальной вычислительной сети цифровой связи;
«Гидролаборатория» и «Молодежный образовательный Космоцентр»;
функционально-моделирующий стенд предтренажерной подготовки, состоящий из АРМ руководителя обучения, АРМ обучаемых, первого блока устройств сопряжения с объектом, второго блока цифровой связи, действующего макета выходного космического скафандра, телекамеры наблюдения и первого модуля средств отображения информации коллективного пользования;
комплект телекамер наблюдения, система визуализации, первый и второй модуль средств медицинского контроля, сервер моделирования;
первый электромеханический модуль обезвешивания с 6-ю степенями свободы, состоящий из первого комплекса устройств сопряжения с объектом, первого комплекта конечных выключателей, первого датчика положения моста, первого датчика положения тележки, первого комплектного электропривода перемещения моста, первого комплектного электропривода перемещения тележки, первого комплектного электропривода вертикального перемещения, первого датчика ускорений и угловых отклонений, первого упорного подшипника, первого демпфирующего устройства, первого одностепенного шарнирного подвеса для поворота по крену, первого комплектного электропривода перемещения по крену, первого датчика угла положения по крену, первого датчика положения обезвешиваемого объекта по вертикали, первого одностепенного шарнирного подвеса для поворота по тангажу, первого комплектного электропривода перемещения по тангажу, первого датчика угла положения по тангажу и первого датчика угловых скоростей обезвешиваемого объекта;
второй блок устройств сопряжения с объектом, модуль средств освещения, полномасштабный макет орбитального модуля МКС и второй скафандр, предназначенный для размещения обучаемого;
второй электромеханический модуль обезвешивания с 6-ю степенями свободы, состоящий из второго комплекса устройств сопряжения с объектом, второго комплекта конечных выключателей, второго датчика положения моста, второго датчика положения тележки, второго комплектного электропривода перемещения моста, второго комплектного электропривода перемещения тележки, второго комплектного электропривода вертикального перемещения, второго механического передаточного устройства, второго датчика ускорений и угловых отклонений, второго упорного подшипника, второго датчика усилия, второго демпфирующего устройства, второго одностепенного шарнирного подвеса для поворота по крену, второго комплектного электропривода перемещения по крену, второго датчика угла положения по крену, второго датчика положения обезвешиваемого объекта по вертикали, второго одностепенного шарнирного подвеса для поворота по тангажу, второго комплектного электропривода перемещения по тангажу, второго датчика угла положения по тангажу и второго датчика угловых скоростей обезвешиваемого объекта;
пульт контроля и управления, состоящий из АРМ инженера, АРМ инструктора, третьего блока цифровой связи, АРМ врача, панели управления средствами обеспечения жизнедеятельности и второго модуля средств отображения информации коллективного пользования;
средства обеспечения жизнедеятельности и участок, имитирующий поверхность космического объекта Солнечной системы, с комплектом учебного оборудования;
к входу-выходу мобильного АРМ через адаптер беспроводной связи подключен первый вход-выход локальной вычислительной сети передачи данных;
к первому входу-выходу сетевого сервера подключен второй вход-выход локальной вычислительной сети передачи данных, ко второму входу-выходу - первый вход-выход локальной вычислительной сети видеонаблюдения и аудиопрослушивания, к третьему входу-выходу - первый вход-выход локальной вычислительной сети цифровой связи и к четвертому входу-выходу - вход-выход консоли оператора;
к третьему входу-выходу локальной вычислительной сети передачи данных подключен первый вход-выход АРМ обучаемых, к четвертому входу-выходу - первый вход-выход АРМ руководителя обучения, к пятому входу-выходу - первый вход-выход сервера моделирования, к шестому входу-выходу - первый вход-выход АРМ инженера, к седьмому входу-выходу - вход-выход АРМ инструктора, к восьмому входу-выходу - вход-выход АРМ врача, к первому входу - выход первого модуля средств медицинского контроля и ко второму входу - выход второго модуля средств медицинского контроля;
ко второму входу-выходу локальной вычислительной сети видеонаблюдения и аудиопрослушивания подключен вход-выход многоканального видеорегистратора, к третьему входу-выходу - вход-выход комплекта телекамер наблюдения, к четвертому входу-выходу - вход-выход телекамеры наблюдения, к пятому входу-выходу - второй вход-выход АРМ обучаемых, к шестому входу-выходу - второй вход-выход АРМ руководителя обучения, к седьмому входу-выходу - второй вход-выход АРМ инженера, к первому входу - второй выход первого скафандра, предназначенного для размещения обучаемого, ко второму входу - третий выход второго скафандра, предназначенного для размещения обучаемого, к третьему входу - выход «Гидролаборатории» и к выходу - вход «Молодежного образовательного Космоцентра»;
ко второму входу-выходу локальной вычислительной сети цифровой связи подключен вход-выход первого блока цифровой связи, к третьему входу-выходу - вход-выход второго блока цифровой связи, к четвертому входу-выходу - первый вход-выход первого скафандра, предназначенного для размещения обучаемого, к пятому входу-выходу - второй вход-выход второго скафандра, предназначенного для размещения обучаемого, и к шестому входу-выходу - вход-выход третьего блока цифровой связи;
к третьему входу-выходу АРМ руководителя обучения через первый блок устройств сопряжения с объектом подключен вход-выход действующего макета выходного космического скафандра и к выходу - вход первого модуля средств отображения информации коллективного пользования;
к выходу сервера моделирования подключен вход системы визуализации, ко второму входу-выходу - первый вход-выход электромеханического модуля обезвешивания с 6-ю степенями свободы, являющийся одновременно первым входом-выходом первого комплекса устройств сопряжения с объектом, к третьему входу-выходу - первый вход-выход второго блока устройств сопряжения с объектом и к четвертому входу-выходу - первый вход-выход второго электромеханического модуля обезвешивания с 6-ю степенями свободы, являющийся одновременно первым входом-выходом второго комплекса устройств сопряжения с объектом;
к первому входу первого комплекса устройств сопряжения с объектом первого электромеханического модуля обезвешивания с 6-ю степенями свободы подключен выход первого датчика положения обезвешиваемого объекта по вертикали, ко второму входу - информационный выход первого датчика усилия, к третьему входу - выход первого датчика ускорений и угловых отклонений, к четвертому входу - выход первого комплекта конечных выключателей, к пятому входу - выход первого датчика положения моста, к шестому входу - выход первого датчика положения тележки, ко второму входу-выходу - вход-выход первого комплектного электропривода перемещения моста, к третьему входу-выходу - вход-выход первого комплектного электропривода перемещения тележки, к четвертому входу-выходу - вход-выход первого комплектного электропривода вертикального перемещения, к пятому входу-выходу - вход-выход первого комплектного электропривода перемещения по крену, к седьмому входу - выход первого датчика угла положения по крену, к шестому входу-выходу - вход-выход первого комплектного электропривода перемещения по тангажу, к восьмому входу - выход первого датчика угла положения по тангажу и к девятому входу - выход первого датчика угловых скоростей обезвешиваемого объекта;
к первому выходу первого механического передаточного устройства первого электромеханического модуля обезвешивания с 6-ю степенями свободы подключен вход первого комплекта конечных выключателей, ко второму выходу - вход первого датчика положения моста, к третьему выходу - вход первого датчика положения тележки, к первому входу - выход первого комплектного электропривода перемещения моста, ко второму входу - выход первого комплектного электропривода перемещения тележки, к третьему входу - выход первого комплектного электропривода вертикального перемещения, к четвертому выходу - вход первого датчика ускорений и угловых отклонений, к входу-выходу через последовательно соединенные первый упорный подшипник, первый датчик усилия, первое демпфирующее устройство и первый одностепенной шарнирный подвес для поворота по крену - вход-выход первого одностепенного шарнирного подвеса для поворота по тангажу;
к входу первого одностепенного шарнирного подвеса для поворота по крену первого электромеханического модуля обезвешивания с 6-ю степенями свободы подключен выход первого комплектного электропривода перемещения по крену, к выходу - вход первого датчика угла положения по крену;
к входу первого одностепенного шарнирного подвеса для поворота по тангажу первого электромеханического модуля обезвешивания с 6-ю степенями свободы подключен выход первого комплектного электропривода перемещения по тангажу, к выходу - вход первого датчика угла положения по тангажу;
к первому входу второго комплекса устройств сопряжения с объектом второго электромеханического модуля обезвешивания с 6-ю степенями свободы подключен выход второго датчика положения обезвешиваемого объекта по вертикали, ко второму входу - информационный выход второго датчика усилия, к третьему входу - выход второго датчика ускорений и угловых отклонений, к четвертому входу - выход второго комплекта конечных выключателей, к пятому входу - выход второго датчика положения моста, к шестому входу - выход второго датчика положения тележки, ко второму входу-выходу - вход-выход второго комплектного электропривода перемещения моста, к третьему входу-выходу - вход-выход второго комплектного электропривода перемещения тележки, к четвертому входу-выходу - вход-выход второго комплектного электропривода вертикального перемещения, к пятому входу-выходу - вход-выход второго комплектного электропривода перемещения по крену, к седьмому входу - выход второго датчика угла положения по крену, к шестому входу-выходу - вход-выход второго комплектного электропривода перемещения по тангажу, к восьмому входу - выход второго датчика угла положения по тангажу и к девятому входу - выход второго датчика угловых скоростей обезвешиваемого объекта;
к первому выходу второго механического передаточного устройства второго электромеханического модуля обезвешивания с 6-ю степенями свободы подключен вход второго комплекта конечных выключателей, ко второму выходу - вход второго датчика положения моста, к третьему выходу - вход второго датчика положения тележки, к первому входу - выход второго комплектного электропривода перемещения моста, ко второму входу - выход второго комплектного электропривода перемещения тележки, к третьему входу - выход второго комплектного электропривода вертикального перемещения, к четвертому выходу - вход второго датчика ускорений и угловых отклонений, к входу-выходу через последовательно соединенные второй упорный подшипник, второй датчик усилия, второе демпфирующее устройство и второй одностепенной шарнирный подвес для поворота по крену - вход-выход второго одностепенного шарнирного подвеса для поворота по тангажу;
к входу второго одностепенного шарнирного подвеса для поворота по крену второго электромеханического модуля обезвешивания с 6-ю степенями свободы подключен выход второго комплектного электропривода перемещения по крену, к выходу - вход второго датчика угла положения по крену;
к входу второго одностепенного шарнирного подвеса для поворота тангажу второго электромеханического модуля обезвешивания с 6-ю степенями свободы подключен выход второго комплектного электропривода перемещения по тангажу, к выходу - вход второго датчика угла положения по тангажу;
к первому выходу первого скафандра, предназначенного для размещения обучаемого, подключен вход первого модуля средств медицинского контроля, к третьему выходу - первый вход первого электромеханического модуля обезвешивания с 6-ю степенями свободы, являющийся одновременно входом первого датчика положения обезвешиваемого объекта по вертикали, ко второму входу-выходу - второй вход-выход первого электромеханического модуля обезвешивания с 6-ю степенями свободы, являющийся одновременно вторым входом-выходом первого одностепенного шарнирного подвеса для поворота по тангажу, к четвертому выходу - второй вход первого электромеханического модуля обезвешивания с 6-ю степенями свободы, являющийся одновременно входом первого датчика угловых скоростей обезвешиваемого объекта, к третьему входу-выходу - второй вход-выход системы визуализации, к четвертому входу-выходу - третий вход-выход средств обеспечения жизнедеятельности;
ко второму входу-выходу второго блока устройств сопряжения с объектом подключен вход-выход полномасштабного макета орбитального модуля МКС, к третьему входу-выходу - вход модуля средств освещения;
к первому выходу второго скафандра, предназначенного для размещения обучаемого, подключен первый вход второго электромеханического модуля обезвешивания с 6-ю степенями свободы, являющийся одновременно входом второго датчика положения обезвешиваемого объекта по вертикали, к первому входу-выходу - второй вход-выход второго электромеханического модуля обезвешивания с 6-ю степенями свободы, являющийся одновременно вторым входом-выходом второго одностепенного шарнирного подвеса для поворота по тангажу, ко второму выходу - второй вход второго электромеханического модуля обезвешивания с 6-ю степенями свободы, являющийся одновременно входом второго датчика угловых скоростей обезвешиваемого объекта, к четвертому выходу - вход второго модуля средств медицинского контроля, к третьему входу-выходу - первый вход-выход системы визуализации, к четвертому входу-выходу - второй вход-выход средств обеспечения жизнедеятельности;
к первому входу-выходу средств обеспечения жизнедеятельности подключен вход-выход панели управления средствами обеспечения жизнедеятельности пульта контроля и управления;
к выходу АРМ инженера пульта контроля и управления подключен вход второго модуля средств отображения информации коллективного пользования.
интегрирующая система, состоящая из мобильного автоматизированного рабочего места (АРМ), адаптера беспроводной связи, сетевого сервера, консоли оператора, первого блока цифровой связи, многоканального видеорегистратора, локальной вычислительной сети передачи данных, локальной вычислительной сети видеонаблюдения и аудиопрослушивания и локальной вычислительной сети цифровой связи;
«Гидролаборатория» и «Молодежный образовательный Космоцентр»;
функционально-моделирующий стенд предтренажерной подготовки, состоящий из АРМ руководителя обучения, АРМ обучаемых, первого блока устройств сопряжения с объектом, второго блока цифровой связи, действующего макета выходного космического скафандра, телекамеры наблюдения и первого модуля средств отображения информации коллективного пользования;
комплект телекамер наблюдения, система визуализации, первый и второй модуль средств медицинского контроля, сервер моделирования;
первый электромеханический модуль обезвешивания с 6-ю степенями свободы, состоящий из первого комплекса устройств сопряжения с объектом, первого комплекта конечных выключателей, первого датчика положения моста, первого датчика положения тележки, первого комплектного электропривода перемещения моста, первого комплектного электропривода перемещения тележки, первого комплектного электропривода вертикального перемещения, первого датчика ускорений и угловых отклонений, первого упорного подшипника, первого демпфирующего устройства, первого одностепенного шарнирного подвеса для поворота по крену, первого комплектного электропривода перемещения по крену, первого датчика угла положения по крену, первого датчика положения обезвешиваемого объекта по вертикали, первого одностепенного шарнирного подвеса для поворота по тангажу, первого комплектного электропривода перемещения по тангажу, первого датчика угла положения по тангажу и первого датчика угловых скоростей обезвешиваемого объекта;
второй блок устройств сопряжения с объектом, модуль средств освещения, полномасштабный макет орбитального модуля МКС и второй скафандр, предназначенный для размещения обучаемого;
второй электромеханический модуль обезвешивания с 6-ю степенями свободы, состоящий из второго комплекса устройств сопряжения с объектом, второго комплекта конечных выключателей, второго датчика положения моста, второго датчика положения тележки, второго комплектного электропривода перемещения моста, второго комплектного электропривода перемещения тележки, второго комплектного электропривода вертикального перемещения, второго механического передаточного устройства, второго датчика ускорений и угловых отклонений, второго упорного подшипника, второго датчика усилия, второго демпфирующего устройства, второго одностепенного шарнирного подвеса для поворота по крену, второго комплектного электропривода перемещения по крену, второго датчика угла положения по крену, второго датчика положения обезвешиваемого объекта по вертикали, второго одностепенного шарнирного подвеса для поворота по тангажу, второго комплектного электропривода перемещения по тангажу, второго датчика угла положения по тангажу и второго датчика угловых скоростей обезвешиваемого объекта;
пульт контроля и управления, состоящий из АРМ инженера, АРМ инструктора, третьего блока цифровой связи, АРМ врача, панели управления средствами обеспечения жизнедеятельности и второго модуля средств отображения информации коллективного пользования;
средства обеспечения жизнедеятельности и участок, имитирующий поверхность космического объекта Солнечной системы, с комплектом учебного оборудования;
к входу-выходу мобильного АРМ через адаптер беспроводной связи подключен первый вход-выход локальной вычислительной сети передачи данных;
к первому входу-выходу сетевого сервера подключен второй вход-выход локальной вычислительной сети передачи данных, ко второму входу-выходу - первый вход-выход локальной вычислительной сети видеонаблюдения и аудиопрослушивания, к третьему входу-выходу - первый вход-выход локальной вычислительной сети цифровой связи и к четвертому входу-выходу - вход-выход консоли оператора;
к третьему входу-выходу локальной вычислительной сети передачи данных подключен первый вход-выход АРМ обучаемых, к четвертому входу-выходу - первый вход-выход АРМ руководителя обучения, к пятому входу-выходу - первый вход-выход сервера моделирования, к шестому входу-выходу - первый вход-выход АРМ инженера, к седьмому входу-выходу - вход-выход АРМ инструктора, к восьмому входу-выходу - вход-выход АРМ врача, к первому входу - выход первого модуля средств медицинского контроля и ко второму входу - выход второго модуля средств медицинского контроля;
ко второму входу-выходу локальной вычислительной сети видеонаблюдения и аудиопрослушивания подключен вход-выход многоканального видеорегистратора, к третьему входу-выходу - вход-выход комплекта телекамер наблюдения, к четвертому входу-выходу - вход-выход телекамеры наблюдения, к пятому входу-выходу - второй вход-выход АРМ обучаемых, к шестому входу-выходу - второй вход-выход АРМ руководителя обучения, к седьмому входу-выходу - второй вход-выход АРМ инженера, к первому входу - второй выход первого скафандра, предназначенного для размещения обучаемого, ко второму входу - третий выход второго скафандра, предназначенного для размещения обучаемого, к третьему входу - выход «Гидролаборатории» и к выходу - вход «Молодежного образовательного Космоцентра»;
ко второму входу-выходу локальной вычислительной сети цифровой связи подключен вход-выход первого блока цифровой связи, к третьему входу-выходу - вход-выход второго блока цифровой связи, к четвертому входу-выходу - первый вход-выход первого скафандра, предназначенного для размещения обучаемого, к пятому входу-выходу - второй вход-выход второго скафандра, предназначенного для размещения обучаемого, и к шестому входу-выходу - вход-выход третьего блока цифровой связи;
к третьему входу-выходу АРМ руководителя обучения через первый блок устройств сопряжения с объектом подключен вход-выход действующего макета выходного космического скафандра и к выходу - вход первого модуля средств отображения информации коллективного пользования;
к выходу сервера моделирования подключен вход системы визуализации, ко второму входу-выходу - первый вход-выход электромеханического модуля обезвешивания с 6-ю степенями свободы, являющийся одновременно первым входом-выходом первого комплекса устройств сопряжения с объектом, к третьему входу-выходу - первый вход-выход второго блока устройств сопряжения с объектом и к четвертому входу-выходу - первый вход-выход второго электромеханического модуля обезвешивания с 6-ю степенями свободы, являющийся одновременно первым входом-выходом второго комплекса устройств сопряжения с объектом;
к первому входу первого комплекса устройств сопряжения с объектом первого электромеханического модуля обезвешивания с 6-ю степенями свободы подключен выход первого датчика положения обезвешиваемого объекта по вертикали, ко второму входу - информационный выход первого датчика усилия, к третьему входу - выход первого датчика ускорений и угловых отклонений, к четвертому входу - выход первого комплекта конечных выключателей, к пятому входу - выход первого датчика положения моста, к шестому входу - выход первого датчика положения тележки, ко второму входу-выходу - вход-выход первого комплектного электропривода перемещения моста, к третьему входу-выходу - вход-выход первого комплектного электропривода перемещения тележки, к четвертому входу-выходу - вход-выход первого комплектного электропривода вертикального перемещения, к пятому входу-выходу - вход-выход первого комплектного электропривода перемещения по крену, к седьмому входу - выход первого датчика угла положения по крену, к шестому входу-выходу - вход-выход первого комплектного электропривода перемещения по тангажу, к восьмому входу - выход первого датчика угла положения по тангажу и к девятому входу - выход первого датчика угловых скоростей обезвешиваемого объекта;
к первому выходу первого механического передаточного устройства первого электромеханического модуля обезвешивания с 6-ю степенями свободы подключен вход первого комплекта конечных выключателей, ко второму выходу - вход первого датчика положения моста, к третьему выходу - вход первого датчика положения тележки, к первому входу - выход первого комплектного электропривода перемещения моста, ко второму входу - выход первого комплектного электропривода перемещения тележки, к третьему входу - выход первого комплектного электропривода вертикального перемещения, к четвертому выходу - вход первого датчика ускорений и угловых отклонений, к входу-выходу через последовательно соединенные первый упорный подшипник, первый датчик усилия, первое демпфирующее устройство и первый одностепенной шарнирный подвес для поворота по крену - вход-выход первого одностепенного шарнирного подвеса для поворота по тангажу;
к входу первого одностепенного шарнирного подвеса для поворота по крену первого электромеханического модуля обезвешивания с 6-ю степенями свободы подключен выход первого комплектного электропривода перемещения по крену, к выходу - вход первого датчика угла положения по крену;
к входу первого одностепенного шарнирного подвеса для поворота по тангажу первого электромеханического модуля обезвешивания с 6-ю степенями свободы подключен выход первого комплектного электропривода перемещения по тангажу, к выходу - вход первого датчика угла положения по тангажу;
к первому входу второго комплекса устройств сопряжения с объектом второго электромеханического модуля обезвешивания с 6-ю степенями свободы подключен выход второго датчика положения обезвешиваемого объекта по вертикали, ко второму входу - информационный выход второго датчика усилия, к третьему входу - выход второго датчика ускорений и угловых отклонений, к четвертому входу - выход второго комплекта конечных выключателей, к пятому входу - выход второго датчика положения моста, к шестому входу - выход второго датчика положения тележки, ко второму входу-выходу - вход-выход второго комплектного электропривода перемещения моста, к третьему входу-выходу - вход-выход второго комплектного электропривода перемещения тележки, к четвертому входу-выходу - вход-выход второго комплектного электропривода вертикального перемещения, к пятому входу-выходу - вход-выход второго комплектного электропривода перемещения по крену, к седьмому входу - выход второго датчика угла положения по крену, к шестому входу-выходу - вход-выход второго комплектного электропривода перемещения по тангажу, к восьмому входу - выход второго датчика угла положения по тангажу и к девятому входу - выход второго датчика угловых скоростей обезвешиваемого объекта;
к первому выходу второго механического передаточного устройства второго электромеханического модуля обезвешивания с 6-ю степенями свободы подключен вход второго комплекта конечных выключателей, ко второму выходу - вход второго датчика положения моста, к третьему выходу - вход второго датчика положения тележки, к первому входу - выход второго комплектного электропривода перемещения моста, ко второму входу - выход второго комплектного электропривода перемещения тележки, к третьему входу - выход второго комплектного электропривода вертикального перемещения, к четвертому выходу - вход второго датчика ускорений и угловых отклонений, к входу-выходу через последовательно соединенные второй упорный подшипник, второй датчик усилия, второе демпфирующее устройство и второй одностепенной шарнирный подвес для поворота по крену - вход-выход второго одностепенного шарнирного подвеса для поворота по тангажу;
к входу второго одностепенного шарнирного подвеса для поворота по крену второго электромеханического модуля обезвешивания с 6-ю степенями свободы подключен выход второго комплектного электропривода перемещения по крену, к выходу - вход второго датчика угла положения по крену;
к входу второго одностепенного шарнирного подвеса для поворота тангажу второго электромеханического модуля обезвешивания с 6-ю степенями свободы подключен выход второго комплектного электропривода перемещения по тангажу, к выходу - вход второго датчика угла положения по тангажу;
к первому выходу первого скафандра, предназначенного для размещения обучаемого, подключен вход первого модуля средств медицинского контроля, к третьему выходу - первый вход первого электромеханического модуля обезвешивания с 6-ю степенями свободы, являющийся одновременно входом первого датчика положения обезвешиваемого объекта по вертикали, ко второму входу-выходу - второй вход-выход первого электромеханического модуля обезвешивания с 6-ю степенями свободы, являющийся одновременно вторым входом-выходом первого одностепенного шарнирного подвеса для поворота по тангажу, к четвертому выходу - второй вход первого электромеханического модуля обезвешивания с 6-ю степенями свободы, являющийся одновременно входом первого датчика угловых скоростей обезвешиваемого объекта, к третьему входу-выходу - второй вход-выход системы визуализации, к четвертому входу-выходу - третий вход-выход средств обеспечения жизнедеятельности;
ко второму входу-выходу второго блока устройств сопряжения с объектом подключен вход-выход полномасштабного макета орбитального модуля МКС, к третьему входу-выходу - вход модуля средств освещения;
к первому выходу второго скафандра, предназначенного для размещения обучаемого, подключен первый вход второго электромеханического модуля обезвешивания с 6-ю степенями свободы, являющийся одновременно входом второго датчика положения обезвешиваемого объекта по вертикали, к первому входу-выходу - второй вход-выход второго электромеханического модуля обезвешивания с 6-ю степенями свободы, являющийся одновременно вторым входом-выходом второго одностепенного шарнирного подвеса для поворота по тангажу, ко второму выходу - второй вход второго электромеханического модуля обезвешивания с 6-ю степенями свободы, являющийся одновременно входом второго датчика угловых скоростей обезвешиваемого объекта, к четвертому выходу - вход второго модуля средств медицинского контроля, к третьему входу-выходу - первый вход-выход системы визуализации, к четвертому входу-выходу - второй вход-выход средств обеспечения жизнедеятельности;
к первому входу-выходу средств обеспечения жизнедеятельности подключен вход-выход панели управления средствами обеспечения жизнедеятельности пульта контроля и управления;
к выходу АРМ инженера пульта контроля и управления подключен вход второго модуля средств отображения информации коллективного пользования.
2. Многофункциональный учебно-тренировочный комплекс по п.1, отличающийся тем, что первое механическое передаточное устройство и первый датчик усилия входят в состав первого электромеханического модуля обезвешивания с 6-ю степенями свободы.
3. Многофункциональный учебно-тренировочный комплекс по п.1, отличающийся тем, что первое механическое передаточное устройство включает опорную конструкцию прямоугольной формы, образованную комплектом вертикальных стоек, горизонтальных ферм и горизонтальных балок, подвижный мост, перемещающийся на колесах по рельсам, закрепленным на вертикальных стойках опорной конструкции, с помощью 2-х двигателей комплектного электропривода перемещения моста, подвижную тележку, перемещающуюся на колесах по рельсам, закрепленным на подвижном мосту, с помощью 4-х двигателей комплектного электропривода перемещения тележки, причем на подвижной тележке установлена лебедка, барабан которой, приводимый в движение двигателем комплектного электропривода вертикального перемещения, перемещает трос с блоком.
4. Многофункциональный учебно-тренировочный комплекс по п.1, отличающийся тем, что полномасштабный макет орбитального модуля МКС включает во внутреннем объеме оборудование комплекса средств шлюзования переходного и стыковочного отсеков (в том числе, выходной люк), а также оборудование, навесные механизмы и приборы, поручни и средства фиксации на внешней поверхности орбитального модуля, причем в верхней части по продольной оси корпуса полномасштабного макета орбитального модуля МКС, включая обрамление выходного люка, выполнен вырез, позволяющий перемещаться скафандру с обучаемым на подвесе и со шлангом обеспечения жизнедеятельности как во внутреннем объеме макета, так и в процессе перехода из внутреннего объема через выходной люк на внешнюю поверхность макета («выход в открытый космос»).
5. Многофункциональный учебно-тренировочный комплекс по п.1, отличающийся тем, что система визуализации включает сервер визуализации, первую, вторую и третью графические станции, первый, второй, третий, четвертый, пятый и шестой видеопроекторы, первый, второй и третий экраны;
вход, первый и второй вход-выход системы визуализации являются одновременно соответственно входом, первым и вторым входом-выходом сервера визуализации; к третьему, четвертому и пятому входу-выходу сервера визуализации подключены соответственно вход-выход первой, второй и третей графической станции; первый выход первой графической станции через первый видеопроектор подключен к первому входу первого экрана, второй выход через второй видеопроектор - ко второму входу первого экрана, первый выход второй графической станции через третий видеопроектор подключен к первому входу второго экрана, второй выход через четвертый видеопроектор - ко второму входу второго экрана, первый выход третьей графической станции через пятый видеопроектор подключен к первому входу третьего экрана, второй выход через шестой видеопроектор - ко второму входу третьего экрана.
вход, первый и второй вход-выход системы визуализации являются одновременно соответственно входом, первым и вторым входом-выходом сервера визуализации; к третьему, четвертому и пятому входу-выходу сервера визуализации подключены соответственно вход-выход первой, второй и третей графической станции; первый выход первой графической станции через первый видеопроектор подключен к первому входу первого экрана, второй выход через второй видеопроектор - ко второму входу первого экрана, первый выход второй графической станции через третий видеопроектор подключен к первому входу второго экрана, второй выход через четвертый видеопроектор - ко второму входу второго экрана, первый выход третьей графической станции через пятый видеопроектор подключен к первому входу третьего экрана, второй выход через шестой видеопроектор - ко второму входу третьего экрана.
6. Многофункциональный учебно-тренировочный комплекс по п.1, отличающийся тем, что первый и второй скафандры, предназначенные для размещения обучаемых, выполнены со средствами автономного жизнеобеспечения на базе аккумуляторной батареи, компрессора и преобразователя напряжений для электропитания разнообразного оборудования скафандра, установленными непосредственно в ранце скафандра.
7. Многофункциональный учебно-тренировочный комплекс по п.1, отличающийся тем, что первый и второй скафандры, предназначенные для размещения обучаемых, оснащены средствами связи, медицинской аппаратурой, системой управления средствами автономного жизнеобеспечения, IP-телекамерой и стереоочками в исполнениях, обеспечивающих информационный обмен соответственно с локальной вычислительной сетью цифровой связи, первым и вторым модулями средств медицинского контроля, панелью управления средствами обеспечения жизнедеятельности, локальной вычислительной сетью видеонаблюдения и аудиопрослушивания и системой визуализации по беспроводным каналам связи.
8. Многофункциональный учебно-тренировочный комплекс по п.1, отличающийся тем, что первый и второй датчики ускорений и угловых отклонений, первый и второй датчики усилия реализованы в исполнениях, обеспечивающих информационный обмен с первым и вторым комплексами устройств сопряжения с объектом по беспроводным каналам связи.
9. Многофункциональный учебно-тренировочный комплекс по п.1, отличающийся тем, что первый и второй комплектные электроприводы поворота по крену, первый и второй комплектные электроприводы поворота тангажу, первый и второй датчики угла положения по крену, первый и второй датчики угла положения по тангажу реализованы в исполнениях, обеспечивающих информационный обмен с первым и вторым комплексами устройств сопряжения с объектом по беспроводным каналам связи.
10. Многофункциональный учебно-тренировочный комплекс по п.1, отличающийся тем, что первый и второй датчики угловых скоростей обезвешиваемого объекта реализованы в исполнении, обеспечивающем информационный обмен с первым и вторым комплексами устройств сопряжения с объектом по беспроводным каналам связи.
11. Многофункциональный учебно-тренировочный комплекс по п.1, отличающийся тем, что в качестве мобильного АРМ использован планшетный компьютер типа iPAD.
12. Многофункциональный учебно-тренировочный комплекс для подготовки космонавтов (астронавтов) к внекорабельной деятельности, содержащий первое механическое передаточное устройство, первый датчик усилия и скафандр, предназначенный для размещения обучаемого, отличающийся тем, что в него введены
интегрирующая система, состоящая из мобильного АРМ, адаптера беспроводной связи, сетевого сервера, консоли оператора, первого блока цифровой связи, многоканального видеорегистратора, локальной вычислительной сети передачи данных, локальной вычислительной сети видеонаблюдения и аудиопрослушивания и локальной вычислительной сети цифровой связи;
«Гидролаборатория» и «Молодежный образовательный Космоцентр»;
функционально-моделирующий стенд предтренажерной подготовки, состоящий из АРМ руководителя обучения, АРМ обучаемых, первого блока устройств сопряжения с объектом, второго блока цифровой связи, действующего макета выходного космического скафандра, телекамеры наблюдения и первого модуля средств отображения информации коллективного пользования;
комплект телекамер наблюдения, система визуализации, модуль средств медицинского контроля, сервер моделирования;
электромеханический модуль обезвешивания с 6-ю степенями свободы, состоящий из первого комплекса устройств сопряжения с объектом, первого комплекта конечных выключателей, первого датчика положения моста, первого датчика положения тележки, первого комплектного электропривода перемещения моста, первого комплектного электропривода перемещения тележки, первого комплектного электропривода вертикального перемещения, первого датчика ускорений и угловых отклонений, первого упорного подшипника, первого демпфирующего устройства, первого одностепенного шарнирного подвеса для поворота по крену, первого комплектного электропривода перемещения по крену, первого датчика угла положения по крену, первого датчика положения обезвешиваемого объекта по вертикали, первого одностепенного шарнирного подвеса для поворота по тангажу, первого комплектного электропривода перемещения по тангажу, первого датчика угла положения по тангажу и первого датчика угловых скоростей обезвешиваемого объекта;
второй блок устройств сопряжения с объектом, модуль средств освещения, полномасштабный макет орбитального модуля МКС;
электромеханический модуль обезвешивания с 3-мя степенями свободы, состоящий из второго комплекса устройств сопряжения с объектом, второго комплекта конечных выключателей, второго датчика положения моста, второго датчика положения тележки, второго комплектного электропривода перемещения моста, второго комплектного электропривода перемещения тележки, второго комплектного электропривода вертикального перемещения, второго механического передаточного устройства, второго датчика ускорений и угловых отклонений, второго датчика усилия и второго датчика положения обезвешиваемого объекта по вертикали;
перемещаемый груз, космический грузовой манипулятор;
пульт контроля и управления, состоящий из АРМ инженера, АРМ инструктора, третьего блока цифровой связи, АРМ врача, панели управления средствами обеспечения жизнедеятельности и второго модуля средств отображения информации коллективного пользования;
средства обеспечения жизнедеятельности и участок, имитирующий поверхность космического объекта Солнечной системы, с комплектом учебного оборудования;
к входу-выходу мобильного АРМ через адаптер беспроводной связи подключен первый вход-выход локальной вычислительной сети передачи данных;
к первому входу-выходу сетевого сервера подключен второй вход-выход локальной вычислительной сети передачи данных, ко второму входу-выходу - первый вход-выход локальной вычислительной сети видеонаблюдения и аудиопрослушивания, к третьему входу-выходу - первый вход-выход локальной вычислительной сети цифровой связи и к четвертому входу-выходу - вход-выход консоли оператора;
к третьему входу-выходу локальной вычислительной сети передачи данных подключен первый вход-выход АРМ обучаемых, к четвертому входу-выходу - первый вход-выход АРМ руководителя обучения, к пятому входу-выходу - первый вход-выход сервера моделирования, к шестому входу-выходу - первый вход-выход АРМ инженера, к седьмому входу-выходу - вход-выход АРМ инструктора, к восьмому входу-выходу - вход-выход АРМ врача, к входу - выход модуля средств медицинского контроля;
ко второму входу-выходу локальной вычислительной сети видеонаблюдения и аудиопрослушивания подключен вход-выход многоканального видеорегистратора, к третьему входу-выходу - вход-выход комплекта телекамер наблюдения, к четвертому входу-выходу - вход-выход телекамеры наблюдения, к пятому входу-выходу - второй вход-выход АРМ обучаемых, к шестому входу-выходу - второй вход-выход АРМ руководителя обучения, к седьмому входу-выходу - второй вход-выход АРМ инженера, к первому входу - второй выход скафандра, предназначенного для размещения обучаемого, ко второму входу - выход «Гидролаборатории» и к выходу - вход «Молодежного образовательного Космоцентра»;
ко второму входу-выходу локальной вычислительной сети цифровой связи подключен вход-выход первого блока цифровой связи, к третьему входу-выходу - вход-выход второго блока цифровой связи, к четвертому входу-выходу - первый вход-выход скафандра, предназначенного для размещения обучаемого, к пятому входу-выходу - вход-выход третьего блока цифровой связи;
к третьему входу-выходу АРМ руководителя обучения через первый блок устройств сопряжения с объектом подключен вход-выход действующего макета выходного космического скафандра и к выходу - вход первого модуля средств отображения информации коллективного пользования;
к выходу сервера моделирования подключен вход системы визуализации, ко второму входу-выходу - первый вход-выход электромеханического модуля обезвешивания с 6-ю степенями свободы, являющийся одновременно первым входом-выходом первого комплекса устройств сопряжения с объектом, к третьему входу-выходу - первый вход-выход второго блока устройств сопряжения с объектом и к четвертому входу-выходу - первый вход-выход электромеханического модуля обезвешивания с 3-мя степенями свободы, являющийся одновременно первым входом-выходом второго комплекса устройств сопряжения с объектом;
к первому входу первого комплекса устройств сопряжения с объектом электромеханического модуля обезвешивания с 6-ю степенями свободы подключен выход первого датчика положения обезвешиваемого объекта по вертикали, ко второму входу - информационный выход первого датчика усилия, к третьему входу - выход первого датчика ускорений и угловых отклонений, к четвертому входу - выход первого комплекта конечных выключателей, к пятому входу - выход первого датчика положения моста, к шестому входу - выход первого датчика положения тележки, ко второму входу-выходу - вход-выход первого комплектного электропривода перемещения моста, к третьему входу-выходу - вход-выход первого комплектного электропривода перемещения тележки, к четвертому входу-выходу - вход-выход первого комплектного электропривода вертикального перемещения, к пятому входу-выходу - вход-выход первого комплектного электропривода перемещения по крену, к седьмому входу - выход первого датчика угла положения по крену, к шестому входу-выходу - вход-выход первого комплектного электропривода перемещения по тангажу, к восьмому входу - выход первого датчика угла положения по тангажу и к девятому входу - выход первого датчика угловых скоростей обезвешиваемого объекта;
к первому выходу первого механического передаточного устройства электромеханического модуля обезвешивания с 6-ю степенями свободы подключен вход первого комплекта конечных выключателей, ко второму выходу - вход первого датчика положения моста, к третьему выходу - вход первого датчика положения тележки, к первому входу - выход первого комплектного электропривода перемещения моста, ко второму входу - выход первого комплектного электропривода перемещения тележки, к третьему входу - выход первого комплектного электропривода вертикального перемещения, к четвертому выходу - вход первого датчика ускорений и угловых отклонений, к входу-выходу через последовательно соединенные первый упорный подшипник, первый датчик усилия, первое демпфирующее устройство и первый одностепенной шарнирный подвес для поворота по крену - вход-выход первого одностепенного шарнирного подвеса для поворота по тангажу;
к входу первого одностепенного шарнирного подвеса для поворота по крену электромеханического модуля обезвешивания с 6-ю степенями свободы подключен выход первого комплектного электропривода перемещения по крену, к выходу - вход первого датчика угла положения по крену;
к входу первого одностепенного шарнирного подвеса для поворота тангажу электромеханического модуля обезвешивания с 6-ю степенями свободы подключен выход первого комплектного электропривода перемещения по тангажу, к выходу - вход первого датчика угла положения по тангажу;
к первому входу второго комплекса устройств сопряжения с объектом электромеханического модуля обезвешивания с 3-мя степенями свободы подключен выход второго датчика положения обезвешиваемого объекта по вертикали, ко второму входу - информационный выход второго датчика усилия, к третьему входу - выход второго датчика ускорений и угловых отклонений, к четвертому входу - выход второго комплекта конечных выключателей, к пятому входу - выход второго датчика положения моста, к шестому входу - выход второго датчика положения тележки, ко второму входу-выходу - вход-выход второго комплектного электропривода перемещения моста, к третьему входу-выходу - вход-выход второго комплектного электропривода перемещения тележки, к четвертому входу-выходу - вход-выход второго комплектного электропривода вертикального перемещения;
к первому выходу второго механического передаточного устройства электромеханического модуля обезвешивания с 3-мя степенями свободы подключен вход второго комплекта конечных выключателей, ко второму выходу - вход второго датчика положения моста, к третьему выходу - вход второго датчика положения тележки, к первому входу - выход второго комплектного электропривода перемещения моста, ко второму входу - выход второго комплектного электропривода перемещения тележки, к третьему входу - выход второго комплектного электропривода вертикального перемещения, к четвертому выходу - вход второго датчика ускорений и угловых отклонений, к входу-выходу - второй датчик усилия;
к первому выходу скафандра, предназначенного для размещения обучаемого, подключен вход модуля средств медицинского контроля, к третьему выходу - первый вход первого электромеханического модуля обезвешивания с 6-ю степенями свободы, являющийся одновременно входом первого датчика положения обезвешиваемого объекта по вертикали, ко второму входу-выходу - второй вход-выход первого электромеханического модуля обезвешивания с 6-ю степенями свободы, являющийся одновременно вторым входом-выходом первого одностепенного шарнирного подвеса для поворота по тангажу, к четвертому выходу - второй вход первого электромеханического модуля обезвешивания с 6-ю степенями свободы, являющийся одновременно входом первого датчика угловых скоростей обезвешиваемого объекта, к третьему входу-выходу - вход-выход системы визуализации, к четвертому входу-выходу - второй вход-выход средств обеспечения жизнедеятельности;
ко второму входу-выходу второго блока устройств сопряжения с объектом подключен вход-выход полномасштабного макета орбитального модуля МКС, к третьему входу-выходу - вход модуля средств освещения;
к выходу перемещаемого груза подключен вход электромеханического модуля обезвешивания с 3-мя степенями свободы, являющийся одновременно входом второго датчика положения обезвешиваемого объекта по вертикали, к первому входу-выходу - второй вход-выход электромеханического модуля обезвешивания с 3-мя степенями свободы, являющийся одновременно вторым входом-выходом второго датчика усилия, ко второму входу-выходу через космический грузовой манипулятор - третий вход-выход электромеханического модуля обезвешивания с 3-мя степенями свободы, являющийся одновременно пятым входом-выходом второго комплекса устройств сопряжения с объектом;
к первому входу-выходу средств обеспечения жизнедеятельности подключен вход-выход панели управления средствами обеспечения жизнедеятельности пульта контроля и управления;
к выходу АРМ инженера пульта контроля и управления подключен вход второго модуля средств отображения информации коллективного пользования.
интегрирующая система, состоящая из мобильного АРМ, адаптера беспроводной связи, сетевого сервера, консоли оператора, первого блока цифровой связи, многоканального видеорегистратора, локальной вычислительной сети передачи данных, локальной вычислительной сети видеонаблюдения и аудиопрослушивания и локальной вычислительной сети цифровой связи;
«Гидролаборатория» и «Молодежный образовательный Космоцентр»;
функционально-моделирующий стенд предтренажерной подготовки, состоящий из АРМ руководителя обучения, АРМ обучаемых, первого блока устройств сопряжения с объектом, второго блока цифровой связи, действующего макета выходного космического скафандра, телекамеры наблюдения и первого модуля средств отображения информации коллективного пользования;
комплект телекамер наблюдения, система визуализации, модуль средств медицинского контроля, сервер моделирования;
электромеханический модуль обезвешивания с 6-ю степенями свободы, состоящий из первого комплекса устройств сопряжения с объектом, первого комплекта конечных выключателей, первого датчика положения моста, первого датчика положения тележки, первого комплектного электропривода перемещения моста, первого комплектного электропривода перемещения тележки, первого комплектного электропривода вертикального перемещения, первого датчика ускорений и угловых отклонений, первого упорного подшипника, первого демпфирующего устройства, первого одностепенного шарнирного подвеса для поворота по крену, первого комплектного электропривода перемещения по крену, первого датчика угла положения по крену, первого датчика положения обезвешиваемого объекта по вертикали, первого одностепенного шарнирного подвеса для поворота по тангажу, первого комплектного электропривода перемещения по тангажу, первого датчика угла положения по тангажу и первого датчика угловых скоростей обезвешиваемого объекта;
второй блок устройств сопряжения с объектом, модуль средств освещения, полномасштабный макет орбитального модуля МКС;
электромеханический модуль обезвешивания с 3-мя степенями свободы, состоящий из второго комплекса устройств сопряжения с объектом, второго комплекта конечных выключателей, второго датчика положения моста, второго датчика положения тележки, второго комплектного электропривода перемещения моста, второго комплектного электропривода перемещения тележки, второго комплектного электропривода вертикального перемещения, второго механического передаточного устройства, второго датчика ускорений и угловых отклонений, второго датчика усилия и второго датчика положения обезвешиваемого объекта по вертикали;
перемещаемый груз, космический грузовой манипулятор;
пульт контроля и управления, состоящий из АРМ инженера, АРМ инструктора, третьего блока цифровой связи, АРМ врача, панели управления средствами обеспечения жизнедеятельности и второго модуля средств отображения информации коллективного пользования;
средства обеспечения жизнедеятельности и участок, имитирующий поверхность космического объекта Солнечной системы, с комплектом учебного оборудования;
к входу-выходу мобильного АРМ через адаптер беспроводной связи подключен первый вход-выход локальной вычислительной сети передачи данных;
к первому входу-выходу сетевого сервера подключен второй вход-выход локальной вычислительной сети передачи данных, ко второму входу-выходу - первый вход-выход локальной вычислительной сети видеонаблюдения и аудиопрослушивания, к третьему входу-выходу - первый вход-выход локальной вычислительной сети цифровой связи и к четвертому входу-выходу - вход-выход консоли оператора;
к третьему входу-выходу локальной вычислительной сети передачи данных подключен первый вход-выход АРМ обучаемых, к четвертому входу-выходу - первый вход-выход АРМ руководителя обучения, к пятому входу-выходу - первый вход-выход сервера моделирования, к шестому входу-выходу - первый вход-выход АРМ инженера, к седьмому входу-выходу - вход-выход АРМ инструктора, к восьмому входу-выходу - вход-выход АРМ врача, к входу - выход модуля средств медицинского контроля;
ко второму входу-выходу локальной вычислительной сети видеонаблюдения и аудиопрослушивания подключен вход-выход многоканального видеорегистратора, к третьему входу-выходу - вход-выход комплекта телекамер наблюдения, к четвертому входу-выходу - вход-выход телекамеры наблюдения, к пятому входу-выходу - второй вход-выход АРМ обучаемых, к шестому входу-выходу - второй вход-выход АРМ руководителя обучения, к седьмому входу-выходу - второй вход-выход АРМ инженера, к первому входу - второй выход скафандра, предназначенного для размещения обучаемого, ко второму входу - выход «Гидролаборатории» и к выходу - вход «Молодежного образовательного Космоцентра»;
ко второму входу-выходу локальной вычислительной сети цифровой связи подключен вход-выход первого блока цифровой связи, к третьему входу-выходу - вход-выход второго блока цифровой связи, к четвертому входу-выходу - первый вход-выход скафандра, предназначенного для размещения обучаемого, к пятому входу-выходу - вход-выход третьего блока цифровой связи;
к третьему входу-выходу АРМ руководителя обучения через первый блок устройств сопряжения с объектом подключен вход-выход действующего макета выходного космического скафандра и к выходу - вход первого модуля средств отображения информации коллективного пользования;
к выходу сервера моделирования подключен вход системы визуализации, ко второму входу-выходу - первый вход-выход электромеханического модуля обезвешивания с 6-ю степенями свободы, являющийся одновременно первым входом-выходом первого комплекса устройств сопряжения с объектом, к третьему входу-выходу - первый вход-выход второго блока устройств сопряжения с объектом и к четвертому входу-выходу - первый вход-выход электромеханического модуля обезвешивания с 3-мя степенями свободы, являющийся одновременно первым входом-выходом второго комплекса устройств сопряжения с объектом;
к первому входу первого комплекса устройств сопряжения с объектом электромеханического модуля обезвешивания с 6-ю степенями свободы подключен выход первого датчика положения обезвешиваемого объекта по вертикали, ко второму входу - информационный выход первого датчика усилия, к третьему входу - выход первого датчика ускорений и угловых отклонений, к четвертому входу - выход первого комплекта конечных выключателей, к пятому входу - выход первого датчика положения моста, к шестому входу - выход первого датчика положения тележки, ко второму входу-выходу - вход-выход первого комплектного электропривода перемещения моста, к третьему входу-выходу - вход-выход первого комплектного электропривода перемещения тележки, к четвертому входу-выходу - вход-выход первого комплектного электропривода вертикального перемещения, к пятому входу-выходу - вход-выход первого комплектного электропривода перемещения по крену, к седьмому входу - выход первого датчика угла положения по крену, к шестому входу-выходу - вход-выход первого комплектного электропривода перемещения по тангажу, к восьмому входу - выход первого датчика угла положения по тангажу и к девятому входу - выход первого датчика угловых скоростей обезвешиваемого объекта;
к первому выходу первого механического передаточного устройства электромеханического модуля обезвешивания с 6-ю степенями свободы подключен вход первого комплекта конечных выключателей, ко второму выходу - вход первого датчика положения моста, к третьему выходу - вход первого датчика положения тележки, к первому входу - выход первого комплектного электропривода перемещения моста, ко второму входу - выход первого комплектного электропривода перемещения тележки, к третьему входу - выход первого комплектного электропривода вертикального перемещения, к четвертому выходу - вход первого датчика ускорений и угловых отклонений, к входу-выходу через последовательно соединенные первый упорный подшипник, первый датчик усилия, первое демпфирующее устройство и первый одностепенной шарнирный подвес для поворота по крену - вход-выход первого одностепенного шарнирного подвеса для поворота по тангажу;
к входу первого одностепенного шарнирного подвеса для поворота по крену электромеханического модуля обезвешивания с 6-ю степенями свободы подключен выход первого комплектного электропривода перемещения по крену, к выходу - вход первого датчика угла положения по крену;
к входу первого одностепенного шарнирного подвеса для поворота тангажу электромеханического модуля обезвешивания с 6-ю степенями свободы подключен выход первого комплектного электропривода перемещения по тангажу, к выходу - вход первого датчика угла положения по тангажу;
к первому входу второго комплекса устройств сопряжения с объектом электромеханического модуля обезвешивания с 3-мя степенями свободы подключен выход второго датчика положения обезвешиваемого объекта по вертикали, ко второму входу - информационный выход второго датчика усилия, к третьему входу - выход второго датчика ускорений и угловых отклонений, к четвертому входу - выход второго комплекта конечных выключателей, к пятому входу - выход второго датчика положения моста, к шестому входу - выход второго датчика положения тележки, ко второму входу-выходу - вход-выход второго комплектного электропривода перемещения моста, к третьему входу-выходу - вход-выход второго комплектного электропривода перемещения тележки, к четвертому входу-выходу - вход-выход второго комплектного электропривода вертикального перемещения;
к первому выходу второго механического передаточного устройства электромеханического модуля обезвешивания с 3-мя степенями свободы подключен вход второго комплекта конечных выключателей, ко второму выходу - вход второго датчика положения моста, к третьему выходу - вход второго датчика положения тележки, к первому входу - выход второго комплектного электропривода перемещения моста, ко второму входу - выход второго комплектного электропривода перемещения тележки, к третьему входу - выход второго комплектного электропривода вертикального перемещения, к четвертому выходу - вход второго датчика ускорений и угловых отклонений, к входу-выходу - второй датчик усилия;
к первому выходу скафандра, предназначенного для размещения обучаемого, подключен вход модуля средств медицинского контроля, к третьему выходу - первый вход первого электромеханического модуля обезвешивания с 6-ю степенями свободы, являющийся одновременно входом первого датчика положения обезвешиваемого объекта по вертикали, ко второму входу-выходу - второй вход-выход первого электромеханического модуля обезвешивания с 6-ю степенями свободы, являющийся одновременно вторым входом-выходом первого одностепенного шарнирного подвеса для поворота по тангажу, к четвертому выходу - второй вход первого электромеханического модуля обезвешивания с 6-ю степенями свободы, являющийся одновременно входом первого датчика угловых скоростей обезвешиваемого объекта, к третьему входу-выходу - вход-выход системы визуализации, к четвертому входу-выходу - второй вход-выход средств обеспечения жизнедеятельности;
ко второму входу-выходу второго блока устройств сопряжения с объектом подключен вход-выход полномасштабного макета орбитального модуля МКС, к третьему входу-выходу - вход модуля средств освещения;
к выходу перемещаемого груза подключен вход электромеханического модуля обезвешивания с 3-мя степенями свободы, являющийся одновременно входом второго датчика положения обезвешиваемого объекта по вертикали, к первому входу-выходу - второй вход-выход электромеханического модуля обезвешивания с 3-мя степенями свободы, являющийся одновременно вторым входом-выходом второго датчика усилия, ко второму входу-выходу через космический грузовой манипулятор - третий вход-выход электромеханического модуля обезвешивания с 3-мя степенями свободы, являющийся одновременно пятым входом-выходом второго комплекса устройств сопряжения с объектом;
к первому входу-выходу средств обеспечения жизнедеятельности подключен вход-выход панели управления средствами обеспечения жизнедеятельности пульта контроля и управления;
к выходу АРМ инженера пульта контроля и управления подключен вход второго модуля средств отображения информации коллективного пользования.
13. Многофункциональный учебно-тренировочный комплекс по п.12, отличающийся тем, что первое механическое передаточное устройство и первый датчик усилия входят в состав электромеханического модуля обезвешивания с 6-ю степенями свободы.
Priority Applications (1)
| Application Number | Priority Date | Filing Date | Title |
|---|---|---|---|
| RU2013101081/11A RU2524503C1 (ru) | 2013-01-09 | 2013-01-09 | Многофункциональный учебно-тренировочный комплекс для подготовки космонавтов (астронавтов) к внекорабельной деятельности (варианты) |
Applications Claiming Priority (1)
| Application Number | Priority Date | Filing Date | Title |
|---|---|---|---|
| RU2013101081/11A RU2524503C1 (ru) | 2013-01-09 | 2013-01-09 | Многофункциональный учебно-тренировочный комплекс для подготовки космонавтов (астронавтов) к внекорабельной деятельности (варианты) |
Publications (2)
| Publication Number | Publication Date |
|---|---|
| RU2013101081A RU2013101081A (ru) | 2014-07-20 |
| RU2524503C1 true RU2524503C1 (ru) | 2014-07-27 |
Family
ID=51215149
Family Applications (1)
| Application Number | Title | Priority Date | Filing Date |
|---|---|---|---|
| RU2013101081/11A RU2524503C1 (ru) | 2013-01-09 | 2013-01-09 | Многофункциональный учебно-тренировочный комплекс для подготовки космонавтов (астронавтов) к внекорабельной деятельности (варианты) |
Country Status (1)
| Country | Link |
|---|---|
| RU (1) | RU2524503C1 (ru) |
Cited By (7)
| Publication number | Priority date | Publication date | Assignee | Title |
|---|---|---|---|---|
| RU2540136C1 (ru) * | 2014-01-09 | 2015-02-10 | Открытое акционерное общество "Научно-производственное объединение "Государственный институт прикладной оптики" (ОАО "НПО ГИПО") | Астровизирующий прибор |
| RU2581643C1 (ru) * | 2015-01-13 | 2016-04-20 | Федеральное государственное бюджетное учреждение науки Государственный научный центр Российской Федерации - Институт медико-биологических проблем Российской академии наук (ГНЦ РФ - ИМБП РАН) | Тренажер для отработки комплекса задач по исследованию астрономического объекта участниками космической экспедиции |
| RU2605230C1 (ru) * | 2015-06-03 | 2016-12-20 | Открытое акционерное общество "Ракетно-космическая корпорация "Энергия" имени С.П. Королева" | Способ контроля готовности экипажа космического аппарата к нештатным ситуациям и система для его осуществления |
| RU174475U1 (ru) * | 2017-04-27 | 2017-10-16 | Федеральное государственное бюджетное учреждение "Научно-исследовательский испытательный центр подготовки космонавтов имени Ю.А. Гагарина" | Комплексный тренажер для подготовки космонавтов к внекорабельной деятельности |
| RU2653900C1 (ru) * | 2016-12-19 | 2018-05-15 | Федеральное государственное казенное военное образовательное учреждение высшего образования "Рязанское высшее воздушно-десантное ордена Суворова дважды Краснознаменное командное училище имени генерала армии В.Ф. Маргелова" Министерства обороны Российской Федерации | Тренажер парашютиста-десантника и способ динамического сопровождения обучения на нем |
| RU2670351C1 (ru) * | 2017-07-31 | 2018-10-22 | Алексей Владимирович Лысенко | Система и способ управления виртуальным объектом |
| RU2776783C1 (ru) * | 2021-06-15 | 2022-07-26 | Акционерное общество "Северный пресс" (АО "Северный пресс") | Способ подготовки парашютистов на тренажере к высотному десантированию и устройство его реализующее |
Families Citing this family (2)
| Publication number | Priority date | Publication date | Assignee | Title |
|---|---|---|---|---|
| CN112562444B (zh) * | 2020-12-22 | 2024-11-05 | 中国人民解放军63919部队 | 一种多感知模拟失重条件的太空行走训练装置 |
| CN115180190B (zh) * | 2022-08-24 | 2023-04-07 | 北京卫星环境工程研究所 | 航天员在轨操作舱外维修工具的地面模拟系统及实验方法 |
Citations (4)
| Publication number | Priority date | Publication date | Assignee | Title |
|---|---|---|---|---|
| US6641485B1 (en) * | 2002-11-06 | 2003-11-04 | Sanjay Chauhan | Space ride simulator |
| RU2355039C1 (ru) * | 2007-12-12 | 2009-05-10 | Государственное образовательное учреждение высшего профессионального образования "Южно-Российский государственный технический университет (Новочеркасский политехнический институт)", ГОУ ВПО ЮРГТУ (НПИ) | Система управления вертикальным перемещением обучаемого на тренажере выхода в космос |
| RU102823U1 (ru) * | 2010-07-19 | 2011-03-10 | Федеральное государственное унитарное предприятие Научно-исследовательский институт авиационного оборудования | Комплексное обучающее устройство |
| RU104360U1 (ru) * | 2011-02-04 | 2011-05-10 | Федеральное государственное унитарное предприятие Научно-исследовательский институт авиационного оборудования | Обучающее устройство |
-
2013
- 2013-01-09 RU RU2013101081/11A patent/RU2524503C1/ru not_active IP Right Cessation
Patent Citations (4)
| Publication number | Priority date | Publication date | Assignee | Title |
|---|---|---|---|---|
| US6641485B1 (en) * | 2002-11-06 | 2003-11-04 | Sanjay Chauhan | Space ride simulator |
| RU2355039C1 (ru) * | 2007-12-12 | 2009-05-10 | Государственное образовательное учреждение высшего профессионального образования "Южно-Российский государственный технический университет (Новочеркасский политехнический институт)", ГОУ ВПО ЮРГТУ (НПИ) | Система управления вертикальным перемещением обучаемого на тренажере выхода в космос |
| RU102823U1 (ru) * | 2010-07-19 | 2011-03-10 | Федеральное государственное унитарное предприятие Научно-исследовательский институт авиационного оборудования | Комплексное обучающее устройство |
| RU104360U1 (ru) * | 2011-02-04 | 2011-05-10 | Федеральное государственное унитарное предприятие Научно-исследовательский институт авиационного оборудования | Обучающее устройство |
Cited By (9)
| Publication number | Priority date | Publication date | Assignee | Title |
|---|---|---|---|---|
| RU2540136C1 (ru) * | 2014-01-09 | 2015-02-10 | Открытое акционерное общество "Научно-производственное объединение "Государственный институт прикладной оптики" (ОАО "НПО ГИПО") | Астровизирующий прибор |
| RU2581643C1 (ru) * | 2015-01-13 | 2016-04-20 | Федеральное государственное бюджетное учреждение науки Государственный научный центр Российской Федерации - Институт медико-биологических проблем Российской академии наук (ГНЦ РФ - ИМБП РАН) | Тренажер для отработки комплекса задач по исследованию астрономического объекта участниками космической экспедиции |
| RU2605230C1 (ru) * | 2015-06-03 | 2016-12-20 | Открытое акционерное общество "Ракетно-космическая корпорация "Энергия" имени С.П. Королева" | Способ контроля готовности экипажа космического аппарата к нештатным ситуациям и система для его осуществления |
| RU2653900C1 (ru) * | 2016-12-19 | 2018-05-15 | Федеральное государственное казенное военное образовательное учреждение высшего образования "Рязанское высшее воздушно-десантное ордена Суворова дважды Краснознаменное командное училище имени генерала армии В.Ф. Маргелова" Министерства обороны Российской Федерации | Тренажер парашютиста-десантника и способ динамического сопровождения обучения на нем |
| RU174475U1 (ru) * | 2017-04-27 | 2017-10-16 | Федеральное государственное бюджетное учреждение "Научно-исследовательский испытательный центр подготовки космонавтов имени Ю.А. Гагарина" | Комплексный тренажер для подготовки космонавтов к внекорабельной деятельности |
| RU2670351C1 (ru) * | 2017-07-31 | 2018-10-22 | Алексей Владимирович Лысенко | Система и способ управления виртуальным объектом |
| WO2019027358A1 (ru) * | 2017-07-31 | 2019-02-07 | Алексей Владимирович ЛЫСЕНКО | Система и способ управления виртуальным объектом |
| RU2776783C1 (ru) * | 2021-06-15 | 2022-07-26 | Акционерное общество "Северный пресс" (АО "Северный пресс") | Способ подготовки парашютистов на тренажере к высотному десантированию и устройство его реализующее |
| RU2823384C1 (ru) * | 2023-12-15 | 2024-07-22 | Федеральное государственное автономное научное учреждение "Центральный научно-исследовательский и опытно-конструкторский институт робототехники и технической кибернетики" | Способ испытаний систем и приборов космического назначения в условиях имитации невесомости |
Also Published As
| Publication number | Publication date |
|---|---|
| RU2013101081A (ru) | 2014-07-20 |
Similar Documents
| Publication | Publication Date | Title |
|---|---|---|
| RU2524503C1 (ru) | Многофункциональный учебно-тренировочный комплекс для подготовки космонавтов (астронавтов) к внекорабельной деятельности (варианты) | |
| US11830382B2 (en) | Virtual reality based pilot training system | |
| Ritter III et al. | Three-dimensional modeled environments versus 360 degree panoramas for mobile virtual reality training | |
| RU2518478C2 (ru) | Функционально-моделирующий стенд для создания условий интерактивного безопорного пространства и пониженной гравитации | |
| Aoki et al. | Desktop-VR system for preflight 3D navigation training | |
| RU2506648C1 (ru) | Тренажер внекорабельной деятельности космонавтов | |
| RU2653900C1 (ru) | Тренажер парашютиста-десантника и способ динамического сопровождения обучения на нем | |
| Rönkkö et al. | Multimodal astronaut virtual training prototype | |
| Detlefsen | The cosmic perspective: Teaching middle-school children astronomy using ego-centric virtual reality | |
| RU2367027C1 (ru) | Тренажер пилотируемого космического корабля | |
| RU2506647C1 (ru) | Тренажерный комплекс орбитального узлового модуля российского сегмента международной космической станции | |
| Costantini et al. | Using the method of loci in virtual reality to reduce robotic operations training time of astronauts | |
| Casali et al. | Potential design etiological factors of simulator sickness and a research simulator specification | |
| Logan | Training beyond reality | |
| Bell et al. | A review of the approach to ISS increment crew EVA training | |
| CN107798984A (zh) | 临近空间的体验系统 | |
| Loftin et al. | Virtual environment technology in training: Results from the Hubble Space Telescope Mission of 1993 | |
| Schlager et al. | Forecasting the impact of virtual environment technology on maintenance training | |
| Clément et al. | Robotic training program for astronauts using mixed reality: A concept study | |
| Kemper et al. | Simulator Design for Flying and Handling Qualities Instruction | |
| CN206194253U (zh) | 临近空间的体验系统 | |
| CN110520918A (zh) | 航天器飞行模拟器 | |
| CN209859342U (zh) | 一种交会对接仿真系统 | |
| Homan | Virtual reality and the hubble space telescope | |
| RU2581643C1 (ru) | Тренажер для отработки комплекса задач по исследованию астрономического объекта участниками космической экспедиции |
Legal Events
| Date | Code | Title | Description |
|---|---|---|---|
| MM4A | The patent is invalid due to non-payment of fees |
Effective date: 20180110 |