RU2477560C2 - Система и способ для энергоснабжения электродвигателя и вспомогательной обмотки электродвигателя - Google Patents
Система и способ для энергоснабжения электродвигателя и вспомогательной обмотки электродвигателя Download PDFInfo
- Publication number
- RU2477560C2 RU2477560C2 RU2010109425/07A RU2010109425A RU2477560C2 RU 2477560 C2 RU2477560 C2 RU 2477560C2 RU 2010109425/07 A RU2010109425/07 A RU 2010109425/07A RU 2010109425 A RU2010109425 A RU 2010109425A RU 2477560 C2 RU2477560 C2 RU 2477560C2
- Authority
- RU
- Russia
- Prior art keywords
- switch
- electromechanical switch
- electromechanical
- electronic switch
- auxiliary winding
- Prior art date
Links
- 238000004804 winding Methods 0.000 title claims abstract description 47
- 238000000034 method Methods 0.000 title claims abstract description 20
- 239000003990 capacitor Substances 0.000 claims abstract description 34
- 230000006641 stabilisation Effects 0.000 claims abstract description 21
- 238000011105 stabilization Methods 0.000 claims description 20
- 238000001514 detection method Methods 0.000 claims description 5
- 238000012544 monitoring process Methods 0.000 claims description 2
- 230000002457 bidirectional effect Effects 0.000 abstract description 7
- 230000033228 biological regulation Effects 0.000 abstract 1
- 230000000694 effects Effects 0.000 abstract 1
- 238000004870 electrical engineering Methods 0.000 abstract 1
- 239000000126 substance Substances 0.000 abstract 1
- 238000010586 diagram Methods 0.000 description 6
- 150000001875 compounds Chemical class 0.000 description 3
- 238000005516 engineering process Methods 0.000 description 3
- 230000004913 activation Effects 0.000 description 2
- 230000006698 induction Effects 0.000 description 2
- 230000001105 regulatory effect Effects 0.000 description 2
- 230000015572 biosynthetic process Effects 0.000 description 1
- 230000000903 blocking effect Effects 0.000 description 1
- 230000001939 inductive effect Effects 0.000 description 1
- 238000004519 manufacturing process Methods 0.000 description 1
- 239000000463 material Substances 0.000 description 1
- 238000005057 refrigeration Methods 0.000 description 1
- 239000004065 semiconductor Substances 0.000 description 1
- 230000001052 transient effect Effects 0.000 description 1
Images
Classifications
-
- H—ELECTRICITY
- H02—GENERATION; CONVERSION OR DISTRIBUTION OF ELECTRIC POWER
- H02P—CONTROL OR REGULATION OF ELECTRIC MOTORS, ELECTRIC GENERATORS OR DYNAMO-ELECTRIC CONVERTERS; CONTROLLING TRANSFORMERS, REACTORS OR CHOKE COILS
- H02P1/00—Arrangements for starting electric motors or dynamo-electric converters
- H02P1/16—Arrangements for starting electric motors or dynamo-electric converters for starting dynamo-electric motors or dynamo-electric converters
- H02P1/42—Arrangements for starting electric motors or dynamo-electric converters for starting dynamo-electric motors or dynamo-electric converters for starting an individual single-phase induction motor
- H02P1/44—Arrangements for starting electric motors or dynamo-electric converters for starting dynamo-electric motors or dynamo-electric converters for starting an individual single-phase induction motor by phase-splitting with a capacitor
- H02P1/445—Arrangements for starting electric motors or dynamo-electric converters for starting dynamo-electric motors or dynamo-electric converters for starting an individual single-phase induction motor by phase-splitting with a capacitor by using additional capacitors switched at start up
Landscapes
- Engineering & Computer Science (AREA)
- Power Engineering (AREA)
- Motor And Converter Starters (AREA)
- Control Of Ac Motors In General (AREA)
Abstract
Изобретение относится к системе и способу для энергоснабжения вспомогательной обмотки однофазного асинхронного двигателя с пусковым конденсатором. Технический результат - снижение уровня напряжения в двунаправленных переключателях, присутствующих в топологии при блокировании упомянутых переключателей, и обеспечение плавного переключения электромеханического двунаправленного переключателя, имеющегося в топологии. В системе и способе для энергоснабжения вспомогательная обмотка (11) электродвигателя соединяется последовательно с сетью напряжения (VAC), причем система включает в себя пусковой конденсатор (14) и электромеханический переключатель (12), соединенные последовательно со вспомогательной обмоткой (11), при этом система содержит электронный переключатель (13), соединенный параллельно с последовательным соединением электромеханического переключателя (12) и пускового конденсатора (14). Электронный переключатель (13) и электромеханический переключатель (12) используются для включения вспомогательной обмотки (11). Система сконструирована таким образом, чтобы электронный переключатель (13) можно было включать одновременно с электромеханическим переключателем (12) и поддерживать его во включенном состоянии одновременно с электромеханическим переключателем (12) в течение времени стабилизации (tb, td). Также раскрыт способ для регулирования системы по настоящему изобретению. 4 н. и 16 з.п. ф-лы, 3 ил.
Description
В данной заявке заявлен приоритет Бразильской заявки на патент PI0703332-0, зарегистрированной 15 августа 2007 г., раскрытие которой включено в настоящий документ посредством ссылки.
Настоящее изобретение относится к системе и способу для энергоснабжения вспомогательной обмотки однофазного асинхронного электродвигателя с конденсаторным пуском, который обычно применяется в холодильных компрессорах, но такое применение не ограничено ими. Изобретение также относится к самому электродвигателю, включающему в себя систему согласно настоящему изобретению.
ОПИСАНИЕ ИЗВЕСТНОГО УРОВНЯ ТЕХНИКИ
Технологии для энергоснабжения вспомогательной обмотки однофазных асинхронных электродвигателей с конденсаторным пуском в настоящее время включают в себя использование реле напряжения и токовых реле. Выбор соответствующего устройства, которое будет использовано в конкретном применении, зависит от технических и экономических факторов. В настоящее время, в однофазных асинхронных электродвигателях с конденсаторным пуском и управлением (capacitive start and run, CSR) используют реле напряжения, а в однофазных асинхронных электродвигателях с конденсаторным пуском и индуктивным управлением (capacitive start inductive run, CSIR) используют токовые реле.
Реле напряжения и токовые реле имеют недостаток, заключающийся в том, что их электрические параметры строго зависят от конструкции двигателя, к которому этот элемент может быть применен, что приводит к образованию больших единиц хранения (SKU, stock keeping units), повышая сложность и стоимость, связанные с транспортировкой материалов.
КРАТКОЕ ОПИСАНИЕ И ЗАДАЧИ ИЗОБРЕТЕНИЯ
Задачей настоящего изобретения является обеспечение системы и способа для энергоснабжения вспомогательной обмотки однофазного асинхронного двигателя с конденсаторным пуском, причем упомянутая система и способ предназначены для снижения уровня электрического напряжения в двунаправленных переключателях, имеющихся в топологии при блокировке упомянутых переключателей. Предложенные система и способ также предназначены для обеспечения плавного переключения электромеханического двунаправленного переключателя, существующего в топологии.
Эти преимущества в снижении уровня электрического напряжения в двунаправленных переключателях и плавное переключение электромеханического двунаправленного переключателя достигается за счет подходящего расположения упомянутых двунаправленных переключателей в предложенной топологии системы и за счет подходящего средства энергоснабжения упомянутых двунаправленных переключателей.
Согласно настоящему изобретению, раскрытые система и способ предусматривают, что, наряду с электромеханическим переключателем, обычно используемым для управления электродвигателями, должно присутствовать соединение электронного переключателя, причем электронный переключатель имеет циклы работы, перекрывающиеся с циклами работы электромеханического переключателя, обеспечивая, таким образом, желаемое плавное переключение, что ранее было невозможно достигнуть в системах запуска электродвигателя.
Упомянутые цели достигаются за счет системы для энергоснабжения вспомогательной обмотки электродвигателя, причем вспомогательная обмотка последовательно соединена с сетью напряжения, и система содержит пусковой конденсатор и электромеханический переключатель, соединенные последовательно со вспомогательной обмоткой, причем система содержит электронный переключатель, соединенный параллельно с последовательным соединением электромеханического переключателя и пускового конденсатора, причем электронный переключатель и электромеханический переключатель используются для энергоснабжения вспомогательной обмотки, а система сконструирована таким образом, чтобы электронный переключатель можно было включать одновременно с электромеханическим переключателем, и чтобы он находился в этом положении одновременно с электромеханическим переключателем в течение периода стабилизации.
Упомянутые задачи дополнительно достигаются с помощью системы для энергоснабжения вспомогательной обмотки электродвигателя, причем вспомогательная обмотка последовательно соединяется с сетью напряжения, причем система содержит пусковой конденсатор и электромеханический переключатель, соединенный последовательно со вспомогательной обмоткой, причем система содержит электронный переключатель, соединенный параллельно с последовательным соединением электромеханического переключателя и пускового конденсатора, причем электронный переключатель и электромеханический переключатель используются для энергоснабжения вспомогательной обмотки, блок управления которой электрически соединен с электромеханическим переключателем и электронным переключателем, причем блок управления запрограммирован таким образом, чтобы электронный переключатель можно было включать одновременно с электромеханическим переключателем, а электронный переключатель и электромеханический переключатель имеют перекрывающиеся периоды эксплуатации при функционировании подключения и отключения вспомогательной обмотки.
Также обеспечен способ регулирования энергоснабжения вспомогательной обмотки электродвигателя, причем вспомогательная обмотка соединяется последовательно с сетью напряжения, а система содержит пусковой конденсатор и электромеханический переключатель, соединенный последовательно со вспомогательной обмоткой, причем данный способ включает в себя этапы: включения электронного переключателя параллельно с электромеханическим переключателем при подключении вспомогательной обмотки электродвигателя; и поддержание одновременной работы электромеханического переключателя и электронного переключателя в течение периода стабилизации подключения.
Также обеспечен электродвигатель, содержащий систему для энергоснабжения вспомогательной обмотки электродвигателя, причем вспомогательная обмотка соединена последовательно с сетью напряжения, а система содержит пусковой конденсатор и электромеханический переключатель, соединенные последовательно со вспомогательной обмоткой, и система содержит электронный переключатель, соединенный параллельно с последовательным соединением электромеханического переключателя и пускового конденсатора, причем электронный переключатель и электромеханический переключатель используются для энергоснабжения вспомогательной обмотки, а система сконструирована таким образом, чтобы электронный переключатель можно было включать одновременно с электромеханическим переключателем и поддерживать его работу одновременно с электромеханическим переключателем в течение периода стабилизации.
КРАТКОЕ ОПИСАНИЕ ЧЕРТЕЖЕЙ
Настоящее изобретение будет далее описано более подробно на основе одного примера выполнения, представленного на чертежах. На фигурах показано:
Фиг. 1 - принципиальная схема системы согласно настоящему изобретению.
Фиг. 2 - график, иллюстрирующий первый вариант воплощения способа управления согласно настоящему изобретению; и
Фиг. 3 - график, иллюстрирующий второй вариант воплощения способа управления согласно настоящему изобретению.
ПОДРОБНОЕ ОПИСАНИЕ ЧЕРТЕЖЕЙ
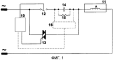
Как показано на Фиг. 1, система для энергоснабжения вспомогательной обмотки 11 электродвигателя (не показан) согласно настоящему изобретению содержит электромеханический переключатель 12 (или электромеханический двунаправленный переключатель, предпочтительно, реле), соединенный последовательно с пусковым конденсатором 14, причем выводы этого последовательного соединения соединены параллельно с электронным переключателем 13 (или полупроводниковым двунаправленным переключателем, предпочтительно, двунаправленным триодным тиристором), при этом один конец полученного соединения подключен к блоку питания/сети напряжения, а другой конец полученного соединения подключен к вспомогательной обмотке 11 однофазного асинхронного двигателя. В дополнение, обеспечен разрядный резистор 15, соединенный параллельно с пусковым конденсатором 14, и с целью снижения электрического напряжения в пусковом конденсаторе 14 после отключения этого компонента от цепи, которая снабжает электропитанием вспомогательную обмотку 11.
Кроме того, обеспечен блок управления 10, который электрически соединен с электронным переключателем 13 и электромеханическим переключателем 12, причем упомянутый блок управления 10 используют для регулирования открытия и закрытия электромеханического переключателя 12 и электронного переключателя 13, и, таким образом, плавно регулируют энергоснабжение вспомогательной обмотки 11 через электромеханический переключатель 12.
Чтобы это произошло, система, управляемая блоком управления 10, может быть сконструирована таким образом, чтобы электронный переключатель 13 можно было включать одновременно с электромеханическим переключателем 12 и поддерживать его во включенном состоянии одновременно с электромеханическим переключателем 12 в течение периода стабилизации tb, td. Эту конфигурацию можно видеть на Фиг. 2 и 3, где для обеспечения плавного переключения электромеханического переключателя 12, блок управления 10 программируют таким образом, чтобы электронный переключатель 13 и электромеханический переключатель 12 имели перекрывающиеся периоды эксплуатации при функционировании подключения и отключения вспомогательной обмотки 11.
Как правило, и как будет описано ниже, переключение электромеханического переключателя 12 должно последовать, или проходить одновременно с переключением электронного переключателя 13, что, таким образом, приводит к перекрывающимся периодам, описанным выше.
Согласно первому варианту воплощения настоящего изобретения, проиллюстрированному на Фиг. 2, блок управления 10 должен быть сконструирован для поддержания электронного переключателя 13 включенным до включения электромеханического переключателя 12, в течение времени подключения ta, а в качестве альтернативы, электромеханический переключатель 12 и электронный переключатель 13 могут быть включены одновременно, и в этом случае два переключателя будут поддерживаться включенными в течение периода стабилизации соединения tb. Еще согласно первому варианту воплощения настоящего изобретения, электромеханический переключатель 12 будет отключен непосредственно, без повторного включения электронного переключателя 13.
Согласно второму варианту воплощения настоящего изобретения, система будет сконструирована таким образом, чтобы у нее имелись периоды перекрывания функционирования электромеханического переключателя 12 и электронного переключателя 13 каждый раз, когда электромеханический переключатель 13 включен или отключен.
Таким образом, согласно данному варианту воплощения, когда электромеханический переключатель 12 включен, блок управления 10 должен обеспечить активацию электромеханического переключателя 12 после, или одновременно с переключением электронного переключателя 13, как и в первом варианте воплощения настоящего изобретения. В технологии, для отключения электромеханического переключателя, блок управления 10 должен быть сконструирован таким образом, чтобы он имел электронный переключатель 13, включаемый или поддерживаемый включенным одновременно с электромеханическим переключателем 12 в течение периода стабилизации отключения td, перед тем, как электромеханический переключатель 12 будет отключен, а электронный переключатель 13 следует поддерживать включенным в течение периода отключения te.
В обоих вариантах воплощения настоящего изобретения, система может быть обеспечена цепью детектирования напряжения 16, подключенной параллельно к пусковому конденсатору 14, причем упомянутая цепь детектирования напряжения 16 соединена с блоком управления 10 для информирования о моментах, когда электрическое напряжение на выводах пускового конденсатора становится равным нулю. Эта цепь детектирования напряжения 16 требуется из-за характеристик конструкции используемых переключателей, а точнее, принимая во внимание характеристики двунаправленного триодного тиристора. В конфигурациях, в которых используется электромеханический переключатель 12, или в которых он исключен, а вместо него подключен TRIAC (двунаправленный триодный тиристор), или если электромеханический переключатель 12 подключен параллельно с электронным переключателем 13, для отключения вспомогательной обмотки 11 следует считать, что когда ток равен нулю, двунаправленный триодный тиристор может быть только отключен, поскольку этот элемент блокируется только при нулевом токе. В этот момент электрическое напряжение в пусковом конденсаторе 14 будет максимальным, и поэтому максимальное электрическое напряжение будет очень высоким для блокирующих промышленных значений для двунаправленного триодного тиристора, что делает невозможным его использование в этих условиях. Аналогично, при использовании реле отключения только в качестве электромеханического переключателя 12, в зависимости от момента, когда его используют для отключения, если ток равен нулю в момент отключения, электрическое напряжение в пусковом конденсаторе 14 также будет высоким. С другой стороны, если отключение происходит в другой момент, когда электрическое напряжение в пусковом конденсаторе 14 низкое, индуктивность рассеяния пусковой обмотки 11 будет вызывать электрическое перенапряжение на элементах цепи.
Таким образом, целью использование детектора нуля 16 является снижение уровня градиента электрического напряжения на электронном переключателе 13 и на электромеханическом переключателе 12.
Кроме того, для регулирования системы энергоснабжения вспомогательной обмотки электродвигателя согласно настоящему изобретению обеспечен способ регулирования, внедренный за счет использования блока управления 10.
Таким образом, блок управления 10 будет запрограммирован на следование этапам, описанным ниже, которые показаны на Фиг. 2 и 3.
Согласно первому варианту воплощения, активация электромеханического переключателя 12 должна идти одновременно, или следовать за активацией электронного переключателя 13, так что последовательность этапов будет следующая: когда вспомогательная обмотка 11 электродвигателя подключена, электронный переключатель 13 параллелен последовательному соединению электромеханического переключателя 12 и пускового конденсатора 14, и при этом два переключателя одновременно включены в течение периода стабилизации подключения tb, причем это время подключения tb может следовать (или не следовать) за временем подключения ta (см. диаграмму на Фиг.2 - время подключения ta составляет от t0 до t1, а время стабилизации подключения tb составляет от t1 до t2). При этом альтернативном варианте электродвигатель будет функционировать за счет электромеханического переключателя 12, который будет включен в течение времени, требуемого для пуска двигателя, или в течение времени выполнения операции tc, и будет отключен просто путем отключения электромеханического переключателя 12 (см. t3 на диаграмме на Фиг. 2).
Согласно другому альтернативному варианту воплощения, как показано на Фиг.3, как когда электромеханический переключатель 12 включен, так и когда он выключен, электронный переключатель 13 включен. В этом случае, коммутирующая логика будет той же, что и в других вариантах, а переключатели будут отключаться следующим образом:
- перед отключением электромеханического переключателя 12 время стабилизации отключения td, в ходе которого электромеханический переключатель 12 будет продолжать работать одновременно с электронным переключателем 13 (см. диаграмму на Фиг. 3 - период времени между t3 и t4), а после того, как электромеханический переключатель 12 будет отключен, электронный переключатель 13 будет работать в течение времени отключения te (см. диаграмма на Фиг. 3 - период времени между t4 и t5). Оба периода времени, - время стабилизации подключения tb и время стабилизации отключения td будут установлены таким образом, чтобы соединители электромеханического переключателя 12 имели время для надлежащего закрытия или открытия, исключая, таким образом, любое переходное состояние.
В двух версиях, при одновременном включении электронного переключателя 13 и электромеханического переключателя 12, диаграмма на Фиг. 2 и 3 изменится (не показана) таким образом, чтобы t0=t1.
Дополнительный этап согласно настоящему изобретению представляет собой этап постоянного мониторинга уровня напряжения пускового конденсатора 14, таким образом, чтобы в момент, когда напряжение на пусковом конденсаторе будет приблизительно равен нулю, электромеханический переключатель 12 выключался (см. Период времени t3).
Согласно настоящему изобретению дополнительно предусматривается изготовление электродвигателя или комплекта двигатель-компрессор, снабженного системой согласно настоящему изобретению, предназначенной для работы с логикой управления, исключая, таким образом, избыточное использование SKU, а также для устранения проблемы переключения электромеханических переключателей согласно уровню техники.
Примеры, описанные выше, отображают предпочтительные варианты воплощения, однако, следует понимать, что объем настоящего изобретения охватывает и другие возможные варианты и ограничен только содержанием прилагаемой формулы изобретения, которая включает в себя все возможные эквиваленты.
Claims (20)
1. Система для энергоснабжения вспомогательной обмотки электродвигателя, причем вспомогательная обмотка (11) подключается последовательно к имеющейся сети напряжения (VAC), причем система содержит:
- пусковой конденсатор (14) и электромеханический переключатель (12), соединенные последовательно с пусковой обмоткой (11), отличающаяся тем, что
- параллельно с последовательным соединением пускового конденсатора (14) и электромеханического переключателя (12) соединен электронный переключатель (13), причем электронный переключатель (13) и электромеханический переключатель (12) использованы для энергоснабжения вспомогательной обмотки (11),
при этом система выполнена так, что электронный переключатель (13) включается до или одновременно с включением электромеханического переключателя (12) и поддерживается во включенном состоянии одновременно с электромеханическим переключателем (12) в течение времени стабилизации (tb, td).
- пусковой конденсатор (14) и электромеханический переключатель (12), соединенные последовательно с пусковой обмоткой (11), отличающаяся тем, что
- параллельно с последовательным соединением пускового конденсатора (14) и электромеханического переключателя (12) соединен электронный переключатель (13), причем электронный переключатель (13) и электромеханический переключатель (12) использованы для энергоснабжения вспомогательной обмотки (11),
при этом система выполнена так, что электронный переключатель (13) включается до или одновременно с включением электромеханического переключателя (12) и поддерживается во включенном состоянии одновременно с электромеханическим переключателем (12) в течение времени стабилизации (tb, td).
2. Система по п.1, характеризующаяся тем, что электронный переключатель (13) включают перед электромеханическим переключателем (12) и поддерживают во включенном состоянии одновременно с электромеханическим переключателем (12) в течение времени стабилизации подключения (tb).
3. Система по п.2, характеризующаяся наличием блока управления (10), электрически соединенного с электромеханическим переключателем (12) и с электронным переключателем (13).
4. Система по п.3, характеризующаяся тем, что блок управления (10) сконструирован таким образом, что электронный переключатель (13) поддерживается во включенном состоянии до активации электромеханического переключателя (12) в течение времени подключения (ta).
5. Система по п.4, характеризующаяся тем, что блок управления (10) сконструирован таким образом, что электронный переключатель (13) включают и поддерживают во включенном состоянии одновременно с электромеханическим переключателем (12) в течение времени стабилизации отключения (td), перед тем, как электромеханический переключатель (12) будет выключен.
6. Система по п.5, характеризующаяся тем, что блок управления (10) сконструирован таким образом, что электронный переключатель (13) поддерживают во включенном состоянии в течение времени отключения (te) после того, как электромеханический переключатель (12) был выключен.
7. Система по п.1, характеризующаяся тем, что электронный переключатель (13) включают одновременно с электромеханическим переключателем (12).
8. Система по п.6 или 7, характеризующаяся тем, что электромеханический переключатель (12) представляет собой реле, а электронный переключатель (13) представляет собой двунаправленный триодный тиристор.
9. Система по п.8, характеризующаяся тем, что она дополнительно содержит цепь детектирования напряжения (16), соединенную параллельно с пусковым конденсатором (14), причем цепь детектирования напряжения (16) соединена с блоком управления (10), предназначенным для информирования о моментах, когда электрическое напряжение на выводах пускового конденсатора будет равным нулю.
10. Система по п.9, характеризующаяся тем, что она дополнительно содержит разрядный резистор (15), а разрядный резистор (15) соединен параллельно с пусковым конденсатором (14).
11. Система для энергоснабжения вспомогательной обмотки электродвигателя, причем вспомогательная обмотка (11) последовательно соединена с имеющейся сетью напряжения (VAC), причем система содержит:
- пусковой конденсатор (14) и электромеханический переключатель (12), соединенные последовательно со вспомогательной обмоткой (11),
- электронный переключатель (13), соединенный параллельно с электромеханическим переключателем (12), причем электронный переключатель (13) и электромеханический переключатель (12) использованы для энергоснабжения вспомогательной обмотки (11),
- блок управления (10), который электрически соединен с электромеханическим переключателем (12) и с электронным переключателем (13),
при этом блок управления (10) запрограммирован таким образом, чтобы электронный переключатель (13) можно было бы включать одновременно с электромеханическим переключателем (12), причем электронный переключатель (13) и электромеханический переключатель (12) имеют перекрывающиеся периоды эксплуатации при функционировании подключения и отключения вспомогательной обмотки (11),
при этом упомянутая система характеризуется тем, что электронный переключатель (13) соединен параллельно с последовательным соединением электромеханического переключателя (12) и пускового конденсатора (14).
- пусковой конденсатор (14) и электромеханический переключатель (12), соединенные последовательно со вспомогательной обмоткой (11),
- электронный переключатель (13), соединенный параллельно с электромеханическим переключателем (12), причем электронный переключатель (13) и электромеханический переключатель (12) использованы для энергоснабжения вспомогательной обмотки (11),
- блок управления (10), который электрически соединен с электромеханическим переключателем (12) и с электронным переключателем (13),
при этом блок управления (10) запрограммирован таким образом, чтобы электронный переключатель (13) можно было бы включать одновременно с электромеханическим переключателем (12), причем электронный переключатель (13) и электромеханический переключатель (12) имеют перекрывающиеся периоды эксплуатации при функционировании подключения и отключения вспомогательной обмотки (11),
при этом упомянутая система характеризуется тем, что электронный переключатель (13) соединен параллельно с последовательным соединением электромеханического переключателя (12) и пускового конденсатора (14).
12. Система по п.11, характеризующаяся тем, что во время периодов перекрывания электронный и электромеханический переключатели (12, 13) одновременно поддерживаются во включенном состоянии в течение времени стабилизации (tb, td).
13. Система по п.12, характеризующаяся тем, что электромеханический переключатель (12) представляет собой реле, а электронный переключатель (13) представляет собой двунаправленный триодный тиристор.
14. Способ для энергоснабжения вспомогательной обмотки электродвигателя, где вспомогательная обмотка (11) подключается последовательно к имеющейся цепи напряжения (VAC), причем система содержит:
- пусковой конденсатор (14) и электромеханический переключатель (12), соединенные последовательно со вспомогательной обмоткой (11), при этом упомянутый способ характеризуется наличием этапов:
- подключения электронного переключателя (13) параллельно с последовательным соединением электромеханического переключателя (12) и пускового конденсатора (14), когда вспомогательная обмотка (11) электродвигателя подключена; и
- одновременного поддержания электромеханического переключателя (12) и электронного переключателя (13) во включенном состоянии в течение времени стабилизации подключения (tb).
- пусковой конденсатор (14) и электромеханический переключатель (12), соединенные последовательно со вспомогательной обмоткой (11), при этом упомянутый способ характеризуется наличием этапов:
- подключения электронного переключателя (13) параллельно с последовательным соединением электромеханического переключателя (12) и пускового конденсатора (14), когда вспомогательная обмотка (11) электродвигателя подключена; и
- одновременного поддержания электромеханического переключателя (12) и электронного переключателя (13) во включенном состоянии в течение времени стабилизации подключения (tb).
15. Способ по п.14, характеризующийся тем, что дополнительно включает в себя этапы:
- подключения электронного переключателя (13) параллельно с электромеханическим переключателем (12), когда вспомогательная обмотка (11) электродвигателя отключена; и
- одновременного поддержания электромеханического переключателя (12) и электронного переключателя (13) во включенном состоянии в течение времени стабилизации отключения (td).
- подключения электронного переключателя (13) параллельно с электромеханическим переключателем (12), когда вспомогательная обмотка (11) электродвигателя отключена; и
- одновременного поддержания электромеханического переключателя (12) и электронного переключателя (13) во включенном состоянии в течение времени стабилизации отключения (td).
16. Способ по п.15, характеризующийся тем, что перед этапом одновременного поддержания электромеханического переключателя (12) и электронного переключателя (12) во включенном состоянии в течение времени стабилизации подключения (tb) обеспечен этап включения электронного переключателя (13) перед включением электромеханического переключателя (12).
17. Способ по п.16, характеризующийся тем, что на этапе включения электронного переключателя (13) перед включением электромеханического переключателя (12) электронный переключатель (12) поддерживают во включенном состоянии перед переключением электромеханического переключателя (12) в течение времени стабилизации подключения (ta).
18. Способ по п.17, характеризующийся тем, что после выключения электромеханического переключателя (12) электронный переключатель (13) поддерживают во включенном состоянии в течение периода стабилизации отключения (te).
19. Способ по п.18, характеризующийся тем, что дополнительно обеспечен этап постоянного мониторинга уровня напряжения на выводах пускового конденсатора (14) таким образом, чтобы электромеханический переключатель (12) выключался, когда напряжение на пусковом конденсаторе (14) равно приблизительно нулю.
20. Электродвигатель, характеризующийся наличием системы по пп.1-10.
Applications Claiming Priority (3)
| Application Number | Priority Date | Filing Date | Title |
|---|---|---|---|
| BRPI0703332-0 | 2007-08-15 | ||
| BRPI0703332-0A BRPI0703332A2 (pt) | 2007-08-15 | 2007-08-15 | sistema e método de acionamento de enrolamento auxiliar de motor elétrico e motor elétrico |
| PCT/BR2008/000242 WO2009021302A2 (en) | 2007-08-15 | 2008-08-15 | System and method for energizing an electric motor auxiliary winding and electric motor |
Publications (2)
| Publication Number | Publication Date |
|---|---|
| RU2010109425A RU2010109425A (ru) | 2011-09-20 |
| RU2477560C2 true RU2477560C2 (ru) | 2013-03-10 |
Family
ID=40291312
Family Applications (1)
| Application Number | Title | Priority Date | Filing Date |
|---|---|---|---|
| RU2010109425/07A RU2477560C2 (ru) | 2007-08-15 | 2008-08-15 | Система и способ для энергоснабжения электродвигателя и вспомогательной обмотки электродвигателя |
Country Status (13)
| Country | Link |
|---|---|
| US (1) | US8629645B2 (ru) |
| EP (1) | EP2179495B1 (ru) |
| CN (1) | CN101821936B (ru) |
| AR (1) | AR067962A1 (ru) |
| AT (1) | ATE526722T1 (ru) |
| BR (1) | BRPI0703332A2 (ru) |
| CL (1) | CL2008002404A1 (ru) |
| DK (1) | DK2179495T3 (ru) |
| EC (1) | ECSP109991A (ru) |
| ES (1) | ES2374689T3 (ru) |
| MX (1) | MX2010001775A (ru) |
| RU (1) | RU2477560C2 (ru) |
| WO (1) | WO2009021302A2 (ru) |
Families Citing this family (1)
| Publication number | Priority date | Publication date | Assignee | Title |
|---|---|---|---|---|
| ITUB20161086A1 (it) * | 2016-02-26 | 2017-08-26 | Feliziani Alessandro | Circuito elettronico, dispositivo utilizzante tale circuito e metodo |
Citations (7)
| Publication number | Priority date | Publication date | Assignee | Title |
|---|---|---|---|---|
| EP0149345A1 (en) * | 1984-01-12 | 1985-07-24 | Minnesota Mining And Manufacturing Company | Thermoplastic dispensing device with outlet cooling chamber |
| EP0752752A1 (en) * | 1995-07-03 | 1997-01-08 | Inco Massalombarda Srl | Changeover switching device for paralleling capacitors and, specifically, the start and und run capacitors of rotating-field asynchronous motors with single-phase power supply and intermittent duty cycle |
| RU2099848C1 (ru) * | 1996-02-15 | 1997-12-20 | Ульяновский государственный технический университет | Электропривод |
| EP1100190A2 (en) * | 1999-11-12 | 2001-05-16 | Lg Electronics Inc. | Device and method for controlling the current supply and the static capacitance of a compressor |
| US20060273752A1 (en) * | 2003-10-08 | 2006-12-07 | Empresa Brasileria De Compresssores S.A. Embraco | Starting device and starting method for a single-phase induction motor |
| RU2005126694A (ru) * | 2004-08-24 | 2007-02-27 | Юлис (Fr) | Элемент для детектирования электромагнитного излучения, в частности инфракрасного излучения, модуль формирования оптического инфракрасного изображения, включающий такой элемент, и способ для его реализации |
| US20070164700A1 (en) * | 2003-12-11 | 2007-07-19 | Whirlpool S.A. | Starting system for a single-phase induction motor |
Family Cites Families (6)
| Publication number | Priority date | Publication date | Assignee | Title |
|---|---|---|---|---|
| US4843295A (en) * | 1987-06-04 | 1989-06-27 | Texas Instruments Incorporated | Method and apparatus for starting single phase motors |
| BR8906225A (pt) * | 1989-11-28 | 1991-06-04 | Brasil Compressores Sa | Circuito eletronico para partida de motor a inducao monofasico |
| US5103154A (en) * | 1990-05-25 | 1992-04-07 | Texas Instruments Incorporated | Start winding switch protection circuit |
| AU5382494A (en) * | 1994-01-18 | 1995-08-03 | Premlex Pty. Ltd. | A switching circuit |
| US5528120A (en) * | 1994-09-09 | 1996-06-18 | Sealed Unit Parts Co., Inc. | Adjustable electronic potential relay |
| US6864659B2 (en) * | 2001-07-12 | 2005-03-08 | Varidigm Corporation | Variable speed controller for air moving applications using an AC induction motor |
-
2007
- 2007-08-15 BR BRPI0703332-0A patent/BRPI0703332A2/pt not_active Application Discontinuation
-
2008
- 2008-08-14 CL CL2008002404A patent/CL2008002404A1/es unknown
- 2008-08-15 ES ES08800188T patent/ES2374689T3/es active Active
- 2008-08-15 RU RU2010109425/07A patent/RU2477560C2/ru not_active IP Right Cessation
- 2008-08-15 CN CN200880111532.5A patent/CN101821936B/zh not_active Expired - Fee Related
- 2008-08-15 DK DK08800188.8T patent/DK2179495T3/da active
- 2008-08-15 EP EP08800188A patent/EP2179495B1/en not_active Not-in-force
- 2008-08-15 US US12/673,314 patent/US8629645B2/en not_active Expired - Fee Related
- 2008-08-15 AT AT08800188T patent/ATE526722T1/de active
- 2008-08-15 MX MX2010001775A patent/MX2010001775A/es active IP Right Grant
- 2008-08-15 WO PCT/BR2008/000242 patent/WO2009021302A2/en not_active Ceased
- 2008-08-15 AR ARP080103581A patent/AR067962A1/es not_active Application Discontinuation
-
2010
- 2010-02-24 EC EC2010009991A patent/ECSP109991A/es unknown
Patent Citations (7)
| Publication number | Priority date | Publication date | Assignee | Title |
|---|---|---|---|---|
| EP0149345A1 (en) * | 1984-01-12 | 1985-07-24 | Minnesota Mining And Manufacturing Company | Thermoplastic dispensing device with outlet cooling chamber |
| EP0752752A1 (en) * | 1995-07-03 | 1997-01-08 | Inco Massalombarda Srl | Changeover switching device for paralleling capacitors and, specifically, the start and und run capacitors of rotating-field asynchronous motors with single-phase power supply and intermittent duty cycle |
| RU2099848C1 (ru) * | 1996-02-15 | 1997-12-20 | Ульяновский государственный технический университет | Электропривод |
| EP1100190A2 (en) * | 1999-11-12 | 2001-05-16 | Lg Electronics Inc. | Device and method for controlling the current supply and the static capacitance of a compressor |
| US20060273752A1 (en) * | 2003-10-08 | 2006-12-07 | Empresa Brasileria De Compresssores S.A. Embraco | Starting device and starting method for a single-phase induction motor |
| US20070164700A1 (en) * | 2003-12-11 | 2007-07-19 | Whirlpool S.A. | Starting system for a single-phase induction motor |
| RU2005126694A (ru) * | 2004-08-24 | 2007-02-27 | Юлис (Fr) | Элемент для детектирования электромагнитного излучения, в частности инфракрасного излучения, модуль формирования оптического инфракрасного изображения, включающий такой элемент, и способ для его реализации |
Also Published As
| Publication number | Publication date |
|---|---|
| CN101821936B (zh) | 2013-02-06 |
| WO2009021302A2 (en) | 2009-02-19 |
| AR067962A1 (es) | 2009-10-28 |
| ES2374689T3 (es) | 2012-02-21 |
| US8629645B2 (en) | 2014-01-14 |
| EP2179495A2 (en) | 2010-04-28 |
| MX2010001775A (es) | 2010-03-15 |
| CN101821936A (zh) | 2010-09-01 |
| US20110006722A1 (en) | 2011-01-13 |
| RU2010109425A (ru) | 2011-09-20 |
| EP2179495B1 (en) | 2011-09-28 |
| ATE526722T1 (de) | 2011-10-15 |
| DK2179495T3 (da) | 2011-11-21 |
| ECSP109991A (es) | 2010-03-31 |
| WO2009021302A4 (en) | 2009-11-05 |
| CL2008002404A1 (es) | 2009-05-08 |
| BRPI0703332A2 (pt) | 2009-03-31 |
| WO2009021302A3 (en) | 2009-09-03 |
Similar Documents
| Publication | Publication Date | Title |
|---|---|---|
| US7113380B2 (en) | Power supply device and control method thereof | |
| US7932632B2 (en) | Switching power supply with overvoltage protection and overvoltage protection method thereof | |
| KR101804713B1 (ko) | 직류 전원 장치, 전동기 구동 장치, 공기 조화기 및 냉장고 | |
| CN104303407B (zh) | 逆变器装置 | |
| CN105588218B (zh) | 空气调节机 | |
| JP2004248488A (ja) | モーター電源供給装置 | |
| WO2002071587A2 (en) | Start-up circuit for switched mode power supply | |
| EP3133354B1 (en) | Air-conditioning apparatus | |
| US11469687B2 (en) | Power supply device | |
| KR102060068B1 (ko) | 전력 변환 장치 및 이를 포함하는 공기 조화기 | |
| KR100883507B1 (ko) | 삼상유도전동기의 절전구동장치 | |
| RU2477560C2 (ru) | Система и способ для энергоснабжения электродвигателя и вспомогательной обмотки электродвигателя | |
| US10353412B2 (en) | Power harvesting circuit employing saturable core transformer | |
| KR20090031762A (ko) | 가변 전압 공급 시스템 | |
| US8154232B2 (en) | Method for operating a motor system, and a motor system | |
| KR101455782B1 (ko) | 교류 전동기용 아크 없는 위상제어 회로 | |
| US12301158B2 (en) | De-exciting system for inductive circuits | |
| KR102157586B1 (ko) | 직입기동 기능이 구비된 모터 구동제어장치 | |
| KR100883506B1 (ko) | 삼상유도전동기의 리액터식 절전구동장치 | |
| JP5764680B2 (ja) | 突入電流防止装置 | |
| US6064173A (en) | Application-specific electronic motor starter | |
| JP3457570B2 (ja) | 電気機器の制御装置 | |
| SU991548A1 (ru) | Устройство дл защиты электродвигател холодильного компрессора от понижени напр жени в сети | |
| JP2015201933A (ja) | 単相誘導電動機の制御装置、及びこれを用いた空気調和機 | |
| JP2002136113A (ja) | 電源装置とそれを用いた電子機器 |
Legal Events
| Date | Code | Title | Description |
|---|---|---|---|
| MM4A | The patent is invalid due to non-payment of fees |
Effective date: 20160816 |