RU2160503C2 - Линия радиосвязи - Google Patents
Линия радиосвязи Download PDFInfo
- Publication number
- RU2160503C2 RU2160503C2 RU99100583A RU99100583A RU2160503C2 RU 2160503 C2 RU2160503 C2 RU 2160503C2 RU 99100583 A RU99100583 A RU 99100583A RU 99100583 A RU99100583 A RU 99100583A RU 2160503 C2 RU2160503 C2 RU 2160503C2
- Authority
- RU
- Russia
- Prior art keywords
- input
- output
- inputs
- phase
- outputs
- Prior art date
Links
- GVVPGTZRZFNKDS-JXMROGBWSA-N geranyl diphosphate Chemical compound CC(C)=CCC\C(C)=C\CO[P@](O)(=O)OP(O)(O)=O GVVPGTZRZFNKDS-JXMROGBWSA-N 0.000 claims 1
- 230000005540 biological transmission Effects 0.000 abstract description 5
- 238000001514 detection method Methods 0.000 abstract 1
- 230000000694 effects Effects 0.000 abstract 1
- 239000000126 substance Substances 0.000 abstract 1
- 230000010355 oscillation Effects 0.000 description 13
- 230000009268 pathologic speech processing Effects 0.000 description 5
- 208000032207 progressive 1 supranuclear palsy Diseases 0.000 description 5
- 229920006261 self reinforced polyphenylene Polymers 0.000 description 5
- 102100027867 FH2 domain-containing protein 1 Human genes 0.000 description 4
- 101001060553 Homo sapiens FH2 domain-containing protein 1 Proteins 0.000 description 4
- 101001012154 Homo sapiens Inverted formin-2 Proteins 0.000 description 4
- 102100030075 Inverted formin-2 Human genes 0.000 description 4
- 230000008878 coupling Effects 0.000 description 4
- 238000010168 coupling process Methods 0.000 description 4
- 238000005859 coupling reaction Methods 0.000 description 4
- 101100068394 Arabidopsis thaliana GER3 gene Proteins 0.000 description 3
- 101100393014 Arabidopsis thaliana GLP1 gene Proteins 0.000 description 3
- 230000036039 immunity Effects 0.000 description 3
- 230000010287 polarization Effects 0.000 description 3
- 230000001360 synchronised effect Effects 0.000 description 3
- 230000015572 biosynthetic process Effects 0.000 description 2
- 238000010586 diagram Methods 0.000 description 2
- 230000002452 interceptive effect Effects 0.000 description 2
- 230000010363 phase shift Effects 0.000 description 2
- 238000000926 separation method Methods 0.000 description 2
- 230000001629 suppression Effects 0.000 description 2
- 101100100081 Oryza sativa subsp. japonica TPP3 gene Proteins 0.000 description 1
- 238000005314 correlation function Methods 0.000 description 1
- 230000008520 organization Effects 0.000 description 1
- 230000011514 reflex Effects 0.000 description 1
- 238000001228 spectrum Methods 0.000 description 1
Images
Landscapes
- Transceivers (AREA)
Abstract
Изобретение относится к радиосвязи и может быть использовано в космических и наземных системах связи, использующих пространственную модуляцию. Технический результат - расширение функциональных возможностей и повышение скорости информации. Линия радиосвязи содержит на передающей стороне генератор несущей и тактовой частот, два канала формирования ортогональных частотных каналов, один из которых используется как канал синхронизации, а второй как переносчик информации. На приемной стороне осуществляется синхронизация принимаемого сигнала с опорным и выделение принятой информации. Введение на передающей стороне синтезатора частот, двух ключей, фазоинвертора и сумматора, а на приемной двух полосовых фильтров, двух схем выбора максимума, схемы сравнения и фазовращателя на 90° позволило по двум ортогональным каналам передавать как основную информацию, так и дополнительную, которая может быть использована в качестве служебного канала. 4 ил.
Description
Предлагаемое устройство относится к области радиосвязи и может быть использовано в космических и наземных системах связи, использующих пространственную модуляцию.
Известны устройства для радиосвязи с повторным использованием частоты (см. пат. США N 4087818), в котором повторное использование частоты в условиях изменения параметров среды распространения сигналов и изменение взаимного расположения антенн достигается за счет обеспечения ортогональности по поляризации двух одновременно передаваемых сигналов с круговой или линейной поляризацией. Однако эти устройства из-за высоких требований к точности обеспечения ортогональности по поляризации передаваемых сигналов имеют сложную систему автоподстройки, использующую специальные пилот-сигналы. Кроме того, применение пилот-сигналов требует выделение дополнительных частотных каналов, на совпадающих со спектром передаваемых сигналов, что существенно усложняет конструкцию устройства и ухудшает его помехоустойчивость.
Известно также устройство по а.с. N 1141978, содержащее два канала, в одном из которых информация передается с использованием угловой модуляции, а во втором канале - с использованием дополнительной модуляции сигналов по поляризации волн, позволяющей передавать дополнительную информацию (повторно использовать частоту).
Однако в случае использования широкополосных сигналов, что характерно для современных систем связи, низка помехоустойчивость приема информации по второму каналу, обусловленная низкой помехоустойчивостью опорного сигнала для синхронного детектора.
Наиболее близким по технической сущности к заявляемому объекту является "Аппаратура для передачи дискретной информации", авт.св. N 300946, принято за прототип.
Функциональная схема устройства-прототипа приведена на фиг. 1, 2, где введены обозначения:
Передающее устройство:
1 - генератор колебаний несущей и тактовой частоты (ГТНЧ);
2 - формирователь ортогональной псевдослучайной последовательности (ФОПП);
3 - генератор псевдослучайной последовательности (ГПП);
4 - устройство фазирования;
5, 6 - первый и второй умножители соответственно;
7 - фазовращатель на 90o;
8 - фазовый манипулятор;
9 - схема сложения.
Передающее устройство:
1 - генератор колебаний несущей и тактовой частоты (ГТНЧ);
2 - формирователь ортогональной псевдослучайной последовательности (ФОПП);
3 - генератор псевдослучайной последовательности (ГПП);
4 - устройство фазирования;
5, 6 - первый и второй умножители соответственно;
7 - фазовращатель на 90o;
8 - фазовый манипулятор;
9 - схема сложения.
Приемное устройство:
10, 11 - первый и второй умножители соответственно;
12 - формирователь ортогональной псевдослучайной последовательности (ФОПП);
13 - генератор опорной псевдослучайной последовательности (ГОПП);
14 - устройство фазирования;
15 - устройство синхронизации;
16, 17 - первый и второй полосовые фильтры соответственно;
18 - фазовый детектор.
10, 11 - первый и второй умножители соответственно;
12 - формирователь ортогональной псевдослучайной последовательности (ФОПП);
13 - генератор опорной псевдослучайной последовательности (ГОПП);
14 - устройство фазирования;
15 - устройство синхронизации;
16, 17 - первый и второй полосовые фильтры соответственно;
18 - фазовый детектор.
Устройство-прототип содержит на передающей стороне ГНТЧ1, первый выход которого соединен с первыми входами ФОПП2 и ГПП3, вторые входы которых присоединены соответственно к первому и второму выходам устройства фазирования 4, выход ФОПП2 соединен с первым входом первого умножителя 5, второй вход которого соединен с выходом фазовращателя на 90o 7, а вход этого фазовращателя соединен с одним из входов фазового манипулятора 8 и вторым выходом ГНТЧ1, выход ГПП3 соединен с одним из входов второго умножителя 6, второй вход которого присоединен к выходу фазового манипулятора 8, а выход второго умножителя 6 соединен со вторым входом схемы сложения 9, первый вход которого соединен с выходом первого умножителя 5, выход сумматора 9 является выходом передатчика, первый вход фазового манипулятора 8 является информационным входом; на приемной стороне вход устройства синхронизации 15 соединен с первыми входами первого 10 и второго 11 умножителей, выходы которых соединены соответственно со входами первого 16 и второго 17 полосовых фильтров, выходы которых соединены соответственно с первым и вторым входами фазового детектора 18. выход которого является выходом устройства, выход устройства синхронизации 15 соединен с первыми входами ФОПП12 и ГОПП13, вторые входы которых присоединены соответственно к первому и второму выходам устройства фазирования 14, выход ФОПП12 соединен со вторым входом первого умножителя 10, а выход ГОПП13 соединен со вторым входом второго умножителя 11.
Устройство-прототип работает следующим образом.
В передатчике ГНТЧ1 формирует две частоты: тактовую частоту для ФОПП2 и ГПП3 и несущую частоту сигнала. Тактовая частота с выхода ГНТЧ1 поступает на вход ФОПП2 и ГПП3, которые вырабатывают двойные псевдослучайные последовательности. Эти последовательности представляют собой совокупности биполярных импульсов постоянного тока одинаковой величины и длительности, которая определяется величиной тактовой частоты. Законы образования псевдослучайных последовательностей выбираются такими, чтобы обеспечить малую взаимную корреляцию между псевдослучайными последовательностями ФОПП2 и ТПП3 при любом фазовом сдвиге между ними (квазиортогональные двоичные псевдослучайные последовательности. Это условие необходимо для их эффективного разделения и подавления эхо-сигнала в приемнике.
Устройство фазирования 4 устанавливают сдвиговые регистры ФОПП2 и ГПП3 в одинаковое начальное состояние, что обеспечивает связь по фазе их псевдослучайных последовательностей. Устройство фазирования 4 состоит из дешифраторов начальных состояний ФОПП2 и ГПП3 и импульсной схемы фазирования, которая обеспечивает совмещение их начальных состояний по фазе. Двоичная псевдослучайная последовательность с выхода ФОПП2 поступает на умножитель 5. На второй вход умножителя 5 через фазовращатель на 90o 7 с выхода ГНТЧ1 поступает колебание несущей частоты, которое в умножителе 5 умножается на двоичную псевдослучайную последовательность. В результате на выходе умножителя 5 образуется сигнал, представляющий собой колебание несущей частоты с постоянной амплитудой, манипулированное по фазе на 180o по закону двоичной псевдослучайной последовательности. Двоичная псевдослучайная последовательность с выхода ГПП3 поступает на умножитель 6, на второй вход которого через фазовый манипулятор с выхода ГНТЧ1 поступает колебание несущей частоты. На выходе умножителя 6 образуется сигнал, представляющий собой колебание несущей частоты с постоянной амплитудой, манипулированное по фазе на 180o по закону двоичной псевдослучайной последовательности. В зависимости от закона передаваемой информации фазовый манипулятор 8 осуществляет поворот фазы несущей частоты сигнала на выходе умножителя 6 относительно несущей частоты сигнала на выходе умножителя 5 на 0 или 180o. Таким образом, в зависимости от знака передаваемой информации несущие частоты этих сигналов сдвинуты между собой по фазе. С выходов умножителей 5 и 6 сигналы поступают на схему сложения 9, которая образует выходной сигнал передатчика, представляющий собой колебание несущей частоты с постоянной амплитудой, манипулированное по фазе на 0o, 90o, 180o и 270oC, причем моменты манипуляции и порядок следования этих величин фаз определяется соотношением знаков элементов двоичных псевдослучайных последовательностей ФОПП2 и ГПП3 и передаваемой разностью фаз. Со схемы сложения 9 сигнал поступает в высокочастотный передатчик и излучается в эфир.
Принимаемый сигнал с выхода высокочастотного приемника поступает на умножители 10 и 11, аналогичные умножителям 5 и 6 передатчика. В умножителе 10 принимаемый сигнал умножается на двоичную псевдослучайную последовательность, которую вырабатывает ФОПП12, аналогичный ФОПП2 передатчика. Сигнал с выхода умножителя 10 поступает на полосовой фильтр 16, который выделяет колебание несущей частоты сигнала. В умножителе 11 принимаемый сигнал умножается на двоичную псевдослучайную последовательность, которую формирует ГОПП13, аналогичный ГПП3 передатчика. Сигнал с выхода умножителя 11 поступает на полосовой фильтр 17, который выделяет манипулированное по фазе колебание несущей частоты сигнала. Устройство фазирования 14, аналогичное устройству фазирования 4 передатчика, обеспечивает связь по фазе выходных последовательностей ФОПП12 и ГОПП13, соответствующую связи по фазе последовательностей ФОПП2 и ГПП3 передатчика. Двоичные псевдослучайные последовательности, вырабатываемые генераторами в приемнике, синхронизируются с двоичными псевдослучайными последовательностями принимаемого сигнала с помощью устройства синхронизации 15. В качестве устройства синхронизации 15 могут быть использованы известные устройства синхронизации, обеспечивающие синхронизм местных сигналов приемника с одним из сильнейших лучей принимаемого многолучевого сигнала на основе анализа функции взаимной корреляции принимаемого и местных сигналов. Как известно, при использовании широкополосных сигналов при этом может быть обеспечено эффективное подавление мешающих лучей либо сложение нескольких выделенных наиболее сильных лучей, а также подавление сосредоточенных помех.
Колебания несущей частоты с выходов полосовых фильтров 16 и 17 поступают на фазовый детектор 18, который измеряет информационную разность фаз между ними.
Данному устройству-прототипу присущ следующий недостаток: для передачи всевозрастающего объема информации необходимо увеличивать скорость передачи или число радиоканалов, что в том и другом случаях приводит к расширению полосы радиочастот. А как известно, в настоящее время диапазон радиочастот, начиная от самых низких ОНЧ и кончая самыми высокими СВЧ, весьма перегружен. Поэтому задача выделения какого-либо участка диапазона радиочастот становится все более проблематичной.
Предлагаемое устройство позволяет осуществить передачу помимо основной ИНФ1, еще и дополнительную - ИНФ2, используя тот же радиоканал.
Это достигается тем, что в устройство, содержащее на передающей стороне: генератор колебаний несущей и тактовых частот (ГНТЧ), первый выход которого соединен с первыми входами формирователя ортогональной псевдослучайной последовательности (ФОПП) и генератор псевдослучайной последовательности (ГПП), вторые входы которых соединены с первыми и вторым выходами устройства фазирования, выход ФОПП через первый умножитель соединен с первым входом первой схемы сложения, а выход ГПП через второй умножитель соединен со вторым входом первой схемы сложения, вторые входы первого и второго умножителей присоединены соответственно к выходам фазовращателя на 90o и фазового манипулятора, входы которых соединены между собой; на приемной стороне: вход устройства синхронизации соединен с первым и вторым входами первого и второго умножителей, а выход устройства синхронизации соединен с первыми входами ФОПП и ГОПП, вторые входы которых присоединены к первому и второму выходам устройства фазирования, а выходы ФОПП и ГОПП соединены соответственно со вторыми входами первого и второго умножителей, выходы первого и второго умножителей соединены со входами первого и второго полосовых фильтров соответственно, а также фазовый детектор, введены на передающей стороне: синтезатор частот, фазоинвертор, первый и второй ключи и вторая схема сложения; на приемной стороне: третий и четвертый полосовые фильтры, схема сравнения, первая и вторая схемы выбора максимума и фазовращатель на 90oC.
При этом на передающей стороне: вход синтезатора частот соединен со вторым входом ГНТЧ, а первый и второй выходы синтезатора частот через первый и второй ключи соединены соответственно с первым и вторым входами второй схемы сложения, выход которой соединен со входами фазовращателя на 90o и фазового манипулятора, вход фазоинвертора объединен с управляющим входом второго ключа и соединен с источником ИНФ2, выход фазоинвертора соединен с управляющим входом первого ключа. На приемной стороне: выход первой схемы выбора максимума через фазовращатель на 90o соединен с первым входом фазового детектора, выход второй схемы выбора максимума соединен со вторым входом фазового детектора, вход третьего полосового фильтра соединен со входом первого полосового фильтра, а выход подсоединен ко второму входу первой схемы выбора максимума, первый вход которой соединен с выходом первого полосового фильтра, вход четвертого полосового фильтра соединен со входом второго полосового фильтра, а выход подсоединен к первому входу второй схемы выбора максимума и второму входу схемы сравнения, первый вход которой соединен с выходом второго полосового фильтра и вторым входом второй схемы выбора максимума.
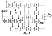
На фиг. 3, 4 приведена функциональная сема линий радиосвязи.
Линия радиосвязи содержит на передающей стороне генератор 1 колебаний несущей и тактовой частот, (ГТНЧ) формирователь ортогональной псевдослучайной последовательности (ФОПП), генератор псевдослучайной последовательности 3(ГПП), устройство фазирования 4, первый и второй умножители 5, 6, фазовращатель на 90o 7, фазовый манипулятор 8, схема сложения 9, синтезатор частот 19, фазогенератор 20, первый и второй ключи 21, 22, вторая схема сложения 23, на приемной стороне - первый и второй умножители 10, 11, формирователь ортогональной псевдослучайной последовательности (ФОПП) 12, генератор опорной псевдослучайной последовательности (ГОПП)13, устройство фазирования 14, устройство синхронизации 15, первый и второй полосовые фильтры 16, 17, фазовый детектор 18, третий и четвертый полосовые фильтры 24, 25, схема сравнения 26, первая и вторая схемы выбора максимума 27, 28, фазовращатель на 90o 29.
Предлагаемое устройство имеет следующие функциональные связи: на передающей стороне - первый выход генератора колебаний несущей и тактовой частоты 1 соединен со входами ФОПП2, ГПП3 и второй выход этого ГНТЧ соединен со входом синтезатора частот 19, вторые входы ФОПП2и ГПП3 соединены с первым и вторым выходами устройства фазирования 4 соответственно, первый и второй выходы синтезатора частот 19 через первый 21 и второй 22 ключи соответственно соединены с первым и вторым входами второго сумматора 23 соответственно, управляющий вход ключа 22 присоединен ко входу фазоинвертора 20, выход которого соединен с управляющим входом ключа 21, выход ФОПП2 соединен с одним из входов первого умножителя 5, второй вход которого присоединен к выходу фазовращателя на 90o 7, а выход этого умножителя соединен с одним из входов схемы сложения 9, второй вход которой соединен с выходом второго умножителя 6, один из входов которого присоединен к выходу ГПП3, а второй вход этого умножителя соединен с выходом фазового манипулятора 8, вход которого соединен со входом фазовращателя на 90o 7 и с выходом сумматора 23; на приемной стороне - вход устройства синхронизации 15 соединен со входами первого 10 и второго 11 умножителей, второй вход первого умножителя 10 соединен с выходом ФОПП12, один из входов которого присоединен с выходу устройства синхронизации 15 и одному из входов ГОПП13, второй вход которого соединен с одним из выходов устройства фазирования 14, второй выход которого присоединен ко второму входу ФОПП12, выход первого умножителя 10 соединен со входами первого 16 и третьего 24 полосовых фильтров, выходы этих фильтров соединены с первым и вторым входами первой схемы выбора максимума 27 соответственно, выход которого через фазовращатель 29 соединен с одним из выходов фазового детектора 18, второй вход которого присоединен к выходу второй схемы выбора максимума 28, два входа которой соединены соответственно с двумя входами схемы сравнения 26, и кроме того, первый вход схемы выбора максимума 28 соединен с выходом четвертого полосового фильтра 25, а второй вход этой схемы выбора максимума присоединен к выходу второго полосового фильтра 17, входы второго 17 и четвертого 25 полосовых фильтров соединены между собой и с выходом второго умножителя 11; выходы фазового детектора 18 и схемы сравнения 26 являются первым и вторым выходами приемного устройства соответственно.
Предлагаемое устройство работает следующим образом.
В передатчике генератор несущей и тактовой частот 1 (ГНТЧ) формирует две частоты: тактовую для ФОПП2 и ГПП3 и несущую частоту сигнала, подаваемую на синтезатор частот 19. Тактовая частота с выхода ГНТЧ1 поступает на вход ФОПП2 и ГПП3, которые вырабатывают двоичные псевдослучайные последовательности - ПСП. Эти ПСП представляют собой совокупности биполярных импульсов постоянного тока одинаковой величины и длительности, которая определяется величиной тактовой частоты. Законы образования ПСП выбираются такими, чтобы обеспечить малую взаимную корреляцию между псевдослучайными последовательностями ФОПП2 и ГПП3 при любом фазовом сдвиге между ними (квазиортогональные двоичные ПСП). Это условие необходимо для их эффективного разделения и подавления эхо-сигналов в приемнике.
Устройство фазирования 4 устанавливает сдвиговые регистры ФОПП2 и ГПП3 в одинаковое начальное состояние, что обеспечивает связь по фазе их псевдослучайных последовательностей. Устройство фазирования 4 состоит из дешифраторов начальных состояний ФОПП2 и ГПП3 и импульсной схемы фазирования, которая обеспечивает совмещение их начальных состояний по фазе. Двоичная ПСП с выхода ФОПП2 поступает на умножитель 5, на второй вход которого через фазовращатель на 90o 7 поступает колебание несущей частоты с выхода сумматора 23. Со второго выхода ГНТЧ1 колебание несущей частоты поступает на вход синтезатора частот 19, где из этого колебания формируется первая f1, и вторая f2 несущие частоты и которые через первый ключ 21 и второй ключ 22 соответственно коммутируются на входы второго суммирующего устройства 23. Управление ключами 21 и 22 производится сигналом информации "ИНФ2", причем на первый ключ - через фазоинвертор 20. С выхода второго суммирующего устройства 23 несущие частоты f1 и f2 поступают на входы фазового манипулятора 8 и фазовращателя на 90o 7. В умножителе 5 сигнал двоичной ПСП, поступающий на первый вход умножителя, умножается на сигнал несущей частоты, поступающего на второй вход умножителя. В результате на входе умножителя 5 образуется сигнал, представляющий колебание несущей частоты с постоянной амплитудой, манипулированное по фазе на 180o по закону двоичной ПСП. Двоичная ПСП с выхода ГПП3 поступает на умножитель 6, на второй вход которого поступает сигнал с фазового манипулятора 8. На входе умножителя 6, таким образом, образуется сигнал, представляющий собой колебание несущей частоты с постоянной амплитудой, манипулированное по фазе на 180o по закону двоичной ПСП. В зависимости от знака передаваемой информации "ИНФ1" фазовый манипулятор 8 осуществляет поворот фазы несущей частоты сигнала на выходе умножителя 6 относительно несущей частоты сигнала на выходе умножителя 5 на 0 или 180o. Таким образом, в зависимости от знака передаваемой информации несущие частоты этих сигналов сдвинуты между собой по фазе. С выходов умножителей 5 и 6 сигналы поступают на схему сложения 9, которая образует выходной сигнал передатчика, представляющий собой колебания несущих частот f1 и f2 с постоянной амплитудой, манипулированные по фазе на 0o, 90o, 180o и 270o, причем моменты манипуляции и порядок следования этих величин определяются соотношением знаков элементов двоичных ПСП ФОПП2 и ГПП3 и передаваемой разностью фаз ИНФ1. Со схемы сложения 9 сигнал поступает в высокочастотный передатчик и излучается в эфир. Принимаемый сигнал с выхода высокочастотного приемника поступает на умножители 10 и 11, аналогичные умножители 5 и 6 передатчика. В умножителе 10 принимаемый сигнал умножается на двоичную ПСП, которую вырабатывает ФОПП12, аналогичный ФОПП2 передатчика. Сигнал с выхода умножителя 10 поступает на полосовые фильтры 16, 4, которые настроены соответственно на частоты f1 и f2 и в зависимости от того, на какой частоте (f1 или f2) был принят сигнал в данный момент, через тот фильтр и проходит принятый сигнал. С выходов фильтров 16 и 24 сигнал поступает на схему выбора максимума 27, (точнее сигнал в данный момент поступает только с одного из этих фильтров, а с другого - только шум), где производится выбор наибольшего значения из двух сигналов, и это и будет полезный сигнал, снятый с одного из фильтров. Со схемы выбора максимума 27 сигнал через фазовращатель на 90o 29 поступает на один из входов фазового детектора 18.
В умножителе 11 принимаемый сигнал умножается на двоичную ПСП, которую формирует ГОПП13, аналогичную ГПП3 передатчика. Сигнал с выхода умножителя 11 поступает на полосовые фильтры 11, 25, настроенные, как и фильтры 16, 24, на частоты f1 и f2. С фильтров 17, 25 сигнал поступает на входы схемы сравнения 26, с выхода который снимается сигнал "ИНФ2". С этих же фильтров 17, 25 сигнал, кроме того, поступает на входы второй схемы выбора максимума 28, аналогичной схеме выбора максимума 27. С выхода второй схемы выбора максимума 28 сигнал поступает на второй вход фазового детектора 18, который измеряет информационную разность фаз между ними и с выхода которого и снимается сигнал "ИНФ1". Устройство фазирования 14, аналогичное устройству фазирования 4 передатчика, обеспечивает связь по фазе выходных последовательностей ФОПП12 и ГОПП13, соответствующую связи по фазе последовательностей ФОПП2 и ГПП3 передатчика.
Двоичные ПСП, вырабатываемые генераторами в приемнике, синхронизируются с двоичными ПСП принимаемого сигнала с помощью устройства синхронизации 15. В качестве устройства синхронизации 15 могут быть использованы известные устройства синхронизации, обеспечивающие синхронизм местных сигналов приемника с одним из сильнейших лучей принимаемого моноголучевого сигнала на основе анализа функции взаимной корреляции принимаемого и местного сигналов.
Как известно, при использовании широкополосных сигналов, при этом может быть обеспечено эффективное подавление мешающих лучей либо сложение нескольких выделенных наиболее сильных лучей, а также подавление сосредоточенных помех.
Таким образом, если в устройстве-прототипе при использовании двух ортогональных каналов передается только одна основная информация, то в предлагаемом устройстве при использовании тех же двух ортогональных каналов передается помимо основной еще и дополнительная информация, которая может быть использована как служебная или для каких-либо других целей. Это позволяет во многих случаях отказаться от организации специального канала передачи служебной информации.
Claims (1)
- Линия радиосвязи с повторным использованием частоты, содержащее на передающей стороне генератор колебаний несущей и тактовой частот (ГНТЧ), первый выход которого соединен с первыми входами формирователя ортогональной псевдослучайной последовательности (ФОПП) и генератора псевдослучайной последовательности (ГПП), к вторым входам которых подсоединены соответственно первый и второй выходы устройства фазирования, при этом выход ФООП через первый умножитель соединен с первым входом первой схемы сложения, а выход ГПП через второй умножитель соединен с вторым входом первой схемы сложения, к вторым входам первого и второго умножителей подсоединены соответственно выходы фазовращателя на 90o и фазового манипулятора, входы которых соединены между собой, на приемной стороне - фазовый детектор, устройство синхронизации, вход которого соединен с входами первого и второго умножителей, а выход устройства синхронизации соединен с первыми входами ФОПП и генератором опорной псевдослучайной последовательности (ГОПП), к вторым входам которых подсоединены соответственно первый и второй выходы устройства фазирования, а выходы ФОПП и ГОПП подсоединены к вторым входам первого и второго умножителей, а выходы первого и второго умножителей соединены со входами соответственно первого и второго полосовых фильтров, отличающаяся тем, что введены на передающей стороне первый и второй ключи, фазоинвертор, вторая схема сложения и синтезатор сетки частот, к второму входу которого подсоединен выход ГНТЧ, а первый и второй выходы синтезатора сетки частот соответственно через первый и второй ключи подсоединены к первому и второму входам второй схемы сложения, выход которой подсоединен ко входам фазовращателя на 90o и фазового манипулятора, при этом вход фазоинвертора соединен с источником ИНФ 2 и управляющим входом второго ключа, а выход фазоинвертора соединен с управляющим входом первого ключа, а на приемной стороне - третий и четвертый полосовые фильтры, фазовращатель на 90o, схема сравнения, первая и вторая схемы выбора максимума, при этом выходы первого и третьего полосовых фильтров подсоединены соответственно к первому и второму входам первой схемы выбора максимума, выход которой через фазовращатель на 90o подсоединен к первому входу фазового детектора, к второму входу которого подсоединен выход второй схемы выбора максимума, вход третьего полосового фильтра соединен со входом первого полосового фильтра, а вход четвертого полосового фильтра соединен со входом второго полосового фильтра, выход которого подсоединен к первому входу схемы сравнения и второму входу схемы выбора максимума, к первому входу которой и второму входу схемы сравнения подсоединен выход четвертого полосового фильтра.
Priority Applications (1)
| Application Number | Priority Date | Filing Date | Title |
|---|---|---|---|
| RU99100583A RU2160503C2 (ru) | 1999-01-10 | 1999-01-10 | Линия радиосвязи |
Applications Claiming Priority (1)
| Application Number | Priority Date | Filing Date | Title |
|---|---|---|---|
| RU99100583A RU2160503C2 (ru) | 1999-01-10 | 1999-01-10 | Линия радиосвязи |
Publications (2)
| Publication Number | Publication Date |
|---|---|
| RU2160503C2 true RU2160503C2 (ru) | 2000-12-10 |
| RU99100583A RU99100583A (ru) | 2000-12-27 |
Family
ID=20214585
Family Applications (1)
| Application Number | Title | Priority Date | Filing Date |
|---|---|---|---|
| RU99100583A RU2160503C2 (ru) | 1999-01-10 | 1999-01-10 | Линия радиосвязи |
Country Status (1)
| Country | Link |
|---|---|
| RU (1) | RU2160503C2 (ru) |
Cited By (4)
| Publication number | Priority date | Publication date | Assignee | Title |
|---|---|---|---|---|
| RU2206180C2 (ru) * | 2001-07-24 | 2003-06-10 | Закрытое акционерное общество "Кодофон" | Устройство начальной синхронизации приемника псевдослучайных сигналов |
| RU2219660C2 (ru) * | 2002-03-22 | 2003-12-20 | Федеральное государственное унитарное предприятие "Воронежский научно-исследовательский институт связи" | Линия радиосвязи |
| RU2308155C2 (ru) * | 2005-05-13 | 2007-10-10 | Открытое акционерное общество "Концерн "Созвездие " | Линия радиосвязи с повышенной скрытностью передаваемой информации |
| RU2565530C1 (ru) * | 2014-09-16 | 2015-10-20 | Открытое акционерное общество "Омский научно-исследовательский институт приборостроения" (ОАО "ОНИИП") | Способ многочастотной модуляции сигнала |
Citations (4)
| Publication number | Priority date | Publication date | Assignee | Title |
|---|---|---|---|---|
| US300946A (en) * | 1884-06-24 | Pulp-board for roofing purposes | ||
| US3864633A (en) * | 1972-08-23 | 1975-02-04 | Sperry Rand Corp | Angle diversity communication system |
| US4078818A (en) * | 1977-01-25 | 1978-03-14 | Donnelly Frank R | Convertible flatbed truck |
| DE2414828B2 (de) * | 1973-03-27 | 1979-07-26 | The Marconi Co. Ltd., Chelmsford, Essex (Grossbritannien) | Diversity-Schaltungsanordnung |
-
1999
- 1999-01-10 RU RU99100583A patent/RU2160503C2/ru active
Patent Citations (4)
| Publication number | Priority date | Publication date | Assignee | Title |
|---|---|---|---|---|
| US300946A (en) * | 1884-06-24 | Pulp-board for roofing purposes | ||
| US3864633A (en) * | 1972-08-23 | 1975-02-04 | Sperry Rand Corp | Angle diversity communication system |
| DE2414828B2 (de) * | 1973-03-27 | 1979-07-26 | The Marconi Co. Ltd., Chelmsford, Essex (Grossbritannien) | Diversity-Schaltungsanordnung |
| US4078818A (en) * | 1977-01-25 | 1978-03-14 | Donnelly Frank R | Convertible flatbed truck |
Cited By (4)
| Publication number | Priority date | Publication date | Assignee | Title |
|---|---|---|---|---|
| RU2206180C2 (ru) * | 2001-07-24 | 2003-06-10 | Закрытое акционерное общество "Кодофон" | Устройство начальной синхронизации приемника псевдослучайных сигналов |
| RU2219660C2 (ru) * | 2002-03-22 | 2003-12-20 | Федеральное государственное унитарное предприятие "Воронежский научно-исследовательский институт связи" | Линия радиосвязи |
| RU2308155C2 (ru) * | 2005-05-13 | 2007-10-10 | Открытое акционерное общество "Концерн "Созвездие " | Линия радиосвязи с повышенной скрытностью передаваемой информации |
| RU2565530C1 (ru) * | 2014-09-16 | 2015-10-20 | Открытое акционерное общество "Омский научно-исследовательский институт приборостроения" (ОАО "ОНИИП") | Способ многочастотной модуляции сигнала |
Similar Documents
| Publication | Publication Date | Title |
|---|---|---|
| US4912722A (en) | Self-synchronous spread spectrum transmitter/receiver | |
| US4280222A (en) | Receiver and correlator switching method | |
| US3916313A (en) | PSK-FSK spread spectrum modulation/demodulation | |
| RU2279183C2 (ru) | Способ передачи информации в системе связи с широкополосными сигналами | |
| RU2188516C1 (ru) | Система передачи четверично-кодированных радиосигналов | |
| RU2160503C2 (ru) | Линия радиосвязи | |
| RU2127486C1 (ru) | Способ и устройство передачи сообщений широкополосными сигналами | |
| RU2085039C1 (ru) | Система радиосвязи | |
| RU2691384C1 (ru) | Способ передачи информации широкополосными сигналами | |
| RU2193278C1 (ru) | Линия радиосвязи | |
| RU2219660C2 (ru) | Линия радиосвязи | |
| RU2233028C2 (ru) | Радиолиния связи с пространственным разделением сигнала | |
| RU2240653C1 (ru) | Система передачи данных с множественным доступом и временным разделением каналов | |
| RU2358401C1 (ru) | Устройство для передачи и приема дискретных сообщений с использованием сигналов с прямым расширением и автокорреляционным сжатием спектра | |
| RU2113768C1 (ru) | Устройство для передачи и приема дискретной информации | |
| RU2115236C1 (ru) | Система связи с широкополосными сигналами | |
| RU2204208C2 (ru) | Линия радиосвязи с многопараметрической модуляцией | |
| RU2308155C2 (ru) | Линия радиосвязи с повышенной скрытностью передаваемой информации | |
| RU2731681C1 (ru) | Способ формирования шумоподобных фазоманипулированных сигналов | |
| RU2149506C1 (ru) | Радиолиния связи с пространственным разделением сигнала | |
| RU2033692C1 (ru) | Приемопередающее устройство широкополосных сигналов с повышенной информационной скрытностью | |
| RU2258313C1 (ru) | Система передачи четверично-кодированных радиосигналов | |
| RU2161865C2 (ru) | Линия радиосвязи | |
| SU930719A1 (ru) | Устройство дл коррел ционного приема сложных фазоманипулированных сигналов | |
| RU42375U1 (ru) | Устройство приема широкополосных сигналов в космических системах связи |