RU2114503C1 - Structure-borne noise rejection device - Google Patents

Structure-borne noise rejection device Download PDF

Info

Publication number
RU2114503C1
RU2114503C1 RU94026053A RU94026053A RU2114503C1 RU 2114503 C1 RU2114503 C1 RU 2114503C1 RU 94026053 A RU94026053 A RU 94026053A RU 94026053 A RU94026053 A RU 94026053A RU 2114503 C1 RU2114503 C1 RU 2114503C1
Authority
RU
Russia
Prior art keywords
input
multipliers
output
inputs
adder
Prior art date
Application number
RU94026053A
Other languages
Russian (ru)
Other versions
RU94026053A (en
Inventor
В.И. Чугаева
Л.А. Волошин
Original Assignee
Самсунг Электроникс Ко., Лтд.
Priority date (The priority date is an assumption and is not a legal conclusion. Google has not performed a legal analysis and makes no representation as to the accuracy of the date listed.)
Filing date
Publication date
Application filed by Самсунг Электроникс Ко., Лтд. filed Critical Самсунг Электроникс Ко., Лтд.
Priority to RU94026053A priority Critical patent/RU2114503C1/en
Publication of RU94026053A publication Critical patent/RU94026053A/en
Application granted granted Critical
Publication of RU2114503C1 publication Critical patent/RU2114503C1/en

Links

Images

Landscapes

  • Noise Elimination (AREA)

Abstract

FIELD: radio communications; asynchronous address communication systems using broad-band signals. SUBSTANCE: device has n multipliers 1, first adder 2, rejection filter 3, decoupling unit 4, n second multipliers 5, second adder 6, attenuator 7, commutator 8, switches 9, OR gate 10, and delay circuit 11. Structure- borne noise of 20 to 60 dB can be rejected by device. EFFECT: improved degree of structure-borne noise suppression. 2 dwg

Description

Изобретение относится к радиосвязи и может найти применение в асинхронно-адресных системах связи с широкополосными сигналами. The invention relates to radio communications and may find application in asynchronous-address communication systems with broadband signals.

Известно устройство подавления структурных помех по а.с. N 930719, содержащее первый и второй перемножители, подключенные ко входам сумматора и блока выделения информации, третий перемножитель, соединенный с блоком ФАПЧ и блоком формирования опорных сигналов, первый и второй полосовые фильтры и дешифратор. Работа устройства основана на формировании оценки помехи за счет подавления во входной смеси полезного сигнала с последующей компенсацией помехи с использованием полученной помехи. A device for suppressing structural interference in AS N 930719, containing the first and second multipliers connected to the inputs of the adder and the information extraction unit, the third multiplier connected to the PLL and the reference signal generation unit, the first and second bandpass filters and a decoder. The operation of the device is based on the formation of an interference estimate by suppressing a useful signal in the input mixture, followed by compensation for the interference using the resulting interference.

Известно устройство по а.с. N 1107327, содержащее первый и второй перемножители, первый и второй полосовые фильтры, ГПСП, блок ФАПЧ, коммутатор, блок выделения информации. В этом устройстве также формируется оценка помехи, которая используется для последующей компенсации помех. A device is known by A.S. N 1107327, containing the first and second multipliers, the first and second band-pass filters, GPS, PLL, switch, information allocation unit. This device also generates an interference estimate, which is used for subsequent interference compensation.

Недостатком этих известных устройств является малая степень подавления помех. A disadvantage of these known devices is the low degree of interference suppression.

Наиболее близким по технической сущности к предлагаемому является устройство по а.с. N 1338078, структурная схема которого приведена на фиг. 1, где обозначено: 1 - перемножитель, 2 - генератор копии сигнала, 3 - интегратор, 4 - ключ, 5 - блок сравнения, 6 - формирователь порога, 7 - режекторный фильтр, 8 - перемножитель, 9 - вычитатель, 10 - элемент задержки, 11 - усилитель. The closest in technical essence to the proposed one is a device for AS N 1338078, the structural diagram of which is shown in FIG. 1, where it is indicated: 1 - multiplier, 2 - signal copy generator, 3 - integrator, 4 - key, 5 - comparison unit, 6 - threshold shaper, 7 - notch filter, 8 - multiplier, 9 - subtractor, 10 - delay element , 11 - amplifier.

Устройство содержит последовательно соединенные вычитатель 9, первый вход которого является входом устройства, перемножитель 1, режекторный фильтр 7, перемножитель 8, усилитель 11, выход которого соединен со вторым входом вычитателя 9. Выход перемножителя 1 соединен также через интегратор 3, ключ 4 с блоком сравнения 5, второй вход которого соединен с выходом формирователя порога 6. Выход генератора ПСП 2 соединен со входом перемножителя 1 и через элемент задержки 10 со входом перемножителя 8. Второй выход генератора 2 соединен со вторым входом ключа 4. The device contains a series-connected subtractor 9, the first input of which is the input of the device, multiplier 1, notch filter 7, multiplier 8, amplifier 11, the output of which is connected to the second input of subtractor 9. The output of multiplier 1 is also connected via integrator 3, key 4 to the comparison unit 5, the second input of which is connected to the output of the threshold shaper 6. The output of the PSP 2 generator is connected to the input of the multiplier 1 and through the delay element 10 with the input of the multiplier 8. The second output of the generator 2 is connected to the second input of the ca 4.

Работает устройство следующим образом. The device operates as follows.

Входной сигнал, представляющий собой смесь полезного широкополосного сигнала и помех, поступает на вход вычитателя 9, где из него вычитается сигнал, сформированный в кольце обратной связи и поступающий с выхода усилителя 11. С выхода вычитателя 9 сигнал поступает на перемножитель 1, где перемножается с опорным сигналом, формируемым генератором 2. Результат перемножения накапливается в интеграторе 3 и через ключ 4, управляемый генератором 2, подается на блок сравнения 5, где сравнивается с пороговым сигналом, сформированным в формирователе 6. The input signal, which is a mixture of useful broadband signal and noise, is fed to the input of the subtractor 9, where the signal generated in the feedback ring and supplied from the output of the amplifier 11 is subtracted from the output of the subtractor 9. The signal is sent to the multiplier 1, where it is multiplied with the reference the signal generated by the generator 2. The result of multiplication is accumulated in the integrator 3 and through the key 4, controlled by the generator 2, is fed to the comparison unit 5, where it is compared with the threshold signal generated in the shaper 6.

Одновременно сигнал с выхода перемножителя 1 поступает в кольцо обратной связи, содержащее режекторный фильтр 7, перемножитель 8 и усилитель с регулируемым коэффициентом усиления. В результате перемножения с копией сигнала полезный сигнал ШПС на выходе перемножителя сворачивается в узкополосный сигнал, а узкополосные помехи превращаются в широкополосные помехи с базой Б, равной базе полезного ШПС. В режекторном фильтре 7 режектируется свернутый полезный сигнал и части спектра помех, попадающих в его полосу. Таким образом, на выход режекторного фильтра 7 полезный сигнал не проходит. С выхода режекторного фильтра 7 помехи поступают на перемножитель 8, где путем перемножения с той же копией полезного сигнала, задержанной в элементе задержки 10 на величину задержки τ , равную задержке помех в режекторном фильтре 7, сворачиваются в узкополосные сигналы, т.е. приводятся к своему первоначальному виду. С выхода перемножителя 8 помехи через усилитель 11 подаются на вход вычитателя 9. Таким образом, на первом входе вычитателя 9 присутствует полезный сигнал и помехи, а на втором его входе только помехи. В вычитателе 9 обеспечивается противофазность сигналов, поступающих по его входам. В процессе настройки коэффициент усиления усилителя с регулируемым коэффициентом усиления выбирается таким, чтобы обеспечивалось равенство амплитуд сигналов на его выходе. Поскольку полезный сигнал поступает только по первому выходу вычитателя 9, а помехи - как по первому, так и по второму его входам, то сигнал на его выход проходит без искажений, а помехи в нем компенсируются. At the same time, the signal from the output of the multiplier 1 enters a feedback ring containing a notch filter 7, a multiplier 8, and an amplifier with an adjustable gain. As a result of multiplication with a copy of the signal, the useful signal of the BSS at the output of the multiplier is collapsed into a narrow-band signal, and narrow-band interference turns into wide-band interference with base B equal to the base of the useful BSS. In the notch filter 7, the convolutional useful signal and parts of the interference spectrum falling into its band are rejected. Thus, the output of the notch filter 7, the useful signal does not pass. From the output of the notch filter 7, the interference goes to the multiplier 8, where by multiplying with the same copy of the useful signal delayed in the delay element 10 by the delay value τ equal to the delay of the interference in the notch filter 7, they are folded into narrow-band signals, i.e. are brought back to their original form. From the output of the multiplier 8, the interference through the amplifier 11 is fed to the input of the subtractor 9. Thus, at the first input of the subtractor 9 there is a useful signal and interference, and at its second input only interference. The subtractor 9 provides the antiphase of the signals arriving at its inputs. In the process of tuning, the gain of the amplifier with an adjustable gain is selected so that the equal amplitudes of the signals at its output are ensured. Since the useful signal arrives only at the first output of the subtractor 9, and the interference - both at the first and second inputs, the signal to its output passes without distortion, and the interference in it is compensated.

Недостатком устройства-прототипа является низкая помехоустойчивость к структурным помехам. The disadvantage of the prototype device is the low noise immunity to structural interference.

Для повышения помехоустойчивости в устройство, содержащее первый и второй перемножители, режекторный фильтр, элемент задержки, введены (n - 1) первых перемножителей, первый сумматор, входы которого соединены с выходами n первых перемножителей, а выход со входом режекторного фильтра, последовательно соединенные развязывающее устройство, вход которого соединен с выходом режекторного фильтра, (n - 1) вторых перемножителей, второй сумматор, аттенюатор, коммутатор, первый вход которого соединен через элемент задержки со входом устройства, а управляющий вход - с выходом схемы "ИЛИ", а также n ключей, управляющие входы которых объединены со входами схемы "ИЛИ" и соединены с источником команды о наличии (или отсутствии) синхронизации приемника ЦС, вторые входы ключей соединены с источниками ПСП соответствующего приемника ЦС, а выходы ключей соединены со вторыми входами n первых перемножителей, а через n элементов задержки со вторыми входами n вторых перемножителей. To increase the noise immunity, a device containing the first and second multipliers, a notch filter, a delay element, introduces (n - 1) first multipliers, a first adder, the inputs of which are connected to the outputs of the n first multipliers, and the output to the input of the notch filter, decoupling device connected in series the input of which is connected to the output of the notch filter, (n - 1) second multipliers, the second adder, attenuator, switch, the first input of which is connected through the delay element to the input of the device, and the control the input input - with the output of the OR circuit, as well as n keys whose control inputs are combined with the inputs of the OR circuit and connected to the command source about the presence (or absence) of synchronization of the CA receiver, the second key inputs are connected to the SRP sources of the corresponding CA receiver , and the key outputs are connected to the second inputs of the n first multipliers, and through n delay elements with the second inputs of the n second multipliers.

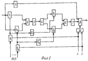
Структурная схема заявляемого устройства представлена на фиг. 2, где обозначено: 11...1n - перемножители, 2 - сумматор, 3 - режекторный фильтр, 4 - развязывающее устройство, 51...5n - перемножитель, 6 - сумматор, 7 - аттенюатор, 8 - коммутатор, 91...9n - ключ, 10 - схема "ИЛИ", 11, 12 - элементы задержки.The structural diagram of the inventive device is shown in FIG. 2, where it is indicated: 1 1 ... 1 n - multipliers, 2 - adder, 3 - notch filter, 4 - decoupling device, 5 1 ... 5 n - multiplier, 6 - adder, 7 - attenuator, 8 - switch , 9 1 ... 9 n is the key, 10 is the OR circuit, 11, 12 are delay elements.

Устройство содержит n перемножителей 1, объединенные входы которых являются входами устройства. Выходы перемножителей 1 соединены со входами сумматора 2, выход которого через режекторный фильтр 3 соединен со входом развязывающего устройства 4. Выходы развязывающего устройства 4 соединены со входами второй группы из n перемножителей 5, выходы которых соединены со входами сумматора 6. Выход сумматора 6 через аттенюатор 7 соединен со вторым входом коммутатора 8, первый вход которого соединен со входом устройства через элемент задержки 11. Вторые входы перемножителей 1 соединены с выходами ключей 9. С этими же выходами ключей 9 через элементы задержки 12 соединены вторые входы перемножителей 5. Входы ключей 9 соединены с источниками ПСП соответствующих приемников. Вторые входы ключей 9 и входы схемы "ИЛИ" 10 объединены и соединены с источниками команды о наличии (или отсутствии) синхронизации каждого приемника со своим сигналом. Выход схемы "ИЛИ" 10 соединен с третьим входом коммутатора 8. The device contains n multipliers 1, the combined inputs of which are the inputs of the device. The outputs of the multipliers 1 are connected to the inputs of the adder 2, the output of which through a notch filter 3 is connected to the input of the decoupling device 4. The outputs of the decoupling device 4 are connected to the inputs of the second group of n multipliers 5, the outputs of which are connected to the inputs of the adder 6. The output of the adder 6 through the attenuator 7 connected to the second input of the switch 8, the first input of which is connected to the input of the device through the delay element 11. The second inputs of the multipliers 1 are connected to the outputs of the keys 9. With the same outputs of the keys 9 through the elements aderzhki 12 are connected to second inputs of the multipliers 5. Inputs keys 9 are connected to respective sources SRP receivers. The second inputs of the keys 9 and the inputs of the OR circuit 10 are combined and connected to the sources of the command about the presence (or absence) of synchronization of each receiver with its own signal. The output of the OR circuit 10 is connected to the third input of the switch 8.

Работает устройство следующим образом. The device operates as follows.

Входная смесь, содержащая полезный ШПС и структурные помехи, поступает на первый вход коммутатора 8 через элемент задержки 11, а на второй его вход через цепочку элементов 1 - 7. На вторые входы перемножителей 1 и 5 через ключи 9 (91...9n) подаются ПСП. При этом на каждый i-тый перемножитель через ключ 9i (i = 1,...n) подается ПСП i от соответствующего этому перемножителю приемника, расположенного на ЦС асинхронно-адресной системы связи. Управление ключом 9i осуществляется командой CCi от i-го приемника. В том случае, когда i-тый приемник вошел в синхронизм с сигналом своего абонента, на его выходе формируется команда "1". При отсутствии синхронизации "0".The input mixture containing useful SHPS and structural noise is fed to the first input of switch 8 through a delay element 11, and to its second input through a chain of elements 1 through 7. At the second inputs of multipliers 1 and 5 through keys 9 (9 1 ... 9 n ) served SRP. At the same time, for each i-th multiplier, through the key 9i (i = 1, ... n), the SRP i is supplied from the receiver corresponding to this multiplier located on the AS of the asynchronous-address communication system. Key 9i is controlled by the CC i command from the ith receiver. In the case when the i-th receiver is in synchronism with the signal of its subscriber, the command "1" is generated at its output. In the absence of synchronization "0".

Сигналы с выходов перемножителей суммируются в сумматоре 2, режектируются режекторным фильтром 3 и через развязывающее устройство 4 результат режекции подается на перемножители 5. Структурная помеха от i-той АС асинхронно-адресной системы связи за счет перемножения с синхронной с ней опорной ПСПi сворачивается в узкополосную помеху, которая режектируется режекторным фильтром 3 и поэтому не поступает на вход коммутатора 8. В то же время полезный ШПС не сворачивается в перемножителях 1, а получает в них дополнительную манипуляцию, которая снижается в перемножителях 5 за счет перемножения с теми же опорными ПСП.The signals from the outputs of the multipliers are summed in the adder 2, rejected by a notch filter 3, and through the decoupling device 4, the result of the rejection is fed to the multipliers 5. The structural noise from the i-th AS of the asynchronous-address communication system is multiplied by narrowing the reference SRP i with it and is folded into a narrow-band interference, which is rejected by the notch filter 3 and therefore does not go to the input of the switch 8. At the same time, the useful SHPS does not collapse in multipliers 1, but receives additional manipulation in them, which zhaetsya in multipliers 5 due to the multiplication with the same reference SRP.

Таким образом на вход коммутатора 8 поступает полезный ШПС, а помехи не проходят. Управление коммутатором 8 осуществляется командами CC1...CCn, которые поступают от приемников ЦС (n = 1, N - 1) на управляющий вход через схему "ИЛИ". То есть если хотя бы один из n приемников ЦС вошел в синхронизм со своим абонентом, то на выходе схемы "ИЛИ" 10 сформируется "1", которая подключит к выходу устройства аттенюатор 7, а выход элемента задержки 11 отключит. В данном случае входная смесь пройдет через блоки 1 - 8, при этом от нее отрежектируются структурные помехи от соответствующих абонентов. В том случае, когда ни один из приемников ЦС не вошел в синхронизм, на выходе схемы "ИЛИ" формируется "0", коммутатор 8 подключает к выходу устройства выход блока 11 и входная смесь проходит на выход устройства.Thus, the useful ShPS is supplied to the input of the switch 8, but the interference does not pass. The switch 8 is controlled by the CC 1 ... CC n commands, which are received from the CA receivers (n = 1, N - 1) to the control input via the "OR" circuit. That is, if at least one of the n receivers of the CA is in synchronism with its subscriber, then at the output of the OR circuit 10, a “1” will be formed that will connect the attenuator 7 to the output of the device, and the output of the delay element 11 will turn off. In this case, the input mixture will pass through blocks 1 - 8, while structural interference from the corresponding subscribers will be cut off from it. In the event that none of the CA receivers is in synchronism, an “0” is formed at the output of the OR circuit, switch 8 connects the output of unit 11 to the output of the device, and the input mixture passes to the output of the device.

Элемент задержки 11 вводится при необходимости для выравнивания по задержке ШПС, проходящего по верхней и нижней ветвям. Элементы задержки 12 вводятся также при необходимости для выравнивания по времени ШПС и опорных ПСП на входах перемножителей 5. Такая необходимость возникает при высоких тактовых частотах ПСП. The delay element 11 is introduced, if necessary, to align with the delay of the NPS passing along the upper and lower branches. Delay elements 12 are also introduced, if necessary, for time alignment of the BSS and the reference memory bandwidth at the inputs of the multipliers 5. Such a need arises at high clock frequencies of the memory bandwidth.

Пусть в асинхронной системе связи имеется ЦС, на которой установлен передатчик и n приемников, каждый из которых принимает сигнал от своей АС, содержащей передатчик и приемник. В каждый из приемников ЦС устанавливается устройство-прототип или заявляемое устройство. При этом на входы заявляемого устройства, устанавливаемого в i-тый приемник, подаются n - 1 ПСП других приемников и их n - 1 сигналы синхронизации. В устройстве-прототипе в первом перемножителе осуществляется свертка полезного сигнала, который режектируется в режекторном фильтре, и дополнительная манипуляция помех, которая снимается во втором перемножителе. Таким образом на первый вход вычитателя подается смесь сигнала и помех, и на второй - только помехи, за счет чего обеспечивается их компенсация. Однако степень компенсации ограничивается величиной 20 - 40 дБ, что определяется возможностями схем компенсации в условиях разброса параметров элементов схемы. Кроме того, за счет вырезания части спектра помехи режекторным фильтром в принципе невозможна полная ее компенсация. При этом нескомпенсированная часть помехи попадает в такт сигнала и не может быть от него отделена при дальнейшей обработке. Suppose that in an asynchronous communication system there is a DS on which a transmitter and n receivers are installed, each of which receives a signal from its AS containing the transmitter and receiver. A prototype device or the inventive device is installed in each of the CA receivers. At the same time, n - 1 SRP of other receivers and their n - 1 synchronization signals are fed to the inputs of the inventive device installed in the i-th receiver. In the prototype device in the first multiplier, the useful signal is convolved, which is rejected in the notch filter, and additional interference manipulation is removed in the second multiplier. Thus, a mixture of signal and interference is fed to the first input of the subtractor, and only interference is supplied to the second input, due to which their compensation is ensured. However, the degree of compensation is limited to 20–40 dB, which is determined by the capabilities of the compensation schemes in the conditions of a variation in the parameters of the circuit elements. In addition, due to cutting out part of the interference spectrum by a notch filter, in principle, its full compensation is impossible. In this case, the uncompensated part of the interference falls into the clock cycle of the signal and cannot be separated from it during further processing.

В заявляемом устройстве степень ослабления структурных помех определяется затуханием в полосе режекторного фильтра, которая может составлять 60 - 80 дБ. Степень подавления помех в схемах режекции значительно выше, чем в схемах компенсации. При этом выигрыш в степени подавления помех составляет 20 - 60 дБ, что и доказывает достижение поставленной цели. In the inventive device, the degree of attenuation of structural interference is determined by the attenuation in the band of the notch filter, which can be 60 - 80 dB. The degree of interference suppression in rejection schemes is much higher than in compensation schemes. In this case, the gain in the degree of suppression of interference is 20 - 60 dB, which proves the achievement of the goal.

Claims (1)

Устройство подавления структурных помех, содержащее первый перемножитель, режекторный фильтр, второй перемножитель, элемент задержки, соединенный с вторым перемножителем, отличающееся тем, что в него введены n - 1 первых перемножителей, первый сумматор, развязывающее устройство, n - 1 вторых перемножителей, последовательно соединенные второй сумматор, аттенюатор, коммутатор, n - 1 ключей, n элементов задержки, элемент ИЛИ при этом вход элемента задержки, соединенный с входами n первых перемножителей, является входом устройства, выходы n первых перемножителей через сумматор, режекторный фильтр и развязывающее устройство соединены с n входами вторых перемножителей, выходы которых через сумматор и аттенюатор соединены с первым сигнальным входом коммутатора, второй сигнальный вход которого соединен с выходом элемента задержки, управляющий вход - с выходом элемента ИЛИ, а выход является выходом для подключения к i-му из n + 1 приемников центральной станции, вход каждого из n ключей является входом для подключения источника псевдослучайной последовательности j-го, где j ≠ i, приемника центральной станции, управляющий вход каждого ключа и соединенный с ним одним из входов элемента ИЛИ являются входом для подключения к источнику команды о наличии синхронизации j-го приемника центральной станции, выход каждого ключа соединен с входом одного из n первых перемножителей непосредственно, а со входом одного из n вторых перемножителей через элемент задержки. A device for suppressing structural interference, comprising a first multiplier, a notch filter, a second multiplier, a delay element connected to the second multiplier, characterized in that n - 1 first multipliers, a first adder, an isolation device, n - 1 second multipliers connected in series are introduced into it the second adder, attenuator, switch, n - 1 keys, n delay elements, an OR element, while the input of the delay element connected to the inputs of the n first multipliers is the input of the device, the outputs of the n first multipliers through an adder, a notch filter and a decoupling device are connected to n inputs of the second multipliers, the outputs of which through an adder and an attenuator are connected to the first signal input of the switch, the second signal input of which is connected to the output of the delay element, the control input to the output of the OR element, and the output is output for connecting to the i-th of n + 1 receivers of the central station, the input of each of n keys is an input for connecting the source of the pseudo-random sequence of the j-th, where j ≠ i, the receiver is of the central station, the control input of each key and connected to it by one of the inputs of the OR element is an input for connecting to the source of the command about the synchronization of the j-th receiver of the central station, the output of each key is connected directly to the input of one of the n first multipliers, and to the input of one of n second multipliers through the delay element.
RU94026053A 1994-07-15 1994-07-15 Structure-borne noise rejection device RU2114503C1 (en)

Priority Applications (1)

Application Number Priority Date Filing Date Title
RU94026053A RU2114503C1 (en) 1994-07-15 1994-07-15 Structure-borne noise rejection device

Applications Claiming Priority (1)

Application Number Priority Date Filing Date Title
RU94026053A RU2114503C1 (en) 1994-07-15 1994-07-15 Structure-borne noise rejection device

Publications (2)

Publication Number Publication Date
RU94026053A RU94026053A (en) 1996-05-20
RU2114503C1 true RU2114503C1 (en) 1998-06-27

Family

ID=20158443

Family Applications (1)

Application Number Title Priority Date Filing Date
RU94026053A RU2114503C1 (en) 1994-07-15 1994-07-15 Structure-borne noise rejection device

Country Status (1)

Country Link
RU (1) RU2114503C1 (en)

Cited By (1)

* Cited by examiner, † Cited by third party
Publication number Priority date Publication date Assignee Title
RU2574860C1 (en) * 2014-12-24 2016-02-10 Открытое акционерное общество научно-внедренческое предприятие "ПРОТЕК" Detector with interference canceller

Citations (1)

* Cited by examiner, † Cited by third party
Publication number Priority date Publication date Assignee Title
SU1107327A1 (en) * 1983-02-08 1984-08-07 Московский Ордена Трудового Красного Знамени Электротехнический Институт Связи Device for correlation receiving of pseudorandom phase-shift keyed signals

Patent Citations (1)

* Cited by examiner, † Cited by third party
Publication number Priority date Publication date Assignee Title
SU1107327A1 (en) * 1983-02-08 1984-08-07 Московский Ордена Трудового Красного Знамени Электротехнический Институт Связи Device for correlation receiving of pseudorandom phase-shift keyed signals

Non-Patent Citations (1)

* Cited by examiner, † Cited by third party
Title
SU, авторско е свидетельство, 1338078, кл. H 04 B 1/10, 1987. *

Cited By (1)

* Cited by examiner, † Cited by third party
Publication number Priority date Publication date Assignee Title
RU2574860C1 (en) * 2014-12-24 2016-02-10 Открытое акционерное общество научно-внедренческое предприятие "ПРОТЕК" Detector with interference canceller

Also Published As

Publication number Publication date
RU94026053A (en) 1996-05-20

Similar Documents

Publication Publication Date Title
US4470138A (en) Non-orthogonal mobile subscriber multiple access system
US4475214A (en) CW Interference cancelling sytem for spread spectrum signals utilizing active coherent detection
RU2034403C1 (en) Noise suppressor for broadband signal receivers
RU2114503C1 (en) Structure-borne noise rejection device
RU2166232C2 (en) Structural noise suppressing device for broadband signal receivers
RU2001525C1 (en) Device for reception of broadband signals
SU1688416A1 (en) Correlation processing unit for broadband signals affected by narrow- band interference
RU2157049C1 (en) Device for compensating noise in broad band receivers
RU2020762C1 (en) Device for detection of wide-band signals
SU1338078A1 (en) Wide-band signal correlation processing device
RU2114502C1 (en) Spur-interference rejection device
RU2143175C1 (en) Structure noise compensation device for wide- band signal receivers
RU2143783C1 (en) Noise suppression device for code-division satellite communication systems
RU2143174C1 (en) Structure noise suppression device for wide- band signal receivers
RU2042271C1 (en) Correlation processing device for receivers of wide-band signal
JPH03236643A (en) Spread spectrum communication equipment
RU2160499C2 (en) Structural noise compensating correlator for base stations of cellular communication systems
RU2000665C1 (en) Device for correlation processing of broad-band signals
RU2165128C2 (en) Frequency-shift signal correlator with structural noise correction
RU2153768C2 (en) Device for noise compensation
RU2115234C1 (en) Interference suppression device for receivers of wide- band signals
RU2138119C1 (en) Noise rejection device
RU2205502C2 (en) Frequency-shift broadband signal correlator
JPS60162326A (en) Power line communication system of spread spectrum multiple access and transmitter-receiver
RU2073954C1 (en) Device for correlation processing of broad-band signals

Legal Events

Date Code Title Description
MM4A The patent is invalid due to non-payment of fees

Effective date: 20090716