RU2049986C1 - Способ определения ионов металлов в растворах - Google Patents
Способ определения ионов металлов в растворах Download PDFInfo
- Publication number
- RU2049986C1 RU2049986C1 SU5048145A RU2049986C1 RU 2049986 C1 RU2049986 C1 RU 2049986C1 SU 5048145 A SU5048145 A SU 5048145A RU 2049986 C1 RU2049986 C1 RU 2049986C1
- Authority
- RU
- Russia
- Prior art keywords
- change
- ions
- sensitivity
- crown
- metal ions
- Prior art date
Links
- 238000000034 method Methods 0.000 title claims abstract description 40
- 229910052751 metal Inorganic materials 0.000 title abstract description 14
- 239000002184 metal Substances 0.000 title abstract description 14
- 150000002739 metals Chemical class 0.000 title abstract description 5
- 150000002500 ions Chemical class 0.000 title abstract description 4
- 238000001514 detection method Methods 0.000 title abstract 2
- 230000008859 change Effects 0.000 claims abstract description 26
- 230000005672 electromagnetic field Effects 0.000 claims abstract description 6
- 150000003983 crown ethers Chemical class 0.000 claims description 33
- 229910021645 metal ion Inorganic materials 0.000 claims description 20
- 239000000243 solution Substances 0.000 claims description 18
- 239000012085 test solution Substances 0.000 claims description 8
- 230000001678 irradiating effect Effects 0.000 claims description 2
- 239000012530 fluid Substances 0.000 claims 1
- 150000002148 esters Chemical class 0.000 abstract 2
- 239000000126 substance Substances 0.000 abstract 1
- IAZDPXIOMUYVGZ-UHFFFAOYSA-N Dimethylsulphoxide Chemical compound CS(C)=O IAZDPXIOMUYVGZ-UHFFFAOYSA-N 0.000 description 26
- 230000035945 sensitivity Effects 0.000 description 23
- 239000000523 sample Substances 0.000 description 20
- 239000000975 dye Substances 0.000 description 14
- BBEAQIROQSPTKN-UHFFFAOYSA-N pyrene Chemical compound C1=CC=C2C=CC3=CC=CC4=CC=C1C2=C43 BBEAQIROQSPTKN-UHFFFAOYSA-N 0.000 description 14
- 238000004020 luminiscence type Methods 0.000 description 9
- 239000007864 aqueous solution Substances 0.000 description 8
- 238000005259 measurement Methods 0.000 description 8
- 230000003287 optical effect Effects 0.000 description 8
- 238000010521 absorption reaction Methods 0.000 description 7
- GVEPBJHOBDJJJI-UHFFFAOYSA-N fluoranthrene Natural products C1=CC(C2=CC=CC=C22)=C3C2=CC=CC3=C1 GVEPBJHOBDJJJI-UHFFFAOYSA-N 0.000 description 7
- 238000012360 testing method Methods 0.000 description 7
- DGAQECJNVWCQMB-PUAWFVPOSA-M Ilexoside XXIX Chemical compound C[C@@H]1CC[C@@]2(CC[C@@]3(C(=CC[C@H]4[C@]3(CC[C@@H]5[C@@]4(CC[C@@H](C5(C)C)OS(=O)(=O)[O-])C)C)[C@@H]2[C@]1(C)O)C)C(=O)O[C@H]6[C@@H]([C@H]([C@@H]([C@H](O6)CO)O)O)O.[Na+] DGAQECJNVWCQMB-PUAWFVPOSA-M 0.000 description 6
- 229910052708 sodium Inorganic materials 0.000 description 6
- 239000011734 sodium Substances 0.000 description 6
- 229910001415 sodium ion Inorganic materials 0.000 description 6
- WHXSMMKQMYFTQS-UHFFFAOYSA-N Lithium Chemical compound [Li] WHXSMMKQMYFTQS-UHFFFAOYSA-N 0.000 description 5
- ZLMJMSJWJFRBEC-UHFFFAOYSA-N Potassium Chemical compound [K] ZLMJMSJWJFRBEC-UHFFFAOYSA-N 0.000 description 5
- 238000004458 analytical method Methods 0.000 description 5
- 150000001768 cations Chemical class 0.000 description 5
- 239000002245 particle Substances 0.000 description 5
- 239000011591 potassium Substances 0.000 description 5
- VWDWKYIASSYTQR-UHFFFAOYSA-N sodium nitrate Chemical compound [Na+].[O-][N+]([O-])=O VWDWKYIASSYTQR-UHFFFAOYSA-N 0.000 description 5
- 238000002798 spectrophotometry method Methods 0.000 description 5
- 230000015572 biosynthetic process Effects 0.000 description 4
- 230000005670 electromagnetic radiation Effects 0.000 description 4
- 238000002189 fluorescence spectrum Methods 0.000 description 4
- 239000012535 impurity Substances 0.000 description 4
- 229910052744 lithium Inorganic materials 0.000 description 4
- 229910001416 lithium ion Inorganic materials 0.000 description 4
- KJFMBFZCATUALV-UHFFFAOYSA-N phenolphthalein Chemical compound C1=CC(O)=CC=C1C1(C=2C=CC(O)=CC=2)C2=CC=CC=C2C(=O)O1 KJFMBFZCATUALV-UHFFFAOYSA-N 0.000 description 4
- RYHBNJHYFVUHQT-UHFFFAOYSA-N 1,4-Dioxane Chemical compound C1COCCO1 RYHBNJHYFVUHQT-UHFFFAOYSA-N 0.000 description 3
- HBBGRARXTFLTSG-UHFFFAOYSA-N Lithium ion Chemical compound [Li+] HBBGRARXTFLTSG-UHFFFAOYSA-N 0.000 description 3
- 238000000862 absorption spectrum Methods 0.000 description 3
- 150000001875 compounds Chemical class 0.000 description 3
- 239000003960 organic solvent Substances 0.000 description 3
- 229910052700 potassium Inorganic materials 0.000 description 3
- 229910001414 potassium ion Inorganic materials 0.000 description 3
- 230000008569 process Effects 0.000 description 3
- 230000005855 radiation Effects 0.000 description 3
- 239000002904 solvent Substances 0.000 description 3
- 230000007704 transition Effects 0.000 description 3
- XKRFYHLGVUSROY-UHFFFAOYSA-N Argon Chemical compound [Ar] XKRFYHLGVUSROY-UHFFFAOYSA-N 0.000 description 2
- OYPRJOBELJOOCE-UHFFFAOYSA-N Calcium Chemical compound [Ca] OYPRJOBELJOOCE-UHFFFAOYSA-N 0.000 description 2
- 125000000129 anionic group Chemical group 0.000 description 2
- 229910052792 caesium Inorganic materials 0.000 description 2
- TVFDJXOCXUVLDH-UHFFFAOYSA-N caesium atom Chemical compound [Cs] TVFDJXOCXUVLDH-UHFFFAOYSA-N 0.000 description 2
- 239000011575 calcium Substances 0.000 description 2
- 229910052791 calcium Inorganic materials 0.000 description 2
- 238000006243 chemical reaction Methods 0.000 description 2
- 238000010668 complexation reaction Methods 0.000 description 2
- 230000005284 excitation Effects 0.000 description 2
- 238000000605 extraction Methods 0.000 description 2
- 238000002795 fluorescence method Methods 0.000 description 2
- 239000012634 fragment Substances 0.000 description 2
- 230000006698 induction Effects 0.000 description 2
- 239000000463 material Substances 0.000 description 2
- 239000012071 phase Substances 0.000 description 2
- 239000010453 quartz Substances 0.000 description 2
- 150000003839 salts Chemical class 0.000 description 2
- VYPSYNLAJGMNEJ-UHFFFAOYSA-N silicon dioxide Inorganic materials O=[Si]=O VYPSYNLAJGMNEJ-UHFFFAOYSA-N 0.000 description 2
- 229910052709 silver Inorganic materials 0.000 description 2
- 239000004332 silver Substances 0.000 description 2
- 235000010344 sodium nitrate Nutrition 0.000 description 2
- 239000004317 sodium nitrate Substances 0.000 description 2
- VFTFKUDGYRBSAL-UHFFFAOYSA-N 15-crown-5 Chemical compound C1COCCOCCOCCOCCO1 VFTFKUDGYRBSAL-UHFFFAOYSA-N 0.000 description 1
- WHQOKFZWSDOTQP-UHFFFAOYSA-N 2,3-dihydroxypropyl 4-aminobenzoate Chemical compound NC1=CC=C(C(=O)OCC(O)CO)C=C1 WHQOKFZWSDOTQP-UHFFFAOYSA-N 0.000 description 1
- BDTDDXDRCOLVNJ-UHFFFAOYSA-N 2,3-naphtho-15-crown-5 Chemical compound O1CCOCCOCCOCCOC2=CC3=CC=CC=C3C=C21 BDTDDXDRCOLVNJ-UHFFFAOYSA-N 0.000 description 1
- BXMFYZLAQCCIPK-UHFFFAOYSA-N 6-amino-2',4',5',7'-tetrabromo-3',6'-dihydroxyspiro[2-benzofuran-3,9'-xanthene]-1-one Chemical compound C12=CC(Br)=C(O)C(Br)=C2OC2=C(Br)C(O)=C(Br)C=C2C21OC(=O)C1=CC(N)=CC=C21 BXMFYZLAQCCIPK-UHFFFAOYSA-N 0.000 description 1
- RYGMFSIKBFXOCR-UHFFFAOYSA-N Copper Chemical compound [Cu] RYGMFSIKBFXOCR-UHFFFAOYSA-N 0.000 description 1
- JLTDJTHDQAWBAV-UHFFFAOYSA-N N,N-dimethylaniline Chemical compound CN(C)C1=CC=CC=C1 JLTDJTHDQAWBAV-UHFFFAOYSA-N 0.000 description 1
- BQCADISMDOOEFD-UHFFFAOYSA-N Silver Chemical compound [Ag] BQCADISMDOOEFD-UHFFFAOYSA-N 0.000 description 1
- 229910052783 alkali metal Inorganic materials 0.000 description 1
- 229910001963 alkali metal nitrate Inorganic materials 0.000 description 1
- 150000001340 alkali metals Chemical class 0.000 description 1
- 229910052786 argon Inorganic materials 0.000 description 1
- 125000002091 cationic group Chemical group 0.000 description 1
- 239000003153 chemical reaction reagent Substances 0.000 description 1
- 230000009918 complex formation Effects 0.000 description 1
- 150000004696 coordination complex Chemical class 0.000 description 1
- 229910052802 copper Inorganic materials 0.000 description 1
- 239000010949 copper Substances 0.000 description 1
- 230000007423 decrease Effects 0.000 description 1
- 238000013461 design Methods 0.000 description 1
- 230000006866 deterioration Effects 0.000 description 1
- 238000010586 diagram Methods 0.000 description 1
- YSSSPARMOAYJTE-UHFFFAOYSA-N dibenzo-18-crown-6 Chemical compound O1CCOCCOC2=CC=CC=C2OCCOCCOC2=CC=CC=C21 YSSSPARMOAYJTE-UHFFFAOYSA-N 0.000 description 1
- 238000012921 fluorescence analysis Methods 0.000 description 1
- 230000004907 flux Effects 0.000 description 1
- 238000001640 fractional crystallisation Methods 0.000 description 1
- 238000004508 fractional distillation Methods 0.000 description 1
- 230000002209 hydrophobic effect Effects 0.000 description 1
- 230000003993 interaction Effects 0.000 description 1
- 230000003834 intracellular effect Effects 0.000 description 1
- 239000000203 mixture Substances 0.000 description 1
- 239000003068 molecular probe Substances 0.000 description 1
- 239000012454 non-polar solvent Substances 0.000 description 1
- 239000012074 organic phase Substances 0.000 description 1
- 239000002798 polar solvent Substances 0.000 description 1
- 238000002360 preparation method Methods 0.000 description 1
- 238000006862 quantum yield reaction Methods 0.000 description 1
- 238000010791 quenching Methods 0.000 description 1
- 230000000171 quenching effect Effects 0.000 description 1
- 150000005837 radical ions Chemical class 0.000 description 1
- 238000005215 recombination Methods 0.000 description 1
- 230000006798 recombination Effects 0.000 description 1
- 230000003595 spectral effect Effects 0.000 description 1
- 239000004094 surface-active agent Substances 0.000 description 1
- 238000012546 transfer Methods 0.000 description 1
- 125000002023 trifluoromethyl group Chemical group FC(F)(F)* 0.000 description 1
- 238000004857 zone melting Methods 0.000 description 1
Images
Landscapes
- Investigating, Analyzing Materials By Fluorescence Or Luminescence (AREA)
- Investigating Or Analysing Materials By The Use Of Chemical Reactions (AREA)
Abstract
Использование: аналитическая химия. Сущность изобретения: в способе определения ионов металлов в растворах с использованием краун-эфиров, при регистрации изменения донорно-акцепторных свойств краун-эфиров исследуемый раствор подвергают воздействию внешнего электромагнитного поля. 3 ил. 1 табл.
Description
Изобретение относится к способам аналитического определения концентрации ионов металлов в растворе, в которых исследуемый материал возбуждается электромагнитным излучением и в результате этого испускает свет. Преимущественная область использования аналитическая химия.
В последнее время появились новые способы аналитического определения малых концентраций металлов, основанные на способности краун-эфиров селективно связывать катионы металлов, в том числе щелочных и щелочноземельных. Эти способы имеют высокую чувствительность благодаря тому, что при комплексообразовании изменяются донорно-акцепторные свойства краун-эфира.
Известные способы определения металлов, использующие краун-эфиры, отличаются, в основном, методом регистрации образующихся комплексов краун-эфиров с ионами металлов. Наибольшее распространение получили спектрофотометрические методы регистрации.
Известен способ спектрофотометрического определения ионов лития с использованием краун-эфиров. В исследуемый водный раствор вводят краун-эфир в концентрации 0,1-10 мМ. При этом происходит селективное образование комплекса краун-эфира с литием. Комплекс экстрагируют органическим растворителем для того, чтобы избежать влияния примесей на поглощение, и спектрофотометрически измеряют концентрацию комплекса. Чувствительность способа составляет 1 мМ ионов лития в исследуемом образце (растворе).
Известно спектрофотометрическое определение щелочных металлов в водных растворах с использованием краун-эфира, химически связанного с анионным красителем. Образующийся при связывании металлов комплекс экстрагируют органическим растворителем. Чувствительность метода составляет 10-12 мМ. Ухудшение чувствительности объясняется трудностью измерения изменения максимума бесструктурной полосы красителя в спектре поглощения. Этот фактор снижает точность определения концентрации как с применением анионных, так и катионных красителей.
Разновидности этой методики, отличающиеся использованием различных краун-эфиров, описаны также в других патентах. В них для определения ионов калия и лития предлагается использовать трифторметилзамещенный 15-азакраун-5- и 12-азакраун-4. Причем литий может быть определяем с точностью 1 мМ, а калий не хуже 5 мМ.
К недостаткам известных способов следует отнести прежде всего необходимость экстракции с целью избежать искажения спектра поглощения комплекса металла с краун-эфиром примесями, неизбежно присутствующими в исходном образце (растворе). Другой недостаток способов заключается в принципиальной необходимости использования системы двух несмешивающихся растворителей. Этим ограничивается количество пригодных растворителей, поскольку не всегда можно подобрать фазы с такими свойствами.
Ряд способов, обладающих также достаточно высокой чувствительностью, основан на флуоресцентном анализе с использованием молекулярного зонда, представляющего собой молекулу катион-селективного краун-эфира, содержащего фрагмент красителя. При добавлении катиона металла в водный раствор происходит его связывание фрагментом краун-эфира. Одновременно изменяется спектр флуоресценции входящего в молекулу реагента красителя вследствие значительного Стоксова сдвига. Так, в присутствии 0,2 мМ перхлората кальция максимум флуоресценции красителя смещается от 642 до 578 нм. Вместе с тем происходит изменение интенсивности флуоресценции. Квантовый выход флуоресценции при образовании комплекса кальция с краун-эфиром возрастает от 0,33 до 0,64. Для измерения флуоресценции комплекс экстрагируют органическим растворителем, как и в способах спектрофотометрических.
Известно использование флуоресцентного метода для селективного определения натрия [1] Был применен хроматографический 15-краун-5-эфир. Флуориметр специальной конструкции позволяет измерить концентрации ионов натрия в водных образцах до 20 мМ. Чувствительность ограничена необходимостью определения малого изменения интенсивности широкой полосы спектра флуоресценции, которая незначительно изменяется при комплексообразовании. Следует отметить, что чувствительность определения натрия методами с использованием краун-эфиров ниже, чем у других металлов.
Недостатком флуоресцентных способов анализа является ограничение чувствительности точностью определения малого изменения интенсивности широкой полосы спектра флуоресценции. Такой недостаток является общим для всех спектральных способов регистрации как в спектре флуоресценции, так и в спектре поглощения при комплексообразовании происходит сдвиг максимума широкой бесструктурной полосы и изменение ее интенсивности, а точнее количественная регистрация этих изменений требует сложного анализа из-за их недостаточной величины. При этом возможность дальнейшего увеличения чувствительности ограничена структурой полосы электронного поглощения.
Наиболее высокой чувствительностью обладает способ анализа, рассматриваемый как прототип [2] предлагается способ определения ионов калия, лития и натрия в водном растворе. В исследуемый раствор вводят краун-эфир и краситель. Определение проводят спектрофотометрическим методом. При образовании комплекса краун-эфира с катионом металла происходит изменение донорно-акцепторных свойств краун-эфира, что приводит в данном случае к изменению поглощения красителя донора (акцептора) электронов в системе. При определении калия использовали 2,3-нафто-15-краун-5 и краситель 5-амино-эозин. Может быть зарегистрировано минимальное изменение оптической плотности 0,057 что соответствует концентрации ионов калия 5 мМ. Литий определяли с помощью дициклогексано-18-краун-6 и фенолфталеина. Чувствительность определения 5 мМ. Способ [2] реализуется в присутствии мицеллообразующего поверхностно-активного вещества и гидрофобного красителя. Этим обеспечивается экстракция ионов металлов в органическую фазу из исследуемого водного раствора, включающего примеси, непосредственно в образце. Чувствительность при этом составляет 5 мМ. Измерения могут выполняться только в водных растворах [2] Для определения натрия применяли криптофикс-221 и краситель фенолфталеин. Регистрировали изменение оптической плотности не менее 0,073 что соответствует минимальной определяемой концентрации ионов натрия 5 мМ [2]
Существенным недостатком данного способа [2] является то, что сдвиг полосы поглощения необходимо измерять на фоне широкой интенсивной полосы поглощения исходного красителя. Определения изменения интенсивности полосы поглощения также требует сложного анализа из-за фонового поглощения, обусловленного наличием в образце окрашенных примесей. Эти недостатки не позволяют повысить чувствительность определения. Кроме того, недостатком прототипа является необходимость проведения анализа только в водных растворах. Принципиальным недостатком прототипа следует считать невозможность управления чувствительностью определения. Чувствительность определяется только оптическими свойствами исследуемого раствора и разрешением оптического регистрирующего прибора.
Существенным недостатком данного способа [2] является то, что сдвиг полосы поглощения необходимо измерять на фоне широкой интенсивной полосы поглощения исходного красителя. Определения изменения интенсивности полосы поглощения также требует сложного анализа из-за фонового поглощения, обусловленного наличием в образце окрашенных примесей. Эти недостатки не позволяют повысить чувствительность определения. Кроме того, недостатком прототипа является необходимость проведения анализа только в водных растворах. Принципиальным недостатком прототипа следует считать невозможность управления чувствительностью определения. Чувствительность определяется только оптическими свойствами исследуемого раствора и разрешением оптического регистрирующего прибора.
Техническим результатом изобретения является повышение чувствительности определения катионов металлов в растворах и возможность управления чувствительностью определения.
Это достигается предлагаемым способом определения ионов металлов в растворах с использованием краун-эфиров, способных селективно связывать ионы металлов, включающим облучение светом исследуемого раствора и регистрацию изменения донорно-акцепторных свойств краун-эфиров в присутствии акцептора (донора) электронов, в котором при регистрации изменения донорно-акцепторных свойств краун-эфиров исследуемый раствор подвергают воздействию внешнего электромагнитного поля.
Краун-эфир и акцептор (донор) могут быть фрагментами одной и той же молекулы.
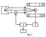
На фиг. 1 приведена схема устройства реализующего предлагаемый способ; на фиг. 2 изменение интенсивности люминесценции; на фиг. 3 зависимость изменения интенсивности люминесценции системы пирен/краун-эфир от концентрации ионов, где кривая I для натрия, кривая II для цезия, кривая III для серебра.
Главным отличием предложенного способа от известного является то, что процесс регистрации изменения донорно-акцепторных свойств краун-эфиров при связывании ими ионов металлов включает воздействие на исследуемый раствор внешнего электромагнитного поля, что, во-первых, делает принципиально новым сам процесс регистрации и, во-вторых, позволяет регулировать чувствительность определения концентрации ионов металлов. В известных способах (и флуоресцентных, и спектрофотометрических) регистрируют изменение оптических свойств присутствующего в исследуемой среде красителя, которое вызывается изменением донорно-акцепторных свойств краун-эфира при связывании им иона металла. В предложенном способе присутствия именно красителя не требуется, так как регистрируется изменение электронных свойств системы: краун-эфир донор (акцептор) электронов. При этом в качестве донора (акцептора) электронов могут использоваться помимо красителя другие соединения (например, пирен).
Исследуемый раствор, включающий краун-эфир, соединение, способное быть донором или акцептором электронов и ионы металла, облучают светом. При облучении происходит возбуждение и фотоперенос электрона, что приводит к образованию в системе ион-радикальных пар (ИРП), при этом электронные свойства ИРП, связанных и не связанных с металлами, различны.
К настоящему времени было известно, что в других системах, например, в полярных растворах эксиплексных систем типа пирен/диметиланилин процессы внутриклеточной геминальной рекомбинации ИРП зависят от внешнего магнитного поля (В 10 мТл). Рождающиеся первоначально в синглетном состоянии ИРП в течение своего времени жизни благодаря магнитным взаимодействиям той или иной природы, например СТВ, могут перейти в триплетное состояние. Характерное время интеркомбинационной конверсии в ИРП 5 нс. В отсутствие внешнего магнитного поля синглетный подуровень смешивается со всеми тремя вырожденными триплетными подуровнями. Достаточно большое внешнее магнитное поле снимает вырождение с триплетных подуровней ИРП. Таким образом, внешнее магнитное поле уменьшает вероятность интеркомбинационной конверсии и, следовательно, изменяет концентрации синглетных и триплетных ИРП.
Влияние магнитного поля на системы, в состав которых входят краун-эфиры, до настоящего времени не было исследовано. В результате экспериментальных исследований было установлено, что скорость образования ИРП в системе краун-эфир/донор (акцептор) электронов зависит от внешнего электромагнитного поля, что и позволило разработать предложенный способ.
Под действием возбуждающего излучения в исследуемом растворе образуются короткоживущие (1-100 нс) пары частиц. Связывание ионов металла изменяет донорно-акцепторные свойства этих частиц. Под воздействием внешнего магнитного поля меняется скорость переходов между зеемановскими возбужденными уровнями пар частиц с разными спиновными состояниями. Изменение скорости переходов приводит к изменению концентрации молекул в синглетном состоянии, и соответственно, к изменению фотоотклика на возбуждение (интенсивности люминесценции, оптической плотности, фототока и др.), отличающемуся для связанных и не связанных с ионами металла пар частиц.
Способ осуществляют следующим образом.
Исследуемый образец представляет собой раствор (обычно в смеси полярного и неполярного растворителей), содержащий анализируемую соль металла, краун-эфир, селективно связывающий ионы металла, соединение, способное возбуждаться под действием облучения светом или любого другого электромагнитного излучения от рентгеновского до видимого, поскольку короткоживущие пары частиц в исследуемой системе возбуждаются во всей этой области.
Исследуемый образец помещают в кювету регистрирующего прибора. Устройство включает кювету с образцом 1, электромагнит 2 с управляемым (измеряемым) магнитным полем, источник 3 облучающего электромагнитного излучения, фотоприемник 4 для регистрации интенсивности падающего излучения, фотоприемник 5 для регистрации фотоотклика, дифференциальный усилитель 6, самопишущий прибор 7.
Включают источник 3 излучения и потоком электромагнитного излучения облучают кювету с исследуемым образцом 1. Включают электромагнит 2. Фотоприемник 5 преобразует изменения интенсивности фотоотклика при включении (выключении) внешнего магнитного поля в адекватные электрические сигналы. Сигнал с фотоприемника 5 сравнивается с опорным сигналом фотоприемника 4, и их разность усиливается дифференциальным усилителем 6 для регистрации самопишущим прибором 7.
Концентрацию ионов металлов в образце определяют по откалиброванному для заданного диапазона концентраций (К) отношению К1/K2:
K1 Δ I1/I1, K2 Δ I2-I2, где Δ I1 изменение интенсивности люминесценции I1 при включении (выключении) магнитного поля для образца, в котором нет ионов металла;
Δ I2 изменение интенсивности люминесценции I2 при включении (выключении) магнитного поля для образца, содержащего определяемые ионы металла (анализируемого).
K1 Δ I1/I1, K2 Δ I2-I2, где Δ I1 изменение интенсивности люминесценции I1 при включении (выключении) магнитного поля для образца, в котором нет ионов металла;
Δ I2 изменение интенсивности люминесценции I2 при включении (выключении) магнитного поля для образца, содержащего определяемые ионы металла (анализируемого).
Учитывая, что реальная точность измерения стационарными методами Δ I1,2-I1,2 ≃0,1% можно оценить чувствительность способа определения концентрации металла предложенным способом на уровне не менее 0,2 мМ.
При использовании фазочувствительной методики точность измерения Δ I1,2/I1,2 достигает 0,06% Это позволяет определять концентрацию ионов металла на уровне не хуже 0,12 мМ, что в 40 раз превосходит известный способ [1] по которому минимальная определяемая концентрация ионов составляет 5 мМ.
П р и м е р 1. Определение ионов натрия. Приготовление образца для измерения.
Материалы: диметилсульфоксид (ДМСО), очищенный дробной кристаллизацией и перегонкой; диоксан, очищенный перегонкой; раствор очищенного зонной плавкой пирена в диметилсульфоксиде в концентрации 1 мМ; нитрат натрия, ч. раствор фенилаза-15-краун-5 в диметилсульфоксиде, 1 мМ.
В спектроскопической кювете оптической толщины 1 см смешивают: 0,2 мл ДМСО, 1,0 мл диоксана, 0,05 мл раствора пирена в ДМСО и 0,2 мл раствора фенилаза-15-краун-5 в ДМСО.
Через герметично закрытую кювету с образцом пропускают аргон в течение 15 мин и помещают в электромагнит-катушку Гельмгольца. Флуоресценцию пирена возбуждают в стационарном режиме стабилизированной по току лампой ДКсШ-150 мощностью 150 Вт в области 300-400 нм, фильтры марки УФС-6, СЗС-21. Свет лампы фокусируют кварцевой линзой с фокусным расстоянием 40 см. Флуоресценцию наблюдают в перпендикулярном направлении и регистрируют с помощью фотоумножителя ФЭУ-79 через светофильтр ЖС-17 с полосой пропускания более 500 нм.
В момент включения магнитного поля наблюдают изменение интенсивности флуоресценции (фиг. 2). Напряжение с сопротивления нагрузки ФЭУ подают на один из входов дифференциального усилителя постоянного тока У5-10. На другой вход этого же усилителя поступает сигнал компенсации с сопротивления нагрузки второго ФЭУ-79. Для этого небольшую часть возбуждающего света лампы подают на его вход при помощи кварцевой пластинки, помещенной перед образцом. На выходе дифференциального усилителя получают разность, которую уменьшают до минимума, изменяя величину сопротивления нагрузки фотоумножителя компенсации. Изменения выходного сигнала, связанные с влиянием внешнего магнитного поля на флуоресценцию образца, усиливаются и записываются самописцем Н307. В результате регистрируют величину
R(B) α (B)/(α (O)-1), где α (В) и (α (О) интенсивности люминесценции во внешнем магнитном поле и без него соответственно.
R(B) α (B)/(α (O)-1), где α (В) и (α (О) интенсивности люминесценции во внешнем магнитном поле и без него соответственно.
Изменение люминесценции наблюдают при включении магнитного поля с индукцией 20 Гс (0,02 Тл).
В данный образец добавляют раствор соли нитрата натрия в ДМСО В концентрации от 0,1 до 20 мМ и измеряют изменение люминесценции (В) при включении магнитного поля той же индукции. Можно измерять также и при выключении магнитного поля.
На фиг. 3 показана наблюдаемая зависимость величины изменения интенсивности люминесценции от содержания натрия в образце. При определении концентрации ионов натрия с использованием графика (фиг. 3) как калибровочного в образце удается зарегистрировать 2 мМ ионов натрия, что не менее чем в 2,5 раза превосходит чувствительность известного способа [2] Концентрация краун-эфира в анализируемом образце должна находиться в пределах 0,1-10 мМ. При концентрации ниже 0,1 мМ уменьшается вероятность тушения возбужденного акцептора, а повышение концентрации краун-эфира выше 10 мМ не приводит к увеличению точности измерения.
Измерения проводили при 20оС и атмосферном давлении. Для определения натрия использовали раствор нитрата натрия в ДМСО (12 мг/мл).
П р и м е р 2. Определение калия, лития, цезия, меди, серебра, кальция. В спектроскопической кювете с оптической толщиной 1 см смешивают 0,2 мл ДМСО, 1,0 мл диоксана, 0,05 мл раствора пирена в ДМСО и 0,2 мл раствора фенилаза-15-краун-5 в ДМСО. Растворы нитратов щелочных металлов готовят в ДМСО. Конечная концентрация соли в образце 1-20 мМ. Измерения выполняют для каждого металла в отдельности. Чувствительность предложенного способа приведена в таблице.
Как видно из приведенных примеров, способ позволяет значительно повысить чувствительность определения ионов металлов, позволяет регулировать чувствительность определения и, кроме того, измерения можно проводить в любых растворителях, а не только в водных растворах, что существенно расширяет область применения способа.
Claims (1)
- СПОСОБ ОПРЕДЕЛЕНИЯ ИОНОВ МЕТАЛЛОВ В РАСТВОРАХ с использованием краун-эфиров, способных селективно связывать ионы металлов, включающий облучение светом исследуемого раствора, содержащего краун-эфир, в присутствии акцептора донора электронов и регистрацию аналитического сигнала, по величине которого проводят количественное определение ионов металла, отличающийся тем, что при облучении светом исследуемый раствор подвергают воздействию внешнего электромагнитного поля, при этом в качестве аналитического сигнала используют изменение оптической характеристики раствора, вызванное внешним электромагнитным полем.
Priority Applications (1)
| Application Number | Priority Date | Filing Date | Title |
|---|---|---|---|
| SU5048145 RU2049986C1 (ru) | 1992-06-18 | 1992-06-18 | Способ определения ионов металлов в растворах |
Applications Claiming Priority (1)
| Application Number | Priority Date | Filing Date | Title |
|---|---|---|---|
| SU5048145 RU2049986C1 (ru) | 1992-06-18 | 1992-06-18 | Способ определения ионов металлов в растворах |
Publications (1)
| Publication Number | Publication Date |
|---|---|
| RU2049986C1 true RU2049986C1 (ru) | 1995-12-10 |
Family
ID=21607225
Family Applications (1)
| Application Number | Title | Priority Date | Filing Date |
|---|---|---|---|
| SU5048145 RU2049986C1 (ru) | 1992-06-18 | 1992-06-18 | Способ определения ионов металлов в растворах |
Country Status (1)
| Country | Link |
|---|---|
| RU (1) | RU2049986C1 (ru) |
Cited By (3)
| Publication number | Priority date | Publication date | Assignee | Title |
|---|---|---|---|---|
| RU2222804C1 (ru) * | 2002-06-25 | 2004-01-27 | Московская государственная академия тонкой химической технологии им. М.В. Ломоносова | Способ определения переходных элементов при совместном присутствии в составе оксидов |
| RU2292368C1 (ru) * | 2005-12-27 | 2007-01-27 | Сергей Пантелеймонович Громов | Оптические сенсорные материалы на катионы тяжелых и переходных металлов на основе дитиакраунсодержащих бутадиенильных красителей и способы их получения |
| RU2460060C1 (ru) * | 2011-05-03 | 2012-08-27 | Государственное Научное Учреждение "Институт Физики Имени Б.И. Степанова Национальной Академии Наук Беларуси" | Способ определения ионов металла в растворе |
-
1992
- 1992-06-18 RU SU5048145 patent/RU2049986C1/ru active
Non-Patent Citations (2)
| Title |
|---|
| 1. Патент США N 4762799, кл. G 01N 21/77, 09.08.88. * |
| 2. Патент США N 4820647, кл. G 01N 21/78, 11.04.89. * |
Cited By (3)
| Publication number | Priority date | Publication date | Assignee | Title |
|---|---|---|---|---|
| RU2222804C1 (ru) * | 2002-06-25 | 2004-01-27 | Московская государственная академия тонкой химической технологии им. М.В. Ломоносова | Способ определения переходных элементов при совместном присутствии в составе оксидов |
| RU2292368C1 (ru) * | 2005-12-27 | 2007-01-27 | Сергей Пантелеймонович Громов | Оптические сенсорные материалы на катионы тяжелых и переходных металлов на основе дитиакраунсодержащих бутадиенильных красителей и способы их получения |
| RU2460060C1 (ru) * | 2011-05-03 | 2012-08-27 | Государственное Научное Учреждение "Институт Физики Имени Б.И. Степанова Национальной Академии Наук Беларуси" | Способ определения ионов металла в растворе |
Similar Documents
| Publication | Publication Date | Title |
|---|---|---|
| Dinh et al. | Heavy-atom effect on room temperature phosphorimetry | |
| Sawicki | Fluorescence analysis in air pollution research | |
| Weber et al. | Determination of the absolute quantum yield of fluorescent solutions | |
| CA1319743C (en) | Area-modulated luminescence (aml) | |
| Adams et al. | Determination of the absolute quantum efficiency of luminescence of solid materials employing photoacoustic spectroscopy | |
| White et al. | Methods for Obtaining Correction Factors for Fluorescence Spectra as Determined with Aminco-Bowman Spectrophotofluorometer | |
| US20040022684A1 (en) | Method and device for multicolour 2-photon fluorescence coincidence analysis | |
| Tsunoda et al. | Determination of chlorine and bromine by molecular absorption of aluminum monohalides at high temperature | |
| Kricka et al. | Optical techniques | |
| Igarashi et al. | Room temperature phosphorescence of palladium (II)—coproporphyrin III complex in a precipitated nonionic surfactant micelle phase: determination of traces of palladium (II) | |
| Sullivan et al. | The application of resonance lamps as monochromators in atomic absorption spectroscopy | |
| Farah et al. | Developments and applications of multielement graphite furnace atomic absorption spectrometry | |
| Ishibashi et al. | Laser fluorometry of fluorescein and riboflavin | |
| Skok et al. | Direct immersion single-drop microextraction combined with fluorescence detection using an optical probe. Application for highly sensitive determination of rhodamine 6G | |
| CA2114371A1 (en) | Method of spectrometry and apparatus therefor | |
| RU2049986C1 (ru) | Способ определения ионов металлов в растворах | |
| CN108333158B (zh) | 双掺杂荧光碳量子点及合成方法 | |
| Yamada et al. | Time discrimination in the laser fluorimetry and ultratrace determination of europium (III) and samarium (III) with 4, 4, 4-trifluoro-1-(2-thienyl)-1, 3-butanedione | |
| Remy et al. | Real sample analysis by ETA-LEAFS with background correction: application to gold determination in river water | |
| Richardson | Sensitive assay of biochemicals by laser-induced molecular fluorescence | |
| US7148068B1 (en) | Method of trivalent chromium concentration determination by atomic spectrometry | |
| Love et al. | Analysis of multicomponent fluorescent mixtures through temporal resolution | |
| Harris et al. | High-sensitivity electronic Raman spectroscopy for acceptor determination in gallium arsenide | |
| Miller | Photoluminescence and chemiluminescence methods of drug analysis | |
| Fujiwara et al. | Thermal lensing colorimetry of nitrite ion with single-laser system |