RU2024972C1 - Установка для получения радоновых препаратов - Google Patents

Установка для получения радоновых препаратов Download PDF

Info

Publication number
RU2024972C1
RU2024972C1 SU5028327A RU2024972C1 RU 2024972 C1 RU2024972 C1 RU 2024972C1 SU 5028327 A SU5028327 A SU 5028327A RU 2024972 C1 RU2024972 C1 RU 2024972C1
Authority
RU
Russia
Prior art keywords
radon
saturation chamber
preparations
chamber
saturation
Prior art date
Application number
Other languages
English (en)
Inventor
К.А. Курринен
А.А. Палладиев
А.И. Меньшов
В.П. Монастырев
Original Assignee
Научно-производственное объединение "Радиевый институт им.Г.В.Хлопина"
Priority date (The priority date is an assumption and is not a legal conclusion. Google has not performed a legal analysis and makes no representation as to the accuracy of the date listed.)
Filing date
Publication date
Application filed by Научно-производственное объединение "Радиевый институт им.Г.В.Хлопина" filed Critical Научно-производственное объединение "Радиевый институт им.Г.В.Хлопина"
Priority to SU5028327 priority Critical patent/RU2024972C1/ru
Application granted granted Critical
Publication of RU2024972C1 publication Critical patent/RU2024972C1/ru

Links

Images

Landscapes

  • Devices For Medical Bathing And Washing (AREA)
  • Measurement Of Radiation (AREA)
  • Radiation-Therapy Devices (AREA)

Abstract

Использование: в геофизических исследованиях скважин, а также во всех областях, где находит применение радон. Сущность изобретения: установка кроме защитного кожуха, генератора радона и камеры насыщения содержит источник инертного газа, вакуумный насос, адсорбер, при этом камера насыщения выполнена герметичной, снабжена нагревателем и связана с дистанционной системой выгрузки препаратов, причем в ней размещена обойма со съемными капсулами для таблеток. Конструктивное выполнение установки позволяет получать радоновые препараты в твердом виде при снижении потерь радона. 1 з.п. ф-лы, 3 ил.

Description

Изобретение относится к геофизическому исследованию скважин. В настоящее время все более широкое применение в геофизике находит радиоактивно индикаторный метод, где в качестве радиоактивного индикатора используется радон-222. Возможно применение этого изобретения в медицинской технике, а также во всех областях, где находит применение радон.
Известно устройство для получения жидких препаратов радона [1]. Оно состоит из генератора радона в виде барботера, содержащего раствор соли радия, бутыли объемом 5-6 л и дозатора концентрированного раствора радона. Накопленный в барботере радон переводится в предварительно заполненную водой бутыль. Затем бутыль, содержащую воздушно-радоновую смесь и воду, встряхивают на шюттель-аппарате 10-15 мин для полного растворения радона в воде. Остатки радона сбрасывают в канализационную или вентиляционную системы и заполняют бутыль водой. Затем с помощью бюретки дозируют жидкий препарат радона по порционным склянкам [1]. Недостатком такого устройства является неполное использование радона и значительные потери при дозировке, а также низкая радиационная безопасность при работе устройства, связанная с возможностью разлива раствора радона.
Наиболее близким по технической сущности к заявляемой установке является выбранное в качестве прототипа устройства для приготовления водного раствора радона, содержащее барботер с радоном (генератор радона), бак-смеситель (камера насыщения), перемешивающее устройство в виде центробежного насоса, установленного под баком-смесителем, дозатор раствора радона и секционный защитный кожух [2].
Радон из барботера с раствором соли радия поступает в бак-смеситель, заполненный водой, и перемешивается для более полного растворения радона в воде центробежным насосом. После этого с помощью дозатора производят расфасовку раствора радона по порционным склянкам.
Недостатками этого устройства являются следующие: невозможность приготовления твердых радоновых препаратов с использованием этого устройства; низкий коэффициент использования радона (Кисп. = =0,714); сброс нерастворенного радона (28,6% ) в вентиляцию и канализацию; потери радона при дозировке (введение коэффициента запаса К3 = 1,4-1,5); низкая радиационная безопасность при дозировании; возможность радиационной аварии при разливе и транспортировке водного концентрата.
Задачей изобретения является возможность получения радоновых препаратов в твердом виде при снижении потерь радона и повышение безопасности при работе.
Согласно изобретению установка для получения радоновых препаратов, кроме генератора радона, камеры насыщения (бака-смесителя) и защитного кожуха, снабжена источником инертного газа, вакуумным насосом и адсорбером; при этом камера насыщения выполнена герметичной, снабжена нагревателем и связана с дистанционной системой выгрузки препаратов. Камера насыщения снабжена обоймой для размещения съемных капсул, которые заполняются неактивными таблетками. Капсулы представляют собой тонкостенные металлические трубки с одним развальцованным концом для удержания размещаемых в них таблеток. Для загрузки-выгрузки таблеток предусматривается возможность перемещения обоймы, которая обеспечивается жесткой связью ее с крышкой камеры насыщения, возвратно-поступательное перемещение которой обеспечено винтовым приводом.
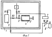
На фиг. 1 представлена схема установки для получения твердых радоновых препаратов; на фиг.2 - камера насыщения; на фиг.3 - капсула с таблетками.
В защитном кожухе 1 размещены генератор радона, например твердофазный 2, связанный с камерой насыщения 3, снабженной нагревателем 4 и дистанционной системой загрузки-выгрузки 5, и адсорбером 6. Для создания разрежения в камере насыщения 3 последняя связана с вакуумным насосом 7, а для создания условий проведения процесса получения радонового препарата с источником инертного газа 8, например ксенона, с редуктором 9. Камера насыщения 3 (фиг. 2) имеет крышку 10, связанную с внутренней стороной с обоймой 11 для размещения капсул 12 с таблетками 13 (фиг.3), а с внешней стороны - со штурвалом 14 дистанционной системы загрузки-выгрузки 5 (фиг.1). Под камерой насыщения 3 размещен приемный контейнер 15 для готовых твердых радоновых препаратов. Контроль за параметрами процессов осуществляется с помощью моновакуумметра 16, связанного с камерой насыщения 3.
Установка работает следующим образом.
Таблетки гидрохинона 13 помещают в камеры 12 по 10 шт. в каждую, те в свою очередь вставляют в обойму 11, закрепленную на крышке 10 камеры насыщения 3. Затем камеру насыщения 3 герметизируют. Включают вакуумный насос 7 и откачивают камеру насыщения 3 через вентиль В4. Затем включают генератор радона 2. Открыв последовательно вентили В1 и В2 переводят радон в камеру насыщения 3. Вентили В1 и В2 закрывают. После этого открывают баллон с ксеноном 8, вентили В3, В2 и редуктором 9 создают давление в камере насыщения 3 до 6 атм. Затем включают нагреватель камеры насыщения 4 и поддерживают в ней температуру 100оС в течение 1 ч. Выключают нагреватель 4 и охлаждают камеру насыщения 3 до комнатной температуры. После этого открывают вентили В4 и В5 и переводят остатки радона на фильтр с активированным углем 6. Выгрузка капсул с таблетками осуществляется следующим образом. Вращая штурвал 14, выдвигают крышку 10 с обоймой 11. При этом капсулы 12 падают в приемный контейнер 15. Контейнер 15 вместе с капсулами 12 перемещают в бокс готовой продукции на измерение содержания радона (на схеме не изображен).
Экспериментальные исследования заявляемой установки для получения твердых радоновых препаратов показали, что по сравнению с устройством, взятым в качестве прототипа, заявляемая установка обеспечивает более полное использование радона с 72 до 95%. Отсутствуют потери радона при дозировании и вследствие этого улучшается радиационная обстановка, т.к. установка для получения радоновых препаратов не содержит отдельного узла дозирования, а дозирование осуществляется в процессе получения препаратов пропорционально массе загружаемых таблеток.

Claims (2)

1. УСТАНОВКА ДЛЯ ПОЛУЧЕНИЯ РАДОНОВЫХ ПРЕПАРАТОВ, содержащая защитный кожух, в котором размещены генератор радона и камера насыщения, отличающаяся тем, что она содержит источник инертного газа, вакуумный насос, расположенные вне защитного кожуха, и адсорбер, расположенный внутри защитного кожуха, которые соединены с камерой насыщения трубопроводами, при этом камера насыщения снабжена нагревателем, коаксиально расположенным на ней, и дистанционной системой выгрузки препарата.
2. Установка по п.1, отличающаяся тем, что дистанционная система выгрузки препарата состоит из обоймы для загрузки-выгрузки капсул с таблетками, расположенной на внутренней стороне крышки камеры насыщения и штурвала возвратно-поступательного механизма, расположенного с наружной стороны крышки камеры насыщения, обеспечивающего продольное перемещение обоймы.
SU5028327 1991-12-18 1991-12-18 Установка для получения радоновых препаратов RU2024972C1 (ru)

Priority Applications (1)

Application Number Priority Date Filing Date Title
SU5028327 RU2024972C1 (ru) 1991-12-18 1991-12-18 Установка для получения радоновых препаратов

Applications Claiming Priority (1)

Application Number Priority Date Filing Date Title
SU5028327 RU2024972C1 (ru) 1991-12-18 1991-12-18 Установка для получения радоновых препаратов

Publications (1)

Publication Number Publication Date
RU2024972C1 true RU2024972C1 (ru) 1994-12-15

Family

ID=21597390

Family Applications (1)

Application Number Title Priority Date Filing Date
SU5028327 RU2024972C1 (ru) 1991-12-18 1991-12-18 Установка для получения радоновых препаратов

Country Status (1)

Country Link
RU (1) RU2024972C1 (ru)

Cited By (2)

* Cited by examiner, † Cited by third party
Publication number Priority date Publication date Assignee Title
RU2435564C1 (ru) * 2010-03-19 2011-12-10 Сергей Петрович Ерофеев Способ получения радоносодержащего концентрата и устройство для его осуществления
CZ307288B6 (cs) * 2015-10-22 2018-05-16 Adil Tuleushev Zařízení pro získávání radonu222Rn, radonových produktů a způsob jeho použití

Non-Patent Citations (2)

* Cited by examiner, † Cited by third party
Title
1. Гусаров И.И. Радиотерапия. М.: Медицина, 1974, с.127-129. *
2. Авторское свидетельство СССР N 1316977, кл. C 01F 13/00, 1979. *

Cited By (2)

* Cited by examiner, † Cited by third party
Publication number Priority date Publication date Assignee Title
RU2435564C1 (ru) * 2010-03-19 2011-12-10 Сергей Петрович Ерофеев Способ получения радоносодержащего концентрата и устройство для его осуществления
CZ307288B6 (cs) * 2015-10-22 2018-05-16 Adil Tuleushev Zařízení pro získávání radonu222Rn, radonových produktů a způsob jeho použití

Similar Documents

Publication Publication Date Title
EP0408360B1 (en) Apparatus for dissolving particulate solids in liquids
US4625494A (en) Method and apparatus for making mixtures of pharmaceutical liquids
US5867546A (en) Method and apparatus for production of radioactive iodine
US1680616A (en) Sealed package
US3921002A (en) Ozone generator
RU2007132062A (ru) Способ изготовления питательной композиции
HU9603159D0 (en) Improvements in and relating to containers of particulate material
DE3866796D1 (de) Verfahren zum unterdruckhalten von fluessigkeiten und derartige aufnahmebehaelter.
DE3853063D1 (de) Vorrichtung mit einem behälter für gefährliche substanzen sowie zugehöriges verfahren.
JPH05261151A (ja) 血液透析液用原液の調剤法及び血液透析液用原液調剤用ソフトバッグ
GB2141997A (en) Method for the preparation of mixtures of pharmaceutical liquids
RU2024972C1 (ru) Установка для получения радоновых препаратов
JPS59216830A (ja) 放射性物質を含む化合物の小型自動合成装置
RU2098070C1 (ru) Устройство для приготовления и проведения воздушно-радоновых ванн (врв)
DE3277436D1 (en) Device for administering liquid medicaments
US6706089B1 (en) Disposal unit
JP2007526106A (ja) 粉末用の混合バッグ、並びにこの混合バッグを用いる装置、方法及びシステム
EP0918512A1 (en) Homeopathic composition and process for its preparation
RU57152U1 (ru) Установка для экстрагирования
JPH0549675A (ja) 重炭酸塩化合物含有薬液保存用の包装体
RU2057521C1 (ru) Устройство для изготовления лекарственных растворов
US4732739A (en) Amalgam preparing chamber and mercury-capturing device
SU259325A1 (ru) Установка дл получени дозированной смеси инертного радиоактивного газа с воздухом
Minev et al. National calibration of low background gamma spectrometers. Problems and results; Natsionalno kalibrirane na niskofonovi gama-spektrometri. Problemi i rezultati
GB1239401A (ru)