RU2024918C1 - Стабилизатор постоянного тока - Google Patents
Стабилизатор постоянного тока Download PDFInfo
- Publication number
- RU2024918C1 RU2024918C1 SU5019404A RU2024918C1 RU 2024918 C1 RU2024918 C1 RU 2024918C1 SU 5019404 A SU5019404 A SU 5019404A RU 2024918 C1 RU2024918 C1 RU 2024918C1
- Authority
- RU
- Russia
- Prior art keywords
- transistor
- emitter
- current
- base
- collector
- Prior art date
Links
Images
Landscapes
- Control Of Electrical Variables (AREA)
Abstract
Область использования: в качестве источника эталонного тока или напряжения. Сущность изобретения: стабилизатор содержит три биполярных транзистора, два из которых противоположны по проводимости третьему. Первый и второй транзисторы включены по схеме составного транзистора. Параллельно переходу база-эмиттер включен опорный стабилитрон. Ток через него автостабилизирован и не зависит от сопротивления нагрузки и напряжения питания. Стабилизатор имеет высокую надежность. 1 ил.
Description
Изобретение относится к электротехнике и может быть использовано в качестве источника эталонного тока или напряжения.
Известны стабилизаторы постоянного тока, содержащие два транзисторных отражателя тока, входы и выходы которых замкнуты друг на друга [1 и 2].
Известные устройства не отличаются высокой надежностью начального запуска.
Известны стабилизаторы постоянного тока, выполненные на двух транзисторных отражателях тока, в которых надежность начального запуска повышена с помощью делителя напряжения из двух резисторов и диода [3 и 4].
Дополнительные затраты ограничивают применение таких стабилизаторов.
Наиболее близок по составу элементов стабилизатор постоянного тока или напряжения, выполненный по структуре токового двухполюсника на двух отражателях тока, первый из которых содержит стабилитрон, резистор и биполярный транзистор одного типа проводимости, а второй - два биполярных транзистора другого типа проводимости и резистор [5].
Надежность начального запуска известного стабилизатора недостаточна.
Целью изобретения является повышение устойчивости и надежности начального запуска.
Это достигается тем, что в известном стабилизаторе постоянного тока, содержащем первый биполярный транзистор одного типа проводимости, база и эмиттер которого соответственно через стабилитрон и первый резистор подключены к первой выходной шине, второй и третий биполярные транзисторы другого типа проводимости, причем база и коллектор второго транзистора подключены соответственно к коллектору и базе первого транзистора, а эмиттер второго транзистора через второй резистор соединен с второй выходной шиной устройства, база и коллектор третьего транзистора подключены соответственно к коллектору и эмиттеру первого транзистора, а эмиттер третьего транзистора через третий резистор соединен с второй выходной шиной.
Предлагаемый стабилизатор содержит только две выходные шины и представляет собой двухполюсник с токовым выходом, однако может быть использован как источник эталонного напряжения с выходным напряжением на выводах стабилитрона.
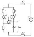
На чертеже представлена электрическая схема предлагаемого стабилизатора.
Стабилизатор содержит первый 1 биполярный транзистор одного типа проводимости, например n-p-n-типа, второй 2 и третий 3 биполярные транзисторы другого типа проводимости, например p-n-p-типа, опорный стабилитрон 4, первый 5, второй 6 и третий 7 резисторы, нагрузку 8-1 или 8-2 и источник 9 напряжения питания.
Предложенный стабилизатор тока построен на базе транзисторного отражателя токов, выходной каскад которого реализован на втором транзисторе 2 и запитывает опорный стабилитрон 4. Входной каскад отражателя токов реализован на третьем транзисторе 3. Входные и выходные токи отражателя токов, образованные токами коллекторов соответственно третьего 3 и второго 2 транзисторов, связаны соотношением
Iк2=Iк3 ˙ R7/R6, где R6 и R7 - номиналы второго 6 и третьего 7 резисторов.
Iк2=Iк3 ˙ R7/R6, где R6 и R7 - номиналы второго 6 и третьего 7 резисторов.
Первый транзистор 1, переход база-эмиттер которого замкнут в контуре опорного стабилитрона 4 и первого резистора 5, одновременно образует элемент сравнения и усиления и управляет суммой токов баз второго 2 и третьего 3 транзисторов. Входной ток Iк3 отражателя токов стабилизирован цепью отрицательной обратной связи с коллектора третьего транзистора 3 на эмиттер первого транзистора 1 примерным соотношением
Iк3=(Uо-Uбэ)/R5, где Uо - напряжение стабилизации стабилитрона 4;
Uбэ - напряжение перехода база-эмиттер первого транзистора 1;
R5 - номинал первого 5 резистора.
Iк3=(Uо-Uбэ)/R5, где Uо - напряжение стабилизации стабилитрона 4;
Uбэ - напряжение перехода база-эмиттер первого транзистора 1;
R5 - номинал первого 5 резистора.
Стабилизатор работает следующим образом.
При подаче напряжения питания с источника 9 любые изменения теплового тока второго транзистора 2 приводят к росту напряжения на выводах стабилитрона 4 и к росту токов коллекторов первого, третьего и второго транзисторов. В конечном счете на выводах стабилитрона 4 устанавливается напряжение, определяемое его напряжением стабилизации Uо. Надежность начального запуска стабилизатора обеспечена тем, что первый и третий транзисторы фактически образуют составной транзистор по схеме общий эмиттер - общий эмиттер с очень большим коэффициентом усиления тока базы первого транзистора.
Выходной ток в нагрузке 8-1 или 8-2 стабилен и определяется соотношением
Iн=(Uo-Uбэ) (R6+R7)/R5 R6.
С учетом конечных значений коэффициентов усиления β1, β2 ,и β3соответственно первого, второго и третьего транзисторов более точное значение Iн точн тока в нагрузке определяется как
Iн точн=Iн ˙ (1- γ), где γ - методическая погрешность
γ =
В опытном образце устройства на транзисторных сборках 1НТ 251 и 2ТС 622 и стабилитроне 2С 108 выходное сопротивление составляло 400 кОм при токе нагрузки 12 мА, а стабильность эталонного напряжения на выводах стабилитрона была приблизительно 1 мВ при напряжении питания источника 9 в пределах (15±3) В.
Iн=(Uo-Uбэ) (R6+R7)/R5 R6.
С учетом конечных значений коэффициентов усиления β1, β2 ,и β3соответственно первого, второго и третьего транзисторов более точное значение Iн точн тока в нагрузке определяется как
Iн точн=Iн ˙ (1- γ), где γ - методическая погрешность
γ =
В опытном образце устройства на транзисторных сборках 1НТ 251 и 2ТС 622 и стабилитроне 2С 108 выходное сопротивление составляло 400 кОм при токе нагрузки 12 мА, а стабильность эталонного напряжения на выводах стабилитрона была приблизительно 1 мВ при напряжении питания источника 9 в пределах (15±3) В.
Claims (1)
- СТАБИЛИЗАТОР ПОСТОЯННОГО ТОКА, содержащий первый биполярный транзистор одного типа проводимости, база и эмиттер которого соответственно через опорный стабилитрон и первый резистор подключены к первой выходной шине, и второй и третий биполярные транзисторы другого типа проводимости, причем база и коллектор второго транзистора подключены соответственно к коллектору и базе первого транзистора, а эмиттер второго транзистора через второй резистор соединен с второй выходной шиной, отличающийся тем, что, с целью повышения устойчивости и надежности начального запуска, в нем база и коллектор третьего транзистора подключены соответственно к коллектору и эмиттеру первого транзистора, а эмиттер третьего транзистора через введенный третий резистор соединен с второй выходной шиной.
Priority Applications (1)
| Application Number | Priority Date | Filing Date | Title |
|---|---|---|---|
| SU5019404 RU2024918C1 (ru) | 1991-07-22 | 1991-07-22 | Стабилизатор постоянного тока |
Applications Claiming Priority (1)
| Application Number | Priority Date | Filing Date | Title |
|---|---|---|---|
| SU5019404 RU2024918C1 (ru) | 1991-07-22 | 1991-07-22 | Стабилизатор постоянного тока |
Publications (1)
| Publication Number | Publication Date |
|---|---|
| RU2024918C1 true RU2024918C1 (ru) | 1994-12-15 |
Family
ID=21592974
Family Applications (1)
| Application Number | Title | Priority Date | Filing Date |
|---|---|---|---|
| SU5019404 RU2024918C1 (ru) | 1991-07-22 | 1991-07-22 | Стабилизатор постоянного тока |
Country Status (1)
| Country | Link |
|---|---|
| RU (1) | RU2024918C1 (ru) |
-
1991
- 1991-07-22 RU SU5019404 patent/RU2024918C1/ru active
Non-Patent Citations (5)
| Title |
|---|
| 1. Авторское свидетельство СССР N 521556, кл. G 05F 1/56, 1975. * |
| 2. Авторское свидетельство СССР N 1062669, кл. G 05F 1/56, 1983. * |
| 3. Авторское свидетельство СССР N 1256147, кл. G 05F 1/56, 1986. * |
| 4. Журнал "Электроники", N 25, 1982, с.63. * |
| 5. Авторское свидетельство СССР N 1309011, кл. G 05F 1/56, 1987. * |
Similar Documents
| Publication | Publication Date | Title |
|---|---|---|
| US7800430B2 (en) | Temperature-compensated current generator, for instance for 1-10V interfaces | |
| RU2024918C1 (ru) | Стабилизатор постоянного тока | |
| US3536986A (en) | Low level costant current source | |
| KR870004555A (ko) | 전압 조절기 회로 | |
| RU2025766C1 (ru) | Стабилизатор постоянного тока с непрерывным регулированием | |
| SU440657A1 (ru) | Стабилизатор напр жени с двупол рным выходом | |
| SU694853A2 (ru) | Стабилизированный источник посто нного тока | |
| RU2028657C1 (ru) | Стабилизатор постоянного напряжения | |
| SU1665354A1 (ru) | Компенсационный стабилизатор посто нного напр жени | |
| SU890381A1 (ru) | Стабилизатор посто нного тока | |
| SU826314A1 (ru) | Стабилизатор постоянного напряжения 1 | |
| RU2079871C1 (ru) | Стабилизатор напряжения | |
| SU1439559A1 (ru) | Стабилизатор посто нного напр жени | |
| SU1086417A1 (ru) | Двухпол рный стабилизированный источник питани | |
| SU1100612A1 (ru) | Стабилизатор посто нного тока | |
| SU954982A1 (ru) | Стабилизатор посто нного напр жени | |
| SU873225A1 (ru) | Стабилизатор посто нного напр жени | |
| SU1665353A1 (ru) | Компенсационный стабилизатор посто нного напр жени | |
| SU427325A1 (ru) | Полупроводниковый стабилизатор | |
| US3345553A (en) | Stabilized direct current supply circuit | |
| KR920004322Y1 (ko) | 정전류회로 | |
| SU1460715A1 (ru) | Стабилизатор тока | |
| SU588537A1 (ru) | Низковольтный стабилизатор напр жени посто нного тока | |
| SU915066A1 (ru) | Стабилизатор постоянного тока1 | |
| RU2033634C1 (ru) | Стабилизатор постоянного потребляемого тока |