KR20220145651A - 변속장치 - Google Patents

변속장치 Download PDF

Info

Publication number
KR20220145651A
KR20220145651A KR1020210052482A KR20210052482A KR20220145651A KR 20220145651 A KR20220145651 A KR 20220145651A KR 1020210052482 A KR1020210052482 A KR 1020210052482A KR 20210052482 A KR20210052482 A KR 20210052482A KR 20220145651 A KR20220145651 A KR 20220145651A
Authority
KR
South Korea
Prior art keywords
clutch
planetary gear
push member
sleeve
friction
Prior art date
Legal status (The legal status is an assumption and is not a legal conclusion. Google has not performed a legal analysis and makes no representation as to the accuracy of the status listed.)
Withdrawn
Application number
KR1020210052482A
Other languages
English (en)
Inventor
이강훈
김영훈
황동환
석진원
Original Assignee
현대자동차주식회사
기아 주식회사
Priority date (The priority date is an assumption and is not a legal conclusion. Google has not performed a legal analysis and makes no representation as to the accuracy of the date listed.)
Filing date
Publication date
Application filed by 현대자동차주식회사, 기아 주식회사 filed Critical 현대자동차주식회사
Priority to KR1020210052482A priority Critical patent/KR20220145651A/ko
Priority to US17/476,263 priority patent/US11448290B1/en
Publication of KR20220145651A publication Critical patent/KR20220145651A/ko
Withdrawn legal-status Critical Current

Links

Images

Classifications

    • FMECHANICAL ENGINEERING; LIGHTING; HEATING; WEAPONS; BLASTING
    • F16ENGINEERING ELEMENTS AND UNITS; GENERAL MEASURES FOR PRODUCING AND MAINTAINING EFFECTIVE FUNCTIONING OF MACHINES OR INSTALLATIONS; THERMAL INSULATION IN GENERAL
    • F16HGEARING
    • F16H3/00Toothed gearings for conveying rotary motion with variable gear ratio or for reversing rotary motion
    • F16H3/44Toothed gearings for conveying rotary motion with variable gear ratio or for reversing rotary motion using gears having orbital motion
    • F16H3/46Gearings having only two central gears, connected by orbital gears
    • FMECHANICAL ENGINEERING; LIGHTING; HEATING; WEAPONS; BLASTING
    • F16ENGINEERING ELEMENTS AND UNITS; GENERAL MEASURES FOR PRODUCING AND MAINTAINING EFFECTIVE FUNCTIONING OF MACHINES OR INSTALLATIONS; THERMAL INSULATION IN GENERAL
    • F16HGEARING
    • F16H3/00Toothed gearings for conveying rotary motion with variable gear ratio or for reversing rotary motion
    • F16H3/44Toothed gearings for conveying rotary motion with variable gear ratio or for reversing rotary motion using gears having orbital motion
    • FMECHANICAL ENGINEERING; LIGHTING; HEATING; WEAPONS; BLASTING
    • F16ENGINEERING ELEMENTS AND UNITS; GENERAL MEASURES FOR PRODUCING AND MAINTAINING EFFECTIVE FUNCTIONING OF MACHINES OR INSTALLATIONS; THERMAL INSULATION IN GENERAL
    • F16HGEARING
    • F16H3/00Toothed gearings for conveying rotary motion with variable gear ratio or for reversing rotary motion
    • F16H3/44Toothed gearings for conveying rotary motion with variable gear ratio or for reversing rotary motion using gears having orbital motion
    • F16H3/46Gearings having only two central gears, connected by orbital gears
    • F16H3/48Gearings having only two central gears, connected by orbital gears with single orbital gears or pairs of rigidly-connected orbital gears
    • F16H3/52Gearings having only two central gears, connected by orbital gears with single orbital gears or pairs of rigidly-connected orbital gears comprising orbital spur gears
    • F16H3/54Gearings having only two central gears, connected by orbital gears with single orbital gears or pairs of rigidly-connected orbital gears comprising orbital spur gears one of the central gears being internally toothed and the other externally toothed
    • FMECHANICAL ENGINEERING; LIGHTING; HEATING; WEAPONS; BLASTING
    • F16ENGINEERING ELEMENTS AND UNITS; GENERAL MEASURES FOR PRODUCING AND MAINTAINING EFFECTIVE FUNCTIONING OF MACHINES OR INSTALLATIONS; THERMAL INSULATION IN GENERAL
    • F16DCOUPLINGS FOR TRANSMITTING ROTATION; CLUTCHES; BRAKES
    • F16D13/00Friction clutches
    • F16D13/22Friction clutches with axially-movable clutching members
    • FMECHANICAL ENGINEERING; LIGHTING; HEATING; WEAPONS; BLASTING
    • F16ENGINEERING ELEMENTS AND UNITS; GENERAL MEASURES FOR PRODUCING AND MAINTAINING EFFECTIVE FUNCTIONING OF MACHINES OR INSTALLATIONS; THERMAL INSULATION IN GENERAL
    • F16DCOUPLINGS FOR TRANSMITTING ROTATION; CLUTCHES; BRAKES
    • F16D2500/00External control of clutches by electric or electronic means
    • F16D2500/10System to be controlled
    • F16D2500/104Clutch
    • F16D2500/10443Clutch type
    • F16D2500/1045Friction clutch
    • FMECHANICAL ENGINEERING; LIGHTING; HEATING; WEAPONS; BLASTING
    • F16ENGINEERING ELEMENTS AND UNITS; GENERAL MEASURES FOR PRODUCING AND MAINTAINING EFFECTIVE FUNCTIONING OF MACHINES OR INSTALLATIONS; THERMAL INSULATION IN GENERAL
    • F16DCOUPLINGS FOR TRANSMITTING ROTATION; CLUTCHES; BRAKES
    • F16D2500/00External control of clutches by electric or electronic means
    • F16D2500/10System to be controlled
    • F16D2500/104Clutch
    • F16D2500/10443Clutch type
    • F16D2500/10462Dog-type clutch
    • FMECHANICAL ENGINEERING; LIGHTING; HEATING; WEAPONS; BLASTING
    • F16ENGINEERING ELEMENTS AND UNITS; GENERAL MEASURES FOR PRODUCING AND MAINTAINING EFFECTIVE FUNCTIONING OF MACHINES OR INSTALLATIONS; THERMAL INSULATION IN GENERAL
    • F16HGEARING
    • F16H2200/00Transmissions for multiple ratios
    • F16H2200/003Transmissions for multiple ratios characterised by the number of forward speeds
    • F16H2200/0034Transmissions for multiple ratios characterised by the number of forward speeds the gear ratios comprising two forward speeds
    • FMECHANICAL ENGINEERING; LIGHTING; HEATING; WEAPONS; BLASTING
    • F16ENGINEERING ELEMENTS AND UNITS; GENERAL MEASURES FOR PRODUCING AND MAINTAINING EFFECTIVE FUNCTIONING OF MACHINES OR INSTALLATIONS; THERMAL INSULATION IN GENERAL
    • F16HGEARING
    • F16H2200/00Transmissions for multiple ratios
    • F16H2200/20Transmissions using gears with orbital motion
    • F16H2200/2002Transmissions using gears with orbital motion characterised by the number of sets of orbital gears
    • F16H2200/2005Transmissions using gears with orbital motion characterised by the number of sets of orbital gears with one sets of orbital gears
    • FMECHANICAL ENGINEERING; LIGHTING; HEATING; WEAPONS; BLASTING
    • F16ENGINEERING ELEMENTS AND UNITS; GENERAL MEASURES FOR PRODUCING AND MAINTAINING EFFECTIVE FUNCTIONING OF MACHINES OR INSTALLATIONS; THERMAL INSULATION IN GENERAL
    • F16HGEARING
    • F16H2200/00Transmissions for multiple ratios
    • F16H2200/20Transmissions using gears with orbital motion
    • F16H2200/203Transmissions using gears with orbital motion characterised by the engaging friction means not of the freewheel type, e.g. friction clutches or brakes
    • F16H2200/2033Transmissions using gears with orbital motion characterised by the engaging friction means not of the freewheel type, e.g. friction clutches or brakes with one engaging means
    • FMECHANICAL ENGINEERING; LIGHTING; HEATING; WEAPONS; BLASTING
    • F16ENGINEERING ELEMENTS AND UNITS; GENERAL MEASURES FOR PRODUCING AND MAINTAINING EFFECTIVE FUNCTIONING OF MACHINES OR INSTALLATIONS; THERMAL INSULATION IN GENERAL
    • F16HGEARING
    • F16H2200/00Transmissions for multiple ratios
    • F16H2200/20Transmissions using gears with orbital motion
    • F16H2200/203Transmissions using gears with orbital motion characterised by the engaging friction means not of the freewheel type, e.g. friction clutches or brakes
    • F16H2200/2035Transmissions using gears with orbital motion characterised by the engaging friction means not of the freewheel type, e.g. friction clutches or brakes with two engaging means
    • FMECHANICAL ENGINEERING; LIGHTING; HEATING; WEAPONS; BLASTING
    • F16ENGINEERING ELEMENTS AND UNITS; GENERAL MEASURES FOR PRODUCING AND MAINTAINING EFFECTIVE FUNCTIONING OF MACHINES OR INSTALLATIONS; THERMAL INSULATION IN GENERAL
    • F16HGEARING
    • F16H2200/00Transmissions for multiple ratios
    • F16H2200/20Transmissions using gears with orbital motion
    • F16H2200/203Transmissions using gears with orbital motion characterised by the engaging friction means not of the freewheel type, e.g. friction clutches or brakes
    • F16H2200/2064Transmissions using gears with orbital motion characterised by the engaging friction means not of the freewheel type, e.g. friction clutches or brakes using at least one positive clutch, e.g. dog clutch
    • FMECHANICAL ENGINEERING; LIGHTING; HEATING; WEAPONS; BLASTING
    • F16ENGINEERING ELEMENTS AND UNITS; GENERAL MEASURES FOR PRODUCING AND MAINTAINING EFFECTIVE FUNCTIONING OF MACHINES OR INSTALLATIONS; THERMAL INSULATION IN GENERAL
    • F16HGEARING
    • F16H2200/00Transmissions for multiple ratios
    • F16H2200/20Transmissions using gears with orbital motion
    • F16H2200/2094Transmissions using gears with orbital motion using positive clutches, e.g. dog clutches

Landscapes

  • Engineering & Computer Science (AREA)
  • General Engineering & Computer Science (AREA)
  • Mechanical Engineering (AREA)
  • Structure Of Transmissions (AREA)
  • Mechanical Operated Clutches (AREA)

Abstract

본 발명은 3개의 회전요소를 구비한 유성기어장치; 상기 유성기어장치의 한 회전요소를 선택적으로 고정시킬 수 있도록 설치된 도그클러치; 상기 유성기어장치의 나머지 두 회전요소에 각각 연결된 입력축과 출력축; 상기 유성기어장치의 임의의 두 회전요소 사이의 마찰력을 연속적으로 가변시킬 수 있도록 설치된 마찰클러치; 상기 마찰클러치를 가압할 수 있는 직선변위를 형성하도록 설치된 직선액츄에이터; 상기 직선액츄에이터의 직선변위를 전달받아 상기 마찰클러치를 가압하여, 상기 마찰클러치의 마찰력을 증가시킬 수 있도록 설치된 푸쉬멤버; 상기 마찰클러치의 마찰력을 해제하는 방향으로 상기 푸쉬멤버를 탄성 지지하는 리턴스프링; 상기 푸쉬멤버가 상기 마찰클러치의 마찰력을 해제하는 방향으로 이동할 때, 상기 도그클러치를 체결시키는 방향으로 상기 도그클러치의 슬리브를 이동시키도록, 상기 슬리브와 푸쉬멤버 사이에 구비된 일방향연동구조; 상기 푸쉬멤버에 대해 상기 도그클러치를 해제시키는 방향으로 상기 슬리브를 탄성 지지하도록 설치된 해제스프링을 포함하여 구성된다.

Description

변속장치{SHIFTING DEVICE}
본 발명은 입력되는 회전 동력을 서로 다른 복수의 속도로 변속하여 출력할 수 있는 변속장치에 관한 기술이다.
차량에는 회전력을 발생시키는 동력원과 이 동력을 사용하는 구동륜 사이에 변속장치를 구비하여, 변화하는 차량의 구동 상황에 따라 상기 동력원의 동력을 적절히 변속하여 구동륜으로 제공할 수 있도록 함으로써, 한정된 동력원의 성능으로 가급적 넓은 범위의 차량 주행 성능을 확보할 수 있도록 한다.
상기와 같은 변속장치는 가급적 간단한 구성으로 원가 및 중량을 저감시킬 수 있도록 하는 것이 바람직하며, 작동에 소비되는 에너지를 최소화하는 것이 바람직하다.
상기 발명의 배경이 되는 기술로서 설명된 사항들은 본 발명의 배경에 대한 이해 증진을 위한 것일 뿐, 이 기술분야에서 통상의 지식을 가진 자에게 이미 알려진 종래기술에 해당함을 인정하는 것으로 받아들여져서는 안 될 것이다.
KR 1020160024077 A
본 발명은 간단한 구성으로 원가와 중량을 저감할 수 있도록 하며, 작동에 소비되는 에너지를 최소화할 수 있도록 하여, 궁극적으로 차량에 탑재되는 경우, 차량의 원가와 중량을 저감하고 연비를 향상시킬 수 있도록 하는 변속장치를 제공함에 그 목적이 있다.
상기한 바와 같은 목적을 달성하기 위한 본 발명 변속장치는,
3개의 회전요소를 구비한 유성기어장치;
상기 유성기어장치의 한 회전요소를 선택적으로 고정시킬 수 있도록 설치된 도그클러치;
상기 유성기어장치의 나머지 두 회전요소에 각각 연결된 입력축과 출력축;
상기 유성기어장치의 임의의 두 회전요소 사이의 마찰력을 연속적으로 가변시킬 수 있도록 설치된 마찰클러치;
상기 마찰클러치를 가압할 수 있는 직선변위를 형성하도록 설치된 직선액츄에이터;
상기 직선액츄에이터의 직선변위를 전달받아 상기 마찰클러치를 가압하여, 상기 마찰클러치의 마찰력을 증가시킬 수 있도록 설치된 푸쉬멤버;
상기 마찰클러치의 마찰력을 해제하는 방향으로 상기 푸쉬멤버를 탄성 지지하는 리턴스프링;
상기 푸쉬멤버가 상기 마찰클러치의 마찰력을 해제하는 방향으로 이동할 때, 상기 도그클러치를 체결시키는 방향으로 상기 도그클러치의 슬리브를 이동시키도록, 상기 슬리브와 푸쉬멤버 사이에 구비된 일방향연동구조;
상기 푸쉬멤버에 대해 상기 도그클러치를 해제시키는 방향으로 상기 슬리브를 탄성 지지하도록 설치된 해제스프링;
을 포함하여 구성된 것을 특징으로 한다.
상기 일방향연동구조는 상기 푸쉬멤버와 슬리브 사이의 상대적인 요철구조로 이루어질 수 있다.
상기 마찰클러치는 상기 도그클러치로 선택적으로 고정시킬 수 있는 상기 유성기어장치의 회전요소와, 상기 입력축이 연결된 회전요소 사이의 마찰력을 가변시킬 수 있도록 설치될 수 있다.
상기 직선액츄에이터는 유압에 의해 구동되는 피스톤으로 이루어지고;
상기 피스톤과 상기 푸쉬멤버 사이에는 상대회전을 허용하도록 베어링이 구비될 수 있다.
상기 유성기어장치는 더블피니언 유성기어장치로 이루어지고;
상기 입력축은 상기 유성기어장치의 캐리어에 연결되며;
상기 출력축은 상기 유성기어장치의 링기어에 연결되고;
상기 유성기어장치의 선기어는 상기 도그클러치에 의해 선택적으로 고정 가능하게 설치될 수 있다.
상기 마찰클러치는 상기 유성기어장치의 선기어와 캐리어 사이에 설치될 수 있다.
또한, 상기한 바와 같은 목적을 달성하기 위한 본 발명 변속장치용 복합클러치기구는,
유성기어장치의 한 회전요소를 선택적으로 고정시킬 수 있도록 구비된 도그클러치;
상기 유성기어장치의 다른 한 회전요소와 상기 도그클러치가 연결된 회전요소 사이에 마찰력을 형성할 수 있도록 설치된 마찰클러치;
상기 마찰클러치를 가압하는 방향으로 직선 이동할 때에는 상기 도그클러치의 슬리브와 상대운동 가능하고, 상기 마찰클러치에 가하는 압력을 해제하는 방향으로 직선 이동할 때에는 상기 슬리브와 연동하도록 설치된 푸쉬멤버;
상기 마찰클러치에 가하는 압력을 해제하는 방향으로 상기 푸쉬멤버를 탄성 지지하도록 설치된 리턴스프링;
상기 푸쉬멤버에 대해, 상기 도그클러치를 해제하는 방향으로, 상기 슬리브를 탄성 지지하는 해제스프링;
을 포함하여 구성된 것을 특징으로 한다.
상기 푸쉬멤버에는 상기 슬리브를 향해 돌출된 제1걸림돌기가 구비되고;
상기 슬리브에는 상기 제1걸림돌기에 걸려서 상기 슬리브가 상기 푸쉬멤버와 함께 연동되도록 하는 제2걸림돌기가 구비될 수 있다.
상기 푸쉬멤버는 직선 이동하는 피스톤이 제공하는 압력을 베어링을 통해 전달받아 상기 마찰클러치에 전달하도록 설치될 수 있다.
상기 도그클러치는
상기 유성기어장치의 회전요소에 일체로 형성된 허브기어와;
고정된 클러치기어와;
상기 허브기어의 외측에 치합된 상태로 직선 슬라이딩하여, 상기 클러치기어에 치합될 수 있도록 설치된 상기 슬리브;
로 이루어질 수 있다.
본 발명은 간단한 구성으로 변속장치의 원가와 중량을 저감할 수 있도록 하며, 변속장치의 작동에 소비되는 에너지를 최소화할 수 있도록 하여, 궁극적으로 차량에 탑재되는 경우, 차량의 원가와 중량을 저감하고 연비를 향상시킬 수 있도록 한다.
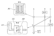
도 1은 본 발명에 따른 변속장치의 실시예를 도시한 것으로서, 1단을 구현하는 상태를 도시한 도면,
도 2는 도 1의 변속장치가 2단으로 변속하는 과정을 설명한 도면,
도 3은 도 1의 변속장치가 2단을 구현하는 상태를 도시한 도면,
도 4 내지 도 7은 도 1의 변속장치가 1단에서 2단으로 변속하는 과정을 차례로 도시한 것으로서, 마찰클러치와 도그클러치의 상태를 유성기어장치의 레버선도와 함께 설명한 도면이다.
본 명세서 또는 출원에 개시되어 있는 본 발명의 실시 예들에 대해서 특정한 구조적 내지 기능적 설명들은 단지 본 발명에 따른 실시 예를 설명하기 위한 목적으로 예시된 것으로, 본 발명에 따른 실시 예들은 다양한 형태로 실시될 수 있으며 본 명세서 또는 출원에 설명된 실시 예들에 한정되는 것으로 해석되어서는 아니 된다.
본 발명에 따른 실시 예는 다양한 변경을 가할 수 있고 여러가지 형태를 가질 수 있으므로 특정실시 예들을 도면에 예시하고 본 명세서 또는 출원에 상세하게 설명하고자 한다. 그러나, 이는 본 발명의 개념에 따른 실시 예를 특정한 개시 형태에 대해 한정하려는 것이 아니며, 본 발명의 사상 및 기술 범위에 포함되는 모든 변경, 균등물 내지 대체물을 포함하는 것으로 이해되어야 한다.
제1 및/또는 제2 등의 용어는 다양한 구성 요소들을 설명하는데 사용될 수 있지만, 상기 구성 요소들은 상기 용어들에 의해 한정되어서는 안된다. 상기 용어들은 하나의 구성 요소를 다른 구성 요소로부터 구별하는 목적으로만, 예컨대 본 발명의 개념에 따른 권리 범위로부터 이탈되지 않은 채, 제1 구성요소는 제2 구성요소로 명명될 수 있고, 유사하게 제2 구성요소는 제1 구성요소로도 명명될 수 있다.
어떤 구성요소가 다른 구성요소에 "연결되어" 있다거나 "접속되어" 있다고 언급된 때에는, 그 다른 구성요소에 직접적으로 연결되어 있거나 또는 접속되어 있을 수도 있지만, 중간에 다른 구성요소가 존재할 수도 있다고 이해되어야 할 것이다. 반면에, 어떤 구성요소가 다른 구성요소에 "직접 연결되어" 있다거나 "직접 접속되어" 있다고 언급된 때에는, 중간에 다른 구성요소가 존재하지 않는 것으로 이해되어야 할 것이다. 구성요소들 간의 관계를 설명하는 다른 표현들, 즉 "~사이에"와 "바로 ~사이에" 또는 "~에 이웃하는"과 "~에 직접 이웃하는" 등도 마찬가지로 해석되어야 한다.
본 명세서에서 사용한 용어는 단지 특정한 실시 예를 설명하기 위해 사용된 것으로, 본 발명을 한정하려는 의도가 아니다. 단수의 표현은 문맥상 명백하게 다르게 뜻하지 않는 한, 복수의 표현을 포함한다. 본 명세서에서, "포함하다" 또는 "가지다" 등의 용어는 설시된 특징, 숫자, 단계, 동작, 구성요소, 부분품 또는 이들을 조합한 것이 존재함을 지정하려는 것이지, 하나 또는 그 이상의 다른 특징들이나 숫자, 단계, 동작, 구성요소, 부분품 또는 이들을 조합한 것들의 존재 또는 부가가능성을 미리 배제하지 않는 것으로 이해되어야 한다.
다르게 정의되지 않는 한, 기술적이거나 과학적인 용어를 포함해서 여기서 사용되는 모든 용어들은 본 발명이 속하는 기술 분야에서 통상의 지식을 가진 자에 의해 일반적으로 이해되는 것과 동일한 의미이다. 일반적으로 사용되는 사전에 정의되어 있는 것과 같은 용어들은 관련 기술의 문맥상 가지는 의미와 일치하는 의미인 것으로 해석되어야 하며, 본 명세서에서 명백하게 정의하지 않는 한, 이상적이거나 과도하게 형식적인 의미로 해석되지 않는다.
이하, 첨부한 도면을 참조하여 본 발명의 바람직한 실시 예를 설명함으로써, 본 발명을 상세히 설명한다. 각 도면에 제시된 동일한 참조부호는 동일한 부재를 나타낸다.
도 1 내지 도 7을 참조하면, 본 발명 변속장치의 실시예는, 3개의 회전요소를 구비한 유성기어장치(PG); 상기 유성기어장치(PG)의 한 회전요소를 선택적으로 고정시킬 수 있도록 설치된 도그클러치(DC); 상기 유성기어장치(PG)의 나머지 두 회전요소에 각각 연결된 입력축(IN)과 출력축(OUT); 상기 유성기어장치(PG)의 임의의 두 회전요소 사이의 마찰력을 연속적으로 가변시킬 수 있도록 설치된 마찰클러치(FC); 상기 마찰클러치(FC)를 가압할 수 있는 직선변위를 형성하도록 설치된 직선액츄에이터; 상기 직선액츄에이터의 직선변위를 전달받아 상기 마찰클러치(FC)를 가압하여, 상기 마찰클러치(FC)의 마찰력을 증가시킬 수 있도록 설치된 푸쉬멤버(PM); 상기 마찰클러치(FC)의 마찰력을 해제하는 방향으로 상기 푸쉬멤버(PM)를 탄성 지지하는 리턴스프링(TS); 상기 푸쉬멤버(PM)가 상기 마찰클러치(FC)의 마찰력을 해제하는 방향으로 이동할 때, 상기 도그클러치(DC)를 체결시키는 방향으로 상기 도그클러치(DC)의 슬리브(SB)를 이동시키도록, 상기 슬리브(SB)와 푸쉬멤버(PM) 사이에 구비된 일방향연동구조; 상기 푸쉬멤버(PM)에 대해 상기 도그클러치(DC)를 해제시키는 방향으로 상기 슬리브(SB)를 탄성 지지하도록 설치된 해제스프링(RS)을 포함하여 구성된다.
즉, 본 발명 변속장치의 실시예는 상기 입력축(IN)을 통해 상기 유성기어장치(PG)로 입력된 동력이 상기 도그클러치(DC)와 마찰클러치(FC)의 작동상태에 따라 1속 또는 2속으로 변속되어 상기 출력축(OUT)을 통해 인출되도록 구성된 것이다.
도 1은 상기 도그클러치(DC)는 체결되고 상기 마찰클러치(FC)는 해제된 상태로서, 상기 입력축(IN)으로 입력된 동력이 상기 유성기어장치(PG)에서 감속되어 상기 출력축(OUT)으로 인출되는 1속 상태를 도시한 것이고, 도 2는 2속으로의 변속과정을 도시한 것으로서, 상기 마찰클러치(FC)는 체결되면서, 상기 도그클러치(DC)는 해제되는 과정을 설명하고 있으며, 도 3은 2속으로의 변속이 완료된 상태로서, 상기 마찰클러치(FC)는 완전히 체결되고, 상기 도그클러치(DC)가 완전히 해제되어, 상기 유성기어장치(PG)로 입력된 동력은 감속되지 않고 그대로 출력축(OUT)으로 인출되면서 2속 상태를 형성하는 것이다.
본 실시예에서, 상기 직선액츄에이터는 유압에 의해 구동되는 피스톤(PN)으로 이루어지고; 상기 피스톤(PN)과 상기 푸쉬멤버(PM) 사이에는 상대회전을 허용하도록 베어링(BR)이 구비된 구성이다.
물론, 상기 직선액츄에이터는 상기 유압에 의해 작동되는 피스톤(PN) 이외에 전기 모터로 직선 변위를 생성하도록 하는 구성도 가능할 것이다.
본 실시예에서, 상기 일방향연동구조는 상기 푸쉬멤버(PM)와 슬리브(SB) 사이의 상대적인 요철구조로 이루어진다.
즉, 상기 푸쉬멤버(PM)에는 상기 슬리브(SB)를 향해 돌출된 제1걸림돌기(P1)가 구비되고; 상기 슬리브(SB)에는 상기 제1걸림돌기(P1)에 걸려서 상기 슬리브(SB)가 상기 푸쉬멤버(PM)와 함께 연동되도록 하는 제2걸림돌기(P2)가 구비되도록 하여, 상기 제1걸림돌기(P1)와 상기 제2걸림돌기(P2)에 의해, 상기 푸쉬멤버(PM)와 슬리브(SB) 사이에 상대적인 요철구조가 형성되도록 한 것이다.
따라서, 도 1 내지 도 3에서 상기 푸쉬멤버(PM)가 우측으로 이동할 때에는 상기 제1걸림돌기(P1)가 상기 제2걸림돌기(P2)와 만나지 않아서, 상기 푸쉬멤버(PM)가 상기 슬리브(SB)에 대해 상대운동이 가능하여, 상기 슬리브(SB)가 우측으로 함께 이동하지 못하여도 우측으로 이동하면서, 상기 마찰클러치(FC)를 가압할 수 있으며, 좌측으로 이동할 때에는 상기 제1걸림돌기(P1)가 상기 제2걸림돌기(P2)와 만나서 함께 이동하면서, 상기 슬리브(SB)가 도그클러치(DC)를 결합시키도록 구성된 것이다.
물론, 상기 일방향연동구조를 형성하는 요철구조는 이외에도, 상기 푸쉬멤버(PM)나 슬리브(SB) 중 어느 일측에만 상대를 향하여 돌출되는 돌기를 만들고 타측은 이 돌기가 삽입되는 홈을 만드는 방식으로도 구현할 수 있을 것이다.
본 실시예에서, 상기 마찰클러치(FC)는 상기 도그클러치(DC)로 선택적으로 고정시킬 수 있는 상기 유성기어장치(PG)의 회전요소와, 상기 입력축(IN)이 연결된 회전요소 사이의 마찰력을 가변시킬 수 있도록 설치된다.
즉, 도 1의 본 실시예에서, 상기 유성기어장치(PG)는 더블피니언 유성기어장치로 이루어지고; 상기 입력축(IN)은 상기 유성기어장치(PG)의 캐리어(C)에 연결되며; 상기 출력축(OUT)은 상기 유성기어장치(PG)의 링기어(R)에 연결되고; 상기 유성기어장치(PG)의 선기어(S)는 상기 도그클러치(DC)에 의해 선택적으로 고정 가능하게 설치된 구성이며, 상기 마찰클러치(FC)는 상기 유성기어장치(PG)의 선기어(S)와 캐리어(C) 사이에 설치된 것이다.
여기서, 상기 변속장치 중, 상기 유성기어장치(PG)를 제외한 나머지 구성은 복합적으로 구성된 클러치기구로 볼 수 있는 바, 본 발명의 복합클러치기구는 유성기어장치(PG)의 한 회전요소를 선택적으로 고정시킬 수 있도록 구비된 도그클러치(DC); 상기 유성기어장치(PG)의 다른 한 회전요소와 상기 도그클러치(DC)가 연결된 회전요소 사이에 마찰력을 형성할 수 있도록 설치된 마찰클러치(FC); 상기 마찰클러치(FC)를 가압하는 방향으로 직선 이동할 때에는 상기 도그클러치(DC)의 슬리브(SB)와 상대운동 가능하고, 상기 마찰클러치(FC)에 가하는 압력을 해제하는 방향으로 직선 이동할 때에는 상기 슬리브(SB)와 연동하도록 설치된 푸쉬멤버(PM); 상기 마찰클러치(FC)에 가하는 압력을 해제하는 방향으로 상기 푸쉬멤버(PM)를 탄성 지지하도록 설치된 리턴스프링(TS); 상기 푸쉬멤버(PM)에 대해, 상기 도그클러치(DC)를 해제하는 방향으로, 상기 슬리브(SB)를 탄성 지지하는 해제스프링(RS)을 포함하여 구성된다.
상기 푸쉬멤버(PM)에는 상기 슬리브(SB)를 향해 돌출된 제1걸림돌기(P1)가 구비되고; 상기 슬리브(SB)에는 상기 제1걸림돌기(P1)에 걸려서 상기 슬리브(SB)가 상기 푸쉬멤버(PM)와 함께 연동되도록 하는 제2걸림돌기(P2)가 구비된 구성이다.
상기 푸쉬멤버(PM)는 직선 이동하는 피스톤(PN)이 제공하는 압력을 베어링(BR)을 통해 전달받아 상기 마찰클러치(FC)에 전달하도록 설치된다.
상기 도그클러치(DC)는, 상기 유성기어장치(PG)의 회전요소에 일체로 형성된 허브기어(HG)와; 고정된 클러치기어(CG)와; 상기 허브기어(HG)의 외측에 치합된 상태로 직선 슬라이딩하여, 상기 클러치기어(CG)에 치합될 수 있도록 설치된 상기 슬리브(SB)로 이루어진다.
즉, 상기 클러치기어(CG)는 변속기 케이스(CS) 등에 고정된 것으로서, 상기 슬리브(SB)가 상기 허브기어(HG)와 클러치기어(CG)에 모두 치합된 상태를 형성하면, 상기 허브기어(HG)가 구비된 회전요소는 고정된 상태가 되는 것이다.
상기한 바와 같이 구성된 복합클러치기구를 구비한 본 발명의 변속장치가 1속에서 2속으로 변속하는 과정을 도 1 내지 도 7을 참조하여 살펴본다.
도 1은 1속 상태로서, 상술한 바와 같이 상기 도그클러치(DC)는 체결되고 상기 마찰클러치(FC)는 해제된 상태이다.
상기 도그클러치(DC)는 별도의 소모 에너지 없이 상기 유성기어장치(PG)의 선기어(S)를 계속해서 고정된 상태로 유지하므로, 본 발명의 변속장치는 1속을 유지하기 위해서 별도로 소비하는 에너지 없이 1속 상태를 안정적으로 유지되게 된다.
따라서, 변속장치의 작동에 소비되는 에너지를 저감시킬 수 있는 것이다.
2속으로의 변속을 위해, 상기 직선액츄에이터인 피스톤(PN)을 상기 마찰클러치(FC)를 향해 이동시켜서 직선 변위를 형성하면, 상기 푸쉬멤버(PM)가 상기 직선 변위를 전달받아 이동하면서 상기 마찰클러치(FC)를 가압하여, 상기 유성기어장치(PG)의 캐리어(C)와 선기어(S) 사이의 마찰력이 증가하면서 종국에는 서로 동일한 속도로 동기되면서, 상기 유성기어장치(PG)의 모든 회전요소가 동일한 속도로 회전하여, 2속을 출력하는 상태가 된다.
이때, 상기 도그클러치(DC)는 해제되어야 상기 선기어(S)가 나머지 회전요소들과 함께 회전하여 상기 2속을 형성하는데, 상기 도그클러치(DC)의 해제는 상기 푸쉬멤버(PM)가 상기 마찰클러치(FC)의 마찰력을 증가시키는 방향으로 이동함에 따라 저절로 이루어지게 된다.
즉, 상기 푸쉬멤버(PM)를 상기 마찰클러치(FC)의 마찰력을 증가시키는 방향으로 이동시키면, 초기에는 도 2에 도시된 바와 같이 상기 푸쉬멤버(PM)만 이동되고 상기 슬리브(SB)는 이동하지 않는다.
이는 상기 도그클러치(DC)의 슬리브(SB)와 클러치기어(CG) 사이에 토크가 작용하고 있어서, 슬리브(SB)가 상기 클러치기어(CG)로부터 쉽게 이탈하지 못하기 때문이다.
즉, 도 4와 같은 1속 상태에서는 상기 캐리어(C)로 입력되는 입력토크에 대한 반력토크를 상기 선기어(S)가 제공해야 하며, 이 반력토크는 상기 클러치기어(CG)와 슬리브(SB) 사이에 작용하여, 상기 슬리브(SB)와 클러치기어(CG) 사이에 마찰력을 형성하며, 상기 푸쉬멤버(PM)가 이동하여 도 5와 같이 마찰클러치(FC)가 마찰력을 발생시키기 시작해도, 초기에는 상기 슬리브(SB)기어와 클러치기어(CG) 사이의 마찰력이, 상기 해제스프링(RS)의 탄성력보다 커서 상기 슬리브(SB)가 해제되지 못하는 것이다.
이후, 상기 푸쉬멤버(PM)가 마찰클러치(FC)를 더욱 가압하여, 상기 마찰클러치(FC)의 마찰력이 더 증가하면, 도 6과 같이 상기 선기어(S)의 반력토크는 사라지고, 상기 선기어(S)가 다른 회전요소들과 같은 방향으로 회전하려고 하면서, 상기 슬리브(SB)와 클러치기어(CG) 사이의 마찰력이 0가 되는 순간이 도래하고, 이때 상기 슬리브(SB)는 상기 해제스프링(RS)의 탄성력에 의해 이동하여 상기 도그클러치(DC)가 해제되도록 하여, 도 7과 같은 상태가 되는 것이다.
즉, 상기 마찰클러치(FC)의 체결과 상기 도그클러치(DC)의 해제가 상기 직선액츄에이터 하나의 직선 변위만으로 이루어지게 되는 것이다.
따라서, 본 발명은 상기와 같이 간단한 구성으로 변속장치의 원가와 중량을 저감할 수 있는 것이다.
물론, 2속에서 1속으로의 변속은 상기 피스톤(PN)에 가하던 유압을 해제시키면, 상기 푸쉬멤버(PM)가 상기 리턴스프링(TS)에 의해 도면상 좌측으로 이동하면서, 상기 마찰클러치(FC)의 마찰력이 해제되고, 상기 슬리브(SB)가 상기 제1걸림돌기(P1)와 제2걸림돌기(P2)에 의해 상기 푸쉬멤버(PM)와 함께 이동되면서, 상기 클러치기어(CG)에 결합됨에 의해 상기 도그클러치(DC)가 체결되면서 이루어지게 된다.
본 발명은 특정한 실시예에 관련하여 도시하고 설명하였지만, 이하의 특허청구범위에 의해 제공되는 본 발명의 기술적 사상을 벗어나지 않는 한도 내에서, 본 발명이 다양하게 개량 및 변화될 수 있다는 것은 당업계에서 통상의 지식을 가진 자에게 있어서 자명할 것이다.
PG; 유성기어장치
DC; 도그클러치
IN; 입력축
OUT; 출력축
FC; 마찰클러치
PM; 푸쉬멤버
SB; 슬리브
TS; 리턴스프링
RS; 해제스프링
PN; 피스톤
BR; 베어링
P1; 제1걸림돌기
P2; 제2걸림돌기
C; 캐리어
R; 링기어
S; 선기어
HG; 허브기어
CG; 클러치기어

Claims (10)

  1. 3개의 회전요소를 구비한 유성기어장치;
    상기 유성기어장치의 한 회전요소를 선택적으로 고정시킬 수 있도록 설치된 도그클러치;
    상기 유성기어장치의 나머지 두 회전요소에 각각 연결된 입력축과 출력축;
    상기 유성기어장치의 임의의 두 회전요소 사이의 마찰력을 연속적으로 가변시킬 수 있도록 설치된 마찰클러치;
    상기 마찰클러치를 가압할 수 있는 직선변위를 형성하도록 설치된 직선액츄에이터;
    상기 직선액츄에이터의 직선변위를 전달받아 상기 마찰클러치를 가압하여, 상기 마찰클러치의 마찰력을 증가시킬 수 있도록 설치된 푸쉬멤버;
    상기 마찰클러치의 마찰력을 해제하는 방향으로 상기 푸쉬멤버를 탄성 지지하는 리턴스프링;
    상기 푸쉬멤버가 상기 마찰클러치의 마찰력을 해제하는 방향으로 이동할 때, 상기 도그클러치를 체결시키는 방향으로 상기 도그클러치의 슬리브를 이동시키도록, 상기 슬리브와 푸쉬멤버 사이에 구비된 일방향연동구조;
    상기 푸쉬멤버에 대해 상기 도그클러치를 해제시키는 방향으로 상기 슬리브를 탄성 지지하도록 설치된 해제스프링;
    을 포함하여 구성된 것을 특징으로 하는 변속장치.
  2. 청구항 1에 있어서,
    상기 일방향연동구조는 상기 푸쉬멤버와 슬리브 사이의 상대적인 요철구조로 이루어진 것
    을 특징으로 하는 변속장치.
  3. 청구항 1에 있어서,
    상기 마찰클러치는 상기 도그클러치로 선택적으로 고정시킬 수 있는 상기 유성기어장치의 회전요소와, 상기 입력축이 연결된 회전요소 사이의 마찰력을 가변시킬 수 있도록 설치된 것
    을 특징으로 하는 변속장치.
  4. 청구항 1에 있어서,
    상기 직선액츄에이터는 유압에 의해 구동되는 피스톤으로 이루어지고;
    상기 피스톤과 상기 푸쉬멤버 사이에는 상대회전을 허용하도록 베어링이 구비된 것
    을 특징으로 하는 변속장치.
  5. 청구항 1에 있어서,
    상기 유성기어장치는 더블피니언 유성기어장치로 이루어지고;
    상기 입력축은 상기 유성기어장치의 캐리어에 연결되며;
    상기 출력축은 상기 유성기어장치의 링기어에 연결되고;
    상기 유성기어장치의 선기어는 상기 도그클러치에 의해 선택적으로 고정 가능하게 설치된 것
    을 특징으로 하는 변속장치.
  6. 청구항 5에 있어서,
    상기 마찰클러치는 상기 유성기어장치의 선기어와 캐리어 사이에 설치된 것
    을 특징으로 하는 변속장치.
  7. 유성기어장치의 한 회전요소를 선택적으로 고정시킬 수 있도록 구비된 도그클러치;
    상기 유성기어장치의 다른 한 회전요소와 상기 도그클러치가 연결된 회전요소 사이에 마찰력을 형성할 수 있도록 설치된 마찰클러치;
    상기 마찰클러치를 가압하는 방향으로 직선 이동할 때에는 상기 도그클러치의 슬리브와 상대운동 가능하고, 상기 마찰클러치에 가하는 압력을 해제하는 방향으로 직선 이동할 때에는 상기 슬리브와 연동하도록 설치된 푸쉬멤버;
    상기 마찰클러치에 가하는 압력을 해제하는 방향으로 상기 푸쉬멤버를 탄성 지지하도록 설치된 리턴스프링;
    상기 푸쉬멤버에 대해, 상기 도그클러치를 해제하는 방향으로, 상기 슬리브를 탄성 지지하는 해제스프링;
    을 포함하여 구성된 것을 특징으로 하는 변속장치용 복합클러치기구.
  8. 청구항 7에 있어서,
    상기 푸쉬멤버에는 상기 슬리브를 향해 돌출된 제1걸림돌기가 구비되고;
    상기 슬리브에는 상기 제1걸림돌기에 걸려서 상기 슬리브가 상기 푸쉬멤버와 함께 연동되도록 하는 제2걸림돌기가 구비된 것
    을 특징으로 하는 변속장치용 복합클러치기구.
  9. 청구항 7에 있어서,
    상기 푸쉬멤버는 직선 이동하는 피스톤이 제공하는 압력을 베어링을 통해 전달받아 상기 마찰클러치에 전달하도록 설치된 것
    을 특징으로 하는 변속장치용 복합클러치기구.
  10. 청구항 7에 있어서,
    상기 도그클러치는
    상기 유성기어장치의 회전요소에 일체로 형성된 허브기어와;
    고정된 클러치기어와;
    상기 허브기어의 외측에 치합된 상태로 직선 슬라이딩하여, 상기 클러치기어에 치합될 수 있도록 설치된 상기 슬리브;
    로 이루어진 것을 특징으로 하는 변속장치용 복합클러치기구.

KR1020210052482A 2021-04-22 2021-04-22 변속장치 Withdrawn KR20220145651A (ko)

Priority Applications (2)

Application Number Priority Date Filing Date Title
KR1020210052482A KR20220145651A (ko) 2021-04-22 2021-04-22 변속장치
US17/476,263 US11448290B1 (en) 2021-04-22 2021-09-15 Transmission

Applications Claiming Priority (1)

Application Number Priority Date Filing Date Title
KR1020210052482A KR20220145651A (ko) 2021-04-22 2021-04-22 변속장치

Publications (1)

Publication Number Publication Date
KR20220145651A true KR20220145651A (ko) 2022-10-31

Family

ID=83286358

Family Applications (1)

Application Number Title Priority Date Filing Date
KR1020210052482A Withdrawn KR20220145651A (ko) 2021-04-22 2021-04-22 변속장치

Country Status (2)

Country Link
US (1) US11448290B1 (ko)
KR (1) KR20220145651A (ko)

Citations (1)

* Cited by examiner, † Cited by third party
Publication number Priority date Publication date Assignee Title
KR20160024077A (ko) 2014-08-22 2016-03-04 현대자동차주식회사 전기차 변속기

Family Cites Families (4)

* Cited by examiner, † Cited by third party
Publication number Priority date Publication date Assignee Title
US5518465A (en) * 1994-11-14 1996-05-21 Hiraiwa; Kazuyoshi Planetary geartrain
DE10244523B4 (de) * 2002-09-25 2014-07-03 Zf Friedrichshafen Ag Getriebe und Verfahren zum Steuern eines Getriebes mit wenigstens einem Schaltelement
US9222549B2 (en) * 2012-04-04 2015-12-29 Gm Global Technology Operations, Llc Multi-speed transmission
JP2014113999A (ja) * 2012-04-05 2014-06-26 Fine Mec:Kk 自動車用駆動装置とその制御方法

Patent Citations (1)

* Cited by examiner, † Cited by third party
Publication number Priority date Publication date Assignee Title
KR20160024077A (ko) 2014-08-22 2016-03-04 현대자동차주식회사 전기차 변속기

Also Published As

Publication number Publication date
US11448290B1 (en) 2022-09-20

Similar Documents

Publication Publication Date Title
EP2814684B1 (en) Hybrid dual configuration transmission
EP2738421B1 (en) Transmission and electric vehicle comprising same
JP5465614B2 (ja) 車両用モータ駆動装置および自動車
CN101678751A (zh) 动力传递装置
WO2002040900A3 (en) Transmission devices, for ground vehicles and more particularly for motors-cars
WO2011037023A1 (ja) 車両用電動モータ駆動装置
CN113561757B (zh) 单电机单行星排多挡混合动力变速箱以及混合动力车辆
JP2008196697A (ja) 遊星歯車装置
CN104061289A (zh) 自动变速器
CN108443434B (zh) 电动汽车变速器用单作动器换挡执行机构及变速器
CN106286726A (zh) 一种行星齿轮式副变速器
JP5474456B2 (ja) 車両用モータ駆動装置および自動車
US20050155826A1 (en) Friction engaging device
JP2010002028A (ja) 多段変速遊星歯車列の摩擦要素
CN109826947B (zh) 变速装置、换挡控制方法、电动车驱动系以及电动车
JP2011169374A (ja) クラッチ機構
KR20220145651A (ko) 변속장치
KR101836508B1 (ko) 자동화 수동변속기
US8821337B2 (en) Clutch assembly
JP3814870B2 (ja) 車両用動力伝達装置の油圧サーボ装置
CN110578776A (zh) 一种单排轮系联动换挡变速器
KR20230100291A (ko) 차량의 하이브리드 파워트레인
CN210461555U (zh) 变速器及模型车
JP2009051262A (ja) 動力出力装置
KR102775834B1 (ko) 전기차용 2단 변속기

Legal Events

Date Code Title Description
PA0109 Patent application

St.27 status event code: A-0-1-A10-A12-nap-PA0109

PG1501 Laying open of application

St.27 status event code: A-1-1-Q10-Q12-nap-PG1501

PC1203 Withdrawal of no request for examination

St.27 status event code: N-1-6-B10-B12-nap-PC1203