KR20180098494A - Device for protecting the short-circuit of the motor for vehicle - Google Patents

Device for protecting the short-circuit of the motor for vehicle Download PDF

Info

Publication number
KR20180098494A
KR20180098494A KR1020180097659A KR20180097659A KR20180098494A KR 20180098494 A KR20180098494 A KR 20180098494A KR 1020180097659 A KR1020180097659 A KR 1020180097659A KR 20180097659 A KR20180097659 A KR 20180097659A KR 20180098494 A KR20180098494 A KR 20180098494A
Authority
KR
South Korea
Prior art keywords
short
switch
circuit
motor
unit
Prior art date
Legal status (The legal status is an assumption and is not a legal conclusion. Google has not performed a legal analysis and makes no representation as to the accuracy of the status listed.)
Granted
Application number
KR1020180097659A
Other languages
Korean (ko)
Other versions
KR101909068B1 (en
Inventor
이경철
Original Assignee
주식회사 경신
Priority date (The priority date is an assumption and is not a legal conclusion. Google has not performed a legal analysis and makes no representation as to the accuracy of the date listed.)
Filing date
Publication date
Application filed by 주식회사 경신 filed Critical 주식회사 경신
Priority to KR1020180097659A priority Critical patent/KR101909068B1/en
Publication of KR20180098494A publication Critical patent/KR20180098494A/en
Application granted granted Critical
Publication of KR101909068B1 publication Critical patent/KR101909068B1/en
Expired - Fee Related legal-status Critical Current
Anticipated expiration legal-status Critical

Links

Images

Classifications

    • HELECTRICITY
    • H02GENERATION; CONVERSION OR DISTRIBUTION OF ELECTRIC POWER
    • H02HEMERGENCY PROTECTIVE CIRCUIT ARRANGEMENTS
    • H02H7/00Emergency protective circuit arrangements specially adapted for specific types of electric machines or apparatus or for sectionalised protection of cable or line systems, and effecting automatic switching in the event of an undesired change from normal working conditions
    • H02H7/08Emergency protective circuit arrangements specially adapted for specific types of electric machines or apparatus or for sectionalised protection of cable or line systems, and effecting automatic switching in the event of an undesired change from normal working conditions for dynamo-electric motors
    • GPHYSICS
    • G01MEASURING; TESTING
    • G01RMEASURING ELECTRIC VARIABLES; MEASURING MAGNETIC VARIABLES
    • G01R1/00Details of instruments or arrangements of the types included in groups G01R5/00 - G01R13/00 and G01R31/00
    • G01R1/20Modifications of basic electric elements for use in electric measuring instruments; Structural combinations of such elements with such instruments
    • G01R1/203Resistors used for electric measuring, e.g. decade resistors standards, resistors for comparators, series resistors, shunts
    • GPHYSICS
    • G01MEASURING; TESTING
    • G01RMEASURING ELECTRIC VARIABLES; MEASURING MAGNETIC VARIABLES
    • G01R15/00Details of measuring arrangements of the types provided for in groups G01R17/00 - G01R29/00, G01R33/00 - G01R33/26 or G01R35/00
    • G01R15/14Adaptations providing voltage or current isolation, e.g. for high-voltage or high-current networks
    • G01R15/146Measuring arrangements for current not covered by other subgroups of G01R15/14, e.g. using current dividers, shunts, or measuring a voltage drop
    • G01R31/025
    • GPHYSICS
    • G01MEASURING; TESTING
    • G01RMEASURING ELECTRIC VARIABLES; MEASURING MAGNETIC VARIABLES
    • G01R31/00Arrangements for testing electric properties; Arrangements for locating electric faults; Arrangements for electrical testing characterised by what is being tested not provided for elsewhere
    • G01R31/34Testing dynamo-electric machines
    • G01R31/343Testing dynamo-electric machines in operation
    • GPHYSICS
    • G01MEASURING; TESTING
    • G01RMEASURING ELECTRIC VARIABLES; MEASURING MAGNETIC VARIABLES
    • G01R31/00Arrangements for testing electric properties; Arrangements for locating electric faults; Arrangements for electrical testing characterised by what is being tested not provided for elsewhere
    • G01R31/50Testing of electric apparatus, lines, cables or components for short-circuits, continuity, leakage current or incorrect line connections

Landscapes

  • Physics & Mathematics (AREA)
  • General Physics & Mathematics (AREA)
  • Emergency Protection Circuit Devices (AREA)
  • Control Of Electric Motors In General (AREA)
  • Control Of Ac Motors In General (AREA)

Abstract

Disclosed is a short-circuit protection device of a motor for a vehicle which actively blocks power of a motor load in a short circuit of a motor. According to the present invention, the short-circuit protection device of a motor for a vehicle comprises: a motor driving unit for driving a motor under the control of a microcomputer; a short-circuit sensing unit for sensing an overcurrent flowing in the motor driving unit; and a short-circuit prevention switching unit connected to the motor driving unit and the short-circuit sensing unit to operate according to a feedback voltage applied to the short-circuit sensing unit so as to cut off power of the motor driving unit.

Description

차량용 모터의 단락 보호 장치{DEVICE FOR PROTECTING THE SHORT-CIRCUIT OF THE MOTOR FOR VEHICLE}BACKGROUND OF THE INVENTION 1. Field of the Invention [0001] The present invention relates to a short-

본 발명은 차량용 모터의 단락 보호 장치에 관한 것으로서, 보다 상세하게는 모터의 단락 감지 시, 모터 부하의 전원을 능동적으로 차단하는 차량용 모터의 단락 보호 장치에 관한 것이다.BACKGROUND OF THE INVENTION 1. Field of the Invention [0002] The present invention relates to a short-circuit protection device for a motor vehicle, and more particularly, to a short-circuit protection device for a motor vehicle that actively disconnects a power supply of a motor load when a short circuit of the motor is detected.

일반적으로 다양한 장치의 구동원으로서 모터가 이용되고 있다. 특히, 차량의 동작에 필요한 구동력을 제공하기 위해서도 모터가 이용되고 있다.Generally, a motor is used as a driving source of various apparatuses. In particular, a motor is also used to provide the driving force necessary for the operation of the vehicle.

모터는 회전 구동을 제어하기 위한 복수의 스위칭 소자를 구비한 제어회로를 구비하여, 마이크로 컨트롤러 유닛(MCU; Micro Controller Unit; 이하, '마이컴'이라 함)에서 제어하는 대로 회전력을 변경하여 자동차에 필요한 동력을 제공하게 된다.The motor is provided with a control circuit having a plurality of switching elements for controlling the rotation drive so that the rotation force is changed as controlled by a microcontroller unit (MCU) Power.

즉, 모터는 복수의 상의 코일을 갖는 대략 원통형상의 고정자와, 복수의 자석을 가지며 고정자에 대하여 회전 가능하게 구성된 회전자를 구비하고, 일반적인 모터의 제어회로는 스위칭 소자의 스위칭 동작에 따라 고정자의 복수의 상의 코일에 순서대로 통전하여 고정자 내에 회전자계를 형성함으로써, 자석을 구비한 회전자를 회전 구동 시킨다.That is, the motor includes a substantially cylindrical stator having a plurality of phase coils, a rotor having a plurality of magnets and configured to be rotatable relative to the stator, and a control circuit of a general motor includes a plurality of stator And a rotor system is formed in the stator, whereby the rotor having the magnet is driven to rotate.

한편, 모터는 구동 중 내부, 외부 또는 구속 영향 등으로 인하여 과전류가 흐를 수 있는데, 이러한 과전류로 인해 부품이 소손될 수 있는 문제가 있다. 따라서, 모터의 제어회로를 보호하기 위해 제어회로에 흐르는 전류량을 감지하는 기능이 필수적이다.On the other hand, an overcurrent may flow through the motor due to internal, external, or constraint influences during driving, and there is a problem that parts may be burned due to such an overcurrent. Therefore, in order to protect the control circuit of the motor, it is necessary to detect the amount of current flowing in the control circuit.

이에, 종래에는 모터의 과전류를 정확히 검출하여 부품의 소손을 방지하기 위하여 션트 저항 등을 이용한 과전류 검출 장치를 통해 과전류를 검출하였다. 그리고, 마이컴에서 상기 검출된 결과를 토대로 이상 여부를 판단하여 모터의 구동을 정지시켰다.Conventionally, an overcurrent is detected through an overcurrent detecting device using a shunt resistor or the like in order to accurately detect an overcurrent of a motor and to prevent burnout of the component. Then, the microcomputer determines whether there is an abnormality based on the detected result, and stops driving the motor.

그러나, 마이컴이 부품의 소손을 방지하기 위해 대응하는 과정에서 불필요한 시간이 소요되어 부품의 소손을 확실하게 방지하지 못하는 문제점이 있다.However, there is a problem in that the microcomputer takes an unnecessary time in the corresponding process in order to prevent the parts from being burned out, so that the burn-out of the parts can not be surely prevented.

본 발명의 배경기술로는 대한민국 등록특허공보 제10-0503880호(등록일 : 2005.07.18.등록)인 "전자식 조향 장치용 직류 모터의 제어회로"가 있다.As a background technique of the present invention, there is a "control circuit of a direct current motor for an electronic steering device ", which is registered in Korean Registered Patent No. 10-0503880 (registered on July 18, 2005).

본 발명의 일 측면에 따르면, 본 발명은 상기와 같은 문제점들을 개선하기 위하여 창안된 것으로, 모터의 단락 시, 모터 부하의 전원을 능동적으로 차단하는 차량용 모터의 단락 보호 장치를 제공하는 것을 목적으로 한다.SUMMARY OF THE INVENTION According to an aspect of the present invention, there is provided a short-circuit protection device for a motor vehicle, which is actuated to reduce the power of a motor load when a motor is short-circuited .

본 발명의 일 측면에 따른 차량용 모터의 단락 보호 장치는, 마이컴의 제어에 따라 모터를 구동하는 모터 구동부; 상기 모터 구동부에 흐르는 과전류를 감지하는 단락 감지부; 및 상기 모터 구동부와 상기 단락 감지부에 연결되어, 상기 단락 감지부에 걸리는 피드백 전압에 따라 동작하여 상기 모터 구동부의 전원을 차단할 수 있도록 하는 단락 방지 스위칭부;를 포함하되, 상기 단락 방지 스위칭부는, 상기 단락 감지부에 걸리는 피드백 전압에 따라 온/오프 동작하는 제1스위치와, 상기 모터 구동부에 연결되어 상기 제1스위치의 온/오프에 따라 동작하는 제2스위치를 포함하고, 상기 단락 방지 스위칭부에서, 상기 제1스위치의 게이트는 상기 단락 감지부에 연결되고, 상기 제2스위치의 게이트는 상기 제1스위치의 드레인에 연결되며, 상기 단락 감지부는, 션트 저항을 포함하여, 상기 제2스위치의 소스와 접지 사이에 연결되고, 상기 단락 방지 스위칭부에서, 상기 제1스위치는 평상시 오프 상태이며, 상기 단락 감지부에 걸리는 피드백 전압이 단락 기준값 이상이 되면, 상기 제1스위치의 게이트 입력이 하이 상태가 되어 턴 온 되고, 상기 제2스위치는 상기 모터 구동부의 구동을 위해 평상시 온 상태 이며, 상기 제1스위치가 턴 온 되면 상기 제2스위치의 게이트 입력이 로우 상태로 변경되어, 턴 오프 되며, 상기 단락 방지 스위칭부에서, 상기 제2스위치가 턴 오프 되면 상기 모터 구동부에서 접지로 흐르는 전류의 흐름이 차단되고, 상기 전류의 흐름이 차단됨에 따라 상기 단락 감지부에 걸리는 전압이 낮아져 상기 제1스위치가 턴 오프되고, 상기 제2스위치가 턴 온 되는 과정이 반복되며, 상기 마이컴은, 상기 단락 감지부로부터 단락 감지 여부에 대한 신호를 입력받으며, 상기 단락 감지부로부터 단락 감지 신호를 입력받으면 상기 제2스위치가 오프 상태를 유지하도록 제어하고, 상기 단락 방지 스위칭부는, 전계 효과 트랜지스터(Field Effect Transistor, FET), 양극성 접합 트랜지스터(Bipolar Junction Transistor, BJT) 및 절연 게이트 양극성 트랜지스터(Insulated Gate Bipolar Transistor, IGBT) 중 적어도 하나를 포함하며, 상기 모터 구동부는, 4개의 릴레이를 포함한 브리지 회로(Bridge circuit)를 포함하고, 상기 마이컴의 제어에 의해 상기 4개의 릴레이가 스위치 온오프됨에 따라 모터를 구동하는 것을 특징으로 하는 차량용 모터의 단락 보호 장치.According to an aspect of the present invention, there is provided a short-circuit protection device for a motor vehicle, comprising: a motor driver for driving a motor under the control of a microcomputer; A short detection unit for sensing an overcurrent flowing to the motor driving unit; And a short-circuit prevention switching unit connected to the motor driving unit and the short-circuit detection unit, and operating according to a feedback voltage applied to the short-circuit detection unit to cut off the power of the motor driving unit, And a second switch connected to the motor driving unit and operated in accordance with on / off of the first switch, wherein the short-circuit prevention switching unit includes a first switch that is turned on / off according to a feedback voltage applied to the short- The gate of the first switch is connected to the short-circuit detecting portion, the gate of the second switch is connected to the drain of the first switch, and the short-circuit detecting portion includes a shunt resistor, Wherein the first switch is normally in an OFF state and the first switch is in an OFF state in the short- The gate input of the first switch is turned on and turned on, and the second switch is normally on to drive the motor driving unit, and when the first switch is turned on The gate input of the second switch is changed to a low state to turn off and in the short-circuit prevention switching unit, when the second switch is turned off, the flow of current flowing from the motor driving unit to the ground is cut off, The first switch is turned off and the second switch is turned on as the voltage applied to the short-circuit detection unit is lowered as the flow is cut off, and the microcomputer repeatedly turns on the short- And controls the second switch to maintain the off state when receiving the short detection signal from the short detection unit, The short-circuit prevention switching unit may include at least one of a field effect transistor (FET), a bipolar junction transistor (BJT), and an insulated gate bipolar transistor (IGBT) Comprises a bridge circuit including four relays and drives the motor as the four relays are switched on and off under the control of the microcomputer.

본 발명의 일 실시예에 따른 차량용 모터의 단락 보호 장치는, 모터의 단락 시, 모터 부하의 전원을 능동적으로 차단함으로써, 즉각적인 대응으로 부품의 소손을 보다 효과적으로 방지할 수 있으며, 모터 제어회로에 사용되는 모터와 구동 소자들의 수명을 연장시킬 수 있다.The short-circuit protection device for a vehicle motor according to an embodiment of the present invention can actively cut off the power supply of the motor load when the motor is short-circuited, thereby effectively preventing the burn- The life of the motor and the driving elements can be prolonged.

도 1은 본 발명의 일 실시예에 따른 차량용 모터의 단락 보호 장치를 나타낸 블록구성도이다.
도 2는 본 발명의 일 실시예에 따른 차량용 모터의 단락 보호 장치를 나타낸 회로도이다.
1 is a block diagram showing a short-circuit protection apparatus for a motor vehicle according to an embodiment of the present invention.
2 is a circuit diagram showing a short-circuit protection device for a motor vehicle according to an embodiment of the present invention.

이하, 첨부된 도면들을 참조하여 본 발명의 일 실시예에 따른 차랑용 모터의 단락 보호 장치를 설명한다. 이 과정에서 도면에 도시된 선들의 두께나 구성요소의 크기 등은 설명의 명료성과 편의상 과장되게 도시되어 있을 수 있다.DETAILED DESCRIPTION OF THE PREFERRED EMBODIMENTS Hereinafter, a short-circuit protection device for a motor according to an embodiment of the present invention will be described with reference to the accompanying drawings. In this process, the thicknesses of the lines and the sizes of the components shown in the drawings may be exaggerated for clarity and convenience of explanation.

또한, 후술되는 용어들은 본 발명에서의 기능을 고려하여 정의된 용어들로서 이는 사용자, 운용자의 의도 또는 관례에 따라 달라질 수 있다. 그러므로 이러한 용어들에 대한 정의는 본 명세서 전반에 걸친 내용을 토대로 내려져야 할 것이다.In addition, the terms described below are defined in consideration of the functions of the present invention, which may vary depending on the intention or custom of the user, the operator. Therefore, definitions of these terms should be made based on the contents throughout this specification.

도 1은 본 발명의 일 실시예에 따른 차량용 모터의 단락 보호 장치를 나타낸 블록구성도이고, 도 2는 본 발명의 일 실시예에 따른 차량용 모터의 단락 보호 장치를 나타낸 회로도로서, 이를 참조하여 차랑용 모터의 단락 보호 장치를 설명하면 다음과 같다.FIG. 1 is a block diagram showing a short-circuit protection apparatus for a motor vehicle according to an embodiment of the present invention. FIG. 2 is a circuit diagram showing a short-circuit protection apparatus for a motor vehicle according to an embodiment of the present invention. A short-circuit protection device for a motor is described as follows.

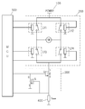
도 1에 도시된 바와 같이, 본 발명의 일 실시예에 따른 차량용 모터의 단락 보호 장치는, 전원부(100), 모터 구동부(200), 단락 방지 스위칭부(300), 단락 감지부(400) 및 마이컴(500)을 포함한다.1, a short-circuit protection device for a motor vehicle according to an embodiment of the present invention includes a power source unit 100, a motor driver 200, a short-circuit prevention switching unit 300, a short-circuit detection unit 400, And a microcomputer 500.

전원부(100)는 전류 공급라인을 통해 전류를 부하에 공급하는 것으로, 예를 들어, 전원부(100)는 차량용 배터리일 수 있으며, 부하는 모터, 조명, 통신장치 등을 포함할 수 있다. 본 실시예에서, 전원부(100)는 모터에 전원을 공급한다.The power supply unit 100 supplies a current to the load through a current supply line. For example, the power supply unit 100 may be a vehicle battery, and the load may include a motor, a lighting, a communication device, and the like. In this embodiment, the power supply unit 100 supplies power to the motor.

모터 구동부(200)는 마이컴(500)의 제어에 따라 모터를 구동한다.The motor driving unit 200 drives the motor under the control of the microcomputer 500.

도 2에 도시된 바와 같이, 본 실시예에서 모터 구동부(200)는, 4개의 릴레이(LY1-4)를 포함한 브리지 회로(Bridge circuit)로 구성되어, 4개의 릴레이(LY1-4)를 통해 전류가 흐르는 방향이 결정된다. 즉, 모터 구동부(200)는 마이컴(500)의 제어에 따라 제1릴레이(LY1) 및 제4릴레이(LY4)가 스위치 온(ON) 되면, 시계방향으로 모터가 구동된다. 또한, 모터 구동부(200)는 제2릴레이(LY2) 및 제3릴레이(LY3)가 스위치 온 되면, 반시계방향으로 모터가 구동된다.2, in this embodiment, the motor driving unit 200 is constituted by a bridge circuit including four relays LY1 to LY4, Is determined. That is, when the first relay LY1 and the fourth relay LY4 are switched on under the control of the microcomputer 500, the motor driving unit 200 drives the motor in a clockwise direction. In addition, when the second relay LY2 and the third relay LY3 are switched on, the motor driving unit 200 drives the motor in the counterclockwise direction.

단락 방지 스위칭부(300)는 모터 구동부(200)와 단락 감지부(400) 사이에 연결되어, 단락 감지부(400)에 걸리는 피드백 전압에 따라 동작하여 모터 구동부(200)의 전원을 차단할 수 있도록 한다.The short-circuit prevention switching unit 300 is connected between the motor driving unit 200 and the short-circuit detection unit 400 and operates according to the feedback voltage applied to the short-circuit detection unit 400 so as to cut off the power of the motor driving unit 200 do.

단락 방지 스위칭부(300)는 전계 효과 트랜지스터(Field Effect Transistor, FET), 양극성 접합 트랜지스터(Bipolar Junction Transistor, BJT) 및 절연 게이트 양극성 트랜지스터(Insulated Gate Bipolar Transistor, IGBT) 중 적어도 하나를 포함하여 구성할 수 있으며, 본 실시예에서는 전계 효과 트랜지스터를 사용할 수 있으나, 이에 한정되지는 않는다.The short-circuit prevention switching unit 300 includes at least one of a field effect transistor (FET), a bipolar junction transistor (BJT), and an insulated gate bipolar transistor (IGBT) In this embodiment, a field effect transistor can be used, but the present invention is not limited thereto.

단락 방지 스위칭부(300)는 단락 감지부(400)에 걸리는 피드백 전압에 따라 온/오프 동작하는 제1스위치(Q1)와, 모터 구동부(200)의 하단측에 연결되어 상기 제1스위치(Q1)의 온/오프에 따라 동작하는 제2스위치(Q2)를 포함한다.The short-circuit prevention switching unit 300 includes a first switch Q1 that is turned on / off according to a feedback voltage applied to the short-circuit detection unit 400 and a second switch Q1 that is connected to a lower end of the motor driving unit 200, And a second switch Q2 that operates in accordance with the on / off state of the switch Q2.

여기서, 제1스위치(Q1)는 단락 감지부(400)에 걸리는 피드백 전압이 단락 기준값에 도달하는지 여부에 따라 온/오프 동작한다. 한편, 제2스위치(Q2)는 제1스위치(Q1)의 온/오프 동작과 상관없이 마이컴(500)의 제어에 의해 온/오프 될 수도 있다.Here, the first switch Q1 is turned on / off according to whether the feedback voltage applied to the short-circuit detection unit 400 reaches a short-circuit reference value. On the other hand, the second switch Q2 may be turned on / off under the control of the microcomputer 500 irrespective of the on / off operation of the first switch Q1.

즉, 단락 감지부(400)에 걸리는 피드백 전압이 단락 기준값 이상이면, 제1스위치(Q1)가 온 동작하고, 상기 제1스위치(Q1)가 온 됨에 따라 제2스위치(Q2)는 오프 된다.That is, when the feedback voltage across the short-circuit detection unit 400 is equal to or greater than the short-circuit reference value, the first switch Q1 is turned on and the second switch Q2 is turned off as the first switch Q1 is turned on.

이를 보다 자세히 설명하기 위해, 도 2를 참조하면, 본 실시예에서 단락 방지 스위칭부(300)는 제1스위치(Q1)의 게이트(G)가 단락 감지부(400)에 연결되고, 소스(S)가 접지와 연결되며, 드레인(D)이 제2스위치(Q2)의 게이트(G)와 연결된다. 또한, 제2스위치(Q2)의 게이트(G)가 상기 제1스위치(Q1)의 드레인(D)에 연결되고, 소스(S)가 단락 감지부(400)와 연결되며, 드레인(D)이 모터 구동부(200)와 연결된다.2, in this embodiment, the short-circuit protection switching unit 300 is configured such that the gate G of the first switch Q1 is connected to the short-circuit detection unit 400, the source S Is connected to the ground, and the drain D is connected to the gate G of the second switch Q2. The gate G of the second switch Q2 is connected to the drain D of the first switch Q1 and the source S of the second switch Q2 is connected to the short- And is connected to the motor driving unit 200.

즉, 제1스위치(Q1)는 기본적으로 오프(OFF) 상태를 가지며, 과전류가 흘러 단락 감지부(400)에 걸리는 피드백 전압이 단락 기준값 이상이 되면, 제1스위치(Q1)의 게이트(G) 입력이 하이(HIGH) 상태가 되어 턴 온(Turn-on) 된다.That is, the first switch Q1 is basically in the OFF state. When the overcurrent flows and the feedback voltage applied to the short-circuit detection unit 400 becomes the short-circuit reference value or more, the gate G of the first switch Q1, The input becomes HIGH and is turned on.

그리고, 제2스위치(Q2)는 모터 구동부(200)의 구동을 위해 기본적으로 온 상태를 유지하고 있으나, 제1스위치(Q1)가 턴 온 되면 제2스위치(Q2)의 게이트(G) 입력이 로우(LOW) 상태로 변경되어, 턴 오프(Turn-off) 된다. 다시 말해, 모터 구동부(200)에 과전류가 흘러 단락 감지부(400)에 걸리는 피드백 전압이 상승하게 되면, 과전류에 의한 소손을 방지하기 위하여, 능동적으로 제2스위치(Q2)가 오프 되도록 하여 모터 구동부(200)의 전류의 흐름을 차단한다.When the first switch Q1 is turned on, the gate (G) input of the second switch Q2 is connected to the second switch Q2, It is changed to the LOW state and turned off. In other words, when the overcurrent flows to the motor driving unit 200 to increase the feedback voltage applied to the short-circuit detection unit 400, the second switch Q2 is actively turned off to prevent burn- (200).

단락 감지부(400)는 션트(Shunt) 저항을 포함하여 구성된다. 여기서, 션트 저항은 모터 구동부(200)에 인가되는 전류를 측정할 수 있도록 마련되며, 전원부(100)에서 모터 구동부(200)에 인가되는 전류의 크기를 측정할 수 있도록 마련되는 저항이다.The short-circuit detection unit 400 includes a shunt resistor. Here, the shunt resistor is provided to measure the current applied to the motor driving unit 200, and is a resistor provided to measure the magnitude of the current applied to the motor driving unit 200 in the power supply unit 100.

즉, 단락 감지부(400)는 제2스위치(Q2)의 소스와 접지 사이에 연결되어, 모터 구동부(200)의 과전류를 감지할 수 있다. 따라서, 단락 감지부(400)는 모터 구동부(200)에 과전류가 흘러, 션트 저항의 양단간 전압이 단락 기준값 이상인 경우 하이 레벨의 신호를 제1스위치(Q1)에 출력할 수 있다.That is, the short-circuit detecting unit 400 is connected between the source of the second switch Q2 and the ground to sense the overcurrent of the motor driving unit 200. [ Accordingly, the short-circuit detection unit 400 can output a high-level signal to the first switch Q1 when the overcurrent flows to the motor driver 200 and the voltage across the shunt resistor is equal to or greater than the short-circuit reference value.

이때, 상술한 바와 같이, 단락 감지부(400)에서 출력된 하이 레벨 신호에 의해 제1스위치(Q1)가 턴 온 되면, 모터 구동부(200)의 전원이 차단된다. 다시 말해, 제1스위치(Q1)는 단락 기준값에 해당하는 전압값이 게이트(G)로 입력되면 턴 온 된다. 따라서, 모터 구동부(200)의 전원을 차단하고자 하는 단락 기준값을 설정하기 위해서는, 설정하고자 하는 단락 기준값에 적합한 션트 저항을 사용하여야 한다.At this time, as described above, when the first switch Q1 is turned on by the high level signal outputted from the short detection unit 400, the power of the motor driving unit 200 is cut off. In other words, the first switch Q1 is turned on when a voltage value corresponding to the short circuit reference value is input to the gate G. Therefore, in order to set a short-circuit reference value for shutting off the power supply of the motor driver 200, a shunt resistor suitable for the short-circuit reference value to be set should be used.

마이컴(500)은 모터 구동부(200)를 구동시키기 위하여 모터 구동부(200)의 4개의 릴레이(LY1-4)를 제어한다. 또한, 마이컴(500)은 모터 구동부(200)를 구동시키기 위하여 단락 방지 스위칭부(300)의 제2스위치(Q2)를 온 상태로 유지할 수 있으며, 모터 구동부(200)에 과전류가 흐르는 경우, 단락 감지부(400)로부터 단락 감지 여부에 대한 신호를 입력받을 수 있다.The microcomputer 500 controls the four relays LY1 to LY4 of the motor driving unit 200 to drive the motor driving unit 200. [ The microcomputer 500 may keep the second switch Q2 of the short-circuit prevention switching unit 300 in an ON state in order to drive the motor driving unit 200. When the overcurrent flows in the motor driving unit 200, A signal indicating whether or not a short circuit is detected may be input from the sensing unit 400. [

즉, 상술한 바와 같이, 모터 구동부(200)에 과전류가 흐르는 경우에는 단락 감지부(400)에 걸리는 전압이 상승하게 되는데, 이로 인해 제1스위치(Q1)가 턴 온 되고, 제2스위치(Q2)가 턴 오프 되어 모터 구동부(200)에서 접지까지 흐르는 전류의 흐름이 차단된다. 이때, 전류의 흐름이 차단되어, 단락 감지부(400)에 걸리는 전압이 다시 낮아지고, 이로 인해 제1스위치(Q1)가 턴 오프 되고, 제2스위치(Q2)가 턴 온 되는 과정이 반복될 수 있다.That is, as described above, when the overcurrent flows in the motor driver 200, the voltage across the short-circuit detector 400 rises. As a result, the first switch Q1 is turned on and the second switch Q2 Is turned off and the flow of current flowing from the motor driver 200 to the ground is cut off. At this time, the flow of the current is interrupted, and the voltage applied to the short-circuit detection unit 400 is lowered again, whereby the first switch Q1 is turned off and the second switch Q2 is turned on repeatedly .

따라서, 마이컴(500)은 단락 감지부(400)로부터 단락 감지 신호를 입력받으면, 제2스위치(Q2)가 오프 상태를 유지하도록 제어하여, 모터 구동부(200)의 전류의 흐름을 계속해서 차단할 수 있다.Accordingly, when the microcomputer 500 receives the short-circuit detection signal from the short-circuit detection unit 400, the microcomputer 500 controls the second switch Q2 to be kept in the off state to continuously block the current flow of the motor driver 200 have.

즉, 마이컴(500)이 단락 감지 여부를 판단하고, 과전류에 의한 소손을 방지하기 위한 대응을 하기 전에 단락 방지 스위칭부(300)가 능동적으로 동작하도록 하여 보다 효과적으로 부품을 보호할 수 있도록 한다.That is, the microcomputer 500 judges whether or not a short circuit is detected, and before the microcomputer 500 responds to prevent burn-out by overcurrent, the short-circuit prevention switching unit 300 actively operates to more effectively protect the part.

상술한 바와 같이, 본 발명의 일 실시예에 따른 차량용 모터의 단락 보호 장치는, 모터의 단락 시, 모터 부하의 전원을 능동적으로 차단함으로써, 즉각적인 대응으로 부품의 소손을 보다 효과적으로 방지할 수 있으며, 모터 제어회로에 사용되는 모터와 구동 소자들의 수명을 연장시킬 수 있다.As described above, the short-circuit protection device for a motor vehicle according to an embodiment of the present invention can actively shut off the power supply of the motor load when the motor is short-circuited, thereby effectively preventing burn- It is possible to extend the service life of the motor and driving elements used in the motor control circuit.

본 발명은 도면에 도시된 실시예를 참고로 하여 설명되었으나, 이는 예시적인 것에 불과하며, 당해 기술이 속하는 분야에서 통상의 지식을 가진 자라면 이로부터 다양한 변형 및 균등한 타 실시예가 가능하다는 점을 이해할 것이다.While the present invention has been particularly shown and described with reference to exemplary embodiments thereof, it will be understood by those of ordinary skill in the art that various changes in form and details may be made therein without departing from the spirit and scope of the invention as defined by the appended claims. I will understand.

따라서 본 발명의 진정한 기술적 보호범위는 아래의 특허청구범위에 의해서 정하여져야 할 것이다.Accordingly, the true scope of the present invention should be determined by the following claims.

100 : 전원부 200 : 모터 구동부
300 : 단락 방지 스위칭부 400 : 단락 감지부
500 : 마이컴 LY1-4 : 제1-4릴레이
Q1-2 : 제1-2스위치
100: Power supply unit 200: Motor drive unit
300: short-circuit prevention switching unit 400: short-
500: Microcomputer LY1-4: Relay 1-4
Q1-2: 1-2 switch

Claims (1)

마이컴의 제어에 따라 모터를 구동하는 모터 구동부;
상기 모터 구동부에 흐르는 과전류를 감지하는 단락 감지부; 및
상기 모터 구동부와 상기 단락 감지부에 연결되어, 상기 단락 감지부에 걸리는 피드백 전압에 따라 동작하여 상기 모터 구동부의 전원을 차단할 수 있도록 하는 단락 방지 스위칭부;를 포함하되,
상기 단락 방지 스위칭부는,
상기 단락 감지부에 걸리는 피드백 전압에 따라 온/오프 동작하는 제1스위치와, 상기 모터 구동부에 연결되어 상기 제1스위치의 온/오프에 따라 동작하는 제2스위치를 포함하고,
상기 단락 방지 스위칭부에서, 상기 제1스위치의 게이트는 상기 단락 감지부에 연결되고, 상기 제2스위치의 게이트는 상기 제1스위치의 드레인에 연결되며,
상기 단락 감지부는,
션트 저항을 포함하여, 상기 제2스위치의 소스와 접지 사이에 연결되고,
상기 단락 방지 스위칭부에서, 상기 제1스위치는 평상시 오프 상태이며, 상기 단락 감지부에 걸리는 피드백 전압이 단락 기준값 이상이 되면, 상기 제1스위치의 게이트 입력이 하이 상태가 되어 턴 온 되고, 상기 제2스위치는 상기 모터 구동부의 구동을 위해 평상시 온 상태 이며, 상기 제1스위치가 턴 온 되면 상기 제2스위치의 게이트 입력이 로우 상태로 변경되어, 턴 오프 되며,
상기 단락 방지 스위칭부에서, 상기 제2스위치가 턴 오프 되면 상기 모터 구동부에서 접지로 흐르는 전류의 흐름이 차단되고, 상기 전류의 흐름이 차단됨에 따라 상기 단락 감지부에 걸리는 전압이 낮아져 상기 제1스위치가 턴 오프되고, 상기 제2스위치가 턴 온 되는 과정이 반복되며,
상기 마이컴은,
상기 단락 감지부로부터 단락 감지 여부에 대한 신호를 입력받으며, 상기 단락 감지부로부터 단락 감지 신호를 입력받으면 상기 제2스위치가 오프 상태를 유지하도록 제어하고,
상기 단락 방지 스위칭부는,
전계 효과 트랜지스터(Field Effect Transistor, FET), 양극성 접합 트랜지스터(Bipolar Junction Transistor, BJT) 및 절연 게이트 양극성 트랜지스터(Insulated Gate Bipolar Transistor, IGBT) 중 적어도 하나를 포함하며,
상기 모터 구동부는,
4개의 릴레이를 포함한 브리지 회로(Bridge circuit)를 포함하고, 상기 마이컴의 제어에 의해 상기 4개의 릴레이가 스위치 온오프됨에 따라 모터를 구동하는 것을 특징으로 하는 차량용 모터의 단락 보호 장치.
A motor driving unit for driving the motor under the control of the microcomputer;
A short detection unit for sensing an overcurrent flowing to the motor driving unit; And
And a short-circuit prevention switching unit connected to the motor driving unit and the short-circuit detection unit, and operating according to a feedback voltage applied to the short-circuit detection unit to cut off the power of the motor driving unit,
The short-
And a second switch connected to the motor driving unit and operated in response to on / off of the first switch, wherein the first switch is turned on / off according to a feedback voltage applied to the short-
In the short-circuit prevention switching part, the gate of the first switch is connected to the short-circuit detection part, the gate of the second switch is connected to the drain of the first switch,
The short-
A shunt resistor, connected between the source of the second switch and ground,
In the short-circuit prevention switching unit, the first switch is normally off, and when the feedback voltage applied to the short-circuit detection unit exceeds a short-circuit reference value, the gate input of the first switch is turned to a high state, 2 switch is normally turned on for driving the motor driving unit, and when the first switch is turned on, the gate input of the second switch is changed to a low state and turned off,
In the short-circuit prevention switching unit, when the second switch is turned off, the flow of current flowing from the motor driving unit to the ground is cut off, and as the current flow is cut off, the voltage applied to the short- The second switch is turned on, and the second switch is turned on,
The microcomputer,
Wherein the control unit controls the second switch to maintain the off state when receiving a short-circuit detection signal from the short-circuit detection unit,
The short-
At least one of a field effect transistor (FET), a bipolar junction transistor (BJT), and an insulated gate bipolar transistor (IGBT)
The motor drive unit includes:
Wherein the microcomputer includes a bridge circuit including four relays and drives the motor as the four relays are switched on and off under the control of the microcomputer.
KR1020180097659A 2018-08-21 2018-08-21 Device for protecting the short-circuit of the motor for vehicle Expired - Fee Related KR101909068B1 (en)

Priority Applications (1)

Application Number Priority Date Filing Date Title
KR1020180097659A KR101909068B1 (en) 2018-08-21 2018-08-21 Device for protecting the short-circuit of the motor for vehicle

Applications Claiming Priority (1)

Application Number Priority Date Filing Date Title
KR1020180097659A KR101909068B1 (en) 2018-08-21 2018-08-21 Device for protecting the short-circuit of the motor for vehicle

Related Parent Applications (1)

Application Number Title Priority Date Filing Date
KR1020160095080A Division KR101899950B1 (en) 2016-07-26 2016-07-26 Device for protecting the short-circuit of the motor for vehicle

Publications (2)

Publication Number Publication Date
KR20180098494A true KR20180098494A (en) 2018-09-04
KR101909068B1 KR101909068B1 (en) 2018-10-17

Family

ID=63598223

Family Applications (1)

Application Number Title Priority Date Filing Date
KR1020180097659A Expired - Fee Related KR101909068B1 (en) 2018-08-21 2018-08-21 Device for protecting the short-circuit of the motor for vehicle

Country Status (1)

Country Link
KR (1) KR101909068B1 (en)

Cited By (1)

* Cited by examiner, † Cited by third party
Publication number Priority date Publication date Assignee Title
CN111063566A (en) * 2019-11-28 2020-04-24 南京国电南自电网自动化有限公司 IGBT-based quick switching-off circuit

Families Citing this family (3)

* Cited by examiner, † Cited by third party
Publication number Priority date Publication date Assignee Title
KR102217876B1 (en) 2019-10-31 2021-02-18 주식회사 현대케피코 Motor control apparatus with short circuit diagnosis function and short circuit diagnosis method thereof
KR102348623B1 (en) 2019-12-26 2022-01-06 주식회사 현대케피코 Motor drive circuit with fail safe function and operation method thereof
KR102501577B1 (en) 2021-02-22 2023-02-17 주식회사 현대케피코 Motor drive circuit and control method thereof

Family Cites Families (2)

* Cited by examiner, † Cited by third party
Publication number Priority date Publication date Assignee Title
JP3918778B2 (en) * 2003-06-02 2007-05-23 株式会社豊田自動織機 Protection circuit
KR101353234B1 (en) * 2012-07-25 2014-01-17 삼성전기주식회사 Motor drive overcurrent blocking circuit, motor driving circuit and method for blocking overcurrent thereof

Cited By (1)

* Cited by examiner, † Cited by third party
Publication number Priority date Publication date Assignee Title
CN111063566A (en) * 2019-11-28 2020-04-24 南京国电南自电网自动化有限公司 IGBT-based quick switching-off circuit

Also Published As

Publication number Publication date
KR101909068B1 (en) 2018-10-17

Similar Documents

Publication Publication Date Title
KR101909068B1 (en) Device for protecting the short-circuit of the motor for vehicle
US7848066B2 (en) Motor drive device and electronic device using the same
US10291110B2 (en) Driving circuit for switching element and power conversion system
KR101899950B1 (en) Device for protecting the short-circuit of the motor for vehicle
WO2010074175A1 (en) Load circuit protection device
JP2008289048A (en) Semiconductor element driver circuit
US20070024225A1 (en) Electronically commutated motor (ecm) and method of controlling an ecm
US10252744B2 (en) System sharing battery with external device
WO2011129263A1 (en) Short-circuit protection method
US20030020420A1 (en) Actuator drive circuit
JP2010104079A (en) Load driver
KR101702034B1 (en) Circuit for removing counter electromotive force of electric circuit
KR101876517B1 (en) An Apparatus And A Method For Blocking Overcurrent
JP3692391B2 (en) Power supply control device and power supply control method
JPH05267580A (en) Semiconductor device
JP6724539B2 (en) Load drive
JP2002191122A (en) Dc load driver
KR101916795B1 (en) System having switched reluctance motor and operating method therod
JP5203742B2 (en) Inverter device
JP2016101068A (en) Load drive unit
US20090115364A1 (en) Electric motor driving device, and air conditioner using the same
JP3596415B2 (en) Inductive load drive circuit
JP2007228704A (en) Motor driver
JPH0851789A (en) Drive device for brushless motor
JP2016163467A (en) Motor control device

Legal Events

Date Code Title Description
A107 Divisional application of patent
A201 Request for examination
PA0107 Divisional application

St.27 status event code: A-0-1-A10-A16-div-PA0107

St.27 status event code: A-0-1-A10-A18-div-PA0107

PA0201 Request for examination

St.27 status event code: A-1-2-D10-D11-exm-PA0201

PG1501 Laying open of application

St.27 status event code: A-1-1-Q10-Q12-nap-PG1501

E701 Decision to grant or registration of patent right
PE0701 Decision of registration

St.27 status event code: A-1-2-D10-D22-exm-PE0701

GRNT Written decision to grant
PR0701 Registration of establishment

St.27 status event code: A-2-4-F10-F11-exm-PR0701

PR1002 Payment of registration fee

Fee payment year number: 1

St.27 status event code: A-2-2-U10-U11-oth-PR1002

PG1601 Publication of registration

St.27 status event code: A-4-4-Q10-Q13-nap-PG1601

PN2301 Change of applicant

St.27 status event code: A-5-5-R10-R11-asn-PN2301

St.27 status event code: A-5-5-R10-R13-asn-PN2301

PN2301 Change of applicant

St.27 status event code: A-5-5-R10-R11-asn-PN2301

St.27 status event code: A-5-5-R10-R13-asn-PN2301

P22-X000 Classification modified

St.27 status event code: A-4-4-P10-P22-nap-X000

P22-X000 Classification modified

St.27 status event code: A-4-4-P10-P22-nap-X000

PC1903 Unpaid annual fee

Not in force date: 20211012

Payment event data comment text: Termination Category : DEFAULT_OF_REGISTRATION_FEE

St.27 status event code: A-4-4-U10-U13-oth-PC1903

PC1903 Unpaid annual fee

Ip right cessation event data comment text: Termination Category : DEFAULT_OF_REGISTRATION_FEE

Not in force date: 20211012

St.27 status event code: N-4-6-H10-H13-oth-PC1903