KR20130055872A - System and method for parking control using smart streetlight based on cim/bim - Google Patents

System and method for parking control using smart streetlight based on cim/bim Download PDF

Info

Publication number
KR20130055872A
KR20130055872A KR1020110121531A KR20110121531A KR20130055872A KR 20130055872 A KR20130055872 A KR 20130055872A KR 1020110121531 A KR1020110121531 A KR 1020110121531A KR 20110121531 A KR20110121531 A KR 20110121531A KR 20130055872 A KR20130055872 A KR 20130055872A
Authority
KR
South Korea
Prior art keywords
information
parking control
street light
parking
smart street
Prior art date
Legal status (The legal status is an assumption and is not a legal conclusion. Google has not performed a legal analysis and makes no representation as to the accuracy of the status listed.)
Granted
Application number
KR1020110121531A
Other languages
Korean (ko)
Other versions
KR102002163B1 (en
Inventor
손영석
Original Assignee
주식회사 석영시스템즈
손영석
Priority date (The priority date is an assumption and is not a legal conclusion. Google has not performed a legal analysis and makes no representation as to the accuracy of the date listed.)
Filing date
Publication date
Application filed by 주식회사 석영시스템즈, 손영석 filed Critical 주식회사 석영시스템즈
Priority to KR1020110121531A priority Critical patent/KR102002163B1/en
Publication of KR20130055872A publication Critical patent/KR20130055872A/en
Application granted granted Critical
Publication of KR102002163B1 publication Critical patent/KR102002163B1/en
Expired - Fee Related legal-status Critical Current
Anticipated expiration legal-status Critical

Links

Images

Classifications

    • GPHYSICS
    • G08SIGNALLING
    • G08GTRAFFIC CONTROL SYSTEMS
    • G08G1/00Traffic control systems for road vehicles
    • G08G1/01Detecting movement of traffic to be counted or controlled
    • G08G1/017Detecting movement of traffic to be counted or controlled identifying vehicles
    • G08G1/0175Detecting movement of traffic to be counted or controlled identifying vehicles by photographing vehicles, e.g. when violating traffic rules
    • FMECHANICAL ENGINEERING; LIGHTING; HEATING; WEAPONS; BLASTING
    • F21LIGHTING
    • F21SNON-PORTABLE LIGHTING DEVICES; SYSTEMS THEREOF; VEHICLE LIGHTING DEVICES SPECIALLY ADAPTED FOR VEHICLE EXTERIORS
    • F21S8/00Lighting devices intended for fixed installation
    • F21S8/08Lighting devices intended for fixed installation with a standard
    • F21S8/085Lighting devices intended for fixed installation with a standard of high-built type, e.g. street light
    • GPHYSICS
    • G08SIGNALLING
    • G08GTRAFFIC CONTROL SYSTEMS
    • G08G1/00Traffic control systems for road vehicles
    • G08G1/01Detecting movement of traffic to be counted or controlled
    • G08G1/0104Measuring and analyzing of parameters relative to traffic conditions
    • G08G1/0108Measuring and analyzing of parameters relative to traffic conditions based on the source of data
    • G08G1/0116Measuring and analyzing of parameters relative to traffic conditions based on the source of data from roadside infrastructure, e.g. beacons

Landscapes

  • Physics & Mathematics (AREA)
  • General Physics & Mathematics (AREA)
  • Engineering & Computer Science (AREA)
  • General Engineering & Computer Science (AREA)
  • Chemical & Material Sciences (AREA)
  • Analytical Chemistry (AREA)
  • Circuit Arrangement For Electric Light Sources In General (AREA)

Abstract

본 발명은 스마트 가로등을 활용한 주차 단속 시스템 및 그 방법에 관한 것으로, 특히 기존의 가로등이 갖는 조명 시설물로서의 한계를 극복하고 가로 주변에 불법 주정차중인 차량의 정보 수집과 통보가 이루어지도록 하기 위해 가로를 밝히기 위한 조명부를 구비하며, 가로 주변에 불법 주정차중인 차량에 대한 주차단속 대상정보를 수집 및 통보하는 스마트 가로등; 무선 통신망을 매개로 주차단속 대상정보를 수신하며, 주차단속 대상정보를 통보한 스마트 가로등의 주변에 불법 주정차중인 차량에 대한 주차단속을 수행하고, 그에 따른 주차단속 정보를 등록하는 휴대용 디바이스; 및 스마트 가로등으로부터 통보받은 주차단속 대상정보를 무선 통신망을 매개로 휴대용 디바이스로 전달하며, 휴대용 디바이스로부터 주차단속 정보를 받아 등록 관리하며, 주차단속에 따른 행정처리의 수행 결과를 갱신 처리하는 주차단속 서버;를 포함하며, 스마트 가로등은 주차단속 대상정보에 자신의 스마트 가로등 식별정보를 포함하는 스마트 가로등을 활용한 주차 단속 시스템을 개시한다.
이러한 본 발명은 가로 교통의 안전과 보행자에 대한 범죄예방을 위한 조명을 제공함은 물론, 가로 주변에 불법 주정차중인 차량의 정보 수집과 통보가 이루어지도록 함으로써 주차단속에 소요되는 시간이 줄어들고, 도로 기능의 회복을 통해 보행과 차량의 소통이 원활해지도록 하는 효과를 제공한다.
또한, 본 발명은 우선 단속 지침 정보에 따라 차별화된 주차단속을 함으로써 지역 주민에 의해 발생하는 주차관련한 민원 분쟁이 최소화될 수 있도록 하는 효과를 제공하며, 주차단속 요원의 효율적 활용 및 배치에 따른 주차단속의 관리 효율이 증대되도록 하는 효과가 있다. 나아가, 본 발명의 가로등 시스템은 CIM/BIM 기술에 기반하여 도시 공간 및 건축물을 포함하고 있는 대지에 설치된 가로등을 통합적으로 운영 관리할 수 있게 한다.
The present invention relates to a parking control system and a method using a smart street light, in particular, to overcome the limitations as a lighting facility of the existing street light and to collect information and notification of illegally parked vehicles around the street A smart street light having an illumination unit for illuminating and collecting and notifying parking control subject information about an illegally parked vehicle around a street; A portable device configured to receive the parking control target information through a wireless communication network, perform the parking control for the illegally parked vehicle around the smart street light that informed the parking control target information, and register the parking control information accordingly; And a parking control server that transmits the parking control target information notified from the smart street light to the portable device through a wireless communication network, receives the parking control information from the portable device, registers and manages it, and updates the result of performing administrative processing according to the parking control. It includes; smart street light discloses a parking enforcement system using a smart street light that includes its smart street light identification information in the parking control target information.
The present invention provides lighting for the safety of road traffic and crime prevention for pedestrians, as well as the information collection and notification of illegally parked vehicles around the road, thereby reducing the time required for parking and reducing road functions. It provides the effect of smoothing the communication between walking and vehicles through recovery.
In addition, the present invention provides an effect to minimize the parking-related civil disputes caused by the local residents by performing a differentiated parking control in accordance with the information on the control guidelines first, and parking control according to the efficient use and placement of parking enforcement personnel There is an effect to increase the management efficiency of the. Furthermore, the street lamp system of the present invention enables integrated operation management of street lamps installed on the ground including urban spaces and buildings based on CIM / BIM technology.

Description

스마트 가로등을 활용한 주차 단속 시스템 및 그 방법{System and method for parking control using smart streetlight based on CIM/BIM }Parking control system and method using smart street light {System and method for parking control using smart streetlight based on CIM / BIM}

본 발명은 스마트 가로등을 활용한 주차 단속 시스템 및 그 방법에 관한 것으로, 더욱 상세하게는 가로 교통의 안전과 보행자에 대한 범죄예방을 위한 조명을 제공하기 위해 가로 주변에 설치되는 스마트 가로등을 통해 불법 주정차중인 차량의 정보 수집 및 통보가 이루어지고, 그에 따른 주차단속을 통해 도로 기능을 회복하여 보행과 차량의 소통이 원활히 제공되도록 하는 스마트 가로등을 활용한 주차 단속 시스템 및 그 방법에 관한 것이다.
The present invention relates to a parking control system and a method using the smart street light, and more particularly, illegal parking through the street light is installed around the street to provide lighting for the safety of street traffic and crime prevention for pedestrians. It relates to a parking control system and a method using a smart street light to collect information and notification of the vehicle in progress, and to restore the road function through the parking control according to the traffic to provide smooth communication of the walking and the vehicle.

일반적으로 가로등이라 함은 가로 교통의 안전과 보행자에 대한 범죄 예방의 보안을 위하여 가로를 따라서 소정 거리를 간격으로 설치된 조명시설을 말한다. 여기서 가로라 함은 차량용 도로의 가는 물론 보행자용 통행로의 가를 모두 포함하는 개념이다.In general, a street lamp refers to a lighting facility installed at predetermined intervals along a street for the safety of road traffic and the prevention of crime against pedestrians. The term "horizon" is a concept that includes both the road of a vehicle road and the road of a pedestrian passage.

또한, 가로등이라 함은 가로 주변을 밝히기 위한 조명만을 지칭하기도 하나 상기 조명을 고정하기 위한 가로등 전주(예, 가로용 폴)를 포함하여 가로등이라고 부르는 것이 일반적이다.In addition, although the street lamp refers to only the illumination for illuminating the street circumference, it is generally referred to as a street lamp including a street lamp pole (eg, a street pole) for fixing the lighting.

상기와 같은 종래의 가로등은 고속도로, 시가지의 주요 도로, 상업지구 도로, 및 주택지구 도로 등 다양한 장소에 설치되고 있으며, 그에 알맞은 종류의 가로등이 사용되고 있다. 즉, 자동차 또는 사람이 통행하는 길에는 가로를 밝히기 위한 가로등이 설치되어 있다고 해도 무방하다.Conventional streetlights as described above are installed in various places such as highways, major roads in downtowns, commercial district roads, and residential district roads, and street lamps of a suitable type are used. In other words, streetlights for illuminating the streets may be provided on roads where cars or people pass.

종래의 가로등의 광원으로는 고압 수은등, 형광등, 나트륨 등, 및 보통의 전구 등이 사용되고 있다.As a light source of a conventional street light, a high-pressure mercury lamp, a fluorescent lamp, a sodium lamp, and an ordinary bulb lamp are used.

그러나, 상기와 같은 종래의 가로등은 도로 곳곳의 가나 유원지 등에 다양한 형태로 설치되어 차량의 교통 안전이나 보행자의 범죄 예방을 위한 보안을 유지함에 일조를 하고 있기는 하지만, 가로를 밝히기 위한 조명 시설로서의 역할 이외의 다른 용도로는 거의 사용되지 못하고 있는 실정이다.However, the above-described conventional street lamps are installed in various forms such as streets and amusement parks throughout the road to help maintain traffic safety of vehicles and crime prevention of pedestrians, but serve as lighting facilities to illuminate the streets. It is rarely used for other purposes.

한편, 도로의 가 주변에는 차량 보유의 급격한 증가에 따른 주차시설의 공급 부족으로 인한 불법적인 주정차가 늘어나고 있으며, 그러한 불법 주정차는 화재나 응급환자 발생시 구난차량과 응급차량의 접근을 방해하여 대형사고로 이어지게 하는 문제가 있었다.On the other hand, illegal parking stops are increasing around roads due to the shortage of supply of parking facilities due to the rapid increase in the number of vehicles. Such illegal parking stops prevent the access of rescue vehicles and emergency vehicles in the event of a fire or emergency. There was a problem leading up.

특히, 도로의 불법 주정차는 교통 흐름을 방해하고, 교통사고를 유발시키는 원인이 되고 있어 불법 주정차가 이루어지지 않도록 계도와 단속, 및 견인을 병행하고 있으나 주차단속 요원의 부족과 단속 장비의 미비로 적절한 단속이 이루어지지 못하고 있는 실정이다.In particular, illegal parking on the road hinders the flow of traffic and causes traffic accidents.At the same time, illegal parking is being carried out in parallel with traffic, crackdown, and towing. Crackdown is not happening.

종래의 불법 주정차 단속은 단속 현장에서 주차단속 요원이 직접 단속업무를 수행하는 방법과, 단속 지역에 불법 주정차 차량을 단속할 수 있는 무인 장비를 설치하는 방법으로 크게 구분할 수 있다.Conventional illegal parking control can be largely divided into a method for a parking enforcement agent to directly perform a crackdown at a crackdown site and a method of installing an unmanned equipment for cracking down an illegal parking vehicle in a crackdown area.

먼저, 주차단속 요원에 의한 불법 주정차 단속의 경우, 주차단속 요원이 단속 지역을 순찰하는 중에 발견되는 불법 주정차 차량에 대한 단속을 수행하는 것으로 단속 효율이 낮고, 효율적인 주차단속이 이루어지지 못하는 문제가 있다.First, in the case of the illegal parking stop by the parking enforcement agent, the enforcement of the illegal parking stops found while the parking enforcement personnel patrol the control area has a problem that the enforcement efficiency is low and the effective parking enforcement is not achieved. .

다음, 무인 장비를 통한 불법 주정차 단속의 경우, 불법 주정차 차량의 운전자가 차량 번호판을 촬영하지 못하도록 번호판을 차단하는 편법을 사용하는 경우 주차단속이 거의 이루어지지 못함은 물론, 고가의 장비가 무용지물이 되는 문제가 있었다.Next, in the case of illegal parking control through unmanned equipment, if the driver of the illegal parking vehicle blocks the license plate to prevent the driver from photographing the license plate, parking control is rarely performed, and expensive equipment becomes useless. There was a problem.

따라서, 상기와 같이 다양한 장소에 수없이 설치되는 가로등을 가로를 밝히기 위한 시설물로 사용함은 물론, 가로 주변의 불법 주정차중인 차량의 정보 수집 및 통보를 위한 주차 감시 기능을 병행하여 사용하는 것이 가능한 스마트 가로등을 개발하고, 상기 스마트 가로등을 스마트 도시가 지향하는 유익한 정보전달 및 통신수단의 인터페이스로 사용할 수 있도록 하는 개발이 요구된다.
Therefore, a smart street light that can be used as a facility for illuminating the streets as many as the above, as a facility for illuminating the street, as well as the use of a parking monitoring function for collecting and reporting information of illegally parked vehicles around the street. In order to develop and to use the smart street light as an interface for beneficial information transmission and communication means directed by the smart city is required.

따라서, 본 발명은 상기와 같은 종래의 문제점을 해결하기 위해 안출된 것으로서, 본 발명의 목적은 주차단속의 소요 시간 단축과 도로 기능의 회복을 통해 보행과 차량의 소통이 원활히 제공될 수 있도록 가로 주변에 설치되는 스마트 가로등을 통해 불법 주정차중인 차량의 정보 수집 및 통보가 이루어지도록 하는 스마트 가로등을 활용한 주차 단속 시스템 및 그 방법을 제공하는 데 있다.Accordingly, the present invention has been made to solve the above-mentioned conventional problems, the object of the present invention is to reduce the required time of parking enforcement and to restore the road function, so that the pedestrian and vehicle communication can be provided smoothly around the street The present invention provides a parking control system and a method using a smart street light to collect and notify information of an illegally parked vehicle through a smart street light installed in the vehicle.

또한, 본 발명의 다른 목적은 주차와 관련한 지역 주민의 민원 분쟁이 최소화될 수 있도록 우선 단속 지침 정보에 따라 지자체별로 차별화된 주차단속이 진행될 수 있도록 하는 스마트 가로등을 활용한 주차 단속 시스템 및 그 방법을 제공하는 데 있다.In addition, another object of the present invention is to provide a parking control system and method using a smart street light to allow the differentiated parking enforcement for each municipality according to the enforcement guidance information in order to minimize the civil dispute of the local residents related to parking. To provide.

또한, 본 발명의 다른 목적은 제한적인 주차단속 요원의 효율적 활용 및 배치를 통해 주차단속의 관리 효율이 증대되도록 하는 스마트 가로등을 활용한 주차 단속 시스템 및 그 방법을 제공하는 데 있다.In addition, another object of the present invention to provide a parking control system and method using a smart street light to increase the management efficiency of the parking control through the efficient use and placement of limited parking enforcement personnel.

또한, 본 발명의 다른 목적은 야간의 가로 교통의 안전과 보행자에 대한 범죄예방을 위한 조명을 제공하는 스마트 가로등을 가로 주변의 상황에 따라 조도 레벨을 선택적으로 제어함으로써 스마트 가로등의 에너지 사용이 효율적으로 관리되고, 에너지 절감이 증대될 수 있도록 하는 스마트 가로등을 활용한 주차 단속 시스템 및 그 방법을 제공하는 데 있다.In addition, another object of the present invention is to efficiently control the use of the energy of the smart street light by selectively controlling the illumination level according to the situation around the street of the smart street lamp that provides lighting for the safety of the street traffic at night and crime prevention for pedestrians The present invention provides a parking control system and method using smart street lights that can be managed and energy saving can be increased.

또한, 본 발명의 다른 목적은 복수의 스마트 가로등을 유선의 통신네트워크로 그룹화하여 통신수단으로 사용하는 것이 가능함은 물론, 가로 주변의 환경정보로부터 등급별 환경대응정보를 제공하는 정보전달의 매체로서도 사용될 수 있도록 하는 스마트 가로등을 활용한 주차 단속 시스템 및 그 방법을 제공하는 데 있다.In addition, another object of the present invention can be used as a communication means by grouping a plurality of smart streetlights in a wired communication network, as well as can be used as a medium for information transfer to provide environmental response information for each grade from the environmental information around the street. The present invention provides a parking control system using smart street lights and a method thereof.

또한, 본 발명의 다른 목적은 스마트 가로등의 원격 관리를 통한 스마트 가로등의 관리의 편의성 및 효율성이 증대되고, 스마트 도시가 지향하는 도시환경의 구축에 새로운 모델로 제시될 수 있는 스마트 가로등을 활용한 주차 단속 시스템 및 그 방법을 제공하는 데 있다.
In addition, another object of the present invention is to increase the convenience and efficiency of smart street light management through the remote management of smart street lights, parking using smart street lights that can be presented as a new model for the construction of the urban environment oriented smart city An intermittent system and method are provided.

상기와 같은 목적을 달성하기 위한 제1 발명은, 가로를 밝히기 위한 조명부를 구비하며, 상기 가로 주변에 불법 주정차중인 차량에 대한 주차단속 대상정보를 수집 및 통보하는 스마트 가로등; 무선 통신망을 매개로 상기 주차단속 대상정보를 수신하며, 상기 주차단속 대상정보를 통보한 스마트 가로등의 주변에 불법 주정차중인 차량에 대한 주차단속을 수행하고, 그에 따른 주차단속 정보를 등록하는 휴대용 디바이스; 및 상기 스마트 가로등으로부터 통보받은 주차단속 대상정보를 무선 통신망을 매개로 상기 휴대용 디바이스로 전달하며, 상기 휴대용 디바이스로부터 주차단속 정보를 받아 등록 관리하며, 상기 주차단속에 따른 행정처리의 수행 결과를 갱신 처리하는 주차단속 서버;를 포함하며, 상기 스마트 가로등은, 상기 주차단속 대상정보에 자신의 스마트 가로등 식별정보를 포함하여 제공하는 스마트 가로등을 활용한 주차 단속 시스템을 개시한다.A first invention for achieving the above object, Smart street light having a lighting unit for illuminating the street, collecting and notifying the parking control target information for the illegally parked vehicle around the street; A portable device configured to receive the parking control target information through a wireless communication network, to perform the parking control for the illegally parked vehicle around the smart street light that informed the parking control target information, and to register the parking control information accordingly; And transmitting the parking control subject information notified from the smart street light to the portable device through a wireless communication network, receiving and controlling parking control information from the portable device, and updating and performing a result of performing administrative processing according to the parking control. And a parking control server, wherein the smart street light discloses a parking control system using a smart street light that includes the smart street light identification information in the parking control target information.

상기와 같은 목적을 달성하기 위한 제2 발명은, (a) 스마트 가로등이 불법 주정차중인 차량에 대한 주차단속 대상정보를 수집 및 통보하는 단계; (b) 주차단속 서버가 상기 스마트 가로등으로부터 통보받은 주차단속 대상정보를 휴대용 디바이스로 중계 전송하는 단계; (c) 상기 휴대용 디바이스가 상기 스마트 가로등의 주변에 불법 주정차중인 차량에 대한 주차단속을 수행하고, 그에 따른 주차단속 정보를 등록하는 단계; 및 (d) 상기 주차단속 서버가 상기 주차단속에 따른 행정처리의 수행 결과를 갱신 처리하는 단계;로 이루어지는 스마트 가로등을 활용한 주차 단속 방법을 개시한다.
According to a second aspect of the present invention, there is provided a method including: (a) collecting and notifying parking control subject information about a vehicle in which a smart street light is illegally parked; (b) the parking control server relaying the parking control target information notified from the smart street light to the portable device; (c) performing, by the portable device, parking control for the illegally parked vehicle around the smart street light, and registering parking control information accordingly; And (d) updating, by the parking control server, a result of performing the administrative processing according to the parking control. The parking control method using the smart street light is disclosed.

상술한 바와 같이 본 발명에 의한 스마트 가로등을 활용한 주차 단속 시스템 및 그 방법에 의하면, 가로 주변에 설치되는 스마트 가로등을 통해 불법 주정차중인 차량의 정보 수집과 통보가 이루어지도록 함으로써 주차단속에 소요되는 시간이 줄어들고, 도로 기능의 회복을 통해 보행과 차량의 소통이 원활해지도록 하는 효과를 제공한다.According to the parking control system and the method using the smart street light according to the present invention as described above, the time required for the parking control by making the information collection and notification of the illegally parked vehicle through the smart street lights installed around the street This reduces the road function and provides the effect of smoothing the communication between walking and vehicles.

또한, 본 발명은 우선 단속 지침 정보에 따라 차별화된 주차단속을 함으로써 지역 주민에 의해 발생하는 주차관련한 민원 분쟁이 최소화될 수 있도록 하는 효과를 제공한다.In addition, the present invention provides an effect of minimizing the parking disputes caused by local residents by differentiated parking control in accordance with the enforcement guidance information.

또한, 본 발명은 주차단속 요원의 효율적 활용 및 배치가 가능하며, 그에 따른 주차단속의 관리 효율이 증대되도록 하는 효과가 있다.In addition, the present invention can effectively utilize and arrange the parking enforcement personnel, and there is an effect to increase the management efficiency of the parking enforcement.

또한, 본 발명은 가로 주변의 상황에 따라 스마트 가로등의 조명 레벨을 제어함으로써 가로등의 불필요한 전력소비를 줄여 스마트 가로등의 에너지 사용이 효율적으로 관리되고, 에너지 절감이 증대되도록 하는 효과가 있다.In addition, the present invention has the effect of reducing the unnecessary power consumption of the street lamp by controlling the lighting level of the smart street lamp according to the situation around the street to efficiently manage the energy use of the smart street lamp, energy saving is increased.

또한, 본 발명은 인접하는 스마트 가로등과 유선의 통신네트워크를 형성하여 정보 공유를 위한 통신이 가능하며, 가로 주변의 환경정보로부터 등급별 환경대응정보를 제공하는 정보전달의 매체로 사용되는 효과가 있다.In addition, the present invention forms a wired communication network with the adjacent smart street light to enable communication for information sharing, there is an effect that is used as a medium for information transfer to provide environmental response information for each grade from the environmental information around the street.

또한, 본 발명은 가로를 밝히기 위한 조명 시설물로서 야간의 가로 교통의 안전과 보행자에 대한 범죄예방을 위한 조명을 제공하며, 다양한 디지털 콘텐츠 정보를 제공하는 효과가 있다.In addition, the present invention provides a lighting facility for illuminating the street and provide lighting for the safety of the street traffic at night and crime prevention for pedestrians, and provides a variety of digital content information.

또한, 본 발명은 스마트 가로등의 원격 관리가 가능하며, 이를 통한 스마트 가로등의 관리의 편의성 및 효율성이 증대되는 효과가 있다.In addition, the present invention is capable of remote management of the smart street light, thereby increasing the convenience and efficiency of the management of the smart street light.

또한, 본 발명은 스마트 도시가 지향하는 도시환경의 구축에 새로운 모델로 제시될 수 있는 효과가 있다.
In addition, the present invention has the effect that can be presented as a new model in the construction of the urban environment oriented smart city.

도 1은 본 발명의 제1 실시예에 따른 스마트 가로등을 활용한 주차 단속 시스템을 나타낸 전체 구성도,
도 2는 본 발명에 따른 스마트 가로등을 활용한 주차 단속 시스템에 일례로 적용되는 스마트 가로등을 나타낸 기능블록도,
도 3은 본 발명에 따른 스마트 가로등을 활용한 주차 단속 시스템에 일례로 적용되는 스마트 가로등을 나타낸 외부 구성도,
도 4는 본 발명의 제2 실시예에 따른 스마트 가로등을 활용한 주차 단속 방법을 나타낸 동작 순서도,
도 5는 도 4에 따른 주차 단속 방법에서, 주차단속 대상정보의 수집 및 통보 단계의 세부 동작과정을 나타낸 동작순서도,
도 6은 도 4에 따른 주차 단속 방법에서, 주차단속 정보의 등록 단계의 세부 동작과정을 나타낸 동작순서도 이다.
1 is an overall configuration diagram showing a parking control system using a smart street light according to a first embodiment of the present invention,
2 is a functional block diagram illustrating a smart street light applied as an example to a parking control system using a smart street light according to the present invention;
3 is an external configuration diagram illustrating a smart street light applied as an example to a parking control system using a smart street light according to the present invention;
4 is an operation flowchart showing a parking control method using a smart street light according to a second embodiment of the present invention;
5 is a flowchart illustrating a detailed operation of the collection and notification step of the parking control target information in the parking control method according to FIG.
6 is a flowchart illustrating a detailed operation of the registration step of the parking enforcement information in the parking enforcement method according to FIG. 4.

이하, 본 발명의 바람직한 실시예를 첨부된 도면들을 참조하여 상세히 설명한다. 우선 각 도면의 구성요소들에 참조부호를 부가함에 있어서, 동일한 구성요소들에 대해서는 비록 다른 도면상에 표시되더라도 가능한 한 동일한 부호를 가지도록 하고 있음에 유의해야 한다. 또한, 본 발명을 설명함에 있어, 관련된 공지 구성 또는 기능에 대한 구체적인 설명이 본 발명의 요지를 흐릴 수 있다고 판단되는 경우에는 그 상세한 설명은 생략한다.Hereinafter, exemplary embodiments of the present invention will be described in detail with reference to the accompanying drawings. In the drawings, the same reference numerals are used to designate the same or similar components throughout the drawings. In the following description of the present invention, a detailed description of known functions and configurations incorporated herein will be omitted when it may make the subject matter of the present invention rather unclear.

본 발명을 설명함에 있어서, 정의되는 용어들은 본 발명에서의 기능을 고려하여 정의 내려진 것으로, 이는 당 분야에 종사하는 기술자의 의도 또는 관례 등에 따라 달라질 수 있으므로 그 정의는 본 명세서 전반에 걸친 내용을 토대로 내려져야 할 것이다.In describing the present invention, the defined terms are defined in consideration of the functions of the present invention, and they can be changed according to the intention or custom of the technician working in the field, and the definition is based on the contents throughout this specification It should be reduced.

도 1은 본 발명의 제1 실시예에 따른 스마트 가로등을 활용한 주차 단속 시스템을 나타낸 전체 구성도이다.1 is an overall configuration diagram showing a parking control system using a smart street light according to a first embodiment of the present invention.

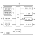
본 발명의 제1 실시예에 따른 스마트 가로등을 활용한 주차 단속 시스템은 도 1에 도시된 바와 같이, 스마트 가로등(100), 휴대용 디바이스(200), 및 주차단속 서버(300)로 구성될 수 있다.Parking control system using a smart street light according to the first embodiment of the present invention may be composed of a smart street light 100, a portable device 200, and a parking enforcement server 300, as shown in FIG. .

상기 스마트 가로등(100)은 도 2에 도시된 바와 같이, 가로를 밝히기 위한 조명부(110)를 구비하며, 상기 가로 주변에 불법 주정차중인 차량에 대한 주차단속 대상정보를 수집하고 통보한다.As illustrated in FIG. 2, the smart street light 100 includes a lighting unit 110 for illuminating a street, and collects and notifies parking control subject information about a vehicle that is illegally parked around the street.

이때, 상기 스마트 가로등(100)은 상기 주차단속 대상정보에 자신의 스마트 가로등 식별정보를 포함하여 제공함으로써, 불법 주정차중인 차량의 위치가 확인될 수 있도록 한다.In this case, the smart street light 100 includes its smart street light identification information in the parking control target information, so that the location of the illegally parked vehicle can be identified.

또한, 상기 조명부(110)는 상기 가로 중 차량용 도로를 밝히기 위한 차량용 조명부(111), 및 상기 가로 중 보행자용 통행로를 밝히기 위한 보행자용 조명부(112) 중 어느 하나 또는 조합으로 구성될 수 있다.In addition, the lighting unit 110 may be composed of any one or a combination of the vehicle lighting unit 111 for illuminating the vehicle road in the street, and the pedestrian lighting unit 112 for illuminating the pedestrian passage in the street.

그리고, 상기 차량용 조명부(111) 및 보행자용 조명부(112) 각각은 조명의 광원으로서 하나 이상의 LED로 구성됨이 바람직하다.In addition, each of the vehicle lighting unit 111 and the pedestrian lighting unit 112 is preferably composed of one or more LEDs as a light source of illumination.

이는, 조명의 광원으로 사용되는 복수의 LED 중 일부 또는 전체를 선택적으로 점등시킴으로써, 스마트 가로등(100)의 불필요한 전력소비를 막고, 효율적인 점등 제어가 구현되도록 하는 작용효과를 제공한다.This, by selectively lighting a part or all of the plurality of LEDs used as a light source of the illumination, thereby preventing the unnecessary power consumption of the smart street light 100, and provides an effect that the effective lighting control is implemented.

또한, 상기 스마트 가로등(100)은 상기 불법 주정차중인 차량의 번호판 촬영 및 문자 판독을 통해 차량번호를 입수하고, 후술할 차량등록DB(301)의 조회를 통해 지자체 등록차량인지를 판단하며, 상기 주차단속 대상정보에 상기 지자체 등록차량 판단정보를 더 포함하여 제공할 수도 있다.In addition, the smart street light 100 obtains the vehicle number by photographing the license plate and reading the character of the illegally parked vehicle, and determines whether it is a registered municipal vehicle through inquiry of the vehicle registration DB 301 to be described later, the parking The municipality registration vehicle determination information may be further included in the subject information for enforcement.

이때, 상기 차량번호 입수를 위한 문자 판독은 일례로서 광학식 문자 판독기(Optical character reader)가 적용될 수 있다.In this case, as an example, an optical character reader may be applied to read a character for obtaining the vehicle number.

도 2는 본 발명에 따른 스마트 가로등을 활용한 주차 단속 시스템에 일례로 적용되는 스마트 가로등을 나타낸 기능블록도 이다.2 is a functional block diagram showing a smart street light applied as an example to the parking control system using a smart street light according to the present invention.

상기 스마트 가로등(100)은 도 2에 도시된 바와 같이, 유선 통신부(120), 개인근거리 무선통신부(130), 환경감지 센서부(140), 저장부(150), 카메라부(160), 속도감지부(170), 정보출력부(180), 및 가로등 제어부(190) 중 어느 하나 이상을 더 포함하여 구성됨이 바람직하다.As shown in FIG. 2, the smart street light 100 includes a wired communication unit 120, a personal short range wireless communication unit 130, an environmental sensor unit 140, a storage unit 150, a camera unit 160, and a sense of speed. The branch unit 170, the information output unit 180, and the street light controller 190 is preferably configured to further include any one or more.

상기 유선 통신부(120)는 상기 스마트 가로등(100)에 구비되며, 인접하는 다른 스마트 가로등(100)과 케이블의 연결을 통한 유선의 통신네트워크 형성에 사용된다.The wired communication unit 120 is provided in the smart street light 100, and is used to form a wired communication network through a cable connection with another adjacent smart street light 100.

또한, 상기 유선 통신부(120) 각각은 상기 주차단속 서버(300)와 스마트 가로등 식별정보를 인식하는 방식의 통신을 수행하며, 이러한 통신을 통해 상기 스마트 가로등(100)의 운영과 관련된 각종 데이터와, 등급별 환경대응정보, 및 디지털 콘텐츠 정보를 갱신하게 된다.In addition, each of the wired communication unit 120 communicates with the parking control server 300 in a manner of recognizing smart street light identification information, and through the communication, various data related to the operation of the smart street light 100, The environmental response information and the digital content information for each grade are updated.

그리고, 상기 개인근거리 무선통신부(130)는 상기 스마트 가로등(100)에 구비되며, 상기 휴대용 디바이스(200)로 불법 주정차중인 차량에 대한 주차단속 대상정보를 근거리에 위치하는 휴대용 디바이스(200)로 직접 통보하는 역할을 한다.In addition, the personal short-range wireless communication unit 130 is provided in the smart street light 100, the portable device 200 directly to the portable device 200 located at a short distance to the parking control target information for the illegally parked vehicle. It serves to inform.

이는, 상기 휴대용 디바이스(200)가 주차단속 대상정보를 통보하는 스마트 가로등(100)의 개인근거리 무선통신 영역에 위치하는 경우, 신속한 주차 단속의 처리가 가능해진다.When the portable device 200 is located in the personal short-range wireless communication area of the smart street light 100 for notifying the parking control target information, it is possible to quickly process the parking control.

상기 개인근거리 무선통신부(130)는 UWB(ultra wideband), WLAN(Wireless Local Area Network), 블루투스(Bluetooth), 및 지그비(ZigBee) 중 하나 또는 둘 이상의 조합으로 구성될 수 있으며, 상기 휴대용 디바이스(200)는 상기 개인근거리 무선통신부(130)에 대응하는 무선 모듈을 탑재함이 바람직하다.The personal local area wireless communication unit 130 may be configured of one or two or more combinations of ultra wideband (UWB), wireless local area network (WLAN), Bluetooth, and ZigBee, and the portable device 200 ) Is preferably equipped with a wireless module corresponding to the personal short-range wireless communication unit 130.

여기서, 상기 개인근거리 무선통신부(130)는 개인근거리 무선통신망으로서 1 ~ 수십 미터의 통신범위를 가지며, 전파의 송신 출력 및 수신감도에 따라 통신범위를 가변하여 운영할 수 있다.Here, the personal short-range wireless communication unit 130 as a personal short-range wireless communication network has a communication range of 1 ~ several tens of meters, it can be operated by varying the communication range according to the transmission output and reception sensitivity of the radio wave.

상기 환경감지 센서부(140)는 가로 주변의 각종 환경정보를 수집하며, 상기 스마트 가로등(100)의 운영 관리에 필요한 정보로 제공한다.The environmental sensor 140 collects various environmental information around the street, and provides the information necessary for the operation management of the smart street light 100.

이때, 상기 환경감지 센서부(140)는 조도 센서, 오존 센서, 자외선 센서, 대기오염 센서, 온도 센서, 안개 센서, 및 풍향 센서를 포함하는 환경 센서(미도시)들 중 어느 하나 또는 둘 이상의 조합으로 구성될 수 있다.At this time, the environmental sensor 140 is an environmental sensor (not shown) including a light sensor, ozone sensor, ultraviolet sensor, air pollution sensor, temperature sensor, fog sensor, and wind direction sensor or a combination of two or more. It may be configured as.

여기서, 상기 조도 센서는 가로 주변의 광량을 검출하여 제공하며, 상기 오존 센서는 가로 주변의 오존량을 검출하여 제공하며, 자외선 센서는 가로 주변의 자외선 량을 검출하여 제공하며, 대기오염 센서는 가로 주변의 미세 먼지 또는 황사를 검출하여 제공하게 된다.Here, the illuminance sensor detects and provides the amount of light around the street, the ozone sensor detects and provides the amount of ozone around the street, the ultraviolet sensor detects and provides the amount of ultraviolet light around the street, and the air pollution sensor detects the street around. To detect and provide fine dust or yellow sand.

이때, 상기 대기오염 센서는 상기의 미세 먼지 또는 황사 이외에 대기중에 분포하는 각종 유해물질(예;이산화탄소)을 검출하는 센서로 대체 또는 포함하는 구성으로 이루어질 수 있다.In this case, the air pollution sensor may be configured to replace or include a sensor for detecting various harmful substances (eg, carbon dioxide) distributed in the air in addition to the fine dust or yellow sand.

그리고, 상기 온도 센서는 가로 주변의 온도를 측정하여 제공하며, 상기 안개 센서는 가로 주변의 대기중 습도 량을 검출하여 제공하며, 상기 풍향 센서는 가로 주변의 풍속 및 풍향을 검출하여 제공한다.The temperature sensor measures and provides a temperature around the street, and the fog sensor detects and provides an atmospheric humidity amount around the street, and the wind direction sensor detects and provides a wind speed and a wind direction around the street.

상기 저장부(150)는 스마트 가로등 식별정보를 포함하는 가로등 운영과 관련된 운영 정보, 등급별 환경대응정보, 및 디지털 콘텐츠 정보를 저장한다.The storage unit 150 stores operation information related to the operation of the street light including smart street light identification information, environmental response information for each grade, and digital content information.

이때, 상기 디지털 콘텐츠 정보는 스마트 가로등(100)이 위치하는 지역을 기반으로 하는 지역 안내, 지역 광고, 지역 이벤트 행사, 및 지역 공익 정보 등이 포함될 수 있으며, 이 외에도 지역에 한정되지 않는 공공의 다양한 콘텐츠 정보가 포함될 수 있다.In this case, the digital content information may include a local guide based on the area where the smart street light 100 is located, local advertisements, local event events, and local public information. Content information may be included.

상기 카메라부(160)는 상기 스마트 가로등(100)의 주변에 불법 주정차중인 차량을 포함한 가로 주변의 차량 또는 보행자의 움직임을 촬상하기 위한 하나 이상의 CCTV 카메라(161)를 구비한다.The camera unit 160 includes one or more CCTV cameras 161 for capturing the movement of a vehicle or a pedestrian around a street including an illegally parked vehicle around the smart street light 100.

그리고, 상기 속도감지부(170)는 상기 가로 중 차량용 도로를 주행하는 차량의 속도를 검출하여 제공한다.The speed detecting unit 170 detects and provides a speed of the vehicle traveling on the road of the vehicle.

상기 정보출력부(180)는 상기 등급별 환경대응정보 또는 설정된 디지털 콘텐츠 정보를 출력한다.The information output unit 180 outputs the environmental response information for each grade or the set digital content information.

이때, 상기 정보출력부(180)는 상기 등급별 환경대응정보 또는 디지털 콘텐츠 정보를 모니터(예, LCD)를 통해 영상으로 제공할 수 있으며, 또한 상기 출력되는 영상 정보와 더불어 음향을 더 출력할 수도 있다.In this case, the information output unit 180 may provide the environmental response information or digital content information for each grade as an image through a monitor (for example, an LCD), and may further output a sound together with the output image information. .

그리고, 상기 등급별 환경대응정보를 출력하는 경우에는 영상 출력을 더욱 세분화하여 제공할 수 있다. 예를 들면, 환경정보를 아이콘으로 구분하여 표시하고, 등급별 환경대응정보를 적색, 황색, 녹색 등의 색상으로 표현하여 제공함으로써 가로 주변의 보행자들이 쉽게 인식하고 대응할 수 있도록 하는 정보 전달의 작용효과를 제공한다.In the case of outputting the environmental response information for each grade, the image output may be further subdivided and provided. For example, by displaying the environmental information divided into icons and expressing the environmental response information for each grade in colors such as red, yellow, and green, the effect of information transmission for pedestrians around the street can be easily recognized and responded. to provide.

상기 가로등 제어부(190)는 미리 설정된 점멸 구동조건에 따라 상기 조명부(110)의 점멸 구동을 제어하며, 상기 수집된 주차단속 대상정보의 통보 제어를 수행한다.The street lamp controller 190 controls the blinking of the lighting unit 110 according to a preset blinking driving condition, and performs notification control of the collected parking enforcement subject information.

또한, 상기 가로등 제어부(190)는 상기 CCTV 카메라(161)에 의해 촬영된 촬상신호의 영상처리를 위한 움직임 검출(motion detection) 소프트웨어를 탑재하며, 상기 환경감지 센서부(140)로부터 수집된 환경정보에 따른 등급별 환경대응정보의 출력 제어를 포함한 디지털 콘텐츠 정보의 출력 제어를 수행한다.In addition, the street light controller 190 is equipped with a motion detection software for image processing of the image signal captured by the CCTV camera 161, the environmental information collected from the environmental sensor 140 Output control of digital content information including output control of environmental response information for each grade is performed.

그리고, 상기 가로등 제어부(190)는 상기 카메라부(160)로부터 제공되는 차량 또는 보행자의 움직임 검출 정보에 따라 크라우디드 모드(crowded mode)를 반영한 상기 조명부(110)의 조도 제어를 수행한다.The streetlight controller 190 performs illumination control of the lighting unit 110 reflecting the crowded mode according to the motion detection information of the vehicle or the pedestrian provided from the camera unit 160.

또한, 상기 가로등 제어부(190)는 가로 주변의 당일 일조량에 의한 조도 조건, 및 계절적 환경에 대응하여 수년간 누적된 일출 또는 일몰의 평균값을 1년 365일자별로 반영한 시간 조건 중 어느 하나 또는 조합을 통해 스마트 가로등(100)의 조명 구동을 제어한다.In addition, the street light controller 190 is smart through any one or combination of the illumination conditions of the daylight around the street, and the time conditions reflecting the average value of the sunrise or sunset accumulated over the years for each year 365 days corresponding to the seasonal environment The lighting driving of the street lamp 100 is controlled.

이때, 상기 가로등 제어부(190)는 스마트 가로등(100) 주변의 보행자의 수, 보행자 위치, 보행자 이동경로, 보행자 분포, 및 가로 주변의 환경상태를 반영하는 크라우디드 모드를 반영하여 상기 스마트 가로등(100)에 배치되는 조명부(110)의 광원을 개별적으로 구동 제어할 수 있다.In this case, the street light controller 190 reflects the crowded mode reflecting the number of pedestrians around the smart street light 100, the pedestrian position, the pedestrian movement path, the pedestrian distribution, and the environmental conditions around the street. The light source of the lighting unit 110 disposed in the) may be individually controlled to drive.

즉, 상기 조명부(110)의 광원으로 설치되는 복수의 LED 중 일부 또는 전체를 선택적으로 점등 제어함을 의미한다.That is, it means to selectively control the lighting of some or all of the plurality of LEDs installed as the light source of the lighting unit 110.

상기 휴대용 디바이스(200)는 주차단속 요원이 휴대하는 이동단말기로서, 무선 통신망(10)을 매개로 주차단속 대상정보를 수신하고, 상기 주차단속 대상정보를 통보한 스마트 가로등(100)의 주변에 불법 주정차중인 차량에 대한 주차단속을 수행하고, 그에 따른 주차단속 정보를 등록한다.The portable device 200 is a mobile terminal carried by a parking enforcement agent. The portable device 200 receives parking control target information through a wireless communication network 10 and illegally surrounds the smart street light 100 that notifies the parking control target information. Car parking control is performed on the vehicle being parked and the parking control information is registered accordingly.

그리고, 상기 주차단속 서버(300)는 상기 스마트 가로등(100)으로부터 통보받은 주차단속 대상정보를 무선 통신망(10)을 매개로 휴대용 디바이스(200)로 전달하며, 상기 휴대용 디바이스(200)로부터 주차단속 정보를 받아 등록 관리하며, 상기 주차단속에 따른 행정처리의 수행 결과를 갱신 처리한다.The parking control server 300 transmits the parking control target information notified from the smart street light 100 to the portable device 200 via the wireless communication network 10, and controls the parking control from the portable device 200. Receives and manages the registration information, and updates the result of performing the administrative processing according to the parking control.

또한, 상기 주차단속 서버(300)는 지자체에 등록된 차량정보를 저장하기 위한 차량등록DB(301)를 더 구비하며, 상기 불법 주정차에 대한 상황별 우선 단속 지침정보를 더 제공함이 바람직하다.In addition, the parking enforcement server 300 further includes a vehicle registration DB 301 for storing vehicle information registered in the local government, and preferably further provides situation-specific priority enforcement guidance information for the illegal parking.

이때, 상기 우선 단속 지침정보는 상기 불법 주정차중인 차량이 밀집된 크라우디드 장소 조건, 및 주차단속 요원이 위치하는 근접 장소 조건을 우선하며, 상기 조건 안에서도 지자체 등록 차량과 외지의 미등록 차량을 구분하여 외지 차량을 우선적으로 단속하고, 지자체 등록 차량에 대해서는 선 계도 이후 단속 처리함이 바람직하다.In this case, the priority enforcement guidance information prioritizes crowded place conditions where the illegally parked vehicles are concentrated, and the proximity place conditions where the parking enforcement personnel are located, and within the above conditions, the registered vehicle and the unregistered vehicles of the outside are classified into foreign vehicles. It is preferable to crack down on the priority and to crack down on the registration of the municipality after the wire map.

도 3은 본 발명에 따른 스마트 가로등을 활용한 주차 단속 시스템에 일례로 적용되는 스마트 가로등을 나타낸 외부 구성도이다.3 is an external configuration diagram illustrating a smart street light applied as an example to a parking control system using a smart street light according to the present invention.

상기 스마트 가로등(100)은 도 3에 도시된 바와 같이, 차량용 조명부(111)와 보행자용 조명부(112)를 구비하며, 상기 차량용 조명부(111)가 설치된 차량용 폴(미도시)에 CCTV 카메라(161)와 속도감지부(170)가 배치되며, 상기 보행자용 조명부(112)가 설치된 보행자용 폴(미도시)에는 CCTV 카메라(161)가 배치된다.As shown in FIG. 3, the smart street light 100 includes a vehicle lighting unit 111 and a pedestrian lighting unit 112, and a CCTV camera 161 in a vehicle pole (not shown) in which the vehicle lighting unit 111 is installed. ) And the speed detection unit 170 is disposed, the CCTV camera 161 is disposed on the pedestrian pole (not shown) in which the pedestrian lighting unit 112 is installed.

그리고, 상기 스마트 가로등(100)의 기둥 역할을 하는 가로용 폴(미도시)에는 환경감지 센서부(140)와, 정보출력부(180)가 배치된다.In addition, an environmental sensor 140 and an information output unit 180 are disposed in a horizontal pole (not shown) serving as a pillar of the smart street light 100.

도 3의 (a) 및 (b)는 상기의 구성을 가지는 스마트 가로등(100)의 다양한 외부 형상을 나타내는 일례이다.3A and 3B are examples showing various external shapes of the smart street light 100 having the above configuration.

도 4는 본 발명의 제2 실시예에 따른 스마트 가로등을 활용한 주차 단속 방법을 나타낸 동작 순서도 이다.4 is a flowchart illustrating a parking control method using a smart street light according to a second embodiment of the present invention.

먼저, 스마트 가로등(100)은 가로 주변에 불법 주정차중인 차량에 대한 주차단속 대상정보를 수집 및 통보한다(S100).First, the smart street light 100 collects and notifies the parking control target information for the illegally parked vehicle around the street (S100).

여기서, 상기 주차단속 대상정보를 수집 및 통보하는 단계(S100)의 세부 동작과정을 첨부된 도면을 참조하여 설명하면 다음과 같다.Here, a detailed operation process of the step of collecting and notifying the parking control target information (S100) will be described with reference to the accompanying drawings.

도 5는 본 발명에 따른 주차 단속 방법에서, 주차단속 대상정보의 수집 및 통보 단계(S100)의 세부 동작과정을 나타낸 동작순서도 이다.5 is a flowchart illustrating a detailed operation of the step of collecting and notifying the parking control target information (S100) in the parking control method according to the present invention.

상기 스마트 가로등(100)은 가로 주변에 차량이 불법 주정차하는 경우, 불법 주정차중인 차량의 번호판을 CCTV 카메라(161)를 통해 촬영하고 문자 판독을 수행한다(S101).When the vehicle is illegally parked around the street, the smart street light 100 photographs the license plate of the illegally parked vehicle through the CCTV camera 161 and performs character reading (S101).

다음, 상기 스마트 가로등(100)은 문자 판독의 수행결과로 입수한 차량번호가 지자체 등록차량인지를 조회한다(S102).Next, the smart street light 100 inquires whether the vehicle number obtained as a result of performing the character reading is the registered vehicle of the municipality (S102).

이때, 상기 조회 방법의 일례로 상기 스마트 가로등(100)이 주차단속 서버(300)와 연결 접속된 상태에서 차량등록 DB(301)를 직접 조회하는 방식과, 상기 스마트 가로등(100)이 입수된 차량번호를 주차단속 서버(300)에 제공하여 문의하고 응답받는 조회 방식 등으로 구현될 수 있다.In this case, as an example of the inquiry method, a method of directly inquiring the vehicle registration DB 301 in a state in which the smart street light 100 is connected to the parking control server 300 and a vehicle in which the smart street light 100 is obtained. Providing the number to the parking control server 300 may be implemented in an inquiry method and the like receiving inquiries and responses.

다음, 상기 스마트 가로등(100)은 조회 결과로 얻은 지자체 등록차량 판단정보를 상기 주차단속 대상정보에 포함시켜 주차단속 서버(300)로 통보한다(S103).Next, the smart street light 100 includes the vehicle registration vehicle determination information obtained as a result of the inquiry in the parking control target information to notify the parking control server 300 (S103).

한편, 상기 스마트 가로등(100)은 상기 주차단속 대상정보를 개인근거리 무선통신을 통해 근거리에 위치하는 휴대용 디바이스(200)로 직접 통보(S104)할 수도 있다.Meanwhile, the smart street light 100 may directly notify the parking control target information to the portable device 200 located at a short distance through personal close range wireless communication (S104).

다음, 상기 주차단속 서버(300)는 상기 스마트 가로등(100)으로부터 통보받은 주차단속 대상정보를 휴대용 디바이스(200)로 중계 전송한다(S200).Next, the parking control server 300 relays the parking control target information notified from the smart street light 100 to the portable device 200 (S200).

다음, 상기 휴대용 디바이스(200)는 상기 스마트 가로등(100)의 주변에 불법 주정차중인 차량에 대한 주차단속을 수행하고, 그에 따른 주차단속 정보를 등록한다(S300).Next, the portable device 200 performs the parking control for the illegally parked vehicle around the smart street light 100, and registers the parking control information accordingly (S300).

여기서, 상기 주차단속 정보의 등록 단계(S300)에 대한 세부 동작과정을 첨부된 도면을 참조하여 설명하기로 한다.Here, a detailed operation process of the registration step of the parking control information (S300) will be described with reference to the accompanying drawings.

도 6은 본 발명에 따른 주차 단속 방법에서, 주차단속 정보의 등록 단계(S300)의 세부 동작과정을 나타낸 동작순서도 이다.6 is a flowchart illustrating a detailed operation of the registration step (S300) of the parking enforcement information in the parking enforcement method according to the present invention.

먼저, 상기 휴대용 디바이스(200)는 주차단속 대상정보를 수신한다(S301).First, the portable device 200 receives parking control target information (S301).

이때, 상기 휴대용 디바이스(200)는 무선 통신망(10)을 매개로 주차단속 서버(300)로부터 주차단속 대상정보를 수신하며, 또 다른 수신 방법으로는 상기 스마트 가로등(100)의 개인근거리 무선통신을 통해 인접한 위치에서 주차단속 대상정보를 수신할 수 있다.At this time, the portable device 200 receives the parking control target information from the parking control server 300 via the wireless communication network 10, and another reception method is to perform personal near field wireless communication of the smart street light 100. Through the parking control target information can be received from the adjacent position.

다음, 상기 휴대용 디바이스(200)는 상기 수신된 주차단속 대상정보에 포함된 스마트 가로등 식별정보를 분석하여 불법 주정차중인 차량의 주차단속 위치를 제공한다(S302).Next, the portable device 200 analyzes the smart street light identification information included in the received parking control target information and provides a parking control location of an illegally parked vehicle (S302).

이때, 상기 주차단속 위치는 휴대용 디바이스(200)의 표시화면을 통해 지도 정보로 제공될 수 있으며, 이를 통해 주차단속 요원은 주차단속 차량의 위치를 확인하고 신속하게 이동할 수 있게 된다.At this time, the parking enforcement location may be provided as map information through the display screen of the portable device 200, through which the parking enforcement personnel can check the location of the parking enforcement vehicle and move quickly.

다음, 상기 휴대용 디바이스(200)는 상기 수신된 주차단속 대상정보에 포함된 지자체 등록차량 판단정보에 따른 우선 단속 지침 정보를 제공한다(S303).Next, the portable device 200 provides priority enforcement guidance information according to the municipality registration vehicle determination information included in the received parking enforcement target information (S303).

그리고, 상기 휴대용 디바이스(200)는 상기 우선 단속 지침 정보에 따라 불법 주정차중인 차량에 대한 주차 단속을 수행하고, 그에 따른 주차단속 정보를 등록한다(S304).In addition, the portable device 200 performs the parking enforcement for the illegally parked vehicle according to the priority enforcement guidance information and registers the parking enforcement information accordingly (S304).

즉, 주차단속 요원은 상기 휴대용 디바이스(200)를 통해 제공되는 상기 우선 단속 지침 정보에 따라 지자체 등록 차량인 경우 선 계도 이후 스티커를 발부하여 단속 처리하며, 지자체 미등록 외부 차량인 경우 선 계도 없이 스티커를 발부하여 우선 단속 처리한다.That is, the parking enforcement agent issues a crackdown process after the line map in the case of a municipal registration vehicle according to the priority enforcement guidance information provided through the portable device 200, and controls the vehicle without a lineage in the case of an unregistered external vehicle. Issue a crackdown first.

이와 같이, 우선 단속 지침 정보에 따라 차별화된 주차단속을 함으로써 지역 주민에 의해 발생하는 주차관련한 민원 분쟁이 해소될 수 있도록 하는 작용효과를 제공한다.In this way, first, by providing differentiated parking control in accordance with the enforcement guidance information provides a working effect to resolve the civil disputes related to parking caused by local residents.

다음, 상기 주차단속 서버(300)는 상기 주차단속에 따른 행정처리의 수행 결과를 갱신 처리한다(S400).Next, the parking control server 300 updates the execution result of the administrative processing according to the parking control (S400).

즉, 상기 휴대용 디바이스(200)로부터 받은 주차단속 정보를 등록 관리하며, 이후 주차단속에 따른 이의신청의 기간을 거친 후 최종 행정처리의 수행결과를 갱신 처리한다.That is, registration and management of the parking enforcement information received from the portable device 200, and after the period of the objection according to the parking enforcement proceeds to update the execution result of the final administrative process.

본 발명의 가로등 시스템은 CIM(City Information Modeling, 도시 통합 정보 모델은 도시 공간을 구성하고 있는 도시 시설물의 모든 정보를 통합적으로 관리하는 모델링 기법)과 BIM(Building Information Modeling, 건축물을 구성하고 있는 모든 객체의 전 생애 주기 정보를 통합적으로 모델링하는 기술)에 기반하고 있으며, 이러한 방식으로 가로등 시스템이 구성되면, 도시 공간 및 건축물을 포함하고 있는 대지에 설치된 가로등을 통합적으로 운영 관리할 수 있게 된다.The street light system of the present invention is a CIM (City Information Modeling), the city integrated information model is a modeling technique for managing all the information of the urban facilities constituting the urban space (BIM) and BIM (Building Information Modeling), all the objects constituting the building Technology to model life cycle information in a single life cycle, and when street light systems are constructed in this way, it is possible to integrate and manage street lights installed in the ground including urban spaces and buildings.

이상에서 실시예들을 들어 본 발명을 더욱 상세하게 설명하였으나, 본 발명은 반드시 이러한 실시예들로 국한되는 것이 아니고 본 발명의 기술사상을 벗어나지 않는 범위 내에서 다양하게 변형실시될 수 있다. 따라서, 본 발명에 개시된 실시예들은 본 발명의 기술 사상을 한정하기 위한 것이 아니라 설명하기 위한 것이고, 이러한 실시예에 의하여 본 발명의 기술 사상의 범위가 한정되는 것은 아니다. 본 발명의 보호 범위는 아래의 청구범위에 의하여 해석되어야 하며, 그와 동등한 범위 내에 있는 모든 기술 사상은 본 발명의 권리범위에 포함되는 것으로 해석되어야 할 것이다.
Although the present invention has been described in more detail with reference to the embodiments, the present invention is not necessarily limited to these embodiments, and various modifications can be made without departing from the spirit of the present invention. Therefore, the embodiments disclosed in the present invention are intended to illustrate rather than limit the scope of the present invention, and the scope of the technical idea of the present invention is not limited by these embodiments. The scope of protection of the present invention should be construed according to the following claims, and all technical ideas falling within the scope of the same shall be construed as falling within the scope of the present invention.

100 : 스마트 가로등 110 : 조명부
111 : 차량용 조명부 112 : 보행자용 조명부
120 : 유선 통신부 130 : 개인근거리 무선통신부
140 : 환경감지 센서부 150 : 저장부
160 : 카메라부 161 : CCTV 카메라
170 : 속도감지부 180 : 정보출력부
190 : 가로등 제어부 200 : 휴대용 디바이스
300 : 주차단속 서버 301 : 차량등록 DB
100: smart street light 110: lighting unit
111: vehicle lighting unit 112: pedestrian lighting unit
120: wired communication unit 130: personal short-range wireless communication unit
140: environmental detection sensor unit 150: storage unit
160: camera unit 161: CCTV camera
170: speed detection unit 180: information output unit
190: street light control unit 200: portable device
300: parking enforcement server 301: vehicle registration DB

Claims (17)

가로를 밝히기 위한 조명부를 구비하며, 상기 가로 주변에 불법 주정차중인 차량에 대한 주차단속 대상정보를 수집 및 통보하는 스마트 가로등;
무선 통신망을 매개로 상기 주차단속 대상정보를 수신하며, 상기 주차단속 대상정보를 통보한 스마트 가로등의 주변에 불법 주정차중인 차량에 대한 주차단속을 수행하고, 그에 따른 주차단속 정보를 등록하는 휴대용 디바이스; 및
상기 스마트 가로등으로부터 통보받은 주차단속 대상정보를 무선 통신망을 매개로 상기 휴대용 디바이스로 전달하며, 상기 휴대용 디바이스로부터 주차단속 정보를 받아 등록 관리하며, 상기 주차단속에 따른 행정처리의 수행 결과를 갱신 처리하는 주차단속 서버;를 포함하며,
상기 스마트 가로등은,
상기 주차단속 대상정보에 자신의 스마트 가로등 식별정보를 포함하여 제공하는 것을 특징으로 하는 스마트 가로등을 활용한 주차 단속 시스템.
A smart street light having an illumination unit for illuminating a street and collecting and notifying parking control subject information about an illegally parked vehicle around the street;
A portable device configured to receive the parking control target information through a wireless communication network, to perform the parking control for the illegally parked vehicle around the smart street light that informed the parking control target information, and to register the parking control information accordingly; And
Delivering the parking control subject information notified by the smart street light to the portable device through a wireless communication network, receiving and controlling parking control information from the portable device, and updating and performing a result of performing administrative processing according to the parking control. Parking control server; including,
The smart street light,
Parking control system using a smart street light, characterized in that to provide the information on the parking control including the smart streetlight identification information.
제 1항에 있어서,
상기 조명부는,
상기 가로 중 차량용 도로를 밝히기 위한 차량용 조명부; 및
상기 가로 중 보행자용 통행로를 밝히기 위한 보행자용 조명부; 중 어느 하나 또는 조합으로 구성됨을 특징으로 하는 스마트 가로등을 활용한 주차 단속 시스템.
The method of claim 1,
The illumination unit includes:
Vehicle lighting unit for illuminating the road for vehicles in the street; And
Pedestrian lighting unit for illuminating the pedestrian passage of the street; Parking enforcement system using a smart street light, characterized in that consisting of any one or a combination.
제 2항에 있어서,
상기 차량용 조명부 및 보행자용 조명부는,
각각이 하나 이상의 LED로 구성됨을 특징으로 하는 스마트 가로등을 활용한 주차 단속 시스템.
The method of claim 2,
The vehicle lighting unit and the pedestrian lighting unit,
Parking enforcement system using smart street lights, each of which consists of one or more LEDs.
제 1항에 있어서,
상기 스마트 가로등은,
인접하는 다른 스마트 가로등과 케이블의 연결을 통한 유선의 통신네트워크를 형성하기 위한 유선 통신부;를 구비하며,
상기 각각의 유선 통신부는,
상기 주차단속 서버와 스마트 가로등 식별정보를 인식하는 방식의 통신을 수행함을 특징으로 하는 스마트 가로등을 활용한 주차 단속 시스템.
The method of claim 1,
The smart street light,
And a wired communication unit for forming a wired communication network through a connection of another smart street light and a cable adjacent thereto.
Each wired communication unit,
Parking control system using a smart street light, characterized in that for performing the communication method of recognizing the parking control server and smart street light identification information.
제 4항에 있어서,
상기 스마트 가로등은,
상기 불법 주정차중인 차량의 번호판 촬영 및 문자 판독을 통해 차량번호를 입수하고, 차량등록DB의 조회를 통해 지자체 등록차량인지를 판단하며,
상기 주차단속 대상정보에 상기 지자체 등록차량 판단정보를 더 포함하여 제공하는 것을 특징으로 하는 스마트 가로등을 활용한 주차 단속 시스템.
5. The method of claim 4,
The smart street light,
Obtaining the vehicle number through photographing the license plate and reading the license plate of the illegally parked vehicle, and determining whether the vehicle is a municipal registration vehicle through inquiry of the vehicle registration DB,
The parking enforcement system using a smart street light, characterized in that to further provide the information on the parking registration target vehicle registration information to the parking enforcement target information.
제 1항에 있어서,
상기 스마트 가로등은,
상기 휴대용 디바이스로 불법 주정차중인 차량에 대한 주차단속 대상정보를 통보하기 위한 개인근거리 무선통신부;를 더 구비하는 것을 특징으로 하는 스마트 가로등을 활용한 주차 단속 시스템.
The method of claim 1,
The smart street light,
And a personal short-range wireless communication unit configured to notify the parking control target information about the illegally parked vehicle to the portable device.
제 6항에 있어서,
상기 개인근거리 무선통신부는, UWB(ultra wideband), WLAN(Wireless Local Area Network), 블루투스(Bluetooth), 및 지그비(ZigBee) 중 하나 또는 둘 이상의 조합으로 구성되며,
상기 휴대용 디바이스는, 상기 개인근거리 무선통신부에 대응하는 무선 모듈을 더 탑재하는 것을 특징으로 하는 스마트 가로등을 활용한 주차 단속 시스템.
The method according to claim 6,
The personal short-range wireless communication unit, UWB (ultra wideband), Wireless Local Area Network (WLAN), Bluetooth (Bluetooth), and ZigBee (ZigBee) is composed of one or two or more combinations,
The portable device is a parking enforcement system using a smart street light, characterized in that further comprising a wireless module corresponding to the personal short-range wireless communication unit.
제 1항에 있어서,
상기 주차단속 서버는,
지자체에 등록된 차량정보를 저장하기 위한 차량등록DB;를 더 구비하며,
상기 불법 주정차에 대한 상황별 우선 단속 지침정보를 더 제공하는 것을 특징으로 하는 스마트 가로등을 활용한 주차 단속 시스템.
The method of claim 1,
The parking control server,
And a vehicle registration DB for storing vehicle information registered in the local government.
Parking control system using a smart street light, characterized in that to further provide information on the situation-specific priority for the illegal parking.
제 8항에 있어서,
상기 우선 단속 지침정보는,
상기 불법 주정차중인 차량이 밀집된 크라우디드 장소 조건, 및 주차단속 요원이 위치하는 근접 장소 조건을 우선하며,
상기 조건 안에서도 지자체 등록 차량과 외지의 미등록 차량을 구분하여 외지 차량을 우선적으로 단속하고, 지자체 등록 차량에 대해서는 선 계도 이후 단속 처리하는 것을 특징으로 하는 스마트 가로등을 활용한 주차 단속 시스템.
The method of claim 8,
The priority enforcement guidance information,
The crowded place conditions where the illegally parked vehicles are concentrated and the near place conditions where the parking enforcement agent is located are given priority.
The parking enforcement system using smart street light, characterized in that the municipality registered vehicles and the unregistered vehicles of the local government are separated and the foreign vehicles are preferentially controlled, and the local government registered vehicles are controlled after the line map.
제 1항 내지 제 9항 중 어느 한 항에 있어서,
상기 스마트 가로등은,
상기 가로 주변의 각종 환경정보를 수집하기 위한 환경감지 센서부;
스마트 가로등 식별정보를 포함하는 가로등 운영과 관련된 운영 정보, 등급별 환경대응정보, 및 디지털 콘텐츠 정보를 저장하는 저장부;
상기 불법 주정차중인 차량을 포함한 가로 주변의 차량 또는 보행자의 움직임을 촬상하기 위한 하나 이상의 CCTV 카메라를 구비하는 카메라부;
상기 가로 중 차량용 도로를 주행하는 차량의 속도를 검출하기 위한 속도감지부;
상기 등급별 환경대응정보 또는 설정된 디지털 콘텐츠 정보를 출력하기 위한 정보출력부; 및
미리 설정된 점멸 구동조건에 따라 상기 조명부의 점멸 구동을 제어하며, 상기 수집된 주차단속 대상정보의 통보 제어를 수행하는 가로등 제어부;
중 어느 하나 이상을 더 포함하여 구성하는 것을 특징으로 하는 스마트 가로등을 활용한 주차 단속 시스템.
10. The method according to any one of claims 1 to 9,
The smart street light,
An environmental sensor unit for collecting various environmental information around the street;
A storage unit which stores operation information related to the operation of the street light including smart street light identification information, environmental response information for each grade, and digital content information;
A camera unit having one or more CCTV cameras for capturing the movement of vehicles or pedestrians around the street including the illegally parked vehicle;
A speed detecting unit for detecting a speed of the vehicle traveling on the road of the vehicle in the street;
An information output unit for outputting the environmental response information for each grade or the set digital content information; And
A streetlight control unit controlling the blinking driving of the lighting unit according to a preset blinking driving condition and performing notification control of the collected parking control target information;
Parking enforcement system using a smart street light, characterized in that further comprising any one or more of the configuration.
제 10항에 있어서,
상기 가로등 제어부는,
상기 촬상신호의 영상처리를 위한 움직임 검출(motion detection) 소프트웨어를 탑재하며,
상기 환경감지 센서부로부터 수집된 환경정보에 따른 등급별 환경대응정보의 출력 제어를 포함한 디지털 콘텐츠 정보의 출력 제어를 수행하며,
상기 카메라부로부터 제공되는 차량 또는 보행자의 움직임 검출 정보에 따라 크라우디드 모드를 반영한 상기 조명부의 조도 제어를 수행하는 것을 특징으로 하는 스마트 가로등을 활용한 주차 단속 시스템.
The method of claim 10,
The street light control unit,
Equipped with motion detection software for image processing of the captured image signal,
Performs output control of digital content information including output control of environmental response information for each grade according to environmental information collected from the environmental sensor;
Parking control system using a smart street light, characterized in that for performing the illumination control of the lighting unit reflecting the crowded mode according to the motion detection information of the vehicle or pedestrian provided from the camera unit.
(a) 스마트 가로등이 불법 주정차중인 차량에 대한 주차단속 대상정보를 수집 및 통보하는 단계;
(b) 주차단속 서버가 상기 스마트 가로등으로부터 통보받은 주차단속 대상정보를 휴대용 디바이스로 중계 전송하는 단계;
(c) 상기 휴대용 디바이스가 상기 스마트 가로등의 주변에 불법 주정차중인 차량에 대한 주차단속을 수행하고, 그에 따른 주차단속 정보를 등록하는 단계; 및
(d) 상기 주차단속 서버가 상기 주차단속에 따른 행정처리의 수행 결과를 갱신 처리하는 단계;
로 이루어지는 것을 특징으로 하는 스마트 가로등을 활용한 주차 단속 방법.
(a) collecting and notifying parking control subject information about the vehicle in which the smart street light is illegally parked;
(b) the parking control server relaying the parking control target information notified from the smart street light to the portable device;
(c) performing, by the portable device, parking control for the illegally parked vehicle around the smart street light, and registering parking control information accordingly; And
(d) updating, by the parking enforcement server, a result of performing administrative processing according to the parking regulation;
Parking control method using a smart street light, characterized in that consisting of.
제 12항에 있어서,
상기 (a) 단계는,
(a-1) 상기 스마트 가로등이 불법 주정차중인 차량의 번호판을 촬영하고 문자 판독을 수행하는 단계;
(a-2) 상기 스마트 가로등이 문자 판독의 수행결과로 입수한 차량번호가 지자체 등록차량인지를 조회하는 단계; 및
(a-3) 상기 스마트 가로등이 조회 결과로 얻은 지자체 등록차량 판단정보를 상기 주차단속 대상정보에 포함시켜 통보하는 단계;
를 포함하는 것을 특징으로 하는 스마트 가로등을 활용한 주차 단속 방법.
13. The method of claim 12,
The step (a)
(a-1) photographing a license plate of a vehicle in which the smart street light is illegally parked and performing character reading;
(a-2) inquiring whether the smart streetlight obtained by the smart street light is a local government registered vehicle; And
(a-3) notifying, by the smart street light, including the determination information of the local government registered vehicle obtained as a result of the inquiry in the parking control target information;
Parking control method using a smart street light, characterized in that it comprises a.
제 13항에 있어서,
상기 (a) 단계는,
(a-4) 상기 스마트 가로등이 상기 주차단속 대상정보를 개인근거리 무선통신을 통해 통보하는 단계;를 더 포함하는 것을 특징으로 하는 스마트 가로등을 활용한 주차 단속 방법.
The method of claim 13,
The step (a)
(a-4) the smart street light notifying the parking control target information through a personal short-range wireless communication; parking control method using a smart street light, characterized in that it further comprises.
제 12항 내지 제 14항 중 어느 한 항에 있어서,
상기 (c) 단계는,
(c-1) 상기 휴대용 디바이스가 주차단속 대상정보를 수신하는 단계;
(c-2) 상기 수신된 주차단속 대상정보에 포함된 스마트 가로등 식별정보를 분석하여 불법 주정차중인 차량의 주차단속 위치를 제공하는 단계;
(c-3) 상기 수신된 주차단속 대상정보에 포함된 지자체 등록차량 판단정보에 따른 우선 단속 지침 정보를 제공하는 단계; 및
(c-4) 상기 우선 단속 지침 정보에 따라 불법 주정차중인 차량에 대한 주차 단속이 수행되고, 그에 따른 주차단속 정보를 등록하는 단계;
를 포함하는 것을 특징으로 하는 스마트 가로등을 활용한 주차 단속 방법.
15. The method according to any one of claims 12 to 14,
The step (c)
(c-1) the portable device receiving parking control subject information;
(c-2) analyzing the smart streetlight identification information included in the received parking control target information to provide a parking control location of an illegally parked vehicle;
(c-3) providing priority enforcement guidance information according to the municipality registration vehicle determination information included in the received parking enforcement subject information; And
(c-4) performing parking control on the illegally parked vehicle according to the priority enforcement guide information, and registering the parking enforcement information accordingly;
Parking control method using a smart street light, characterized in that it comprises a.
제 15항에 있어서,
상기 (c-1) 단계는,
상기 휴대용 디바이스가 무선 통신망을 매개로 주차단속 서버로부터 주차단속 대상정보를 수신하는 과정; 및
상기 휴대용 디바이스가 상기 스마트 가로등의 개인근거리 무선통신을 통해 인접한 위치에서 주차단속 대상정보를 수신하는 과정; 중 어느 하나로 이루어지는 것을 특징으로 하는 스마트 가로등을 활용한 주차 단속 방법.
16. The method of claim 15,
Step (c-1),
Receiving, by the portable device, parking enforcement subject information from a parking enforcement server via a wireless communication network; And
Receiving, by the portable device, parking control target information at an adjacent location through a personal short range wireless communication of the smart street light; Parking control method using a smart street light, characterized in that made of any one.
제 15항에 있어서,
상기 (c-4) 단계는,
상기 우선 단속 지침 정보에 따라 지자체 등록 차량인 경우, 선 계도 이후 단속 처리하는 과정; 및
상기 우선 단속 지침 정보에 따라 지자체 미등록 외부 차량인 경우, 선 계도 없이 우선 단속 처리하는 과정;으로 이루어지는 것을 특징으로 하는 스마트 가로등을 활용한 주차 단속 방법.
16. The method of claim 15,
The step (c-4)
If the municipality is registered vehicle according to the priority regulation guide information, the process of controlling after the line map; And
In the case of an unregistered external vehicle of a local government according to the priority regulation guide information, the process of controlling the priority without a line system is performed.
KR1020110121531A 2011-11-21 2011-11-21 System and method for parking control using smart streetlight based on CIM/BIM Expired - Fee Related KR102002163B1 (en)

Priority Applications (1)

Application Number Priority Date Filing Date Title
KR1020110121531A KR102002163B1 (en) 2011-11-21 2011-11-21 System and method for parking control using smart streetlight based on CIM/BIM

Applications Claiming Priority (1)

Application Number Priority Date Filing Date Title
KR1020110121531A KR102002163B1 (en) 2011-11-21 2011-11-21 System and method for parking control using smart streetlight based on CIM/BIM

Publications (2)

Publication Number Publication Date
KR20130055872A true KR20130055872A (en) 2013-05-29
KR102002163B1 KR102002163B1 (en) 2019-07-23

Family

ID=48664145

Family Applications (1)

Application Number Title Priority Date Filing Date
KR1020110121531A Expired - Fee Related KR102002163B1 (en) 2011-11-21 2011-11-21 System and method for parking control using smart streetlight based on CIM/BIM

Country Status (1)

Country Link
KR (1) KR102002163B1 (en)

Cited By (6)

* Cited by examiner, † Cited by third party
Publication number Priority date Publication date Assignee Title
CN110941223A (en) * 2019-12-24 2020-03-31 湖南交科智能科技有限公司 Wisdom way awl system
KR20210004632A (en) 2019-07-05 2021-01-13 울산과학기술원 Road lighting device for preventing illegal parking
KR20210009667A (en) 2019-07-17 2021-01-27 울산과학기술원 Road marker for preventing illegal parking
KR20220079094A (en) 2020-12-04 2022-06-13 한남대학교 산학협력단 Smart street light and crime prevention system using the same
KR102465124B1 (en) * 2022-05-31 2022-11-09 ㈜중소기업기술경영개발원 Parking Fee Settlement System for On-Street Parking Lots
KR102583314B1 (en) * 2022-05-31 2023-09-26 주식회사 에스티엠디 Parking control system using smart pole

Citations (5)

* Cited by examiner, † Cited by third party
Publication number Priority date Publication date Assignee Title
JP2004096497A (en) * 2002-08-30 2004-03-25 Mitsubishi Heavy Ind Ltd Moving object imaging apparatus
KR100785757B1 (en) * 2007-01-17 2007-12-18 주식회사 진성아이엔티 Automatic illegal parking control system and method using fixed camera
KR20090035393A (en) * 2007-10-05 2009-04-09 손승남 Illegal vehicle monitoring system
KR20090108979A (en) * 2008-04-14 2009-10-19 홍익대학교 산학협력단 Ubiquitous street light with environmental sensor
KR20110041886A (en) * 2009-10-16 2011-04-22 홍익대학교 산학협력단 Intelligent street light system

Patent Citations (5)

* Cited by examiner, † Cited by third party
Publication number Priority date Publication date Assignee Title
JP2004096497A (en) * 2002-08-30 2004-03-25 Mitsubishi Heavy Ind Ltd Moving object imaging apparatus
KR100785757B1 (en) * 2007-01-17 2007-12-18 주식회사 진성아이엔티 Automatic illegal parking control system and method using fixed camera
KR20090035393A (en) * 2007-10-05 2009-04-09 손승남 Illegal vehicle monitoring system
KR20090108979A (en) * 2008-04-14 2009-10-19 홍익대학교 산학협력단 Ubiquitous street light with environmental sensor
KR20110041886A (en) * 2009-10-16 2011-04-22 홍익대학교 산학협력단 Intelligent street light system

Cited By (6)

* Cited by examiner, † Cited by third party
Publication number Priority date Publication date Assignee Title
KR20210004632A (en) 2019-07-05 2021-01-13 울산과학기술원 Road lighting device for preventing illegal parking
KR20210009667A (en) 2019-07-17 2021-01-27 울산과학기술원 Road marker for preventing illegal parking
CN110941223A (en) * 2019-12-24 2020-03-31 湖南交科智能科技有限公司 Wisdom way awl system
KR20220079094A (en) 2020-12-04 2022-06-13 한남대학교 산학협력단 Smart street light and crime prevention system using the same
KR102465124B1 (en) * 2022-05-31 2022-11-09 ㈜중소기업기술경영개발원 Parking Fee Settlement System for On-Street Parking Lots
KR102583314B1 (en) * 2022-05-31 2023-09-26 주식회사 에스티엠디 Parking control system using smart pole

Also Published As

Publication number Publication date
KR102002163B1 (en) 2019-07-23

Similar Documents

Publication Publication Date Title
KR102002019B1 (en) Road light control system that adjusts lighting range of street light according to road situation
KR20130055873A (en) Smart streetlight system having motion detection function based on cim/bim
KR20090108979A (en) Ubiquitous street light with environmental sensor
KR20130055872A (en) System and method for parking control using smart streetlight based on cim/bim
KR20110041886A (en) Intelligent street light system
US12256475B2 (en) Luminaire network management method
KR20130120326A (en) Intelligent street light system
KR20080097052A (en) Intelligent street light control system and its method
CN102938188A (en) Automatic urban flood disaster monitoring and pre-warning device
CN212809464U (en) Parking management system
CN212644421U (en) Array projection smart street light and its system
KR20240008966A (en) Parking sharing system for maximum use of parking spaces
CN202871027U (en) Automatic monitoring and pre-warning device for urban flood disaster
KR100987610B1 (en) Ubiquitous street light for accident prevention lighting control with fog sensor
CN108877242A (en) The control system and control method of signal lamp car test unit with intelligent network connection
CN108513417B (en) Low-energy-consumption underground parking garage illumination system and control method
CN116092287A (en) Application of intelligent municipal traffic comprehensive system perceived by Internet of things
CN108133684A (en) Intelligent security guard lighting system based on cloud platform interaction
US12063730B2 (en) Method and system for performing management of a luminaire network
KR20090108959A (en) Intelligent ubiquitous street light with camera
KR101414266B1 (en) Illumination management system and method thereof
CN115628417A (en) A multifunctional street lamp
KR100949820B1 (en) Traffic information system through ubiquitous street light
KR20090108967A (en) Light control ubiquitous street light with wind direction sensor
CN209292915U (en) A kind of Intelligent road guide device

Legal Events

Date Code Title Description
PA0109 Patent application

St.27 status event code: A-0-1-A10-A12-nap-PA0109

PG1501 Laying open of application

St.27 status event code: A-1-1-Q10-Q12-nap-PG1501

PN2301 Change of applicant

St.27 status event code: A-3-3-R10-R13-asn-PN2301

St.27 status event code: A-3-3-R10-R11-asn-PN2301

R18-X000 Changes to party contact information recorded

St.27 status event code: A-3-3-R10-R18-oth-X000

R18-X000 Changes to party contact information recorded

St.27 status event code: A-3-3-R10-R18-oth-X000

R17-X000 Change to representative recorded

St.27 status event code: A-3-3-R10-R17-oth-X000

A201 Request for examination
PA0201 Request for examination

St.27 status event code: A-1-2-D10-D11-exm-PA0201

P22-X000 Classification modified

St.27 status event code: A-2-2-P10-P22-nap-X000

R18-X000 Changes to party contact information recorded

St.27 status event code: A-3-3-R10-R18-oth-X000

D13-X000 Search requested

St.27 status event code: A-1-2-D10-D13-srh-X000

D14-X000 Search report completed

St.27 status event code: A-1-2-D10-D14-srh-X000

E902 Notification of reason for refusal
PE0902 Notice of grounds for rejection

St.27 status event code: A-1-2-D10-D21-exm-PE0902

E13-X000 Pre-grant limitation requested

St.27 status event code: A-2-3-E10-E13-lim-X000

P11-X000 Amendment of application requested

St.27 status event code: A-2-2-P10-P11-nap-X000

P13-X000 Application amended

St.27 status event code: A-2-2-P10-P13-nap-X000

E701 Decision to grant or registration of patent right
PE0701 Decision of registration

St.27 status event code: A-1-2-D10-D22-exm-PE0701

GRNT Written decision to grant
PR0701 Registration of establishment

St.27 status event code: A-2-4-F10-F11-exm-PR0701

PR1002 Payment of registration fee

St.27 status event code: A-2-2-U10-U11-oth-PR1002

Fee payment year number: 1

PG1601 Publication of registration

St.27 status event code: A-4-4-Q10-Q13-nap-PG1601

PC1903 Unpaid annual fee

St.27 status event code: A-4-4-U10-U13-oth-PC1903

Not in force date: 20220716

Payment event data comment text: Termination Category : DEFAULT_OF_REGISTRATION_FEE

PC1903 Unpaid annual fee

St.27 status event code: N-4-6-H10-H13-oth-PC1903

Ip right cessation event data comment text: Termination Category : DEFAULT_OF_REGISTRATION_FEE

Not in force date: 20220716