KR20110102027A - 공기 조화기 및 이의 냉매 배관 길이 검출 방법 - Google Patents
공기 조화기 및 이의 냉매 배관 길이 검출 방법 Download PDFInfo
- Publication number
- KR20110102027A KR20110102027A KR1020100021461A KR20100021461A KR20110102027A KR 20110102027 A KR20110102027 A KR 20110102027A KR 1020100021461 A KR1020100021461 A KR 1020100021461A KR 20100021461 A KR20100021461 A KR 20100021461A KR 20110102027 A KR20110102027 A KR 20110102027A
- Authority
- KR
- South Korea
- Prior art keywords
- unit
- length
- refrigerant pipe
- length detection
- indoor
- Prior art date
- Legal status (The legal status is an assumption and is not a legal conclusion. Google has not performed a legal analysis and makes no representation as to the accuracy of the status listed.)
- Granted
Links
Images
Classifications
-
- F—MECHANICAL ENGINEERING; LIGHTING; HEATING; WEAPONS; BLASTING
- F24—HEATING; RANGES; VENTILATING
- F24F—AIR-CONDITIONING; AIR-HUMIDIFICATION; VENTILATION; USE OF AIR CURRENTS FOR SCREENING
- F24F1/00—Room units for air-conditioning, e.g. separate or self-contained units or units receiving primary air from a central station
- F24F1/06—Separate outdoor units, e.g. outdoor unit to be linked to a separate room comprising a compressor and a heat exchanger
- F24F1/26—Refrigerant piping
-
- F—MECHANICAL ENGINEERING; LIGHTING; HEATING; WEAPONS; BLASTING
- F24—HEATING; RANGES; VENTILATING
- F24F—AIR-CONDITIONING; AIR-HUMIDIFICATION; VENTILATION; USE OF AIR CURRENTS FOR SCREENING
- F24F11/00—Control or safety arrangements
- F24F11/30—Control or safety arrangements for purposes related to the operation of the system, e.g. for safety or monitoring
-
- F—MECHANICAL ENGINEERING; LIGHTING; HEATING; WEAPONS; BLASTING
- F24—HEATING; RANGES; VENTILATING
- F24F—AIR-CONDITIONING; AIR-HUMIDIFICATION; VENTILATION; USE OF AIR CURRENTS FOR SCREENING
- F24F11/00—Control or safety arrangements
- F24F11/62—Control or safety arrangements characterised by the type of control or by internal processing, e.g. using fuzzy logic, adaptive control or estimation of values
-
- G—PHYSICS
- G01—MEASURING; TESTING
- G01B—MEASURING LENGTH, THICKNESS OR SIMILAR LINEAR DIMENSIONS; MEASURING ANGLES; MEASURING AREAS; MEASURING IRREGULARITIES OF SURFACES OR CONTOURS
- G01B21/00—Measuring arrangements or details thereof, where the measuring technique is not covered by the other groups of this subclass, unspecified or not relevant
- G01B21/02—Measuring arrangements or details thereof, where the measuring technique is not covered by the other groups of this subclass, unspecified or not relevant for measuring length, width, or thickness
Landscapes
- Engineering & Computer Science (AREA)
- Chemical & Material Sciences (AREA)
- Combustion & Propulsion (AREA)
- Mechanical Engineering (AREA)
- General Engineering & Computer Science (AREA)
- Physics & Mathematics (AREA)
- General Physics & Mathematics (AREA)
- Fuzzy Systems (AREA)
- Mathematical Physics (AREA)
- Signal Processing (AREA)
- Air Conditioning Control Device (AREA)
Abstract
Description
도 2는 본 발명에 따른 공기 조화기의 구성을 개략적으로 보인 도;
도 3 및 도 4는 본 발명의 실시예들에 따른 공기 조화기의 구성을 개략적으로 보인 블록도;
도 5는 도 2 내지 도 4에서의 길이 검출 유닛의 세부 구성을 보인 블록도;
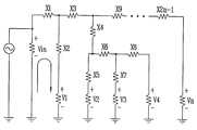
도 6은 도 5의 등가 회로를 보인 도;
도 7은 본 발명에 따른 2차 분지를 가진 공기 조화기를 개략적으로 보인 도;
도 8은 도 7의 등가 회로를 보인 도;
도 9는 본 발명에 따라 냉매 배관 길이를 검출하는 과정을 설명하기 위한 도;
도 10 및 도 11은 본 발명의 실시예들에 따른 공기 조화기의 냉매 배관 길이 검출 방법을 개략적으로 보인 흐름도이다.
300: 냉매 배관 310: 분지점
400: 길이 검출 유닛 500: 데이터 통신 유닛
410: 노이즈 필터 모듈 420: 변환 모듈
430: 연산 모듈 440: 저장 모듈
Claims (15)
- 공기 조화를 수행하는 복수의 실내기;
상기 실내기를 구동하는 하나 이상의 실외기;
하나 이상의 분지점을 포함하고, 상기 실내기와 상기 실외기를 연결하는 냉매 배관; 및
상기 실내기와 상기 실외기의 각각에 연결되고, 상기 실외기 또는 상기 실내기가 전송한 길이 검출 신호에 대한 상기 실외기 또는 상기 실내기의 수신 신호의 세기를 근거로 상기 냉매 배관의 길이를 검출하는 길이 검출 유닛;을 포함하는 공기 조화기. - 제1 항에 있어서, 상기 길이 검출 유닛은,
상기 수신 신호로부터 노이즈를 제거하는 노이즈 필터 모듈;
상기 수신 신호를 디지털 신호로 변환하는 변환 모듈; 및
상기 디지털 신호를 근거로 상기 냉매 배관의 길이를 산출하는 연산 모듈;을 포함하는 공기 조화기. - 제2 항에 있어서, 상기 길이 검출 유닛은,
상기 디지털 신호를 저장하는 저장 모듈;을 더 포함하는 공기 조화기. - 제1 항 내지 제3 항 중 어느 한 항에 있어서,
상기 실외기와 상기 실내기는 각각 제어 유닛을 구비하고,
상기 제어 유닛과 상기 길이 검출 유닛의 사이에 연결되어 상기 실외기와 상기 실내기간의 데이터를 송수신하는 데이터 통신 유닛;을 더 포함하는 공기 조화기. - 공기 조화를 수행하는 복수의 실내기와, 하나 이상의 분지점을 포함하는 냉매 배관을 통해 상기 실내기와 연결되어 상기 실내기를 구동하는 하나 이상의 실외기를 포함하는 공기 조화기에 있어서,
상기 실외기와 상기 실내기의 각각에 연결되고, 상기 실외기와 상기 실내기가 발신한 길이 검출 신호와, 상기 실외기 또는 상기 실내기가 수신한 수신 신호의 세기를 근거로 상기 냉매 배관의 길이를 검출하는 길이 검출 유닛;을 포함하는 공기 조화기. - 제5 항에 있어서,
상기 공기 조화기 내의 모든 실외기와 실내기가 일정한 순서에 따라 상기 길이 검출 신호를 발신하는 것을 특징으로 하는 공기 조화기. - 제5 항 또는 제6 항에 있어서, 상기 길이 검출 유닛은,
상기 수신 신호로부터 노이즈를 제거하는 노이즈 필터 모듈;
상기 수신 신호를 디지털 신호로 변환하는 변환 모듈; 및
상기 디지털 신호를 근거로 상기 수신 신호의 세기를 감지하고, 상기 수신 신호의 세기를 근거로 상기 냉매 배관의 길이를 산출하는 연산 모듈;을 포함하는 공기 조화기. - 제7 항에 있어서, 상기 길이 검출 유닛은,
상기 디지털 신호를 저장하는 저장 모듈;을 더 포함하는 공기 조화기. - 제7 항에 있어서, 상기 연산 모듈은,
상기 길이 검출 신호와 상기 수신 신호를 근거로 등가 회로를 생성하는 것을 특징으로 하는 공기 조화기. - 제5 항에 있어서,
상기 실외기와 상기 실내기는 각각 제어 유닛을 구비하고,
상기 제어 유닛과 상기 길이 검출 유닛의 사이에 연결되어 상기 실외기와 상기 실내기간의 데이터를 송수신하는 데이터 통신 유닛;을 더 포함하는 공기 조화기. - 실외기와 실내기가 길이 검출 신호를 발신하는 단계;
상기 실외기 또는 상기 실내기가 상기 길이 검출 신호에 대한 수신 신호의 세기를 감지하는 단계; 및
상기 길이 검출 신호와 상기 수신 신호의 세기를 근거로 냉매 배관 길이를 검출하는 단계;를 포함하는 공기 조화기의 냉매 배관 길이 검출 방법. - 제11 항에 있어서, 상기 길이 검출 신호를 발신하는 단계는,
상기 공기 조화기 내의 모든 실외기와 실내기가 일정한 순서에 따라 상기 길이 검출 신호를 발신하는 것을 특징으로 하는 공기 조화기의 냉매 배관 길이 검출 방법. - 제11 항 또는 제12 항에 있어서, 상기 수신 신호의 세기를 감지하는 단계는,
상기 수신 신호로부터 노이즈를 제거하는 과정; 및
상기 수신 신호를 디지털 신호로 변환하는 과정;을 포함하는 공기 조화기의 냉매 배관 길이 검출 방법. - 제13 항에 있어서, 상기 냉매 배관 길이를 검출하는 단계는,
상기 디지털 신호를 저장하는 과정;을 포함하는 공기 조화기의 냉매 배관 길이 검출 방법. - 제13 항에 있어서, 상기 냉매 배관 길이를 검출하는 단계는,
상기 길이 검출 신호와 상기 수신 신호를 근거로 등가 회로를 생성하는 과정;을 포함하는 공기 조화기의 냉매 배관 길이 검출 방법.
Priority Applications (3)
| Application Number | Priority Date | Filing Date | Title |
|---|---|---|---|
| KR1020100021461A KR101257082B1 (ko) | 2010-03-10 | 2010-03-10 | 공기 조화기 및 이의 냉매 배관 길이 검출 방법 |
| US13/044,290 US8666684B2 (en) | 2010-03-10 | 2011-03-09 | Air conditioning system and method for calculating amount of filling refrigerants of the same |
| EP11157424.0A EP2369270B1 (en) | 2010-03-10 | 2011-03-09 | Air conditioning system and method for calculating amount of filling refrigerants of the same |
Applications Claiming Priority (1)
| Application Number | Priority Date | Filing Date | Title |
|---|---|---|---|
| KR1020100021461A KR101257082B1 (ko) | 2010-03-10 | 2010-03-10 | 공기 조화기 및 이의 냉매 배관 길이 검출 방법 |
Publications (2)
| Publication Number | Publication Date |
|---|---|
| KR20110102027A true KR20110102027A (ko) | 2011-09-16 |
| KR101257082B1 KR101257082B1 (ko) | 2013-05-02 |
Family
ID=44953939
Family Applications (1)
| Application Number | Title | Priority Date | Filing Date |
|---|---|---|---|
| KR1020100021461A Expired - Fee Related KR101257082B1 (ko) | 2010-03-10 | 2010-03-10 | 공기 조화기 및 이의 냉매 배관 길이 검출 방법 |
Country Status (1)
| Country | Link |
|---|---|
| KR (1) | KR101257082B1 (ko) |
Cited By (2)
| Publication number | Priority date | Publication date | Assignee | Title |
|---|---|---|---|---|
| CN105864934A (zh) * | 2016-04-28 | 2016-08-17 | 于向阳 | 与窗帘相结合的蒸发制冷空调机组 |
| CN105864933A (zh) * | 2016-04-28 | 2016-08-17 | 于向阳 | 具有水平交叉流间接蒸发制冷装置的空调机组 |
Family Cites Families (1)
| Publication number | Priority date | Publication date | Assignee | Title |
|---|---|---|---|---|
| JP2007085892A (ja) * | 2005-09-22 | 2007-04-05 | Mitsubishi Heavy Ind Ltd | 配管長測定装置および配管長測定方法 |
-
2010
- 2010-03-10 KR KR1020100021461A patent/KR101257082B1/ko not_active Expired - Fee Related
Cited By (4)
| Publication number | Priority date | Publication date | Assignee | Title |
|---|---|---|---|---|
| CN105864934A (zh) * | 2016-04-28 | 2016-08-17 | 于向阳 | 与窗帘相结合的蒸发制冷空调机组 |
| CN105864933A (zh) * | 2016-04-28 | 2016-08-17 | 于向阳 | 具有水平交叉流间接蒸发制冷装置的空调机组 |
| CN105864933B (zh) * | 2016-04-28 | 2018-09-28 | 于向阳 | 具有水平交叉流间接蒸发制冷装置的空调机组 |
| CN105864934B (zh) * | 2016-04-28 | 2018-12-07 | 于向阳 | 与窗帘相结合的蒸发制冷空调机组 |
Also Published As
| Publication number | Publication date |
|---|---|
| KR101257082B1 (ko) | 2013-05-02 |
Similar Documents
| Publication | Publication Date | Title |
|---|---|---|
| CN101138279B (zh) | 根据建筑物房间布局分组无线照明节点 | |
| US8666684B2 (en) | Air conditioning system and method for calculating amount of filling refrigerants of the same | |
| CN101138281A (zh) | 用于无线照明分配的墙检测 | |
| EP3677853B1 (en) | Air conditioning system control device | |
| EP1698835A1 (en) | Central control system and control method thereof for multi-unit air conditioners | |
| US10697659B2 (en) | Air-conditioning control system and remote control device | |
| EP2863139A1 (en) | Air conditioning system | |
| KR101257082B1 (ko) | 공기 조화기 및 이의 냉매 배관 길이 검출 방법 | |
| EP1672293A2 (en) | Multi-air conditioner and group-unit control method thereof | |
| US20200158367A1 (en) | Auto addressing for hvac units | |
| US11732918B2 (en) | Air conditioner and piping communication method thereof | |
| EP3171092A1 (en) | Device that supports saving energy, air-conditioning system, and air-conditioning network system | |
| KR101294302B1 (ko) | 공기 조화기 및 그의 배관 통신 방법 | |
| KR101203517B1 (ko) | 공기 조화기 및 이의 배관 단락 검출 방법 | |
| KR101272344B1 (ko) | 공기 조화기 및 이의 봉입 냉매량 산출 방법 | |
| CN111006306B (zh) | 一种多联机 | |
| CN108626860B (zh) | 多联机空调系统的组网方法及装置,空调系统 | |
| KR20150047904A (ko) | 배관 단락 정보 테이블을 이용한 냉매 배관 단락 검출 기능을 구비한 공기 조화기 및 배관 단락 검출 방법 | |
| JP2008286461A (ja) | 空気調和機 | |
| JP2005188883A (ja) | 空気調和機及び空気調和機におけるアドレス設定方法 | |
| KR102609359B1 (ko) | 통신장치, 통신장치 제어방법 및 통신장치를 포함하는 공기조화기 | |
| JP2022078334A (ja) | 電子装置及び方法 | |
| JP2013092338A (ja) | 空調システム制御装置 | |
| JP2007003083A (ja) | 空気調和機および空気調和機のアドレス設定方法 | |
| JP2006242525A (ja) | 空気調和機及び空気調和機におけるアドレス設定方法 |
Legal Events
| Date | Code | Title | Description |
|---|---|---|---|
| PA0109 | Patent application |
St.27 status event code: A-0-1-A10-A12-nap-PA0109 |
|
| A201 | Request for examination | ||
| PA0201 | Request for examination |
St.27 status event code: A-1-2-D10-D11-exm-PA0201 |
|
| PG1501 | Laying open of application |
St.27 status event code: A-1-1-Q10-Q12-nap-PG1501 |
|
| PE0902 | Notice of grounds for rejection |
St.27 status event code: A-1-2-D10-D21-exm-PE0902 |
|
| E13-X000 | Pre-grant limitation requested |
St.27 status event code: A-2-3-E10-E13-lim-X000 |
|
| P11-X000 | Amendment of application requested |
St.27 status event code: A-2-2-P10-P11-nap-X000 |
|
| P13-X000 | Application amended |
St.27 status event code: A-2-2-P10-P13-nap-X000 |
|
| E701 | Decision to grant or registration of patent right | ||
| PE0701 | Decision of registration |
St.27 status event code: A-1-2-D10-D22-exm-PE0701 |
|
| GRNT | Written decision to grant | ||
| PR0701 | Registration of establishment |
St.27 status event code: A-2-4-F10-F11-exm-PR0701 |
|
| PR1002 | Payment of registration fee |
St.27 status event code: A-2-2-U10-U11-oth-PR1002 Fee payment year number: 1 |
|
| PG1601 | Publication of registration |
St.27 status event code: A-4-4-Q10-Q13-nap-PG1601 |
|
| PN2301 | Change of applicant |
St.27 status event code: A-5-5-R10-R13-asn-PN2301 St.27 status event code: A-5-5-R10-R11-asn-PN2301 |
|
| FPAY | Annual fee payment |
Payment date: 20160324 Year of fee payment: 4 |
|
| PR1001 | Payment of annual fee |
St.27 status event code: A-4-4-U10-U11-oth-PR1001 Fee payment year number: 4 |
|
| FPAY | Annual fee payment |
Payment date: 20170314 Year of fee payment: 5 |
|
| PR1001 | Payment of annual fee |
St.27 status event code: A-4-4-U10-U11-oth-PR1001 Fee payment year number: 5 |
|
| P22-X000 | Classification modified |
St.27 status event code: A-4-4-P10-P22-nap-X000 |
|
| FPAY | Annual fee payment |
Payment date: 20180314 Year of fee payment: 6 |
|
| PR1001 | Payment of annual fee |
St.27 status event code: A-4-4-U10-U11-oth-PR1001 Fee payment year number: 6 |
|
| FPAY | Annual fee payment |
Payment date: 20190314 Year of fee payment: 7 |
|
| PR1001 | Payment of annual fee |
St.27 status event code: A-4-4-U10-U11-oth-PR1001 Fee payment year number: 7 |
|
| PR1001 | Payment of annual fee |
St.27 status event code: A-4-4-U10-U11-oth-PR1001 Fee payment year number: 8 |
|
| PN2301 | Change of applicant |
St.27 status event code: A-5-5-R10-R13-asn-PN2301 St.27 status event code: A-5-5-R10-R11-asn-PN2301 |
|
| PC1903 | Unpaid annual fee |
St.27 status event code: A-4-4-U10-U13-oth-PC1903 Not in force date: 20210416 Payment event data comment text: Termination Category : DEFAULT_OF_REGISTRATION_FEE |
|
| P22-X000 | Classification modified |
St.27 status event code: A-4-4-P10-P22-nap-X000 |
|
| PC1903 | Unpaid annual fee |
St.27 status event code: N-4-6-H10-H13-oth-PC1903 Ip right cessation event data comment text: Termination Category : DEFAULT_OF_REGISTRATION_FEE Not in force date: 20210416 |

