JP7301715B2 - 監視カメラ利用車両システムに適用される状態予測サーバおよび注意喚起装置 - Google Patents
監視カメラ利用車両システムに適用される状態予測サーバおよび注意喚起装置 Download PDFInfo
- Publication number
- JP7301715B2 JP7301715B2 JP2019196366A JP2019196366A JP7301715B2 JP 7301715 B2 JP7301715 B2 JP 7301715B2 JP 2019196366 A JP2019196366 A JP 2019196366A JP 2019196366 A JP2019196366 A JP 2019196366A JP 7301715 B2 JP7301715 B2 JP 7301715B2
- Authority
- JP
- Japan
- Prior art keywords
- vehicle
- processing unit
- information
- parking lot
- record
- Prior art date
- Legal status (The legal status is an assumption and is not a legal conclusion. Google has not performed a legal analysis and makes no representation as to the accuracy of the status listed.)
- Active
Links
- 238000012545 processing Methods 0.000 claims description 122
- 230000033001 locomotion Effects 0.000 claims description 28
- 230000005540 biological transmission Effects 0.000 claims description 23
- 230000008034 disappearance Effects 0.000 claims 1
- 238000010586 diagram Methods 0.000 description 18
- 238000000034 method Methods 0.000 description 16
- 230000008569 process Effects 0.000 description 11
- 238000001514 detection method Methods 0.000 description 8
- 238000012986 modification Methods 0.000 description 6
- 230000004048 modification Effects 0.000 description 6
- 230000004044 response Effects 0.000 description 6
- 238000004891 communication Methods 0.000 description 5
- 238000012544 monitoring process Methods 0.000 description 5
- 230000007704 transition Effects 0.000 description 4
- 239000000284 extract Substances 0.000 description 2
- 230000009191 jumping Effects 0.000 description 2
- 238000010295 mobile communication Methods 0.000 description 2
- 230000002093 peripheral effect Effects 0.000 description 2
- 241001465754 Metazoa Species 0.000 description 1
- 238000013459 approach Methods 0.000 description 1
- 230000003190 augmentative effect Effects 0.000 description 1
- 238000004140 cleaning Methods 0.000 description 1
- 239000012141 concentrate Substances 0.000 description 1
- 230000037213 diet Effects 0.000 description 1
- 235000005911 diet Nutrition 0.000 description 1
- 230000010354 integration Effects 0.000 description 1
- 230000000007 visual effect Effects 0.000 description 1
Images
Landscapes
- Traffic Control Systems (AREA)
Description
図1は、本発明の実施形態の監視カメラ利用車両システムの一例を示すシステム構成図である。
次に、本発明の実施形態の監視カメラ利用車両システムの変形例について説明する。
実施例1では、図1に示すようなシステム構成において、ビーコン発信機30としてBluetooth LE(登録商標)を用い、図2に示すような構成を有する状態予測サーバ40への監視カメラ20からの映像データgの入力は、HDMI(登録商標)等の専用線により行い、状態予測サーバ40と、図2に示すような構成を有する注意喚起装置50との間の無線通信網70は、駐車場P内を通信可能領域とするWiFi通信、または携帯通信網により構築する。
実施例2では、車両Cとして、自動運転システムを搭載した車両を想定する。
実施例3では、駐車場Pにおいて、駐車中の車両の間を移動する歩行者がいる場合を想定する。
実施例4では、駐車場Pにおいて、駐車していた車両が発進する場合を想定する。
実施例5では、駐車場Pにおいて、車両Cの進行方向に、直前に他の車両が駐車し、搭乗者がまだ降車していない場合を想定する。
実施例6では、駐車場Pにおいて、自車両Cの進行方向にある駐車中の車両に対して、人が接近し、駐車中の車両のドアが開閉されたものの、いまだにこの車両が停車中である場合を想定する。
Claims (8)
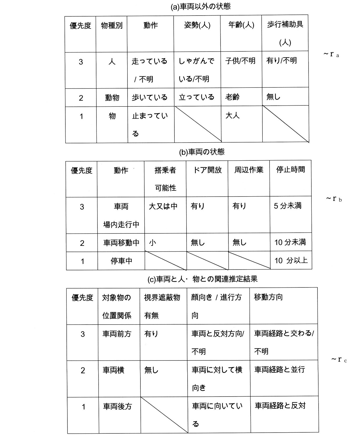
- 駐車場内における車両や人の状態を予測するためのサーバであって、
前記駐車場内の人や車両の位置、移動方向、速さ、属性の内容、および、時刻情報からなる状況記録レコードを状況記録データベースに記録する状況記録処理部と、
前記状況記録レコードの時系列に基づいて搭乗可能性を推測し、前記搭乗可能性を含む状況記録レコードの内容と、車両情報とに基づいて、優先度決定ルールに従い、前記状況記録レコードごとに注意喚起に関する優先度を算出し、前記優先度が1より大きな値の対象物について、注意喚起のための説明および音声データである注意喚起情報データを生成する注意喚起作成処理部とを備え、
前記属性の内容は、車両固有の項目として、前記車両の搭乗者の有無、前記搭乗者の動作、ドアの開放の有無、および周辺作業の有無を含み、人固有の項目として、前記人の姿勢、年齢、歩行補助具の有無、および体の向きを含み、
前記優先度決定ルールは、車両の状態と、車両以外の状態と、車両と人および物との関連推定結果との3つに分類されて設けられている、状態予測サーバ。 - 前記生成された注意喚起情報データを、前記駐車場内における各車両に送信する注意喚起情報送信処理部をさらに備えた、請求項1に記載の状態予測サーバ。
- 前記車両情報は、前記駐車場内の車両の位置、移動経路、および移動の速さを含む、請求項1または2に記載の状態予測サーバ。
- 前記状況記録処理部は、前記駐車場へ進入し、所定位置へ停車後に、ドアの開閉および周辺の歩行者が観測されていない車両に、搭乗者がいると判定し、判定結果である状況記録レコードを、前記状況記録データベースに記録する、請求項1乃至3のうち何れか1項に記載の状態予測サーバ。
- 前記状況記録処理部は、前記駐車場に停車中の車両の近辺での歩行者の消失、およびこの車両のドアの開閉が観測された場合、この車両に搭乗者がいると判定し、判定結果である状況記録レコードを、前記状況記録データベースに記録する、請求項1乃至3のうち何れか1項に記載の状態予測サーバ。
- 駐車場内における車両に注意喚起を行うために、前記車両に搭載された装置であって、
前記車両に搭載されたECUから、当該車両に関する車両情報を収集する車両情報収集処理部と、
前記駐車場内における車両や人の将来の状態を予測するための状態予測サーバから、前記駐車場内の車両および人の位置、移動方向、速さ、属性の内容、および、時刻情報からなる状況記録レコードを受信する受信処理部と、
前記受信した状況記録レコードの時系列に基づいて搭乗可能性を推測し、前記搭乗可能性を含む状況記録レコードの内容と、車両情報とに基づいて、優先度決定ルールに従い、前記状況記録レコードごとに注意喚起に関する優先度を算出し、前記優先度が1より大きな値の対象物について、注意喚起のための説明および音声データである注意喚起情報データを生成する注意喚起作成処理部と、
前記注意喚起情報データに基づいて、テキスト表示または音声出力により、当該車両の運転者に、当該車両の周辺環境に関する注意を促す制御処理部と
を備え、
前記属性の内容は、車両固有の項目として、前記車両の搭乗者の有無、前記搭乗者の動作、ドアの開放の有無、および周辺作業の有無を含み、人固有の項目として、前記人の姿勢、年齢、歩行補助具の有無、および体の向きを含み、
前記優先度決定ルールは、車両の状態と、車両以外の状態と、車両と人および物との関連推定結果との3つに分類されて設けられている、注意喚起装置。 - 前記車両情報は、当該車両の位置、移動経路、および移動の速さを含む、請求項6に記載の注意喚起装置。
- 当該車両に、自動運転システムが搭載されている場合、前記制御処理部は、前記注意喚起情報データを、自動運転のための車両制御用情報として、前記自動運転システムへ出力する、請求項6または7に記載の注意喚起装置。
Priority Applications (1)
| Application Number | Priority Date | Filing Date | Title |
|---|---|---|---|
| JP2019196366A JP7301715B2 (ja) | 2019-10-29 | 2019-10-29 | 監視カメラ利用車両システムに適用される状態予測サーバおよび注意喚起装置 |
Applications Claiming Priority (1)
| Application Number | Priority Date | Filing Date | Title |
|---|---|---|---|
| JP2019196366A JP7301715B2 (ja) | 2019-10-29 | 2019-10-29 | 監視カメラ利用車両システムに適用される状態予測サーバおよび注意喚起装置 |
Publications (2)
| Publication Number | Publication Date |
|---|---|
| JP2021071774A JP2021071774A (ja) | 2021-05-06 |
| JP7301715B2 true JP7301715B2 (ja) | 2023-07-03 |
Family
ID=75713095
Family Applications (1)
| Application Number | Title | Priority Date | Filing Date |
|---|---|---|---|
| JP2019196366A Active JP7301715B2 (ja) | 2019-10-29 | 2019-10-29 | 監視カメラ利用車両システムに適用される状態予測サーバおよび注意喚起装置 |
Country Status (1)
| Country | Link |
|---|---|
| JP (1) | JP7301715B2 (ja) |
Families Citing this family (1)
| Publication number | Priority date | Publication date | Assignee | Title |
|---|---|---|---|---|
| CN116935620A (zh) * | 2022-04-06 | 2023-10-24 | 中移(上海)信息通信科技有限公司 | 一种车位状态监测方法、装置及系统 |
Citations (4)
| Publication number | Priority date | Publication date | Assignee | Title |
|---|---|---|---|---|
| JP2009064276A (ja) | 2007-09-06 | 2009-03-26 | Toyota Motor Corp | 駐車案内システム |
| JP2015230478A (ja) | 2014-06-06 | 2015-12-21 | カシオ計算機株式会社 | コンテンツ提示システム、コンテンツ提示方法及びプログラム |
| JP2019121040A (ja) | 2017-12-28 | 2019-07-22 | 株式会社デンソーテン | 駐車制御装置、車両制御装置および駐車制御方法 |
| JP2019168953A (ja) | 2018-03-23 | 2019-10-03 | 株式会社豊田中央研究所 | 状態推定装置及びプログラム |
-
2019
- 2019-10-29 JP JP2019196366A patent/JP7301715B2/ja active Active
Patent Citations (4)
| Publication number | Priority date | Publication date | Assignee | Title |
|---|---|---|---|---|
| JP2009064276A (ja) | 2007-09-06 | 2009-03-26 | Toyota Motor Corp | 駐車案内システム |
| JP2015230478A (ja) | 2014-06-06 | 2015-12-21 | カシオ計算機株式会社 | コンテンツ提示システム、コンテンツ提示方法及びプログラム |
| JP2019121040A (ja) | 2017-12-28 | 2019-07-22 | 株式会社デンソーテン | 駐車制御装置、車両制御装置および駐車制御方法 |
| JP2019168953A (ja) | 2018-03-23 | 2019-10-03 | 株式会社豊田中央研究所 | 状態推定装置及びプログラム |
Also Published As
| Publication number | Publication date |
|---|---|
| JP2021071774A (ja) | 2021-05-06 |
Similar Documents
| Publication | Publication Date | Title |
|---|---|---|
| US12365308B2 (en) | Methods of facilitating emergency assistance | |
| JP7444777B2 (ja) | 情報処理装置、端末装置、情報処理方法および情報処理プログラム | |
| US11285966B2 (en) | Method and system for controlling an autonomous vehicle response to a fault condition | |
| JP6613623B2 (ja) | 車載装置、運転モード制御システム、及び運転モード制御方法 | |
| EP2940673B1 (en) | System and method for detecting potential accident situations with a car | |
| Visconti et al. | Arduino-based solution for in-carabandoned infants' controlling remotely managed by smartphone application | |
| JP7367014B2 (ja) | 信号処理装置、信号処理方法、プログラム、及び、撮像装置 | |
| JP7301715B2 (ja) | 監視カメラ利用車両システムに適用される状態予測サーバおよび注意喚起装置 | |
| JP7521343B2 (ja) | 車載装置及び記録方法 | |
| WO2021149274A1 (ja) | 監視システム、監視装置、監視方法、およびプログラム | |
| JP7428076B2 (ja) | サーバ装置、制御装置、車両、及び情報処理システムの動作方法 | |
| KR102245850B1 (ko) | 블랙박스 영상을 이용한 통합 관제 서비스를 제공하는 장치 및 방법 | |
| WO2025222286A1 (en) | In-vehicle telematics systems and devices | |
| WO2024150369A1 (ja) | 監視システム、情報処理装置、方法及び非一時的なコンピュータ記録媒体 |
Legal Events
| Date | Code | Title | Description |
|---|---|---|---|
| A621 | Written request for application examination |
Free format text: JAPANESE INTERMEDIATE CODE: A621 Effective date: 20210806 |
|
| A711 | Notification of change in applicant |
Free format text: JAPANESE INTERMEDIATE CODE: A711 Effective date: 20211105 |
|
| A711 | Notification of change in applicant |
Free format text: JAPANESE INTERMEDIATE CODE: A712 Effective date: 20211210 |
|
| A977 | Report on retrieval |
Free format text: JAPANESE INTERMEDIATE CODE: A971007 Effective date: 20220629 |
|
| A131 | Notification of reasons for refusal |
Free format text: JAPANESE INTERMEDIATE CODE: A131 Effective date: 20220712 |
|
| A521 | Request for written amendment filed |
Free format text: JAPANESE INTERMEDIATE CODE: A523 Effective date: 20220906 |
|
| A131 | Notification of reasons for refusal |
Free format text: JAPANESE INTERMEDIATE CODE: A131 Effective date: 20221101 |
|
| A521 | Request for written amendment filed |
Free format text: JAPANESE INTERMEDIATE CODE: A523 Effective date: 20221214 |
|
| RD02 | Notification of acceptance of power of attorney |
Free format text: JAPANESE INTERMEDIATE CODE: A7422 Effective date: 20230123 |
|
| A131 | Notification of reasons for refusal |
Free format text: JAPANESE INTERMEDIATE CODE: A131 Effective date: 20230228 |
|
| A521 | Request for written amendment filed |
Free format text: JAPANESE INTERMEDIATE CODE: A523 Effective date: 20230322 |
|
| TRDD | Decision of grant or rejection written | ||
| A01 | Written decision to grant a patent or to grant a registration (utility model) |
Free format text: JAPANESE INTERMEDIATE CODE: A01 Effective date: 20230523 |
|
| A61 | First payment of annual fees (during grant procedure) |
Free format text: JAPANESE INTERMEDIATE CODE: A61 Effective date: 20230621 |
|
| R150 | Certificate of patent or registration of utility model |
Ref document number: 7301715 Country of ref document: JP Free format text: JAPANESE INTERMEDIATE CODE: R150 |













