JP6437726B2 - 遊技機 - Google Patents

遊技機 Download PDF

Info

Publication number
JP6437726B2
JP6437726B2 JP2014043490A JP2014043490A JP6437726B2 JP 6437726 B2 JP6437726 B2 JP 6437726B2 JP 2014043490 A JP2014043490 A JP 2014043490A JP 2014043490 A JP2014043490 A JP 2014043490A JP 6437726 B2 JP6437726 B2 JP 6437726B2
Authority
JP
Japan
Prior art keywords
symbol
display
effect
special symbol
big hit
Prior art date
Legal status (The legal status is an assumption and is not a legal conclusion. Google has not performed a legal analysis and makes no representation as to the accuracy of the status listed.)
Expired - Fee Related
Application number
JP2014043490A
Other languages
English (en)
Other versions
JP2015167659A (ja
Inventor
小倉 敏男
敏男 小倉
侑一 渡邉
侑一 渡邉
浩太朗 中野
浩太朗 中野
Current Assignee (The listed assignees may be inaccurate. Google has not performed a legal analysis and makes no representation or warranty as to the accuracy of the list.)
Sankyo Co Ltd
Original Assignee
Sankyo Co Ltd
Priority date (The priority date is an assumption and is not a legal conclusion. Google has not performed a legal analysis and makes no representation as to the accuracy of the date listed.)
Filing date
Publication date
Application filed by Sankyo Co Ltd filed Critical Sankyo Co Ltd
Priority to JP2014043490A priority Critical patent/JP6437726B2/ja
Publication of JP2015167659A publication Critical patent/JP2015167659A/ja
Application granted granted Critical
Publication of JP6437726B2 publication Critical patent/JP6437726B2/ja
Expired - Fee Related legal-status Critical Current
Anticipated expiration legal-status Critical

Links

Images

Landscapes

  • Display Devices Of Pinball Game Machines (AREA)

Description

本発明は、遊技を行うことが可能なパチンコ遊技機等の遊技機に関する。
遊技機として、遊技媒体である遊技球を発射装置によって遊技領域に発射し、遊技領域に設けられている入賞口などの入賞領域に遊技球が入賞すると、所定の入賞価値を遊技者に与えるように構成されたものがある。さらに、識別情報を可変表示(「変動」ともいう。)可能な可変表示手段が設けられ、可変表示手段において識別情報の可変表示の表示結果が特定表示結果となった場合に、所定の遊技価値を遊技者に与えるように構成されたものがある。
なお、入賞価値とは、入賞領域への遊技球の入賞に応じて賞球を払い出したり得点や景品を付与したりすることである。また、遊技価値とは、特定表示結果となった場合に遊技機の遊技領域に設けられた可変入賞球装置の状態が打球が入賞しやすい遊技者にとって有利な状態になることや、遊技者にとって有利な状態になるための権利を発生させたりすることや、賞球払出の条件が成立しやすくなる状態になることである。
パチンコ遊技機では、始動入賞口に遊技球が入賞したことにもとづいて可変表示手段において開始される特別図柄(識別情報)の可変表示の表示結果として、あらかじめ定められた特定の表示態様が導出表示された場合に、「大当り(特定遊技状態)」が発生する。なお、導出表示とは、図柄を停止表示させることである。大当りが発生すると、例えば、大入賞口が所定回数開放して打球が入賞しやすい大当り遊技状態に移行する。そして、各開放期間において、所定個(例えば10個)の大入賞口への入賞があると大入賞口は閉成する。そして、大入賞口の開放回数は、所定回数(例えば15ラウンド)に固定されている。なお、各開放について開放時間(例えば29秒)が決められ、入賞数が所定個に達しなくても開放時間が経過すると大入賞口は閉成する。以下、各々の大入賞口の開放期間をラウンドということがある。
上記のような識別情報の可変表示を実行可能に構成した遊技機において、識別情報の可変表示を行う際に識別情報の表示態様を変更するように構成されたものがある。例えば、特許文献1には、識別情報の可変表示を行う際に、識別情報として大当り図柄「7」が通過する際の可変表示速度を遅くするように制御することが記載されている。また、特許文献2には、リーチ成立後に可変表示中の識別情報列の識別情報に対してカウントアップ演出やカウントダウン演出を実行することが記載されている。
特開平05−96049号公報(段落0010) 特開2013−102958号公報(段落0495−0497、図46)
しかし、特許文献1,2に記載された遊技機では、識別情報の表示態様を変更する演出の内容に変化が乏しく、演出効果を十分に高めることはできない。
そこで、本発明は、演出効果を向上させることができる遊技機を提供することを目的とする。
(手段1)本発明による遊技機は、識別情報(例えば、演出図柄)の可変表示を行い、予め定められた特定表示結果が導出表示されたときに遊技者にとって有利な有利状態に制御する遊技機であって、特定の識別情報(例えば、図柄「7」)を含む複数種類の識別情報が識別情報列に配列され(例えば、図30に示す図柄列に配列されている)、識別情報列のうち少なくとも一部分に、該識別情報列の識別情報と連続性がない特殊識別情報が配列されているとともに、該識別情報列に、特殊識別情報とは異なる該識別情報列の識別情報と連続性がない所定情報が配列され、特定の識別情報が停止して特定表示結果が導出表示されたことにもとづいて、有利状態の終了後に有利状態に制御されやすい特別状態に制御可能であり、識別情報列に含まれる識別情報を表示領域(例えば、演出表示装置9上の表示領域)に順次表示することによって、識別情報の可変表示を実行する可変表示実行手段(例えば、演出制御用マイクロコンピュータ100におけるステップS801〜S803を実行する部分)と、特定の識別情報が表示領域に接近したことを報知する報知手段(例えば、演出制御用マイクロコンピュータ100におけるステップS8106〜S8109で切り替えたプロセスデータに従ってステップS8105を実行することによって図柄報知演出を実行する部分)とを備え、報知手段は、特殊識別情報(例えば、星形図柄9B)の表示態様を変更することによって、特定の識別情報の表示領域への接近を報知し(例えば、図35に示すように星形図柄9Bの表示色を通常態様の白色から赤色に変更したり、図36に示すように星形図柄9Bの表示サイズを縦方向に通常と比較して2倍に拡大したりすることによって、図柄報知演出を実行する)、特定の識別情報以外の識別情報が表示領域に接近したことは報知しないことを特徴とする。そのような構成によれば、識別情報の表示態様を変更することにより特定の識別情報の表示領域への接近を報知することができ、演出効果を向上させつつ、特定の識別情報の表示領域への接近を報知することができる。
(手段2)手段1において、識別情報列のうち少なくとも一部分には、該識別情報列の他の部分と連続性がない識別情報が配列されている(例えば、図30に示すように、図柄「2」と図柄「3」との間に月形図柄9Aが割り込んで配置されていたり、図柄「6」と図柄「7」との間に星形図柄9Bが割り込んで配置されていたりすることによって、これらの部分に関しては不連続な配列となっている)ように構成されていてもよい。そのような構成によれば、識別情報列のどの部分に特定の識別情報が配置されているか遊技者が把握していない場合に、特に有効に特定の識別情報の表示領域への接近を報知することができる。
(手段3)手段1または手段2において、報知手段は、特定の識別情報の前に表示領域に表示される識別情報を複数種類の表示態様のうちのいずれかの表示態様に変更することが可能である(例えば、図35に示すように星形図柄9Bの表示色が赤色の表示色に変更される図柄報知演出Aと、図36に示すように星形図柄9Bの表示サイズが2倍に拡大される図柄報知演出Bとを実行可能である)ように構成されていてもよい。そのような構成によれば、識別情報の表示態様の変化の態様が複数存在するので、より演出効果を高めることができる。
(手段4)手段3において、識別情報の可変表示の表示結果として特定表示結果(例えば、大当り図柄)が導出表示されたときに遊技者にとって有利な特定遊技状態(例えば、大当り遊技状態)に制御する遊技機であって、特定遊技状態とするか否かを識別情報の可変表示の表示結果が導出表示される以前に決定する事前決定手段(例えば、遊技制御用マイクロコンピュータ560におけるステップS61を実行する部分)を備え、報知手段は、事前決定手段によって特定遊技状態とすると決定されたか否かに応じて異なる選択割合で、特定の識別情報の前に表示領域に表示される識別情報を複数種類の表示態様のうちのいずれかの表示態様に変更する(例えば、演出制御用マイクロコンピュータ100は、ステップS6003〜S6006の処理を実行することによって、図32に示すように、大当りとなる場合には、はずれとなる場合と比較して、星形図柄9Bの表示色を赤色に変更する図柄報知演出Aよりも、星形図柄9Bの表示サイズを拡大する図柄報知演出Bを高い割合で決定する)ように構成されていてもよい。そのような構成によれば、識別情報の表示態様の変化の態様によって遊技者に期待感を抱かせることができ、遊技に対する興趣を向上させることができる。
パチンコ遊技機を正面からみた正面図である。 遊技制御基板(主基板)の回路構成例を示すブロック図である。 演出制御基板、ランプドライバ基板および音声出力基板の回路構成例を示すブロック図である。 主基板におけるCPUが実行するメイン処理を示すフローチャートである。 4msタイマ割込処理を示すフローチャートである。 各乱数を示す説明図である。 大当り判定テーブル、小当り判定テーブルおよび大当り種別判定テーブルを示す説明図である。 演出制御コマンドの内容の一例を示す説明図である。 演出制御コマンドの内容の一例を示す説明図である。 特別図柄プロセス処理のプログラムの一例を示すフローチャートである。 特別図柄プロセス処理のプログラムの一例を示すフローチャートである。 始動口スイッチ通過処理を示すフローチャートである。 保留記憶バッファの構成例を示す説明図である。 特別図柄通常処理を示すフローチャートである。 特別図柄通常処理を示すフローチャートである。 変動パターン設定処理を示すフローチャートである。 表示結果指定コマンド送信処理を示すフローチャートである。 特別図柄変動中処理を示すフローチャートである。 特別図柄停止処理を示すフローチャートである。 大当り終了処理を示すフローチャートである。 特別図柄表示制御処理のプログラムの一例を示すフローチャートである。 演出制御用CPUが実行する演出制御メイン処理を示すフローチャートである。 コマンド受信バッファの構成例を示す説明図である。 コマンド解析処理を示すフローチャートである。 演出制御プロセス処理を示すフローチャートである。 変動パターンコマンド受信待ち処理を示すフローチャートである。 演出図柄変動開始処理を示すフローチャートである。 演出図柄の停止図柄の一例を示す説明図である。 プロセスデータの構成例を示す説明図である。 演出図柄の図柄列を示す説明図である。 図柄報知演出設定処理を示すフローチャートである。 図柄報知演出決定テーブルの具体例を示す説明図である。 演出図柄変動中処理を示すフローチャートである。 演出図柄変動停止処理を示すフローチャートである。 図柄報知演出の演出態様の具体例を示す説明図である。 図柄報知演出の演出態様の具体例を示す説明図である。
以下、本発明の実施の形態を、図面を参照して説明する。まず、遊技機の一例であるパチンコ遊技機1の全体の構成について説明する。図1はパチンコ遊技機1を正面からみた正面図である。
パチンコ遊技機1は、縦長の方形状に形成された外枠(図示せず)と、外枠の内側に開閉可能に取り付けられた遊技枠とで構成される。また、パチンコ遊技機1は、遊技枠に開閉可能に設けられている額縁状に形成されたガラス扉枠2を有する。遊技枠は、外枠に対して開閉自在に設置される前面枠(図示せず)と、機構部品等が取り付けられる機構板(図示せず)と、それらに取り付けられる種々の部品(後述する遊技盤6を除く)とを含む構造体である。
ガラス扉枠2の下部表面には打球供給皿(上皿)3がある。打球供給皿3の下部には、打球供給皿3に収容しきれない遊技球を貯留する余剰球受皿4や、打球を発射する打球操作ハンドル(操作ノブ)5が設けられている。また、ガラス扉枠2の背面には、遊技盤6が着脱可能に取り付けられている。なお、遊技盤6は、それを構成する板状体と、その板状体に取り付けられた種々の部品とを含む構造体である。また、遊技盤6の前面には、打ち込まれた遊技球が流下可能な遊技領域7が形成されている。
余剰球受皿(下皿)4を形成する部材には、例えば下皿本体の上面における手前側の所定位置(例えば下皿の中央部分)などに、スティック形状(棒形状)に構成され、遊技者が把持して複数方向(前後左右)に傾倒操作が可能なスティックコントローラ122が取り付けられている。なお、スティックコントローラ122には、遊技者がスティックコントローラ122の操作桿を操作手(例えば左手など)で把持した状態において、所定の操作指(例えば人差し指など)で押引操作することなどにより所定の指示操作が可能なトリガボタン121(図3を参照)が設けられ、スティックコントローラ122の操作桿の内部には、トリガボタン121に対する押引操作などによる所定の指示操作を検知するトリガセンサ125(図3を参照)が内蔵されている。また、スティックコントローラ122の下部における下皿の本体内部などには、操作桿に対する傾倒操作を検知する傾倒方向センサユニット123(図3を参照)が設けられている。また、スティックコントローラ122には、スティックコントローラ122を振動動作させるためのバイブレータ用モータ126(図3を参照)が内蔵されている。
打球供給皿(上皿)3を形成する部材には、例えば上皿本体の上面における手前側の所定位置(例えばスティックコントローラ122の上方)などに、遊技者が押下操作などにより所定の指示操作を可能なプッシュボタン120が設けられている。プッシュボタン120は、遊技者からの押下操作などによる所定の指示操作を、機械的、電気的、あるいは、電磁的に、検出できるように構成されていればよい。プッシュボタン120の設置位置における上皿の本体内部などには、プッシュボタン120に対してなされた遊技者の操作行為を検知するプッシュセンサ124(図3を参照)が設けられていればよい。図1に示す構成例では、プッシュボタン120とスティックコントローラ122の取付位置が、上皿及び下皿の中央部分において上下の位置関係にある。これに対して、上下の位置関係を保ったまま、プッシュボタン120及びスティックコントローラ122の取付位置を、上皿及び下皿において左右のいずれかに寄せた位置としてもよい。あるいは、プッシュボタン120とスティックコントローラ122の取付位置が上下の位置関係にはなく、例えば左右の位置関係にあるものとしてもよい。
遊技領域7の中央付近には、液晶表示装置(LCD)で構成された演出表示装置9が設けられている。演出表示装置9の表示画面には、第1特別図柄または第2特別図柄の可変表示に同期した演出図柄の可変表示を行う演出図柄表示領域がある。よって、演出表示装置9は、演出図柄の可変表示を行う可変表示装置に相当する。演出図柄表示領域には、例えば「左」、「中」、「右」の3つの装飾用(演出用)の演出図柄を可変表示する図柄表示エリアがある。図柄表示エリアには「左」、「中」、「右」の各図柄表示エリアがあるが、図柄表示エリアの位置は、演出表示装置9の表示画面において固定的でなくてもよいし、図柄表示エリアの3つ領域が離れてもよい。演出表示装置9は、演出制御基板に搭載されている演出制御用マイクロコンピュータによって制御される。演出制御用マイクロコンピュータが、第1特別図柄表示器8aで第1特別図柄の可変表示が実行されているときに、その可変表示に伴って演出表示装置9で演出表示を実行させ、第2特別図柄表示器8bで第2特別図柄の可変表示が実行されているときに、その可変表示に伴って演出表示装置9で演出表示を実行させるので、遊技の進行状況を把握しやすくすることができる。
また、演出表示装置9において、最終停止図柄(例えば左右中図柄のうち中図柄)となる図柄以外の図柄が、所定時間継続して、大当り図柄(例えば左中右の図柄が同じ図柄で揃った図柄の組み合わせ)と一致している状態で停止、揺動、拡大縮小もしくは変形している状態、または、複数の図柄が同一図柄で同期して変動したり、表示図柄の位置が入れ替わっていたりして、最終結果が表示される前で大当り発生の可能性が継続している状態(以下、これらの状態をリーチ状態という。)において行われる演出をリーチ演出という。また、リーチ状態やその様子をリーチ態様という。さらに、リーチ演出を含む可変表示をリーチ可変表示という。そして、演出表示装置9に変動表示される図柄の表示結果が大当り図柄でない場合には「はずれ」となり、変動表示状態は終了する。遊技者は、大当りをいかにして発生させるかを楽しみつつ遊技を行う。
なお、この実施の形態では、演出表示装置9における液晶表示の演出として演出図柄の変動表示を行う場合を示しているが、演出表示装置9で行われる演出は、この実施の形態で示したものにかぎらず、例えば、所定のストーリー性をもつ演出を実行して、大当り判定や変動パターンの決定結果にもとづいてストーリーの結果を表示するような演出を実行するようにしてもよい。例えば、プロレスやサッカーの試合や敵味方のキャラクタが戦うバトル演出を行うとともに、大当りであれば試合やバトルに勝利する演出を行い、はずれであれば試合やバトルに敗北する演出を行うようにしてもよい。また、例えば、勝敗などの結果を表示するのではなく、物語などの所定のストーリーを順に展開させていくような演出を実行するようにしてもよい。
演出表示装置9の表示画面の右上方部には、演出図柄と後述する特別図柄および普通図柄とに次ぐ第4図柄を表示する第4図柄表示領域9c,9dが設けられている。この実施の形態では、後述する第1特別図柄の変動表示に同期して第1特別図柄用の第4図柄の変動表示が行われる第1特別図柄用の第4図柄表示領域9cと、第2特別図柄の変動表示に同期して第2特別図柄用の第4図柄の変動表示が行われる第2特別図柄用の第4図柄表示領域9dとが設けられている。
この実施の形態では、特別図柄の変動表示に同期して演出図柄の変動表示が実行されるのであるが(ただし、正確には、演出図柄の変動表示は、演出制御用マイクロコンピュータ100側で変動パターンコマンドにもとづいて認識した変動時間を計測することによって行われる。)、演出表示装置9を用いた演出を行う場合、例えば、演出図柄の変動表示を含む演出内容が画面上から一瞬消えるような演出が行われたり、可動物が画面上の全部または一部を遮蔽するような演出が行われるなど、演出態様が多様化してきている。そのため、演出表示装置9上の表示画面を見ていても、現在変動表示中の状態であるのか否か認識しにくい場合も生じている。そこで、この実施の形態では、演出表示装置9の表示画面の一部でさらに第4図柄の変動表示を行うことによって、第4図柄の状態を確認することにより現在変動表示中の状態であるのか否かを確実に認識可能としている。なお、第4図柄は、常に一定の動作で変動表示され、画面上から消えたり遮蔽物で遮蔽することはないため、常に視認することができる。
なお、第1特別図柄用の第4図柄と第2特別図柄用の第4図柄とを、第4図柄と総称することがあり、第1特別図柄用の第4図柄表示領域9cと第2特別図柄用の第4図柄表示領域9dを、第4図柄表示領域と総称することがある。
第4図柄の変動(可変表示)は、第4図柄表示領域9c,9dを所定の表示色(例えば、青色)で一定の時間間隔で点灯と消灯とを繰り返す状態を継続することによって実現される。第1特別図柄表示器8aにおける第1特別図柄の可変表示と、第1特別図柄用の第4図柄表示領域9cにおける第1特別図柄用の第4図柄の可変表示とは同期している。第2特別図柄表示器8bにおける第2特別図柄の可変表示と、第2特別図柄用の第4図柄表示領域9dにおける第2特別図柄用の第4図柄の可変表示とは同期している。同期とは、可変表示の開始時点および終了時点が同じであって、可変表示の期間が同じであることをいう。
また、第1特別図柄表示器8aにおいて大当り図柄が停止表示されるときには、第1特別図柄用の第4図柄表示領域9cにおいて大当りを想起させる表示色(はずれとは異なる表示色。例えば、はずれのときには青色で表示されるのに対して、大当りのときには赤色で表示される。なお、大当りの種類(確変大当りや通常大当りのいずれであるか)に応じて表示色を異ならせてもよい。また、大入賞口への遊技球の入賞を期待できる大当り(例えば、突然確変大当り以外の大当り)であるか否かに応じて表示色を異ならせてもよく、ラウンド数の異なる複数種類の大当りに制御可能である場合には、大当り遊技において継続されるラウンド数に応じて表示色を異ならせてもよい。また、この実施の形態のように、各大当りのラウンド数が同じであっても、例えば、1ラウンドあたりの大入賞口の開放時間が短く(例えば1秒)、実質的に大入賞口への遊技球の入賞を期待できない大当りと、1ラウンドあたりの大入賞口の開放時間が長く(例えば30秒)、実質的に大入賞口への遊技球の入賞を期待できる大当りとがある場合には、実質的に大入賞口への遊技球の入賞を期待できるか否かに応じて表示色を異ならせてもよい。また、例えば、1ラウンドあたりの大入賞口の開放回数が異なることによって、実質的に大入賞口への遊技球の入賞を期待できる大当りと期待できない大当りがある場合にも、実質的に大入賞口への遊技球の入賞を期待できるか否かに応じて表示色を異ならせてもよい。
また、第2特別図柄表示器8bにおいて大当り図柄が停止表示されるときには、第2特別図柄用の第4図柄表示領域9dにおいて大当りを想起させる表示色(はずれとは異なる表示色。例えば、はずれのときには青色で表示されるのに対して、大当りのときには赤色で表示される。なお、大当りの種類(確変大当りや通常大当りのいずれであるか)に応じて表示色を異ならせてもよい。また、大入賞口への遊技球の入賞を期待できる大当り(例えば、突然確変大当り以外の大当り)であるか否かに応じて表示色を異ならせてもよく、ラウンド数の異なる複数種類の大当りに制御可能である場合には、大当り遊技において継続されるラウンド数に応じて表示色を異ならせてもよい。また、この実施の形態のように、各大当りのラウンド数が同じであっても、例えば、1ラウンドあたりの大入賞口の開放時間が短く(例えば1秒)、実質的に大入賞口への遊技球の入賞を期待できない大当りと、1ラウンドあたりの大入賞口の開放時間が長く(例えば30秒)、実質的に大入賞口への遊技球の入賞を期待できる大当りとがある場合には、実質的に大入賞口への遊技球の入賞を期待できるか否かに応じて表示色を異ならせてもよい。また、例えば、1ラウンドあたりの大入賞口の開放回数が異なることによって、実質的に大入賞口への遊技球の入賞を期待できる大当りと期待できない大当りがある場合にも、実質的に大入賞口への遊技球の入賞を期待できるか否かに応じて表示色を異ならせてもよい。
なお、第4図柄表示領域9c,9dの消灯時の表示色は、消灯したときに背景画像と同化して見えなくなることを防止するために、背景画像とは異なる表示色(例えば、黒色)であることが望ましい。
なお、この実施の形態では、第4図柄表示領域を演出表示装置9の表示画面の一部に設ける場合を示しているが、演出表示装置9とは別に、ランプやLEDなどの発光体を用いて第4図柄表示領域を実現するようにしてもよい。この場合、例えば、第4図柄の変動(可変表示)を、2つのLEDが交互に点灯する状態を継続することによって実現されるようにしてもよく、2つのLEDのうちのいずれのLEDが停止表示されたかによって大当り図柄が停止表示されたか否かを表すようにしてもよい。
また、この実施の形態では、第1特別図柄と第2特別図柄とにそれぞれ対応させて別々の第4図柄表示領域9c,9dを備える場合を示しているが、第1特別図柄と第2特別図柄とに対して共通の第4図柄表示領域を演出表示装置9の表示画面の一部に設けるようにしてもよい。また、第1特別図柄と第2特別図柄とに対して共通の第4図柄表示領域をランプやLEDなどの発光体を用いて実現するようにしてもよい。この場合、第1特別図柄の変動表示に同期して第4図柄の変動表示を実行するときと、第2特別図柄の変動表示に同期して第4図柄の変動表示を実行するときとで、例えば、一定の時間間隔で異なる表示色の表示を点灯および消灯を繰り返すような表示を行うことによって、第4図柄の変動表示を区別して実行するようにしてもよい。また、第1特別図柄の変動表示に同期して第4図柄の変動表示を実行するときと、第2特別図柄の変動表示に同期して第4図柄の変動表示を実行するときとで、例えば、異なる時間間隔で点灯および消灯を繰り返すような表示を行うことによって、第4図柄の変動表示を区別して実行するようにしてもよい。また、例えば、第1特別図柄の変動表示に対応して停止図柄を導出表示するときと、第2特別図柄の変動表示に対応して停止図柄を導出表示するときとで、同じ大当り図柄であっても異なる態様の停止図柄を停止表示するようにしてもよい。
演出表示装置9の右方には、識別情報としての第1特別図柄を可変表示する第1特別図柄表示器(第1可変表示部)8aが設けられている。この実施の形態では、第1特別図柄表示器8aは、0〜9の数字を可変表示可能な簡易で小型の表示器(例えば7セグメントLED)で実現されている。すなわち、第1特別図柄表示器8aは、0〜9の数字(または、記号)を可変表示するように構成されている。また、演出表示装置9の右方(第1特別図柄表示器8aの右隣)には、識別情報としての第2特別図柄を可変表示する第2特別図柄表示器(第2可変表示部)8bも設けられている。第2特別図柄表示器8bは、0〜9の数字を可変表示可能な簡易で小型の表示器(例えば7セグメントLED)で実現されている。すなわち、第2特別図柄表示器8bは、0〜9の数字(または、記号)を可変表示するように構成されている。
小型の表示器は、例えば方形状に形成されている。また、この実施の形態では、第1特別図柄の種類と第2特別図柄の種類とは同じ(例えば、ともに0〜9の数字)であるが、種類が異なっていてもよい。また、第1特別図柄表示器8aおよび第2特別図柄表示器8bは、それぞれ、例えば、00〜99の数字(または、2桁の記号)を可変表示するように構成されていてもよい。
以下、第1特別図柄と第2特別図柄とを特別図柄と総称することがあり、第1特別図柄表示器8aと第2特別図柄表示器8bとを特別図柄表示器(可変表示部)と総称することがある。
なお、この実施の形態では、2つの特別図柄表示器8a,8bを備える場合を示しているが、遊技機は、特別図柄表示器を1つのみ備えるものであってもよい。
第1特別図柄または第2特別図柄の可変表示は、可変表示の実行条件である第1始動条件または第2始動条件が成立(例えば、遊技球が第1始動入賞口13または第2始動入賞口14を通過(入賞を含む)したこと)した後、可変表示の開始条件(例えば、保留記憶数が0でない場合であって、第1特別図柄および第2特別図柄の可変表示が実行されていない状態であり、かつ、大当り遊技が実行されていない状態)が成立したことにもとづいて開始され、可変表示時間(変動時間)が経過すると表示結果(停止図柄)を導出表示する。なお、遊技球が通過するとは、入賞口やゲートなどのあらかじめ入賞領域として定められている領域を遊技球が通過したことであり、入賞口に遊技球が入った(入賞した)ことを含む概念である。また、表示結果を導出表示するとは、図柄(識別情報の例)を最終的に停止表示させることである。
演出表示装置9の下方には、第1始動入賞口13を有する入賞装置が設けられている。第1始動入賞口13に入賞した遊技球は、遊技盤6の背面に導かれ、第1始動口スイッチ13aによって検出される。
また、第1始動入賞口(第1始動口)13を有する入賞装置の下方には、遊技球が入賞可能な第2始動入賞口14を有する可変入賞球装置15が設けられている。第2始動入賞口(第2始動口)14に入賞した遊技球は、遊技盤6の背面に導かれ、第2始動口スイッチ14aによって検出される。可変入賞球装置15は、ソレノイド16によって開状態とされる。可変入賞球装置15が開状態になることによって、遊技球が第2始動入賞口14に入賞可能になり(始動入賞し易くなり)、遊技者にとって有利な状態になる。可変入賞球装置15が開状態になっている状態では、第1始動入賞口13よりも、第2始動入賞口14に遊技球が入賞しやすい。また、可変入賞球装置15が閉状態になっている状態では、遊技球は第2始動入賞口14に入賞しない。従って、可変入賞球装置15が閉状態になっている状態では、第2始動入賞口14よりも、第1始動入賞口13に遊技球が入賞しやすい。なお、可変入賞球装置15が閉状態になっている状態において、入賞はしづらいものの、入賞することは可能である(すなわち、遊技球が入賞しにくい)ように構成されていてもよい。
以下、第1始動入賞口13と第2始動入賞口14とを総称して始動入賞口または始動口ということがある。
可変入賞球装置15が開放状態に制御されているときには可変入賞球装置15に向かう遊技球は第2始動入賞口14に極めて入賞しやすい。そして、第1始動入賞口13は演出表示装置9の直下に設けられているが、演出表示装置9の下端と第1始動入賞口13との間の間隔をさらに狭めたり、第1始動入賞口13の周辺で釘を密に配置したり、第1始動入賞口13の周辺での釘配列を遊技球を第1始動入賞口13に導きづらくして、第2始動入賞口14の入賞率の方を第1始動入賞口13の入賞率よりもより高くするようにしてもよい。
なお、この実施の形態では、図1に示すように、第2始動入賞口14に対してのみ開閉動作を行う可変入賞球装置15が設けられているが、第1始動入賞口13および第2始動入賞口14のいずれについても開閉動作を行う可変入賞球装置が設けられている構成であってもよい。
第2特別図柄表示器8bの上方には、第2始動入賞口14に入った有効入賞球数すなわち第2保留記憶数を表示する4つの表示器からなる第2特別図柄保留記憶表示器18bが設けられている。第2特別図柄保留記憶表示器18bは、有効始動入賞がある毎に、点灯する表示器の数を1増やす。そして、第2特別図柄表示器8bでの可変表示が開始される毎に、点灯する表示器の数を1減らす。
また、第2特別図柄保留記憶表示器18bのさらに上方には、第1始動入賞口13に入った有効入賞球数すなわち第1保留記憶数(保留記憶を、始動記憶または始動入賞記憶ともいう。)を表示する4つの表示器からなる第1特別図柄保留記憶表示器18aが設けられている。第1特別図柄保留記憶表示器18aは、有効始動入賞がある毎に、点灯する表示器の数を1増やす。そして、第1特別図柄表示器8aでの可変表示が開始される毎に、点灯する表示器の数を1減らす。
また、演出表示装置9の表示画面の下部には、第1保留記憶数と第2保留記憶数との合計である合計数(合算保留記憶数)を表示する合算保留記憶表示部18cが設けられている。この実施の形態では、そのように、合計数を表示する合算保留記憶表示部18cが設けられているので、可変表示の開始条件が成立していない実行条件の成立数の合計を把握しやすくすることができる。なお、第1保留記憶数を表示する第1保留記憶表示部と、第2保留記憶数を表示する第2保留記憶表示部とを設けるようにしてもよい。
演出表示装置9は、第1特別図柄表示器8aによる第1特別図柄の可変表示時間中、および第2特別図柄表示器8bによる第2特別図柄の可変表示時間中に、装飾用(演出用)の図柄としての演出図柄の可変表示を行う。第1特別図柄表示器8aにおける第1特別図柄の可変表示と、演出表示装置9における演出図柄の可変表示とは同期している。また、第2特別図柄表示器8bにおける第2特別図柄の可変表示と、演出表示装置9における演出図柄の可変表示とは同期している。また、第1特別図柄表示器8aにおいて大当り図柄が停止表示されるときと、第2特別図柄表示器8bにおいて大当り図柄が停止表示されるときには、演出表示装置9において大当りを想起させるような演出図柄の組み合わせが停止表示される。
また、図1に示すように、可変入賞球装置15の下方には、大入賞口を形成する特別可変入賞球装置20が設けられている。特別可変入賞球装置20は開閉板を備え、第1特別図柄表示器8aに特定表示結果(大当り図柄)が導出表示されたときと、第2特別図柄表示器8bに特定表示結果(大当り図柄)が導出表示されたときに生起する特定遊技状態(大当り遊技状態)においてソレノイド21によって開閉板が開放状態に制御されることによって、入賞領域となる大入賞口が開放状態になる。大入賞口に入賞した遊技球はカウントスイッチ23で検出される。
演出表示装置9の左方には、普通図柄を可変表示する普通図柄表示器10が設けられている。この実施の形態では、普通図柄表示器10は、0〜9の数字を可変表示可能な簡易で小型の表示器(例えば7セグメントLED)で実現されている。すなわち、普通図柄表示器10は、0〜9の数字(または、記号)を可変表示するように構成されている。また、小型の表示器は、例えば方形状に形成されている。なお、普通図柄表示器10は、例えば、00〜99の数字(または、2桁の記号)を可変表示するように構成されていてもよい。また、普通図柄表示器10は、7セグメントLEDなどにかぎらず、例えば、所定の記号表示を点灯表示可能な表示器(例えば、「○」や「×」を交互に点灯表示可能な装飾ランプ)で構成されていてもよい。
遊技球がゲート32を通過しゲートスイッチ32aで検出されると、普通図柄表示器10の表示の可変表示が開始される。そして、普通図柄表示器10における停止図柄が所定の図柄(当り図柄。例えば、図柄「7」。)である場合に、可変入賞球装置15が所定回数、所定時間だけ開状態になる。すなわち、可変入賞球装置15の状態は、普通図柄の停止図柄が当り図柄である場合に、遊技者にとって不利な状態から有利な状態(第2始動入賞口14に遊技球が入賞可能な状態)に変化する。普通図柄表示器10の近傍には、ゲート32を通過した入賞球数を表示する4つのLEDによる表示部を有する普通図柄保留記憶表示器41が設けられている。ゲート32への遊技球の通過がある毎に、すなわちゲートスイッチ32aによって遊技球が検出される毎に、普通図柄保留記憶表示器41は点灯するLEDを1増やす。そして、普通図柄表示器10の可変表示が開始される毎に、点灯するLEDを1減らす。さらに、通常状態に比べて大当りとすることに決定される確率が高い状態である確変状態(通常状態と比較して、特別図柄の変動表示結果として大当りと判定される確率が高められた状態)では、普通図柄表示器10における停止図柄が当り図柄になる確率が高められるとともに、可変入賞球装置15の開放時間と開放回数が高められる。また、確変状態ではないが図柄の変動時間が短縮されている時短状態(特別図柄の可変表示時間が短縮される遊技状態)でも、可変入賞球装置15の開放時間と開放回数が高められる。
遊技盤6の下部には、入賞しなかった打球が取り込まれるアウト口26がある。また、遊技領域7の外側の左右上部および左右下部には、所定の音声出力として効果音や音声を発声する4つのスピーカ27が設けられている。遊技領域7の外周には、前面枠に設けられた枠LED28が設けられている。
遊技機には、遊技者が打球操作ハンドル5を操作することに応じて駆動モータを駆動し、駆動モータの回転力を利用して遊技球を遊技領域7に発射する打球発射装置(図示せず)が設けられている。打球発射装置から発射された遊技球は、遊技領域7を囲むように円形状に形成された打球レールを通って遊技領域7に入り、その後、遊技領域7を下りてくる。遊技球が第1始動入賞口13に入り第1始動口スイッチ13aで検出されると、第1特別図柄の可変表示を開始できる状態であれば(例えば、特別図柄の可変表示が終了し、第1の開始条件が成立したこと)、第1特別図柄表示器8aにおいて第1特別図柄の可変表示(変動)が開始されるとともに、演出表示装置9において演出図柄の可変表示が開始される。すなわち、第1特別図柄および演出図柄の可変表示は、第1始動入賞口13への入賞に対応する。第1特別図柄の可変表示を開始できる状態でなければ、第1保留記憶数が上限値に達していないことを条件として、第1保留記憶数を1増やす。
遊技球が第2始動入賞口14に入り第2始動口スイッチ14aで検出されると、第2特別図柄の可変表示を開始できる状態であれば(例えば、特別図柄の可変表示が終了し、第2の開始条件が成立したこと)、第2特別図柄表示器8bにおいて第2特別図柄の可変表示(変動)が開始されるとともに、演出表示装置9において演出図柄の可変表示が開始される。すなわち、第2特別図柄および演出図柄の可変表示は、第2始動入賞口14への入賞に対応する。第2特別図柄の可変表示を開始できる状態でなければ、第2保留記憶数が上限値に達していないことを条件として、第2保留記憶数を1増やす。
この実施の形態では、確変大当りとなった場合には、遊技状態を高確率状態(確変状態)に移行するとともに、遊技球が始動入賞しやすくなる(すなわち、特別図柄表示器8a,8bや演出表示装置9における可変表示の実行条件が成立しやすくなる)ように制御された遊技状態である高ベース状態に移行(この実施の形態では、時短状態に移行)する。また、遊技状態が時短状態に移行されたときも、高ベース状態に移行する。高ベース状態である場合には、例えば、高ベース状態でない場合と比較して、可変入賞球装置15が開状態となる頻度が高められたり、可変入賞球装置15が開状態となる時間が延長されたりして、始動入賞しやすくなる。
なお、可変入賞球装置15が開状態となる時間を延長する(開放延長状態ともいう)のでなく、普通図柄表示器10における停止図柄が当り図柄になる確率が高められる普通図柄確変状態に移行することによって、高ベース状態に移行してもよい。普通図柄表示器10における停止図柄が所定の図柄(当り図柄)となると、可変入賞球装置15が所定回数、所定時間だけ開状態になる。この場合、普通図柄確変状態に移行制御することによって、普通図柄表示器10における停止図柄が当り図柄になる確率が高められ、可変入賞球装置15が開状態となる頻度が高まる。従って、普通図柄確変状態に移行すれば、可変入賞球装置15の開放時間と開放回数が高められ、始動入賞しやすい状態(高ベース状態)となる。すなわち、可変入賞球装置15の開放時間と開放回数は、普通図柄の停止図柄が当り図柄であったり、特別図柄の停止図柄が確変図柄である場合等に高められ、遊技者にとって不利な状態から有利な状態(始動入賞しやすい状態)に変化する。なお、開放回数が高められることは、閉状態から開状態になることも含む概念である。
また、普通図柄表示器10における普通図柄の変動時間(可変表示期間)が短縮される普通図柄時短状態に移行することによって、高ベース状態に移行してもよい。普通図柄時短状態では、普通図柄の変動時間が短縮されるので、普通図柄の変動が開始される頻度が高くなり、結果として普通図柄が当りとなる頻度が高くなる。従って、普通図柄が当たりとなる頻度が高くなることによって、可変入賞球装置15が開状態となる頻度が高くなり、始動入賞しやすい状態(高ベース状態)となる。
また、特別図柄や演出図柄の変動時間(可変表示期間)が短縮される時短状態に移行することによって、特別図柄や演出図柄の変動時間が短縮されるので、特別図柄や演出図柄の変動が開始される頻度が高くなり(換言すれば、保留記憶の消化が速くなる。)、無効な始動入賞が生じてしまう事態を低減することができる。従って、有効な始動入賞が発生しやすくなり、結果として、大当り遊技が行われる可能性が高まる。
さらに、上記に示した全ての状態(開放延長状態、普通図柄確変状態、普通図柄時短状態および特別図柄時短状態)に移行させることによって、始動入賞しやすくなる(高ベース状態に移行する)ようにしてもよい。また、上記に示した各状態(開放延長状態、普通図柄確変状態、普通図柄時短状態および特別図柄時短状態)のうちのいずれか複数の状態に移行させることによって、始動入賞しやすくなる(高ベース状態に移行する)ようにしてもよい。また、上記に示した各状態(開放延長状態、普通図柄確変状態、普通図柄時短状態および特別図柄時短状態)のうちのいずれか1つの状態にのみ移行させることによって、始動入賞しやすくなる(高ベース状態に移行する)ようにしてもよい。
図2は、主基板(遊技制御基板)31における回路構成の一例を示すブロック図である。なお、図2は、払出制御基板37および演出制御基板80等も示されている。主基板31には、プログラムに従ってパチンコ遊技機1を制御する遊技制御用マイクロコンピュータ(遊技制御手段に相当)560が搭載されている。遊技制御用マイクロコンピュータ560は、ゲーム制御(遊技進行制御)用のプログラム等を記憶するROM54、ワークメモリとして使用される記憶手段としてのRAM55、プログラムに従って制御動作を行うCPU56およびI/Oポート部57を含む。この実施の形態では、ROM54およびRAM55は遊技制御用マイクロコンピュータ560に内蔵されている。すなわち、遊技制御用マイクロコンピュータ560は、1チップマイクロコンピュータである。1チップマイクロコンピュータには、少なくともCPU56のほかRAM55が内蔵されていればよく、ROM54は外付けであっても内蔵されていてもよい。また、I/Oポート部57は、外付けであってもよい。遊技制御用マイクロコンピュータ560には、さらに、ハードウェア乱数(ハードウェア回路が発生する乱数)を発生する乱数回路503が内蔵されている。
また、RAM55は、その一部または全部が電源基板において作成されるバックアップ電源によってバックアップされている不揮発性記憶手段としてのバックアップRAMである。すなわち、遊技機に対する電力供給が停止しても、所定期間(バックアップ電源としてのコンデンサが放電してバックアップ電源が電力供給不能になるまで)は、RAM55の一部または全部の内容は保存される。特に、少なくとも、遊技状態すなわち遊技制御手段の制御状態に応じたデータ(特別図柄プロセスフラグや、確変フラグなど)と未払出賞球数を示すデータは、バックアップRAMに保存される。遊技制御手段の制御状態に応じたデータとは、停電等が生じた後に復旧した場合に、そのデータにもとづいて、制御状態を停電等の発生前に復旧させるために必要なデータである。また、制御状態に応じたデータと未払出賞球数を示すデータとを遊技の進行状態を示すデータと定義する。なお、この実施の形態では、RAM55の全部が、電源バックアップされているとする。
なお、遊技制御用マイクロコンピュータ560においてCPU56がROM54に格納されているプログラムに従って制御を実行するので、以下、遊技制御用マイクロコンピュータ560(またはCPU56)が実行する(または、処理を行う)ということは、具体的には、CPU56がプログラムに従って制御を実行することである。このことは、主基板31以外の他の基板に搭載されているマイクロコンピュータについても同様である。
乱数回路503は、特別図柄の可変表示の表示結果により大当りとするか否か判定するための判定用の乱数を発生するために用いられるハードウェア回路である。乱数回路503は、初期値(例えば、0)と上限値(例えば、65535)とが設定された数値範囲内で、数値データを、設定された更新規則に従って更新し、ランダムなタイミングで発生する始動入賞時が数値データの読出(抽出)時であることにもとづいて、読出される数値データが乱数値となる乱数発生機能を有する。
乱数回路503は、数値データの更新範囲の選択設定機能(初期値の選択設定機能、および、上限値の選択設定機能)、数値データの更新規則の選択設定機能、および数値データの更新規則の選択切換え機能等の各種の機能を有する。このような機能によって、生成する乱数のランダム性を向上させることができる。
また、遊技制御用マイクロコンピュータ560は、乱数回路503が更新する数値データの初期値を設定する機能を有している。例えば、ROM54等の所定の記憶領域に記憶された遊技制御用マイクロコンピュータ560のIDナンバ(遊技制御用マイクロコンピュータ560の各製品ごとに異なる数値で付与されたIDナンバ)を用いて所定の演算を行なって得られた数値データを、乱数回路503が更新する数値データの初期値として設定する。そのような処理を行うことによって、乱数回路503が発生する乱数のランダム性をより向上させることができる。
また、ゲートスイッチ32a、第1始動口スイッチ13a、第2始動口スイッチ14a、カウントスイッチ23からの検出信号を遊技制御用マイクロコンピュータ560に与える入力ドライバ回路58も主基板31に搭載されている。また、可変入賞球装置15を開閉するソレノイド16、および大入賞口を形成する特別可変入賞球装置20を開閉するソレノイド21を遊技制御用マイクロコンピュータ560からの指令に従って駆動する出力回路59も主基板31に搭載されている。
また、遊技制御用マイクロコンピュータ560は、特別図柄を可変表示する第1特別図柄表示器8a、第2特別図柄表示器8b、普通図柄を可変表示する普通図柄表示器10、第1特別図柄保留記憶表示器18a、第2特別図柄保留記憶表示器18bおよび普通図柄保留記憶表示器41の表示制御を行う。
なお、大当り遊技状態の発生を示す大当り情報等の情報出力信号を、ターミナル基板160を介して、ホールコンピュータ等の外部装置に対して出力する情報出力回路64も主基板31に搭載されている。
この実施の形態では、演出制御基板80に搭載されている演出制御手段(演出制御用マイクロコンピュータで構成される。)が、中継基板77を介して遊技制御用マイクロコンピュータ560から演出内容を指示する演出制御コマンドを受信し、演出図柄を可変表示する演出表示装置9の表示制御を行う。
また、演出制御基板80に搭載されている演出制御手段が、ランプドライバ基板35を介して、枠側に設けられている枠LED28などの表示制御を行うとともに、音声出力基板70を介してスピーカ27からの音出力の制御を行う。
図3は、中継基板77、演出制御基板80、ランプドライバ基板35および音声出力基板70の回路構成例を示すブロック図である。なお、図3に示す例では、ランプドライバ基板35および音声出力基板70には、マイクロコンピュータは搭載されていないが、マイクロコンピュータを搭載してもよい。また、ランプドライバ基板35および音声出力基板70を設けずに、演出制御に関して演出制御基板80のみを設けてもよい。
演出制御基板80は、演出制御用CPU101、および演出図柄プロセスフラグ等の演出に関する情報を記憶するRAMを含む演出制御用マイクロコンピュータ100を搭載している。なお、RAMは外付けであってもよい。この実施の形態では、演出制御用マイクロコンピュータ100におけるRAMは電源バックアップされていない。演出制御基板80において、演出制御用CPU101は、内蔵または外付けのROM(図示せず)に格納されたプログラムに従って動作し、中継基板77を介して入力される主基板31からの取込信号(演出制御INT信号)に応じて、入力ドライバ102および入力ポート103を介して演出制御コマンドを受信する。また、演出制御用CPU101は、演出制御コマンドにもとづいて、VDP(ビデオディスプレイプロセッサ)109に演出表示装置9の表示制御を行わせる。
この実施の形態では、演出制御用マイクロコンピュータ100と共動して演出表示装置9の表示制御を行うVDP109が演出制御基板80に搭載されている。VDP109は、演出制御用マイクロコンピュータ100とは独立したアドレス空間を有し、そこにVRAMをマッピングする。VRAMは、画像データを展開するためのバッファメモリである。そして、VDP109は、VRAM内の画像データをフレームメモリを介して演出表示装置9に出力する。
演出制御用CPU101は、受信した演出制御コマンドに従ってCGROM(図示せず)から必要なデータを読み出すための指令をVDP109に出力する。CGROMは、演出表示装置9に表示されるキャラクタ画像データや動画像データ、具体的には、人物、文字、図形や記号等(演出図柄を含む)、および背景画像のデータをあらかじめ格納しておくためのROMである。VDP109は、演出制御用CPU101の指令に応じて、CGROMから画像データを読み出す。そして、VDP109は、読み出した画像データにもとづいて表示制御を実行する。
演出制御コマンドおよび演出制御INT信号は、演出制御基板80において、まず、入力ドライバ102に入力する。入力ドライバ102は、中継基板77から入力された信号を演出制御基板80の内部に向かう方向にしか通過させない(演出制御基板80の内部から中継基板77への方向には信号を通過させない)信号方向規制手段としての単方向性回路でもある。
中継基板77には、主基板31から入力された信号を演出制御基板80に向かう方向にしか通過させない(演出制御基板80から中継基板77への方向には信号を通過させない)信号方向規制手段としての単方向性回路74が搭載されている。単方向性回路として、例えばダイオードやトランジスタが使用される。図3には、ダイオードが例示されている。また、単方向性回路は、各信号毎に設けられる。さらに、単方向性回路である出力ポート571を介して主基板31から演出制御コマンドおよび演出制御INT信号が出力されるので、中継基板77から主基板31の内部に向かう信号が規制される。すなわち、中継基板77からの信号は主基板31の内部(遊技制御用マイクロコンピュータ560側)に入り込まない。なお、出力ポート571は、図2に示されたI/Oポート部57の一部である。また、出力ポート571の外側(中継基板77側)に、さらに、単方向性回路である信号ドライバ回路が設けられていてもよい。
また、演出制御用CPU101は、スティックコントローラ122のトリガボタン121に対する遊技者の操作行為を検出したことを示す情報信号としての操作検出信号を、トリガセンサ125から、入力ポート106を介して入力する。また、演出制御用CPU101は、プッシュボタン120に対する遊技者の操作行為を検出したことを示す情報信号としての操作検出信号を、プッシュセンサ124から、入力ポート106を介して入力する。また、演出制御用CPU101は、スティックコントローラ122の操作桿に対する遊技者の操作行為を検出したことを示す情報信号としての操作検出信号を、傾倒方向センサユニット123から、入力ポート106を介して入力する。また、演出制御用CPU101は、出力ポート105を介してバイブレータ用モータ126に駆動信号を出力することにより、スティックコントローラ122を振動動作させる。
さらに、演出制御用CPU101は、出力ポート105を介してランプドライバ基板35に対してLEDを駆動する信号を出力する。また、演出制御用CPU101は、出力ポート104を介して音声出力基板70に対して音番号データを出力する。
ランプドライバ基板35において、LEDを駆動する信号は、入力ドライバ351を介してLEDドライバ352に入力される。LEDドライバ352は、LEDを駆動する信号にもとづいて枠LED28などの発光体に電流を供給する。
音声出力基板70において、音番号データは、入力ドライバ702を介して音声合成用IC703に入力される。音声合成用IC703は、音番号データに応じた音声や効果音を発生し増幅回路705に出力する。増幅回路705は、音声合成用IC703の出力レベルを、ボリューム706で設定されている音量に応じたレベルに増幅した音声信号をスピーカ27に出力する。音声データROM704には、音番号データに応じた制御データが格納されている。音番号データに応じた制御データは、所定期間(例えば演出図柄の変動期間)における効果音または音声の出力態様を時系列的に示すデータの集まりである。
次に、遊技機の動作について説明する。図4は、主基板31における遊技制御用マイクロコンピュータ560が実行するメイン処理を示すフローチャートである。遊技機に対して電源が投入され電力供給が開始されると、リセット信号が入力されるリセット端子の入力レベルがハイレベルになり、遊技制御用マイクロコンピュータ560(具体的には、CPU56)は、プログラムの内容が正当か否か確認するための処理であるセキュリティチェック処理を実行した後、ステップS1以降のメイン処理を開始する。メイン処理において、CPU56は、まず、必要な初期設定を行う。
初期設定処理において、CPU56は、まず、割込禁止に設定する(ステップS1)。次に、割込モードを割込モード2に設定し(ステップS2)、スタックポインタにスタックポインタ指定アドレスを設定する(ステップS3)。そして、内蔵デバイスの初期化(内蔵デバイス(内蔵周辺回路)であるCTC(カウンタ/タイマ)およびPIO(パラレル入出力ポート)の初期化など)を行った後(ステップS4)、RAMをアクセス可能状態に設定する(ステップS5)。なお、割込モード2は、CPU56が内蔵する特定レジスタ(Iレジスタ)の値(1バイト)と内蔵デバイスが出力する割込ベクタ(1バイト:最下位ビット0)とから合成されるアドレスが、割込番地を示すモードである。
次いで、CPU56は、入力ポートを介して入力されるクリアスイッチ(例えば、電源基板に搭載されている。)の出力信号(クリア信号)の状態を確認する(ステップS6)。その確認においてオンを検出した場合には、CPU56は、通常の初期化処理(ステップS10〜S15)を実行する。
クリアスイッチがオンの状態でない場合には、遊技機への電力供給が停止したときにバックアップRAM領域のデータ保護処理(例えばパリティデータの付加等の電力供給停止時処理)が行われたか否か確認する(ステップS7)。そのような保護処理が行われていないことを確認したら、CPU56は初期化処理を実行する。バックアップRAM領域にバックアップデータがあるか否かは、例えば、電力供給停止時処理においてバックアップRAM領域に設定されるバックアップフラグの状態によって確認される。
電力供給停止時処理が行われたことを確認したら、CPU56は、バックアップRAM領域のデータチェックを行う(ステップS8)。この実施の形態では、データチェックとしてパリティチェックを行う。よって、ステップS8では、算出したチェックサムと、電力供給停止時処理で同一の処理によって算出され保存されているチェックサムとを比較する。不測の停電等の電力供給停止が生じた後に復旧した場合には、バックアップRAM領域のデータは保存されているはずであるから、チェック結果(比較結果)は正常(一致)になる。チェック結果が正常でないということは、バックアップRAM領域のデータが、電力供給停止時のデータとは異なっていることを意味する。そのような場合には、内部状態を電力供給停止時の状態に戻すことができないので、電力供給の停止からの復旧時でない電源投入時に実行される初期化処理を実行する。
チェック結果が正常であれば、CPU56は、遊技制御手段の内部状態と演出制御手段等の電気部品制御手段の制御状態を電力供給停止時の状態に戻すための遊技状態復旧処理(ステップS41〜S43の処理)を行う。具体的には、ROM54に格納されているバックアップ時設定テーブルの先頭アドレスをポインタに設定し(ステップS41)、バックアップ時設定テーブルの内容を順次作業領域(RAM55内の領域)に設定する(ステップS42)。作業領域はバックアップ電源によって電源バックアップされている。バックアップ時設定テーブルには、作業領域のうち初期化してもよい領域についての初期化データが設定されている。ステップS41およびS42の処理によって、作業領域のうち初期化してはならない部分については、保存されていた内容がそのまま残る。初期化してはならない部分とは、例えば、電力供給停止前の遊技状態を示すデータ(特別図柄プロセスフラグ、確変フラグ、時短フラグなど)、出力ポートの出力状態が保存されている領域(出力ポートバッファ)、未払出賞球数を示すデータが設定されている部分などである。
また、CPU56は、電力供給復旧時の初期化コマンドとしての停電復旧指定コマンドを送信する(ステップS43)。また、CPU56は、バックアップRAMに保存されている表示結果(通常大当り、確変大当り、突然確変大当り、小当り、またははずれ)を指定した表示結果指定コマンドを演出制御基板80に対して送信する(ステップS44)。そして、ステップS14に移行する。なお、ステップS44において、CPU56は、例えば、後述する特別図柄ポインタの値もバックアップRAMに保存している場合には、第1図柄変動指定コマンドや第2図柄変動指定コマンド(図8参照)も送信するようにしてもよい。この場合、演出制御用マイクロコンピュータ100は、第1図柄変動指定コマンドや第2図柄変動指定コマンドを受信したことにもとづいて、第4図柄の変動表示を再開するようにしてもよい。
なお、この実施の形態では、バックアップRAM領域には、後述する変動時間タイマの値も保存される。従って、停電復旧した場合には、ステップS44で表示結果指定コマンドが送信された後、保存していた変動時間タイマの値の計測を再開して特別図柄の変動表示が再開されるとともに、保存していた変動時間タイマの値がタイムアウトしたときに、さらに後述する図柄確定指定コマンドが送信される。また、この実施の形態では、バックアップRAM領域には、後述する特別図柄プロセスフラグの値も保存される。従って、停電復旧した場合には、保存されている特別図柄プロセスフラグの値に応じたプロセスから特別図柄プロセス処理が再開される。
なお、停電復旧時に必ず表示結果指定コマンドを送信するのではなく、CPU56は、まず、バックアップRAM領域に保存している変動時間タイマの値が0であるか否かを確認するようにしてもよい。そして、変動時間タイマの値が0でなければ、変動中に停電した場合であると判断して、表示結果指定コマンドを送信するようにし、変動時間タイマが0であれば、停電時に変動中の状態ではなかったと判断して、表示結果指定コマンドを送信しないようにしてもよい。
また、CPU56は、まず、バックアップRAM領域に保存している特別図柄プロセスフラグの値が3であるか否かを確認するようにしてもよい。そして、特別図柄プロセスフラグの値が3であれば、変動中に停電した場合であると判断して、表示結果指定コマンドを送信するようにし、特別図柄プロセスフラグが3でなければ、停電時に変動中ではなかったと判断して、表示結果指定コマンドを送信しないようにしてもよい。
なお、この実施の形態では、バックアップフラグとチェックデータとの双方を用いてバックアップRAM領域のデータが保存されているか否か確認しているが、いずれか一方のみを用いてもよい。すなわち、バックアップフラグとチェックデータとのいずれかを、遊技状態復旧処理を実行するための契機としてもよい。
初期化処理では、CPU56は、まず、RAMクリア処理を行う(ステップS10)。なお、RAMクリア処理によって、所定のデータ(例えば、普通図柄当り判定用乱数を生成するためのカウンタのカウント値のデータ)は0に初期化されるが、任意の値またはあらかじめ決められている値に初期化するようにしてもよい。また、RAM55の全領域を初期化せず、所定のデータ(例えば、普通図柄当り判定用乱数を生成するためのカウンタのカウント値のデータ)をそのままにしてもよい。また、ROM54に格納されている初期化時設定テーブルの先頭アドレスをポインタに設定し(ステップS11)、初期化時設定テーブルの内容を順次作業領域に設定する(ステップS12)。
ステップS11およびS12の処理によって、例えば、普通図柄当り判定用乱数カウンタ、特別図柄バッファ、総賞球数格納バッファ、特別図柄プロセスフラグなど制御状態に応じて選択的に処理を行うためのフラグに初期値が設定される。
また、CPU56は、サブ基板(主基板31以外のマイクロコンピュータが搭載された基板。)を初期化するための初期化指定コマンド(遊技制御用マイクロコンピュータ560が初期化処理を実行したことを示すコマンドでもある。)をサブ基板に送信する(ステップS13)。例えば、演出制御用マイクロコンピュータ100は、初期化指定コマンドを受信すると、演出表示装置9において、遊技機の制御の初期化がなされたことを報知するための画面表示、すなわち初期化報知を行う。
また、CPU56は、乱数回路503を初期設定する乱数回路設定処理を実行する(ステップS14)。CPU56は、例えば、乱数回路設定プログラムに従って処理を実行することによって、乱数回路503にランダムRの値を更新させるための設定を行う。
そして、ステップS15において、CPU56は、所定時間(例えば4ms)毎に定期的にタイマ割込がかかるように遊技制御用マイクロコンピュータ560に内蔵されているCTCのレジスタの設定を行なう。すなわち、初期値として例えば4msに相当する値が所定のレジスタ(時間定数レジスタ)に設定される。この実施の形態では、4ms毎に定期的にタイマ割込がかかるとする。
初期化処理の実行(ステップS10〜S15)が完了すると、CPU56は、メイン処理で、表示用乱数更新処理(ステップS17)および初期値用乱数更新処理(ステップS18)を繰り返し実行する。表示用乱数更新処理および初期値用乱数更新処理を実行するときには割込禁止状態に設定し(ステップS16)、表示用乱数更新処理および初期値用乱数更新処理の実行が終了すると割込許可状態に設定する(ステップS19)。この実施の形態では、表示用乱数とは、大当りとしない場合の特別図柄の停止図柄を決定するための乱数や大当りとしない場合にリーチとするか否かを決定するための乱数であり、表示用乱数更新処理とは、表示用乱数を発生するためのカウンタのカウント値を更新する処理である。また、初期値用乱数更新処理とは、初期値用乱数を発生するためのカウンタのカウント値を更新する処理である。この実施の形態では、初期値用乱数とは、普通図柄に関して当りとするか否か決定するための乱数を発生するためのカウンタ(普通図柄当り判定用乱数発生カウンタ)のカウント値の初期値を決定するための乱数である。後述する遊技の進行を制御する遊技制御処理(遊技制御用マイクロコンピュータ560が、遊技機に設けられている演出表示装置、可変入賞球装置、球払出装置等の遊技用の装置を、自身で制御する処理、または他のマイクロコンピュータに制御させるために指令信号を送信する処理、遊技装置制御処理ともいう)において、普通図柄当り判定用乱数のカウント値が1周(普通図柄当り判定用乱数の取りうる値の最小値から最大値までの間の数値の個数分歩進したこと)すると、そのカウンタに初期値が設定される。
なお、この実施の形態では、リーチ演出は、演出表示装置9において可変表示される演出図柄を用いて実行される。また、特別図柄の表示結果を大当り図柄にする場合には、リーチ演出は常に実行される(ただし、突然確変大当りの場合には、リーチとはならずに突然確変大当り図柄(例えば「135」)が停止表示される場合もある)。特別図柄の表示結果を大当り図柄にしない場合には、遊技制御用マイクロコンピュータ560は、乱数を用いた変動パターン種別や変動パターンを決定する抽選を行うことによって、リーチ演出を実行するか否か決定する。ただし、実際にリーチ演出の制御を実行するのは、演出制御用マイクロコンピュータ100である。
タイマ割込が発生すると、CPU56は、図5に示すステップS20〜S34のタイマ割込処理を実行する。タイマ割込処理において、まず、電源断信号が出力されたか否か(オン状態になったか否か)を検出する電源断検出処理を実行する(ステップS20)。電源断信号は、例えば電源基板に搭載されている電源監視回路が、遊技機に供給される電源の電圧の低下を検出した場合に出力する。そして、電源断検出処理において、CPU56は、電源断信号が出力されたことを検出したら、必要なデータをバックアップRAM領域に保存するための電力供給停止時処理を実行する。次いで、入力ドライバ回路58を介して、ゲートスイッチ32a、第1始動口スイッチ13a、第2始動口スイッチ14aおよびカウントスイッチ23の検出信号を入力し、それらの状態判定を行う(スイッチ処理:ステップS21)。
次に、CPU56は、第1特別図柄表示器8a、第2特別図柄表示器8b、普通図柄表示器10、第1特別図柄保留記憶表示器18a、第2特別図柄保留記憶表示器18b、普通図柄保留記憶表示器41の表示制御を行う表示制御処理を実行する(ステップS22)。第1特別図柄表示器8a、第2特別図柄表示器8bおよび普通図柄表示器10については、ステップS32,S33で設定される出力バッファの内容に応じて各表示器に対して駆動信号を出力する制御を実行する。
また、遊技制御に用いられる普通図柄当り判定用乱数等の各判定用乱数を生成するための各カウンタのカウント値を更新する処理を行う(判定用乱数更新処理:ステップS23)。CPU56は、さらに、初期値用乱数および表示用乱数を生成するためのカウンタのカウント値を更新する処理を行う(初期値用乱数更新処理,表示用乱数更新処理:ステップS24,S25)。
さらに、CPU56は、特別図柄プロセス処理を行う(ステップS26)。特別図柄プロセス処理では、第1特別図柄表示器8a、第2特別図柄表示器8bおよび大入賞口を所定の順序で制御するための特別図柄プロセスフラグに従って該当する処理を実行する。CPU56は、特別図柄プロセスフラグの値を、遊技状態に応じて更新する。
次いで、普通図柄プロセス処理を行う(ステップS27)。普通図柄プロセス処理では、CPU56は、普通図柄表示器10の表示状態を所定の順序で制御するための普通図柄プロセスフラグに従って該当する処理を実行する。CPU56は、普通図柄プロセスフラグの値を、遊技状態に応じて更新する。
また、CPU56は、演出制御用マイクロコンピュータ100に演出制御コマンドを送出する処理を行う(演出制御コマンド制御処理:ステップS28)。
さらに、CPU56は、例えばホール管理用コンピュータに供給される大当り情報、始動情報、確率変動情報などのデータを出力する情報出力処理を行う(ステップS29)。
また、CPU56は、第1始動口スイッチ13a、第2始動口スイッチ14aおよびカウントスイッチ23の検出信号にもとづく賞球個数の設定などを行う賞球処理を実行する(ステップS30)。具体的には、第1始動口スイッチ13a、第2始動口スイッチ14aおよびカウントスイッチ23のいずれかがオンしたことにもとづく入賞検出に応じて、払出制御基板37に搭載されている払出制御用マイクロコンピュータに賞球個数を示す払出制御コマンド(賞球個数信号)を出力する。払出制御用マイクロコンピュータは、賞球個数を示す払出制御コマンドに応じて球払出装置97を駆動する。
この実施の形態では、出力ポートの出力状態に対応したRAM領域(出力ポートバッファ)が設けられているのであるが、CPU56は、出力ポートの出力状態に対応したRAM領域におけるソレノイドのオン/オフに関する内容を出力ポートに出力する(ステップS31:出力処理)。
また、CPU56は、特別図柄プロセスフラグの値に応じて特別図柄の演出表示を行うための特別図柄表示制御データを特別図柄表示制御データ設定用の出力バッファに設定する特別図柄表示制御処理を行う(ステップS32)。
さらに、CPU56は、普通図柄プロセスフラグの値に応じて普通図柄の演出表示を行うための普通図柄表示制御データを普通図柄表示制御データ設定用の出力バッファに設定する普通図柄表示制御処理を行う(ステップS33)。CPU56は、例えば、普通図柄の変動に関する開始フラグがセットされると終了フラグがセットされるまで、普通図柄の変動速度が0.2秒ごとに表示状態(「○」および「×」)を切り替えるような速度であれば、0.2秒が経過する毎に、出力バッファに設定される表示制御データの値(例えば、「○」を示す1と「×」を示す0)を切り替える。また、CPU56は、出力バッファに設定された表示制御データに応じて、ステップS22において駆動信号を出力することによって、普通図柄表示器10における普通図柄の演出表示を実行する。
その後、割込許可状態に設定し(ステップS34)、処理を終了する。
以上の制御によって、この実施の形態では、遊技制御処理は4ms毎に起動されることになる。なお、遊技制御処理は、タイマ割込処理におけるステップS21〜S33(ステップS29を除く。)の処理に相当する。また、この実施の形態では、タイマ割込処理で遊技制御処理が実行されているが、タイマ割込処理では例えば割込が発生したことを示すフラグのセットのみがなされ、遊技制御処理はメイン処理において実行されるようにしてもよい。
第1特別図柄表示器8aまたは第2特別図柄表示器8bおよび演出表示装置9にはずれ図柄が停止表示される場合には、演出図柄の可変表示が開始されてから、演出図柄の可変表示状態がリーチ状態にならずに、リーチにならない所定の演出図柄の組み合わせが停止表示されることがある。このような演出図柄の可変表示態様を、可変表示結果がはずれ図柄になる場合における「非リーチ」(「通常はずれ」ともいう)の可変表示態様という。
第1特別図柄表示器8aまたは第2特別図柄表示器8bおよび演出表示装置9にはずれ図柄が停止表示される場合には、演出図柄の可変表示が開始されてから、演出図柄の可変表示状態がリーチ状態となった後にリーチ演出が実行され、最終的に大当り図柄とはならない所定の演出図柄の組み合わせが停止表示されることがある。このような演出図柄の可変表示結果を、可変表示結果が「はずれ」となる場合における「リーチ」(「リーチはずれ」ともいう)の可変表示態様という。
この実施の形態では、第1特別図柄表示器8aまたは第2特別図柄表示器8bに大当り図柄が停止表示される場合には、演出図柄の可変表示状態がリーチ状態になった後にリーチ演出が実行され、最終的に演出表示装置9における「左」、「中」、「右」の各図柄表示エリア9L、9C、9Rに、演出図柄が揃って停止表示される(ただし、突然確変大当りの場合には、リーチとはならずに突然確変大当り図柄(例えば「135」)が停止表示される場合もある)。
第1特別図柄表示器8aまたは第2特別図柄表示器8bに小当りである「5」が停止表示される場合には、演出表示装置9において、演出図柄の可変表示態様が「突然確変大当り」である場合と同様に演出図柄の可変表示が行われた後、所定の小当り図柄(突然確変大当り図柄と同じ図柄。例えば「135」)が停止表示されることがある。第1特別図柄表示器8aまたは第2特別図柄表示器8bに小当り図柄である「5」が停止表示されることに対応する演出表示装置9における表示演出を「小当り」の可変表示態様という。
ここで、小当りとは、大当りと比較して大入賞口の開放回数が少ない回数(この実施の形態では0.1秒間の開放を2回)まで許容される当りである。なお、小当り遊技が終了した場合、遊技状態は変化しない。すなわち、確変状態から通常状態に移行したり通常状態から確変状態に移行したりすることはない。また、突然確変大当りとは、大当り遊技状態において大入賞口の開放回数が少ない回数(この実施の形態では0.1秒間の開放を2回)まで許容されるが大入賞口の開放時間が極めて短い大当りであり、かつ、大当り遊技後の遊技状態を確変状態に移行させるような大当りである(すなわち、そのようにすることにより、遊技者に対して突然に確変状態となったかのように見せるものである)。つまり、この実施の形態では、突然確変大当りと小当りとは、大入賞口の開放パターンが同じである。そのように制御することによって、大入賞口の0.1秒間の開放が2回行われると、突然確変大当りであるか小当りであるかまでは認識できないので、遊技者に対して高確率状態(確変状態)を期待させることができ、遊技の興趣を向上させることができる。
図6は、各乱数を示す説明図である。各乱数は、以下のように使用される。
(1)ランダム1(MR1):大当りの種類(後述する通常大当り、確変大当り、突然確変大当り)を決定する(大当り種別判定用)
(2)ランダム2(MR2):変動パターンの種類(種別)を決定する(変動パターン種別判定用)
(3)ランダム3(MR3):変動パターン(変動時間)を決定する(変動パターン判定用)
(4)ランダム4(MR4):普通図柄にもとづく当りを発生させるか否か決定する(普通図柄当り判定用)
(5)ランダム5(MR5):ランダム4の初期値を決定する(ランダム4初期値決定用)
なお、この実施の形態では、変動パターンは、まず、変動パターン種別判定用乱数(ランダム2)を用いて変動パターン種別を決定し、変動パターン判定用乱数(ランダム3)を用いて、決定した変動パターン種別に含まれるいずれかの変動パターンに決定する。そのように、この実施の形態では、2段階の抽選処理によって変動パターンが決定される。
なお、変動パターン種別とは、複数の変動パターンをその変動態様の特徴に従ってグループ化したものである。例えば、複数の変動パターンをリーチの種類でグループ化して、ノーマルリーチを伴う変動パターンを含む変動パターン種別と、スーパーリーチAを伴う変動パターンを含む変動パターン種別と、スーパーリーチBを伴う変動パターンを含む変動パターン種別とに分けてもよい。また、例えば、複数の変動パターンを擬似連の再変動の回数でグループ化して、擬似連を伴わない変動パターンを含む変動パターン種別と、再変動1回の変動パターンを含む変動パターン種別と、再変動2回の変動パターンを含む変動パターン種別と、再変動3回の変動パターンを含む変動パターン種別とに分けてもよい。また、例えば、複数の変動パターンを擬似連や滑り演出などの特定演出の有無でグループ化してもよい。
図5に示された遊技制御処理におけるステップS23では、遊技制御用マイクロコンピュータ560は、(1)の大当り種別判定用乱数、および(4)の普通図柄当り判定用乱数を生成するためのカウンタのカウントアップ(1加算)を行う。すなわち、それらが判定用乱数であり、それら以外の乱数が表示用乱数(ランダム2、ランダム3)または初期値用乱数(ランダム5)である。なお、遊技効果を高めるために、上記の乱数以外の乱数も用いてもよい。また、この実施の形態では、大当り判定用乱数として、遊技制御用マイクロコンピュータ560に内蔵されたハードウェア(遊技制御用マイクロコンピュータ560の外部のハードウェアでもよい。)が生成する乱数を用いる。なお、大当り判定用乱数として、ハードウェア乱数ではなく、ソフトウェア乱数を用いてもよい。
図7(A)は、大当り判定テーブルを示す説明図である。大当り判定テーブルとは、ROM54に記憶されているデータの集まりであって、ランダムRと比較される大当り判定値が設定されているテーブルである。大当り判定テーブルには、通常状態や時短状態(すなわち、確変状態でない遊技状態)において用いられる通常時大当り判定テーブルと、確変状態において用いられる確変時大当り判定テーブルとがある。通常時大当り判定テーブルには、図7(A)の左欄に記載されている各数値が設定され、確変時大当り判定テーブルには、図7(A)の右欄に記載されている各数値が設定されている。図7(A)に記載されている数値が大当り判定値である。
図7(B),(C)は、小当り判定テーブルを示す説明図である。小当り判定テーブルとは、ROM54に記憶されているデータの集まりであって、ランダムRと比較される小当り判定値が設定されているテーブルである。小当り判定テーブルには、第1特別図柄の変動表示を行うときに用いられる小当り判定テーブル(第1特別図柄用)と、第2特別図柄の変動表示を行うときに用いられる小当り判定テーブル(第2特別図柄用)とがある。小当り判定テーブル(第1特別図柄用)には、図7(B)に記載されている各数値が設定され、小当り判定テーブル(第2特別図柄用)には、図7(C)に記載されている各数値が設定されている。また、図7(B),(C)に記載されている数値が小当り判定値である。
なお、第1特別図柄の変動表示を行う場合にのみ小当りと決定するようにし、第2特別図柄の変動表示を行う場合には小当りを設けないようにしてもよい。この場合、図7(C)に示す第2特別図柄用の小当り判定テーブルは設けなくてもよい。この実施の形態では、遊技状態が確変状態に移行されているときには主として第2特別図柄の変動表示が実行される。遊技状態が確変状態に移行されているときにも小当りが発生するようにし、確変となるか否かを煽る演出を行うように構成すると、現在の遊技状態が確変状態であるにもかかわらず却って遊技者に煩わしさを感じさせてしまう。そこで、第2特別図柄の変動表示中は小当りが発生しないように構成すれば、遊技状態が確変状態である場合には小当りが発生しにくくし必要以上に確変に対する煽り演出を行わないようにすることができ、遊技者に煩わしさを感じさせる事態を防止することができる。
CPU56は、所定の時期に、乱数回路503のカウント値を抽出して抽出値を大当り判定用乱数(ランダムR)の値とするのであるが、大当り判定用乱数値が図7(A)に示すいずれかの大当り判定値に一致すると、特別図柄に関して大当り(後述する通常大当り、確変大当り、突然確変大当り)にすることに決定する。また、大当り判定用乱数値が図7(B),(C)に示すいずれかの小当り判定値に一致すると、特別図柄に関して小当りにすることに決定する。なお、図7(A)に示す「確率」は、大当りになる確率(割合)を示す。また、図7(B),(C)に示す「確率」は、小当りになる確率(割合)を示す。また、大当りにするか否か決定するということは、大当り遊技状態に移行させるか否か決定するということであるが、第1特別図柄表示器8aまたは第2特別図柄表示器8bにおける停止図柄を大当り図柄にするか否か決定するということでもある。また、小当りにするか否か決定するということは、小当り遊技状態に移行させるか否か決定するということであるが、第1特別図柄表示器8aまたは第2特別図柄表示器8bにおける停止図柄を小当り図柄にするか否か決定するということでもある。
なお、この実施の形態では、図7(B),(C)に示すように、小当り判定テーブル(第1特別図柄用)を用いる場合には300分の1の割合で小当りと決定されるのに対して、小当り判定テーブル(第2特別図柄)を用いる場合には3000分の1の割合で小当りと決定される場合を説明する。従って、この実施の形態では、第1始動入賞口13に始動入賞して第1特別図柄の変動表示が実行される場合には、第2始動入賞口14に始動入賞して第2特別図柄の変動表示が実行される場合と比較して、「小当り」と決定される割合が高い。
図7(D),(E)は、ROM54に記憶されている大当り種別判定テーブル131a,131bを示す説明図である。このうち、図7(D)は、遊技球が第1始動入賞口13に入賞したことにもとづく保留記憶を用いて(すなわち、第1特別図柄の変動表示が行われるとき)大当り種別を決定する場合の大当り種別判定テーブル(第1特別図柄用)131aである。また、図7(E)は、遊技球が第2始動入賞口14に入賞したことにもとづく保留記憶を用いて(すなわち、第2特別図柄の変動表示が行われるとき)大当り種別を決定する場合の大当り種別判定テーブル(第2特別図柄用)131bである。
大当り種別判定テーブル131a,131bは、可変表示結果を大当り図柄にする旨の判定がなされたときに、大当り種別判定用の乱数(ランダム1)にもとづいて、大当りの種別を「通常大当り」、「確変大当り」、「突然確変大当り」のうちのいずれかに決定するために参照されるテーブルである。なお、この実施の形態では、図7(D),(E)に示すように、大当り種別判定テーブル131aには「突然確変大当り」に対して5個の判定値が割り当てられている(40分の5の割合で突然確変大当りと決定される)のに対して、大当り種別判定テーブル131bには「突然確変大当り」に対して1個の判定値が割り当てられている(40分の1の割合で突然確変大当りと決定される)場合を説明する。従って、この実施の形態では、第1始動入賞口13に始動入賞して第1特別図柄の変動表示が実行される場合には、第2始動入賞口14に始動入賞して第2特別図柄の変動表示が実行される場合と比較して、「突然確変大当り」と決定される割合が高い。なお、第1特別図柄用の大当り種別判定テーブル131aにのみ「突然確変大当り」を振り分けるようにし、第2特別図柄用の大当り種別判定テーブル131bには「突然確変大当り」の振り分けを行わない(すなわち、第1特別図柄の変動表示を行う場合にのみ、「突然確変大当り」と決定される場合がある)ようにしてもよい。
なお、この実施の形態では、図7(D),(E)に示すように、所定量の遊技価値を付与する第1特定遊技状態としての突然確変大当りと、該遊技価値よりも多い量の遊技価値を付与する第2特定遊技状態としての15ラウンドの通常大当りや確変大当りとに決定する場合があるとともに、第1特別図柄の変動表示が実行される場合に高い割合で第1特定遊技状態とすることに決定する場合を示しているが、付与される遊技価値は、この実施の形態で示したようなラウンド数に限られない。例えば、第1特定遊技状態と比較して、遊技価値として1ラウンドあたりの大入賞口への遊技球の入賞数(カウント数)の許容量を多くした第2特定遊技状態を決定するようにしてもよい。また、例えば、第1特定遊技状態と比較して、遊技価値として大当り中の1回あたりの大入賞口の開放時間を長くした第2特定遊技状態を決定するようにしてもよい。また、例えば、同じ15ラウンドの大当りであっても、1ラウンドあたり大入賞口を1回開放する第1特定遊技状態と、1ラウンドあたり大入賞口を複数回開放する第2特定遊技状態とを用意し、大入賞口の開放回数が実質的に多くなるようにして第2特定遊技状態の遊技価値を高めるようにしてもよい。この場合、例えば、第1特定遊技状態または第2特定遊技状態いずれの場合であっても、大入賞口を15回開放したときに(この場合、第1特定遊技状態の場合には15ラウンド全てを終了し、第2特定遊技状態の場合には未消化のラウンドが残っていることになる)、大当りがさらに継続するか否かを煽るような態様の演出を実行するようにしてもよい。そして、第1特定遊技状態の場合には内部的に15ラウンド全てを終了していることから大当り遊技を終了し、第2特定遊技状態の場合には内部的に未消化のラウンドが残っていることから、大当り遊技が継続する(恰も15回開放の大当りを終了した後にさらにボーナスで大入賞口の開放が追加で始まったような演出)ようにしてもよい。
この実施の形態では、図7(D),(E)に示すように、大当り種別として、「通常大当り」、「確変大当り」および「突然確変大当り」がある。なお、この実施の形態では、大当り遊技において実行されるラウンド数が15ラウンドおよび2ラウンドの2種類である場合を示しているが、大当り遊技において実行されるラウンド数は、この実施の形態で示したものに限られない。例えば、10ラウンドの大当り遊技に制御する10R確変大当りや、7ラウンドの大当り遊技に制御する7R確変大当り、5ラウンドの大当り遊技に制御する5R確変大当りが設けられていてもよい。また、この実施の形態では、大当り種別が「通常大当り」、「確変大当り」および「突然確変大当り」の3種類である場合を示しているが、3種類にかぎらず、例えば、4種類以上の大当り種別を設けるようにしてもよい。また、逆に、大当り種別が3種類よりも少なくてもよく、例えば、大当り種別として2種類のみ設けられていてもよい。
「通常大当り」とは、15ラウンドの大当り遊技状態に制御し、その大当り遊技状態の終了後に時短状態のみに移行させる大当りである(後述するステップS167参照)。そして、時短状態に移行した後、変動表示を所定回数(この実施の形態では100回)終了すると時短状態が終了する(ステップS168,S137〜S140参照)。なお、変動表示を所定回数終了する前であっても、次の大当りが発生した場合にも、時短状態を終了する(ステップS132参照)。
「確変大当り」とは、15ラウンドの大当り遊技状態に制御し、その大当り遊技状態の終了後に確変状態に移行させる大当りである(この実施の形態では、確変状態に移行されるとともに時短状態にも移行される。後述するステップS169,S170参照)。そして、次の大当りが発生するまで、確変状態および時短状態が継続する(ステップS132参照)。
また、「突然確変大当り」とは、「通常大当り」や「確変大当り」と比較して大入賞口の開放回数が少ない回数(この実施の形態では0.1秒間の開放を2回)まで許容される大当りである。すなわち、「突然確変大当り」となった場合には、2ラウンドの大当り遊技状態に制御される。また、「通常大当り」や「確変大当り」では、1ラウンドあたりの大入賞口の開放時間が29秒と長いのに対して、「突然確変大当り」では1ラウンドあたりの大入賞口の開放時間が0.1秒と極めて短く、大当り遊技中に大入賞口に遊技球が入賞することは殆ど期待できない。そして、この実施の形態では、その突然確変大当り遊技状態の終了後に確変状態に移行される(この実施の形態では、確変状態に移行されるとともに時短状態にも移行される。後述するステップS169,S170参照)。そして、次の大当りが発生するまで、確変状態および時短状態が継続する(ステップS132参照)。
なお、突然確変大当りの態様は、この実施の形態で示したものにかぎられない。例えば、大入賞口の開放回数は通常大当りや突然確変大当りと同じ15回(15ラウンド)とし、大入賞口の開放時間のみ0.1秒と極めて短くするようにしてもよい。
なお、前述したように、この実施の形態では、「小当り」となった場合にも、大入賞口の開放が0.1秒間ずつ2回行われ、「突然確変大当り」による大当り遊技状態と同様の制御が行われる。そして、「小当り」となった場合には、大入賞口の2回の開放が終了した後、遊技状態は変化せず、「小当り」となる前の遊技状態が維持される。そのようにすることによって、「突然確変大当り」であるか「小当り」であるかを認識できないようにし、遊技の興趣を向上させている。なお、大当り種別が全て確変大当りであるように構成する場合、小当りを設けなくてもよい。また、大当り種別が全て確変大当りである場合に小当りを設けるように構成する場合には、確変状態(高確率状態)に移行されるのみで時短状態(高ベース状態)を伴わない突然確変大当りを設けるようにすること(大入賞口の開放パターンも突然確変大当りと小当りの場合とで同じにすること)が好ましい。
大当り種別判定テーブル131a,131bには、ランダム1の値と比較される数値であって、「通常大当り」、「確変大当り」、「突然確変大当り」のそれぞれに対応した判定値(大当り種別判定値)が設定されている。CPU56は、ランダム1の値が大当り種別判定値のいずれかに一致した場合に、大当りの種別を、一致した大当り種別判定値に対応する種別に決定する。
図8および図9は、遊技制御用マイクロコンピュータ560が送信する演出制御コマンドの内容の一例を示す説明図である。図8および図9に示す例において、コマンド80XX(H)は、特別図柄の可変表示に対応して演出表示装置9において可変表示される演出図柄の変動パターンを指定する演出制御コマンド(変動パターンコマンド)である(それぞれ変動パターンXXに対応)。つまり、使用されうる変動パターンのそれぞれに対して一意な番号を付した場合に、その番号で特定される変動パターンのそれぞれに対応する変動パターンコマンドがある。なお、「(H)」は16進数であることを示す。また、変動パターンを指定する演出制御コマンドは、変動開始を指定するためのコマンドでもある。従って、演出制御用マイクロコンピュータ100は、コマンド80XX(H)を受信すると、演出表示装置9において演出図柄の可変表示を開始するように制御する。
コマンド8C01(H)〜8C05(H)は、大当りとするか否か、小当りとするか否か、および大当り種別を示す演出制御コマンドである。演出制御用マイクロコンピュータ100は、コマンド8C01(H)〜8C05(H)の受信に応じて演出図柄の表示結果を決定するので、コマンド8C01(H)〜8C05(H)を表示結果指定コマンドという。
コマンド8D01(H)は、第1特別図柄の可変表示(変動)を開始することを示す演出制御コマンド(第1図柄変動指定コマンド)である。コマンド8D02(H)は、第2特別図柄の可変表示(変動)を開始することを示す演出制御コマンド(第2図柄変動指定コマンド)である。第1図柄変動指定コマンドと第2図柄変動指定コマンドとを特別図柄特定コマンド(または図柄変動指定コマンド)と総称することがある。なお、第1特別図柄の可変表示を開始するのか第2特別図柄の可変表示を開始するのかを示す情報を、変動パターンコマンドに含めるようにしてもよい。
コマンド8F00(H)は、第4図柄の可変表示(変動)を終了して表示結果(停止図柄)を導出表示することを示す演出制御コマンド(図柄確定指定コマンド)である。演出制御用マイクロコンピュータ100は、図柄確定指定コマンドを受信すると、第4図柄の可変表示(変動)を終了して表示結果を導出表示する。
コマンド9000(H)は、遊技機に対する電力供給が開始されたときに送信される演出制御コマンド(初期化指定コマンド:電源投入指定コマンド)である。コマンド9200(H)は、遊技機に対する電力供給が再開されたときに送信される演出制御コマンド(停電復旧指定コマンド)である。遊技制御用マイクロコンピュータ560は、遊技機に対する電力供給が開始されたときに、バックアップRAMにデータが保存されている場合には、停電復旧指定コマンドを送信し、そうでない場合には、初期化指定コマンドを送信する。
コマンド9F00(H)は、客待ちデモンストレーションを指定する演出制御コマンド(客待ちデモ指定コマンド)である。
コマンドA001〜A003(H)は、ファンファーレ画面を表示すること、すなわち大当り遊技の開始を指定する演出制御コマンド(大当り開始指定コマンド:ファンファーレ指定コマンド)である。この実施の形態では、大当りの種類に応じて、大当り開始1指定コマンド、大当り開始2指定コマンドまたは小当り/突然確変大当り開始指定コマンドが用いられる。具体的には、「通常大当り」である場合には大当り開始1指定コマンド(A001(H))が用いられ、「確変大当り」である場合には大当り開始2指定コマンド(A002(H))が用いられ、「突然確変大当り」や「小当り」である場合には小当り/突然確変大当り開始指定コマンド(A003(H))が用いられる。なお、遊技制御用マイクロコンピュータ560は、突然大当りである場合に突然確変大当り開始指定用のファンファーレ指定コマンドを送信するものの、小当りである場合にはファンファーレ指定コマンドを送信しないように構成してもよい。
コマンドA1XX(H)は、XXで示す回数目(ラウンド)の大入賞口開放中の表示を示す演出制御コマンド(大入賞口開放中指定コマンド)である。なお、大入賞口開放中指定コマンドはラウンドごとにそのラウンドを指定する値がEXTデータに設定されて送信されるので、ラウンドごとに異なる大入賞口開放中指定コマンドが送信される。例えば、大当り遊技中の第1ラウンドを実行する際には、ラウンド1を指定する大入賞口開放中指定コマンド(A101(H))が送信され、大当り遊技中の第10ラウンドを実行する際には、ラウンド10を指定する大入賞口開放中指定コマンド(A10A(H))が送信される。A2XX(H)は、XXで示す回数目(ラウンド)の大入賞口閉鎖を示す演出制御コマンド(大入賞口開放後指定コマンド)である。なお、大入賞口開放後指定コマンドはラウンドごとにそのラウンドを指定する値がEXTデータに設定されて送信されるので、ラウンドごとに異なる大入賞口開放後指定コマンドが送信される。例えば、大当り遊技中の第1ラウンドを終了する際には、ラウンド1を指定する大入賞口開放後指定コマンド(A201(H))が送信され、大当り遊技中の第10ラウンドを終了する際には、ラウンド10を指定する大入賞口開放後指定コマンド(A30A(H))が送信される。
コマンドA301(H)は、大当り終了画面を表示すること、すなわち大当り遊技の終了を指定する演出制御コマンド(大当り終了1指定コマンド:エンディング1指定コマンド)である。なお、大当り終了1指定コマンド(A301(H))は、「通常大当り」による大当り遊技を終了する場合に用いられる。コマンドA302(H)は、大当り終了画面を表示すること、すなわち大当り遊技の終了を指定する演出制御コマンド(大当り終了2指定コマンド:エンディング2指定コマンド)である。なお、大当り終了2指定コマンド(A302(H))は、「確変大当り」による大当り遊技を終了する場合に用いられる。コマンドA303(H)は、小当りの遊技の終了または突然確変大当りの遊技の終了を指定する演出制御コマンド(小当り/突然確変大当り終了指定コマンド:エンディング3指定コマンド)である。なお、遊技制御用マイクロコンピュータ560は、突然確変大当りである場合に突然確変大当り終了指定用のエンディング指定コマンドを送信するものの、小当りである場合にはエンディング指定コマンドを送信しないように構成してもよい。
コマンドB000(H)は、遊技状態が通常状態であるときの背景表示を指定する演出制御コマンド(通常状態背景指定コマンド)である。コマンドB001(H)は、遊技状態が確変状態であるときの背景表示を指定する演出制御コマンド(確変状態背景指定コマンド)である。コマンドB002(H)は、遊技状態が時短状態であるときの背景表示を指定する演出制御コマンド(時短状態背景指定コマンド)である。
コマンドC000(H)は、第1保留記憶数が1増加したことを指定する演出制御コマンド(第1保留記憶数加算指定コマンド)である。コマンドC100(H)は、第2保留記憶数が1増加したことを指定する演出制御コマンド(第2保留記憶数加算指定コマンド)である。コマンドC200(H)は、第1保留記憶数が1減少したことを指定する演出制御コマンド(第1保留記憶数減算指定コマンド)である。コマンドC300(H)は、第2保留記憶数が1減少したことを指定する演出制御コマンド(第2保留記憶数減算指定コマンド)である。
なお、この実施の形態では、保留記憶情報として、第1保留記憶数と第2保留記憶数とについて、それぞれ保留記憶数が増加または減少したことを示す演出制御コマンド(第1保留記憶数加算指定コマンド、第2保留記憶数加算指定コマンド)を送信する場合を示しているが、保留記憶情報の形態は、この実施の形態で示したものにかぎらず、例えば、以下のような態様の保留記憶情報を送信するようにしてもよい。
(1)保留記憶情報として、1つのコマンドのみを送信し、その1つのコマンドにおいて、第1保留記憶と第2保留記憶とのいずれが増加したかを指定するとともに、増加した方の保留記憶数(第1保留記憶数または第2保留記憶数)をEXTデータとして設定して送信するようにしてもよい。
(2)保留記憶情報として、1つのコマンドのみを送信し、その1つのコマンドにおいて、第1保留記憶と第2保留記憶とのいずれが増加したかを指定するとともに、合算保留記憶数をEXTデータとして設定して送信するようにしてもよい。
(3)保留記憶情報として、第1始動入賞口13と第2始動入賞口14とのいずれに始動入賞したか(第1保留記憶と第2保留記憶とのいずれが増加したか)を指定する演出制御コマンド(第1始動入賞指定コマンド、第2始動入賞指定コマンド)を送信するとともに、それとは別に保留記憶数を指定する保留記憶数指定コマンドを送信するようにし、その保留記憶数指定コマンドにおいて合算保留記憶数をEXTデータとして設定して送信するようにしてもよい。
(4)保留記憶情報として、第1始動入賞口13と第2始動入賞口14とのいずれに始動入賞したか(第1保留記憶と第2保留記憶とのいずれが増加したか)を指定する演出制御コマンド(第1始動入賞指定コマンド、第2始動入賞指定コマンド)を送信するとともに、それとは別に保留記憶数を指定する保留記憶数指定コマンドを送信するようにし、その保留記憶数指定コマンドにおいて増加した方の保留記憶数(第1保留記憶数または第2保留記憶数)をEXTデータとして設定して送信するようにしてもよい。
演出制御基板80に搭載されている演出制御用マイクロコンピュータ100(具体的には、演出制御用CPU101)は、主基板31に搭載されている遊技制御用マイクロコンピータ560から上述した演出制御コマンドを受信すると、図8および図9に示された内容に応じて演出表示装置9の表示状態を変更したり、ランプの表示状態を変更したり、音声出力基板70に対して音番号データを出力したりする。
例えば、遊技制御用マイクロコンピュータ560は、始動入賞があり第1特別図柄表示器8aまたは第2特別図柄表示器8bにおいて特別図柄の可変表示が開始される度に、演出図柄の変動パターンを指定する変動パターンコマンドおよび表示結果指定コマンドを演出制御用マイクロコンピュータ100に送信する。
この実施の形態では、演出制御コマンドは2バイト構成であり、1バイト目はMODE(コマンドの分類)を表し、2バイト目はEXT(コマンドの種類)を表す。MODEデータの先頭ビット(ビット7)は必ず「1」に設定され、EXTデータの先頭ビット(ビット7)は必ず「0」に設定される。なお、そのようなコマンド形態は一例であって他のコマンド形態を用いてもよい。例えば、1バイトや3バイト以上で構成される制御コマンドを用いてもよい
なお、演出制御コマンドの送出方式として、演出制御信号CD0〜CD7の8本のパラレル信号線で1バイトずつ主基板31から中継基板77を介して演出制御基板80に演出制御コマンドデータを出力し、演出制御コマンドデータの他に、演出制御コマンドデータの取込を指示するパルス状(矩形波状)の取込信号(演出制御INT信号)を出力する方式を用いる。演出制御コマンドの8ビットの演出制御コマンドデータは、演出制御INT信号に同期して出力される。演出制御基板80に搭載されている演出制御用マイクロコンピュータ100は、演出制御INT信号が立ち上がったことを検知して、割込処理によって1バイトのデータの取り込み処理を開始する。
図8および図9に示す例では、変動パターンコマンドおよび表示結果指定コマンドを、第1特別図柄表示器8aでの第1特別図柄の変動に対応した演出図柄の可変表示(変動)と第2特別図柄表示器8bでの第2特別図柄の変動に対応した演出図柄の可変表示(変動)とで共通に使用でき、第1特別図柄および第2特別図柄の可変表示に伴って演出を行う演出表示装置9などの演出用部品を制御する際に、遊技制御用マイクロコンピュータ560から演出制御用マイクロコンピュータ100に送信されるコマンドの種類を増大させないようにすることができる。
図10および図11は、主基板31に搭載される遊技制御用マイクロコンピュータ560(具体的には、CPU56)が実行する特別図柄プロセス処理(ステップS26)のプログラムの一例を示すフローチャートである。上述したように、特別図柄プロセス処理では第1特別図柄表示器8aまたは第2特別図柄表示器8bおよび大入賞口を制御するための処理が実行される。特別図柄プロセス処理において、CPU56は、第1始動入賞口13に遊技球が入賞したことを検出するための第1始動口スイッチ13aがオンしていたら、すなわち、第1始動入賞口13への始動入賞が発生していたら、第1始動口スイッチ通過処理を実行する(ステップS311,S312)。また、CPU56は、第2始動入賞口14に遊技球が入賞したことを検出するための第2始動口スイッチ14aがオンしていたら、すなわち第2始動入賞口14への始動入賞が発生していたら、第2始動口スイッチ通過処理を実行する(ステップS313,S314)。そして、ステップS300〜S310のうちのいずれかの処理を行う。第1始動入賞口スイッチ13aまたは第2始動口スイッチ14aがオンしていなければ、内部状態に応じて、ステップS300〜S310のうちのいずれかの処理を行う。
ステップS300〜S310の処理は、以下のような処理である。
特別図柄通常処理(ステップS300):特別図柄プロセスフラグの値が0であるときに実行される。遊技制御用マイクロコンピュータ560は、特別図柄の可変表示が開始できる状態になると、保留記憶バッファに記憶される数値データの記憶数(合算保留記憶数)を確認する。保留記憶バッファに記憶される数値データの記憶数は合算保留記憶数カウンタのカウント値により確認できる。また、合算保留記憶数カウンタのカウント値が0でなければ、第1特別図柄または第2特別図柄の可変表示の表示結果を大当りとするか否かを決定する。大当りとする場合には大当りフラグをセットする。そして、内部状態(特別図柄プロセスフラグ)をステップS301に応じた値(この例では1)に更新する。なお、大当りフラグは、大当り遊技が終了するときにリセットされる。
変動パターン設定処理(ステップS301):特別図柄プロセスフラグの値が1であるときに実行される。また、変動パターンを決定し、その変動パターンにおける変動時間(可変表示時間:可変表示を開始してから表示結果を導出表示(停止表示)するまでの時間)を特別図柄の可変表示の変動時間とすることに決定する。また、決定した変動パターンに応じた変動パターンコマンドを演出制御用マイクロコンピュータ100に送信する制御を行い、特別図柄の変動時間を計測する変動時間タイマをスタートさせる。そして、内部状態(特別図柄プロセスフラグ)をステップS302に対応した値(この例では2)に更新する。
表示結果指定コマンド送信処理(ステップS302):特別図柄プロセスフラグの値が2であるときに実行される。演出制御用マイクロコンピュータ100に、表示結果指定コマンドを送信する制御を行う。そして、内部状態(特別図柄プロセスフラグ)をステップS303に対応した値(この例では3)に更新する。
特別図柄変動中処理(ステップS303):特別図柄プロセスフラグの値が3であるときに実行される。変動パターン設定処理で選択された変動パターンの変動時間が経過(ステップS301でセットされる変動時間タイマがタイムアウトすなわち変動時間タイマの値が0になる)すると、演出制御用マイクロコンピュータ100に、図柄確定指定コマンドを送信する制御を行い、内部状態(特別図柄プロセスフラグ)をステップS304に対応した値(この例では4)に更新する。なお、演出制御用マイクロコンピュータ100は、遊技制御用マイクロコンピュータ560が送信する図柄確定指定コマンドを受信すると演出表示装置9において第4図柄が停止されるように制御する。
特別図柄停止処理(ステップS304):特別図柄プロセスフラグの値が4であるときに実行される。大当りフラグがセットされている場合に、内部状態(特別図柄プロセスフラグ)をステップS305に対応した値(この例では5)に更新する。また、小当りフラグがセットされている場合には、内部状態(特別図柄プロセスフラグ)をステップS308に対応した値(この例では8)に更新する。大当りフラグおよび小当りフラグのいずれもセットされていない場合には、内部状態(特別図柄プロセスフラグ)をステップS300に対応した値(この例では0)に更新する。なお、この実施の形態では、特別図柄プロセスフラグの値が4となったことにもとづいて、後述するように、特別図柄表示制御処理において特別図柄の停止図柄を停止表示するための特別図柄表示制御データが特別図柄表示制御データ設定用の出力バッファに設定され(図21参照)、ステップS22の表示制御処理において出力バッファの設定内容に応じて実際に特別図柄の停止図柄が停止表示される。
大入賞口開放前処理(ステップS305):特別図柄プロセスフラグの値が5であるときに実行される。大入賞口開放前処理では、大入賞口を開放する制御を行う。具体的には、カウンタ(例えば、大入賞口に入った遊技球数をカウントするカウンタ)などを初期化するとともに、ソレノイド21を駆動して大入賞口を開放状態にする。また、大入賞口開放中指定コマンドを演出制御用マイクロコンピュータ100に送信する制御を行うとともに、タイマによって大入賞口開放中処理の実行時間を設定し、内部状態(特別図柄プロセスフラグ)をステップS306に対応した値(この例では6)に更新する。なお、大入賞口開放前処理は各ラウンド毎に実行されるが、第1ラウンドを開始する場合には、大入賞口開放前処理は大当り遊技を開始する処理でもある。また、大入賞口開放中指定コマンドはラウンドごとにそのラウンドを指定する値がEXTデータに設定されて送信されるので、ラウンドごとに異なる大入賞口開放中指定コマンドが送信される。例えば、大当り遊技中の第1ラウンドを実行する際には、ラウンド1を指定する大入賞口開放中指定コマンド(A101(H))が送信され、大当り遊技中の第10ラウンドを実行する際には、ラウンド10を指定する大入賞口開放中指定コマンド(A10A(H))が送信される。
大入賞口開放中処理(ステップS306):特別図柄プロセスフラグの値が6であるときに実行される。大入賞口開放中処理では、大入賞口の閉成条件の成立を確認する処理等を行う。大入賞口の閉成条件が成立し、かつ、まだ残りラウンドがある場合には、内部状態(特別図柄プロセスフラグ)をステップS305に対応した値(この例では5)に更新する。また、大当り中開放後指定コマンドを演出制御用マイクロコンピュータ100に送信する制御を行うとともに、全てのラウンドを終えた場合には、内部状態(特別図柄プロセスフラグ)をステップS307に対応した値(この例では7)に更新する。
大当り終了処理(ステップS307):特別図柄プロセスフラグの値が7であるときに実行される。大当り遊技状態が終了したことを遊技者に報知する表示制御を演出制御用マイクロコンピュータ100に行わせるための制御を行う。また、遊技状態を示すフラグ(例えば、確変フラグや時短フラグ)をセットする処理を行う。そして、内部状態(特別図柄プロセスフラグ)をステップS300に対応した値(この例では0)に更新する。
小当り開放前処理(ステップS308):特別図柄プロセスフラグの値が8であるときに実行される。小当り開放前処理では、大入賞口を開放する制御を行う。具体的には、カウンタ(例えば、大入賞口に入った遊技球数をカウントするカウンタ)などを初期化するとともに、ソレノイド21を駆動して大入賞口を開放状態にする。また、タイマによって大入賞口開放中処理の実行時間を設定し、内部状態(特別図柄プロセスフラグ)をステップS309に対応した値(この例では9)に更新する。なお、小当り開放前処理は小当り遊技中の大入賞口の開放毎に実行されるが、小当り遊技中の最初の開放を開始する場合には、小当り開放前処理は小当り遊技を開始する処理でもある。
小当り開放中処理(ステップS309):特別図柄プロセスフラグの値が9であるときに実行される。大入賞口の閉成条件の成立を確認する処理等を行う。大入賞口の閉成条件が成立し、かつ、まだ大入賞口の開放回数が残っている場合には、内部状態(特別図柄プロセスフラグ)をステップS308に対応した値(この例では8)に更新する。また、全ての開放を終えた場合には、内部状態(特別図柄プロセスフラグ)をステップS310に対応した値(この例では10)に更新する。
小当り終了処理(ステップS310):特別図柄プロセスフラグの値が10であるときに実行される。小当り遊技状態が終了したことを遊技者に報知する表示制御を演出制御用マイクロコンピュータ100に行わせるための制御を行う。そして、内部状態(特別図柄プロセスフラグ)をステップS300に対応した値(この例では0)に更新する。
図12は、ステップS312,S314の始動口スイッチ通過処理を示すフローチャートである。このうち、図12(A)は、ステップS312の第1始動口スイッチ通過処理を示すフローチャートである。また、図12(B)は、ステップS314の第2始動口スイッチ通過処理を示すフローチャートである。
まず、図12(A)を参照して第1始動口スイッチ通過処理について説明する。第1始動口スイッチ13aがオン状態の場合に実行される第1始動口スイッチ通過処理において、CPU56は、まず、第1保留記憶数が上限値に達しているか否か(具体的には、第1保留記憶数をカウントするための第1保留記憶数カウンタの値が4であるか否か)を確認する(ステップS1211A)。第1保留記憶数が上限値に達していれば、そのまま処理を終了する。
第1保留記憶数が上限値に達していなければ、CPU56は、第1保留記憶数カウンタの値を1増やす(ステップS1212A)とともに、合算保留記憶数をカウントするための合算保留記憶数カウンタの値を1増やす(ステップS1213A)。次いで、CPU56は、乱数回路503やソフトウェア乱数を生成するためのカウンタから値を抽出し、それらを、第1保留記憶バッファ(図13参照)における保存領域に格納する処理を実行する(ステップS1214A)。なお、ステップS1214Aの処理では、ハードウェア乱数であるランダムR(大当り判定用乱数)や、ソフトウェア乱数である大当り種別判定用乱数(ランダム1)、変動パターン種別判定用乱数(ランダム2)および変動パターン判定用乱数(ランダム3)が抽出され、保存領域に格納される。なお、変動パターン判定用乱数(ランダム3)を第1始動口スイッチ通過処理(始動入賞時)において抽出して保存領域にあらかじめ格納しておくのではなく、第1特別図柄の変動開始時に抽出するようにしてもよい。例えば、遊技制御用マイクロコンピュータ560は、後述する変動パターン設定処理において、変動パターン判定用乱数(ランダム3)を生成するための変動パターン判定用乱数カウンタから値を直接抽出するようにしてもよい。
図13は、保留記憶に対応する乱数等を保存する領域(保留記憶バッファ)の構成例を示す説明図である。図13に示すように、第1保留記憶バッファには、第1保留記憶数の上限値(この例では4)に対応した保存領域が確保されている。また、第2保留記憶バッファには、第2保留記憶数の上限値(この例では4)に対応した保存領域が確保されている。この実施の形態では、第1保留記憶バッファおよび第2保留記憶バッファには、ハードウェア乱数であるランダムR(大当り判定用乱数)や、ソフトウェア乱数である大当り種別判定用乱数(ランダム1)、変動パターン種別判定用乱数(ランダム2)および変動パターン判定用乱数(ランダム3)が記憶される。なお、第1保留記憶バッファおよび第2保留記憶バッファは、RAM55に形成されている。
そして、CPU56は、第1保留記憶数加算指定コマンドを演出制御用マイクロコンピュータ100に送信する制御を行う(ステップS1215A)。
次に、図12(B)を参照して第2始動口スイッチ通過処理について説明する。第2始動口スイッチ14aがオン状態の場合に実行される第2始動口スイッチ通過処理において、CPU56は、第2保留記憶数が上限値に達しているか否か(具体的には、第2保留記憶数をカウントするための第2保留記憶数カウンタの値が4でるか否か)を確認する(ステップS1211B)。第2保留記憶数が上限値に達していれば、そのまま処理を終了する。
第2保留記憶数が上限値に達していなければ、CPU56は、第2保留記憶数カウンタの値を1増やす(ステップS1212B)とともに、合算保留記憶数をカウントするための合算保留記憶数カウンタの値を1増やす(ステップS1213B)。次いで、CPU56は、乱数回路503やソフトウェア乱数を生成するためのカウンタから値を抽出し、それらを、第2保留記憶バッファ(図13参照)における保存領域に格納する処理を実行する(ステップS1214B)。なお、ステップS1214Bの処理では、ハードウェア乱数であるランダムR(大当り判定用乱数)や、ソフトウェア乱数である大当り種別判定用乱数(ランダム1)、変動パターン種別判定用乱数(ランダム2)および変動パターン判定用乱数(ランダム3)が抽出され、保存領域に格納される。なお、変動パターン判定用乱数(ランダム3)を第2始動口スイッチ通過処理(始動入賞時)において抽出して保存領域にあらかじめ格納しておくのではなく、第2特別図柄の変動開始時に抽出するようにしてもよい。例えば、遊技制御用マイクロコンピュータ560は、後述する変動パターン設定処理において、変動パターン判定用乱数(ランダム3)を生成するための変動パターン判定用乱数カウンタから値を直接抽出するようにしてもよい。
そして、CPU56は、第2保留記憶数加算指定コマンドを演出制御用マイクロコンピュータ100に送信する制御を行う(ステップS1215B)。
図14および図15は、特別図柄プロセス処理における特別図柄通常処理(ステップS300)を示すフローチャートである。特別図柄通常処理において、CPU56は、合算保留記憶数の値を確認する(ステップS51)。具体的には、合算保留記憶数カウンタのカウント値を確認する。合算保留記憶数が0であれば、まだ客待ちデモ指定コマンドを送信していなければ、演出制御用マイクロコンピュータ100に対して客待ちデモ指定コマンドを送信する制御を行い(ステップS51A)、処理を終了する。なお、例えば、CPU56は、ステップS51Aで客待ちデモ指定コマンドを送信すると、客待ちデモ指定コマンドを送信したことを示す客待ちデモ指定コマンド送信済フラグをセットする。そして、客待ちデモ指定コマンドを送信した後に次回のタイマ割込以降の特別図柄通常処理を実行する場合には、客待ちデモ指定コマンド送信済フラグがセットされていることにもとづいて重ねて客待ちデモ指定コマンドを送信しないように制御すればよい。また、この場合、客待ちデモ指定コマンド送信済フラグは、次回の特別図柄の変動表示が開始されるときにリセットされるようにすればよい。
合算保留記憶数が0でなければ、CPU56は、第2保留記憶数が0であるか否かを確認する(ステップS52)。具体的には、第2保留記憶数カウンタの値が0であるか否かを確認する。第2保留記憶数が0でなければ、CPU56は、特別図柄ポインタ(第1特別図柄について特別図柄プロセス処理を行っているのか第2特別図柄について特別図柄プロセス処理を行っているのかを示すフラグ)に「第2」を示すデータを設定する(ステップS53)。第2保留記憶数が0であれば(すなわち、第1保留記憶数のみが溜まっている場合)には、CPU66は、特別図柄ポインタに「第1」を示すデータを設定する(ステップS54)。
この実施の形態では、ステップS52〜S54の処理が実行されることによって、第1特別図柄の変動表示に対して、第2特別図柄の変動表示が優先して実行される。言い換えれば、第2特別図柄の変動表示を開始させるための第2の開始条件が第1特別図柄の変動表示を開始させるための第1の開始条件に優先して成立するように制御される。
次いで、CPU56は、RAM55において、特別図柄ポインタが示す方の保留記憶数=1に対応する保存領域に格納されている各乱数値を読み出してRAM55の乱数バッファ領域に格納する(ステップS55)。具体的には、CPU56は、特別図柄ポインタが「第1」を示している場合には、第1保留記憶バッファにおける第1保留記憶数=1に対応する保存領域に格納されている各乱数値を読み出してRAM55の乱数バッファ領域に格納する。また、CPU56は、特別図柄ポインタが「第2」を示している場合には、第2保留記憶バッファにおける第2保留記憶数=1に対応する保存領域に格納されている各乱数値を読み出してRAM55の乱数バッファ領域に格納する。
そして、CPU56は、特別図柄ポインタが示す方の保留記憶数カウンタのカウント値を1減算し、かつ、各保存領域の内容をシフトする(ステップS56)。具体的には、CPU56は、特別図柄ポインタが「第1」を示している場合には、第1保留記憶数カウンタのカウント値を1減算し、かつ、保留特定領域および第1保留記憶バッファにおける各保存領域の内容をシフトする。また、特別図柄ポインタが「第2」を示している場合に、第2保留記憶数カウンタのカウント値を1減算し、かつ、保留特定領域および第2保留記憶バッファにおける各保存領域の内容をシフトする。
すなわち、CPU56は、特別図柄ポインタが「第1」を示している場合に、RAM55の第1保留記憶バッファにおいて第1保留記憶数=n(n=2,3,4)に対応する保存領域に格納されている各乱数値を、第1保留記憶数=n−1に対応する保存領域に格納する。また、特別図柄ポインタが「第2」を示す場合に、RAM55の第2保留記憶バッファにおいて第2保留記憶数=n(n=2,3,4)に対応する保存領域に格納されている各乱数値を、第2保留記憶数=n−1に対応する保存領域に格納する。また、CPU56は、保留特定領域において合算保留記憶数=m(m=2〜8)に対応する保存領域に格納されている値(「第1」または「第2」を示す値)を、合算保留記憶数=m−1に対応する保存領域に格納する。
よって、各第1保留記憶数(または、各第2保留記憶数)に対応するそれぞれの保存領域に格納されている各乱数値が抽出された順番は、常に、第1保留記憶数(または、第2保留記憶数)=1,2,3,4の順番と一致するようになっている。また、各合算保留記憶数に対応するそれぞれの保存領域に格納されている各値が抽出された順番は、常に、合算保留記憶数=1〜8の順番と一致するようになっている。
そして、CPU56は、合算保留記憶数の値を1減らす。すなわち、合算保留記憶数カウンタのカウント値を1減算する(ステップS58)。なお、CPU56は、カウント値が1減算される前の合算保留記憶数カウンタの値をRAM55の所定の領域に保存する。
また、CPU56は、現在の遊技状態に応じて背景指定コマンドを演出制御用マイクロコンピュータ100に送信する制御を行う(ステップS60)。この場合、CPU56は、確変状態であることを示す確変フラグがセットされている場合には、確変状態背景指定コマンドを送信する制御を行う。また、CPU56は、時短状態であることを示す時短フラグのみがセットされ、確変フラグがセットされていない場合には、時短状態背景指定コマンドを送信する制御を行う。また、CPU56は、確変フラグも時短フラグもセットされていなければ、通常状態背景指定コマンドを送信する制御を行う。
なお、具体的には、CPU56は、演出制御用マイクロコンピュータ100に演出制御コマンドを送信する際に、演出制御コマンドに応じたコマンド送信テーブル(あらかじめROMにコマンド毎に設定されている)のアドレスをポインタにセットする。そして、演出制御コマンドに応じたコマンド送信テーブルのアドレスをポインタにセットして、演出制御コマンド制御処理(ステップS28)において演出制御コマンドを送信する。なお、この実施の形態では、特別図柄の変動を開始するときに、タイマ割込ごとに、背景指定コマンド、変動パターンコマンド、表示結果指定コマンド、保留記憶数減算指定コマンド(第1保留記憶数減算指定コマンドまたは第2保留記憶数減算指定コマンド)の順に演出制御用マイクロコンピュータ100に送信されることになる。具体的には、特別図柄の変動を開始するときに、まず、背景指定コマンドが送信され、4ms経過後に変動パターンコマンドが送信され、さらに4ms経過後に表示結果指定コマンドが送信され、さらに4ms経過後に保留記憶数減算指定コマンド(第1保留記憶数減算指定コマンドまたは第2保留記憶数減算指定コマンド)が送信される。なお、特別図柄の変動を開始するときにはさらに図柄変動指定コマンド(第1図柄変動指定コマンド、第2図柄変動指定コマンド)も送信されるが、図柄変動指定コマンドは、変動パターンコマンドと同じタイマ割込において演出制御用マイクロコンピュータ100に対して送信される。
特別図柄通常処理では、最初に、第1始動入賞口13を対象として処理を実行することを示す「第1」を示すデータすなわち第1特別図柄を対象として処理を実行することを示す「第1」を示すデータ、または第2始動入賞口14を対象として処理を実行することを示す「第2」を示すデータすなわち第2特別図柄を対象として処理を実行することを示す「第2」を示すデータが、特別図柄ポインタに設定される。そして、特別図柄プロセス処理における以降の処理では、特別図柄ポインタに設定されているデータに応じた処理が実行される。よって、ステップS300〜S310の処理を、第1特別図柄を対象とする場合と第2特別図柄を対象とする場合とで共通化することができる。
次いで、CPU56は、乱数バッファ領域からランダムR(大当り判定用乱数)を読み出し、大当り判定モジュールを実行する。なお、この場合、CPU56は、第1始動口スイッチ通過処理のステップS1214Aや第2始動口スイッチ通過処理のステップS1214Bで抽出し第1保留記憶バッファや第2保留記憶バッファにあらかじめ格納した大当り判定用乱数を読み出し、大当り判定を行う。大当り判定モジュールは、あらかじめ決められている大当り判定値や小当り判定値(図7参照)と大当り判定用乱数とを比較し、それらが一致したら大当りや小当りとすることに決定する処理を実行するプログラムである。すなわち、大当り判定や小当り判定の処理を実行するプログラムである。
大当り判定の処理では、遊技状態が確変状態の場合には、遊技状態が非確変状態(通常状態や時短状態)の場合よりも、大当りとなる確率が高くなるように構成されている。具体的には、あらかじめ大当り判定値の数が多く設定されている確変時大当り判定テーブル(ROM54における図7(A)の右側の数値が設定されているテーブル)と、大当り判定値の数が確変時大当り判定テーブルよりも少なく設定されている通常時大当り判定テーブル(ROM54における図7(A)の左側の数値が設定されているテーブル)とが設けられている。そして、CPU56は、遊技状態が確変状態であるか否かを確認し、遊技状態が確変状態であるときは、確変時大当り判定テーブルを使用して大当りの判定の処理を行い、遊技状態が通常状態であるときは、通常時大当り判定テーブルを使用して大当りの判定の処理を行う。すなわち、CPU56は、大当り判定用乱数(ランダムR)の値が図7(A)に示すいずれかの大当り判定値に一致すると、特別図柄に関して大当りとすることに決定する。大当りとすることに決定した場合には(ステップS61)、ステップS71に移行する。なお、大当りとするか否か決定するということは、大当り遊技状態に移行させるか否か決定するということであるが、特別図柄表示器における停止図柄を大当り図柄とするか否か決定するということでもある。
なお、現在の遊技状態が確変状態であるか否かの確認は、確変フラグがセットされているか否かにより行われる。確変フラグは、遊技状態を確変状態に移行するときにセットされ、確変状態を終了するときにリセットされる。具体的には、「確変大当り」または「突然確変大当り」とすることに決定され、大当り遊技を終了する処理においてセットされる。そして、大当り遊技終了後、次の大当りが発生したときにリセットされる。
大当り判定用乱数(ランダムR)の値がいずれの大当り判定値にも一致しなければ(ステップS61のN)、CPU56は、小当り判定テーブル(図7(B),(C)参照)を使用して小当りの判定の処理を行う。すなわち、CPU56は、大当り判定用乱数(ランダムR)の値が図7(B),(C)に示すいずれかの小当り判定値に一致すると、特別図柄に関して小当りとすることに決定する。この場合、CPU56は、特別図柄ポインタが示すデータを確認し、特別図柄ポインタが示すデータが「第1」である場合には、図7(B)に示す小当り判定テーブル(第1特別図柄用)を用いて小当りとするか否かを決定する。また、特別図柄ポインタが示すデータが「第2」である場合には、図7(C)に示す小当り判定テーブル(第2特別図柄用)を用いて小当りとするか否かを決定する。そして、小当りとすることに決定した場合には(ステップS62)、CPU56は、小当りであることを示す小当りフラグをセットし(ステップS63)、ステップS75に移行する。
なお、ランダムRの値が大当り判定値および小当り判定値のいずれにも一致しない場合には(ステップS62のN)、すなわち、はずれである場合には、そのままステップS75に移行する。
ステップS71では、CPU56は、大当りであることを示す大当りフラグをセットする。そして、大当り種別を複数種類のうちのいずれかに決定するために使用するテーブルとして、特別図柄ポインタが示す方の大当り種別判定テーブルを選択する(ステップS72)。具体的には、CPU56は、特別図柄ポインタが「第1」を示している場合には、図7(D)に示す第1特別図柄用の大当り種別判定用テーブル131aを選択する。また、CPU56は、特別図柄ポインタが「第2」を示している場合には、図7(E)に示す第2特別図柄用の大当り種別判定用テーブル131bを選択する。
次いで、CPU56は、選択した大当り種別判定テーブルを用いて、乱数バッファ領域に格納された大当り種別判定用の乱数(ランダム1)の値と一致する値に対応した種別(「通常大当り」、「確変大当り」または「突然確変大当り」)を大当りの種別に決定する(ステップS73)。なお、この場合、CPU56は、第1始動口スイッチ通過処理のステップS1214Aや第2始動口スイッチ通過処理のステップS1214Bで抽出し第1保留記憶バッファや第2保留記憶バッファにあらかじめ格納した大当り種別判定用乱数を読み出し、大当り種別の決定を行う。また、この場合に、図7(D),(E)に示すように、第1特別図柄の変動表示が実行される場合には、第2特別図柄の変動表示が実行される場合と比較して、突然確変大当りが選択される割合が高い。
また、CPU56は、決定した大当りの種別を示すデータをRAM55における大当り種別バッファに設定する(ステップS74)。例えば、大当り種別が「通常大当り」の場合には大当り種別を示すデータとして「01」が設定され、大当り種別が「確変大当り」の場合には大当り種別を示すデータとして「02」が設定され、大当り種別が「突然確変大当り」の場合には大当り種別を示すデータとして「03」が設定される。
次いで、CPU56は、特別図柄の停止図柄を決定する(ステップS75)。具体的には、大当りフラグおよび小当りフラグのいずれもセットされていない場合には、はずれ図柄となる「−」を特別図柄の停止図柄に決定する。大当りフラグがセットされている場合には、大当り種別の決定結果に応じて、大当り図柄となる「1」、「3」、「7」のいずれかを特別図柄の停止図柄に決定する。すなわち、大当り種別を「突然確変大当り」に決定した場合には「1」を特別図柄の停止図柄に決定し、「通常大当り」に決定した場合には「3」を特別図柄の停止図柄に決定し、「確変大当り」に決定した場合には「7」を特別図柄の停止図柄に決定する。また、小当りフラグがセットされている場合には、小当り図柄となる「5」を特別図柄の停止図柄に決定する。
なお、この実施の形態では、まず大当り種別を決定し、決定した大当り種別に対応する特別図柄の停止図柄を決定する場合を示したが、大当り種別および特別図柄の停止図柄の決定方法は、この実施の形態で示したものにかぎられない。例えば、あらかじめ特別図柄の停止図柄と大当り種別とを対応付けたテーブルを用意しておき、大当り種別決定用乱数にもとづいてまず特別図柄の停止図柄を決定すると、その決定結果にもとづいて対応する大当り種別も決定されるように構成してもよい。
そして、特別図柄プロセスフラグの値を変動パターン設定処理(ステップS301)に対応した値に更新する(ステップS76)。
図16は、特別図柄プロセス処理における変動パターン設定処理(ステップS301)を示すフローチャートである。変動パターン設定処理において、CPU56は、大当りフラグがセットされているか否か確認する(ステップS91)。大当りフラグがセットされている場合には、CPU56は、変動パターン種別を複数種類のうちのいずれかに決定するために使用するテーブルとして、大当り用変動パターン種別判定テーブルのいずれかを選択する(ステップS92)。そして、ステップS100に移行する。
大当りフラグがセットされていない場合には、CPU56は、小当りフラグがセットされているか否かを確認する(ステップS93)。小当りフラグがセットされている場合には、CPU56は、変動パターン種別を複数種類のうちのいずれかに決定するために使用するテーブルとして、小当り用変動パターン種別判定テーブルを選択する(ステップS94)。そして、ステップS100に移行する。
小当りフラグもセットされていない場合には、CPU56は、時短状態であることを示す時短フラグがセットされているか否かを確認する(ステップS95)。なお、時短フラグは、遊技状態を確変状態や時短状態に移行するときにセットされ、時短状態を終了するときにリセットされる。具体的には、「通常大当り」とすることに決定された場合には、大当り遊技を終了する処理において時短フラグがセットされる。また、大当り遊技終了後、所定回数(この実施の形態では100回)の変動表示を終了したときにリセットされる。なお、所定回数の変動表示を終了する前であっても、次の大当りが発生した場合にも、時短フラグがリセットされる。また、「確変大当り」または「突然確変大当り」とすることに決定された場合には、大当り遊技を終了する処理において確変フラグがセットされるとともに時短フラグがセットされる。そして、次の大当りが発生した場合に、確変フラグとともに時短フラグがリセットされる。
時短フラグがセットされていなければ(ステップS95のN)、CPU56は、合算保留記憶数が3以上であるか否かを確認する(ステップS96)。合算保留記憶数が3未満であれば(ステップS96のN)、CPU56は、変動パターン種別を複数種類のうちのいずれかに決定するために使用するテーブルとして、通常用のはずれ用変動パターン種別判定テーブルを選択する(ステップS97)。そして、ステップS100に移行する。
合算保留記憶数が3以上である場合(ステップS96のY)には、CPU56は、変動パターン種別を複数種類のうちのいずれかに決定するために使用するテーブルとして、短縮用のはずれ用変動パターン種別判定テーブルを選択する(ステップS98)。そして、ステップS100に移行する。
時短フラグがセットされている場合(ステップS95のY)には、すなわち、遊技状態が確変状態または時短状態であれば(この実施の形態では、確変状態に移行される場合には必ず時短状態にも移行されるので(ステップS169,S170参照)、ステップS95でYと判定された場合には、確変状態の場合と時短状態のみに制御されている場合とがある)、CPU56は、変動パターン種別を複数種類のうちのいずれかに決定するために使用するテーブルとして、時短用のはずれ用変動パターン種別判定テーブルを選択する(ステップS99)。そして、ステップS100に移行する。
この実施の形態では、ステップS95〜S99の処理が実行されることによって、遊技状態が通常状態であって合算保留記憶数が3以上である場合には、短縮用のはずれ用変動パターン種別判定テーブルが選択される。また、遊技状態が確変状態または時短状態である場合には、時短用のはずれ用変動パターン種別判定テーブルが選択される。この場合、後述するステップS100の処理で変動パターン種別として短縮変動の変動パターンを含む変動パターン種別が決定される場合があり、短縮変動の変動パターンを含む変動パターン種別が決定された場合には、ステップS102の処理で変動パターンとして短縮変動の変動パターンが決定される。従って、この実施の形態では、遊技状態が確変状態や時短状態である場合または合算保留記憶数が3以上である場合には、短縮変動の変動表示が行われる場合がある。
次いで、CPU56は、乱数バッファ領域(第1保留記憶バッファまたは第2保留記憶バッファ)からランダム2(変動パターン種別判定用乱数)を読み出し、ステップS92、S94、S97、S98またはS99の処理で選択したテーブルを参照することによって、変動パターン種別を複数種類のうちのいずれかに決定する(ステップS100)。
次いで、CPU56は、ステップS100の変動パターン種別の決定結果にもとづいて、変動パターンを複数種類のうちのいずれかに決定するために使用するテーブルとして、当り変動パターン判定テーブル、またははずれ変動パターン判定テーブルのうちのいずれかを選択する(ステップS101)。また、乱数バッファ領域(第1保留記憶バッファまたは第2保留記憶バッファ)からランダム3(変動パターン判定用乱数)を読み出し、ステップS101の処理で選択した変動パターン判定テーブルを参照することによって、変動パターンを複数種類のうちのいずれかに決定する(ステップS102)。なお、始動入賞のタイミングでランダム3(変動パターン判定用乱数)を抽出しないように構成する場合には、CPU56は、変動パターン判定用乱数(ランダム3)を生成するための変動パターン判定用乱数カウンタから値を直接抽出し、抽出した乱数値にもとづいて変動パターンを決定するようにしてもよい。
次いで、CPU56は、特別図柄ポインタが示す方の図柄変動指定コマンドを、演出制御用マイクロコンピュータ100に送信する制御を行う(ステップS103)。具体的には、CPU56は、特別図柄ポインタが「第1」を示している場合には、第1図柄変動指定コマンドを送信する制御を行う。また、CPU56は、特別図柄ポインタが「第2」を示している場合には、第2図柄変動指定コマンドを送信する制御を行う。また、CPU56は、決定した変動パターンに対応する演出制御コマンド(変動パターンコマンド)を、演出制御用マイクロコンピュータ100に送信する制御を行う(ステップS104)。
次に、CPU56は、RAM55に形成されている変動時間タイマに、選択された変動パターンに対応した変動時間に応じた値を設定する(ステップS105)。そして、特別図柄プロセスフラグの値を表示結果指定コマンド送信処理(ステップS302)に対応した値に更新する(ステップS106)。
図17は、表示結果指定コマンド送信処理(ステップS302)を示すフローチャートである。表示結果指定コマンド送信処理において、CPU56は、決定されている大当りの種類、小当り、はずれに応じて、表示結果1指定〜表示結果5指定のいずれかの演出制御コマンド(図8参照)を送信する制御を行う。具体的には、CPU56は、まず、大当りフラグがセットされているか否か確認する(ステップS110)。セットされていない場合には、ステップS116に移行する。大当りフラグがセットされている場合、大当りの種別が「通常大当り」であるときには、表示結果2指定コマンドを送信する制御を行う(ステップS111,S112)。なお、「通常大当り」であるか否かは、具体的には、特別図柄通常処理のステップS74で大当り種別バッファに設定されたデータが「01」であるか否かを確認することによって判定できる。また、CPU56は、大当りの種別が「確変大当り」であるときには、表示結果3指定コマンドを送信する制御を行う(ステップS113,S114)。なお、「確変大当り」であるか否かは、具体的には、特別図柄通常処理のステップS74で大当り種別バッファに設定されたデータが「02」であるか否かを確認することによって判定できる。そして、「通常大当り」および「確変大当り」のいずれでもないときには(すなわち、「突然確変大当り」であるときには)、CPU56は、表示結果4指定コマンドを送信する制御を行う(ステップS115)。
一方、CPU56は、大当りフラグがセットされていないときには(ステップS110のN)、小当りフラグがセットされているか否かを確認する(ステップS116)。小当りフラグがセットされていれば、CPU56は、表示結果5指定コマンドを送信する制御を行う(ステップS117)。小当りフラグもセットされていないときは(ステップS116のN)、すなわち、はずれである場合には、CPU56は、表示結果1指定コマンドを送信する制御を行う(ステップS118)。
そして、CPU56は、特別図柄プロセスフラグの値を特別図柄変動中処理(ステップS303)に対応した値に更新する(ステップS119)。
図18は、特別図柄プロセス処理における特別図柄変動中処理(ステップS303)を示すフローチャートである。特別図柄変動中処理において、CPU56は、まず、保留記憶数減算指定コマンド(第1保留記憶数減算指定コマンドまたは第2保留記憶数減算指定コマンド)を既に送信済みであるか否かを確認する(ステップS1121)。なお、保留記憶数減算指定コマンドを既に送信済みであるか否かは、例えば、後述するステップS1122で保留記憶数減算指定コマンドを送信する際に保留記憶数減算指定コマンドを送信したことを示す保留記憶数減算指定コマンド送信済フラグをセットするようにし、ステップS1121では、その保留記憶数減算指定コマンド送信済フラグがセットされているか否かを確認するようにすればよい。また、この場合、セットした保留記憶数減算指定コマンド送信済フラグは、特別図柄の変動表示を終了する際や大当りを終了する際に後述する特別図柄停止処理や大当り終了処理でリセットするようにすればよい。
次いで、保留記憶数減算指定コマンドを送信済みでなければ、CPU56は、保留記憶数減算指定コマンドを演出制御用マイクロコンピュータ100に送信する制御を行う(ステップS1122)。この場合、特別図柄ポインタに「第1」を示す値が設定されている場合には、CPU56は、第1保留記憶数減算指定コマンドを送信する制御を行う。また、特別図柄ポインタに「第2」を示す値が設定されている場合には、CPU56は、第2保留記憶数減算指定コマンドを送信する制御を行う。
次いで、CPU56は、変動時間タイマを1減算し(ステップS1125)、変動時間タイマがタイムアウトしたら(ステップS1126)、演出制御用マイクロコンピュータ100に図柄確定指定コマンドを送信する制御を行う(ステップS1127)。そして、CPU56は、特別図柄プロセスフラグの値を特別図柄停止処理(ステップS304)に対応した値に更新する(ステップS1128)。変動時間タイマがタイムアウトしていない場合には、そのまま処理を終了する。
図19は、特別図柄プロセス処理における特別図柄停止処理(ステップS304)を示すフローチャートである。特別図柄停止処理において、CPU56は、大当りフラグがセットされているか否かを確認する(ステップS131)。大当りフラグがセットされている場合には、CPU56は、セットされていれば、確変状態であることを示す確変フラグ、および時短状態であることを示す時短フラグをリセットし(ステップS132)、演出制御用マイクロコンピュータ100に大当り開始指定コマンドを送信する制御を行う(ステップS133)。具体的には、大当りの種別が「通常大当り」である場合には大当り開始1指定コマンド(コマンドA001(H))を送信する。また、大当りの種別が「確変大当り」である場合には大当り開始2指定コマンド(コマンドA002(H))を送信する。また、大当りの種別が突然確変大当りである場合には小当り/突然確変大当り開始指定コマンド(コマンドA003(H))を送信する。なお、大当りの種別が「通常大当り」、「確変大当り」または「突然確変大当り」のいずれであるかは、RAM55に記憶されている大当り種別を示すデータ(大当り種別バッファに記憶されているデータ)にもとづいて判定される。
また、大当り表示時間タイマに大当り表示時間(大当りが発生したことを、例えば、演出表示装置9において報知する時間)に相当する値を設定する(ステップS134)。また、大入賞口開放回数カウンタに開放回数(例えば、「通常大当り」や「確変大当り」の場合には15回。「突然確変大当り」の場合には2回。)をセットする(ステップS135)。また、大当り遊技における1ラウンドあたりのラウンド時間もセットされる。具体的には、突然確変大当りの場合には、ラウンド時間として0.1秒がセットされ、通常大当りや確変大当りの場合には、ラウンド時間として29秒がセットされる。そして、特別図柄プロセスフラグの値を大入賞口開放前処理(ステップS305)に対応した値に更新する(ステップS136)。
また、ステップS131で大当りフラグがセットされていなければ、CPU56は、時短状態における特別図柄の変動可能回数を示す時短回数カウンタの値が0となっているか否かを確認する(ステップS137)。時短回数カウンタの値が0でなければ、CPU56は、時短回数カウンタの値を−1する(ステップS138)。そして、CPU56は、減算後の時短回数カウンタの値が0になった場合には(ステップS139)、時短フラグをリセットする(ステップS140)。
次いで、CPU56は、小当りフラグがセットされているか否かを確認する(ステップS141)。小当りフラグがセットされていれば、CPU56は、演出制御用マイクロコンピュータ100に小当り/突然確変大当り開始指定コマンド(コマンドA003(H))を送信する(ステップS142)。また、小当り表示時間タイマに小当り表示時間(小当りが発生したことを、例えば、演出表示装置9において報知する時間)に相当する値を設定する(ステップS143)。また、大入賞口開放回数カウンタに開放回数(例えば2回)をセットする(ステップS144)。また、小当り遊技における大入賞口の1回あたりの開放時間もセットされる。具体的には、突然確変大当りのラウンド時間と同じ0.1秒が、小当り遊技における大入賞口の1回あたりの開放時間としてセットされる。そして、特別図柄プロセスフラグの値を小当り開始前処理(ステップS308)に対応した値に更新する(ステップS145)。
小当りフラグもセットされていなければ(ステップS141のN)、CPU56は、特別図柄プロセスフラグの値を特別図柄通常処理(ステップS300)に対応した値に更新する(ステップS146)。
図20は、特別図柄プロセス処理における大当り終了処理(ステップS307)を示すフローチャートである。大当り終了処理において、CPU56は、大当り終了表示タイマが設定されているか否か確認し(ステップS160)、大当り終了表示タイマが設定されている場合には、ステップS164に移行する。大当り終了表示タイマが設定されていない場合には、大当りフラグをリセットし(ステップS161)、大当り終了指定コマンドを送信する制御を行う(ステップS162)。ここで、「通常大当り」であった場合には大当り終了1指定コマンド(コマンドA301(H))を送信し、「確変大当り」であった場合には大当り終了2指定コマンド(コマンドA302(H))を送信し、「突然確変大当り」であった場合には小当り/突然確変大当り終了指定コマンド(コマンドA303(H))を送信する。そして、大当り終了表示タイマに、演出表示装置9において大当り終了表示が行われている時間(大当り終了表示時間)に対応する表示時間に相当する値を設定し(ステップS163)、処理を終了する。
ステップS164では、大当り終了表示タイマの値を1減算する(ステップS164)。そして、CPU56は、大当り終了表示タイマの値が0になっているか否か、すなわち大当り終了表示時間が経過したか否か確認する(ステップS165)。経過していなければ処理を終了する。
大当り終了表示時間を経過していれば(ステップS165のY)、CPU56は、今回終了する大当りが通常大当りであるか否かを確認する(ステップS166)。なお、「通常大当り」であるか否かは、具体的には、特別図柄通常処理のステップS74で大当り種別バッファに設定されたデータが「01」であるか否かを確認することによって判定できる。通常大当りであれば、CPU56は、時短フラグをセットして時短状態に移行させる(ステップS167)。また、CPU56は、時短回数カウンタに所定回数(例えば100回)をセットする(ステップS168)。
通常大当りでなければ(すなわち、確変大当りまたは突然確変大当りであれば)、CPU56は、確変フラグをセットして確変状態に移行させる(ステップS169)とともに、時短フラグをセットして時短状態に移行させる(ステップS170)。
そして、CPU56は、特別図柄プロセスフラグの値を特別図柄通常処理(ステップS300)に対応した値に更新する(ステップS171)。
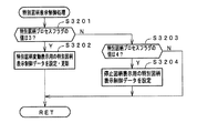
図21は、主基板31に搭載される遊技制御用マイクロコンピュータ560(具体的には、CPU56)が実行する特別図柄表示制御処理(ステップS32)のプログラムの一例を示すフローチャートである。特別図柄表示制御処理では、CPU56は、特別図柄プロセスフラグの値が3であるか否かを確認する(ステップS3201)。特別図柄プロセスフラグの値が3であれば(すなわち、特別図柄変動中処理の実行中であれば)、CPU56は、特別図柄変動表示用の特別図柄表示制御データを特別図柄表示制御データ設定用の出力バッファに設定または更新する処理を行う(ステップS3202)。この場合、CPU56は、特別図柄ポインタが示す方の特別図柄(第1特別図柄または第2特別図柄)の変動表示を行うための特別図柄表示制御データを設定または更新する。例えば、変動速度が1コマ/0.2秒であれば、0.2秒が経過する毎に、出力バッファに設定される特別図柄表示制御データの値を+1する。そして、その後、表示制御処理(ステップS22参照)が実行され、特別図柄表示制御データ設定用の出力バッファの内容に応じて特別図柄表示器8a,8bに対して駆動信号が出力されることによって、特別図柄表示器8a,8bにおける特別図柄の変動表示が実行される。
特別図柄プロセスフラグの値が3でなければ、CPU56は、特別図柄プロセスフラグの値が4であるか否かを確認する(ステップS3203)。特別図柄プロセスフラグの値が4であれば(すなわち、特別図柄停止処理に移行した場合には)、CPU56は、特別図柄通常処理で設定された特別図柄の停止図柄を停止表示するための特別図柄表示制御データを特別図柄表示制御データ設定用の出力バッファに設定する処理を行う(ステップS3204)。この場合、CPU56は、特別図柄ポインタが示す方の特別図柄(第1特別図柄または第2特別図柄)の停止図柄を停止表示するための特別図柄表示制御データを設定する。そして、その後、表示制御処理(ステップS22参照)が実行され、特別図柄表示制御データ設定用の出力バッファの内容に応じて特別図柄表示器8a,8bに対して駆動信号が出力されることによって、特別図柄表示器8a,8bにおいて特別図柄の停止図柄が停止表示される。なお、ステップS3204の処理が実行され停止図柄表示用の特別図柄表示制御データが設定された後には、設定データの変更が行われないので、ステップS22の表示制御処理では最新の特別図柄表示制御データにもとづいて最新の停止図柄を次の変動表示が開始されるまで停止表示し続けることになる。また、ステップS3201において特別図柄プロセスフラグの値が2または3のいずれかであれば(すなわち、表示結果指定コマンド送信処理または特別図柄変動中処理のいずれかであれば)、特別図柄変動表示用の特別図柄表示制御データを更新するようにしてもよい。この場合、遊技制御用マイクロコンピュータ560側で認識する変動時間と演出制御用マイクロコンピュータ100側で認識する変動時間との間にズレが生じないようにするため、表示結果指定コマンド送信処理においても変動時間タイマを1減算するように構成すればよい。
なお、この実施の形態では、特別図柄プロセスフラグの値に応じて特別図柄表示制御データを出力バッファに設定する場合を示したが、特別図柄プロセス処理において、特別図柄の変動開始時に開始フラグをセットするとともに、特別図柄の変動終了時に終了フラグをセットするようにしてもよい。そして、特別図柄表示制御処理(ステップS32)において、CPU56は、開始フラグがセットされたことにもとづいて特別図柄表示制御データの値の更新を開始するようにし、終了フラグがセットされたことにもとづいて停止図柄を停止表示さえるための特別図柄表示制御データをセットするようにしてもよい。
次に、演出制御手段の動作を説明する。図22は、演出制御基板80に搭載されている演出制御手段としての演出制御用マイクロコンピュータ100(具体的には、演出制御用CPU101)が実行するメイン処理を示すフローチャートである。演出制御用CPU101は、電源が投入されると、メイン処理の実行を開始する。メイン処理では、まず、RAM領域のクリアや各種初期値の設定、また演出制御の起動間隔(例えば、4ms)を決めるためのタイマの初期設定等を行うための初期化処理を行う(ステップS701)。その後、演出制御用CPU101は、タイマ割込フラグの監視(ステップS702)を行うループ処理に移行する。タイマ割込が発生すると、演出制御用CPU101は、タイマ割込処理においてタイマ割込フラグをセットする。メイン処理において、タイマ割込フラグがセットされていたら、演出制御用CPU101は、そのフラグをクリアし(ステップS703)、以下の演出制御処理を実行する。
演出制御処理において、演出制御用CPU101は、まず、受信した演出制御コマンドを解析し、受信した演出制御コマンドに応じたフラグをセットする処理等を行う(コマンド解析処理:ステップS704)。
次いで、演出制御用CPU101は、演出制御プロセス処理を行う(ステップS705)。演出制御プロセス処理では、制御状態に応じた各プロセスのうち、現在の制御状態(演出制御プロセスフラグ)に対応した処理を選択して演出表示装置9の表示制御を実行する。
次いで、演出制御用CPU101は、第4図柄プロセス処理を行う(ステップS706)。第4図柄プロセス処理では、制御状態に応じた各プロセスのうち、現在の制御状態(第4図柄プロセスフラグ)に対応した処理を選択して演出表示装置9の第4図柄表示領域9c,9dにおいて第4図柄の表示制御を実行する。
次いで、大当り図柄決定用乱数などの乱数を生成するためのカウンタのカウント値を更新する乱数更新処理を実行する(ステップS707)。その後、ステップS702に移行する。
図23は、主基板31の遊技制御用マイクロコンピュータ560から受信した演出制御コマンドを格納するためのコマンド受信バッファの一構成例を示す説明図である。この例では、2バイト構成の演出制御コマンドを6個格納可能なリングバッファ形式のコマンド受信バッファが用いられる。従って、コマンド受信バッファは、受信コマンドバッファ1〜12の12バイトの領域で構成される。そして、受信したコマンドをどの領域に格納するのかを示すコマンド受信個数カウンタが用いられる。コマンド受信個数カウンタは、0〜11の値をとる。なお、必ずしもリングバッファ形式でなくてもよい。
なお、遊技制御用マイクロコンピュータ560から送信された演出制御コマンドは、演出制御INT信号にもとづく割込処理で受信され、RAMに形成されているバッファ領域に保存されている。コマンド解析処理では、バッファ領域に保存されている演出制御コマンドがどのコマンド(図8および図9参照)であるのか解析する。なお、演出制御INT信号にもとづく割込処理は、4msごとに実行されるタイマ割込処理に優先して実行される。
図24は、コマンド解析処理(ステップS704)の具体例を示すフローチャートである。主基板31から受信された演出制御コマンドは受信コマンドバッファに格納されるが、コマンド解析処理では、演出制御用CPU101は、コマンド受信バッファに格納されているコマンドの内容を確認する。
コマンド解析処理において、演出制御用CPU101は、まず、コマンド受信バッファに受信コマンドが格納されているか否か確認する(ステップS611)。格納されているか否かは、コマンド受信個数カウンタの値と読出ポインタとを比較することによって判定される。両者が一致している場合が、受信コマンドが格納されていない場合である。コマンド受信バッファに受信コマンドが格納されている場合には、演出制御用CPU101は、コマンド受信バッファから受信コマンドを読み出す(ステップS612)。なお、読み出したら読出ポインタの値を+2しておく(ステップS613)。+2するのは2バイト(1コマンド)ずつ読み出すからである。
受信した演出制御コマンドが変動パターンコマンドであれば(ステップS614)、演出制御用CPU101は、受信した変動パターンコマンドを、RAMに形成されている変動パターンコマンド格納領域に格納する(ステップS615)。そして、変動パターンコマンド受信フラグをセットする(ステップS616)。
受信した演出制御コマンドが表示結果指定コマンドであれば(ステップS617)、演出制御用CPU101は、受信した表示結果指定コマンド(表示結果1指定コマンド〜表示結果5指定コマンド)を、RAMに形成されている表示結果指定コマンド格納領域に格納する(ステップS618)。
受信した演出制御コマンドが図柄確定指定コマンドであれば(ステップS619)、演出制御用CPU101は、確定コマンド受信フラグをセットする(ステップS620)。
受信した演出制御コマンドがいずれかの大当り開始指定コマンドであれば(ステップS621)、演出制御用CPU101は、受信した大当り開始指定コマンドに応じた大当り開始指定コマンド受信フラグをセットする(ステップS622)。具体的には、演出制御用CPU101は、大当り開始1指定コマンド(コマンドA001(H))を受信した場合であれば大当り開始1指定コマンド受信フラグをセットし、大当り開始2指定コマンド(コマンドA002(H))を受信した場合であれば大当り開始2指定コマンド受信フラグをセットし、小当り/突然確変大当り開始指定コマンド(コマンドA003(H))を受信した場合であれば小当り/突然確変大当り開始指定コマンド受信フラグをセットする。
受信した演出制御コマンドがいずれかの大当り終了指定コマンドであれば(ステップS623)、演出制御用CPU101は、受信した大当り終了指定コマンドに応じた大当り終了指定コマンド受信フラグをセットする(ステップS624)。具体的には、演出制御用CPU101は、大当り終了1指定コマンド(コマンドA301(H))を受信した場合であれば大当り終了1指定コマンド受信フラグをセットし、大当り終了2指定コマンド(コマンドA302(H))を受信した場合であれば大当り終了2指定コマンド受信フラグをセットし、小当り/突然確変大当り終了指定コマンド(コマンドA303(H))を受信した場合であれば小当り/突然確変大当り終了指定コマンド受信フラグをセットする。
受信した演出制御コマンドがその他のコマンドであれば、演出制御用CPU101は、受信した演出制御コマンドに応じたフラグをセットする(ステップS625)。そして、ステップS611に移行する。例えば、演出制御用CPU101は、第1図柄変動指定コマンドを受信した場合には第1図柄変動指定コマンド受信フラグをセットし、第2図柄変動指定コマンドを受信した場合には第2図柄変動指定コマンド受信フラグをセットする。
図25は、図22に示されたメイン処理における演出制御プロセス処理(ステップS705)を示すフローチャートである。演出制御プロセス処理では、演出制御用CPU101は、演出制御プロセスフラグの値に応じてステップS800〜S807のうちのいずれかの処理を行う。各処理において、以下のような処理を実行する。なお、演出制御プロセス処理では、演出表示装置9の表示状態が制御され、演出図柄の可変表示が実現されるが、第1特別図柄の変動に同期した演出図柄の可変表示に関する制御も、第2特別図柄の変動に同期した演出図柄の可変表示に関する制御も、一つの演出制御プロセス処理において実行される。なお、第1特別図柄の変動に同期した演出図柄の可変表示と、第2特別図柄の変動に同期した演出図柄の可変表示とを、別の演出制御プロセス処理により実行するように構成してもよい。また、この場合、いずれの演出制御プロセス処理により演出図柄の変動表示が実行されているかによって、いずれの特別図柄の変動表示が実行されているかを判断するようにしてもよい。
変動パターンコマンド受信待ち処理(ステップS800):遊技制御用マイクロコンピュータ560から変動パターンコマンドを受信しているか否か確認する。具体的には、コマンド解析処理でセットされる変動パターンコマンド受信フラグがセットされているか否か確認する。変動パターンコマンドを受信していれば、演出制御プロセスフラグの値を演出図柄変動開始処理(ステップS801)に対応した値に変更する。
演出図柄変動開始処理(ステップS801):演出図柄の変動が開始されるように制御する。そして、演出制御プロセスフラグの値を演出図柄変動中処理(ステップS802)に対応した値に更新する。
演出図柄変動中処理(ステップS802):変動パターンを構成する各変動状態(変動速度)の切替タイミング等を制御するとともに、変動時間の終了を監視する。そして、変動時間が終了したら、演出制御プロセスフラグの値を演出図柄変動停止処理(ステップS803)に対応した値に更新する。
演出図柄変動停止処理(ステップS803):演出図柄の変動を停止し表示結果(停止図柄)を導出表示する制御を行う。そして、演出制御プロセスフラグの値を大当り表示処理(ステップS804)または変動パターンコマンド受信待ち処理(ステップS800)に対応した値に更新する。
大当り表示処理(ステップS804):変動時間の終了後、演出表示装置9に大当りの発生を報知するための画面を表示する制御を行う。そして、演出制御プロセスフラグの値をラウンド中処理(ステップS805)に対応した値に更新する。
ラウンド中処理(ステップS805):ラウンド中の表示制御を行う。そして、ラウンド終了条件が成立したら、最終ラウンドが終了していなければ、演出制御プロセスフラグの値をラウンド後処理(ステップS806)に対応した値に更新する。最終ラウンドが終了していれば、演出制御プロセスフラグの値を大当り終了処理(ステップS807)に対応した値に更新する。
ラウンド後処理(ステップS806):ラウンド間の表示制御を行う。そして、ラウンド開始条件が成立したら、演出制御プロセスフラグの値をラウンド中処理(ステップS805)に対応した値に更新する。
大当り終了演出処理(ステップS807):演出表示装置9において、大当り遊技状態が終了したことを遊技者に報知する表示制御を行う。そして、演出制御プロセスフラグの値を変動パターンコマンド受信待ち処理(ステップS800)に対応した値に更新する。
図26は、図22に示された演出制御プロセス処理における変動パターンコマンド受信待ち処理(ステップS800)を示すフローチャートである。変動パターンコマンド受信待ち処理において、演出制御用CPU101は、変動パターンコマンド受信フラグがセットされているか否か確認する(ステップS811)。変動パターンコマンド受信フラグがセットされていれば、変動パターンコマンド受信フラグをリセットする(ステップS812)。そして、演出制御プロセスフラグの値を演出図柄変動開始処理(ステップS801)に対応した値に更新する(ステップS813)。なお、前述したように、この実施の形態では、停電復旧時にも表示結果指定コマンドの送信が行われる(ステップS44参照)のであるが、図26に示すように、この実施の形態では、通常時には、変動パターンコマンドを受信したことにもとづいて演出図柄変動開始処理に移行し演出図柄の変動表示を開始するので、変動パターンコマンドを受信することなく表示結果指定コマンドを受信したのみでは演出図柄の変動表示は開始されない。
図27は、図25に示された演出制御プロセス処理における演出図柄変動開始処理(ステップS801)を示すフローチャートである。演出図柄変動開始処理において、演出制御用CPU101は、まず、変動パターンコマンド格納領域から変動パターンコマンドを読み出す(ステップS8000)。次いで、演出制御用CPU101は、ステップS8000で読み出した変動パターンコマンド、および表示結果指定コマンド格納領域に格納されているデータ(すなわち、受信した表示結果指定コマンド)に応じて演出図柄の表示結果(停止図柄)を決定する(ステップS8001)。すなわち、演出制御用CPU101によってステップS8001の処理が実行されることによって、可変表示パターン決定手段が決定した可変表示パターン(変動パターン)に応じて、識別情報の可変表示の表示結果(演出図柄の停止図柄)を決定する表示結果決定手段が実現される。なお、変動パターンコマンドで擬似連が指定されている場合には、演出制御用CPU101は、ステップS8001において、擬似連中の仮停止図柄としてチャンス目図柄(例えば、「223」や「445」のように、リーチとならないものの大当り図柄と1つ図柄がずれている図柄の組み合わせ)も決定する。なお、演出制御用CPU101は、決定した演出図柄の停止図柄を示すデータを演出図柄表示結果格納領域に格納する。なお、ステップS8001において、演出制御用CPU101は、受信した変動パターンコマンドにもとづいて大当りであるか否かを判定し、変動パターンコマンドのみにもとづいて演出図柄の停止図柄を決定するようにしてもよい。
図28は、演出表示装置9における演出図柄の停止図柄の一例を示す説明図である。図28に示す例では、受信した表示結果指定コマンドが「通常大当り」を示している場合には(受信した表示結果指定コマンドが表示結果2指定コマンドである場合)、演出制御用CPU101は、停止図柄として3図柄が同じ偶数図柄で揃った演出図柄の組合せ、3図柄が同じ星形図柄(図30参照)で揃った演出図柄の組合せ、または3図柄が同じ月形図柄(図30参照)で揃った演出図柄の組合せを決定する。また、受信した表示結果指定コマンドが「確変大当り」を示している場合には(受信した表示結果指定コマンドが表示結果3指定コマンドである場合)、演出制御用CPU101は、停止図柄として3図柄が同じ奇数図柄で揃った演出図柄の組合せ、3図柄が同じ星形図柄(図30参照)で揃った演出図柄の組合せ、または3図柄が同じ月形図柄(図30参照)で揃った演出図柄の組合せを決定する。
また、受信した表示結果指定コマンドが「突然確変大当り」や「小当り」を示している場合には(受信した表示結果指定コマンドが表示結果4指定コマンドまたは表示結果5指定コマンドである場合)、演出制御用CPU101は、停止図柄として「135」などの演出図柄の組合せを決定する。そして、「はずれ」の場合には(受信した表示結果指定コマンドが表示結果1指定コマンドである場合)、上記以外の演出図柄の組み合わせを決定する。ただし、リーチ演出を伴う場合には、左右の2図柄が揃った演出図柄の組み合わせを決定する。また、演出表示装置9に導出表示される3図柄の組合せが演出図柄の「停止図柄」である。
演出制御用CPU101は、例えば、停止図柄を決定するための乱数を抽出し、演出図柄の組合せを示すデータと数値とが対応付けられている停止図柄決定テーブルを用いて、演出図柄の停止図柄を決定する。すなわち、抽出した乱数に一致する数値に対応する演出図柄の組合せを示すデータを選択することによって停止図柄を決定する。
なお、演出図柄についても、大当りを想起させるような停止図柄(左中右が全て同じ図柄で揃った図柄の組み合わせ)を大当り図柄という。また、はずれを想起させるような停止図柄をはずれ図柄という。また、確変状態となることを想起させる図柄(この実施の形態では、奇数図柄)を確変図柄ともいい、確変状態とならないことを想起させる図柄(この実施の形態では、偶数図柄)を非確変図柄ともいう。
次いで、演出制御用CPU101は、変動表示の実行中に特定の図柄(本例では、図柄「7」)が演出表示装置9上の表示領域に接近したことを報知する図柄報知演出を設定する図柄報知演出設定処理を実行する(ステップS8002)。
次いで、演出制御用CPU101は、変動パターンに応じたプロセステーブルを選択する(ステップS8003)。そして、選択したプロセステーブルのプロセスデータ1におけるプロセスタイマをスタートさせる(ステップS8004)。
図29は、プロセステーブルの構成例を示す説明図である。プロセステーブルとは、演出制御用CPU101が演出装置の制御を実行する際に参照するプロセスデータが設定されたテーブルである。すなわち、演出制御用CPU101は、プロセステーブルに設定されているプロセスデータに従って演出表示装置9等の演出装置(演出用部品)の制御を行う。プロセステーブルは、プロセスタイマ設定値と表示制御実行データ、ランプ制御実行データおよび音番号データの組み合わせが複数集まったデータで構成されている。表示制御実行データには、演出図柄の可変表示の可変表示時間(変動時間)中の変動態様を構成する各変動の態様を示すデータ等が記載されている。具体的には、演出表示装置9の表示画面の変更に関わるデータが記載されている。また、プロセスタイマ設定値には、その変動の態様での変動時間が設定されている。演出制御用CPU101は、プロセステーブルを参照し、プロセスタイマ設定値に設定されている時間だけ表示制御実行データに設定されている変動の態様で演出図柄を表示させる制御を行う。
図29に示すプロセステーブルは、演出制御基板80におけるROMに格納されている。また、プロセステーブルは、各変動パターンに応じて用意されている。
なお、リーチ演出を伴う変動パターンについて演出制御を実行する場合に用いられるプロセステーブルには、変動開始から所定時間が経過したときに左図柄を停止表示させ、さらに所定時間が経過すると右図柄を停止表示させることを示すプロセスデータが設定されている。なお、停止表示させる図柄をプロセステーブルに設定するのではなく、決定された停止図柄、擬似連や滑り演出における仮停止図柄に応じて、図柄を表示するための画像を合成して生成するようにしてもよい。
また、演出制御用CPU101は、プロセスデータ1の内容(表示制御実行データ1、ランプ制御実行データ1、音番号データ1)に従って演出装置(演出用部品としての演出表示装置9、演出用部品としての各種ランプおよび演出用部品としてのスピーカ27)の制御を実行する(ステップS8005)。例えば、演出表示装置9において変動パターンに応じた画像を表示させるために、VDP109に指令を出力する。また、各種ランプを点灯/消灯制御を行わせるために、ランプドライバ基板35に対して制御信号(ランプ制御実行データ)を出力する。また、スピーカ27からの音声出力を行わせるために、音声出力基板70に対して制御信号(音番号データ)を出力する。
なお、この実施の形態では、演出制御用CPU101は、変動パターンコマンドに1対1に対応する変動パターンによる演出図柄の可変表示が行われるように制御するが、演出制御用CPU101は、変動パターンコマンドに対応する複数種類の変動パターンから、使用する変動パターンを選択するようにしてもよい。
次いで、演出制御用CPU101は、変動時間タイマに、変動パターンコマンドで特定される変動時間に相当する値を設定する(ステップS8006)。
そして、演出制御用CPU101は、演出制御プロセスフラグの値を演出図柄変動中処理(ステップS802)に対応した値にする(ステップS8007)。
図30は、演出表示装置9において変動表示される演出図柄の図柄列を示す説明図である。図30に示すように、この実施の形態では、演出図柄の図柄列において、ブランク図柄「○」、図柄「1」、ブランク図柄「○」、図柄「2」、・・・の順にブランク図柄と数字の図柄とが交互に配置されている。次いで、図柄「2」の後、ブランク図柄「○」の後に直ちに図柄「3」が配置されるのではなく、月形図柄9Aが配置され、その後にブランク図柄「○」の後に図柄「3」が配置されている。従って、この実施の形態では、図柄「2」と図柄「3」との間に月形図柄9Aが割り込んで配置されていることによって、この部分に関しては不連続な配列となっている。
また、演出図柄の図柄列において、ブランク図柄「○」、図柄「3」、ブランク図柄「○」、図柄「4」、ブランク図柄「○」、図柄「5」、ブランク図柄「○」、図柄「6」、・・・の順にブランク図柄と数字の図柄とが交互に配置されている。次いで、図柄「6」の後、ブランク図柄「○」の後に直ちに図柄「7」が配置されるのではなく、星形図柄9Bが配置され、その後にブランク図柄「○」の後に図柄「7」が配置されている。従って、この実施の形態では、図柄「6」と図柄「7」との間に星形図柄9Bが割り込んで配置されていることによって、この部分に関しても不連続な配列となっている。
なお、図30に示す図柄列は一例であり、他の演出図柄の図柄列を用いて変動表示を実行可能に構成してもよい。例えば、ブランク図柄を配置せず、数字の図柄と星形図柄9Bや月形図柄9Aのみを配置して、図柄列に含まれる図柄数を少なくしてもよい。また、図30に示す例では、数字の図柄以外に星形図柄9Bおよび月形図柄9Aが含まれ、不連続な部分が2か所存在する図柄列を示したが、例えば、数字の図柄以外に星形図柄9Bのみが含まれ、不連続な部分が1か所のみ存在する図柄列としてもよい。また、逆に、不連続な部分が3か所以上存在する図柄列としてもよい。
また、図30に示す例では、数字の図柄の間に星形図柄9Bや月形図柄9Aなどの図形の図柄が割り込んで配置されることによって不連続な配列となる場合を示したが、このような図形の図柄が割り込む場合にかぎらず、例えば、数字の図柄以外の文字の図柄や、記号の図柄、キャラクタの図柄などが割り込んで配置されることによって不連続な配列となるものであってもよい。
また、この実施の形態では、連続性のある数字の図柄の間に文字や記号、図形の図柄を割り込ませることによって不連続な配列となる場合を示したが、数字以外の何らかの連続性のある文字(例えば、いろは・・)や記号、図形の図柄の間に他の図柄を割り込ませることによって不連続な配列となるものであってもよい。
また、例えば、数字の図柄の間に図形や文字などの図柄を割り込ませることによって不連続な配列とする場合にかぎらず、例えば、「1」〜「8」の数字の図柄の後に文字や記号、図形の図柄を配置することによって全体として不連続となるように配列したものであってもよい。また、例えば、数字の図柄のみで図柄列が構成される場合であっても、図柄「6」の後に図柄「7」が配置されるのではなく、図柄「6」の後に他の連続性のない図柄(例えば、図柄「2」)が配置され、その後に図柄「7」が配置されていることによって、不連続となるように配列したものであってもよい。
図31は、演出図柄変動開始処理における図柄報知演出設定処理(ステップS8002)を示すフローチャートである。この実施の形態では、図柄報知演出設定処理において、演出制御用CPU101は、まず、今回開始する演出図柄の変動表示がリーチを伴うものであるか否かを確認する(ステップS6001)。なお、リーチを伴う変動表示であるか否かは、具体的には、ステップS8000で読み出した変動パターンコマンドで指定される変動パターンを確認することにより判定できる。
リーチを伴う変動表示であれば、演出制御用CPU101は、リーチ図柄が図柄「7」であるか否かを確認する(ステップS6002)。具体的には、ステップS8001で決定し演出図柄表示結果格納領域に格納された演出図柄の停止図柄を確認し、確変大当りとなる場合であって大当り図柄として「777」の演出図柄の組み合わせを決定した場合、またははずれとなる場合であって左右の2図柄が図柄「7」で揃った演出図柄の組み合わせを決定した場合であるか否かを判定する。
リーチ図柄が図柄「7」である場合には、演出制御用CPU101は、今回開始する演出図柄の変動表示が大当りとなるものであるか否かを確認する(ステップS6003)。なお、大当りとなるものであるか否かは、具体的には、表示結果指定コマンド格納領域に格納されている表示結果指定コマンドを確認することにより判定できる。
大当りとなるものであれば、演出制御用CPU101は、図柄報知演出を決定するためのテーブルとして、大当り用の図柄報知演出決定テーブルを選択する(ステップS6004)。大当りとなるものでなければ(すなわち、はずれとなる場合であれば)、演出制御用CPU101は、図柄報知演出を決定するためのテーブルとして、はずれ用の図柄報知演出決定テーブルを選択する(ステップS6005)。
そして、演出制御用CPU101は、ステップS6004,S6005で選択した図柄報知演出決定テーブルを用いて、乱数にもとづく抽選処理を行い、図柄報知演出の有無および種類を決定する(ステップS6006)。
図32は、図柄報知演出決定テーブルの具体例を示す説明図である。このうち、図32(A)は、ステップS6004で選択される大当り用の図柄報知演出決定テーブルの具体例を示している。また、図32(B)は、ステップS6005で選択されるはずれ用の図柄報知演出決定テーブルの具体例を示している。
この実施の形態において、「図柄報知演出」とは、図30に示した演出図柄の図柄列に含まれる図柄のうち特定の図柄(本例では、図柄「7」)が演出表示装置9上の表示領域に接近したことを報知する演出である。この実施の形態では、「図柄報知演出」を実行する場合、演出図柄の図柄列に含まれる図柄のうち特定の図柄の前に演出表示装置9上の表示領域に表示される図柄(本例では、ブランク図柄「○」を介して図柄「7」の1つ前の図柄である星形図柄9B)の表示態様を変更することによって、特定の図柄が演出表示装置9上の表示領域に接近したことを報知する。
図32に示すように、図柄報知演出決定テーブルには、図柄報知演出なし、図柄報知演出A、および図柄報知演出Bに対して、それぞれ判定値が割り振られている。
図柄報知演出Aは、演出図柄の図柄列に含まれる図柄のうち特定の図柄(本例では、図柄「7」)の前に演出表示装置9上の表示領域に表示される図柄(本例では、星形図柄9B)の表示色を変更することによって、特定の図柄が演出表示装置9上の表示領域に接近したことを報知する演出である。この実施の形態では、通常は星形図柄9Bが白色の表示色で表示されるのに対して、図柄報知演出Aが実行される場合には星形図柄9Bが赤色の表示色で表示されるものとする。
また、図柄報知演出Bは、演出図柄の図柄列に含まれる図柄のうち特定の図柄(本例では、図柄「7」)の前に演出表示装置9上の表示領域に表示される図柄(本例では、星形図柄9B)の表示サイズを変更することによって、特定の図柄が演出表示装置9上の表示領域に接近したことを報知する演出である。この実施の形態では、図柄報知演出Bが実行される場合には星形図柄9Bの表示サイズが縦方向に通常と比較して2倍に拡大されるものとする。
また、図32に示すように、この実施の形態では、大当りとなる場合には、はずれとなる場合と比較して、図柄報知演出Aよりも図柄報知演出Bを60%の高い割合で決定する。すなわち、この実施の形態では、図柄報知演出Aよりも図柄報知演出Bの方が大当りに対する期待度(信頼度)が高い。従って、この実施の形態では、星形図柄9Bの表示サイズが変更されて図柄報知演出Bが実行された場合には、特定の図柄(本例では、図柄「7」)が接近したことを認識できるだけでなく、大当りに対する期待感を遊技者に抱かせることができ、遊技に対する興趣を向上させることができる。
図33は、演出制御プロセス処理における演出図柄変動中処理(ステップS802)を示すフローチャートである。演出図柄変動中処理において、演出制御用CPU101は、まず、プロセスタイマの値を1減算するとともに(ステップS8101)、変動時間タイマの値を1減算する(ステップS8102)。プロセスタイマがタイムアウトしたら(ステップS8103)、プロセスデータの切替を行う。すなわち、プロセステーブルにおける次に設定されているプロセスタイマ設定値をプロセスタイマに設定する(ステップS8104)。また、その次に設定されている表示制御実行データ、ランプ制御実行データおよび音番号データにもとづいて演出装置に対する制御状態を変更する(ステップS8105)。
次いで、演出制御用CPU101は、図柄報知演出の実行を決定しているか否かを確認する(ステップS8106)。なお、図柄報知演出の実行を決定しているか否かは、例えば、図柄報知演出設定処理のステップS6006で図柄報知演出の実行を決定したときに、図柄報知演出の実行を決定した旨を示すフラグをセットし、ステップS8106では、そのフラグがセットされているか否かを確認するようにすればよい。図柄報知演出の実行を決定していなければ、ステップS8110に移行する。
図柄報知演出の実行を決定している場合であれば、演出制御用CPU101は、リーチ開始タイミングとなっているか否かを確認する(ステップS8107)。なお、リーチ開始タイミングとなっているか否かは、具体的には、変動時間タイマの値を確認することにより判定できる。リーチ開始タイミングとなっていなければ、ステップS8110に移行する。
リーチ開始タイミングとなっていれば、演出制御用CPU101は、図柄報知演出用のプロセスデータへの切り替えを行い(ステップS8108)、プロセスタイマを再スタートする(ステップS8109)。
なお、図柄報知演出の種類として図柄報知演出Aを決定している場合には、ステップS8108で図柄報知演出A用のプロセスデータへの切り替えを行う。そして、その後、ステップS8108で切り替えたプロセスデータに従ってステップS8105の処理が実行されることによって、リーチ状態が成立してノーマルリーチが実行されているときに、演出表示装置9の中図柄の図柄表示エリアにおいて、特定の図柄(本例では、図柄「7」)の前に表示領域に表示される図柄(本例では、星形図柄9B)の表示色を赤色に変更することにより図柄報知演出Aが実行される。
また、図柄報知演出の種類として図柄報知演出Bを決定している場合には、ステップS8108で図柄報知演出B用のプロセスデータへの切り替えを行う。そして、その後、ステップS8108で切り替えたプロセスデータに従ってステップS8105の処理が実行されることによって、リーチ状態が成立してノーマルリーチが実行されているときに、演出表示装置9の中図柄の図柄表示エリアにおいて、特定の図柄(本例では、図柄「7」)の前に表示領域に表示される図柄(本例では、星形図柄9B)の表示サイズを変更(本例では、縦方向に通常と比較して2倍に拡大)することにより図柄報知演出Bが実行される。
なお、スーパーリーチを伴う変動表示において図柄報知演出を実行する場合には、例えば、ノーマルリーチ中に図柄報知演出を実行し、ノーマルリーチからスーパーリーチに発展するときに図柄報知演出を終了して、スーパーリーチの演出に移行するようにしてもよいし、スーパーリーチに発展した後も星形図柄などの表示態様を変更した態様として図柄報知演出を継続してもよい。また、例えば、ノーマルリーチのみを伴う変動表示が実行される場合にのみ図柄報知演出を実行可能に構成し、スーパーリーチを伴う変動表示が実行される場合には図柄報知演出を実行しないように構成してもよい。
そして、演出制御用CPU101は、変動時間タイマがタイムアウトしていれば(ステップS8110)、演出制御プロセスフラグの値を演出図柄変動停止処理(ステップS803)に応じた値に更新する(ステップS8111)。
図34は、演出制御プロセス処理における演出図柄変動停止処理(ステップS803)を示すフローチャートである。演出図柄変動停止処理において、まず、演出制御用CPU101は、演出図柄の停止図柄を表示していることを示す停止図柄表示フラグがセットされているか否かを確認する(ステップS8301)。停止図柄表示フラグがセットされていれば、ステップS8305に移行する。この実施の形態では、演出図柄の停止図柄として大当り図柄を表示した場合には、ステップS8304で停止図柄表示フラグがセットされる。そして、ファンファーレ演出を実行するときに停止図柄表示フラグがリセットされる。従って、停止図柄表示フラグがセットされているということは、大当り図柄を停止表示したがファンファーレ演出をまだ実行していない段階であるので、ステップS8302の演出図柄の停止図柄を表示する処理を実行することなく、ステップS8305に移行する。
停止図柄表示フラグがセットされていない場合には、演出制御用CPU101は、決定されている停止図柄(はずれ図柄、大当り図柄)を停止表示させる制御を行う(ステップS8302)。
次いで、ステップS8302の処理で大当り図柄および小当り図柄のいずれも表示しなかった場合(すなわち、はずれ図柄を表示した場合)には(ステップS8303のN)、演出制御用CPU101は、ステップS8311に移行する。
ステップS8302の処理で大当り図柄または小当り図柄を停止表示した場合には(ステップS8303のY)、演出制御用CPU101は、停止図柄表示フラグをセットし(ステップS8304)、大当り開始1指定コマンドを受信したことを示す大当り開始1指定コマンド受信フラグ、大当り開始2指定コマンドを受信したことを示す大当り開始2指定コマンド受信フラグ、または小当り/突然確変大当り開始指定コマンドを受信したことを示す小当り/突然確変大当り開始指定コマンド受信フラグがセットされているか否か確認する(ステップS8305)。大当り開始1指定コマンド受信フラグ、大当り開始2指定コマンド受信フラグ、または小当り/突然確変大当り開始指定コマンド受信フラグがセットされている場合には、演出制御用CPU101は、停止図柄表示フラグをリセットし(ステップS8306)、ファンファーレ演出に応じたプロセステーブルを選択する(ステップS8307)。なお、演出制御用CPU101は、大当り開始1指定コマンド受信フラグ、大当り開始2指定コマンド受信フラグ、または小当り/突然確変大当り開始指定コマンド受信フラグがセットされていた場合には、セットされていたフラグをリセットする。
そして、演出制御用CPU101は、プロセスタイマ設定値をプロセスタイマに設定することによってプロセスタイマをスタートさせ(ステップS8308)、プロセスデータ1の内容(表示制御実行データ1、ランプ制御実行データ1、音番号データ1、可動部材制御データ1)に従って演出装置(演出用部品としての演出表示装置9、演出用部品としての各種ランプ、および演出用部品としてのスピーカ27)の制御を実行する(ステップS8309)。その後、演出制御プロセスフラグの値を大当り表示処理(ステップS804)に応じた値に更新する(ステップS8310)。
大当りおよび小当りのいずれともしないことに決定されている場合には(ステップS8303のN)、演出制御用CPU101は、所定のフラグをリセットする(ステップS8311)。例えば、演出制御用CPU101は、第1図柄変動指定コマンド受信フラグや、第2図柄変動指定コマンド受信フラグをリセットする。なお、演出制御用CPU101は、コマンド受信フラグを演出制御プロセス処理や第4図柄プロセス処理において参照されたあと直ぐにリセットするようにしてもよい(例えば、図26のステップS811に示すように、変動パターンコマンド受信フラグを確認すると直ちに変動パターンコマンド受信フラグをリセットするようにしてもよい)。ただし、例えば、図柄変動指定コマンドについては、演出制御プロセス処理と第4図柄プロセス処理との両方で参照されるので、この実施の形態で示すように、変動終了の際に演出図柄変動停止処理などにおいてリセットしたり、大当り終了の際に大当り終了演出処理においてリセットしたりすることが望ましい。
そして、演出制御用CPU101は、演出制御プロセスフラグの値を変動パターンコマンド受信待ち処理(ステップS800)に応じた値に更新する(ステップS8312)。
次に、図柄報知演出の演出態様について説明する。図35および図36は、図柄報知演出の演出態様の具体例を示す説明図である。このうち、図35は、図柄報知演出Aの演出態様の具体例を示している。また、図36は、図柄報知演出Bの演出態様の具体例を示している。なお、図35および図36において、(1)(2)(3)・・・の順に演出画面の態様が遷移する。
まず、図35を参照して、図柄報知演出Aの演出態様の具体例を説明する。本例では、新たに変動パターンコマンドを受信したことにもとづいて、図35(1)に示すように、演出表示装置9において左中右の演出図柄の変動表示を開始したものとする。また、変動表示の開始時に、リーチを伴う変動パターンであることにもとづいて、図柄報知演出設定処理において図柄報知演出Aの実行を決定したものとする(ステップS8002参照)。この場合、リーチが発生する前(図柄報知演出が実行される前)の高速変動中である場合には、図35(2)に示すように、中の演出図柄の図柄表示エリアにおいて、特定の図柄(本例では、図柄「7」)の前に表示領域に表示される星形図柄9Bの表示色が通常態様の白色で表示されている。
次いで、まず図35(3)に示すように左の演出図柄が図柄「7」で停止表示され、次に図35(4)に示すように右の演出図柄が図柄「7」で停止表示されて、リーチ状態が発生する。そして、リーチ状態となったことにもとづいて、中の演出図柄列の星形図柄9Bの表示色が赤色に変更され、図35(5)に示すように、中の演出図柄の図柄表示エリアにおいて、赤色の表示色の星形図柄9Bが出現した後に、図35(6)に示すように、特定の図柄(本例では、図柄「7」)が出現するような態様の演出が実行される(ステップS8106〜S8109参照)。
図35に示すような態様で図柄報知演出Aが実行されることによって、通常の表示色(本例では、白色)よりも遊技者が認識しやすい表示色(本例では、赤色)で星形図柄9Bが出現することによって、遊技者に特定の図柄(本例では、図柄「7」)の接近を認識させることができる。
まず、図36を参照して、図柄報知演出Bの演出態様の具体例を説明する。本例では、新たに変動パターンコマンドを受信したことにもとづいて、図36(1)に示すように、演出表示装置9において左中右の演出図柄の変動表示を開始したものとする。また、変動表示の開始時に、リーチを伴う変動パターンであることにもとづいて、図柄報知演出設定処理において図柄報知演出Bの実行を決定したものとする(ステップS8002参照)。この場合、リーチが発生する前(図柄報知演出が実行される前)の高速変動中である場合には、図36(2)に示すように、中の演出図柄の図柄表示エリアにおいて、特定の図柄(本例では、図柄「7」)の前に表示領域に表示される星形図柄9Bの表示色が通常のサイズで表示されている。
次いで、まず図36(3)に示すように左の演出図柄が図柄「7」で停止表示され、次に図36(4)に示すように右の演出図柄が図柄「7」で停止表示されて、リーチ状態が発生する。そして、リーチ状態となったことにもとづいて、中の演出図柄列の星形図柄9Bの表示サイズが縦方向に通常と比較して2倍に拡大され、図36(5)に示すように、中の演出図柄の図柄表示エリアにおいて、拡大された星形図柄9Bが出現した後に、図36(6)に示すように、特定の図柄(本例では、図柄「7」)が出現するような態様の演出が実行される(ステップS8106〜S8109参照)。
図36に示すような態様で図柄報知演出Bが実行されることによって、通常の表示サイズよりも遊技者が認識しやすい拡大された表示サイズで星形図柄9Bが出現することによって、遊技者に特定の図柄(本例では、図柄「7」)の接近を認識させることができる。
以上に説明したように、この実施の形態によれば、特定の識別情報(本例では、演出図柄の図柄「7」)を含む複数種類の識別情報が識別情報列に配列され、識別情報列に含まれる識別情報を表示領域に順次表示することによって、識別情報の可変表示を実行する。また、特定の識別情報が表示領域に接近したことを報知する(本例では、図柄報知演出を実行する)。この場合、識別情報列に含まれる識別情報のうち特定の識別情報の前に表示領域に表示される識別情報(本例では、星形図柄9B)の表示態様を変更する(本例では、星形図柄9Bの表示色を赤色に変更したり表示サイズを2倍に拡大したりする)ことによって、特定の識別情報の表示領域への接近を報知する。そのため、識別情報の表示態様を変更することにより特定の識別情報の表示領域への接近を報知することができ、演出効果を向上させつつ、特定の識別情報の表示領域への接近を報知することができる。
例えば、特許文献1や特許文献2に記載された遊技機では、単に可変表示速度を遅くしたりカウントアップ演出などを実行したりしているにすぎず、識別情報の表示態様を変更する演出の内容の変化が乏しいが、この実施の形態によれば、特定の識別情報の前に表示される識別情報の表示態様を変更(表示色を変更したり表示サイズを変更したり)するので、演出効果を高めることができる。また、特に、特許文献1や特許文献2に記載された遊技機では、大当り図柄が通過する際の可変表示速度を遅くするなど、いずれも大当りとなることを示唆する演出を実行するものであり、図柄列上の特定の識別情報の接近を遊技者に認識させるものではない。これに対して、この実施の形態では、特定の識別情報自体の表示態様を変更するのでははく、その前に表示される識別情報の表示態様を変更するので、特定の識別情報の接近を遊技者に事前に認識させることができる。従って、演出効果を向上させつつ、特定の識別情報の表示領域への接近を報知することができる。
また、この実施の形態によれば、識別情報列のうち少なくとも一部分には、該識別情報列の他の部分と連続性がない識別情報が配列されている。具体的には、図30に示すように、図柄「2」と図柄「3」との間に月形図柄9Aが割り込んで配置されていたり、図柄「6」と図柄「7」との間に星形図柄9Bが割り込んで配置されていたりすることによって、これらの部分に関しては不連続な配列となっている。そのため、識別情報列のどの部分に特定の識別情報が配置されているか遊技者が把握していない場合に、特に有効に特定の識別情報の表示領域への接近を報知することができる。
例えば、単に数字の図柄がその順番に従って「1」、「2」、「3」、・・・と配列されているだけの図柄列を用いて可変表示を実行する場合には、その連続性から可変表示の実行中に次に表示領域に表示される図柄を遊技者は予測可能(例えば、図柄「6」が登場すれば次に図柄「7」が出現することを遊技者は容易に予測できる)である。しかし、この実施の形態で示したように数字の図柄以外の文字や記号、図形の図柄が割り込んで連続性が崩れるように配置された図柄列を用いて可変表示を実行する場合には、例えば、図柄「6」が登場しても次に図柄「7」が出現するとはかぎらないのであるから、図柄列のどの部分に特定の識別情報が配置されているのか遊技者が把握するのが難しくなる。この実施の形態では、そのような状況において、特定の識別情報の前に表示される識別情報の表示態様を変更して特定の識別情報の接近を報知するように構成されているので、特に識別情報列のどの部分に特定の識別情報が配置されているか遊技者が把握していない場合に、特に有効に特定の識別情報の表示領域への接近を報知することができる。なお、このことは、数字の図柄以外に配置される文字や記号、図形の図柄が多くなるに従ってより連続性が崩れ、特定の識別情報が配置されている部分を認識しにくくなるのであるから、より有効にな報知を実現できるといえる。
なお、この実施の形態では、星形図柄9Bの表示態様を変更することにより特定の図柄として図柄「7」の接近を報知する場合を示したが、そのような態様にかぎらず、例えば、月形図柄9Aの表示態様を変更することにより特定の図柄として図柄「3」を接近も報知可能に構成してもよい。
また、この実施の形態では、通常態様では白色の表示色で通常の表示サイズで星形図柄9Bが表示され、図柄報知演出では星形図柄9Bの表示色が赤色に変更されたり表示サイズが2倍に拡大されたりする場合を示したが、通常時から星形図柄9Bや月形図柄9Aの表示色や表示サイズが他の図柄(本例では、数字の図柄)とは異なるように構成してもよい。
また、この実施の形態では、図30に示すように、数字図柄や星形図柄9B、月形図柄9Aとブランク図柄「○」とが交互に配置され、1ブランク図柄を介して図柄「7」の1つ前の星形図柄9Bの表示態様を変更する場合を示したが、特定の図柄(本例では、図柄「7」)の直前のブランク図柄の表示態様を変更することにより、図柄報知演出を実行するように構成してもよい。
また、この実施の形態において、「特定の識別情報の前に表示領域に表示される識別情報」が、1ブランク図柄を介して図柄「7」の1つ前の星形図柄9Bである場合を示したが、そのような態様にかぎられない。「特定の識別情報の前に表示領域に表示される識別情報」は、少なくとも特定の識別情報(本例では、図柄「7」)より前に表示される位置に配列されている図柄であって、その表示態様を変化させることにより特定の識別情報の接近を認識させることが可能な程度に特定の識別情報と比較的近い位置に配置されているものであればよい。例えば、特定の識別情報(本例では、図柄「7」)の接近を認識させることが可能な位置に配置されている図柄であれば、特定の識別情報の1つ前の図柄であってもよいし、2つ前の図柄であってもよいし、3つ前の図柄であっても構わない。
また、この実施の形態では、ノーマルリーチ中に図柄報知演出を実行して特定の図柄の接近を報知する場合を示したが、図柄報知演出の実行タイミングは、この実施の形態で示したものにかぎられない。例えば、リーチ発生前のタイミング(例えば、高速変動中)で図柄報知演出を実行可能に構成するとともに、左や右の演出図柄列の星形図柄9Bや月形図柄9Aについても表示態様を変更して図柄報知演出を実行可能としてもよい。また、例えば、スーパーリーチが実行される場合に、ノーマルリーチが成立した後のスーパーリーチに発展する前のタイミングで図柄報知演出を実行可能に構成するようにしてもよいし、スーパーリーチに発展した後に図柄報知演出を実行可能に構成してもよい。
なお、この実施の形態で示した図柄報知演出は、例えば、リーチ成立前の予告演出として実行するものであってもよい。また、例えば、遊技状態が確変状態中である場合や時短状態中である場合に継続的に図柄報知演出を実行してもよい。このように、少なくとも図柄停止時の表示態様と変動表示中の表示態様とが異なっているように図柄報知演出を実行するものであればよい。
また、この実施の形態によれば、特定の識別情報の前に表示領域に表示される識別情報を複数種類の表示態様のうちのいずれかの表示態様に変更することが可能である。具体的には、星形図柄9Bの表示色が赤色の表示色に変更される図柄報知演出Aと、星形図柄9Bの表示サイズが2倍に拡大される図柄報知演出Bとを実行可能である。そのため、識別情報の表示態様の変化の態様が複数存在するので、より演出効果を高めることができる。
また、この実施の形態によれば、特定遊技状態(本例では、大当り遊技状態)とすると決定されたか否かに応じて異なる選択割合で、特定の識別情報の前に表示領域に表示される識別情報を複数種類の表示態様のうちのいずれかの表示態様に変更する。具体的には、図32に示すように、図柄報知演出Aが実行される場合と比較して、図柄報知演出Bが実行される場合の方が大当りに対する期待度(信頼度)が高い。そのため、識別情報の表示態様の変化の態様によって遊技者に期待感を抱かせることができ、遊技に対する興趣を向上させることができる。
なお、この実施の形態では、識別情報の表示態様の変化の仕方として、図柄報知演出Aでは星形図柄9Bの表示色が赤色の表示色に変更され、図柄報知演出Bでは星形図柄9Bの表示サイズが縦方向に2倍に拡大される場合を示したが、このような態様にかぎられない。例えば、識別情報の表示色を赤色以外の表示色に変更してもよいし、横方向や全体に2倍に拡大したりしてもよい。また、表示領域に表示可能なサイズであれば、識別情報を2倍よりも大きいサイズに拡大してもよく、逆に通常よりも小さいサイズに縮小したりしてもよい。また、例えば、識別情報に特定の図形やキャラクタを付加して表示したりしてもよい。また、例えば、識別情報の形状や識別情報に付加されている図形などの形状を変化させることにより、表示態様を変化させるものであってもよい。ただし、少なくとも、特定の識別情報の接近を報知できるように、通常よりも目立つ態様で識別情報を変更するようにすることが望ましい。
また、この実施の形態では、演出表示装置9において画像表示により識別情報の可変表示を行う場合に表示態様を変化させる場合を示したが、ドラム式の表示器を用いて識別情報の可変表示を実行可能に構成した遊技機に適用して識別情報の表示態様を変化させるように構成してもよい。この場合、例えば、ドラム式の図柄列の手前の図柄についてバックライトの発光態様を変化させるようにしてもよいし、手前の図柄に補助図柄を同期回転させるように付すことによって表示態様を変化させるようにしてもよい。
また、この実施の形態では、図柄報知演出Aが実行される場合と図柄報知演出Bが実行される場合とで大当りに対する期待度(信頼度)が異なる場合を示したが、必ずしも図柄報知演出Aと図柄報知演出Bとで大当りに対する期待度(信頼度)を異ならせる必要はなく、大当りに対する期待度(信頼度)が同じになるように構成してもよい。そのように構成しても、少なくとも図柄報知演出が実行されれば、特定の識別情報(本例では、図柄「7」)の表示領域への接近を遊技者に認識させることができる。
なお、上記の実施の形態では、特定の識別情報の前に表示される識別情報の表示態様を変更することによって特定の識別情報の接近を報知する場合を示したが、他の方法で特定の識別情報の接近を報知可能に構成してもよい。例えば、演出表示装置9の表示画面において合算保留記憶表示部18cに表示される保留表示と類似の態様で丸形表示やランプが点灯するような絵柄の表示を行い、その点灯数を徐々に増加または減少させる態様の表示を行うことによって、特定の識別情報が表示領域に接近していることを認識できるように構成してもよい。また、例えば、演出表示装置9の表示画面においてインジケータの絵柄を表示し、そのインジケータのレベルを増加または減少させる態様の表示を行うことによって、特定の識別情報が表示領域に接近していることを認識できるように構成してもよい。
また、上記の実施の形態においては、変動時間およびリーチ演出の種類や擬似連の有無等の変動態様を示す変動パターンを演出制御用マイクロコンピュータ100に通知するために、変動を開始するときに1つの変動パターンコマンドを送信する例を示したが、2つ乃至それ以上のコマンドにより変動パターンを演出制御用マイクロコンピュータ100に通知するようにしてもよい。具体的には、2つのコマンドにより通知する場合、遊技制御用マイクロコンピュータ560は、1つ目のコマンドでは擬似連の有無、滑り演出の有無など、リーチとなる以前(リーチとならない場合には所謂第2停止の前)の変動時間や変動態様を示すコマンドを送信し、2つ目のコマンドではリーチの種類や再抽選演出の有無など、リーチとなった以降(リーチとならない場合には所謂第2停止の後)の変動時間や変動態様を示すコマンドを送信するようにしてもよい。この場合、演出制御用マイクロコンピュータ100は2つのコマンドの組合せから導かれる変動時間にもとづいて変動表示における演出制御を行うようにすればよい。なお、遊技制御用マイクロコンピュータ560の方では2つのコマンドのそれぞれにより変動時間を通知し、それぞれのタイミングで実行される具体的な変動態様については演出制御用マイクロコンピュータ100の方で選択を行うようにしてもよい。2つのコマンドを送る場合、同一のタイマ割込内で2つのコマンドを送信する様にしてもよく、1つ目のコマンドを送信した後、所定期間が経過してから(例えば次のタイマ割込において)2つ目のコマンドを送信するようにしてもよい。なお、それぞれのコマンドで示される変動態様はこの例に限定されるわけではなく、送信する順序についても適宜変更可能である。このように2つ乃至それ以上のコマンドにより変動パターンを通知するようにすることで、変動パターンコマンドとして記憶しておかなければならないデータ量を削減することができる。
また、上記の実施の形態において、「割合が異なる」とは、A:B=70%:30%やA:B=30%:70%のような関係で割合が異なるものだけにかぎらず、A:B=100%:0%のような関係で割合が異なるもの(すなわち、一方が100%の割り振りで他方が0%の割り振りとなるようなもの)も含む概念である。
また、上記の実施の形態では、演出装置を制御する回路が搭載された基板として、演出制御基板80、音声出力基板70およびランプドライバ基板35が設けられているが、演出装置を制御する回路を1つの基板に搭載してもよい。さらに、演出表示装置9等を制御する回路が搭載された第1の演出制御基板(表示制御基板)と、その他の演出装置(ランプ、LED、スピーカ27など)を制御する回路が搭載された第2の演出制御基板との2つの基板を設けるようにしてもよい。
また、上記の実施の形態では、遊技制御用マイクロコンピュータ560は、演出制御用マイクロコンピュータ100に対して直接コマンドを送信していたが、遊技制御用マイクロコンピュータ560が他の基板(例えば、図3に示す音声出力基板70やランプドライバ基板35など、または音声出力基板70に搭載されている回路による機能とランプドライバ基板35に搭載されている回路による機能とを備えた音/ランプ基板)に演出制御コマンドを送信し、他の基板を経由して演出制御基板80における演出制御用マイクロコンピュータ100に送信されるようにしてもよい。その場合、他の基板においてコマンドが単に通過するようにしてもよいし、音声出力基板70、ランプドライバ基板35、音/ランプ基板にマイクロコンピュータ等の制御手段を搭載し、制御手段がコマンドを受信したことに応じて音声制御やランプ制御に関わる制御を実行し、さらに、受信したコマンドを、そのまま、または例えば簡略化したコマンドに変更して、演出表示装置9を制御する演出制御用マイクロコンピュータ100に送信するようにしてもよい。その場合でも、演出制御用マイクロコンピュータ100は、上記の実施の形態における遊技制御用マイクロコンピュータ560から直接受信した演出制御コマンドに応じて表示制御を行うのと同様に、音声出力基板70、ランプドライバ基板35または音/ランプ基板から受信したコマンドに応じて表示制御を行うことができる。
また、上記の実施の形態では、遊技機としてパチンコ機を例にしたが、本発明を、メダルが投入されて所定の賭け数が設定され、遊技者による操作レバーの操作に応じて複数種類の図柄を回転させ、遊技者によるストップボタンの操作に応じて図柄を停止させたときに停止図柄の組合せが特定の図柄の組み合わせになると、所定数のメダルが遊技者に払い出されるスロット機に適用することも可能である。
また、上記の実施の形態では、遊技機として遊技媒体を使用するものを例にしたが本発明による遊技機は、所定数の景品としての遊技媒体を払い出す遊技機に限定されず、遊技球等の遊技媒体を封入し景品の付与条件が成立した場合に得点を付与する封入式の遊技機に適用することもできる。
また、上記の実施の形態では、大当り種別として確変大当りや通常大当りがあり、大当り種別として確変大当りと決定されたことにもとづいて、大当り遊技終了後に確変状態に制御される遊技機を示したが、そのような遊技機に限定されない。例えば、内部に所定の確変領域が設けられた特別可変入賞球装置(1つだけ設けられた特別可変入賞球装置内に確変領域が設けられていてもよいし、複数設けられた特別可変入賞球装置のうちの一部に確変領域が設けられていてもよい)を備え、大当り遊技中に特別可変入賞球装置内における確変領域を遊技球が通過したことにもとづいて確変が確定し、大当り遊技終了後に確変状態に制御される遊技機に上記の実施の形態で示した構成を適用することもできる。
本発明は、遊技者が所定の遊技を行うことが可能なパチンコ遊技機等の遊技機に好適に適用される。
1 パチンコ遊技機
8a 第1特別図柄表示器
8b 第2特別図柄表示器
9 演出表示装置
13 第1始動入賞口
14 第2始動入賞口
18c 合算保留記憶表示部
20 特別可変入賞球装置
31 遊技制御基板(主基板)
56 CPU
560 遊技制御用マイクロコンピュータ
80 演出制御基板
100 演出制御用マイクロコンピュータ
101 演出制御用CPU
109 VDP
120 プッシュボタン

Claims (1)

  1. 識別情報の可変表示を行い、予め定められた特定表示結果が導出表示されたときに遊技者にとって有利な有利状態に制御する遊技機であって、
    特定の識別情報を含む複数種類の識別情報が識別情報列に配列され、
    前記識別情報列のうち少なくとも一部分に、該識別情報列の識別情報と連続性がない特殊識別情報が配列されているとともに、該識別情報列に、前記特殊識別情報とは異なる該識別情報列の識別情報と連続性がない所定情報が配列され、
    前記特定の識別情報が停止して特定表示結果が導出表示されたことにもとづいて、前記有利状態の終了後に前記有利状態に制御されやすい特別状態に制御可能であり、
    前記識別情報列に含まれる識別情報を表示領域に順次表示することによって、識別情報の可変表示を実行する可変表示実行手段と、
    前記特定の識別情報が前記表示領域に接近したことを報知する報知手段とを備え、
    前記報知手段は、
    前記特殊識別情報の表示態様を変更することによって、前記特定の識別情報の前記表示領域への接近を報知し、
    前記特定の識別情報以外の識別情報が前記表示領域に接近したことは報知しない
    ことを特徴とする遊技機。
JP2014043490A 2014-03-06 2014-03-06 遊技機 Expired - Fee Related JP6437726B2 (ja)

Priority Applications (1)

Application Number Priority Date Filing Date Title
JP2014043490A JP6437726B2 (ja) 2014-03-06 2014-03-06 遊技機

Applications Claiming Priority (1)

Application Number Priority Date Filing Date Title
JP2014043490A JP6437726B2 (ja) 2014-03-06 2014-03-06 遊技機

Publications (2)

Publication Number Publication Date
JP2015167659A JP2015167659A (ja) 2015-09-28
JP6437726B2 true JP6437726B2 (ja) 2018-12-12

Family

ID=54200964

Family Applications (1)

Application Number Title Priority Date Filing Date
JP2014043490A Expired - Fee Related JP6437726B2 (ja) 2014-03-06 2014-03-06 遊技機

Country Status (1)

Country Link
JP (1) JP6437726B2 (ja)

Families Citing this family (2)

* Cited by examiner, † Cited by third party
Publication number Priority date Publication date Assignee Title
JP6997926B2 (ja) * 2019-01-31 2022-01-18 株式会社ソフイア 遊技機
JP6836804B2 (ja) * 2019-05-16 2021-03-03 株式会社ソフイア 遊技機

Family Cites Families (3)

* Cited by examiner, † Cited by third party
Publication number Priority date Publication date Assignee Title
JP2002200267A (ja) * 2000-12-27 2002-07-16 Daiichi Shokai Co Ltd 遊技機
JP5500588B2 (ja) * 2010-09-02 2014-05-21 サミー株式会社 弾球遊技機
JP5812490B2 (ja) * 2011-12-09 2015-11-11 ダイコク電機株式会社 パチンコ遊技機

Also Published As

Publication number Publication date
JP2015167659A (ja) 2015-09-28

Similar Documents

Publication Publication Date Title
JP6434329B2 (ja) 遊技機
JP5932677B2 (ja) 遊技機
JP2018191663A (ja) 遊技機
JP2017006362A (ja) 遊技機
JP2018139771A (ja) 遊技機
JP2016144489A (ja) 遊技機
JP5914390B2 (ja) 遊技機
JP5843798B2 (ja) 遊技機
JP6277480B2 (ja) 遊技機
JP2018191665A (ja) 遊技機
JP6437726B2 (ja) 遊技機
JP2018042904A (ja) 遊技機
JP2016144485A (ja) 遊技機
JP2016112125A (ja) 遊技機
JP5863634B2 (ja) 遊技機
JP2017205390A (ja) 遊技機
JP6581484B2 (ja) 遊技機
JP6581485B2 (ja) 遊技機
JP2018191664A (ja) 遊技機
JP2018139773A (ja) 遊技機
JP6151817B2 (ja) 遊技機
JP6432056B2 (ja) 遊技機
JP2017006364A (ja) 遊技機
JP6148322B2 (ja) 遊技機
JP6148321B2 (ja) 遊技機

Legal Events

Date Code Title Description
A621 Written request for application examination

Free format text: JAPANESE INTERMEDIATE CODE: A621

Effective date: 20170201

A131 Notification of reasons for refusal

Free format text: JAPANESE INTERMEDIATE CODE: A131

Effective date: 20171114

A977 Report on retrieval

Free format text: JAPANESE INTERMEDIATE CODE: A971007

Effective date: 20171117

A521 Request for written amendment filed

Free format text: JAPANESE INTERMEDIATE CODE: A523

Effective date: 20171218

A02 Decision of refusal

Free format text: JAPANESE INTERMEDIATE CODE: A02

Effective date: 20180529

A521 Request for written amendment filed

Free format text: JAPANESE INTERMEDIATE CODE: A523

Effective date: 20180627

A911 Transfer to examiner for re-examination before appeal (zenchi)

Free format text: JAPANESE INTERMEDIATE CODE: A911

Effective date: 20180629

A131 Notification of reasons for refusal

Free format text: JAPANESE INTERMEDIATE CODE: A131

Effective date: 20180821

A521 Request for written amendment filed

Free format text: JAPANESE INTERMEDIATE CODE: A523

Effective date: 20181011

TRDD Decision of grant or rejection written
A01 Written decision to grant a patent or to grant a registration (utility model)

Free format text: JAPANESE INTERMEDIATE CODE: A01

Effective date: 20181106

A61 First payment of annual fees (during grant procedure)

Free format text: JAPANESE INTERMEDIATE CODE: A61

Effective date: 20181115

R150 Certificate of patent or registration of utility model

Ref document number: 6437726

Country of ref document: JP

Free format text: JAPANESE INTERMEDIATE CODE: R150

R250 Receipt of annual fees

Free format text: JAPANESE INTERMEDIATE CODE: R250

LAPS Cancellation because of no payment of annual fees