JP5834818B2 - マイクロホンユニット、及び、それを備えた音声入力装置 - Google Patents

マイクロホンユニット、及び、それを備えた音声入力装置 Download PDF

Info

Publication number
JP5834818B2
JP5834818B2 JP2011255690A JP2011255690A JP5834818B2 JP 5834818 B2 JP5834818 B2 JP 5834818B2 JP 2011255690 A JP2011255690 A JP 2011255690A JP 2011255690 A JP2011255690 A JP 2011255690A JP 5834818 B2 JP5834818 B2 JP 5834818B2
Authority
JP
Japan
Prior art keywords
unit
diaphragm
sound
microphone
signal
Prior art date
Legal status (The legal status is an assumption and is not a legal conclusion. Google has not performed a legal analysis and makes no representation as to the accuracy of the status listed.)
Active
Application number
JP2011255690A
Other languages
English (en)
Other versions
JP2013031146A (ja
Inventor
堀邊 隆介
隆介 堀邊
朋広 谷口
朋広 谷口
史記 田中
史記 田中
岳司 猪田
岳司 猪田
Current Assignee (The listed assignees may be inaccurate. Google has not performed a legal analysis and makes no representation or warranty as to the accuracy of the list.)
Funai Electric Co Ltd
Original Assignee
Funai Electric Co Ltd
Priority date (The priority date is an assumption and is not a legal conclusion. Google has not performed a legal analysis and makes no representation as to the accuracy of the date listed.)
Filing date
Publication date
Application filed by Funai Electric Co Ltd filed Critical Funai Electric Co Ltd
Priority to JP2011255690A priority Critical patent/JP5834818B2/ja
Publication of JP2013031146A publication Critical patent/JP2013031146A/ja
Application granted granted Critical
Publication of JP5834818B2 publication Critical patent/JP5834818B2/ja
Active legal-status Critical Current
Anticipated expiration legal-status Critical

Links

Images

Landscapes

  • Details Of Audible-Bandwidth Transducers (AREA)
  • Obtaining Desirable Characteristics In Audible-Bandwidth Transducers (AREA)
  • Electrostatic, Electromagnetic, Magneto- Strictive, And Variable-Resistance Transducers (AREA)
  • Circuit For Audible Band Transducer (AREA)

Description

本発明は、入力音を電気信号に変換して出力する機能を備えたマイクロホンユニットに関する。また、本発明は、そのようなマイクロホンユニットを備える音声入力装置に関する。
電話などによる通話や、音声認識、音声録音などに際しては、目的の音声(話者の声)のみを集音することが好ましい。しかし、音声入力装置の使用環境では、背景雑音など目的の音声以外の音が存在することがある。そのため、雑音が存在する環境で使用される場合においても目的の音声を正確に抽出することを可能にする、すなわち雑音を除去する機能を有する音声入力装置の開発が進んでいる。
また、近年は、携帯端末、スマートホンなどの携帯機器の高機能化はめざましく、通常の音声通話のみでなく、ハンズフリー通話、テレビ電話、音声認識などの機能が積極的に搭載され始めており、こうした機能を持った機器を小型、薄型に実現する技術が重要になっている。
全方位の音を均一に集音するマイクロホンとして、円形型の指向性パターンを持つ無指向性マイクロホンが知られている。また、特定方位の音を集音するマイクロホンとして、カーディオイド型の指向性パターンを持つ単一指向性マイクロホンが知られている。また、遠方音を抑圧して近接音のみを集音するマイクロホンとして、8の字型の指向性パターンを持つ両指向性マイクロホンが知られている。これらのマイクロホンは、使用の目的や用途に応じて使い分けがされる。
無指向性マイクロホンは1つの音孔を持ち、音孔から入力された音圧はマイクロホンの振動板の表面に伝達され、振動板の裏面には基準圧を与える閉空間が形成されるように構成される。
両指向性マイクロホンは、2つの音孔を持ち、一方の音孔から入力された音圧は振動板の表面に伝達され、他方の音孔から入力された音圧は振動板の裏面に伝達されることにより、2つの音孔から入力される音圧の差圧を検出するように構成される(例えば特許文献1参照)。
また、単一指向性マイクロホンは、2つの音孔を持ち、一方の音孔から入力された音圧は振動板の表面に伝達され、他方の音孔から入力された音圧は音響的な遅延を与える遅延部材を通して振動板の裏面に伝達されることにより、2つの音孔から入力される音圧の差圧を検出するように構成される(例えば特許文献2参照)。
単一指向性のマイクロホンユニット101の一例を図33に示す。基板部102には基板の表面から裏面に貫通する基板開口部106が形成されており、基板開口部106を塞ぐように振動板103が搭載されている。
また、基板部102の上には振動板103を覆うように蓋部104が搭載されており、蓋部104の外縁部は基板部102の外縁部と気密的に接合されて、振動板103を含む内部空間を形成している。蓋部104には音孔107が設けられており、外部から入力された音圧は音孔107から内部空間を介して振動板103の表面に伝達される。
また、基板開口部106の裏側を塞ぐように音響遅延部材105が配置されており、外部から入力された音圧は、音響遅延部材105を通り、基板開口部106を介して振動板103の裏面に伝達されることで、単一指向性マイクロホンを構成する。音響遅延部材105としては、フェルト材などが多く用いられる。音響遅延部材105は、基板開口部106の裏側に配置する以外に、図34に示すように、蓋部104の音孔107を塞ぐように配置することもできる。
また、単一指向性マイクロホンの他の構成方法として、図35に示すように、2つの無指向性マイクロホンを基板部102の上面と下面の両面に実装し、2つのマイクロホンの音孔(第1の音孔113、第2の音孔114)が上下に反対方向を向くように配置して、それぞれのマイクロホンの出力信号を演算する構成がある(例えば特許文献2参照)。
特開2003−508998号公報 特開2008−92183号公報 特開2008−510427号公報
近年の携帯端末等の携帯機器の薄型化要求は非常に厳しく、この要求に追従するようにメムス(MEMS:Micro Electro Mechanical Systems)を用いた無指向性マイクロホンの薄型化は進展しており、1mm以下の厚みのマイクロホンが実用化されている。
一方、図33や図34に示すような単一指向性のマイクロホンでは、単一指向性のマイクロホンの厚みは、基板部102と蓋部104の厚みに加えて音響遅延部材の厚みが必要となり、その厚みが加算されるため、薄型化が困難であるという課題があった。
また、図35に示すように2つの無指向性マイクロホンを実装基板の上面と下面に実装し、それぞれのマイクロホンの出力信号を演算することで、単一指向性マイクロホンを構成する方法があるが、マイクロホンの厚みが約2倍になるため、薄型化が困難であるという課題があった。
本発明は、以上のような事情に鑑みてなされたものであり、薄型な単一指向性(単一指向性に近い指向性を含む)マイクロホンユニット及びそれを備えた音声入力装置を提供することを目的とする。
(1)本発明の一の態様に係るマイクロホンユニットは、
第1の振動板の振動に基づいて音信号を電気信号に変換する第1の振動部と、
第2の振動板の振動に基づいて音信号を電気信号に変換する第2の振動部と、
前記第1の振動部及び前記第2の振動部を収容すると共に、第1の音孔と第2の音孔とが設けられる筐体と、を備え、
前記筐体には、
前記第1の音孔から入力される音圧を前記第1の振動板の一方の面に伝達すると共に、前記第2の振動板の一方の面に伝達する第1の音道と、
前記第2の音孔から入力される音圧を前記第1の振動板の他方の面に伝達する第2の音道と、が設けられ、
前記第2の振動板の他方の面が前記筐体の一の面に臨んでいるマイクロホンユニットであって、
前記第1の振動部より出力される第1の電気信号と、前記第2の振動部より出力される第2の電気信号との差を求める第1の演算部を有することを特徴とする。
振動板は、いわゆるメムス(MEMS:Micro Electro Mechanical Systems)として構成されてもよい。また、振動板については無機圧電薄膜、あるいは有機圧電薄膜を使用して、圧電効果により音響−電気変換するようなものであってもよいし、エレクトレット膜を使用しても構わない。また、基板部については、絶縁成形基材、焼成セラミックス、ガラスエポキシ、プラスチック等の材料により構成されるものであってよい。
本発明によれば、第1の振動板と第2の振動板には、共通音孔である第1の音孔から入力される音が双方の振動板に同圧力で伝達されるため、第1の振動板から出力される電気信号と第2の振動板から出力される電気信号の演算を行うことにより、第1の振動板の一方の面に伝達される信号を完全に打ち消して、第1の振動板の他方の面に伝達される信号を分離して抽出することができる。
ここで、第1の振動板と第2の振動板への入力音孔を共通にしている点が非常に重要であり、空間的なずれによる誤差が発生しないため、第1の振動板の一方の面に伝達される信号を完全に打ち消すことができる。
一方、第1の振動板と第2の振動板への入力音孔を独立に設けた場合は、隣接配置したとしても空間的な位置ずれによる、信号誤差が発生するため、第1の振動板の一方の面に伝達される信号を完全に打ち消すことはできない。
これにより、基板部の一方の面他方の面に2つのマイクロホンを配置したマイクロホンユニットと等価な処理が実現できる。また、音響遅延部材を配置する必要がないため、無指向性マイクロホンと同等の厚みで単一指向性のマイクロホンの特性を実現可能になる。したがって、薄型の携帯機器にマイクロホンの厚みを増加させることなく搭載が可能であり、さらに単一指向性の指向性パターンを実現することができる。
また、本発明によれば、マイクロホンユニットの基板部の基板面に対して鉛直な方向に単一指向性の感度が最も高くなる方位が(ビーム方位)が向くため、携帯機器に搭載されたときに、話者方向にビーム方位を向けやすいという利点がある。
)上記()のマイクロホンユニットにおいて、
前記第1の演算部の出力に所定の遅延を与えた遅延信号を出力する遅延部と、前記第2の電気信号と前記遅延信号とを加算する第2の演算部とを有してもよい。
)上記()のマイクロホンユニットにおいて、
前記第2の電気信号に所定の遅延を与えた遅延信号を出力する遅延部と、前記第1の演算部の出力と前記遅延信号とを加算する第2の演算部とを有してもよい。
本発明によれば、音響遅延部材を必要としない無指向性のマイクロホンおよび両指向性のマイクロホン出力を演算処理することで単一指向性のマイクロホンを実現することができる。音響遅延部材を配置することなく、無指向性マイクロホンと同等の厚みで単一指向性のマイクロホンが実現できるため、薄型の携帯機器において、単一指向性の指向性パターンを導入することが可能になる。
)上記()のマイクロホンユニットにおいて、
前記第1の演算部の出力に所定の遅延及び所定のゲイン(増幅率)を与えて出力する遅延・ゲイン部と、前記第2の電気信号と前記遅延・ゲイン部の出力とを加算する第2の演算部とを有してもよい。なお、遅延・ゲイン部の構成としては、例えば、遅延部とゲイン部とを含み、前記ゲイン部が前記遅延部の後段に設けられる構成や、遅延部とゲイン部とを含み、前記ゲイン部が前記遅延部の前段に設けられる構成などが考えられる。
)上記()のマイクロホンユニットにおいて、
前記第2の電気信号に所定の遅延及び所定のゲインを与えて出力する遅延・ゲイン部と、前記第1の演算部の出力と前記遅延・ゲイン部の出力とを加算する第2の演算部とを有してもよい。
本発明によれば、音響遅延部材を必要としない無指向性のマイクロホンおよび両指向性のマイクロホン出力を演算処理することで単一指向性のマイクロホンを実現することができる。
また、遅延・ゲイン部のゲイン、遅延量を調整することにより、単一指向性の指向性だけでなく、ハイパーカーディオイド型、スーパーカーディオイド型などの指向性パターンにすることが可能である。
音響遅延部材を配置することなく、無指向性マイクロホンと同等の厚みで単一指向性のマイクロホンが実現できるため、薄型の携帯機器においても、単一指向性の指向性パターンを実現することが可能になる。
)上記()〜()のマイクロホンユニットにおいて、
前記第1の電気信号と、前記第2の電気信号と、前記第2の演算部の出力のいずれかを選択して出力するものであってよい。
本発明によれば、使用状況に応じて、無指向性、両指向性、単一指向性の指向性パターンを切り替えることができる。
)上記()〜()のマイクロホンユニットにおいて、
前記第1の電気信号及び前記第2の電気信号を所定周波数でサンプリングしてデジタル信号に変換するアナログ−デジタル変換器を有し、前記所定の遅延は、前記アナログ−デジタル変換器のサンプリング時間の整数倍の遅延であってよい。
本発明によれば、前記第1の振動板より出力される第1の電気信号及び前記第2の振動板より出力される第2の電気信号を所定周波数でサンプリングしてデジタル信号に変換することにより、後の加算及び減算処理、遅延処理を精度よく行うことが可能である。
特に、遅延処理については、全ての周波数について一定時間の遅延を与える必要があり、アナログ信号処理で行うことは困難である。一方、デジタル信号処理で行う場合、例えば、シフトレジスタを用いたクロック単位でのシフト遅延により遅延処理を行うことができるため、高精度な遅延処理が実現できる。
前記遅延部の遅延時間は、例えば、前記第1の音孔と前記第2の音孔との間の距離を音速で除算した時間に設定してよい。この場合には、カーディオイド型の単一指向性の指向性パターンを得ることができる。
)上記()〜()のマイクロホンユニットにおいて、
前記第1の電気信号を入力として低域濾波処理(ローパスフィルタ処理)を行う第1のフィルター部、又は前記第2の演算部の出力を入力として低域濾波処理を行う第2のフィルター部のうちの少なくともいずれか一方を有するものであってよい。
本発明によれば、高域強調型の周波数特性を持つ前記第1の電気信号及び前記第2の演算部の出力に対して低域濾波処理をすることで、音声帯域において平坦な周波数特性を得ることができる。
(9)本発明の他の態様に係るマイクロホンユニットは、
第1の振動板の振動に基づいて音信号を電気信号に変換する第1の振動部と、
第2の振動板の振動に基づいて音信号を電気信号に変換する第2の振動部と、
前記第1の振動部及び前記第2の振動部を収容すると共に、第1の音孔と第2の音孔とが設けられる筐体と、を備え、
前記筐体には、
前記第1の音孔から入力される音圧を前記第1の振動板の一方の面に伝達すると共に、前記第2の振動板の一方の面に伝達する第1の音道と、
前記第2の音孔から入力される音圧を前記第1の振動板の他方の面に伝達する第2の音道と、が設けられ、
前記第2の振動板の他方の面が前記筐体の一の面に臨んでいるマイクロホンユニットであって、
前記第1の振動部より出力される第1の電気信号及び前記第2の振動部より出力される第2の電気信号の一方に所定のゲインを与えて出力するゲイン部と、
前記第1の電気信号及び前記第2の電気信号の他方と前記ゲイン部の出力とを加算する演算部と、を有することを特徴とする。
(10)本発明の更に他の態様に係るマイクロホンユニットは、
第1の振動板の振動に基づいて音信号を電気信号に変換する第1の振動部と、
第2の振動板の振動に基づいて音信号を電気信号に変換する第2の振動部と、
前記第1の振動部及び前記第2の振動部を収容すると共に、第1の音孔と第2の音孔とが設けられる筐体と、を備え、
前記筐体には、
前記第1の音孔から入力される音圧を前記第1の振動板の一方の面に伝達すると共に、前記第2の振動板の一方の面に伝達する第1の音道と、
前記第2の音孔から入力される音圧を前記第1の振動板の他方の面に伝達する第2の音道と、が設けられ、
前記第2の振動板の他方の面が前記筐体の一の面に臨んでいるマイクロホンユニットであって、
前記第1の振動部より出力される第1の電気信号に所定のゲインを与えて出力する第1のゲイン部と、
前記第2の振動部より出力される第2の電気信号に所定のゲインを与えて出力する第2のゲイン部と、
前記第1のゲイン部の出力と前記第2のゲイン部の出力とを加算する演算部と、を有することを特徴とする。
(1)上記(又は(1)のマイクロホンユニットにおいて、
前記第1の電気信号と、前記第2の電気信号と、前記演算部の出力のいずれかを選択して出力するものであってよい。
本発明によれば、用途に応じて、無指向性、両指向性、単一指向性の指向性パターンを容易に切り替えて使用することができる。
(1)本発明に係る音声入力装置は、上記(1)〜(1)のマイクロホンユニットを搭載するものであって構わない。本発明によれば、音声入力装置のマイクロホンユニットの指向性のヌルを抑制し、かつ背景雑音抑圧性能とSNRを両立する薄型の音声入力装置が実現できる。
以上のように、本発明によれば、薄型な単一指向性マイクロホンユニットを提供できる。また、本発明によれば、そのようなマイクロホンユニットを備えた高品質の音声入力装置を提供できる。
第1実施形態に係るマイクロホンユニットの構成図。 第1実施形態に係るマイクロホンユニットの構成図。 第1変形例に係るマイクロホンユニットの構成図。 第1変形例に係るマイクロホンユニットの基板部の層構成図。 第2変形例に係るマイクロホンユニットの基板部の層構成図。 第1実施形態に係るマイクロホンユニットの構成図。 信号処理部の第1構成例に係る演算処理を示す図。 信号処理部の第1構成例に係る演算処理の変形例を示す図。 第1実施形態に係るマイクロホンユニットの指向特性パターンを示す図。 第1実施形態に係るマイクロホンユニットの距離減衰特性を示す図。 ゲイン部を含む信号処理部の演算処理を示す図。 ゲイン部を含む信号処理部の演算処理の変形例を示す図。 AD変換部を含む信号処理部の演算処理を示す図。 AD変換部を含む信号処理部の演算処理の変形例を示す図。 信号S1の周波数補正を説明する図。 信号S2の周波数補正を説明する図。 周波数補正フィルタを含む信号処理部の第1実施例に係る演算処理を示す図。 周波数補正フィルタを含む信号処理部の第1実施例に係る演算処理の変形例を示す図。 信号処理部の第2構成例に係る演算処理を示す図。 信号処理部の第2構成例に係る演算処理の変形例を示す図。 第1実施形態に係るマイクロホンユニットの指向特性パターンを示す図。 第1実施形態に係るマイクロホンユニットの距離減衰特性を示す図。 第1実施形態に係るマイクロホンユニットの製品筐体への実装図。 第1実施形態に係るマイクロホンユニットの製品筐体への実装図。 第1実施形態に係るマイクロホンユニットの製品筐体への実装図。 第2実施形態に係るマイクロホンユニットの構成図。 第2実施形態に係るマイクロホンユニットの携帯機器への搭載図。 第2実施形態に係るマイクロホンユニットの指向特性パターンを示す図。 第2実施形態に係るマイクロホンユニットの指向特性パターンを示す図。 第3実施形態に係るマイクロホンユニットの構成図。 第3実施形態に係るマイクロホンユニットの指向特性パターンを示す図。 第3実施形態に係るマイクロホンユニットの構成図。 信号処理部の第3構成例に係る演算処理を示す図。 第3実施形態に係るマイクロホンユニットの指向特性パターンの制御を説明する図。 第3実施形態に係るマイクロホンユニットの携帯機器への搭載図。 信号処理部の第2構成例及び第3構成例に係る演算処理を示す図。 コンデンサ型マイクロホンの構成図。 従来例のマイクロホンの構成図。 従来例のマイクロホンの構成図。 従来例のマイクロホンの構成図。
以下、本発明を適用した実施の形態について図面を参照して説明する。ただし、本発明は以下の実施の形態に限定されるものではない。また、本発明は、以下の内容を自由に組み合わせたものを含むものとする。
<第1実施形態>
図1(A)は第1実施形態に係るマイクロホンユニット1の平面図、図1(B)は第1実施形態に係るマイクロホンユニット1の断面図を模式的に表した図である。
第1実施形態に係るマイクロホンユニット1は、基板部2と、入力音圧を電気信号に変換する第1の振動板3と、入力音圧を電気信号に変換する第2の振動板4とを含む。
基板部2の上面には第1の開口部6が形成されており、基板部2の下面には第2の開口部基板部7が形成されており、第1の開口部6と第2の開口部7との間は基板内部の音道により連通している。
第1の振動板3は、第1の開口部6を密閉して覆い隠すように基板部2の上面に配置して搭載されている。また、第2の振動板4は、基板部2の上面の第1の開口部6から外れた一部の領域を密閉するように配置して搭載されている。
第1の振動板3及び第2の振動板4を基板部2に搭載するにあたっては、音響特性に影響を及ぼす空気のリークが発生しないように第1の振動板3及び第2の振動板4を支持する各支持部と基板部2とを気密的に接着する必要がある。そして、第1の振動板3及び第2の振動板4が基板部2から機械的な応力を受けて振動板の張力変動が発生しないように、応力吸収効果を有する接着剤を使用することが好ましい。そのような接着剤としては、エポキシ系の接着剤やシリコーン系の接着剤等が用いられる。
本実施形態においてマイクロホンユニット1は、第1の振動板3と第2の振動板4とを覆う蓋部5を含み、蓋部5は基板部2の外縁部と気密的に接合されて内部空間を形成する。蓋部5には、第3の開口部9が形成されており、内部空間は第3の開口部9を介して外部空間に連通している。
ここで、第1の振動板3の上面には第3の開口部9から入力される音圧P1がかかり、第1の振動板3の下面には第2の開口部7から入力される音圧P2がかかるため、第1の振動板3からは差圧(P1−P2)に応じた電気信号が出力される。すなわち、第1の振動板3は8の字型の指向性パターンを持つ両指向性マイクロホンとして機能する。
また、第2の振動板4の上面には第3の開口部9から入力される音圧P1がかかり、第2の振動板4の下面は閉じられた空間となっており一定の基準圧力がかかっているため、第2の振動板4からはP1に応じた電気信号が出力される。すなわち、第2の振動板4は円形型の指向性パターンを持つ無指向性マイクロホンとして機能する。
本実施形態においてマイクロホンユニット1は、上記内部空間内に第1の振動板3の出力信号と第2の振動板4の出力信号とを演算する信号処理部10を含む。信号処理部10は、例えば、IC(Integrated Circuit)を含む半導体チップで構成される。
第1の振動板3及び第2の振動板4と、信号処理部10との電気的な接続は、例えば、第1の振動板3と第2の振動板4と信号処理部10との各上面に電極端子を設けて、電極端子間を互いにワイヤーボンディングすることにより接続される。
あるいは、第1の振動板3と第2の振動板4と信号処理部10との各下面に電極端子を設け、これらの電極端子に対向して形成した基板部2上面の配線パターン上にフリップチップ実装して電気接続することも可能である。
信号処理部10にて演算された信号は、信号処理部10から基板部2の上面の配線パターンに伝達され、基板部2の内部配線を介して、基板部2の下面の電極部(図示せず)に到達する。なお、信号処理部10から基板部2の上面の配線パターンへの信号の引き出しは、上記の通り例えばワイヤーボンディング又はフリップチップ実装により接続することにより行うことができる。
基板部2としては、基板表面に配線パターンの形成が可能なプリント基板材料を使用することが好ましい。例えば、ガラスエポキシ基板、セラミックス基板、ポリイミドフィルム基板などの基板を使用することができる。
また、マイクロホンユニット1が外部電磁波によるノイズの影響を受けないようにするため、蓋部5は導電性の金属材料で構成し、基板部2のグランド等の固定電位に接続することが好ましい。あるいは、図2に示すように基板部2を非導電性材料の構造体を含む蓋部5で覆い、さらに蓋部5を覆うように金属製のシールドカバー8を搭載しても構わない。
金属製のシールドカバー8で蓋部5を覆う場合には、図2に示すように、シールドカバー8を固定電位に接続するため、シールドカバー8の端部を基板部2の底面でかしめ、このかしめ部分に電極としての機能を持たせてもよい。マイクロホンユニット1を実装基板(図2において図示せず)上に実装時に、かしめ部分を実装基板のグランドに半田接合することにより、電磁シールドとしての効果を高めることができる。
〔第1変形例〕
両指向性マイクロホンの距離減衰率が最大、すなわち遠方雑音の抑圧効果が最大になるようにするためには、8の字型の指向性パターンの対称性が良好になるように設計する必要がある。
そのためには、マイクロホンユニット1の第2の開口部7から第1の振動板の下面までの音の伝播距離d1と、第3の開口部9から第1の振動板3の上面までの音の伝播距離d2が等しくなるように構成することが好ましい。
図1または図2においては、第1の振動板3の直下に第2の開口部7があるため、伝播距離d1と伝播距離d2の差を小さくするためには、第3の開口部9が第1の振動板3の真上近傍に来ざるを得なかった。
ところが、第3の開口部9の下に第1の振動板3がある場合、第3の開口部9から外部の塵や埃が侵入して第1の振動板3の上に付着する可能性が高く、マイクロホンの感度が低下したり、動作不良の原因となるおそれがある。したがって、第3の開口部9は極力第1の振動板3の上方から外れるように配置することが望ましい。
例えば、図3の断面図を示すマイクロホンユニット1のように、第3の開口部9が第1の振動板3及び第2の振動板4の上方に来ないように配置し、第3の開口部9から外部の塵や埃が侵入しても第1の振動板3および第2の振動板4の上に付着しないようにする。
しかし、図3に示すように、第3の開口部9を第1の振動板3の上方からオフセットして形成した場合、第3の開口部9から第1の振動板3の上面までの伝播距離d2が長くなるため、伝播距離d1とd2を等しくするためには、第2の開口部7から第1の振動板の下面までの音の伝播距離d1を長くする必要がある。
例えば、図3に示すように、基板部2の上面に形成された第1の開口部6に対して基板部2の下面に形成された第2の開口部7を基板面に対して平行な方向にオフセットさせて配置し、基板部2の内層に基板面に対して平行な方向に延在する中空層11を形成し、第1の開口部6から中空層11を介して第2の開口部7に連通するようにすることで、伝播距離d1とd2が等しくなるようにする。
基板部2の中空層11の形成は、例えば、図4に示すように、第1基板層の表面から裏面に貫通する第1基板層開口部11Cが形成されている第1基板層2C、第2基板層の表面から裏面に貫通する第2基板層開口部11Bが形成されている第2基板層2B、第3基板層の表面から裏面に貫通する第3基板層開口部11Aが形成されている第3基板層2Aを下から順に積層して接着することにより、図3のような中空層11を有する基板部2を形成することができる。
それぞれの基板の厚みについては、基板部2の強度や、中空層11の音響インピーダンス等を考慮して決める必要がある。中空層11の厚みは、音響的な伝播特性の劣化を防ぐため、0.1mm以上の厚みが必要である。
このように構成することにより、8の字型の指向性パターンの対称性が良好となり、遠方雑音の抑圧効果を最大限に発揮することができる。
〔第2変形例〕
第1変形例において、基板部2に中空層11を形成する構成を示したが、図4のように3枚の基板を重ねる必要があるため、全体の厚みが増してしまう。そこで、例えば、図5に示すように、基板部2は、第2基板層2Bと第3基板層2Aを下から積層して接着して構成し、基板部2を実装基板12に実装したときに、基板部2と実装基板12との内部に中間層11が形成されるような構成としてもよい。このように構成することにより、基板部2の基板構成枚数を減らすことができるため、薄型化することが可能である。
なお、本実施形態又はその変形例において、信号処理部10を1個のチップで構成する例を示したが、複数個のチップで構成するものであっても構わない。例えば、図6に示すように、第1の振動板3から出力される電気信号を増幅する第1のアンプ部13と、第2の振動板4から出力される電気信号を増幅する第2のアンプ部14とを分離して構成してもよい。
このように構成することにより、第1の振動板3から出力される電気信号と、第2の振動板4から出力される電気信号との間のクロストークを低減することができる。
さらに、信号処理部10の処理の一部又は全部をマイクロホンユニット1の外部で処理しても構わない。また、信号処理部10の処理の一部又は全部をソフトウェア処理により行うことも可能である。この場合、マイクロホンユニット1と外部の処理部との全体で音声信号処理システムとして機能することになる。
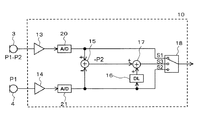
[信号処理部の第1構成例]
図7Aは、信号処理部10の第1構成例を、第1の振動板3及び第2の振動板4との接続関係を含めて示した図である。
信号処理部10は、第1の振動板3より出力される第1の電気信号S1から第2の振動板4より出力される第2の電気信号S2を減算した差信号を出力する第1の加算部15と、差信号に所定の遅延を与えた遅延信号を出力する遅延部16と、第2の電気信号S2と遅延信号とを加算した加算信号を出力する第2の加算部17とを含む。
ここで、図7Aに示すように、第1の振動板3より出力される第1の電気信号S1を第1のアンプ部13で増幅し、第2の振動板4より出力される第2の電気信号S2を第2のアンプ部14で増幅してから第1のアンプ部13から出力される増幅信号を第1の電気信号S1とみなし、第2のアンプ部14から出力される増幅信号を第2の電気信号S2とみなして演算処理しても構わない。第1の振動板3および第2の振動板4から出力される信号の出力インピーダンスが高い場合、電流増幅してから処理することが好ましい。なお、図7Aに示すように、第1の電気信号S1と第2の電気信号S2を分離して増幅することにより、第1の電気信号S1と第2の電気信号S2との間のクロストークを低減することができる。
第1の加算部15にて、第1の振動板3より出力される第1の電気信号S1=(P1−P2)から、第2の振動板4より出力される第2の電気信号S2=(P1)を減算することにより、(−P2)に相当する差信号が得られる。遅延部16にて、(−P2)に相当する信号を所定時間遅延させた遅延信号(−P2・D)を生成する。第2の加算部17にて、第2の電気信号S2=(P1)と遅延信号(−P2・D)とを加算して、加算信号S3=(P1−P2・D)を出力する。
遅延部16の遅延時間は、例えば、第2の開口部7と第3の開口部9との間の距離を音速で除算した時間に設定してよい。この場合には、カーディオイド型の単一指向性の指向性パターンを得ることができる。
第1の振動板3より出力される第1の電気信号S1と、第2の振動板4より出力される第2の電気信号S2と、加算信号S3のそれぞれは、音源方位により、図8に示すように、S1は両指向性マイクロホンの指向性パターン、S2は無指向性マイクロホンの指向性パターン、S3は単一指向性マイクロホンの指向性パターンとなる。想定話者方向に対する感度が最も高いのはS2であり、最も低いのはS1である。S3はS1とS2の間の感度となる。
図9に、信号S1,S2,S3それぞれの、音源・マイクロホン間距離に対する減衰特性の一例を示す。S2は距離に反比例して減衰する特性を示す。距離減衰特性が最も優れるのはS1であり、S3はS1とS2の中間の特性となっている。
これらの特性の違いを利用し、用途や使用状況に応じて、無指向性、両指向性、単一指向性の指向性パターンを切り替えて使用することができる。携帯端末において、(1)近距離位置(5cm程度)での接話時、(2)遠距離位置(50cm程度)でのハンズフリー時、(3)中距離位置(30cm程度)での音声認識時などの使用状況に応じて、最適な指向性パターンに変化させることができる。
例えば、(i)接話時には信号S1を選択し、両指向性の指向性パターンにして近接話者の音声を集音して遠方雑音を抑制し、(ii)ハンズフリー時には信号S2を選択し、無指向性の指向性パターンにして全方位の音声を集音し、(iii)携帯端末の画面を見ながら音声認識させる場合には信号S3を選択し、単一指向性の指向性パターンにしてビーム方位の感度を確保しつつ不要方位の雑音を抑制するといった使用方法が可能である。
一般に、無指向性マイクロホンと両指向性マイクロホンとを比較したとき、無指向性マイクロホンの方がSNRは高い。マイクロホンのノイズレベルは、検出アンプの回路ノイズで決まり、無指向性マイクロホンと両指向性マイクロホンとでほぼ同等レベルとなるのに対して、マイクロホンの信号レベルに関しては、無指向性マイクロホンの場合、音孔から入力される音圧P1を検出して電気信号に変換するが、両指向性マイクロホンの場合、近傍する音孔から入力される音圧P1と音圧P2の差圧を検出して電気信号に変換するため、無指向性マイクロホンに比べて両指向性マイクロホンの方が信号振幅(信号レベル)は低くなるからである。
また、マイクロホン使用時のSNRを考えた場合、音源・マイクロホン間が近距離よりも遠距離の方が入力音圧が低下するため、信号振幅が低下し、SNRが低下して不利な状況になる。したがって、遠距離の音源を捉える場合、できるだけ感度の良いマイクロホンを使用することが望ましく、この観点で無指向性マイクロホンが優れている。
しかし、背景雑音がある環境で使用する場合、無指向性マイクロホンは全方位の音を捉えてしまうため、本来集音すべき話者の音声以外の背景雑音も含めて集音してしまう。一方、両指向性マイクロホンは、感度が低くSNRの観点では不利であるものの、特定方位の音を捉える指向性パターンを持ち、距離減衰効果が高く、背景雑音を抑圧する効果に優れている。
したがって、用途や使用状況に応じて、無指向性、両指向性、単一指向性の指向性パターンを切り替える場合、ビーム方位だけでなく、SNR、背景雑音などの特性も考慮して総合的な性能から判断する必要がある。
ここで、信号処理部10は、(i)第1の振動板3より出力される第1の電気信号S1と、(ii)第2の振動板4より出力される第2の電気信号S2と、(iii)加算信号S3の3つの信号のそれぞれを独立に出力するものであっても構わないし、図7Aに示すように切替部18で3つの信号を選択して出力するものであっても構わない。
本実施形態に係るマイクロホンユニットによれば、第1の振動板3と第2の振動板4には、共通音孔である第3の開口部9から入力される音が双方の振動板に同圧力で伝達されるため、第1の振動板3から出力される第1の電気信号S1=(P1−P2)と第2の振動板4から出力される第2の電気信号S2=(P1)の相互演算を行うことにより、第1の振動板3の上面に伝達される圧力に対応する信号を完全に打ち消して、第1の振動板3の下面に伝達される圧力に対応する信号(P2)を分離して抽出することができる。
ここで、第1の振動板3と第2の振動板4への入力音孔を共通にしている点が非常に重要であり、入力音孔の空間的なずれによる誤差が発生しないため、第1の振動板3の上面に伝達される信号を完全に打ち消すことができる。
一方、第1の振動板3と第2の振動板4への入力音孔をそれぞれ独立に設けた場合は、隣接配置したとしても空間的な位置ずれによる、振幅誤差や位相誤差が発生するため、第1の振動板3の上面に伝達される信号を完全に打ち消すことはできない。
第1の振動板3の下面に伝達される圧力に対応する信号(P2)を分離して抽出することにより、基板部2の上面と下面に2つのマイクロホンを配置したマイクロホンユニット(図35参照)と等価な処理が実現できる。また、音響遅延部材を配置する必要がないため、無指向性マイクロホンと同等の厚みで単一指向性のマイクロホンの特性を実現可能になる。本実施形態に係るマイクロホンユニット1によれば、薄型の携帯機器にマイクロホンの厚みを増加させることなく搭載が可能であり、かつ単一指向性の指向性パターンを実現することができる。
なお、遅延部16で(−P2)に相当する信号を所定時間遅延させた信号(−P2・D)を生成したが、この遅延量は可変制御できるようにしても構わない。また、図10Aに示すように、遅延部16の前段あるいは後段にゲイン部19を有することで、信号(−P2・D)の振幅を可変制御できるようにしても構わない。
これにより、遅延部16の遅延量、ゲイン部19のゲインを調整することができ、単一指向性の指向性だけでなく、ハイパーカーディオイド型、スーパーカーディオイド型などの様々な指向性パターンを形成することが可能である。
なお、信号処理部10は、図11Aに示すように、第1の振動板3より出力されるアナログ信号の第1の電気信号S1及び第2の振動板4より出力されるアナログ信号の第2の電気信号S2を所定周波数でサンプリングしてデジタル信号の第1,2の電気信号S1,S2に変換するアナログ−デジタル変換器20,21を有し、遅延部16は差信号(−P2)をサンプリング時間の整数倍の遅延をさせることにより行われるものであってよい。
第1の振動板3より出力されるアナログ信号の第1の電気信号S1及び第2の振動板4より出力されるアナログ信号の第2の電気信号S2を所定周波数でサンプリングしてデジタル信号の第1,2の電気信号S1,S2に変換することにより、後の加算及び減算処理、遅延処理を精度よく行うことが可能である。
特に、遅延処理については、全ての周波数について一定時間の遅延を与える必要があり、アナログ信号処理で行うことは困難である。一方、デジタル信号処理で行う場合、例えば、シフトレジスタを用いたクロック単位でのシフト遅延により全ての周波数について一様な遅延処理を行うことができるため、高精度な遅延処理が実現できる。
なお、本実施形態において、音源が本実施形態に係るマイクロホンユニット1から5cm程度の近距離において信号S1を使用した場合の周波数特性は、図12に示すように1.5kHz付近からゲインが1次の傾斜で上昇するハイパスフィルタの特性を示す。また、音源が本実施形態に係るマイクロホンユニット1から30〜40cm程度の中距離において信号S3を使用した場合の周波数特性は、図13に示すように100Hz付近からゲインが1次の傾斜で上昇するハイパスフィルタの特性を示す。
話者の音声を忠実に集音する場合には、周波数特性は基本的に平坦であることが好ましい。したがって、信号処理部10は、図14Aに示すように、信号S1、信号S3の周波数特性を平坦化するための第1のフィルター部22、第2のフィルター部23のうちの少なくともいずれか一方を含んでも構わない。
例えば、信号S1に対する第1のフィルター部22は、カットオフ周波数1.5kHzのローパスフィルタとすることで、信号S1の持つハイパスフィルタの特性を相殺して、平坦な周波数特性を実現できる。信号S3に対する第1のフィルター部22は、カットオフ周波数300Hzのローパスフィルタとすることで、信号S3の持つハイパスフィルタの特性を相殺して、音声帯域(300Hz〜4kHz)で平坦な周波数特性を実現できる。
[信号処理部の第2構成例]
図15Aは、信号処理部10の第2構成例を、第1の振動板3及び第2の振動板4との接続関係を含めて示した図である。
信号処理部10は、第2の振動板4から出力される第2の電気信号に対し所定ゲインGを与えて出力するゲイン部25と、第1の振動板3から出力される第1の電気信号とゲイン部25から出力される信号とを加算する加算部24を含む。
ここで、図15Aに示すように、第1の振動板3より出力される第1の電気信号を第1のアンプ部13で増幅し、第2の振動板4より出力される第2の電気信号を第2のアンプ部14で増幅してから第1のアンプ部13から出力される増幅信号を第1の電気信号S1とみなし、第2のアンプ部14から出力される増幅信号を第2の電気信号S2とみなして演算処理しても構わない。第1の振動板3および第2の振動板4から出力される信号の出力インピーダンスが高い場合、電流増幅してから処理することが好ましい。なお、図15Aに示すように、第1の電気信号S1と第2の電気信号S2を分離して増幅することにより、第1の電気信号S1と第2の電気信号S2との間のクロストークを低減することができる。
ゲイン部25にて、第2の振動板4から出力された電気信号S2=(P1)に対して所定ゲインGを与えて信号(G・P1)を生成する。加算部24にて、第1の振動板3から出力される電気信号S1=(P1−P2)と信号(G・P1)とを加算して、加算信号S3=(P1−P2+G・P1)=((1+G)P1−P2)を出力する。
第1の振動板3より出力される第1の電気信号S1と、第2の振動板4より出力される第2の電気信号S2と、加算信号S3のそれぞれは、音源方位により、図16に示すように、S1は両指向性マイクロホンの指向性パターン、S2は無指向性マイクロホンの指向性パターン、S3は単一指向性マイクロホンに近い指向性パターンとなる。想定話者方向に対する感度が最も高いのはS2であり、最も低いのはS1である。S3はS1とS2の間の感度となっている。
ゲインGを変化させることにより、信号S3の指向性パターンを制御できる。G=0のとき、信号S3は両指向性マイクロホンの指向性パターンとなり、例えば、G=0.1のとき、図16に示すような単一指向性に近い指向性パターンとなる。図16のS3は、周波数1kHz、マイク音源間距離40cmのときの指向性パターンを示している。ここで、感度の高い方位が、想定話者方向となるように設計することが好ましい。
一般に、無指向性マイクロホンと両指向性マイクロホンとを比較したとき、無指向性マイクロホンの方がSNRは高い。マイクロホンのノイズレベルは、検出アンプの回路ノイズで決まり、無指向性マイクロホンと両指向性マイクロホンとでほぼ同等レベルとなるのに対して、マイクロホンの信号レベルに関しては、無指向性マイクロホンの場合、音孔から入力される音圧P1を検出して電気信号に変換するが、両指向性マイクロホンの場合、近傍する音孔から入力される音圧P1と音圧P2の差圧を検出して電気信号に変換するため、無指向性マイクロホンに比べて両指向性マイクロホンの方が信号振幅(信号レベル)は低くなるからである。
また、マイクロホン使用時のSNRを考えた場合、音源・マイクロホン間が近距離よりも遠距離の方が入力音圧が低下するため、信号振幅が低下し、SNRが低下して不利な状況になる。したがって、遠距離の音源を捉える場合、できるだけ感度の良いマイクロホンを使用することが望ましく、この観点で無指向性マイクロホンが優れている。
しかし、背景雑音がある環境で使用する場合、無指向性マイクロホンは全方位の音を捉えてしまうため、本来集音すべき話者の音声以外の背景雑音も含めて集音してしまう。一方、両指向性マイクロホンは、感度が低くSNRの観点では不利であるものの、特定方位の音を捉える指向性パターンを持ち、距離減衰効果が高く、背景雑音を抑圧する効果に優れている。
図17に、信号S1,S2,S3それぞれの、音源・マイクロホン距離に対する減衰特性の一例を示す。S2は無指向性マイクロホンの距離減衰特性であり、距離に反比例して減衰する特性を示す。S1は両指向性マイクロホンの距離減衰特性であり、距離減衰特性が優れている。S3はS1とS2の中間の特性となる。
上述した信号処理部10の第2構成例によれば、両指向性の指向性パターンを有する第1の電気信号S1と、無指向性の指向パターンを有する第2の電気信号S2とを所定比率で混合することにより、無指向性マイクロホンの良好なSNRと、両指向性マイクロホンの背景雑音を抑圧する効果をバランスさせて引き出すことができる。すなわち、中距離30〜50cmの距離で必要な感度およびSNRを保持しつつ、想定話者方向に感度が高くなる指向性パターンを生成し、かつ距離減衰特性に優れ、背景雑音抑圧が可能な、実用的なマイクロホンを実現できる。
また、上述した信号処理部10の第2構成例によれば、両指向性の指向性パターンにおける感度の落ち込み(ヌルと呼ぶ)を緩和する効果を有するため、感度の急激な低下を防止する目的においても使用することができる。
[実装方法]
図18、図19、図20は、本実施形態に係るマイクロホンユニット26を携帯端末あるいはスマートホンといった携帯機器の製品筐体27に搭載するときの実装方法について示した図である。製品筐体27には、無線電話通信を行うための半導体チップや抵抗、コンデンサ等の受動部品を搭載するための実装基板28格納されており、マイクロホンユニット26はこの実装基板28の上に搭載されている。
実装基板28には実装基板28の表面から裏面に貫通する基板開口部29が設けられており、マイクロホンユニット26の振動板を搭載する基板部(例えば図1の基板部2)の下面に設けられた音孔(例えば図1の第2の開口部7)と、基板開口部29とが対向するように搭載される。また、マイクロホンユニット26は、振動板を搭載する基板部(例えば図1の基板部2)の下面に電極パッドを有しており(図示せず)、電極パッドに対向するように配置された実装基板27の基板面上の配線パターン(図示せず)と半田接合される。半田接合は、配線パターン上にクリームハンダを印刷して、マイクロホンユニット26を所定位置に配置し、リフローする等の工程により行うことができる。
ここで、上記の半田接合について、基板開口部29の周囲を含んで半田接合することにより、音響的な空気漏れのないように気密的に接合することができ、シールリング30として機能させることが出来る。
図18、図19においては、製品筐体27の表面に第1の筐体音孔33を、裏面に第2の筐体音孔34を有している。マイクロホンユニット26の上面の音孔(例えば図1の第3の開口部9)と第1の筐体音孔33との間は、第1のガスケット31を介して空気漏れがないように気密的に連結されており、マイクロホンユニット27の下面の音孔(例えば図1の第2の開口部7)と第2の筐体音孔34との間は、第2のガスケット32を介して空気漏れがないように気密的に連結されている。
図20においては、製品筐体27の表面に第1の筐体音孔33を、底面に第2の筐体音孔34を有している。マイクロホンユニット26の上面の音孔(例えば図1の第3の開口部9)と第1の筐体音孔33との間は、第1のガスケット31を介して空気漏れがないように気密的に連結されており、マイクロホンユニット27の下面の音孔(例えば図1の第2の開口部7)と第2の筐体音孔34との間は、第2のガスケット32を介して空気漏れがないように気密的に連結されている。
マイクロホンユニット26の音孔と、製品筐体27の筐体音孔との間に不要な隙間があった場合、この隙間を介して外部音圧が入り込み、マイクロホンの指向特性に影響を与えるため、意図した指向性パターンを得ることができなくなる。したがって、マイクロホンユニット26の音孔と製品筐体27の音孔の間は、空気漏れのないようにウレタン材、ゴム材など、弾性を有して空気を通さないあるいは通しにくい材料のガスケットを介して連結することが好ましい。
[第1実施形態のまとめ]
以上のように、本実施形態によれば、薄型な単一指向性(単一指向性に近い指向性を含む)マイクロホンユニットを実現できるので、指向性のヌルを抑制し、かつ背景雑音抑制性能とSNR性能を両立する薄型のマイクロホンユニットを実現できる。
<第2実施形態>
第2実施形態に係るマイクロホンユニット1について、図21を用いて説明する。図21に示す構成のマイクロホンに、上述した信号処理部10の第1構成例及び第2構成例で説明した信号処理を適用することで、両指向性の指向性マイクロホンのヌルを軽減する効果を得ることができる。
第2実施形態に係るマイクロホンユニット1は、基板部2と、入力音圧を電気信号に変換する第1の振動板3と、入力音圧を電気信号に変換する第2の振動板4とを含む。基板部2は、第1の開口部6と第2の開口部7が基板上面に形成されており、第1の開口部6と第2の開口部7との間は基板内部の音道により連通している。基板部2は内層において中空になっており、基板面に対して平行な方向に延在する空間を介して、第1の開口部6と第2の開口部7が繋がっている。
第1の振動板3は、第1の開口部6を密閉して覆い隠すように基板部2の上面に配置して搭載されている。また、第2の振動板4は、基板部2の上面の第1の開口部6から外れた一部の領域を密閉するように配置して搭載されている。
第1の振動板3及び第2の振動板4を基板部2に搭載するにあたっては、音響特性に影響を及ぼす空気のリークが発生しないように第1の振動板3及び第2の振動板4を支持する各支持部と基板部2とを気密的に接着する必要がある。そして、その接着には、第1の振動板3及び第2の振動板4が基板部2から機械的な応力を受けて振動板の張力変動が発生しないように、応力吸収効果を有する接着剤を使用することが好ましい。そのような接着剤としては、エポキシ系の接着剤やシリコーン系の接着剤等が用いられる。
本実施形態においてマイクロホンユニット1は、上記内部空間内に第1の振動板3の出力信号と第2の振動板4の出力信号とを演算する信号処理部10を含む。第1の振動板3及び第2の振動板4と、信号処理部10との電気的な接続は、例えば、第1の振動板3と第2の振動板4と信号処理部10との各上面に電極端子を設けて、電極端子間を互いにワイヤーボンディングすることにより接続される。
あるいは、第1の振動板3と第2の振動板4と信号処理部10との各下面に電極端子を設け、これらの電極端子に対向して形成した基板部2上面の配線パターンにフリップチップ接続することにより、電気的に接続することも可能である。
本実施形態において、マイクロホンユニット1は、基板部2の上に搭載される蓋部5を含む。蓋部5は、第1の振動板3と第2の振動板4とを覆い、基板部2の外縁部と接合して内部空間37を形成する。また、蓋部5には、第3の開口部9が形成されており、内部空間37は第3の開口部9を介して外部空間に連通している。また、蓋部5は、上面に設けられた第4の開口部35から下面に設けられた第5の開口部36に繋がる貫通孔を有しており、蓋部5の第5の開口部36が基板部2の第2の開口部7と対向するように搭載される。
こうして第3の開口部9から入力された音圧P1は、内部空間37を介して、第1の振動板3の上面に伝達され、第4の開口部35から入力された音圧P2は、第5の開口部36、第2の開口部7、第1の開口部6を介して、第1の振動板3の下面に伝達される。
ここで、第1の振動板3の上面には音圧P1がかかり、第1の振動板3の下面には音圧P2がかかるため、第1の振動板3からは差圧(P1−P2)に応じた電気信号が出力される。すなわち、第1の振動板3は8の字型の指向性パターンを持つ両指向性マイクロホンとして機能する。
また、第2の振動板4の上面には音圧P1がかかり、第2の振動板4の下面は閉じられた空間となっており一定の基準圧力がかかっているため、第2の振動板4からはP1に応じた信号が出力される。すなわち、第2の振動板4は円形型の指向性パターンを持つ無指向性マイクロホンとして機能する。
本実施形態に係るマイクロホンユニット26を、図22に示すように、携帯端末、スマートホン等の携帯機器に対し、製品筐体27の表面側に2つの筐体音孔33,34(例えば図21の第3の開口部9、第4の開口部35)が縦に並ぶように搭載した場合、上述した「信号処理部の第1構成例」の信号処理部10を適用したときは図23のような指向性パターン、上述した「信号処理部の第2構成例」の信号処理部10を適用したときは図24に示すような指向性パターンになる。図23及び図24において、S1は、第1の振動板3から出力される第1の電気信号S1の指向性パターンを表しており、両指向性の指向性パターンとなる。また、S2は、第2の振動板4から出力される第2の電気信号S2の指向性パターンを表しており、無指向性の指向性パターンとなる。
携帯端末、スマートホン等の携帯機器において、音声認識、テレビ電話を使用するとき、想定話者が携帯機器の正面に来ることがある。S1のように指向性パターンのヌルの方位が正面にあった場合、想定話者がヌルの方位に入ったときに、話者の音声レベルが落ちるという問題が発生する。
信号処理部10に、「信号処理部の第1構成例」の信号処理を使用した場合、遅延量DL及びゲインGを変化させることにより、S3の指向性パターンを制御できる。G=1,DL=0のとき、図23のS3(DL=0)に示すような両指向性の指向性パターンとなり、S1と一致する。また、G=1、DL=DL1(マイクロホンユニットの音孔間隔/音速)のとき、図23のS3(G=DL1)に示すような指向性パターンとなる。なお、図23のS3は、周波数1kHz、マイク音源間距離40cmのときの指向性パターンを示している。
すなわち、信号処理部10に、「信号処理部の第1構成例」の信号処理を行うことで指向性を制御することにより、ヌルによる正面方向の感度の落ち込みを軽減することが可能である。また、S3(G=DL1)の指向性パターンにおいてはS2に比べて高い距離減衰率が得られ、高い背景雑音抑制の効果が得ることができる。
信号処理部10に、「信号処理部の第2構成例」の信号処理を使用した場合、ゲインGを変化させることにより、S3の指向性パターンを制御できる。G=0とき、図24のS3(G=0)に示すような両指向性の指向性パターンとなり、S1と一致する。また、G=0.1のとき、図24のS3(G=0.1)に示すような指向性パターンとなる。なお、図24のS3は、周波数1kHz、マイク音源間距離40cmのときの指向性パターンを示している。
すなわち、信号処理部10に、「信号処理部の第2構成例」の信号処理を行うことで指向性を制御することにより、ヌルによる正面方向の感度の落ち込みを軽減することが可能である。また、S3(G=0.1)の指向性パターンにおいてはS2に比べて高い距離減衰率が得られ、高い背景雑音抑制の効果が得ることができる。
[第2実施形態のまとめ]
以上のように、本実施形態によれば、薄型な単一指向性(単一指向性に近い指向性を含む)マイクロホンユニットを実現できるので、指向性のヌルを抑制し、かつ背景雑音抑圧性能とSNRを両立する薄型のマイクロホンユニットを実現できる。
<第3実施形態>
第3実施形態に係るマイクロホンユニット1について、図25を用いて説明する。図25に示す構成のマイクロホンに、「信号処理部の第2構成例」で説明した信号処理を適用することで、両指向性の指向性マイクロホンの感度の最も高くなる高い方位(ビーム方位)を0〜360°の範囲で自由に回転させることが出来る。
本実施形態に係るマイクロホンユニット1は、基板部2と、入力音圧を電気信号に変換する第1の振動板3と、入力音圧を電気信号に変換する第2の振動板4とを含む。基板部2は、基板上面に第1の開口部6と第4の開口部35が基板上面に形成されており、基板下面に第1の開口部7と第5の開口部36が形成されている。そして、第1の開口部6は基板内部の音道を通じて第2の開口部7に連通しており、第4の開口部35は基板内部の音道を通じて第5の開口部36に連通している。
第1の振動板3は、第1の開口部6を密閉して覆い隠すように基板部2の上面に配置して搭載されており、第2の振動板4は、第4の開口部35を密閉して覆い隠すように基板部2の上面に配置して搭載されている。
第1の振動板3及び第2の振動板4を基板部2に搭載するにあたっては、音響特性に影響を及ぼす空気のリークが発生しないように第1の振動板3及び第2の振動板4を支持する各支持部と基板部2とを気密的に接着する必要がある。そして、その接着には、第1の振動板3及び第2の振動板4が基板部2から機械的な応力を受けて振動板の張力変動が発生しないように、応力吸収効果を有する接着剤を使用することが好ましい。そのような接着剤としては、エポキシ系の接着剤やシリコーン系の接着剤等が用いられる。
本実施形態においてマイクロホンユニット1は、第1の振動板3と第2の振動板4とを覆う蓋部5を含み、蓋部5は基板部2の外縁部と気密的に接合されて内部空間を形成する。蓋部5には、第3の開口部9が形成されており、内部空間は第3の開口部9を介して外部空間に連通している。
ここで、第1の振動板3および第2の振動板4の上面には第3の開口部9から入力される音圧P1がかかり、第1の振動板3の下面には第2の開口部7から入力される音圧P2がかかり、第2の振動板3の下面には第5の開口部36から入力される音圧P3がかかるため、第1の振動板3からは差圧(P1−P2)に応じた信号が出力され、第2の振動板4からは差圧(P1−P3)に応じた信号が出力される。
すなわち、第1の振動板3は図26のPOL1(実線)に示すように8の字型の指向性パターンを持つ両指向性マイクロホンとして機能し、第2の振動板は図26のPOL2(点線)に示すように8の字型の指向性パターンを持つ両指向性マイクロホンとして機能する。
また、本実施形態においてマイクロホンユニット1は、上記内部空間内に第1の振動板3の出力信号と第2の振動板4の出力信号とを演算する信号処理部10を含む。第1の振動板3及び第2の振動板4と、信号処理部10との電気的な接続は、例えば、第1の振動板3と第2の振動板4と信号処理部10との各上面に電極端子を設けて、電極端子間を互いにワイヤーボンディングすることにより接続される。
あるいは、第1の振動板3と第2の振動板4と信号処理部10との各下面に電極端子を設け、これらの電極端子に対向して形成した基板部2上面の配線パターンにフリップチップ接続することにより、電気的に接続することも可能である。
信号処理部10にて演算された信号は、信号処理部10から基板部2の上面の配線パターンに伝達され、基板部2の内部配線を介して、基板部2の下面の電極部(図示せず)に到達する。なお、信号処理部10から基板部2の上面の配線パターンへの信号の引き出しは、上記の通り例えばワイヤーボンディング又はフリップチップ接続することにより行うことができる。
基板部2としては、基板表面に配線パターンの形成が可能なプリント基板材料を使用することが好ましい。例えば、ガラスエポキシ基板、セラミックス基板、ポリイミドフィルム基板などの基板を使用することができる。
また、マイクロホンユニット1が外部電磁波によるノイズの影響を受けないようにするため、蓋部5は導電性の金属材料で構成し、基板部2のグランド等の固定電位に接続することが好ましい。
あるいは、図2の場合と同様に、基板部2を非導電性材料の構造体からなる蓋部5で覆い、さらに蓋部5を覆うように金属製のシールドカバー8を搭載しても構わない。金属製のシールドカバー8で蓋部5を覆う場合には、シールドカバー8を固定電位に接続するため、シールドカバー8の端部を基板部2の底面でかしめ、このかしめ部分に電極として機能を持たせ、マイクロホンユニット1を実装基板上に実装時に、かしめ部分を実装基板のグランドに半田接合することにより、電磁シールドとしての効果を高めることができる。
なお、本実施形態に係るマイクロホンユニットは、上述した第1実施形態における第2変形例と同様に、図27に示すように、基板部2の上面に形成された第1の開口部6と下面に形成された第2の開口部7、および基板部2の上面に形成された第4の開口部35と下面に形成された第5の開口部36をオフセットさせて配置し、基板部2の内層に基板面に対して平行な方向に延在する中空層を含む第1の中空音道38および第2の中空音道39を介して、第1の開口部6から第2の開口部7および第4の開口部35から第5の開口部36に連通するように構成してもよい。
[信号処理部の第3構成例]
図28は、信号処理部10の第3構成例を、第1の振動板3及び第2の振動板4との接続関係を含めて示した図である。
信号処理部10は、第1の振動板3から出力される第1の電気信号S1に対し所定ゲインG1を与えて出力する第1のゲイン部40と、第2の振動板4から出力される第2の電気信号S2に対し所定ゲインG2を与えて出力する第2のゲイン部41と、第1の電気信号S1と第2の電気信号S2とを加算する加算部24とを含む。
ここで、図28に示すように、第1の振動板3より出力される第1の電気信号S1を第1のアンプ部13で増幅し、第2の振動板4より出力される第2の電気信号S2を第2のアンプ部14で増幅してから第1のアンプ部13から出力される増幅信号を第1の電気信号S1とみなし、第2のアンプ部14から出力される増幅信号を第2の電気信号S2とみなして演算処理しても構わない。第1の振動板3および第2の振動板4から出力される信号の出力インピーダンスが高い場合、電流増幅してから処理することが望ましい。
第1のゲイン部40にて、第1の振動板3から出力された電気信号S1=(P1−P2)に対して所定ゲインG1を与えて信号(G1・(P1−P2))を生成し、第2のゲイン部41にて、第2の振動板4から出力された電気信号S2=(P1−P3)に対して所定ゲインG2を与えて信号(G2・(P1−P3))を生成する。加算部24にて、信号(G1・(P1−P2))と信号(G2・(P1−P3))とを加算して、加算信号S3=(G1・(P1−P2)+G2・(P1−P3))を出力する。
G1=k/(k2+1)1/2,G2=1/(k2+1)1/2として場合、k(−1≦k≦1)を変化させたときの指向性パターンの変化を図29に示す。kの変化にともない、指向性の感度の高い方位が0〜360°の範囲で自由に制御することができる。
本実施形態に係るマイクロホンユニット1は、基本的に両指向性の指向性パターンを持ち、感度不感帯(ヌル、Null)を持つ。図22のように製品筐体27に実装した場合、想定話者の方位に合わせて、両指向性の指向性パターンの感度が最大となる方位を設定し、ヌルの影響を受けて感度が低下しないように制御することができる。
[実装方法]
図30に本実施形態に係るマイクロホンユニット26を携帯端末あるいはスマートホンといった携帯機器の製品筐体27に搭載するときの実装方法について示した図である。製品筐体27には、無線電話通信を行うための半導体チップや抵抗、コンデンサ等の受動部品を搭載するための実装基板28格納されており、マイクロホンユニット26は実装基板28の上に搭載されている。
実装基板28には基板開口部42、43が設けられており、マイクロホンユニット26の振動板を搭載する基板部2の下面に設けられた第2の開口部7および第5の開口部36と、実装基板28の表面から裏面に貫通する第1,2の基板開口部42、43とが対向するように搭載される。
また、マイクロホンユニット26は、振動板を搭載する基板部2の下面に電極パッドを有しており(図示せず)、電極パッドに対向するように配置された実装基板28の基板面上の配線パターン(図示せず)と半田接合される。半田接合は、配線パターン上にクリームハンダを印刷して、マイクロホンユニット26を所定位置に配置し、リフローする等の工程により行うことができる。
ここで、上記の半田接合について、第1,2の基板開口部42、43の周囲を含んで半田接合することにより、音響的な空気漏れのないように気密的に接合することができ、シールリング30として機能させることが出来る。
製品筐体27は、表面に第1の第1の筐体音孔44を、裏面に第2の筐体音孔45および第3の筐体音孔46を有している。マイクロホンユニット26の上面の第3の開口部9と第1の筐体音孔44との間は、第1のガスケット31を介して空気漏れがないように気密的に連結されており、マイクロホンユニット26の下面の第2の開口部7および第5の開口部36と、第2の筐体音孔45および第3の筐体音孔46との間は、第2のガスケット32を介して空気漏れがないように気密的に連結されている。
マイクロホンユニット26の音孔と、製品筐体27の筐体音孔との間に不要な隙間があった場合、この隙間を介して外部音圧が入り込み、マイクロホンの指向特性に影響を与えるため、意図した指向性パターンを得ることができなくなる。したがって、マイクロホンユニット26の音孔と製品筐体27の音孔の間は、空気漏れのないようにウレタン材、ゴム材など、弾性を有して空気を通さない材料のガスケットを介して連結することが好ましい。
[第3実施形態のまとめ]
以上のように、本実施形態によれば、信号処理を適用することで、両指向性の指向性マイクロホンの感度の最も高くなる高い方位(ビーム方位)を0〜360°の範囲で自由に回転させることが出来る。
なお、「信号処理部の第2構成例」及び「信号処理部の第3構成例」において、図15A、図28を用いて説明した第1の振動板3より出力される第1の電気信号と、第2の振動板4より出力される第2の電気信号のそれぞれを所定比率で重み付けして加算演算する方法については、図31に示すように第1の電気信号と第2の電気信号とを抵抗加算するものであってもよい。この方法によれば、きわめて簡単な構成で2つの信号の加算が実現できる。
<その他>
以下、本発明に係るマイクロホンユニットに搭載可能なマイクロホンの一例として、コンデンサ型マイクロホン49の構成について説明する。図31は、コンデンサ型マイクロホン49の構成を模式的に示した断面図である。
コンデンサ型マイクロホン49は、振動板50を有する。なお、振動板50が、各実施形態に係るマイクロホンユニット1又は26の第1の振動板3、第2の振動板4に相当する。振動板50は、音波を受けて振動する膜(薄膜)で、導電性を有し、電極の一端を形成している。コンデンサ型マイクロホン49は、また、電極51を有する。電極51は、振動板50と対向、近接して配置されている。これにより、振動板50と電極51とは容量を形成する。コンデンサ型マイクロホン49に音波が入射すると、振動板50が振動して、振動板50と電極51との間隔が変化し、振動板50と電極51との間の静電容量が変化する。この静電容量の変化を、例えば電圧の変化として取り出すことによって、振動板50の振動に基づく電気信号を取得することができる。すなわち、コンデンサ型マイクロホン49に入射する音波を、電気信号に変換して出力することができる。なお、コンデンサ型マイクロホン49では、電極51は、音波の影響を受けない構造をなしていてもよい。例えば、電極51はメッシュ構造をなしていてもよい。
ただし、本発明に係るマイクロホンユニットに搭載可能なマイクロホン(振動板50)は、コンデンサ型マイクロホンに限られるものではなく、既に公知となっているいずれかのマイクロホンを適用することができる。例えば、振動板50は、動電型(ダイナミック型)、電磁型(マグネティック型)、圧電型(クリスタル型)等の、種々のマイクロホンの振動板であってもよい。
あるいは、振動板50は、半導体膜(例えばシリコン膜)であってもよい。すなわち、振動板50は、シリコンマイク(Siマイク)の振動板であってもよい。シリコンマイクを利用することで、マイクロホンユニット1の小型化、及び、高性能化を実現することができる。
なお、信号処理部の第1〜3構成例について、演算処理を信号処理部10の内部に含む形で説明したが、信号処理の全てがマイクロホンユニット1の内部で行われる必要はなく、演算処理の一部または全部の処理をマイクロホンユニット1の外部で行うような構成であって構わない。
なお、上記の各実施形態において、信号処理部10の処理の一部又は全部をマイクロホンユニット1の外部で処理しても構わない。また、信号処理部10の処理の一部又は全部をソフトウェア処理により行うことも可能である。この場合、マイクロホンユニット1と外部の信号処理部との全体で音声信号処理システムを構成する。
例えば、図6に示すように、マイクロホンユニット1は、第1の振動板3から出力される第1の電気信号および第2の振動板4から出力される第2の電気信号を、第1のアンプ部および第2のアンプ部で増幅して出力してマイクロホンユニット1から外部に出力し、後段で演算処理する構成であって構わない。その他の構成として、切替部18(例えば図7A参照)以降を後段で演算処理する構成であって構わない。
なお、上記の各実施形態において、携帯機器に搭載されるマイクロホンユニットからの出力振幅、出力パワーが最大になるように、指向性パターンを変化させても構わない。
なお、上記の各実施形態において、携帯機器に角度センサーを持ち、角度センサーの検出値に応じて、想定話者に対する感度が最大になるように、指向性パターンを変化させても構わない。
また、上記の各実施形態において、携帯端末にイメージセンサーを持ち、イメージセンサーで捉えた画像から人の顔の特徴部分を抽出し、人の口元の方向にビーム方位が向くように構成してもよい。
また、携帯機器に接触センサーを持ち、携帯機器の表面に皮膚が接触しているか否かを判定し、接触していると判定されたときには、両指向性の指向性パターンになるようにして、近接音を捉えて遠方音を抑圧する接話マイクとして機能させる構成であって構わない。
また、「信号処理部の第2構成例」では、ゲイン部25を第2の振動板4側に設けたが、ゲイン部25を第1の振動板3側に設けてゲイン部25が第1の振動板3から出力される第1の電気信号S1に対し所定ゲインGを与えて出力するようにしてもよい。
また、第1実施形態に係るマイクロホンユニット1と第2実施形態に係るマイクロホンユニット1とに共通する構成要素を備えるマイクロホンユニット、すなわち、「第1の振動板の振動に基づいて音信号を電気信号に変換する第1の振動部と、第2の振動板の振動に基づいて音信号を電気信号に変換する第2の振動部と、前記第1の振動部及び前記第2の振動部を収容すると共に、第1の音孔と第2の音孔とが設けられる筐体と、を備え、前記筐体には、前記第1の音孔から入力される音圧を前記第1の振動板の一方の面に伝達すると共に、前記第2の振動板の一方の面に伝達する第1の音道と、前記第2の音孔から入力される音圧を前記第1の振動板の他方の面に伝達する第2の音道と、前記第2の振動板の他方の面に面する密閉空間と、が設けられていることを特徴とするマイクロホンユニット」全般を、第1実施形態に係るマイクロホンユニット1や第2実施形態に係るマイクロホンユニット1と同様に用いることができる。
また、第3実施形態に係るマイクロホンユニット1の主要な構成要素を備えるマイクロホンユニット、すなわち「第1の振動板の振動に基づいて音信号を電気信号に変換する第1の振動部と、第2の振動板の振動に基づいて音信号を電気信号に変換する第2の振動部と、前記第1の振動部及び前記第2の振動部から得られた電気信号を処理する電気回路部と、前記第1の振動部、前記第2の振動部及び前記電気回路部を収容すると共に、第1の音孔、第2の音孔、及び第3の音孔が設けられる筐体と、を備え、前記筐体には、前記第1の音孔から入力される音圧を前記第1の振動板の一方の面に伝達すると共に、前記第2の振動板の一方の面に伝達する第1の音道と、前記第2の音孔から入力される音圧を前記第1の振動板の他方の面に伝達する第2の音道と、前記第3の音孔から入力される音圧を前記第2の振動板の他方の面に伝達する第3の音道と、が設けられていることを特徴とするマイクロホンユニット」全般を、第3実施形態に係るマイクロホンユニット1と同様に用いることができる。
また、図7Aでは、遅延部16にて(−P2)に相当する信号を所定時間遅延させていたが、図7Bに示すように、遅延部16にて(−P2)に相当する信号の代わりに第2の振動板4より出力される第2の電気信号S2を所定時間遅延させ、第2の加算部17にて、(−P2)に相当する信号と遅延信号(P1・D)とを加算して、加算信号S3=(P1・D−P2)を出力するようにしてもよい。同様に、図10Aに示す構成を図10Bに示す構成に変更すること、図11Aに示す構成を図11Bに示す構成に変更すること、図14Aに示す構成を図14Bに示す構成に変更することがそれぞれ可能である。
また、図14Bに示す構成のように、第1の振動板3から出力される第1の電気信号に対し所定ゲインGを与えて出力するゲイン部25’を図15Aに示す構成に追加してもよい。
本発明のマイクロホンユニットは、音声を入力して処理を行う音声入力装置に広く適用でき、例えば携帯電話機等に好適である。
1 マイクロホンユニット
2 基板部
2A 第3基板層
2B 第2基板層
2C 第1基板層
3 第1の振動板
4 第2の振動板
5 蓋部
6 第1の開口部
7 第2の開口部
8 シールドカバー
9 第3の開口部
10 信号処理部
11 中空層
11A 第3基板層開口部
11B 第2基板層開口部
11C 第1基板層開口部
12 実装基板
13 第1のアンプ部
14 第2のアンプ部
15 第1の加算部
16 遅延部
17 第2の加算部
18 切替部
19 ゲイン部
20 第1のAD変換器
21 第2のAD変換器
22 第1のフィルター部
23 第2のフィルター部
24 加算部
25、25’ ゲイン部
26 マイクロホンユニット
27 製品筐体
28 実装基板
29 基板開口部
30 シールリング
31 第1のガスケット
32 第2のガスケット
33 第1の筐体音孔
34 第2の筐体音孔
35 第4の開口部
36 第5の開口部
37 内部空間
38 第1の中空音道
39 第2の中空音道
40 第1のゲイン部
41 第2のゲイン部
42 第1の基板開口部
43 第2の基板開口部
44 第1の筐体音孔
45 第2の筐体音孔
46 第3の筐体音孔
47 第1の抵抗部
48 第2の抵抗部
49 コンデンサ型マイクロホン
50 振動板
51 電極
101 マイクロホン
102 基板部
103 振動板
104 蓋部
105 音響遅延部材
106 基板開口部
107 音孔
108 第1の振動板
109 第2の振動板
110 第1の蓋部
111 第2の蓋部
112 第1の音孔
113 第2の音孔

Claims (12)

  1. 第1の振動板の振動に基づいて音信号を電気信号に変換する第1の振動部と、
    第2の振動板の振動に基づいて音信号を電気信号に変換する第2の振動部と、
    前記第1の振動部及び前記第2の振動部を収容すると共に、第1の音孔と第2の音孔とが設けられる筐体と、を備え、
    前記筐体には、
    前記第1の音孔から入力される音圧を前記第1の振動板の一方の面に伝達すると共に、前記第2の振動板の一方の面に伝達する第1の音道と、
    前記第2の音孔から入力される音圧を前記第1の振動板の他方の面に伝達する第2の音道と、が設けられ、
    前記第2の振動板の他方の面が前記筐体の一の面に臨んでいるマイクロホンユニットであって、
    前記第1の振動より出力される第1の電気信号と、前記第2の振動より出力される第2の電気信号との差を求める第1の演算部を有することを特徴とするマイクロホンユニット。
  2. 前記第1の演算部の出力に所定の遅延を与えた遅延信号を出力する遅延部と、
    前記第2の電気信号と前記遅延信号とを加算する第2の演算部と、
    を有することを特徴とする請求項1に記載のマイクロホンユニット。
  3. 前記第2の電気信号に所定の遅延を与えた遅延信号を出力する遅延部と、
    前記第1の演算部の出力と前記遅延信号とを加算する第2の演算部と、
    を有することを特徴とする請求項1に記載のマイクロホンユニット。
  4. 前記第1の演算部の出力に所定の遅延及び所定のゲインを与えて出力する遅延・ゲイン部と、
    前記第2の電気信号と前記遅延・ゲイン部の出力とを加算する第2の演算部と、
    を有することを特徴とする請求項1に記載のマイクロホンユニット。
  5. 前記第2の電気信号に所定の遅延及び所定のゲインを与えて出力する遅延・ゲイン部と、
    前記第1の演算部の出力と前記遅延・ゲイン部の出力とを加算する第2の演算部と、
    を有することを特徴とする請求項1に記載のマイクロホンユニット。
  6. 前記第1の電気信号と、前記第2の電気信号と、前記第2の演算部の出力のいずれかを選択して出力する請求項2乃至5のうちいずれか1項に記載のマイクロホンユニット。
  7. 前記第1の電気信号及び前記第2の電気信号を所定周波数でサンプリングしてデジタル信号に変換するアナログ−デジタル変換器を有し、
    前記所定の遅延は、前記アナログ−デジタル変換器のサンプリング時間の整数倍の遅延であることを特徴とする請求項2乃至6のうちいずれか1項に記載のマイクロホンユニット。
  8. 前記第1の電気信号を入力として低域濾波処理を行う第1のフィルター部、又は
    前記第2の演算部の出力を入力として低域濾波処理を行う第2のフィルター部のうちの少なくともいずれか一方、
    を有する請求項2乃至7のうちいずれか1項に記載のマイクロホンユニット。
  9. 第1の振動板の振動に基づいて音信号を電気信号に変換する第1の振動部と、
    第2の振動板の振動に基づいて音信号を電気信号に変換する第2の振動部と、
    前記第1の振動部及び前記第2の振動部を収容すると共に、第1の音孔と第2の音孔とが設けられる筐体と、を備え、
    前記筐体には、
    前記第1の音孔から入力される音圧を前記第1の振動板の一方の面に伝達すると共に、前記第2の振動板の一方の面に伝達する第1の音道と、
    前記第2の音孔から入力される音圧を前記第1の振動板の他方の面に伝達する第2の音道と、が設けられ、
    前記第2の振動板の他方の面が前記筐体の一の面に臨んでいるマイクロホンユニットであって、
    前記第1の振動部より出力される第1の電気信号及び前記第2の振動部より出力される第2の電気信号の一方に所定のゲインを与えて出力するゲイン部と、
    前記第1の電気信号及び前記第2の電気信号の他方と前記ゲイン部の出力とを加算する演算部と、
    を有することを特徴とするマイクロホンユニット。
  10. 第1の振動板の振動に基づいて音信号を電気信号に変換する第1の振動部と、
    第2の振動板の振動に基づいて音信号を電気信号に変換する第2の振動部と、
    前記第1の振動部及び前記第2の振動部を収容すると共に、第1の音孔と第2の音孔とが設けられる筐体と、を備え、
    前記筐体には、
    前記第1の音孔から入力される音圧を前記第1の振動板の一方の面に伝達すると共に、前記第2の振動板の一方の面に伝達する第1の音道と、
    前記第2の音孔から入力される音圧を前記第1の振動板の他方の面に伝達する第2の音道と、が設けられ、
    前記第2の振動板の他方の面が前記筐体の一の面に臨んでいるマイクロホンユニットであって、
    前記第1の振動部より出力される第1の電気信号に所定のゲインを与えて出力する第1のゲイン部と、
    前記第2の振動部より出力される第2の電気信号に所定のゲインを与えて出力する第2のゲイン部と、
    前記第1のゲイン部の出力と前記第2のゲイン部の出力とを加算する演算部と、
    を有することを特徴とするマイクロホンユニット。
  11. 前記第1の電気信号と、前記第2の電気信号と、前記演算部の出力のいずれかを選択して出力する請求項9又は請求項10に記載のマイクロホンユニット。
  12. 請求項1乃至11のうちいずれか1項に記載のマイクロホンユニットを搭載する音声入力装置。
JP2011255690A 2011-06-24 2011-11-24 マイクロホンユニット、及び、それを備えた音声入力装置 Active JP5834818B2 (ja)

Priority Applications (1)

Application Number Priority Date Filing Date Title
JP2011255690A JP5834818B2 (ja) 2011-06-24 2011-11-24 マイクロホンユニット、及び、それを備えた音声入力装置

Applications Claiming Priority (3)

Application Number Priority Date Filing Date Title
JP2011141073 2011-06-24
JP2011141073 2011-06-24
JP2011255690A JP5834818B2 (ja) 2011-06-24 2011-11-24 マイクロホンユニット、及び、それを備えた音声入力装置

Related Parent Applications (1)

Application Number Title Priority Date Filing Date
JP2011152212A Division JP5799619B2 (ja) 2011-06-24 2011-07-08 マイクロホンユニット

Publications (2)

Publication Number Publication Date
JP2013031146A JP2013031146A (ja) 2013-02-07
JP5834818B2 true JP5834818B2 (ja) 2015-12-24

Family

ID=47787712

Family Applications (1)

Application Number Title Priority Date Filing Date
JP2011255690A Active JP5834818B2 (ja) 2011-06-24 2011-11-24 マイクロホンユニット、及び、それを備えた音声入力装置

Country Status (1)

Country Link
JP (1) JP5834818B2 (ja)

Families Citing this family (5)

* Cited by examiner, † Cited by third party
Publication number Priority date Publication date Assignee Title
JP5635715B1 (ja) * 2014-06-09 2014-12-03 大宮工業株式会社 構造体の点検具
DE112020004374T5 (de) 2019-09-13 2022-07-21 Rohm Co., Ltd. Wandler
JP7449661B2 (ja) * 2019-09-13 2024-03-14 ローム株式会社 トランスデューサ
CN111031460B (zh) * 2019-12-27 2024-06-25 歌尔微电子有限公司 一种mems芯片、制备方法及包括其的mems麦克风
CN114679645B (zh) * 2022-04-12 2025-08-12 深圳市豪恩声学股份有限公司 麦克风、耳机及麦克风装配方法

Family Cites Families (3)

* Cited by examiner, † Cited by third party
Publication number Priority date Publication date Assignee Title
JP4472613B2 (ja) * 2005-10-07 2010-06-02 パナソニック株式会社 マイクロホン装置
JP5293275B2 (ja) * 2009-03-03 2013-09-18 船井電機株式会社 マイクロホンユニット
JP5402320B2 (ja) * 2009-07-01 2014-01-29 船井電機株式会社 マイクロホンユニット

Also Published As

Publication number Publication date
JP2013031146A (ja) 2013-02-07

Similar Documents

Publication Publication Date Title
JP5799619B2 (ja) マイクロホンユニット
EP2552127B1 (en) Microphone unit and audio input device provided with same
JP5434798B2 (ja) マイクロホンユニット、及び、それを備えた音声入力装置
US8649545B2 (en) Microphone unit
US9521499B2 (en) Electronic device with large back volume for electromechanical transducer
US8948432B2 (en) Microphone unit
CN102811411B (zh) 麦克风设备
JP5325554B2 (ja) 音声入力装置
US8457342B2 (en) Differential microphone
US20130028459A1 (en) Monolithic Silicon Microphone
JP2011155450A (ja) マイクロホンユニット、及び、それを備えた音声入力装置
JP2010187076A (ja) マイクロホンユニット
CN101242682A (zh) 电容式麦克风
JP2011124696A (ja) 差動マイクロホンユニットおよび携帯機器
JP5834818B2 (ja) マイクロホンユニット、及び、それを備えた音声入力装置
CN114786104A (zh) 一种麦克风结构和语音通讯设备
US9357313B2 (en) Microphone unit having a plurality of diaphragms and a signal processing unit
JP5257920B2 (ja) 携帯電話およびマイクロホンユニット
JP5250899B2 (ja) 携帯電話およびマイクロホンユニット
JP2010057052A (ja) マイクロホンユニット

Legal Events

Date Code Title Description
A621 Written request for application examination

Free format text: JAPANESE INTERMEDIATE CODE: A621

Effective date: 20140514

A131 Notification of reasons for refusal

Free format text: JAPANESE INTERMEDIATE CODE: A131

Effective date: 20150728

A521 Written amendment

Free format text: JAPANESE INTERMEDIATE CODE: A523

Effective date: 20150904

RD03 Notification of appointment of power of attorney

Free format text: JAPANESE INTERMEDIATE CODE: A7423

Effective date: 20150904

TRDD Decision of grant or rejection written
A01 Written decision to grant a patent or to grant a registration (utility model)

Free format text: JAPANESE INTERMEDIATE CODE: A01

Effective date: 20151006

A61 First payment of annual fees (during grant procedure)

Free format text: JAPANESE INTERMEDIATE CODE: A61

Effective date: 20151019

R150 Certificate of patent or registration of utility model

Ref document number: 5834818

Country of ref document: JP

Free format text: JAPANESE INTERMEDIATE CODE: R150