JP4236507B2 - 同期制御装置の原点合わせ装置 - Google Patents

同期制御装置の原点合わせ装置 Download PDF

Info

Publication number
JP4236507B2
JP4236507B2 JP2003116788A JP2003116788A JP4236507B2 JP 4236507 B2 JP4236507 B2 JP 4236507B2 JP 2003116788 A JP2003116788 A JP 2003116788A JP 2003116788 A JP2003116788 A JP 2003116788A JP 4236507 B2 JP4236507 B2 JP 4236507B2
Authority
JP
Japan
Prior art keywords
phase
slave
motor
detector
value
Prior art date
Legal status (The legal status is an assumption and is not a legal conclusion. Google has not performed a legal analysis and makes no representation as to the accuracy of the status listed.)
Expired - Lifetime
Application number
JP2003116788A
Other languages
English (en)
Other versions
JP2004328833A (ja
Inventor
郁雄 小谷
Current Assignee (The listed assignees may be inaccurate. Google has not performed a legal analysis and makes no representation or warranty as to the accuracy of the list.)
Toyo Electric Manufacturing Ltd
Original Assignee
Toyo Electric Manufacturing Ltd
Priority date (The priority date is an assumption and is not a legal conclusion. Google has not performed a legal analysis and makes no representation as to the accuracy of the date listed.)
Filing date
Publication date
Application filed by Toyo Electric Manufacturing Ltd filed Critical Toyo Electric Manufacturing Ltd
Priority to JP2003116788A priority Critical patent/JP4236507B2/ja
Publication of JP2004328833A publication Critical patent/JP2004328833A/ja
Application granted granted Critical
Publication of JP4236507B2 publication Critical patent/JP4236507B2/ja
Anticipated expiration legal-status Critical
Expired - Lifetime legal-status Critical Current

Links

Images

Landscapes

  • Inking, Control Or Cleaning Of Printing Machines (AREA)
  • Control Of Position Or Direction (AREA)
  • Control Of Multiple Motors (AREA)

Description

【0001】
【発明の属する技術分野】
本発明は輪転印刷機、輪転印刷機二次加工装置や樹脂、金属の延伸加工措置や搬送装置などに使用される同期制御装置に関するもので、特に、主機に追従して複数の従機電動機の回転速度と回転位相を精度良く原点合わせを行い連続して同期制御に至らしめる同期制御装置に関するものである。
【0002】
【従来の技術】
本発明に係わる輪転印刷機について従来の構成の一例を図18に示す。該図18において1は給紙部、2走行紙、3送りロール、4印刷部、5はアキュームロール、6は折り畳み機、7は裁断紙、8は搬送コンベアである。さらに、図18において100は主電源開閉器、101は速度設定器、102は駆動装置、103は電動機、104はロータリーエンコーダー、25および26はシャフトである。
【0003】
図18において給紙部1、送りロール3により走行紙2は送り出され、印刷部4により印刷を行ないアキュームロール5にて走行紙2のパス長の調整がなされて折り畳み機6に至り該折り畳み機6で裁断し折り畳みされた裁断紙7は搬送コンベア8により搬出されるに至る。ここで図18においては印刷部4が4つの例を示しているが、これは例えば印刷色がシアン、マゼンダ、イエローおよびブラックなどの場合である。また、印刷部4から折り畳み機6は主電源開閉器100、速度設定器101、駆動装置102、電動機103、ロータリーエンコーダー104からなる装置によりシャフト25、26により機械的に連結され駆動されるものである。そして、主電源開閉器100は駆動装置102に電源を供給するもので、該駆動装置102は速度設定器101、ロータリーエンコーダー104からの信号を入力し電動機103を所定の速度で駆動する。
【0004】
従来例の図18では輪転印刷機はシャフト25および26により機械的に連結されているものであるが、このシャフトは設置や操作および保守において容易ではなく。これらシャフトを設置することによる種々の弊害を克服するために近年、電動機の速度と位相を精度良く制御を行い輪転印刷機のシャフトを取り去ったシャフトレス輪転印刷機が使用されるに至っている。
【0005】
該シャフトレス輪転印刷機においては各電動機を精度良く速度と位相の制御を行い同期制御を実現し印刷を行うものであるが、印刷物の生産においては特に運転の開始時に各電動機が停止状態から通常の生産運転速度に達するまで走行紙が破断することなく維持することが操業時間の短縮、生産性の向上およびコストの削減のために重要な課題となっている。それゆえ、シャフトレス輪転印刷機において、運転の開始時に各電動機の位相が同期していない状態から走行紙を破断することなく各電動機間の原点合わせを行った後、電動機を停止させることなく連続して高精度の同期制御に移行し支障無く生産運転に至らしめる必要がある。
【0006】
従来の同期制御について克服すべき課題を明確にするために、従来実施されている主機電動機と従機電動機の位相偏差検出について図19、図20および図21により説明する。図19は従来の位相偏差検出の構成例を説明する図、図20は従来実施されている位相偏差検出の手段を説明する図、図21は従来の位相検出手段による主機電動機と従機電動機間の位相進みと位相遅れを説明する図である。
【0007】
図19において、113は主機電動機、114は主機ロータリーエンコーダー、122は同期制御装置、123は従機電動機、124は従機ロータリーエンコーダー、143は位相指令検出器、144は位相フィードバック検出器、145は位相偏差検出器である。前記同期制御装置122は指令として前記主機電動機113に付属する主機ロータリーエンコーダー114が出力する信号を入力し、フィードバックとして前記従機電動機123に付属する従機ロータリーエンコーダー124が出力する信号を入力する。前記同期制御装置122は位相指令検出器143、位相フィードバック検出器144および位相偏差検出器145を内蔵し、位相指令検出器143は前記主機ロータリーエンコーダー114からの信号より主機電動機の主機位相指令検出値Pmを検出して出力し、位相フィードバック検出器144は前記従機ロータリーエンコーダー124からの信号より従機電動機の従機位相フィードバック検出値Psを検出して出力する。そして、前記位相偏差検出器145は主機位相指令検出値Pmと従機位相フィードバック検出値Psを入力として両者の位相偏差を演算し位相偏差検出値ΔPを出力する。
【0008】
図20は、前記図19における従来の同期制御装置122において検出する主機位相指令検出値Pmと従機位相フィードバック検出値Psと位相偏差検出値ΔPの関係を順次説明するものであり、図20の(a)と(b)は時刻t1において、(c)と(d)は時刻t2において、(e)と(f)は時刻t3におけるロータリーエンコーダーにより検出される図19の主機電動機113と従機電動機123の位相をそれぞれ示すものである。そして図20の(a)、(c)および(e)に示すZmは主機電動機の原点を、同じく図20の(b)、(d)および(f)に示すZsは従機電動機の原点を示す。なお、本発明において図20(a)を参照すれば正のX軸を位相がゼロとし正のX軸から反時計方向を正極性の位相、正のX軸から時計方向を負極性の位相として説明を行う。また、図20の(a)から(f)においてロータリーエンコーダーが検出する主機電動機と従機電動機の1回転の位相をPmaxとしている。そして、図20の(a)、(C)および(e)において主機電動機は説明を容易とするために原点Zmは正のX軸上にあり位相をゼロとしている。
【0009】
図20の(b)において、αは従機電動機の1回転の位相Pmaxの2分の1未満の値とし、従機電動機の原点Zsの位相は反時計方向では下記の式(1)、時計方向では下記の式(2)の位相の場合を示している。
反時計方向の位相 α…………(1)
時計方向の位相 −(Pmax−α)………(2)
つぎに図20の(d)において従機電動機の原点Zsは位相がゼロである正のX軸上にある場合を示し、図20の(f)においてβはPmaxの2分の1を越える値とし、従機電動機の原点Zsの位相は反時計方向では下記の式(3)、時計方向では下記の式(4)の位相の場合を示している。
反時計方向の位相 β………(3)
時計方向の位相 −(Pmax−β)…………(4)
【0010】
図20の(g)は主機電動機について図20の(a)、(c)および(e)に示す位相の時間的推移を示し、これは主機位相指令検出値Pmの時間的推移を示すものである。同様に図20の(h)は従機電動機について図20の(b)、(d)および(f)に示す位相の時間的推移を示し、これは図19の従機位相フィードバック検出値Psの時間的推移を示すものである。図20の(g)についてさらに説明を加えると図20の(a)、(c)および(e)に対応して時刻t1、t2およびt3における主機電動機の位相をそれぞれPmt1、Pmt2およびPmt3で示しこの例では全てゼロである。また、図20の(h)は図20の(b)、(d)および(f)に対応して時刻t1、t2およびt3における従機電動機の位相をそれぞれPst1、Pst2およびPst3で示し、該位相Pst1の値は前記(1)式のαであり前記位相Pst2の値はゼロであり、また前記位相Pst3の値は前記式(3)によるβである。ここで図20の(g)、(h)では説明を容易とするため主機電動機と従機電動機は異なる一定の速度でそれぞれ回転しているものとしている。
【0011】
図20の(i)は、主機電動機と従機電動機のそれぞれの位相検出の時間的推移が前記図20の(g)、(h)であるとき、従来実施されている主機電動機と従機電動機の位相偏差検出を示すものであり、これは前記図19の位相偏差検出値ΔPの推移を示すものである。なお、図20の(i)においてX軸は時間ではなく度数による位相偏差としているので注意されたい。該図20の(i)において、時刻t1における位相偏差ΔPt1は、主機電動機の位相がゼロから前記式(1)または式(2)による従機電動機の位相を減算するものであるが従来においては絶対値が小なるものを位相偏差とすることが常であるため(−α)となり、時刻t2における位相偏差ΔPt2は明らかにゼロであり、また時刻t3における位相偏差ΔPt3は、主機電動機の位相がゼロから前記式(3)または式(4)による従機電動機の位相を減算するものであるが同様に絶対値が小である(Pmax−β)が位相偏差ΔPt3となり、これを要約すれば図20の(i)で示すとおり従来用いられている位相偏差検出値ΔPは(−Pmax/2)から(Pmax/2)の範囲で変化するものであった。そして従来、位相偏差検出値ΔPが0から(Pmax/2)の範囲のときは主機電動機が進みでこのときは従機電動機を増速するよう、位相偏差検出値ΔPが0から(−Pmax/2)の範囲のときは主機電動機が遅れでこのときは従機電動機を減速するよう補正を行っており、これを換言すれば(Pmax/2)を境界に同期制御を行うものであった。(例えば、特許文献1参照。)
【0012】
図21は上述の主機電動機と従機電動機の位相偏差について進みと遅れを視覚的に説明するもので、図21の(a)は主機電動機の原点Zmが正のX軸上にある場合を示し図21の(b)は従機電動機を示す。該図21の(b)において従機電動機の原点が白抜きで示す上半円にあれば主機が遅れでありこの時は従機電動機を減速するよう、従機電動機の原点が黒塗りで示す下半円にあれば主機が進みとなりこの時は従機電動機が増速するよう位相偏差検出値ΔPを用いて原点合わせや同期制御を行っていた。
【0013】
【特許文献1】
特許出願公開 昭56−81093、第1頁、左段落 17―20行
【0014】
【発明が解決しようとする課題】
例えば前記図18の輪転印刷機において、大部分のもしくは一部のシャフトを取り去ったシャフトレス輪転印刷機においては各電動機を精度良く速度と位相の制御を行い同期制御を実現し印刷を行うとするものであるが、印刷物の生産においては特に運転を開始する時に各電動機が停止状態から通常の生産運転速度に達するまで、走行紙が破断することなく維持することが操業時間の短縮、生産性の向上、およびコストの削減のために重要な課題となっている。それゆえシャフトレス輪転印刷機において、運転を開始する時に各電動機の位相が同期していない状態から走行紙を破断することなく複数の電動機の原点合わせを行った後、連続して同期制御に移行し円滑に生産運転に至らしめる必要がある。
しかしながら、前記図19、図20および図21で示した従来の位相偏差検出値ΔPは、原点合わせを行うときに検出する位相偏差は(Pmax/2)を境界として正極性と負極性である確率は等しく、位相偏差検出値ΔPを用いて原点合わせを行った場合、輪転印刷機の折り畳み機に至るまで各印刷部が増速した時は走行紙は弛みとなり破断には至らずこの弛みはアキュームロール5により次第に吸収されるものであるが、印刷部が減速した時は走行紙は張りとなり破断に陥ることが避けられない。
本発明はかような点に鑑みて創案されたものであって、その目的とするところは、主機と従機からなる同期制御装置において、停止状態からいかなるときも走行紙が破断することなく原点合わせを行い、いったん電動機を停止させることなく連続して高精度の同期制御に至らしめる手段を提供することにある。
【0015】
[課題を解決するための手段]上記課題を本発明において、つぎのように解決する
【0016】
)本発明の請求項の発明は、主機に追従して従機電動機の回転速度および回転位相を精度よく同期させる従機の同期制御装置である。そして、該同期制御装置は順次搬送される生産工程において従機は主機の前工程に配置され、該従機電動機は従機ロータリーエンコーダーを付属し、従機には前記主機から出力される信号により主機からの回転速度指令を常時検出する速度指令検出器と、主機から出力される信号により主機からの回転位相指令を常時検出する位相指令検出器と、従機ロータリーエンコーダーから出力される信号により従機電動機の回転速度を常時検出する速度フィードバック検出器と、従機ロータリーエンコーダーから出力される信号により従機電動機の回転位相を常時検出する位相フィードバック検出器を具備する同期制御装置である。そして、該同期制御装置は前記位相指令検出器と位相フィードバック検出器の出力を演算して主機と従機電動機の一方向位相偏差を出力する一方向位相偏差検出器を内蔵することを特徴とするものである。そして、原点合わせを行うときに一方向位相偏差検出器は、位相指令検出器と位相フィードバック検出器の出力に基づき主機と従機電動機の位相偏差を検出し、該位相偏差がゼロから正極性で主機および従機電動機の1回転に相当する位相を進み位相最大値とするとともに遅れ位相最小値をゼロとし、これにより主機の位相を常に進みとして検出し、これにより従機電動機の速度を増速することにより原点合わせを行う。かように、主機と従機電動機の原点合わせに際して、従機電動機が減速すること無く常に増速して原点合わせを行うことを特徴とする従機電動機の同期制御装置である。
【0017】
)本発明の請求項の発明は、主機に追従して従機電動機の回転速度および回転位相を精度よく同期させる従機の同期制御装置であって、順次搬送される生産工程において従機は主機の前工程に配置され、該従機電動機は従機ロータリーエンコーダーを付属し、従機には、前記主機から出力される信号により主機からの回転速度指令を常時検出する速度指令検出器と、前記主機から出力される信号により主機からの回転位相指令を常時検出する位相指令検出器と、前記従機ロータリーエンコーダーから出力される信号により前記従機電動機の回転速度を常時検出する速度フィードバック検出器と、前記従機ロータリーエンコーダーから出力される信号により前記従機電動機の回転位相を常時検出する位相フィードバック検出器が設けられ、前記位相指令検出器と前記位相フィードバック検出器の出力を演算して、進み位相最大値と遅れ位相最小値の範囲の非対称位相偏差を出力する同期制御装置において、前記主機と前記従機電動機のロック付き位相偏差を出力するロック付き位相偏差検出器が設けられ、該ロック付き位相偏差検出器には絶対値が異なる進みロック位相値と遅れロック位相値を内蔵することを特徴とし、原点合わせを行うときに、前記ロック付き位相偏差検出器は前記位相指令検出器と前記位相フィードバック検出器の出力に基づき前記主機と前記従機電動機の位相偏差を検出し、該位相偏差がゼロから正極性で前記主機および前記従機電動機の1回転に相当する位相の2分の1以上の値を有する進み位相最大値の範囲以内にあるとき前記主機の位相を進みとし、これにより前記従機電動機の速度を増速することにより原点合わせを行い、前記位相偏差が進みロック位相値と遅れロック位相値の範囲以内となったとき原点合わせの完了とし、前記進み位相最大値を正極性で前記主機および前記従機電動機の1回転に相当する位相の2分の1の値とし前記遅れ位相最小値を負極性で前記主機および前記従機電動機の1回転に相当する位相の2分の1の絶対値を有するものとして通常の同期制御に移行せしめることを特徴とし、前記ロック付き位相偏差検出器は前記位相偏差がゼロから負極性で前記主機および前記従機電動機の1回転に相当する位相の2分の1未満の絶対値を有する遅れ位相最小値の範囲以内にあるとき前記主機の位相を遅れとし、これにより前記従機電動機の速度を減速することにより原点合わせを行い、前記位相偏差が進みロック位相値と遅れロック位相値の範囲以内となったとき原点合わせの完了とし、前記進み位相最大値を正極性で前記主機および前記従機電動機の1回転に相当する位相の2分の1の値とし前記遅れ位相最小値を負極性で前記主機および前記従機電動機の1回転に相当する位相の2分の1の絶対値を有するものとして通常の同期制御に移行せしめることを特徴とし、原点合わせのときの位相偏差検出方法と同期制御のときの位相偏差検出方法を異なるものとし運転中であっても切り換えることを特徴とする従機の同期制御装置である。
【0018】
)本発明の請求項の発明は、主機に追従して従機電動機の回転速度および回転位相を精度よく同期させる従機の同期制御装置であって、順次搬送される生産工程において従機は主機の前工程に配置され、該従機電動機は従機ロータリーエンコーダーを付属し、従機には、前記主機から出力される信号により主機からの回転速度指令を常時検出する速度指令検出器と、前記主機から出力される信号により主機からの回転位相指令を常時検出する位相指令検出器と、前記従機ロータリーエンコーダーから出力される信号により前記従機電動機の回転速度を常時検出する速度フィードバック検出器と、前記従機ロータリーエンコーダーから出力される信号により前記従機電動機の回転位相を常時検出する位相フィードバック検出器が設けられ、前記位相指令検出器と前記位相フィードバック検出器の出力を演算して、原点合わせを行うときに前記主機と前記従機電動機の非対称位相偏差を出力する非対称位相偏差検出器を具備するロック付き位相偏差検出器が設けられた請求項2の同期制御装置において、前記非対称位相偏差検出器の出力を入力とする不平衡位相偏差増幅器を内蔵するものであって、該不平衡位相偏差増幅器は正極性の進み補償最大値と絶対値が該進み補償最大値より小さい負極性の遅れ補償最小値を内蔵し、原点合わせを行うときに、前記非対称位相偏差検出器は前記位相指令検出器と前記位相フィードバック検出器の出力に基づき前記主機と前記従機電動機の位相偏差を検出し、該位相偏差がゼロから正極性で前記主機および前記従機電動機の1回転に相当する位相の2分の1以上の値を有する進み位相最大値の範囲以内にあるとき前記主機の位相を進みとし、これにより前記従機電動機の速度を増速せしめる正極性の非対称位相偏差信号を出力し、前記非対称位相偏差検出器は前記位相偏差がゼロから負極性で前記主機および前記従機電動機の1回転に相当する位相の2分の1未満の絶対値を有する遅れ位相最小値の範囲以内にあるとき前記主機の位相を遅れとし、これにより前記従機電動機の速度を減速せしめる負極性の非対称位相偏差信号を出力し、前記不平衡位相偏差増幅器は、前記非対称位相偏差信号を比例増幅した位相補償信号を生成し、該位相補償信号が正極性のとき該位相補償信号が前記進み補償最大値以下のときは該位相補償信号を出力とし該位相補償信号が前記進み補償最大値を越えるときは該進み補償最大値を出力として増速により原点合わせを行い、前記不平衡位相偏差増幅器は、前記位相補償信号が負極性のとき前記位相補償信号が前記遅れ補償最小値以上のときは該位相補償信号を出力とし該位相補償信号が遅れ補償最小値未満のときは該遅れ補償最小値を出力として減速により原点合わせを行い、前記従機電動機が増速または減速して原点合わせを行うときに減速の補償量を増速の補償量よりも小さくすることを特徴とし、前記非対称位相偏差信号が進みロック位相値と遅れロック位相値の範囲以内となったとき原点合わせの完了とし、前記進み補償最大値と前記遅れ補償最小値の絶対値を等しくして高精度の同期制御に移行せしめることを特徴とし、原点合わせのときと同期制御のときで進み補償最大値と遅れ補償最小値を異なる値とすることを特徴とし運転中であっても切り換えることを特徴とする従機の同期制御装置である。
【0019】
【発明の実施の形態】
図1は本発明による同期制御装置をシャフトレス輪転印刷機に用いた実施例を説明する図であり、図2、図3、図4、図5および図6は請求項1の非対称位相偏差検出器について説明するもので、図2は非対称位相偏差検出器の全体の構成を説明する図、図3は非対称位相偏差検出器の出力を説明する図、図4は非対称位相偏差検出器の実施例、図5は図4で示した実施例の非対称位相偏差検出器の詳細を説明する図、図6は図2から図5で説明する非対称位相偏差検出器による進みと遅れ検出を説明する図である。
図7、図8および図9は請求項2の一方向位相偏差検出器について説明するもので、図7は一方向位相偏差検出器の全体の構成を説明する図であり、図8は一方向位相偏差検出器の出力を説明する図、図9は一方向位相偏差検出器の実施例である。
図10、図11、図12および図13は請求項3のロック付き位相偏差検出器について説明するもので、図10はロック付き位相偏差検出器の全体の構成を説明する図であり、図11はロック付き位相偏差検出器の動作を説明する図、図12はロック付き位相偏差検出器の実施例、図13はロック検出後のロック付き位相偏差検出器の位相偏差の検出を説明する図である。
図14、図15および図16は請求項4について説明し、図14は不平衡位相偏差増幅器の全体の構成を説明する図、図15は不平衡位相偏差増幅器の動作を説明する図、図16は不平衡位相偏差増幅器の実施例である。そして、図1に本発明による同期制御装置の適用例を示したが図17に別の適用例を示す。
【0020】
本発明の実施の形態の説明を容易とするため、図1により本発明による同期制御装置を用いた実施例について説明を行う。図1は前記図18の従来のシャフト連結の輪転印刷機に替えて、主機電動機とこれに同期制御により追従する従機電動機からなるシャフトレス輪転印刷機の例を示すものであり、1は給紙部、2は走行紙、3は送りロール、4は印刷部、5はアキュームロール、6は折り畳み機、7は裁断紙、8は搬送コンベアで、これらの各々の機能は前記図18で説明するものと同じでその説明は割愛する。ここで、図1では印刷部と折り畳み機を個別の電動機により高精度の同期制御により駆動しこの間のシャフトを排除したシャフトレス輪転印刷機である。
【0021】
10は主機主電源開閉器、11は主機速度設定器、12は主機駆動装置、13は主機電動機、14は主機ロータリーエンコーダーでありこれらは折り畳み機6を駆動するものである。すなわち、図1では折り畳み機6を主機とし、該折り畳み機6の主機駆動装置12は主機速度設定器11による信号を速度指令とし主機電動機13に付属する主機ロータリーエンコーダー14が出力する信号を速度フィードバックとして主機電動機13を速度制御により駆動する。つぎに、20は従機主電源開閉器、22は従機同期駆動装置、23は従機電動機、24は従機ロータリーエンコーダー、25はシャフトであり、これらは印刷部4を駆動するものである。従機同期駆動装置22は本発明による原点合わせと同期制御の機能を内蔵するコントローラで、前記主機ロータリーエンコーダー14が出力する信号を指令とし従機電動機23に付属する従機ロータリーエンコーダー24が出力する信号をフィードバックとして印刷部4を駆動するものである。
【0022】
運転を開始するときの主機と従機の原点合わせに際して、従機電動機23が増速して原点合わせを行うと走行紙2が弛みとなるがこれはアキュームロール5にて吸収され得るもので破断に至らないが、従機電動機23が減速して原点合わせを行うと走行紙2は印刷部4と折り畳み機6の間において張りとなり走行紙の破断に陥るものであるが、本発明の従機同期駆動装置22の作用により走行紙が破断することなく原点合わせを行い高精度の同期制御に連続して移行せしめるものである。以下に従機同期駆動装置22における本発明の実施の形態について説明する。
【0023】
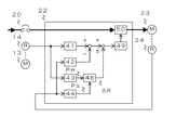
(1)実施例1
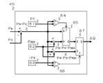
図2は本発明の実施例1の非対称位相偏差検出器を用いた全体の構成図であり、本実施例は図1の従機同期駆動装置22の内部構成を示すものである。また、図3は実施例1の非対称位相偏差検出器の出力を説明する図、図4は非対称位相偏差検出器の実施例を説明する図、図5は図4の実施例の動作の詳細を説明する図であり図6は非対称位相偏差検出器が検出する位相の進みと遅れを説明するものである。
【0024】
本発明の実施例1について説明する。図2において主機電動機13、主機ロータリーエンコーダー14、従機主電源開閉器20、従機同期駆動装置22、従機電動機23および従機ロータリーエンコーダー24は図1で同じ記号を付すものと同じ機能を有しそれぞれの説明は割愛する。つぎに41は速度指令検出器、42は速度フィードバック検出器、43は位相指令検出器、44は位相フィードバック検出器、45は非対称位相偏差検出器、49は前置増幅器、50は駆動装置である。前記速度指令検出器41は主機ロータリーエンコーダー14からの信号より速度を検出しこれを主機速度指令として出力し、速度フィードバック検出器42は従機ロータリーエンコーダー24からの信号より速度を検出しこれを従機速度フィードバックとして出力し主機速度指令と従機速度フィードバックは加減算された後、後述する非対称位相偏差検出信号ΔQと演算されるものである。つぎに、位相指令検出器43は主機ロータリーエンコーダー14からの信号より主機位相指令検出値Pmを検出して出力し、位相フィードバック検出器44は従機ロータリーエンコーダー24からの信号より従機位相フィードバック検出値Psを検出して出力する。非対称位相偏差検出器45は本発明の実施例1によるもので、主機位相指令検出値Pmと従機位相フィードバック検出値Psを入力し非対称位相偏差検出信号ΔQを出力する。該非対称位相偏差検出信号ΔQは前述したとおり主機速度指令と従機速度フィードバックの加減算により生成された信号とさらに演算した後、前置増幅器49を介して駆動装置50を制御し従機電動機23の原点合わせを行うものである。
【0025】
非対称位相偏差検出器45の出力の形態について図3により説明する。図3において横軸は主機電動機と従機電動機の度数で表す位相偏差、縦軸は非対称位相偏差検出器45が出力する非対称位相偏差検出信号ΔQを示す。また、縦軸に記載のPmaxは図20において説明するものと同様に主機ロータリーエンコーダー14と従機ロータリーエンコーダー24の1回転当たりの最大位相検出値をPmaxとしている。そして、主機電動機は横軸が正の領域は進みで負の領域は遅れとなり、主機電動機が進みの領域においては横軸の(+180°)より大きい、換言すればPmaxの2分の1より大きい後述する進み位相最大値Pfまでの進みを検出し、主機電動機が遅れの領域においては横軸の(−180°)より大きくこれも換言すれば(−Pmax)の2分の1より大きい後述する遅れ位相最小値(−Pd)までの遅れを検出するものであり、図3に示すとおりΔQは進み位相と遅れ位相の検出において非対称であることを特徴とする。
【0026】
図3に示す非対称位相偏差検出信号ΔQを生成する前記非対称位相偏差検出器45の一実施例を図4に示す。図4において非対称位相偏差検出器45、主機位相指令検出値Pm、従機位相フィードバック検出値Ps、非対称位相偏差検出信号ΔQおよびロータリーエンコーダーの1回転当たりの最大位相検出値Pmaxは前記図3で説明したものと同じでその説明は割愛する。そして、61、62、63は係数器、64、66は比較器、65、67はセレクターであり、係数器61が出力するPfは進み位相最大値でつぎの式(5)で示す範囲の値とし、係数器63が出力する(−Pd)は遅れ位相最小値でつぎの式(6)で示す値とするものである。
(Pmax/2)<Pf<Pmax …………(5)
−Pd=−(Pmax−Pf)であり
(−Pmax/2)<(−Pd)<0 …………(6)
【0027】
非対称位相偏差検出器45は主機位相指令検出値Pmと従機位相フィードバック検出値Psを入力としこれを加減算することにより(Pm−Ps)なる位相偏差信号を生成する。ここで、主機位相指令検出値Pmと従機位相フィードバック検出値Psは例えば16ビット幅の数値データであり、図4に示すとおり数値データの流れを太線で示す。そして、位相偏差信号(Pm−Ps)はセレクター65の数値データ入力Aに入力されるが、セレクター65は選択入力Sにより選択される2つのAおよびBで示す数値データ入力を有しこれのどちらかを数値データ出力Qに出力するもので、選択入力Sが0のときは数値データ入力Aを、選択入力Sが1のときは数値データ入力Bを数値データ出力Qに出力する。そして、係数器62はロータリーエンコーダー1回転当たりの最大位相検出値Pmaxを出力し、これは前記位相偏差信号(Pm−Ps)と加減算され(Pm−Ps−Pmax)なる値がセレクター65の数値データ入力Bに入力される。一方、コンパレータ64の入力は係数器61が出力する進み位相最大値Pfと前記位相偏差信号(Pm−Ps)であり、該コンパレータ64は位相偏差信号(Pm−Ps)が進み位相最大値Pf以下のときは0をそれ以外のときは1を出力する。上記を要約すればセレクター65の数値データ出力Qはコンパレータ64の作用により、つぎの式(7)、式(8)のとおりとなる。
Pf<(Pm−Ps)のとき (Pm−Ps−Pmax)…………(7)
(Pm−Ps)≦Pfのとき (Pm−Ps) …………(8)
ここで、コンパレータ64の出力は上述のとおり0または1の制御信号であり、制御信号を図4に細線で示す。
【0028】
図4のセレクター67は前記セレクター65と同じ機能を有し数値データ入力Aにはセレクター65の数値データ出力Qが入力され、数値データ入力Bには主機位相指令検出値Pm、従機位相フィードバック検出値Psとロータリーエンコーダー1回転当たりの最大位相検出値Pmaxを加減算することにより生成される(Pm−Ps+Pmax)が入力される。つぎに、比較器66には位相偏差信号(Pm−Ps)と係数器63が出力する遅れ位相最小値(−Pd)が入力され、位相偏差信号(Pm−Ps)が遅れ位相最小値(−Pd)以上のときは0をそれ以外のときは1を出力しセレクター67の選択入力Sに送られる。該比較器66の作用によりセレクター67の数値データ入力A、Bの一方が選択され数値データ出力Qから出力するものであるが、式(7)、式(8)を踏まえ上記を要約すればセレクター67の出力はつぎの式(9)、式(10)、式(11)のとおりとなり非対称位相偏差検出信号ΔQとなる。
Pf<(Pm−Ps)のとき
ΔQ=(Pm−Ps−Pmax) …………(9)
−Pd≦(Pm−Ps)≦Pfのとき
ΔQ=(Pm−Ps) …………(10)
(Pm−Ps)<−Pdのとき
ΔQ=(Pm−Ps+Pmax) …………(11)
【0029】
図5の(a)、(b)および(c)により図4の動作と上記式(9)から式(11)について説明する。図5の(a)は前記位相偏差信号(Pm−Ps)の遷移を、図5の(b)、(c)は非対称位相偏差検出信号ΔQの遷移を示し、図5の(c)は前記図20の(i)で示した従来例との相違を示すものである。はじめに、図5の(a)において横軸は度数による主機と従機の位相偏差であり縦軸は前記位相偏差(Pm−Ps)を示し、主機位相指令検出値Pmと従機位相フィードバック検出値Psはそれぞれ独立してゼロからPmaxの範囲で変化するので位相偏差(Pm−Ps)は図示するとおり(−Pmax)からPmaxの範囲で変化することとなる。そして、図中の進み位相最大値Pfと遅れ位相最小値(−Pd)は図4の係数器61と63の出力を示し、位相偏差(Pm−Ps)が進み位相最大値Pfを越えて大きいときは式(9)の補正がなされ、位相偏差(Pm−Ps)が遅れ位相最小値(−Pd)を越えて小さいときは式(11)の補正がなされ非対称位相偏差検出信号ΔQは図5の(b)に示すとおり遷移することとなる。ここで、本発明においては非対称位相偏差検出信号ΔQを1回転以下で検出するものであること、および図5の(b)の▲1▼点は進み位相がPfであり▲2▼点は遅れ位相が(−Pd)であることを示しているがこの▲2▼点は進み位相で言えば▲3▼点のPfとなり▲1▼点に戻ることとなる。それゆえ、図5の(b)は図5の(C)のとおりX軸が360°の範囲で表せるものであり前記図3の非対称位相偏差検出器の出力を説明する図となる。かように、図20の(i)で示した従来例の位相偏差検出と異なり、本発明では位相偏差ΔQを進みと遅れを非対称で検出するものである。そして、該非対称位相偏差検出信号ΔQを前記図2の速度指令検出器41と速度フィードバック検出器42を加減算した後で演算することにより原点合わせを行うものである。
【0030】
図6は図21の従来例と対比して、本発明による主機電動機と従機電動機の非対称位相偏差検出信号ΔQによる進みと遅れの検出の相違を説明するもので、図6の(a)は主機電動機の原点Zmが正のX軸上にある場合を示し図6の(b)は従機電動機を示し、従機電動機の原点が白抜きで示す領域にあれば主機電動機が遅れでありこの時は従機電動機を減速するように、従機電動機の原点が黒塗りで示す領域にあれば主機電動機が進みとなりこの時は従機電動機が増速するよう原点合わせを行う。これから明かであるとおり本発明によれば、シャフトレス輪転印刷機の原点合わせを行うに際して主機電動機が進みとなる確率を高くすることにより従機電動機が減速するよりも増速する場合を多くいたらしめ、走行紙を破断させることがなく連続して同期制御に移行せしめるものである。
【0031】
(2)実施例2
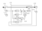
図7は本発明の実施例2の一方向位相偏差検出器を用いた全体の構成図であり、該図7は前記図1の従機同期駆動装置22の内部構成を示すものであり、図8は実施例2の一方向位相偏差検出器の出力を説明する図、図9は一方向位相偏差検出器の実施例を説明するものである。
【0032】
図7において主機電動機13、主機ロータリーエンコーダー14、従機主電源開閉器20、従機同期駆動装置22、従機電動機23および従機ロータリーエンコーダー24は図1で同じ記号を付すものと同じ機能を有しそれぞれの説明は割愛し、速度指令検出器41、速度フィードバック検出器42、位相指令検出器43、位相フィードバック検出器44、前置増幅器49、駆動装置50、主機位相指令検出値Pmおよび従機位相フィードバック検出値Psは図2で同じ記号を付すものと同じ機能を有す。そして、46は一方向位相偏差検出器、ΔRは一方向位相偏差検出信号で、該一方向位相偏差検出器46が本発明の実施例2によるものである。速度指令検出器41は主機ロータリーエンコーダー14からの信号より速度を検出しこれを主機速度指令として出力し、前記速度フィードバック検出器42は従機ロータリーエンコーダー24からの信号より速度を検出しこれを従機速度フィードバックとして出力し主機速度指令と従機速度フィードバックは加減算された後、後述する一方向位相偏差検出信号ΔRと演算されるものである。そして、位相指令検出器43は主機ロータリーエンコーダー14からの信号より主機位相指令検出値Pmを検出して出力し、位相フィードバック検出器44は従機ロータリーエンコーダー24からの信号より従機位相フィードバック検出値Psを検出しこれを出力する。本発明による一方向位相偏差検出器46は、主機位相指令検出値Pmと従機位相フィードバック検出値Psを入力し一方向位相偏差検出信号ΔRを出力する。該一方向位相偏差検出信号ΔRは前述したとおり主機速度指令と従機速度フィードバックの加減算により生成された信号とさらに演算した後、前置増幅器49を介して駆動装置50を制御し従機電動機23の原点合わせを行うものである。
【0033】
一方向相偏差検出器46の出力の形態について図8により説明する。図8において横軸は主機電動機と従機電動機の度数で表す位相偏差、縦軸は一方向位相偏差検出器46が検出する一方向位相偏差検出信号ΔRを示す。また、縦軸に記載のPmaxは図20において説明するものと同様に主機ロータリーエンコーダー14と従機ロータリーエンコーダー24の1回転当たりの最大位相検出値をPmaxとしている。そして、主機電動機は横軸が正の領域は進みであり負の領域は遅れであるが、一方向位相偏差検出信号ΔRはゼロからPmaxの範囲とし常に主機電動機を進みとして検出することを特徴とする。
【0034】
図8に示す一方向位相偏差検出信号ΔRを生成する一方向位相偏差検出器46の一実施例を図9に示す。図9において一方向位相偏差検出器46、主機位相指令検出値Pm、従機位相フィードバック検出値Ps、一方向位相偏差検出信号ΔRおよびロータリーエンコーダーの1回転当たりの最大位相検出値Pmaxは前記図7および図8で説明したものと同じでそれぞれの説明は割愛する。そして、60、62は係数器、66は比較器、67はセレクターである。まず、一方向位相偏差検出器46は主機位相指令検出値Pmと従機位相フィードバック検出値Psを入力としこれを加減算することにより(Pm−Ps)なる位相偏差信号を生成する。そして、図5において説明したように主機位相指令検出値Pmと従機位相フィードバック検出値Psはそれぞれ独立してゼロからPmaxの範囲で変化するので位相偏差(Pm−Ps)は(−Pmax)からPmaxの範囲で変化するものである。該位相偏差(Pm−Ps)はセレクター67の数値データ入力Aに入力され、一方、セレクター67の数値データ入力Bには位相偏差(Pm−Ps)に係数器62が出力する最大位相検出値Pmaxを加算した(Pm−Ps+Pmax)が入力される。そして、セレクター67の選択入力Sにはコンパレータ66の出力が接続され、該コンパレータ66は位相偏差(Pm−Ps)と係数器60が出力するゼロを比較する。そして、位相偏差(Pm−Ps)がゼロ以上のとき0をセレクター67の選択入力Sに出力し、これによりセレクター67は数値データ入力Aを数値データ出力Qに出力する。つぎに、位相偏差(Pm−Ps)がゼロ未満のときは1をセレクター67の選択入力Sに出力し、これによりセレクター67は数値データ入力Bを数値データ出力Qに出力し一方向位相偏差検出信号ΔRが得られるものである。
【0035】
要約すればつぎの式(12)、式(13)となり、一方向位相偏差検出信号ΔRは常に正極性で得ることとなり図8に示すものとなる。
0≦(Pm−Ps)≦Pmaxのとき
ΔR=(Pm−Ps) …………(12)
(−Pmax)≦(Pm−Ps)<0のとき
ΔR=(Pm−Ps+Pmax) …………(13)
図7においてかような一方向位相偏差検出信号ΔRを出力する一方向位相検出器46を用いれば、原点合わせを行うとき常に主機電動機が進みとなり一方向位相偏差検出信号ΔRは正極性であるため従機電動機が増速するよう原点合わせを行う。この本発明によりシャフトレス輪転印刷機の原点合わせを行うに際して、走行紙が薄いものであっても伸縮性の少ないものであっても従機電動機を常に増速せしめ、走行紙を破断させることなく原点合わせを完了し連続して同期制御に移行せしめるものである。
【0036】
(3)実施例3
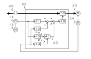
図10は本発明の実施例3のロック付き位相偏差検出器を用いた全体の構成図であり、図1の従機同期駆動装置22の内部構成を示す。図11は実施例3のロック付き位相偏差検出器の動作を説明する図、図12はロック付き位相偏差検出器の実施例を説明する図、図13は図12の実施例におけるロック検出後の位相偏差検出を説明するものである。
【0037】
図10において主機電動機13、主機ロータリーエンコーダー14、従機主電源開閉器20、従機同期駆動装置22、従機電動機23および従機ロータリーエンコーダー24は図1で同じ記号を付すものと同じ機能を有しそれぞれの説明は割愛し、速度指令検出器41、速度フィードバック検出器42、位相指令検出器43、位相フィードバック検出器44、前置増幅器49、駆動装置50、主機位相指令検出値Pmおよび従機位相フィードバック検出値Psは図2で同じ記号を付すものと同じ機能を有す。47はロック付き位相偏差検出器、ΔSはロック付き位相偏差検出信号で、該ロック付き位相偏差検出器47が本発明の実施例3によるものである。
【0038】
図10についてさらに説明を行うと、速度指令検出器41は主機ロータリーエンコーダー14からの信号より速度を検出しこれを主機速度指令として出力し、速度フィードバック検出器42は従機ロータリーエンコーダー24からの信号より速度を検出しこれを従機速度フィードバックとして出力し主機速度指令と該従機速度フィードバックは加減算された後、後述するロック付き位相偏差検出信号ΔSと演算されるものである。そして、位相指令検出器43は主機ロータリーエンコーダー14からの信号より主機位相指令検出値Pmを検出して出力し、位相フィードバック検出器44は従機ロータリーエンコーダー24からの信号より従機位相フィードバック検出値Psを検出しこれを出力する。本発明によるロック付き位相偏差検出器47は、主機位相指令検出値Pmと従機位相フィードバック検出値Psを入力としロック付き位相偏差検出信号ΔSを出力する。該ロック付き位相偏差検出信号ΔSは前述したとおり主機速度指令と従機速度フィードバックの加減算により生成された信号とさらに演算した後、前置増幅器49を介して駆動装置50を制御し、従機電動機23の原点合わせを行った後連続して高精度の同期制御を行うものである。すなわち、本実施例3は原点合わせを完了し円滑に同期制御に移行せしめることに特徴がある。
【0039】
前記ロック付き位相偏差検出器47の動作について図11の(a)と(b)により説明する。図11の(a)は原点合わせ中の位相偏差検出と後述する位相偏差ロックの動作を説明する図であり、図11の(b)は原点合わせを完了し同期制御に移行したときの位相偏差検出を示す。まず、図11の(a)において横軸は主機電動機と従機電動機の度数で表す位相偏差、縦軸はロック付き位相偏差検出器47が検出するロック付き位相偏差検出信号ΔSを示す。また、縦軸に記載のPmaxは前記図20において説明するものと同様に主機ロータリーエンコーダー14と従機ロータリーエンコーダー24の1回転当たりの最大位相検出値をPmaxとし、Pfと(−Pd)はそれぞれ前記図3で示す進み位相最大値、遅れ位相最小値であり、図11の(a)においては原点合わせ中は前記図3と同じく非対称位相偏差検出とするものである。
【0040】
図11の(a)においてPf1は進みロック位相値、(−Pd1)は遅れロック位相値で本実施例3の特徴を成すもので、例えば原点合わせを行うときに図11の(a)の主機が進みである点▲1▼から開始したとすれば、位相偏差は矢印で示す方向に小さくなりやがて進みロック位相値Pf1である点▲2▼に至り、これ以降の位相偏差検出は後述する図11の(b)の対称位相偏差検出とするものである。また、原点合わせを行うときに図11の(a)の主機が遅れである点▲3▼から開始したとすれば、位相偏差はこれも矢印で示す方向に小さくなりやがて遅れロック位相値(−Pd1)である点▲4▼に至り、これ以降の位相偏差検出も後述する図11の(b)の対称位相偏差検出とするものである。つぎに、図11の(b)は原点合わせを完了した後の同期制御中のロック付き位相偏差検出信号ΔSの出力の遷移を示すもので、該ΔSは主機電動機と従機電動機の位相偏差を(−Pmax/2)から(Pmax/2)の範囲で対称に検出するものである。
【0041】
同期制御中の位相偏差検出をこの図11の(b)とする必要性は例えば原点位置調整を行うためで、図1において輪転印刷機の走行紙2は折り畳み機6において裁断されるが、このとき走行紙は印刷位置と裁断位置を合わせるため従機電動機の原点位置調整(図示しない)を精度良く行わなければならない。この原点位置調整は従機電動機が遅れまたは進み方向のどちらかに等しく実施され得るものであるが、同期制御中も図11の(a)の非対称位相偏差検出とすると原点位置調整は(−Pd)からPfの範囲で設定しうるものであるが、遅れ位相最小値(−Pd)は通常小さく設定するものでこのとき従機電動機が進み方向に(−Pd)を越えて設定することが不可能となる。これにより同期制御中は図11の(b)の対称位相偏差検出とし原点位置調整も(−Pmax/2)から(Pmax/2)の範囲で可能とするものである。
【0042】
図11に示すロック付き位相偏差検出信号ΔSを生成するロック付き位相偏差検出器47の一実施例を図12に示す。図12において、ロック付き位相偏差検出器47、主機位相指令検出値Pm、従機位相フィードバック検出値Ps、ロック付き位相偏差検出信号ΔSおよびロータリーエンコーダーの1回転当たりの最大位相検出値Pmaxは図10および図11で説明したものと同じでその説明は割愛する。そして係数器61、係数器62、係数器63、比較器64、比較器66、セレクター65、セレクター67および進み位相最大値Pf、遅れ位相最小値(−Pd)は前記図4と同一の機能を有し図11の(a)の非対称位相偏差検出信号を得るものである。そして、図12の71は進みロック位相値Pf1を出力する係数器、73は遅れロック位相値(−Pd1)を出力する係数器、77は(Pmax/2)を出力する係数器、79は(−Pmax/2)を出力する係数器、72、74は比較器、75はANDゲート、76はR−Sフリップフロップおよび78、80はセレクターでこれらはロック付き位相偏差検出器47の特徴を成すものである。
【0043】
ロック付き位相偏差検出器47は主機位相指令検出値Pmと従機位相フィードバック検出値Psを入力とし、これを加減算することにより(Pm−Ps)なる位相偏差信号を生成し比較器72と比較器74に入力される。該比較器72は位相偏差信号(Pm−Ps)が係数器71が出力する進みロック位相値Pf1以下であるとき1をそれ以外のときは0を出力しANDゲート75の入力となる。一方、比較器74は位相偏差信号(Pm−Ps)が係数器73が出力する遅れロック位相値(−Pd1)以上であるとき1をそれ以外のときは0を出力しANDゲート75の他方の入力となる。これにより、ANDゲート75はつぎの式(14)のとき1を出力しこれ以外のときは0を出力することとなる。
(−Pd1)≦(Pm−Ps)≦Pf1 …………(14)
ここで、上記進みロック位相値Pf1と遅れロック位相値(−Pd1)の絶対値は異なるものとしつぎの式(15)の大小関係とするものである。
Pd1<Pf1 …………(15)
R−Sフリップフロップ76のリセット入力Rには例えば中央監視装置(図示しない)から図10の従機電動機23を停止するときは1となり運転するときは0となる信号STOPが接続され、これにより従機電動機23が停止中はR−Sフリップフロップ76の出力は0となる。そして、従機電動機23が運転されると信号STOPは0となりリセット入力Rに入力され、つぎに位相偏差が式(14)を満たすとセット入力Sは1となることによりR−Sフリップフロップ76の出力は0から1となり、この出力はつぎに従機電動機23が停止されるまで1にロックされる。ゆえに、R−Sフリップフロップ76の出力はロック信号LOCKと言えるものであって、ロック付き位相偏差信号ΔSはロック信号LOCKが0のときは図11の(a)の位相偏差検出を行い、ロック信号LOCKが1のときは図11の(b)の位相偏差検出を行うものであり、つぎにこの動作について図11を参照しつつ図12についてさらに説明する。
【0044】
従機電動機23の運転を開始するにあたり、位相偏差(Pm−Ps)が式(14)以外の値であるときロック信号LOCKは上記で示したとおり0となる。これによりセレクター78の選択入力Sは数値データ入力Aから入力される進み位相最大値Pfを数値データ出力Qに出力し、これは図11の(a)におけるPfとなる。同様に、セレクター80は選択入力Aから入力される遅れ位相最小値(−Pd)を数値データ出力Qに出力し、これは図11の(a)における(−Pd)となる。
【0045】
位相偏差(Pm−Ps)が進み位相最大値Pfを越えて大きいときコンパレータ64はセレクター65の選択入力Sに1を出力しコンパレータ66はセレクター67の選択入力に0を出力する。これによりセレクター65は数値データ入力Bに入力される(Pm−Ps−Pmax)を出力しセレクター67の選択入力Aを経てロック付き位相偏差検出信号ΔSとなり、この動作は前記(9)式でΔQをΔSに置き換えたもので下記の式(16)となる。
Pf<(Pm−Ps)のとき
ΔS=(Pm−Ps−Pmax) …………(16)
また、位相偏差(Pm−Ps)が進み位相最大値Pf以下で遅れ位相最小値(−Pd)以上のときコンパレータ64はセレクター65の選択入力Sに0を出力しコンパレータ66もセレクター67の選択入力に0を出力する。これによりセレクター65は数値データ入力Aに入力される(Pm−Ps)を出力しセレクター67の選択入力Aを経てロック付き位相偏差検出信号ΔSとなり、この動作は式(10)でΔQをΔSに置き換えたもので下記の式(17)となる。
−Pd≦(Pm−Ps)≦Pfのとき
ΔS=(Pm−Ps) …………(17)
そして、位相偏差(Pm−Ps)が遅れ位相最小値(−Pd)を越えて小さいときコンパレータ66はセレクター67の選択入力に1を出力する。これによりセレクター67は数値データ入力Bに入力される(Pm−Ps+Pmax)が数値データ出力Qに出力されてロック付き位相偏差検出信号ΔSとなり、この動作は前記(11)式でΔQをΔSに置き換えたもので下記の式(18)となる。
(Pm−Ps)<−Pdのとき
ΔS=(Pm−Ps+Pmax) …………(18)
かようにして、原点合わせ中に上記式(16)、式(17)、式(18)により図11の(a)のロック付き位相偏差検出信号ΔSが得られることとなる。
【0046】
該ロック付き位相偏差検出信号ΔSを補正として原点合わせを行い、位相偏差(Pm−Ps)が前記(14)式に示す範囲内の値となったときロック信号LOCKが1となるのは前記において説明したとおりであり、該ロック信号LOCKの1がセレクター78とセレクター80の選択入力Sに入力されることにより、セレクター78は選択入力Bに入力された(Pmax/2)をセレクター80は選択入力Bに入力された(−Pmax/2)をそれぞれ出力することとなる。そして、比較器64、66およびセレクター65、67の作用によるロック付き位相偏差検出信号ΔSは、前記式(16)、式(17)および式(18)において進み位相最大値Pfと遅れ位相最小値(−Pd)をそれぞれ(Pmax/2)と(−Pmax/2)に置き換えたつぎの式(19)、式(20)および式(21)となる。
(Pmax/2)<(Pm−Ps)のとき
ΔS=(Pm−Ps−Pmax) …………(19)
(−Pmax/2)≦(Pm−Ps)≦(Pmax/2)のとき
ΔS=(Pm−Ps) …………(20)
(Pm−Ps)<(−Pmax/2)のとき
ΔS=(Pm−Ps+Pmax) …………(21)
【0047】
図13はロック検出後の位相偏差検出を説明する図で、式(19)、式(20)および式(21)をさらに図により説明するものであり、図13の(a)は位相偏差(Pm−Ps)の遷移を、図13の(b)、(C)はロック検出後のロック付き位相偏差検出信号ΔSの遷移を示す。まず、図13の(a)は前記図5の(a)と同様に、横軸は度数による主機と従機の位相偏差であり縦軸は前記位相偏差(Pm−Ps)を示し、主機位相指令検出値Pmと従機位相フィードバック検出値Psはそれぞれ独立してゼロからPmaxの範囲で変化するので位相偏差(Pm−Ps)は図示するとおり(−Pmax)からPmaxの範囲で変化するものである。そして、位相偏差(Pm−Ps)が(Pmax/2)を越えて大きいとき前記(19)式の補正が、位相偏差(Pm−Ps)が(−Pmax/2)以上で(Pmax/2)以下のときは式(20)となり、位相偏差(Pm−Ps)が(−Pmax/2)未満のときは式(21)の補正がなされ、ロック付き位相偏差検出信号ΔSは図13の(b)に示す如くとなる。ここで、本発明においてはロック付き位相偏差検出信号ΔSを1回転以下で検出するものなので図13の(b)の横軸が180°から360°の範囲は−180°から0°の範囲に等しもので。これにより図13の(b)は図13の(C)のとおりとなり同期制御中のロック付き位相偏差検出信号ΔSを得るものである。
【0048】
かように、本発明においては進みロック位相値Pf1と遅れロック位相値(−Pd1)を内蔵するロック付き位相偏差検出器を考案し、式(14)と式(15)により原点合わせの完了を検出しこれをロックすることを特徴とし、原点合わせにおける位相偏差検出と同期制御における位相偏差検出を個別に備えて切り換えることを特徴とし、これにより原点合わせを行うに最適の位相偏差検出と同期制御を行うに最適の位相偏差検出を実現するものである。
【0049】
(4)実施例4
図14は本発明の実施例4の不平衡位相偏差増幅器を用いた全体の構成図で、前記図1の従機同期駆動装置22の内部構成を示すものである。また、図15は実施例4の不平衡位相偏差増幅器の動作を説明する図、図16は不平衡位相偏差増幅器の一実施例である。
【0050】
図14において主機電動機13、主機ロータリーエンコーダー14、従機主電源開閉器20、従機同期駆動装置22、従機電動機23および従機ロータリーエンコーダー24は図1で同じ記号を付すものと同じ機能を有しそれぞれの説明は割愛し、速度指令検出器41、速度フィードバック検出器42、位相指令検出器43、位相フィードバック検出器44、ロック付き位相偏差検出器47、前置増幅器49、駆動装置50、主機位相指令検出値Pmおよび従機位相フィードバック検出値Psは図10で同じ記号を付すものと同じ機能を有す。速度指令検出器41は主機ロータリーエンコーダー14からの信号より速度を検出しこれを主機速度指令として出力し、速度フィードバック検出器42は従機ロータリーエンコーダー24からの信号より速度を検出しこれを従機速度フィードバックとして出力し、該主機速度指令と従機速度フィードバックは加減算された後、後述する不平衡位相偏差増幅信号ΔUとさらに演算されるものである。そして、位相指令検出器43は主機ロータリーエンコーダー14からの信号より主機位相指令検出値Pmを検出して出力し、位相フィードバック検出器44は従機ロータリーエンコーダー24からの信号より従機位相フィードバック検出値Psを検出しこれを出力する。ロック付き位相偏差検出器47は本発明の実施例3によるもので、主機位相指令検出値Pmと従機位相フィードバック検出値Psを入力しロック付き位相偏差検出信号ΔSを出力する。つぎに、48は実施例4による不平衡位相偏差増幅器であり、ロック付き位相偏差検出信号ΔSを入力し不平衡位相偏差増幅信号ΔUを出力する。該不平衡位相偏差増幅信号ΔUは前述したとおり主機速度指令と従機速度フィードバックの加減算により生成された信号とさらに演算した後、前置増幅器49を介して駆動装置50を制御し従機電動機23の原点合わせと同期制御を行うものである。
【0051】
前記不平衡位相偏差増幅器48の動作について図15により説明する。図15の(a)と(b)は主機電動機に対して従機電動機の位相が遅れの状態から開始する原点合わせにおける不平衡位相偏差増幅器48の動作を、図15の(c)と(d)は従機電動機の位相が進みの状態から開始する原点合わせにおける不平衡位相偏差増幅器48の動作を説明するものである。
【0052】
図15の(a)は不平衡位相偏差増幅器48の出力である不平衡位相偏差増幅信号ΔUの時間的推移を示し、図15の(b)は主機電動機と従機電動機の位相の時間的推移を示す。そして、図15の(a)と(b)の時刻t1において、前述の速度指令検出器41が出力する主機速度指令と速度フィードバック検出器42が出力する従機速度フィードバックを加減算した信号に不平衡位相偏差増幅信号ΔUが補正として加えられ原点合わせを開始するとしている。さらに図15の(a)において、波線で示すものは不平衡位相偏差増幅器48の入力であるロック付き位相偏差検出信号ΔSを比例増幅した位相補償信号ΔT、実線で示すものは不平衡位相偏差増幅信号ΔUであり、Rfは進み補償最大値で従機電動機が遅れのときに増速する補償量の最大値となる。図より明かなように位相補償信号ΔTが進み補償最大値Rfを越えて大きいとき不平衡位相偏差増幅信号ΔUはこれを制限しRfとなる。この機能により、主機電動機に対して従機電動機の位相が大きく遅れているときから原点合わせを行うときであっても、過大な増速する補償量を制限し安定に原点合わせを行うものであり、図15の(b)は従機電動機が主機電動機の位相に追従し原点合わせを行う動作を表している。
【0053】
図15の(c)と(d)は主機電動機に対して従機電動機の位相が進みの状態から原点合わせを開始するときで、図15の(c)は不平衡位相偏差増幅器48の出力である不平衡位相偏差増幅信号ΔUの時間的推移を示し、図15の(d)は主機電動機と従機電動機の位相の時間的推移を示し時刻t1より原点合わせを開始するとしている。そして、図15の(c)において、波線で示すものは不平衡位相偏差増幅器48の入力であるロック付き位相偏差検出信号ΔSを比例増幅した位相補償信号ΔT、実線で示すものは不平衡位相偏差増幅信号ΔUであり、(−Rd)は遅れ補償最小値で従機電動機が進みのときに減速する補償量の最小値であり、位相補償信号ΔTが遅れ補償最小値(−Rd)を越えて小さいとき不平衡位相偏差増幅信号ΔUはこれを制限し(−Rd)となる。これにより、主機電動機に対して従機電動機の位相が大きく進んでいるときから原点合わせを行うときであっても、過大な減速する補償量を制限し安定に原点合わせを行うものであり、図15の(d)は従機電動機が主機電動機の位相に追従し原点合わせを行う動作を示している。
【0054】
さらに、進み補償最大値Rfと遅れ補償最小値(−Rd)は下記の式(22)の大小関係とすることにより、原点合わせにおいて主機電動機に対して従機電動機が遅れのときよりも進みのときは不平衡位相偏差増幅信号ΔUの絶対値を小さいものとし、これにより従機電動機が減速する補償量を小さくすることにより輪転印刷機において走行紙の破断をさらに確実に回避するものである。
0<Rd<Rf …………(22)
そして、原点合わせを完了後には進み補償最大値Rfを後述する位相補償制限値Rsに切り換え遅れ補償最小値(−Rd)を位相補償制限値(−Rs)に切り換え、連続して高精度の同期制御に移行するものである。
【0055】
図14、図15に示した不平衡位相偏差増幅信号ΔUを生成する前記不平衡位相偏差増幅器48の一実施例を図16に示す。図16において、不平衡位相偏差増幅器48、ロック付き位相偏差検出信号ΔSおよび不平衡位相偏差増幅信号ΔUは図14で説明したものと同じでその説明は割愛する。そして、81、82および84は係数器でそれぞれ進み補償最大値Rf、位相補償制限値Rsおよび遅れ補償最小値(−Rd)を出力し、83は比例増幅器、85は反転増幅器、86、87、89および91はセレクターであり、88と90は比較器である。また、LOCKは原点合わせ完了のロック信号であり前記図12において同じ記号を付すものから得られるものである。
【0056】
図16において不平衡位相偏差増幅器48はロック付き位相偏差検出信号ΔSとロック信号LOCKを入力とし、ロック信号LOCKは原点合わせ中は0で原点合わせ完了で1となるもので、該ロック信号LOCKはセレクター86とセレクター87の選択入力Sに入力されている。そして、セレクター86の数値データ入力Aには進み補償最大値Rfが入力され、数値データ入力Bには位相補償制限値Rsが入力されており、セレクター86は原点合わせ中は進み補償最大値Rfを、原点合わせ完了後は位相補償制限値Rsを出力することとなる。同様に、セレクター87は原点合わせ中は遅れ補償最小値(−Rd)を、原点合わせ完了後は係数器82の出力を反転増幅器85により反転した位相補償制限値(−Rs)を出力する。
【0057】
つぎに、比較器88は従機電動機が主機電動機より位相が遅れのときであって、位相補償信号ΔTがセレクター86の出力以下のとき0を、それ以外のときは1をセレクター89の選択入力Sに出力する。これにより主機電動機の位相が進みのとき、セレクター89の数値データ出力Qは原点合わせ中は図15の(a)に示す出力となり原点合わせ完了後は位相補償制限値Rsを最大とする出力となり、セレクター91を経て不平衡位相偏差増幅信号ΔUとなる。そして、比較器90は従機電動機が主機電動機より位相が進みのときであって、セレクター89を経由した位相補償信号ΔTがセレクター87の出力以上のとき0を、それ以外のときは1をセレクター91の選択入力Sに出力する。これにより従機電動機の位相が進みのとき、セレクター91の数値データ出力Qは原点合わせ中は図15の(c)に示す出力となり原点合わせ完了後は位相補償制限値(−Rs)を最小とする出力となり、不平衡位相偏差増幅信号ΔUが得られることとなる。
【0058】
本発明においては不平衡位相偏差増幅器を考案することにより、進み補償最大値と遅れ補償最小値を絶対値が異なる値にすると共に遅れ補償最小値の絶対値を進み補償最大値より小さくすることを特徴とし、原点合わせにおいて従機電動機が減速する補償量を小さくせしめることにより輪転印刷機において走行紙を破断することなく原点合わせを完了せしめ、原点合わせ完了後は進み補償最大値と遅れ補償最小値を絶対値が等しい位相補償制限値に切り換え、連続して高精度の同期制御に移行することを特徴とするものである。
【0059】
本発明の説明にあたって説明を容易とするために図1に本発明を適用したシャフトレス輪転印刷機の実施例を示したが、他の実施例を図17に示す。図17において給紙部1、走行紙2、印刷部4アキュームロール5、折り畳み機6、裁断紙7、搬送コンベア8、従機電源開閉器20、従機同期駆動装置22、従機電動機23および従機ロータリーエンコーダー24は図1で同じ記号を付すものと同じ機能を有しその説明は割愛する。そして、15は中央制御装置で図1の主機ロータリーエンコーダー14が出力する信号を電子的に発生せしめ、従機同期駆動装置22に主機の信号として送るものである。図17は印刷部4のシャフトをも取り去ったシャフトレス輪転印刷機の例であり、運用においては停止中に折り畳み機6のロータリーエンコーダーの位相を初期位相として通信回線(図示しない)により中央制御装置15に送り、運転を開始するときは中央制御装置15は前記初期位相を初期値として従機同期駆動装置22に主機の信号を送ればよい。他の方法として走行紙を破断せぬようにするには、折り畳み機を駆動する従機同期制御装置において原点合わせを行うときに折り畳み機を減速を主とすればよく、増速を主として説明した実施例1の非対称位相偏差検出器45、実施例2の一方向位相偏差検出器46、実施例3のロック付き位相偏差検出器47および実施例4の不平衡位相偏差増幅器47を減速を主として構成すればよい。かように図17における装置においても本発明の実施例1から実施例4を適用できるのは明かである。
【0060】
【発明の効果】
本発明は、シャフトレス輪転印刷機において走行紙を破断させることなく原点合わせを行い連続して高精度の同期制御に移行させるもので、これにより操業時間の削減、損紙の低減およびコストの削減を実現するものであり、実用上、極めて有用性の高いものである。
【図面の簡単な説明】
【図1】本発明の実施例1から実施例4による同期制御装置をシャフトレス輪転印刷機に適用した例を説明する図である。
【図2】本発明の実施例1の全体の構成を説明する図である。
【図3】実施例1の出力を説明する図である。
【図4】実施例1の詳細の構成を説明する図である。
【図5】図4の動作の説明である。
【図6】図4による進み位相と遅れ位相検出の説明である。
【図7】本発明の実施例2の全体の構成を説明する図である。
【図8】実施例2の出力を説明する図である。
【図9】実施例2の詳細の構成を説明する図である。
【図10】本発明の実施例3の全体の構成を説明する図である。
【図11】実施例3の動作を説明する図である。
【図12】実施例3の詳細の構成を説明する図である。
【図13】図12の動作の説明である。
【図14】本発明の実施例4の全体の構成を説明する図である。
【図15】実施例4の動作を説明する図である。
【図16】実施例4の詳細の構成を説明する図である。
【図17】図1と異なる本発明の実施例1から実施例4による同期制御装置をシャフトレス輪転印刷機に適用した例を説明する図である。
【図18】シャフト有りの従来の輪転印刷機を説明する図である。
【図19】従来の位相偏差検出の構成を説明する図である。
【図20】図19の動作の説明図(1)である。
【図21】図19の動作の説明図(1)である。
【符号の説明】
1 給紙部
2 走行紙
3 送りロール
4 印刷部
5 アキュームロール
6 折り畳み機
7 裁断紙
8 搬送コンベア
10 主機電源開閉器
11 主機速度設定器
12 主機駆動装置
13 主機電動機
14 主機ロータリーエンコーダー
15 中央制御装置
20 従機主電源開閉器
22 従機同期駆動装置
23 従機電動機
24 従機ロータリーエンコーダー
25 シャフト
26 シャフト
41 速度指令検出器
42 速度フィードバック検出器
43 位相指令検出器
44 位相フィードバック検出器
45 非対称位相偏差検出器
46 一方向位相偏差検出器
47 ロック付き位相偏差検出器
48 不平衡位相偏差増幅器
49 前置増幅器
50 駆動装置
60 係数器
61 係数器
62 係数器
63 係数器
64 比較器
65 セレクター
66 比較器
67 セレクター
71 係数器
72 比較器
73 係数器
74 比較器
75 ANDゲート
76 R−Sフリップフロップ
77 比較器
78 セレクター
79 比較器
80 セレクター
100 主電源開閉器
101 速度設定器
102 駆動装置
103 電動機
104 ロータリーエンコーダー
113 主機電動機
114 主機ロータリーエンコーダー
122 同期制御装置
123 従機電動機
124 従機ロータリーエンコーダー
143 位相指令検出器
144 位相フィードバック検出器
145 位相偏差検出器
Pmax ロータリーエンコーダー1回転当たりの最大位相検出値
Pm 主機位相指令検出値
Ps 従機位相フィードバック検出値
Pf 進み位相最大値
−Pd 遅れ位相最小値
Pf1 進みロック位相値
−Pd1 遅れロック位相値
ΔP 位相偏差検出値
ΔQ 非対称位相偏差検出信号
ΔR 一方向位相偏差検出信号
ΔS ロック付き位相偏差検出信号
ΔU 不平衡位相偏差増幅信号
Zm 主機電動機の原点
Zs 従機電動機の原点

Claims (3)

  1. 主機に追従して従機電動機の回転速度および回転位相を精度よく同期させる従機の同期制御装置であって、順次搬送される生産工程において従機は主機の前工程に配置され、該従機電動機は従機ロータリーエンコーダーを付属し、従機には、前記主機から出力される信号により主機からの回転速度指令を常時検出する速度指令検出器と、前記主機から出力される信号により主機からの回転位相指令を常時検出する位相指令検出器と、前記従機ロータリーエンコーダーから出力される信号により前記従機電動機の回転速度を常時検出する速度フィードバック検出器と、前記従機ロータリーエンコーダーから出力される信号により前記従機電動機の回転位相を常時検出する位相フィードバック検出器が設けられ、前記位相指令検出器と前記位相フィードバック検出器の出力を演算して前記主機と前記従機電動機の一方向位相偏差を出力する一方向位相偏差検出器が設けられるものであって、原点合わせを行うときに、前記一方向位相偏差検出器は前記位相指令検出器と前記位相フィードバック検出器の出力に基づき前記主機と前記従機電動機の位相偏差を検出し、該位相偏差がゼロから正極性で前記主機および前記従機電動機の1回転に相当する位相を進み位相最大値とするとともに遅れ位相最小値をゼロとし、これにより前記主機の位相を常に進みとして検出し、これにより前記従機電動機の速度を増速することにより原点合わせを行い、前記主機と前記従機電動機の原点合わせに際して、前記従機電動機が減速すること無く常に増速して原点合わせを行うことを特徴とする従機電動機の同期制御装置。
  2. 主機に追従して従機電動機の回転速度および回転位相を精度よく同期させる従機の同期制御装置であって、順次搬送される生産工程において従機は主機の前工程に配置され、該従機電動機は従機ロータリーエンコーダーを付属し、従機には、前記主機から出力される信号により主機からの回転速度指令を常時検出する速度指令検出器と、前記主機から出力される信号により主機からの回転位相指令を常時検出する位相指令検出器と、前記従機ロータリーエンコーダーから出力される信号により前記従機電動機の回転速度を常時検出する速度フィードバック検出器と、前記従機ロータリーエンコーダーから出力される信号により前記従機電動機の回転位相を常時検出する位相フィードバック検出器が設けられ、前記位相指令検出器と前記位相フィードバック検出器の出力を演算して、進み位相最大値と遅れ位相最小値の範囲の非対称位相偏差を出力する同期制御装置において、前記主機と前記従機電動機のロック付き位相偏差を出力するロック付き位相偏差検出器が設けられ、該ロック付き位相偏差検出器には絶対値が異なる進みロック位相値と遅れロック位相値を内蔵することを特徴とし、原点合わせを行うときに、前記ロック付き位相偏差検出器は前記位相指令検出器と前記位相フィードバック検出器の出力に基づき前記主機と前記従機電動機の位相偏差を検出し、該位相偏差がゼロから正極性で前記主機および前記従機電動機の1回転に相当する位相の2分の1以上の値を有する進み位相最大値の範囲以内にあるとき前記主機の位相を進みとし、これにより前記従機電動機の速度を増速することにより原点合わせを行い、前記位相偏差が進みロック位相値と遅れロック位相値の範囲以内となったとき原点合わせの完了とし、前記進み位相最大値を正極性で前記主機および前記従機電動機の1回転に相当する位相の2分の1の値とし前記遅れ位相最小値を負極性で前記主機および前記従機電動機の1回転に相当する位相の2分の1の絶対値を有するものとして通常の同期制御に移行せしめることを特徴とし、前記ロック付き位相偏差検出器は前記位相偏差がゼロから負極性で前記主機および前記従機電動機の1回転に相当する位相の2分の1未満の絶対値を有する遅れ位相最小値の範囲以内にあるとき前記主機の位相を遅れとし、これにより前記従機電動機の速度を減速することにより原点合わせを行い、前記位相偏差が進みロック位相値と遅れロック位相値の範囲以内となったとき原点合わせの完了とし、前記進み位相最大値を正極性で前記主機および前記従機電動機の1回転に相当する位相の2分の1の値とし前記遅れ位相最小値を負極性で前記主機および前記従機電動機の1回転に相当する位相の2分の1の絶対値を有するものとして通常の同期制御に移行せしめることを特徴とし、原点合わせのときの位相偏差検出方法と同期制御のときの位相偏差検出方法を異なるものとし運転中であっても切り換えることを特徴とする従機の同期制御装置。
  3. 主機に追従して従機電動機の回転速度および回転位相を精度よく同期させる従機の同期制御装置であって、順次搬送される生産工程において従機は主機の前工程に配置され、該従機電動機は従機ロータリーエンコーダーを付属し、従機には、前記主機から出力される信号により主機からの回転速度指令を常時検出する速度指令検出器と、前記主機から出力される信号により主機からの回転位相指令を常時検出する位相指令検出器と、前記従機ロータリーエンコーダーから出力される信号により前記従機電動機の回転速度を常時検出する速度フィードバック検出器と、前記従機ロータリーエンコーダーから出力される信号により前記従機電動機の回転位相を常時検出する位相フィードバック検出器が設けられ、前記位相指令検出器と前記位相フィードバック検出器の出力を演算して、原点合わせを行うときに前記主機と前記従機電動機の非対称位相偏差を出力する非対称位相偏差検出器を具備するロック付き位相偏差検出器が設けられた請求項2の同期制御装置において、前記非対称位相偏差検出器の出力を入力とする不平衡位相偏差増幅器を内蔵するものであって、該不平衡位相偏差増幅器は正極性の進み補償最大値と絶対値が該進み補償最大値より小さい負極性の遅れ補償最小値を内蔵し、原点合わせを行うときに、前記非対称位相偏差検出器は前記位相指令検出器と前記位相フィードバック検出器の出力に基づき前記主機と前記従機電動機の位相偏差を検出し、該位相偏差がゼロから正極性で前記主機および前記従機電動機の1回転に相当する位相の2分の1以上の値を有する進み位相最大値の範囲以内にあるとき前記主機の位相を進みとし、これにより前記従機電動機の速度を増速せしめる正極性の非対称位相偏差信号を出力し、前記非対称位相偏差検出器は前記位相偏差がゼロから負極性で前記主機および前記従機電動機の1回転に相当する位相の2分の1未満の絶対値を有する遅れ位相最小値の範囲以内にあるとき前記主機の位相を遅れとし、これにより前記従機電動機の速度を減速せしめる負極性の非対称位相偏差信号を出力し、前記不平衡位相偏差増幅器は、前記非対称位相偏差信号を比例増幅した位相補償信号を生成し、該位相補償信号が正極性のとき該位相補償信号が前記進み補償最大値以下のときは該位相補償信号を出力とし該位相補償信号が前記進み補償最大値を越えるときは該進み補償最大値を出力として増速により原点合わせを行い、前記不平衡位相偏差増幅器は、前記位相補償信号が負極性のとき前記位相補償信号が前記遅れ補償最小値以上のときは該位相補償信号を出力とし該位相補償信号が遅れ補償最小値未満のときは該遅れ補償最小値を出力として減速により原点合わせを行い、前記従機電動機が増速または減速して原点合わせを行うときに減速の補償量を増速の補償量よりも小さくすることを特徴とし、前記非対称位相偏差信号が進みロック位相値と遅れロック位相値の範囲以内となったとき原点合わせの完了とし、前記進み補償最大値と前記遅れ補償最小値の絶対値を等しくして高精度の同期制御に移行せしめることを特徴とし、原点合わせのときと同期制御のときで進み補償最大値と遅れ補償最小値を異なる値とすることを特徴とし運転中であっても切り換えることを特徴とする従機の同期制御装置。
JP2003116788A 2003-04-22 2003-04-22 同期制御装置の原点合わせ装置 Expired - Lifetime JP4236507B2 (ja)

Priority Applications (1)

Application Number Priority Date Filing Date Title
JP2003116788A JP4236507B2 (ja) 2003-04-22 2003-04-22 同期制御装置の原点合わせ装置

Applications Claiming Priority (1)

Application Number Priority Date Filing Date Title
JP2003116788A JP4236507B2 (ja) 2003-04-22 2003-04-22 同期制御装置の原点合わせ装置

Publications (2)

Publication Number Publication Date
JP2004328833A JP2004328833A (ja) 2004-11-18
JP4236507B2 true JP4236507B2 (ja) 2009-03-11

Family

ID=33496887

Family Applications (1)

Application Number Title Priority Date Filing Date
JP2003116788A Expired - Lifetime JP4236507B2 (ja) 2003-04-22 2003-04-22 同期制御装置の原点合わせ装置

Country Status (1)

Country Link
JP (1) JP4236507B2 (ja)

Families Citing this family (2)

* Cited by examiner, † Cited by third party
Publication number Priority date Publication date Assignee Title
JP4937162B2 (ja) * 2008-03-06 2012-05-23 東洋電機製造株式会社 同期制御方法および同期制御システム
JP7124696B2 (ja) * 2018-12-27 2022-08-24 オムロン株式会社 同期制御装置、同期制御システム、同期制御方法及びシミュレーション装置

Also Published As

Publication number Publication date
JP2004328833A (ja) 2004-11-18

Similar Documents

Publication Publication Date Title
RU2233746C2 (ru) Устройство и способ регулирования привода печатных машин от нескольких автономных электродвигателей
US10427423B2 (en) Recording device discharge position adjustor and image forming apparatus incorporating same
KR101269272B1 (ko) 모터제어장치
US20050034578A1 (en) Method and apparatus for controlling the cutting register on a web running through a web-fed rotary press
US6823792B2 (en) Multi-motor drive and method for driving a printing press
US5613675A (en) Method and device for conveying sheets in a feeder region of a sheet-processing machine
JPH06211392A (ja) 輪転印刷機の横裁ち装置における断裁見当調節装置
EP1027212A4 (en) METHOD AND DEVICE FOR ALIGNING TREATMENT HEADS
JP4236507B2 (ja) 同期制御装置の原点合わせ装置
JPH11216849A (ja) 印刷機の印刷動作を制御するための装置及び方法
JP5190755B2 (ja) プレス角度制御装置、プレス機械設備およびプレス角度制御方法
US20120294662A1 (en) Method for Controlling the Web Tension in a Web Processing Machine
USRE40165E1 (en) Method and device for synchronization control
US20060185551A1 (en) Reel changer for a web-fed press and method for regulating a reel change
US20090293746A1 (en) Method for operating a printing press
JP4937162B2 (ja) 同期制御方法および同期制御システム
JP3822287B2 (ja) 輪転印刷機における見当調整方法および輪転印刷機
JP4882166B2 (ja) 位置同期制御装置
JP4531152B2 (ja) 印刷見当制御方法および装置
JP4749311B2 (ja) シャフトレス輪転印刷機における同期制御装置および同期起動方法
JP2011201131A (ja) グラビア印刷機およびその制御方法
US6714843B2 (en) Closed-loop control method for operation of individually driven rotating machine elements
US9216871B2 (en) Method for register correction in a web processing machine having a delay section
JP3280110B2 (ja) 同期位置決め方法
JP3883657B2 (ja) 見当制御方法および装置

Legal Events

Date Code Title Description
A621 Written request for application examination

Free format text: JAPANESE INTERMEDIATE CODE: A621

Effective date: 20051109

A131 Notification of reasons for refusal

Free format text: JAPANESE INTERMEDIATE CODE: A131

Effective date: 20081014

A521 Request for written amendment filed

Free format text: JAPANESE INTERMEDIATE CODE: A523

Effective date: 20081120

TRDD Decision of grant or rejection written
A01 Written decision to grant a patent or to grant a registration (utility model)

Free format text: JAPANESE INTERMEDIATE CODE: A01

Effective date: 20081216

A01 Written decision to grant a patent or to grant a registration (utility model)

Free format text: JAPANESE INTERMEDIATE CODE: A01

A61 First payment of annual fees (during grant procedure)

Free format text: JAPANESE INTERMEDIATE CODE: A61

Effective date: 20081216

R150 Certificate of patent or registration of utility model

Ref document number: 4236507

Country of ref document: JP

Free format text: JAPANESE INTERMEDIATE CODE: R150

Free format text: JAPANESE INTERMEDIATE CODE: R150

FPAY Renewal fee payment (event date is renewal date of database)

Free format text: PAYMENT UNTIL: 20111226

Year of fee payment: 3

A521 Request for written amendment filed

Free format text: JAPANESE INTERMEDIATE CODE: A523

Effective date: 20081120

FPAY Renewal fee payment (event date is renewal date of database)

Free format text: PAYMENT UNTIL: 20121226

Year of fee payment: 4

FPAY Renewal fee payment (event date is renewal date of database)

Free format text: PAYMENT UNTIL: 20131226

Year of fee payment: 5

R250 Receipt of annual fees

Free format text: JAPANESE INTERMEDIATE CODE: R250

EXPY Cancellation because of completion of term