JP4132575B2 - 発電機の励磁装置 - Google Patents

発電機の励磁装置 Download PDF

Info

Publication number
JP4132575B2
JP4132575B2 JP2000144283A JP2000144283A JP4132575B2 JP 4132575 B2 JP4132575 B2 JP 4132575B2 JP 2000144283 A JP2000144283 A JP 2000144283A JP 2000144283 A JP2000144283 A JP 2000144283A JP 4132575 B2 JP4132575 B2 JP 4132575B2
Authority
JP
Japan
Prior art keywords
generator
field
current
voltage
excitation
Prior art date
Legal status (The legal status is an assumption and is not a legal conclusion. Google has not performed a legal analysis and makes no representation as to the accuracy of the status listed.)
Expired - Fee Related
Application number
JP2000144283A
Other languages
English (en)
Other versions
JP2001327199A (ja
Inventor
茂 坂本
健司 工藤
真也 阿部
Current Assignee (The listed assignees may be inaccurate. Google has not performed a legal analysis and makes no representation or warranty as to the accuracy of the list.)
Toshiba Corp
Original Assignee
Toshiba Corp
Priority date (The priority date is an assumption and is not a legal conclusion. Google has not performed a legal analysis and makes no representation as to the accuracy of the date listed.)
Filing date
Publication date
Application filed by Toshiba Corp filed Critical Toshiba Corp
Priority to JP2000144283A priority Critical patent/JP4132575B2/ja
Publication of JP2001327199A publication Critical patent/JP2001327199A/ja
Application granted granted Critical
Publication of JP4132575B2 publication Critical patent/JP4132575B2/ja
Anticipated expiration legal-status Critical
Expired - Fee Related legal-status Critical Current

Links

Images

Landscapes

  • Control Of Eletrric Generators (AREA)
  • Synchronous Machinery (AREA)

Description

【0001】
【発明の属する技術分野】
本発明は、発電機の界磁巻線に界磁電流を供給する発電機の励磁装置に関する。
【0002】
【従来の技術】
一般に、大型の発電機では、回転子に界磁巻線を有し固定子に電機子巻線を有した回転磁界型となっいる。そして、界磁巻線に流れる界磁電流をサイリスタ整流器で調節することにより励磁制御が行われる。
【0003】
図17は、そのような発電機の励磁装置の構成図である。発電機1は並列用遮断器2を介して電力系統3に接続されている。発電機1の回転子4には界磁巻線5が取り付けられており、この界磁巻線5に流れる界磁電流を制御することにより励磁制御が行われる。すなわち、界磁電流が界磁巻線5を流れることにより、回転子4に磁束が発生し、この磁束が発電機1の固定子側の電機子コイルに作用して発電機1に電圧を発生させ、発電機1の端子電圧が所定の電圧設定値になるように制御する。
【0004】
発電機1の端子電圧Vは、計器用変圧器6を介して自動電圧調整器7に入力され、電圧設定器8に設定された電圧設定値V0と比較される。自動電圧調整器7では、端子電圧Vと電圧設定値V0との偏差を演算し、その電圧偏差を同期用変圧器9から取り込んだ励磁用変圧器10の励磁電源電圧波形と同期した同期信号により、サイリスタ整流器11へのゲート指令のパルス位相値に変換して整流調整制御を実行する。
【0005】
この自動電圧調整器7のサイリスタ整流器11の整流調整制御により、励磁用変圧器10からの交流電流がサイリスタ整流器11で整流され、電圧設定器8によって定められた電圧設定値V0に相当する界磁電流が界磁遮断器12およびブラシ13を介して界磁巻線5に供給される。これにより、発電機1の端子電圧Vを電圧設定器8に設定された電圧設定値になるように制御する。
【0006】
サイリスタ整流器11は、発電機1の系統における責務により急速減励磁が可能な純ブリッジまたは急速減励磁機能を持たないが安価に構成できる混合ブリッジのいずれかにより構成されている。
【0007】
【発明が解決しようとする課題】
ところが、このような発電機の励磁装置においては、発電機の容量が大きくなると、発電機の界磁巻線5に要求される起磁力の量を発電機の容量に比例して大きくする必要がある。起磁力は、界磁巻線5の巻数と界磁巻線5に流す界磁電流の積であるため、大きな起磁力を得るためには、界磁巻線5の巻数と界磁巻線5に流す界磁電流値のいずれかまたは両者を増加する必要がある。
【0008】
界磁巻線5の巻数のみを増加させると、界磁巻線5の抵抗値が大きくなり、抵抗値と界磁電流の積で求められる界磁電圧が上昇する。この界磁電圧の上昇は、ブラシ13、界磁遮断器12、サイリスタ整流器11、励磁用変圧器10、同期用変圧器9を含む励磁回路全体の定格電圧を上昇させることになる。この定格電圧の上昇により励磁回路を構成する用品およびそれらの機器を収納する制御装置に低圧機器を適用できなくなり、高圧の機器で構成することになる。高圧機器で励磁回路を構成すると、十分な絶縁が必要なことから設備が大型化する。
【0009】
一方、界磁巻線5の界磁電流値のみを増加させる場合には、増加した電流値を通電させるための界磁巻線5の断面積が必要となる。界磁巻線5の断面積を大きくすると、発電機1の回転子4の重量が増加し、回転力を受けながら界磁巻線5を支える回転子4の構造物が大型化し発電機が大型化する。
【0010】
そこで、従来の発電機の励磁装置においては、界磁巻線5の巻数と界磁巻線5に流す界磁電流値を適切に選定することによって、界磁回路を低圧機器で構成し、発電機1の界磁巻線5と回転子4とを必要以上に大型化させないように製作されていた。
【0011】
しかし、近年小容量の発電機1を複数台設備するより、1台の発電機1の容量を増加させる要求があるので、発電機1の容量がある限界を超えると界磁回路を構成する機器の新たな開発や発電機の回転子4の新規開発などが必要となっている。発電機1の端子電圧Vの電圧制御においては、電圧設定器8、自動電圧調整器7、サイリスタ整流器11、界磁遮断器12などの機器に故障が発生すると、発電機1の端子電圧Vを電圧設定値V0保持することができず、発電機1を停止させる必要がある。
【0012】
本発明の目的は、大容量の発電機であっても適正に励磁制御が行える発電機の励磁装置を提供することである。
【0013】
【課題を解決するための手段】
請求項1の発明に係わる発電機の励磁装置は、発電機の端子電圧が所定の電圧設定値になるように発電機の界磁巻線に界磁電流を供給する発電機の励磁装置において、前記発電機の磁極に設けられた2個の界磁巻線と、前記2個の界磁巻線のうちの一方の界磁巻線に前記発電機の負荷電圧に相当する界磁電流を供給する第1のサイリスタ整流器と、前記2個の界磁巻線のうちの他方の界磁巻線に前記発電機の無負荷励磁電流に相当する界磁電流を供給する第2のサイリスタ整流器と、一方の界磁巻線に前記発電機の負荷電圧に相当する界磁電流が出力されるように前記第1のサイリスタ整流器にゲート指令を出力すると共に他方の界磁巻線に前記発電機の無負荷励磁電流に相当する界磁電流が出力されるように前記第2のサイリスタ整流器にゲート指令を出力する自動電圧調整器とを備えたことを特徴とする。
【0014】
請求項1の発明に係わる発電機の励磁装置では、発電機の磁極に設けられた2個の界磁巻線のうちの一方の界磁巻線に第1のサイリスタ整流器から発電機の負荷電圧に相当する界磁電流を供給し、他方の界磁巻線に第2のサイリスタ整流器から発電機の無負荷励磁電流に相当する界磁電流を供給する。これら第1のサイリスタ整流器および第2のサイリスタ整流器は、自動電圧調整器からのゲート指令で制御される。
【0015】
請求項2の発明に係わる発電機の励磁装置は、発電機の端子電圧が所定の電圧設定値になるように発電機の界磁巻線に界磁電流を供給する発電機の励磁装置において、前記発電機の磁極に設けられた2個の界磁巻線と、前記2個の界磁巻線のうちの一方の界磁巻線に前記発電機の負荷電圧に相当する界磁電流を供給するサイリスタ整流器と、前記2個の界磁巻線のうちの他方の界磁巻線に前記発電機の無負荷励磁電流に相当する界磁電流を供給する整流器と、一方の界磁巻線に前記発電機の負荷電圧に相当する界磁電流が出力されるように前記サイリスタ整流器にゲート指令を出力する自動電圧調整器とを備えたことを特徴とする。
【0016】
請求項2の発明に係わる発電機の励磁装置では、発電機の磁極に設けられた2個の界磁巻線のうちの一方の界磁巻線にサイリスタ整流器から発電機の負荷電圧に相当する界磁電流を供給し、他方の界磁巻線に整流器から発電機の無負荷励磁電流に相当する界磁電流を供給する。サイリスタ整流器は自動電圧調整器からのゲート指令により制御される。
【0017】
請求項3の発明に係わる発電機の励磁装置は、発電機の端子電圧が所定の電圧設定値になるように発電機の界磁巻線に界磁電流を供給する発電機の励磁装置において、前記発電機の磁極に設けられた2個の界磁巻線と、前記2個の界磁巻線のうちの一方の界磁巻線に前記発電機の負荷電圧に相当する界磁電流を供給する第1のサイリスタ整流器と、前記2個の界磁巻線のうちの他方の界磁巻線に前記発電機の無負荷励磁電流に相当する界磁電流を供給する第2のサイリスタ整流器と、前記発電機の端子電圧が所定の電圧設定値になるようにゲート指令を出力する自動電圧調整器と、前記自動電圧調整器からのゲート指令を前記第1のサイリスタ整流器および前記第2のサイリスタ整流器に分配するパルス変圧器とを備えたことを特徴とする。
【0018】
請求項3の発明に係わる発電機の励磁装置では、発電機の磁極に設けられた2個の界磁巻線のうちの一方の界磁巻線に第1のサイリスタ整流器から発電機の負荷電圧に相当する界磁電流を供給し、他方の界磁巻線に第2のサイリスタ整流器から発電機の無負荷励磁電流に相当する界磁電流を供給する。これら第1のサイリスタ整流器および第2のサイリスタ整流器は、パルス変圧器で分配して供給された自動電圧調整器からのゲート指令により、発電機の端子電圧が所定の電圧設定値になるように制御される。
【0019】
請求項4の発明に係わる発電機の励磁装置は、発電機の端子電圧が所定の電圧設定値になるように発電機の界磁巻線に界磁電流を供給する発電機の励磁装置において、前記発電機の磁極に設けられた2個の界磁巻線と、前記2個の界磁巻線のうちの一方の界磁巻線に前記発電機の負荷電圧に相当する界磁電流を供給する第1のサイリスタ整流器と、前記2個の界磁巻線のうちの他方の界磁巻線に前記発電機の無負荷励磁電流に相当する界磁電流を供給する第2のサイリスタ整流器と、一方の界磁巻線に前記発電機の負荷電圧に相当する界磁電流が出力されるように前記第1のサイリスタ整流器にゲート指令を出力する第1の自動電圧調整器と、他方の界磁巻線に前記発電機の無負荷励磁電流に相当する界磁電流が出力されるように前記第2のサイリスタ整流器にゲート指令を出力する第2の自動電圧調整器とを備えたことを特徴とする。
【0020】
請求項4の発明に係わる発電機の励磁装置では、発電機の磁極に設けられた2個の界磁巻線のうちの一方の界磁巻線に第1のサイリスタ整流器から発電機の負荷電圧に相当する界磁電流を供給し、他方の界磁巻線に第2のサイリスタ整流器から発電機の無負荷励磁電流に相当する界磁電流を供給する。第1のサイリスタ整流器は第1の自動電圧調整器からのゲート指令で制御され、第2のサイリスタ整流器は第2の自動電圧調整器からのゲート指令で制御される。
【0021】
請求項5の発明に係わる発電機の励磁装置は、発電機の端子電圧が所定の電圧設定値になるように発電機の界磁巻線に界磁電流を供給する発電機の励磁装置において、前記発電機の磁極に設けられた2個の界磁巻線と、前記2個の界磁巻線のうちの一方の界磁巻線に前記発電機の負荷電圧に相当する界磁電流を供給する第1のサイリスタ整流器と、前記2個の界磁巻線のうちの他方の界磁巻線に回転整流器を介して前記発電機の無負荷励磁電流に相当する界磁電流を供給するAC発電機と、前記AC発電機に界磁電流を供給する第2のサイリスタ整流器と、一方の界磁巻線に前記発電機の負荷電圧に相当する界磁電流が出力されるように前記第1のサイリスタ整流器にゲート指令を出力すると共に他方の界磁巻線に前記発電機の無負荷励磁電流に相当する界磁電流が出力されるように前記AC発電機の界磁電流を制御する前記第2のサイリスタ整流器にゲート指令を出力する自動電圧調整器とを備えたことを特徴とする。
【0022】
請求項5の発明に係わる発電機の励磁装置では、発電機の磁極に設けられた2個の界磁巻線のうちの一方の界磁巻線に第1のサイリスタ整流器から発電機の負荷電圧に相当する界磁電流を供給し、他方の界磁巻線に回転整流器を介してAC発電機から発電機の無負荷励磁電流に相当する界磁電流を供給する。このAC発電機には第2のサイリスタ整流器から界磁電流が供給される。そして、第1のサイリスタ整流器および第2のサイリスタ整流器は、自動電圧調整器からのゲート指令で制御される。
【0023】
請求項6の発明に係わる発電機の励磁装置は、発電機の端子電圧が所定の電圧設定値になるように発電機の界磁巻線に界磁電流を供給する発電機の励磁装置において、前記発電機の磁極に設けられた2個の界磁巻線と、前記2個の界磁巻線のうちの一方の界磁巻線に前記発電機の負荷電圧に相当する界磁電流を供給するサイリスタ整流器と、前記2個の界磁巻線のうちの他方の界磁巻線に回転整流器を介して前記発電機の無負荷励磁電流に相当する界磁電流を供給するAC発電機と、前記AC発電機に界磁電流を供給する整流器と、一方の界磁巻線に前記発電機の負荷電圧に相当する界磁電流が出力されるように前記サイリスタ整流器にゲート指令を出力する自動電圧調整器とを備えたことを特徴とする。
【0024】
請求項6の発明に係わる発電機の励磁装置では、発電機の磁極に設けられた2個の界磁巻線のうちの一方の界磁巻線にサイリスタ整流器から発電機の負荷電圧に相当する界磁電流を供給し、他方の界磁巻線に回転整流器を介してAC発電機から発電機の無負荷励磁電流に相当する界磁電流を供給する。このAC発電機には整流器から界磁電流が供給される。そして、サイリスタ整流器は自動電圧調整器からのゲート指令で制御される。
【0025】
請求項7の発明に係わる発電機の励磁装置は、発電機の端子電圧が所定の電圧設定値になるように発電機の界磁巻線に界磁電流を供給する発電機の励磁装置において、前記発電機の磁極に設けられた2個の界磁巻線と、2個の界磁巻線を有し前記発電機の2個の界磁巻線に回転整流器を介して界磁電流を供給するAC発電機と、前記AC発電機の一方の界磁巻線に界磁電流を供給する第1のサイリスタ整流器と、前記AC発電機の他方の界磁巻線に界磁電流を供給する第2のサイリスタ整流器と、前記発電機の端子電圧が所定の電圧設定値になるようにゲート指令を出力する自動電圧調整器と、前記自動電圧調整器からのゲート指令を前記第1のサイリスタ整流器および前記第2のサイリスタ整流器に分配するパルス変圧器とを備えたことを特徴とする。
【0026】
請求項7の発明に係わる発電機の励磁装置では、発電機の磁極に設けられた2個の界磁巻線に回転整流器を介して、2個の界磁巻線を有したAC発電機から界磁電流を供給する。AC発電機の一方の界磁巻線には第1のサイリスタ整流器から界磁電流が供給され、AC発電機の他方の界磁巻線には第2のサイリスタ整流器から界磁電流が供給される。そして、これら第1のサイリスタ整流器および第2のサイリスタ整流器は、パルス変圧器で分配して供給された自動電圧調整器からのゲート指令により、発電機の端子電圧が所定の電圧設定値になるように制御される。
【0027】
請求項8の発明に係わる発電機の励磁装置は、発電機の端子電圧が所定の電圧設定値になるように発電機の界磁巻線に界磁電流を供給する発電機の励磁装置において、前記発電機の磁極に設けられた2個の界磁巻線と、前記2個の界磁巻線のうちの一方の界磁巻線に前記発電機の負荷電圧に相当する界磁電流を供給する第1のサイリスタ整流器と、前記2個の界磁巻線のうちの他方の界磁巻線に回転整流器を介して前記発電機の無負荷励磁電流に相当する界磁電流を供給するAC発電機と、前記AC発電機に界磁電流を供給する第2のサイリスタ整流器と、一方の界磁巻線に前記発電機の負荷電圧に相当する界磁電流が出力されるように前記第1のサイリスタ整流器にゲート指令を出力する第1の自動電圧調整器と、他方の界磁巻線に前記発電機の無負荷励磁電流に相当する界磁電流が出力されるように前記第2のサイリスタ整流器にゲート指令を出力する第2の自動電圧調整器とを備えたことを特徴とする。
【0028】
請求項8の発明に係わる発電機の励磁装置では、発電機の磁極に設けられた2個の界磁巻線のうちの一方の界磁巻線に第1のサイリスタ整流器から発電機の負荷電圧に相当する界磁電流を供給し、他方の界磁巻線に回転整流器を介してAC発電機から発電機の無負荷励磁電流に相当する界磁電流を供給する。このAC発電機には第2のサイリスタ整流器から界磁電流が供給される。そして、第1のサイリスタ整流器は第1の自動電圧調整器からのゲート指令で制御され、第2のサイリスタ整流器は第2の自動電圧調整器からのゲート指令で制御される。
【0029】
請求項9の発明に係わる発電機の励磁装置は、発電機の端子電圧が所定の電圧設定値になるように発電機の界磁巻線に界磁電流を供給する発電機の励磁装置において、前記発電機の磁極に設けられた2個の界磁巻線と、前記2個の界磁巻線のうちの一方の界磁巻線に回転整流器を介して前記発電機の負荷電圧に相当する界磁電流を供給する第1のAC発電機と、前記2個の界磁巻線のうちの他方の界磁巻線に回転整流器を介して前記発電機の無負荷励磁電流に相当する界磁電流を供給する第2のAC発電機と、前記第1のAC発電機に界磁電流を供給する第1のサイリスタ整流器と、前記第2のAC発電機に界磁電流を供給する第2のサイリスタ整流器と、一方の界磁巻線に前記発電機の負荷電圧に相当する界磁電流が出力されるように前記第1のサイリスタ整流器にゲート指令を出力すると共に他方の界磁巻線に前記発電機の無負荷励磁電流に相当する界磁電流が出力されるように前記第2のサイリスタ整流器にゲート指令を出力する自動電圧調整器とを備えたことを特徴とする。
【0030】
請求項9の発明に係わる発電機の励磁装置では、発電機の磁極に設けられた2個の界磁巻線のうちの一方の界磁巻線に回転整流器を介して第1のAC発電機から発電機の負荷電圧に相当する界磁電流を供給し、他方の界磁巻線に回転整流器を介して第2のAC発電機から発電機の無負荷励磁電流に相当する界磁電流を供給する。第1のAC発電機には第1のサイリスタ整流器から界磁電流が供給され、第2のAC発電機には第2のサイリスタ整流器から界磁電流が供給される。そして、これら第1のサイリスタ整流器および第2のサイリスタ整流器は、自動電圧調整器からのゲート指令で制御される。
【0031】
請求項10の発明に係わる発電機の励磁装置は、発電機の端子電圧が所定の電圧設定値になるように発電機の界磁巻線に界磁電流を供給する発電機の励磁装置において、前記発電機の磁極に設けられた2個の界磁巻線と、前記2個の界磁巻線のうちの一方の界磁巻線に回転整流器を介して前記発電機の負荷電圧に相当する界磁電流を供給する第1のAC発電機と、前記2個の界磁巻線のうちの他方の界磁巻線に回転整流器を介して前記発電機の無負荷励磁電流に相当する界磁電流を供給する第2のAC発電機と、前記第1のAC発電機に界磁電流を供給するサイリスタ整流器と、前記第2のAC発電機に界磁電流を供給する整流器と、一方の界磁巻線に前記発電機の負荷電圧に相当する界磁電流が出力されるように前記サイリスタ整流器にゲート指令を出力する自動電圧調整器とを備えたことを特徴とする。
【0032】
請求項10の発明に係わる発電機の励磁装置では、発電機の磁極に設けられた2個の界磁巻線のうちの一方の界磁巻線に回転整流器を介して第1のAC発電機から発電機の負荷電圧に相当する界磁電流を供給し、他方の界磁巻線に回転整流器を介して第2のAC発電機から発電機の無負荷励磁電流に相当する界磁電流を供給する。第1のAC発電機にはサイリスタ整流器から界磁電流が供給され、第2のAC発電機には整流器から界磁電流が供給される。サイリスタ整流器は自動電圧調整器からのゲート指令で制御される。
【0033】
請求項11の発明に係わる発電機の励磁装置は、発電機の端子電圧が所定の電圧設定値になるように発電機の界磁巻線に界磁電流を供給する発電機の励磁装置において、前記発電機の磁極に設けられた2個の界磁巻線と、前記2個の界磁巻線のうちの一方の界磁巻線に界磁電流を供給する第1のAC発電機と、前記2個の界磁巻線のうちの他方の界磁巻線に界磁電流を供給する第2のAC発電機と、前記第1のAC発電機に界磁電流を供給する第1のサイリスタ整流器と、前記第2のAC発電機に界磁電流を供給する第2のサイリスタ整流器と、前記発電機の端子電圧が所定の電圧設定値になるようにゲート指令を出力する自動電圧調整器と、前記自動電圧調整器からのゲート指令を前記第1のサイリスタ整流器および前記第2のサイリスタ整流器に分配するパルス変圧器とを備えたことを特徴とする。
【0034】
請求項11の発明に係わる発電機の励磁装置では、発電機の磁極に設けられた2個の界磁巻線のうちの一方の界磁巻線に第1のAC発電機から界磁電流を供給し、他方の界磁巻線に第2のAC発電機から界磁電流を供給する。第1のAC発電機には第1のサイリスタ整流器から界磁電流が供給され、第2のAC発電機には第2のサイリスタ整流器から界磁電流が供給される。そして、これら第1のサイリスタ整流器および第2のサイリスタ整流器は、パルス変圧器で分配して供給された自動電圧調整器からのゲート指令により、発電機の端子電圧が所定の電圧設定値になるように制御される。
【0035】
請求項12の発明に係わる発電機の励磁装置は、発電機の端子電圧が所定の電圧設定値になるように発電機の界磁巻線に界磁電流を供給する発電機の励磁装置において、前記発電機の磁極に設けられた2個の界磁巻線と、前記2個の界磁巻線のうちの一方の界磁巻線に回転整流器を介して前記発電機の負荷電圧に相当する界磁電流を供給する第1のAC発電機と、前記2個の界磁巻線のうちの他方の界磁巻線に回転整流器を介して前記発電機の無負荷励磁電流に相当する界磁電流を供給する第2のAC発電機と、前記第1のAC発電機に界磁電流を供給する第1のサイリスタ整流器と、前記第2のAC発電機に界磁電流を供給する第2のサイリスタ整流器と、一方の界磁巻線に前記発電機の負荷電圧に相当する界磁電流が出力されるように前記第1のサイリスタ整流器にゲート指令を出力する第1の自動電圧調整器と、他方の界磁巻線に前記発電機の無負荷励磁電流に相当する界磁電流が出力されるように前記第2のサイリスタ整流器にゲート指令を出力する第2の自動電圧調整器とを備えたことを特徴とする。
【0036】
請求項12の発明に係わる発電機の励磁装置では、発電機の磁極に設けられた2個の界磁巻線のうちの一方の界磁巻線に回転整流器を介して第1のAC発電機から発電機の負荷電圧に相当する界磁電流を供給し、他方の界磁巻線に回転整流器を介して第2のAC発電機から発電機の無負荷励磁電流に相当する界磁電流を供給する。第1のAC発電機には第1のサイリスタ整流器から界磁電流が供給され、第2のAC発電機には第2のサイリスタ整流器から界磁電流が供給される。そして、第1のサイリスタ整流器は第1の自動電圧調整器からのゲート指令で制御され、第2のサイリスタ整流器は第2の自動電圧調整器からのゲート指令で制御される。
【0037】
請求項13の発明に係わる発電機の励磁装置は、発電機の端子電圧が所定の電圧設定値になるように発電機の界磁巻線に界磁電流を供給する発電機の励磁装置において、前記界磁巻線に前記発電機の負荷電圧に相当する界磁電流を供給する第1のサイリスタ整流器と、前記界磁巻線に前記発電機の無負荷励磁電流に相当する界磁電流を供給する第2のサイリスタ整流器と、前記発電機の負荷電圧に相当する界磁電流が出力されるように前記第1のサイリスタ整流器にゲート指令を出力すると共に前記発電機の無負荷励磁電流に相当する界磁電流が出力されるように前記第2のサイリスタ整流器にゲート指令を出力する自動電圧調整器とを備えたことを特徴とする。
【0038】
請求項13の発明に係わる発電機の励磁装置では、第1のサイリスタ整流器から発電機の界磁巻線に発電機の負荷電圧に相当する界磁電流を供給し、第2のサイリスタ整流器から発電機の界磁巻線に発電機の無負荷励磁電流に相当する界磁電流を供給する。第1のサイリスタ整流器および第2のサイリスタ整流器は、自動電圧調整器からのゲート指令で制御される。
【0039】
請求項14の発明に係わる発電機の励磁装置は、発電機の端子電圧が所定の電圧設定値になるように発電機の界磁巻線に界磁電流を供給する発電機の励磁装置において、前記界磁巻線に前記発電機の負荷電圧に相当する界磁電流を供給するサイリスタ整流器と、前記界磁巻線に前記発電機の無負荷励磁電流に相当する界磁電流を供給する整流器と、前記発電機の負荷電圧に相当する界磁電流が出力されるように前記サイリスタ整流器にゲート指令を出力する自動電圧調整器とを備えたことを特徴とする。
【0040】
請求項14の発明に係わる発電機の励磁装置では、サイリスタ整流器から発電機の界磁巻線に発電機の負荷電圧に相当する界磁電流を供給し、整流器から発電機の界磁巻線に発電機の無負荷励磁電流に相当する界磁電流を供給する。サイリスタ整流器は自動電圧調整装置からのゲート指令で制御される。
【0041】
請求項15の発明に係わる発電機の励磁装置は、発電機の端子電圧が所定の電圧設定値になるように発電機の界磁巻線に界磁電流を供給する発電機の励磁装置において、前記界磁巻線に界磁電流を供給する第1のサイリスタ整流器と、前記界磁巻線に界磁電流を供給する第2のサイリスタ整流器と、前記発電機の端子電圧が所定の電圧設定値になるようにゲート指令を出力する自動電圧調整器と、前記自動電圧調整器からのゲート指令を前記第1のサイリスタ整流器および前記第2のサイリスタ整流器に分配するパルス変圧器とを備えたことを特徴とする。
【0042】
請求項15の発明に係わる発電機の励磁装置では、第1のサイリスタ整流器および第2のサイリスタ整流器から発電機の界磁巻線に界磁電流を供給する。第1のサイリスタ整流器および第2のサイリスタ整流器は、パルス変圧器で分配して供給された自動電圧調整器からのゲート指令により、発電機の端子電圧が所定の電圧設定値になるように制御される。
【0043】
請求項16の発明に係わる発電機の励磁装置は、発電機の端子電圧が所定の電圧設定値になるように発電機の界磁巻線に界磁電流を供給する発電機の励磁装置において、前記界磁巻線に前記発電機の負荷電圧に相当する界磁電流を供給する第1のサイリスタ整流器と、前記界磁巻線に前記発電機の無負荷励磁電流に相当する界磁電流を供給する第2のサイリスタ整流器と、前記発電機の負荷電圧に相当する界磁電流が出力されるように前記第1のサイリスタ整流器にゲート指令を出力する第1の自動電圧調整器と、前記発電機の無負荷励磁電流に相当する界磁電流が出力されるように前記第2のサイリスタ整流器にゲート指令を出力する第2の自動電圧調整器とを備えたことを特徴とする。
【0044】
請求項16の発明に係わる発電機の励磁装置では、第1のサイリスタ整流器から発電機の界磁巻線に発電機の負荷電圧に相当する界磁電流を供給し、第2のサイリスタ整流器から発電機の界磁巻線に発電機の無負荷励磁電流に相当する界磁電流を供給する。第1のサイリスタ整流器は第1の自動電圧調整器からのゲート指令で制御され、第2のサイリスタ整流器は第2の自動電圧調整器からのゲート指令で制御される。
【0045】
【発明の実施の形態】
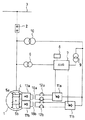
以下、本発明の実施の形態を説明する。図1は本発明の第1の実施の形態に係わる発電機の励磁装置の構成図である。この第1の実施の形態は、図17に示した従来例に対し、回転子4に2個の界磁巻線5a、5bを設け、一方の界磁巻線5aに第1のサイリスタ整流器11aから発電機1の負荷電圧に相当する界磁電流を供給し、他方の界磁巻線5bに第2のサイリスタ整流器11bから発電機1の無負荷励磁電流に相当する界磁電流を供給するようにしたものである。これに伴い、2個分の界磁遮断器12a、12bおよびブラシ13a、13bを有し、第1のサイリスタ整流器11aおよび第2のサイリスタ整流器12bは、自動電圧調整器7からのゲート指令でそれぞれ制御される。
【0046】
一般に、発電機1の端子電圧制御は、界磁巻線5に流す界磁電流の値により行われるが、この界磁電流は発電機1の電機子の無負荷電圧発生に必要な量と負荷時の励磁量の合計値である。そこで、これらをそれぞれ別の界磁巻線5a、5bに供給するようにしたものである。
【0047】
図1において、発電機1の回転子4には巻数比が1:1である2個の界磁巻線5a、5bが設けられ、その両端はブラシ13a、13bで発電機1の固定子側に引き出されている。回転子4に取り付けられた2個の界磁巻線5a、5bは、原動機により回転を与えられ、界磁電流が供給されることにより回転磁界を発生する。
【0048】
一方、界磁回路は、励磁用変圧器10から純ブリッジで構成された2個のサイリスタ整流器11a、11b、界磁遮断器12a、12bで2回路構成し、それぞれをブラシ13a、13bを介して界磁巻線5a、5bに接続して形成される。
【0049】
発電機1の端子電圧は計器用変圧器6により検出され、自動電圧調整器7に取り込まれる。自動電圧調整器7では、検出した発電機端子電圧と電圧設定器8に設定された電圧設定値とを比較しその偏差を演算する。この偏差を同期用変圧器9から取り込んだ励磁用変圧器10の励磁電源電圧波形と同期した同期信号により、2個のサイリスタ整流器11a、11bのパルス位相値に変換して整流調整制御を行う。
【0050】
自動電圧調整器7からサイリスタ整流器11bへの整流調整制御では、励磁用変圧器10の交流電流を発電機1の無負荷励磁電流相当に整流した励磁電流として界磁巻線5bに流す。また、自動電圧調整器7からサイリスタ整流器11aへの整流調整制御では、励磁用変圧器10の交流電流を電圧設定器8によって定められた発電機の負荷電圧に相当する界磁電流として界磁巻線5aに流し、発電機1の端子電圧を電圧設定器8に設定された電圧設定値に制御する。
【0051】
ここで、界磁巻線5a、5bそれぞれは独立した巻線であるために、それぞれの巻線の起磁力は回転子4において加算される。それぞれの巻線による起磁力を合計した起磁力により、回転子4に磁束を生じ、この磁束が発電機1の電機子コイルに作用して発電機端子電圧を発生させる。
【0052】
第1の実施の形態では、界磁巻線5a、5bの各々に接続された界磁回路にそれぞれ界磁電流を流し回転子4で両者を合計した励磁量を確保することができるので、大容量の発電機においても適正に励磁量を確保できる。
【0053】
また、サイリスタ整流器11a、11b、界磁遮断器12a、12b、ブラシ13a、13b、界磁巻線5a、5bなどの界磁回路を構成する機器の定格は、界磁回路の起磁力を増加するために1個の界磁巻線の巻数を増加させた場合の電圧の約1/2に低減でき、1個の界磁巻線の励磁電流値を増加させた場合の電流の約1/2に低減できる。従って、励磁制御機器単体の容量を増加させることなく、回転子4の起磁力の量を発電機の容量に追従して大きくすることができる。
【0054】
また、これらの界磁回路を構成する機器の定格電圧を低減すれば、試験電圧も低減でき、高電圧に絶える絶縁も必要では無いことから、小型で安価な励磁制御装置を供給できる。
【0055】
サイリスタ整流器11a、11bを純ブリッジで構成しているので、系統故障などの場合に必要とされる急速減励磁を実行することができる。また、発電機1の端子電圧制御は、サイリスタ整流器11bの無負荷励磁量とサイリスタ整流器11aの負荷励磁量に分担して実行されるので、いずれか一方の装置に故障が発生して励磁電流を流せなくなった場合においても、無効電力の変動は発生するものの界磁喪失になることは無く、発電機1をゆっくり停止させることができる。このことから、電力系統に対して急激な変動を与えず安定した運転を供給できる。
【0056】
自動電圧調整器7の無負荷電圧制御部分は、ほぼ一定励磁制御を実行するのみで良く、発電機1の端子電圧調整制御は、電圧設定器8の調整に応じた負荷電圧調整部分で行うことになり、励磁制御を二重に設備した割には制御機能を簡素化することができる。
【0057】
以上の説明では、界磁巻線5aと界磁巻線5bとの巻数比を1:1で説明したが、発電機1の磁極に巻数の比が1:Nとなる2個の界磁巻線5a、5bを設けるようにしても良い。回転子4に発生する起磁力は、界磁巻線5aと界磁巻線5bとの巻数と、その巻線に流れる励磁電流の積で表わされるので、巻数比を発電機の無負荷電圧を発生させるための励磁量、負荷に応じた電圧を発生させるための励磁量、界磁回路を構成する機器の定格を考慮して、適切な値に選定する。
【0058】
これによって、界磁巻線5aと界磁巻線5bとの電流値を適切な値にすることができ、界磁回路を構成する用品の定格を過剰な余裕を持たない適切な定格のものを選定でき、励磁装置を小型化することができる。
【0059】
また、自動電圧調整器7の電圧調整制御における無負荷電圧相当の励磁電流制御と発電機1の負荷電圧相当の励磁電流制御との間の分担電流と調整範囲が任意に選定できることから、励磁制御装置を構成する用品の定格を広い範囲で選定することができる。
【0060】
また、以上の説明では、サイリスタ整流器11a、11bを純ブリッジで構成した場合を示したが、サイリスタ整流器11aを純ブリッジで構成し、サイリスタ整流器11bを混合ブリッジで構成するようにしても良い。混合ブリッジで構成したサイリスタ整流器11bは、純ブリッジで構成したサイリスタ整流器よりも安価となる。この場合、急速減励磁制御はできないが、発電機1の無負荷電圧相当の励磁電流制御を実行する整流器として適用することで、励磁制御機能を低下させることなく安価なシステムとすることができる。
【0061】
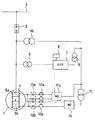
次に、本発明の第2の実施の形態を説明する。この第2の実施の形態は、図1に示した第1の実施の形態に対し、サイリスタ整流器11bに代えて整流器14を設け、この整流器14には電源編は月15から電源を供給するようにしたものである。図1に示した第1の実施の形態と同一要素には、同一符号を付し重複する説明は省略する。
【0062】
図2において、界磁回路は励磁用変圧器10から純ブリッジで構成されたサイリスタ整流器11a、界磁遮断器12a、ブラシ13aを介して界磁巻線5aに接続する回路と、整流器14、界磁遮断器12b、ブラシ13bを介して界磁巻線5bに接続する回路の2回路で構成する。
【0063】
発電機1の端子電圧は計器用変圧器6により検出されて自動電圧調整器7に取り込まれる。自動電圧調整器7では、検出した発電機端子電圧と電圧設定器8に設定された発電機端子電圧の電圧設定値との偏差を演算する。この偏差を同期用変圧器9から取り込んだ励磁用変圧器10の励磁電源電圧波形と同期した同期信号により、サイリスタ整流器11aのパルス位相値に変換して整流調整制御を実行する。
【0064】
一方、励磁用変圧器10から電源変圧器15を介して適切な値に変圧された電源電圧は整流器14によって整流され、発電機1の無負荷励磁電流相当の励磁電流を界磁巻線5bに流す。また、自動電圧調整器7からサイリスタ整流器11aへの整流調整制御では、励磁用変圧器10の交流電流を電圧設定器8によって定められた発電機負荷電圧に相当する界磁電流として界磁巻線5aに流し、発電機1の端子電圧を電圧設定器8の電圧設定値に制御する。
【0065】
ここで、界磁巻線5a、5bそれぞれは、独立した巻線であるためにそれぞれの巻線の起磁力は、回転子4において加算される。それぞれの界磁巻線5a、5bの起磁力を合計した起磁力により、回転子4に磁束を生じ、この磁束が発電機1の電機子コイルに作用して発電機1に電圧を発生させる。
【0066】
この第2の実施の形態では、第1の実施の形態の効果に加え、負荷電圧に相当する界磁電流を供給するサイリスタ整流器11aを純ブリッジで構成しているので、系統故障などの場合に必要とされる急速減励磁を実行することができる。また、無負荷励磁量に相当する界磁電流を整流器14により供給するので、自動電圧調整器7による励磁制御を行う必要がない。つまり、自動電圧調整器7は、発電機1の端子電圧調整制御について電圧設定器8の調整に応じた負荷電圧調整を実行することで、励磁制御を二重に設備した割には電圧調整制御は、従来システムと同じく1個で機能を満足することから、励磁制御設備を簡素化することができる。
【0067】
以上の説明では、界磁巻線5aと界磁巻線5bとの巻数比を1:1で説明したが、発電機の磁極の巻数比が1:Nとなる2個の界磁巻線を設置するようにしても良い。
【0068】
また、サイリスタ整流器11aを純ブリッジで構成することでで説明したが、サイリスタ整流器11aを混合ブリッジで構成するようにしても良い。混合ブリッジで構成したサイリスタ整流器は、純ブリッジで構成したサイリスタ整流器よりも安価となり、急速減励磁制御ができないが、発電機1の無負荷電圧相当の励磁電流制御を実行する整流器として適用することで、励磁制御機能を低下させることなく安価なシステムを供給することができる。
【0069】
次に、本発明の第3の実施の形態を説明する。図3は本発明の第3の実施の形態に係わる発電機の励磁装置の構成図である。この第3の実施の形態は、図1に示した第1の実施の形態に対し、第1のサイリスタ整流器11aおよび第2のサイリスタ整流器11bは、パルス変圧器16で分配して供給された自動電圧調整器7からのゲート指令により、発電機1の端子電圧が所定の電圧設定値になるように制御するようにしたものである。
【0070】
図3において、発電機1の端子電圧は計器用変圧器6により検出されて自動電圧調整器7に取り込まれる。自動電圧調整器7では、検出した発電機端子電圧と電圧設定器8に設定された発電機端子電圧の電圧設定値との偏差を演算する。この偏差を同期用変圧器9から取り込んだ励磁用変圧器10の励磁電源電圧波形と同期した同期信号により、サイリスタ整流器11a、11bのパルス位相値に変換して出力する。
【0071】
自動電圧調整器7より出力される両方のサイリスタ整流器11a、11bへのパルス信号は、パルス変圧器16にてサイリスタ整流器11a、11bに分岐される。従って、サイリスタ整流器11a、11bは、全く同じ整流調整制御を実行することになる。このことから、自動電圧調整器7からサイリスタ整流器11a、11bへの整流パルス信号には、発電機1の無負荷電圧に相当する励磁電流と発電機負荷電圧に相当する界磁電流との双方の制御量が含まれる。
【0072】
この第3の実施の形態によれば、界磁巻線5a、5bの各々に接続された界磁回路にそれぞれ界磁電流を流し回転子4で両者を合計した励磁量を確保するので、大容量の発電機においても適正に励磁量を確保できる。また、サイリスタ整流器11a、11b、界磁遮断器12a、12b、ブラシ13a、13b、界磁巻線5a、5bなどの界磁回路を構成する機器の定格は、界磁回路の起磁力を増加するために1個の界磁巻線の巻数を増加させた場合の電圧の約1/2に低減でき、1個の界磁巻線の励磁電流値を増加させた場合の電流の約1/2に低減できる。つまり、励磁制御機器単体の容量を増加させることなく、回転子4の起磁力の量を発電機の容量に追従して大きくすることができる。
【0073】
これらの界磁回路を構成する機器の定格電圧を低減すれば、試験電圧も低減でき、高電圧に絶える絶縁も必要では無いことから、小型で安価な励磁制御装置を供給できる。また、サイリスタ整流器11aを純ブリッジで構成しているので、系統故障などの場合に必要とされる急速減励磁を実行することができる。
【0074】
界磁巻線5aと界磁巻線5bとの巻数比は、1:1または1:Nとなる2個の界磁巻線とする。また、以上の説明では、サイリスタ整流器11a、11bを純ブリッジで構成するようにしたが、サイリスタ整流器11a、11bを混合ブリッジで構成するようにしても良い。
【0075】
次に、本発明の第4の実施の形態を説明する。図4は本発明の第4の実施の形態に係わる発電機の励磁装置の構成図である。この第4の実施の形態は、図1に示した第1の実施の形態に対し、第1のサイリスタ整流器11aにゲート指令を出力する第1の自動電圧調整器7a、第2のサイリスタ整流器11bにゲート指令を出力する第2の自動電圧調整器7bをそれぞれ設けたものである。図1に示した第1の実施の形態と同一要素には、同一符号を付し重複する説明は省略する。
【0076】
図4において、発電機1の端子電圧は、計器用変圧器6により検出され第1の自動電圧調整器7aおよび第2の自動電圧調整器7bに取り込まれる。第1の自動電圧調整器7aおよび第2の自動電圧調整器7bでは、検出した発電機端子電圧と電圧設定器8a、8bに設定された電圧設定値との偏差を演算する。
【0077】
この偏差を同期用変圧器9から取り込んだ励磁用変圧器10の励磁電源電圧波形と同期した同期信号により、2個のサイリスタ整流器11a、11bのパルス位相値に変換して整流調整制御を実行する。
【0078】
この第2の自動電圧調整器7bからサイリスタ整流器11bへの整流調整制御では、励磁用変圧器10の交流電流を発電機の無負荷励磁電流相当に整流した励磁電流として界磁巻線5bに流す。また、自動電圧調整器7aからサイリスタ整流器11aへの整流調整制御では、励磁用変圧器10の交流電流を電圧設定器8aによって定められた発電機の負荷電圧に相当する界磁電流として界磁巻線5aに流し、発電機1の端子電圧を電圧設定器8aの電圧設定値に制御する。
【0079】
第1の自動電圧調整器7aと第1のサイリスタ整流器11a、第2の自動電圧調整器7bと第2のサイリスタ整流器11bの構成は同じであるので、電圧設定器8a、8bの電圧設定値を変更するだけで、サイリスタ整流器11bの無負荷電圧に相当する励磁電流量とサイリスタ整流器11aの負荷電圧に相当する励磁電流量の分担は、逆にすることができる。
【0080】
この第4の実施の形態によれば、第1の実施の形態に効果に加え、自動電圧調整器7bの電圧調整制御は、無負荷電圧相当の励磁電流制御となるために、ほぼ一定励磁制御を実行するのみで良く、発電機1の端子電圧調整制御は、自動電圧調整器7aの電圧設定器8aの調整に応じた発電機の負荷電圧相当の励磁電流制御で行うことになり、励磁制御を二重に設備した割には制御機能を簡素化することができる。
【0081】
界磁巻線5aと界磁巻線5bの巻数比は、1:1または1:Nとする。また、サイリスタ整流器11a、11bは、純ブリッジで構成する場合を示したが、サイリスタ整流器11aを純ブリッジで構成し、サイリスタ整流器11bを混合ブリッジで構成するようにしても良い。
【0082】
次に、本発明の第5の実施の形態を説明する。図5は本発明の第5の実施の形態に係わる発電機の励磁装置の構成図である。この第5の実施の形態は、図1に示した第1の実施の形態に対し、他方の界磁巻線5bに回転整流器17を介して発電機1の無負荷励磁電流に相当する界磁電流を供給するAC発電機18を設け、第2のサイリスタ整流器11bからAC発電機18に界磁電流を供給するようにしたものである。回転整流器を設けたことに伴いブラシ13bは不要となる。図1に示した第1の実施の形態と同一要素には、同一符号を付し重複する説明は省略する。
【0083】
図5において、界磁回路は、励磁用変圧器10から純ブリッジで構成された2個のサイリスタ整流器11a、11b、界磁遮断器12a、12bで2回路を構成し、一方の回路はブラシ13を介して界磁巻線5aに接続し、他方の回路は、AC発電機18の界磁巻線5bに接続する。
【0084】
発電機1の端子電圧は計器用変圧器6により検出されて自動電圧調整器7に取り込まれる。自動電圧調整器7では、検出した発電機端子電圧と電圧設定器8に設定された電圧設定値との偏差を演算する。この偏差を同期用変圧器9から取り込んだ励磁用変圧器10の励磁電源電圧波形と同期した同期信号により、2個のサイリスタ整流器11a、11bのパルス位相値に変換して整流調整制御を実行する。
【0085】
AC発電機18においては、AC発電機18の界磁巻線に流れる界磁電流により電機子に電圧を発生させ、さらに回転整流器17によりAC発電機18の電機子電流を整流して発電機1の界磁巻線5bに発電機1の励磁電流として供給する。この励磁電流の値は、AC発電機18の増幅率を考慮した発電機1の無負励磁電流相当になるように設定しておく。
【0086】
このAC発電機18を設けることによって、サイリスタ整流器11bによる界磁電流を増幅することができ、サイリスタ整流器11b、界磁遮断器12bおよびこれらを接続する導体などの界磁回路の制御用品の定格を低くすることができる。AC発電機18の電機子巻線と界磁巻線は、発電機1の回転子4と固定子側に別れ、非接触で発電機1の界磁巻線5aに界磁電流を供給する。
【0087】
自動電圧調整器7からサイリスタ整流器11aへの整流調整制御では、励磁用変圧器10の交流電流を電圧設定器8によって定められた発電機1の負荷電圧に相当する界磁電流として直接、界磁巻線5aに流し、発電機1の端子電圧を電圧設定器8の電圧設定値に制御する。
【0088】
ここで、AC発電機18を経由する側の界磁巻線5aの界磁電流は、応答速度は速くないが、サイリスタ整流器11aは純ブリッジで構成し、ブラシ13を経由して直接界磁巻線5aに界磁電流を供給するために系統故障などの場合には、同時に急速減励磁制御を実行できる。
【0089】
以上のように、第5の実施の形態によれば、一方の界磁巻線5bにAC発電機18と回転整流器17とを設けることによって、発電機1の無負荷電圧に相当する界磁電流を小容量の定格機器で構成した界磁回路より供給することができ、励磁制御設備を小型化することができる。
【0090】
また、サイリスタ整流器11a、11b、界磁遮断器12a、12b、AC発電機18、回転整流器17、界磁巻線5a、5bなどの界磁回路を構成する機器の定格は、界磁回路の起磁力を増加するために1個の界磁巻線の巻数を増加させた場合の電圧の約1/2に低減でき、1個の界磁巻線の励磁電流値を増加させた場合の電流の約1/2に低減できる。励磁制御機器単体の容量を増加させることなく、回転子4の起磁力の量を発電機の容量に追従して大きくすることができる。
【0091】
これらの界磁回路を構成する機器の定格電圧を低減すれば、試験電圧も低減でき、高電圧に絶える絶縁も必要では無いことから、小型で安価な励磁制御装置を供給できる。サイリスタ整流器11aを純ブリッジで構成しているので、系統故障などの場合に必要とされる急速減励磁を実行することができる。
【0092】
自動電圧調整器7は、発電機1の端子電圧調整制御について、電圧設定器8の調整に応じた負荷電圧調整を実行することで、励磁制御を二重に設備した割には電圧調整制御は、従来システムと同じく1個で機能を満足することから、励磁制御設備を簡素化することができる。系統故障時の急速励磁応答性については、応答のやや遅いAC発電機18での励磁を、サイリスタ整流器11a、界磁遮断器12a、発電機の界磁巻線5aによる直接励磁が補い、制御応答性を確保することができる。
【0093】
界磁巻線5aと界磁巻線5bとの巻数比は、1:1または1:Nとする。また、回転子4に発生する起磁力は、界磁巻線5aと界磁巻線5bとの巻数と、その巻線に流れる励磁電流との積で表わされるので、巻数比を発電機1の無負荷電圧を発生させるための励磁量、負荷に応じた電圧を発生させるための励磁量、界磁回路を構成する機器の定格を考慮して、適切な値に選定する。これにより、界磁巻線5aと界磁巻線5bの電流値を適切な値にすることができ、界磁回路を構成する用品の定格を過剰な余裕を持たない適切な定格のものを選定でき、励磁装置を小型化することができる。
【0094】
また、自動電圧調整器7の電圧調整制御における、無負荷電圧相当の励磁電流制御と発電機1の負荷電圧相当の励磁電流制御との間の分担電流と調整範囲が任意に選定できることから、励磁制御装置を構成する用品の定格を広い範囲で選定することができる。
【0095】
以上の説明では、サイリスタ整流器11aとサイリスタ整流器11bとを純ブリッジで構成することでで説明したが、サイリスタ整流器11aを純ブリッジで構成し、サイリスタ整流器11bを混合ブリッジで構成するようにしても良い。混合ブリッジで構成したサイリスタ整流器は、純ブリッジで構成したサイリスタ整流器よりも安価となり、急速減励磁制御ができないが、発電機1の無負荷電圧相当の励磁電流制御を実行する整流器として適用することで、励磁制御機能を低下させることなく安価なシステムを供給することができる。
【0096】
また、界磁巻線5aと界磁巻線5bの巻数比を適切な任意の値に選定することによって、2回路の界磁回路を構成する機器を幅広い定格の中から選定でき、励磁装置をより小型化することができる。
【0097】
次に、本発明の第6の実施の形態を説明する。図6は本発明の第6の実施の形態に係わる発電機の励磁装置の構成図である。この第6の実施の形態は、図2に示した第2の実施の形態に対し、他方の界磁巻線5bに回転整流器17を介して発電機1の無負荷励磁電流に相当する界磁電流を供給するAC発電機18を設け、第2のサイリスタ整流器11bからAC発電機18に界磁電流を供給するようにしたものである。回転整流器17を設けたことに伴いブラシ13bは不要となる。図2に示した第2の実施の形態と同一要素には、同一符号を付し重複する説明は省略する。
【0098】
図6において、界磁回路は励磁用変圧器10から純ブリッジで構成されたサイリスタ整流器11a、界磁遮断器12aを経て界磁巻線5aに接続する回路と、電源変圧器15、整流器14、界磁遮断器12b、AC発電機18、回転整流器17を経て界磁巻線5bに接続する回路の2回路を設ける。
【0099】
励磁用変圧器10から電源変圧器15を介して適切な値に変圧された電源電圧は整流器14によって整流され、界磁遮断器12bを経てAC発電機18の界磁巻線に印加される。
【0100】
AC発電機18においては、AC発電機18の界磁巻線に流れる界磁電流により電機子に電圧を発生させ、さらに回転整流器17によりAC発電機18の電機子電流を整流して発電機の界磁巻線5bに発電機の励磁電流として供給する。この励磁電流の値は、電源変圧器15の変圧比とAC発電機18の増幅率によりあらかじめ発電機の無負励磁電流相当になるように設定しておく。
【0101】
一方、発電機1の端子電圧は計器用変圧器6により検出されて自動電圧調整器7に取り込まれる。自動電圧調整器7では、検出した発電機端子電圧と電圧設定器8に設定された電圧設定値との偏差を演算する。この偏差を同期用変圧器9から取り込んだ励磁用変圧器10の励磁電源電圧波形と同期した同期信号により、サイリスタ整流器11aのパルス位相値に変換して整流調整制御を実行する。この自動電圧調整器7からサイリスタ整流器11aへの整流調整制御では、発電機1の負荷励磁電流相当の励磁電流を調整する。
【0102】
AC発電機18を設けることによって、整流器14による界磁電流を増幅することができ、整流器14、界磁遮断器12bおよびこれらを接続する導体などの界磁回路の制御用品の定格を低くすることができる。AC発電機18の電機子巻線と界磁巻線は、発電機1の回転子4と固定子側に別れ、非接触で発電機1の界磁巻線5aに界磁電流を供給する。
【0103】
自動電圧調整器7からサイリスタ整流器11aへの整流調整制御では、励磁用変圧器10の交流電流を電圧設定器8によって定められた発電機1の負荷電圧に相当する界磁電流として直接界磁巻線5aに流し、発電機1の端子電圧を電圧設定器8の電圧設定値に制御する。
【0104】
ここで、AC発電機18を経由する側の界磁巻線5aの界磁電流は、制御応答速度は速くないが、サイリスタ整流器11aは純ブリッジで構成し、ブラシ13を経由して直接界磁巻線5aに界磁電流を供給するために系統故障などの場合には、同時に急速減励磁制御が実行できる。
【0105】
以上のように、第6の実施の形態によれば、他方の界磁回路にAC発電機18と回転整流器17とを設けることによって、発電機1の無負荷電圧に相当する界磁電流を小容量の定格機器で構成した界磁回路より供給することができ、励磁制御設備を小型化することができる。また、AC発電機18によりブラシを経由せず非接触で発電機1の界磁電流を供給するので、発電機1の保守が簡素化できる。
【0106】
サイリスタ整流器11a、電源変圧器15、整流器14、界磁遮断器12a、12b、AC発電機18、回転整流器17、界磁巻線5a、5bなどの界磁回路を構成する機器の定格は、界磁回路の起磁力を増加するために1個の界磁巻線の巻数を増加させた場合の電圧の約1/2に低減でき、1個の界磁巻線の励磁電流値を増加させた場合の電流の約1/2に低減できる。励磁制御機器単体の容量を増加させることなく、回転子4の起磁力の量を発電機の容量に追従して大きくすることができる。
【0107】
これらの界磁回路を構成する機器の定格電圧を低減すれば、試験電圧も低減でき、高電圧に絶える絶縁も必要では無いことから、小型で安価な励磁制御装置を供給できる。サイリスタ整流器11a、を純ブリッジで構成しているので、系統故障などの場合に必要とされる急速減励磁を実行することができる。
【0108】
また、2回路の界磁巻線とそれに接続される界磁回路を構成する機器の定格電圧と電流を下げることができ、AC発電機18に接続する界磁回路は、AC発電機18の発電による増幅作用により、さらに界磁回路を構成する機器の定格を下げることができる。
【0109】
ここで、界磁巻線5aと界磁巻線5bとの巻数比を1:1または1:Nとなる2個の界磁巻線を設置する。また、サイリスタ整流器11aを純ブリッジで構成することでで説明したが、サイリスタ整流器11aを混合ブリッジで構成するようにしても良い。混合ブリッジで構成したサイリスタ整流器は、純ブリッジで構成したサイリスタ整流器よりも安価となり、急速減励磁制御ができないが、発電機1の無負荷電圧相当の励磁電流制御を実行する整流器として適用することで、励磁制御機能を低下させることなく安価なシステムを供給することができる。
【0110】
次に、本発明の第7の実施の形態を説明する。図7は本発明の第7の実施の形態に係わる発電機の励磁装置の構成図である。この第7の実施の形態は、図3に示した第3の実施の形態に対し、回転整流器17を介して一方の界磁巻線5aに界磁電流を供給すると共に他方の界磁巻線5bに界磁電流を供給する2個の界磁巻線を有するAC発電機18を設け、AC発電機18の一方の界磁巻線には第1のサイリスタ整流器11aからその界磁電流を供給し、AC発電機18の他方の界磁巻線には第2のサイリスタ整流器11bからその界磁電流を供給するようにしたものである。回転整流器17を設けたことに伴いブラシ13a、13bは不要となる。図3に示した第3の実施の形態と同一要素には、同一符号を付し重複する説明は省略する。
【0111】
図7において、AC発電機18は2個の界磁巻線を有しており、両者の励磁による磁束はAC発電機18で合算される。AC発電機18の界磁回路は、励磁用変圧器10から純ブリッジで構成されたサイリスタ整流器11a、界磁遮断器12aを介して片方のAC発電機18の界磁巻線に接続すると回路と、サイリスタ整流器11b、界磁遮断器12bを介して他方のAC発電機18の界磁巻線に接続する回路の2回路を構成する。
【0112】
発電機1の端子電圧は計器用変圧器6により検出されて自動電圧調整器7に取り込まれる。自動電圧調整器7では、検出した発電機端子電圧と電圧設定器8に設定された電圧設定値との偏差を演算する。この偏差を同期用変圧器9から取り込んだ励磁用変圧器10の励磁電源電圧波形と同期した同期信号により、サイリスタ整流器11a、11bのパルス位相値に変換して出力する。
【0113】
自動電圧調整器7より出力される両方のサイリスタ整流器11a、11bへのパルス信号は、パルス変圧器16にてサイリスタ整流器11aとサイリスタ整流器11bとに分岐されるので、サイリスタ整流器11aとサイリスタ整流器11bは、全く同じ整流調整制御を実行する。従って、自動電圧調整器7からサイリスタ整流器11a、11bへの整流パルス信号には、発電機1の無負荷電圧に相当する励磁電流と、発電機負荷電圧に相当する界磁電流との制御量が含まれる。
【0114】
この第7の実施の形態では、AC発電機18の励磁電流を調整制御して発電機1の励磁電流を間接的に調整することによる励磁装置の小容量化に加え、AC発電機18の界磁巻線を二重化し、サイリスタ整流器11aと界磁遮断器12aの界磁回路と、サイリスタ整流器11bと界磁遮断器12bの界磁回路との2回路より励磁電流を分散して流す。これにより、界磁巻線を1個有するAC発電機の励磁容量に比べて、サイリスタ整流器11a、11b、界磁遮断器12a、12b、AC発電機18の界磁巻線などの界磁回路を構成する機器の定格を、AC発電機18の界磁回路の起磁力を増加するために1個の界磁巻線の巻数を増加させた場合の電圧の約1/2に低減でき、1個の界磁巻線の励磁電流値を増加させた場合の電流の約1/2に低減できる。励磁制御機器単体の容量を増加させることなく、回転子4の起磁力の量を発電機の容量に追従して大きくすることができる。
【0115】
これらの界磁回路を構成する機器の定格電圧を低減すれば、試験電圧も低減でき、高電圧に絶える絶縁も必要では無いことから、小型で安価な励磁制御装置を供給できる。
【0116】
自動電圧調整器7は、発電機1の端子電圧調整制御について、電圧設定器8の調整に応じた負荷電圧調整を実行することで、励磁制御を二重に設備した割には電圧調整制御は、従来システムと同じく1個で機能を満足することから、励磁制御設備を簡素化することができる。
【0117】
次に、本発明の第8の実施の形態を説明する。図8は本発明の第8の実施の形態に係わる発電機の励磁装置の構成図である。この第8の実施の形態は、図4に示した第4の実施の形態に対し、他方の界磁巻線5bに回転整流器17を介して発電機1の無負荷励磁電流に相当する界磁電流を供給するAC発電機18を設け、第2のサイリスタ整流器11bからAC発電機18に界磁電流を供給するようにしたものである。回転整流器17を設けたことに伴いブラシ13bは不要となる。図4に示した第4の実施の形態と同一要素には、同一符号を付し重複する説明は省略する。
【0118】
図8において、界磁回路は励磁用変圧器10から純ブリッジで構成されたサイリスタ整流器11a、界磁遮断器12aを経由して界磁巻線5aに接続する回路と、純ブリッジで構成されたサイリスタ整流器11b、界磁遮断器12b、AC発電機18、回転整流器17を介して界磁巻線5bに接続する回路の2回路で構成する。
【0119】
発電機1の端子電圧は計器用変圧器6により検出され自動電圧調整器7a、7bに取り込まれる。自動電圧調整器7a、7bのそれぞれでは、検出した発電機端子電圧と各々の電圧設定器8a、8bに設定された電圧設定値との偏差を演算する。この偏差を同期用変圧器9から取り込んだ励磁用変圧器10の励磁電源電圧波形と同期した同期信号により、2個のサイリスタ整流器11a、11bのパルス位相値に変換して整流調整制御を実行する。
【0120】
AC発電機18においては、AC発電機18の界磁巻線に流れる界磁電流により電機子に電圧を発生させ、さらに回転整流器17によりAC発電機18の電機子電流を整流して発電機の界磁巻線5bに発電機の励磁電流として供給する。この励磁電流の値は、AC発電機18の増幅率を考慮した発電機の無負励磁電流相当になるように設定しておく。
【0121】
AC発電機18を設けることによって、サイリスタ整流器11bによる界磁電流を増幅することができ、サイリスタ整流器11b、界磁遮断器12bおよびこれらを接続する導体などの界磁回路の制御用品の定格を低くすることができる。AC発電機18の電機子巻線と界磁巻線とは、発電機1の回転子4と固定子側に別れ、非接触で発電機1の界磁巻線5aに界磁電流を供給する。
【0122】
自動電圧調整器7aからサイリスタ整流器11aへの整流調整制御では、励磁用変圧器10の交流電流を電圧設定器8によって定められた発電機1の負荷電圧に相当する界磁電流として直接界磁巻線5aに流し、発電機1の端子電圧を電圧設定器8の電圧設定値に制御する。
【0123】
自動電圧調整器7aおよびサイリスタ整流器11aと、自動電圧調整器7bおよびサイリスタ整流器11bとは、その構成は同じであるので、電圧設定器8aの電圧設定値と電圧設定器8bの電圧設定値とを変更するだけで、サイリスタ整流器11bの無負荷電圧に相当する励磁電流量とサイリスタ整流器11aの荷電圧に相当する励磁電流量の分担は、逆にすることができる。
【0124】
この第8の実施の形態によれば、一方の界磁巻線5bにAC発電機18と回転整流器17を設けることによって、発電機1の無負荷電圧に相当する界磁電流を小容量の定格機器で構成した界磁回路より供給することができるので、励磁制御設備を小型化することができる。
【0125】
また、サイリスタ整流器11a、11b、界磁遮断器12a、12b、AC発電機18、回転整流器17、界磁巻線5a、5bなどの界磁回路を構成する機器の定格は、界磁回路の起磁力を増加するために1個の界磁巻線の巻数を増加させた場合の電圧の約1/2に低減でき、1個の界磁巻線の励磁電流値を増加させた場合の電流の約1/2に低減できる。励磁制御機器単体の容量を増加させることなく、回転子4の起磁力の量を発電機の容量に追従して大きくすることができる。
【0126】
これらの界磁回路を構成する機器の定格電圧を低減すれば、試験電圧も低減でき、高電圧に絶える絶縁も必要では無いことから、小型で安価な励磁制御装置を供給できる。サイリスタ整流器11a、11bを純ブリッジで構成しているので、系統故障などの場合に必要とされる急速減励磁を実行することができる。
【0127】
発電機1の端子電圧制御は、サイリスタ整流器11bの無負荷励磁量とサイリスタ整流器11aの負荷励磁量に分担して実行される。いずれか一方の装置に故障が発生して励磁電流を流せなくなった場合においても、無効電力の変動は発生するものの界磁喪失になることは無く、発電機をゆっくり停止させることができることから、電力系統に対して急激な変動を与えず安定した運転を供給できる。
【0128】
自動電圧調整器7bの電圧調整制御は、無負荷電圧相当の励磁電流制御となるために、ほぼ一定励磁制御を実行するのみで良く、発電機1の端子電圧調整制御は、自動電圧調整器7の電圧設定器8の調整に応じた発電機の負荷電圧相当の励磁電流制御で行うことになり、励磁制御を二重に設備した割には制御機能を簡素化することができる。
【0129】
系統故障時の急速励磁応答性については、応答のやや遅いAC発電機18での励磁をサイリスタ整流器11a、界磁遮断器12a、発電機の界磁巻線5aによる直接励磁が補い、制御応答性を確保することができる。
【0130】
界磁巻線5aと界磁巻線5bとの巻数比は、1:1または1:Nとする。また、サイリスタ整流器11aとサイリスタ整流器11bとを純ブリッジで構成した場合を説明したが、サイリスタ整流器11aとサイリスタ整流器11bとを混合ブリッジで構成することも可能である。
【0131】
次に、本発明の第9の実施の形態を説明する。図9は本発明の第9の実施の形態に係わる発電機の励磁装置の構成図である。この第9の実施の形態は、図1に示した第1の実施の形態に対し、一方の界磁巻線5aに回転整流器17aを介して発電機1の負荷電圧に相当する界磁電流を供給する第1のAC発電機18aと、他方の界磁巻線5bに回転整流器17bを介して発電機1の無負荷励磁電流に相当する界磁電流を供給する第2のAC発電機18bとを設け、第1のAC発電機18aに第1のサイリスタ整流器11aから界磁電流を供給し、第2のAC発電機18bに第2のサイリスタ整流器11bから界磁電流を供給するようにしたものである。図1に示した第1の実施の形態と同一要素には、同一符号を付し重複する説明は省略する。
【0132】
図9において、界磁回路は励磁用変圧器10から純ブリッジで構成されたサイリスタ整流器11a、界磁遮断器12a、AC発電機18a、回転整流器17aを経て、界磁巻線5aに接続する回路と、励磁用変圧器10から純ブリッジで構成されたサイリスタ整流器11b、界磁遮断器12b、AC発電機18b、回転整流器17bを経て、界磁巻線5bに接続する回路の2回路から構成する。
【0133】
発電機1の端子電圧は計器用変圧器6により検出されて自動電圧調整器7に取り込まれる。自動電圧調整器7では、検出した発電機端子電圧と電圧設定器8に設定された電圧設定値との偏差を演算する。この偏差を同期用変圧器9から取り込んだ励磁用変圧器10の励磁電源電圧波形と同期した同期信号により、2個のサイリスタ整流器11a、11bのパルス位相値に変換して整流調整制御を実行する。
【0134】
この自動電圧調整器7からサイリスタ整流器11bへの整流調整制御により、励磁用変圧器10の交流電流を可変直流電流に変換してAC発電機18bの界磁巻線に流し、AC発電機18bの電機子に接続された回転整流器17から界磁巻線5bに流れる電流を発電機1の無負荷励磁電流相当の励磁電流値に制御する。
【0135】
また、自動電圧調整器7からサイリスタ整流器11aへの整流調整制御により、励磁用変圧器10の交流電流を可変直流電流に変換してAC発電機18aの界磁巻線に流し、AC発電機18aの電機子に接続された回転整流器17aから界磁巻線5aに流れる電流を発電機1の負荷励磁電流相当の励磁電流値となるように制御する。
【0136】
この第9の実施の形態によれば、AC発電機18a、18b、回転整流器17a、17b、界磁巻線5a、5bおよびそれらを接続する導体の定格は、界磁回路の起磁力を増加するために1個の界磁巻線の巻数を増加させた場合の電圧の約1/2に低減でき、1個の界磁巻線の励磁電流値を増加させた場合の電流の約1/2に低減できる。
【0137】
AC発電機18a、18bを介することにより、AC発電機18a、18bの励磁を調整制御して間接的に発電機1の励磁を得る構成となり、AC発電機18a、18bの界磁電流と電機子電流との間に値を増幅する関係があるから、AC発電機18a、18bの界磁回路を構成する励磁用変圧器10、サイリスタ整流器11a、11b、界磁遮断器12a、12b、およびこれらの機器を接続する導体などの機器の定格は、第1の実施の形態よりさらに低減することができる。
【0138】
これらの界磁回路を構成する機器の定格電圧を低減すれば、試験電圧も低減でき、高電圧に絶える絶縁も必要では無いことから、小型で安価な励磁制御装置を供給できる。
【0139】
発電機1の端子電圧制御は、サイリスタ整流器11bの無負荷励磁量とサイリスタ整流器11aの負荷励磁量に分担して実行されるので、いずれか一方の装置に故障が発生して励磁電流を流せなくなった場合においても、無効電力の変動は発生するものの界磁喪失になることは無く、発電機1をゆっくり停止させることができることから、電力系統3に対して急激な変動を与えず安定した運転を供給できる。自動電圧調整器7の無負荷電圧制御部分は、ほぼ一定励磁制御を実行するのみで良く、発電機1の端子電圧調整制御は、電圧設定器8の調整に応じた負荷電圧調整部分で行うことになり、励磁制御を二重に設備した割には制御機能を簡素化することができる。
【0140】
界磁巻線5aと界磁巻線5bとの巻数比は、1:1または1:Nとする。回転子4に発生する起磁力は、界磁巻線5aと界磁巻線5bとの巻数と、その巻線に流れる励磁電流との積で表わされるので、巻数比を発電機1の無負荷電圧を発生させるための励磁量、負荷に応じた電圧を発生させるための励磁量、界磁回路を構成する機器の定格を考慮して適切な値に選定する。これにより、界磁巻線5aと界磁巻線5bとの電流値を適切な値にすることができ、界磁回路を構成する用品の定格を過剰な余裕を持たない適切な定格のものを選定でき、励磁装置を小型化することができる。
【0141】
また、自動電圧調整器7の電圧調整制御における、無負荷電圧相当の励磁電流制御と発電機の負荷電圧相当の励磁電流制御との間の分担電流と調整範囲が任意に選定できることから、励磁制御装置を構成する用品の定格を広い範囲で選定することができる。
【0142】
また、サイリスタ整流器11aとサイリスタ整流器11bとを純ブリッジで構成することに代えて、サイリスタ整流器11aを純ブリッジで構成し、サイリスタ整流器11bを混合ブリッジで構成するようにしても良い。混合ブリッジで構成したサイリスタ整流器は、純ブリッジで構成したサイリスタ整流器よりも安価となり、急速減励磁制御ができないが、発電機1の無負荷電圧相当の励磁電流制御を実行する整流器として適用することで、励磁制御機能を低下させることなく安価なシステムを供給することができる。
【0143】
次に、本発明の第10の実施の形態を説明する。図10は本発明の第10の実施の形態に係わる発電機の励磁装置の構成図である。この第10の実施の形態は、図2に示した第2の実施の形態に対し、一方の界磁巻線5aに回転整流器17aを介して発電機1の負荷電圧に相当する界磁電流を供給する第1のAC発電機18aと、他方の界磁巻線5bに回転整流器17bを介して発電機1の無負荷励磁電流に相当する界磁電流を供給する第2のAC発電機18bとを設け、第1のAC発電機18aに第1のサイリスタ整流器11aから界磁電流を供給し、第2のAC発電機18bに第2のサイリスタ整流器11bから界磁電流を供給するようにしたものである。図2に示した第2の実施の形態と同一要素には、同一符号を付し重複する説明は省略する。
【0144】
次に、本発明の第10の実施の形態を説明する。図10は本発明の第10の実施の形態に係わる発電機の励磁装置の構成図である。この第10の実施の形態は、図2に示した第2の実施の形態に対し、一方の界磁巻線5aに回転整流器17aを介して発電機1の負荷電圧に相当する界磁電流を供給する第1のAC発電機18aと、他方の界磁巻線5bに回転整流器17bを介して発電機1の無負荷励磁電流に相当する界磁電流を供給する第2のAC発電機18bとを設け、第1のAC発電機18aに第1のサイリスタ整流器11aから界磁電流を供給し、第2のAC発電機18bに整流器14から界磁電流を供給するようにしたものである。図2に示した第2の実施の形態と同一要素には、同一符号を付し重複する説明は省略する。
【0145】
図10において、界磁回路は励磁用変圧器10から純ブリッジで構成されたサイリスタ整流器11a、界磁遮断器12a、AC発電機18a、回転整流器17aを経て界磁巻線5aに接続する回路と、励磁用変圧器10から電源変圧器15、整流器14、界磁遮断器12b、AC発電機18b、回転整流器17bを経て界磁巻線5bに接続する回路との2回路から構成する。
【0146】
発電機1の端子電圧は計器用変圧器6により検出されて自動電圧調整器7に取り込まれる。自動電圧調整器7では、検出した発電機端子電圧と電圧設定器8に設定された電圧設定値との偏差を演算する。この偏差を同期用変圧器9から取り込んだ励磁用変圧器10の励磁電源電圧波形と同期した同期信号により、サイリスタ整流器11aのパルス位相値に変換して整流調整制御を実行する。
【0147】
励磁用変圧器10から電源変圧器15を介して適切な値に変圧された電源電圧を整流器14に加え、整流器14で直流電流とし、AC発電機18bの界磁巻線に流す。この直流電流によりAC発電機18bの電機子に電圧が発生し、AC発電機18bの電機子に接続された回転整流器17bから界磁巻線5bに流れる電流を発電機の無負荷励磁電流相当の励磁電流値にする。
【0148】
また、自動電圧調整器7からサイリスタ整流器11aへの整流調整制御により、励磁用変圧器10の交流電流を可変直流電流に変換してAC発電機18aの界磁巻線に流し、AC発電機18aの電機子に接続された回転整流器17aから界磁巻線5aに流れる電流を発電機の負荷励磁電流相当の励磁電流値となるように制御する。
【0149】
この第10の実施の形態によれば、AC発電機18a、18b、回転整流器17a、17b、界磁巻線5a、5bおよびそれらを接続する導体の定格は、界磁回路の起磁力を増加するために1個の界磁巻線の巻数を増加させた場合の電圧の約1/2に低減でき、1個の界磁巻線の励磁電流値を増加させた場合の電流の約1/2に低減できる。励磁制御機器単体の容量を増加させることなく、回転子4の起磁力の量を発電機1の容量に追従して大きくすることができる。
【0150】
AC発電機18a、18bを介することにより、AC発電機18a、18bの励磁を調整制御して間接的に発電機1の励磁を得る構成となり、AC発電機18a、18bの界磁電流と電機子電流との間に値を増幅する関係があるから、AC発電機18a、18bの界磁回路を構成する励磁用変圧器10、サイリスタ整流器11a、電源変圧器15、整流器14、界磁遮断器12a、12b、およびこれらの機器を接続する導体などの機器の定格は、第2の実施の形態よりさらに低減することができる。
【0151】
これらの界磁回路を構成する機器の定格電圧を低減すれば、試験電圧も低減でき、高電圧に絶える絶縁も必要では無いことから、小型で安価な励磁制御装置を供給できる。
【0152】
発電機1の端子電圧制御は、電源変圧器15、整流器14、AC発電機18b、回転整流器17bなどの機器による界磁巻線5bの無負荷励磁量と、サイリスタ整流器11a、AC発電機18a、回転整流器17aなどの機器による界磁巻線5aの負荷励磁量に分担して実行される。従って、いずれか一方の装置に故障が発生して励磁電流を流せなくなった場合においても、無効電力の変動は発生するものの界磁喪失になることは無く、発電機1をゆっくり停止させることができることから、電力系統に対して急激な変動を与えず、安定した運転を供給できる。自動電圧調整器7は、発電機1の端子電圧調整制御について、電圧設定器8の調整に応じた負荷電圧調整を実行することで、励磁制御を二重に設備した割には電圧調整制御は、従来システムと同じく1個で機能を満足することから、励磁制御設備を簡素化することができる。
【0153】
ここで、界磁巻線5aと界磁巻線5bとの巻数比を1:1または1:Nとなる2個の界磁巻線を設置する。また、サイリスタ整流器11aを純ブリッジで構成することでで説明したが、サイリスタ整流器11aを混合ブリッジで構成するようにしても良い。混合ブリッジで構成したサイリスタ整流器は、純ブリッジで構成したサイリスタ整流器よりも安価となり、急速減励磁制御ができないが、発電機1の無負荷電圧相当の励磁電流制御を実行する整流器として適用することで、励磁制御機能を低下させることなく安価なシステムを供給することができる。
【0154】
ここで、界磁巻線5aと界磁巻線5bとの巻数比を1:1または1:Nとなる2個の界磁巻線を設置する。また、サイリスタ整流器11aを純ブリッジで構成することでで説明したが、サイリスタ整流器11aを混合ブリッジで構成するようにしても良い。混合ブリッジで構成したサイリスタ整流器は、純ブリッジで構成したサイリスタ整流器よりも安価となり、急速減励磁制御ができないが、発電機1の無負荷電圧相当の励磁電流制御を実行する整流器として適用することで、励磁制御機能を低下させることなく安価なシステムを供給することができる。
【0155】
次に、本発明の第11の実施の形態を説明する。図11は本発明の第11の実施の形態に係わる発電機の励磁装置の構成図である。この第11の実施の形態は、図3に示した第3の実施の形態に対し、一方の界磁巻線5aに回転整流器17aを介して発電機1の負荷電圧に相当する界磁電流を供給する第1のAC発電機18aと、他方の界磁巻線5bに回転整流器17bを介して発電機1の無負荷励磁電流に相当する界磁電流を供給する第2のAC発電機18bとを設け、第1のAC発電機18aに第1のサイリスタ整流器11aから界磁電流を供給し、第2のAC発電機18bに第2のサイリスタ整流器11bから界磁電流を供給するようにしたものである。図3に示した第3の実施の形態と同一要素には、同一符号を付し重複する説明は省略する。
【0156】
図11において、界磁回路は励磁用変圧器10から純ブリッジで構成されたサイリスタ整流器11a、界磁遮断器12a、AC発電機18a、回転整流器17aを経て界磁巻線5aに接続する回路と、励磁用変圧器10から純ブリッジで構成されたサイリスタ整流器11b、界磁遮断器12b、AC発電機18b、回転整流器17bを経て界磁巻線5bに接続する回路との2回路から構成される。
【0157】
発電機1の端子電圧は計器用変圧器6により検出されて自動電圧調整器7に取り込まれる。自動電圧調整器7では、検出した発電機端子電圧と電圧設定器8に設定された電圧設定値との偏差を演算する。この偏差を同期用変圧器9から取り込んだ励磁用変圧器10の励磁電源電圧波形と同期した同期信号により、サイリスタ整流器11a、11bのパルス位相値に変換して整流調整制御を実行する。
【0158】
すなわち、自動電圧調整器7より出力される両方のサイリスタ整流器11a、11bへのパルス信号は、パルス変圧器16にてサイリスタ整流器11aとサイリスタ整流器11bに分岐される。従って、サイリスタ整流器11aとサイリスタ整流器11bとは、全く同じ整流調整制御を実行する。
【0159】
このことから、自動電圧調整器7からサイリスタ整流器11a、11bへの整流パルス信号には、発電機1の無負荷電圧に相当する励磁電流と発電機負荷電圧に相当する界磁電流との制御量が含まれる。
【0160】
AC発電機18a、18bのそれぞれの電機子巻線に接続された回転整流器17a、17bは、発電機1の回転子4に巻かれた独立した2個の界磁巻線に接続され、両者の励磁電流による磁束は回転子4にて合算される。
【0161】
サイリスタ整流器11bから界磁遮断器12bを介して、AC発電機18bの界磁巻線に励磁電流が流れると、回転子4の回転力によりAC発電機18bの電機子巻線に出力電圧を生じ、AC発電機18bの電機子巻線に流れる電流を回転整流器17bにて整流して発電機1の励磁電流を得る。
【0162】
同様に、サイリスタ整流器11aから界磁遮断器12aを介して、AC発電機18aの界磁巻線に励磁電流が流れると、回転子4の回転力によりAC発電機18aの電機子巻線に出力電圧を生じ、AC発電機18aの電機子巻線に流れる電流を回転整流器17aにて整流して発電機1の励磁電流を得る。
【0163】
両方の回転整流器17a、17bから、回転子4に取り付けられた独立した発電機1の界磁巻線に界磁電流が流れ、この界磁電流による起磁力は、発電機1の固定子2において加算される。この回転子4に生じる合計された起磁力によって生じる磁束が発電機1の電機子コイルに作用して発電機1の端子電圧を発生させる。
【0164】
この第11の実施の形態によれば、AC発電機18a、18bの励磁電流を調整制御して発電機1の励磁電流を間接的に調整するので、励磁装置の小容量化が図れる。それに加え、AC発電機18を二重化し、サイリスタ整流器11aと界磁遮断器12aの界磁回路と、サイリスタ整流器11bと界磁遮断器12bの界磁回路との2回路より励磁電流を分散して流すので、界磁巻線を1個有するAC発電機18の励磁容量に比べて、サイリスタ整流器11a、11b、界磁遮断器12a、12b、AC発電機18a、18bの界磁巻線などの界磁回路を構成する機器の定格を、AC発電機18a、18bの界磁回路の起磁力を増加するために1個の界磁巻線の巻数を増加させた場合の電圧の約1/2に低減でき、1個の界磁巻線の励磁電流値を増加させた場合の電流の約1/2に低減できる。励磁制御機器単体の容量を増加させることなく、回転子4の起磁力の量を発電機の容量に追従して大きくすることができる。
【0165】
これらの界磁回路を構成する機器の定格電圧を低減すれば、試験電圧も低減でき、高電圧に絶える絶縁も必要では無いことから、小型で安価な励磁制御装置を供給できる。自動電圧調整器7は、発電機1の端子電圧調整制御について、電圧設定器8の調整に応じた負荷電圧調整を実行することで、励磁制御を二重に設備した割には電圧調整制御は、従来システムと同じく1個で機能を満足することから、励磁制御設備を簡素化することができる。
【0166】
界磁巻線5aと界磁巻線5bとの巻数比は、1:1または1:Nとする。また、サイリスタ整流器11aとサイリスタ整流器11bを純ブリッジで構成することに代えて、サイリスタ整流器11aとサイリスタ整流器11bとの双方を混合ブリッジで構成するようにしても良い。
【0167】
次に、本発明の第12の実施の形態を説明する。図12は本発明の第12の実施の形態に係わる発電機の励磁装置の構成図である。この第12の実施の形態は、図4に示した第4の実施の形態に対し、一方の界磁巻線5aに回転整流器17aを介して発電機1の負荷電圧に相当する界磁電流を供給する第1のAC発電機18aと、他方の界磁巻線5bに回転整流器17bを介して発電機1の無負荷励磁電流に相当する界磁電流を供給する第2のAC発電機18bとを設け、第1のAC発電機18aに第1のサイリスタ整流器11aから界磁電流を供給し、第2のAC発電機18bに第2のサイリスタ整流器11bから界磁電流を供給するようにしたものである。図4に示した第4の実施の形態と同一要素には、同一符号を付し重複する説明は省略する。
【0168】
図12において、界磁回路は励磁用変圧器10から純ブリッジで構成されたサイリスタ整流器11a、界磁遮断器12a、AC発電機18a、回転整流器17aを経て界磁巻線5aに接続する回路と、励磁用変圧器10から純ブリッジで構成されたサイリスタ整流器11b、界磁遮断器12b、AC発電機18b、回転整流器17bを経て界磁巻線5bに接続する回路との2回路から構成される。
【0169】
発電機1の端子電圧は計器用変圧器6により検出され自動電圧調整器7aおよび自動電圧調整器7bに取り込まれる。自動電圧調整器7a、7bでは、検出した発電機端子電圧と各々の電圧設定器8a、8bに設定された電圧設定値との偏差を演算する。この偏差を同期用変圧器9から取り込んだ励磁用変圧器10の励磁電源電圧波形と同期した同期信号により、2個のサイリスタ整流器11a、11bのパルス位相値に変換して整流調整制御を実行する。
【0170】
サイリスタ整流器11bから界磁遮断器12bを介して、AC発電機18bの界磁巻線に励磁電流が流れると、回転子4の回転力によりAC発電機18bの電機子巻線に出力電圧を生じ、AC発電機18bの電機子巻線に流れる電流を回転整流器17bにて整流して発電機1の励磁電流を得る。
【0171】
同様に、サイリスタ整流器11aから界磁遮断器12aを介して、AC発電機18aの界磁巻線に励磁電流が流れると、回転子4の回転力によりAC発電機18aの電機子巻線に出力電圧を生じ、AC発電機18aの電機子巻線に流れる電流を回転整流器17aにて整流して発電機1の励磁電流を得る。両方の回転整流器17a、17bから、回転子4に取り付けられた独立した発電機1の界磁巻線に流れる励磁電流による起磁力は、発電機の固定子2において加算される。
【0172】
自動電圧調整器7aおよびサイリスタ整流器11aと、自動電圧調整器7bおよびサイリスタ整流器11bとの構成は同じであるので、電圧設定器8a、8bの設定値を変更するだけで、サイリスタ整流器11b、界磁遮断器12b、AC発電機18b、回転整流器17b、界磁巻線5bで構成される励磁回路と、サイリスタ整流器11a、界磁遮断器12a、AC発電機18a、回転整流器17a、界磁巻線5aで構成される励磁回路との分担を、無負荷電圧に相当する励磁電流量と負荷電圧に相当する励磁電流量の分担を任意に選択することができる。
【0173】
ここで、界磁巻線5a、5bは、独立した巻線であるためにそれぞれの巻線の起磁力は、回転子4において加算される。この回転子4に生じる合計された起磁力によって生じる磁束が発電機1の電機子コイルに作用して発電機1の端子電圧を発生させる。
【0174】
この第12の実施の形態によれば、AC発電機18a、18b、回転整流器17a、17b、界磁巻線5a、5bおよびそれらを接続する導体の定格は、界磁回路の起磁力を増加するために1個の界磁巻線の巻数を増加させた場合の電圧の約1/2に低減でき、1個の界磁巻線の励磁電流値を増加させた場合の電流の約1/2に低減できる。AC発電機18a、18bを介することにより、AC発電機18a、18bの励磁を調整制御して間接的に発電機の励磁を得る構成となり、AC発電機18a、18bの界磁電流と電機子電流との間に値を増幅する関係があるから、AC発電機18a、18bの界磁回路を構成する励磁用変圧器10、サイリスタ整流器11a、11b、界磁遮断器12a、12b、およびこれらの機器を接続する導体などの機器の定格は、第4の実施の形態よりさらに低減することができる。
【0175】
これらの界磁回路を構成する機器の定格電圧を低減すれば、試験電圧も低減でき、高電圧に絶える絶縁も必要では無いことから、小型で安価な励磁制御装置を供給できる。発電機1の端子電圧制御は、サイリスタ整流器11bの無負荷励磁量とサイリスタ整流器11aの負荷励磁量とに分担して実行される。
【0176】
従って、いずれか一方の装置に故障が発生して励磁電流を流せなくなった場合においても、無効電力の変動は発生するものの界磁喪失になることは無く、発電機をゆっくり停止させることができることから、電力系統に対して急激な変動を与えず安定した運転を供給できる。
【0177】
サイリスタ整流器11b、界磁遮断器12b、AC発電機18b、回転整流器17b、界磁巻線5bで構成される励磁回路を無負荷電圧に相当する励磁電流量の制御に割り当てた場合には、自動電圧調整器7bの無負荷電圧制御部分は、ほぼ一定励磁制御を実行するのみで良く、発電機1の端子電圧調整制御は、自動電圧調整器7aと電圧設定器8aの調整に応じた負荷電圧調整部分で行うことになり、励磁制御を二重に設備した割には制御機能を簡素化することができる。
【0178】
ここで、界磁巻線5aと界磁巻線5bとの巻数比は、1:1または1:Nとする。また、サイリスタ整流器11aとサイリスタ整流器11bを純ブリッジで構成することに代えて、サイリスタ整流器11aを純ブリッジで構成し、サイリスタ整流器11bを混合ブリッジで構成するようにしても良い。
【0179】
次に、本発明の第13の実施の形態を説明する。図13は本発明の第13の実施の形態に係わる発電機の励磁装置の構成図である。この第13の実施の形態は、図1に示した第1の実施の形態に対し、第1のサイリスタ整流器11aから界磁巻線5a、5bの双方に発電機1の負荷電圧に相当する界磁電流を供給すると共に、第2のサイリスタ整流器から界磁巻線5a、5bの双方に発電機1の無負荷電圧に相当する界磁電流を供給するようにしたものである。図1に示した第1の実施の形態と同一要素には、同一符号を付し重複する説明は省略する。
【0180】
図13において、界磁回路は励磁用変圧器10から純ブリッジで構成されたサイリスタ整流器11a、界磁遮断器12aを経てブラシ13aに接続する回路と、励磁用変圧器10から純ブリッジで構成されたサイリスタ整流器11b、界磁遮断器12bを経てブラシ13bに接続する回路との2回路を構成する。
【0181】
発電機1の端子電圧は計器用変圧器6により検出されて自動電圧調整器7に取り込まれる。自動電圧調整器7では、検出した発電機端子電圧と電圧設定器8に設定された電圧設定値との偏差を演算する。この偏差を同期用変圧器9から取り込んだ励磁用変圧器10の励磁電源電圧波形と同期した同期信号により、2個のサイリスタ整流器11a、11bのパルス位相値に変換して整流調整制御を実行する。
【0182】
この自動電圧調整器7からサイリスタ整流器11bへの整流調整制御では、励磁用変圧器10の交流電流を発電機の無負荷励磁電流相当に整流した励磁電流としてブラシ13bに流す。また、自動電圧調整器7からサイリスタ整流器11aへの整流調整制御では、励磁用変圧器10の交流電流を電圧設定器8によって定められた発電機の負荷電圧に相当する界磁電流としてブラシ13aに流し、発電機1の端子電圧を電圧設定器8の電圧設定値に制御する。
【0183】
ここで、ブラシ13a13bは並列に接続され、界磁巻線5a、5bに直列に接続されるので、サイリスタ整流器11aからの負荷励磁電流相当に整流した励磁電流とサイリスタ整流器11bからの無負荷励磁電流相当に整流した励磁電流の両方が界磁巻線5a、5bに流れる。このブラシ13a、13bの両方から流入する励磁電流により、回転子4に磁束を生じ、この磁束が発電機1の電機子コイルに作用して発電機1の端子電圧を発生させる。
【0184】
この第13の実施の形態によれば、サイリスタ整流器11a、11b、界磁遮断器12a、12b、ブラシ13a、13bなどの界磁回路を構成する機器の定格は、界磁巻線に流す電流を分担することになり、分担比が1:1の場合には、同一容量の発電機に対する励磁回路を構成するサイリスタ整流器11a、界磁遮断器12a、ブラシ13a、サイリスタ整流器11b、界磁遮断器12b、ブラシ13およびそれらを接続する導体などの機器の容量は約1/2に低減できる。
【0185】
これらの界磁回路を構成する機器の定格電圧を低減すれば、試験電圧も低減でき、高電圧に絶える絶縁も必要では無いことから、小型で安価な励磁制御装置を供給できる。サイリスタ整流器11a、11bを純ブリッジで構成しているので、系統故障などの場合に必要とされる急速減励磁を実行することができる。
【0186】
発電機1の端子電圧制御は、サイリスタ整流器11bの無負荷励磁量とサイリスタ整流器11aの負荷励磁量に分担して実行される。従って、いずれか一方の装置に故障が発生して励磁電流を流せなくなった場合においても、無効電力の変動は発生するものの界磁喪失になることは無く、発電機をゆっくり停止させることができることから、電力系統に対して急激な変動を与えず安定した運転を供給できる。自動電圧調整器7の無負荷電圧制御部分は、ほぼ一定励磁制御を実行するのみで良く、発電機1の端子電圧調整制御は、電圧設定器8の調整に応じた負荷電圧調整部分で行うことになり、励磁制御を二重に設備した割には制御機能を簡素化することができる。
【0187】
ここで、サイリスタ整流器11a、11bを純ブリッジで構成することに代えて、サイリスタ整流器11aを純ブリッジで構成し、サイリスタ整流器11bを混合ブリッジで構成するようにしても良い。混合ブリッジで構成したサイリスタ整流器は、純ブリッジで構成したサイリスタ整流器よりも安価となり、急速減励磁制御ができないが、発電機1の無負荷電圧相当の励磁電流制御を実行する整流器として適用することで、励磁制御機能を低下させることなく安価なシステムを供給することができる。
【0188】
次に、本発明の第14の実施の形態を説明する。図14は本発明の第14の実施の形態に係わる発電機の励磁装置の構成図である。この第14の実施の形態は、図2に示した第2の実施の形態に対し、第1のサイリスタ整流器11aから界磁巻線5a、5bの双方に発電機1の負荷電圧に相当する界磁電流を供給すると共に、整流器14から界磁巻線5a、5bの双方に発電機1の無負荷電圧に相当する界磁電流を供給するようにしたものである。図1に示した第1の実施の形態と同一要素には、同一符号を付し重複する説明は省略する。
【0189】
図14において、界磁回路は励磁用変圧器10から純ブリッジで構成されたサイリスタ整流器11a、界磁遮断器12aを経てブラシ13aに接続する回路と、励磁用変圧器10から電源変圧器15、整流器14、界磁遮断器12bを経てブラシ13bに接続する回路との2回路で構成される。また、界磁巻線5aと界磁巻線5bとの巻数比は、1:1または1:Nとなる2個の界磁巻線を設置する。
【0190】
発電機1の端子電圧は計器用変圧器6により検出されて自動電圧調整器7に取り込まれる。自動電圧調整器7では、検出した発電機端子電圧と電圧設定器8に設定された電圧設定値との偏差を演算する。この偏差を同期用変圧器9から取り込んだ励磁用変圧器10の励磁電源電圧波形と同期した同期信号により、サイリスタ整流器11aのパルス位相値に変換して整流調整制御を実行する。
【0191】
励磁用変圧器10から電源変圧器15を介して適切な値に変圧された電源電圧は、整流器14によって整流され、発電機1の無負荷励磁電流相当の励磁電流をブラシ13bに流す。
【0192】
また、自動電圧調整器7からサイリスタ整流器11aへの整流調整制御では、励磁用変圧器10の交流電流を電圧設定器8によって定められた発電機負荷電圧に相当する界磁電流としてブラシ13aに流し、発電機1の端子電圧を電圧設定器8の電圧設定値に制御する。
【0193】
ここで、ブラシ13a、13bは並列に接続され、界磁巻線5a、5bに直列に接続されるので、電源変圧器15、整流器14からの無負荷励磁電流相当に整流した励磁電流と、サイリスタ整流器11aからの負荷励磁電流相当に整流した励磁電流との両方が界磁巻線5a、5bに流れる。ブラシ13a、13bの両方から流入する励磁電流により、回転子4に磁束を生じ、この磁束が発電機1の電機子コイルに作用して発電機1に端子電圧を発生させる。
【0194】
この第14の実施の形態によれば、サイリスタ整流器11a、電源変圧器15、整流器14、界磁遮断器12a、12b、ブラシ13a、13bなどの界磁回路を構成する機器の定格は、界磁巻線に流す電流を分担することになり、分担比が1:1の場合には、同一容量の発電機に対する励磁回路を構成するサイリスタ整流器11a、界磁遮断器12a、ブラシ13a、サイリスタ整流器11b、界磁遮断器12b、ブラシ13bおよびそれらを接続する導体などの機器の容量は約1/2に低減できる。これらの界磁回路を構成する機器の定格電圧を低減すれば、試験電圧も低減でき、高電圧に絶える絶縁も必要では無いことから、小型で安価な励磁制御装置を供給できる。
【0195】
発電機1の端子電圧制御は、電源変圧器15、整流器14の無負荷励磁量と、サイリスタ整流器11aの負荷励磁量とに分担して実行される。従って、いずれか一方の装置に故障が発生して励磁電流を流せなくなった場合においても、無効電力の変動は発生するものの界磁喪失になることは無く、発電機1をゆっくり停止させることができることから、電力系統3に対して急激な変動を与えず安定した運転を供給できる。
【0196】
自動電圧調整器7は、発電機1の端子電圧調整制御について、電圧設定器8の調整に応じた負荷電圧調整を実行することで、励磁制御を二重に設備した割には電圧調整制御は、従来システムと同じく1個で機能を満足することから、励磁制御設備を簡素化することができる。
【0197】
以上の説明では、サイリスタ整流器11aを純ブリッジで構成することでで説明したが、サイリスタ整流器11aを混合ブリッジで構成するようにしても良い。混合ブリッジで構成したサイリスタ整流器は、純ブリッジで構成したサイリスタ整流器よりも安価となり、急速減励磁制御ができないが、発電機1の無負荷電圧相当の励磁電流制御を実行する整流器として適用することで、励磁制御機能を低下させることなく安価なシステムを供給することができる。
【0198】
次に、本発明の第15の実施の形態を説明する。図15は本発明の第15の実施の形態に係わる発電機の励磁装置の構成図である。この第15の実施の形態は、図3に示した第3の実施の形態に対し、第1のサイリスタ整流器11aから界磁巻線5a、5bの双方に発電機1の負荷電圧に相当する界磁電流を供給すると共に、第2のサイリスタ整流器から界磁巻線5a、5bの双方に発電機1の無負荷電圧に相当する界磁電流を供給するようにしたものである。図3に示した第3の実施の形態と同一要素には、同一符号を付し重複する説明は省略する。
【0199】
図15において、界磁回路は励磁用変圧器10から純ブリッジで構成されたサイリスタ整流器11a、界磁遮断器12aを経てブラシ13aに接続する回路と、励磁用変圧器10から純ブリッジで構成されたサイリスタ整流器11b、界磁遮断器12bを経てブラシ13bに接続する回路との2回路で構成される。
【0200】
発電機1の端子電圧は計器用変圧器6により検出されて自動電圧調整器7に取り込まれる。自動電圧調整器7では、検出した発電機端子電圧と電圧設定器8に設定された電圧設定値との偏差を演算する。この偏差を同期用変圧器9から取り込んだ励磁用変圧器10の励磁電源電圧波形と同期した同期信号により、サイリスタ整流器11a、11bのパルス位相値に変換して出力する。
【0201】
自動電圧調整器7より出力される両方のサイリスタ整流器11a、11bへのパルス信号は、パルス変圧器16にてサイリスタ整流器11aとサイリスタ整流器11bに分岐される。これにより、サイリスタ整流器11aとサイリスタ整流器11bとは、全く同じ整流調整制御を実行する。従って、自動電圧調整器7からサイリスタ整流器11a、11bへの整流パルス信号には、発電機1の無負荷電圧に相当する励磁電流と発電機負荷電圧に相当する界磁電流の制御量が含まれる。
【0202】
ここで、ブラシ13a、13bは並列に接続され、界磁巻線5a、5bに直列に接続されているので、サイリスタ整流器11aからの負荷励磁電流相当に整流した励磁電流と、サイリスタ整流器11bからの無負荷励磁電流相当に整流した励磁電流との両方が界磁巻線5a、5bに流れる。ブラシ13a、13bの両方から流入する励磁電流により、回転子4に磁束を生じ、この磁束が発電機1の電機子コイルに作用して発電機1に端子電圧を発生させる。
【0203】
この第15の実施の形態によれば、サイリスタ整流器11a、11b、界磁遮断器12a、12b、ブラシ13a、13bなどの界磁回路を構成する機器の定格は、界磁巻線に流す電流を分担することになり、分担比が1:1の場合には、同一容量の発電機に対する励磁回路を構成するサイリスタ整流器11a、界磁遮断器12a、ブラシ13a、サイリスタ整流器11b、界磁遮断器12b、ブラシ13およびそれらを接続する導体などの機器の容量は約1/2に低減できる。これらの界磁回路を構成する機器の定格電圧を低減すれば、試験電圧も低減でき、高電圧に絶える絶縁も必要では無いことから、小型で安価な励磁制御装置を供給できる。また、サイリスタ整流器11a、11bを純ブリッジで構成しているので、系統故障などの場合に必要とされる急速減励磁を実行することができる。
【0204】
ここで、サイリスタ整流器11aとサイリスタ整流器11bとを純ブリッジで構成することに代えて、サイリスタ整流器11aとサイリスタ整流器11bとを混合ブリッジで構成することも可能である。
【0205】
次に、本発明の第16の実施の形態を説明する。図16は本発明の第16の実施の形態に係わる発電機の励磁装置の構成図である。この第16の実施の形態は、図4に示した第4の実施の形態に対し、第1のサイリスタ整流器11aから界磁巻線5a、5bの双方に発電機1の負荷電圧に相当する界磁電流を供給すると共に、第2のサイリスタ整流器から界磁巻線5a、5bの双方に発電機1の無負荷電圧に相当する界磁電流を供給するようにしたものである。図4に示した第4の実施の形態と同一要素には、同一符号を付し重複する説明は省略する。
【0206】
図16において、界磁回路は励磁用変圧器10から純ブリッジで構成されたサイリスタ整流器11a、界磁遮断器12aを経てブラシ13aに接続する回路と、励磁用変圧器10から純ブリッジで構成されたサイリスタ整流器11b、界磁遮断器12bを経てブラシ13bに接続する回路との2回路で構成される。
【0207】
自動電圧調整器7aおよび自動電圧調整器7bでは、検出した発電機端子電圧と電圧設定器8a、8bに設定された電圧設定値との偏差を演算する。この偏差を同期用変圧器9から取り込んだ励磁用変圧器10の励磁電源電圧波形と同期した同期信号により、2個のサイリスタ整流器11a、11bのパルス位相値に変換して整流調整制御を実行する。
【0208】
すなわち、自動電圧調整器7bからサイリスタ整流器11bへの整流調整制御では、励磁用変圧器10の交流電流を発電機の無負荷励磁電流相当に整流した励磁電流としてブラシ13に流す。一方、自動電圧調整器7aからサイリスタ整流器11aへの整流調整制御では、励磁用変圧器10の交流電流を電圧設定器8aによって定められた発電機1の負荷電圧に相当する界磁電流としてブラシ13aに流し、発電機1の端子電圧を電圧設定器8aの電圧設定値に制御する。
【0209】
自動電圧調整器7aおよびサイリスタ整流器11a、自動電圧調整器7bおよびサイリスタ整流器11bの構成は同じであるので、電圧設定器8aと電圧設定器8bとの電圧設定値を変更するだけで、サイリスタ整流器11bの無負荷電圧に相当する励磁電流量とサイリスタ整流器11aの荷電圧に相当する励磁電流量の分担は逆にすることができる。
【0210】
ここで、ブラシ13a、13bは並列に接続され、界磁巻線5a、5bに接続されているので、サイリスタ整流器11aからの負荷励磁電流相当に整流した励磁電流と、サイリスタ整流器11bからの無負荷励磁電流相当に整流した励磁電流との両方が界磁巻線5a、5bに流れる。ブラシ13a、13bの両方から流入する励磁電流により、回転子4に磁束を生じ、この磁束が発電機1の電機子コイルに作用して発電機に端子電圧を発生させる。
【0211】
この第16の実施の形態によれば、サイリスタ整流器11a、11b、界磁遮断器12a、12b、ブラシ13a、13bなどの界磁回路を構成する機器の定格は、界磁巻線に流す電流を分担することになり、分担比が1:1の場合には、同一容量の発電機に対する励磁回路を構成するサイリスタ整流器11a、界磁遮断器12a、ブラシ13a、サイリスタ整流器11b、界磁遮断器12b、ブラシ13bおよびそれらを接続する導体などの機器の容量は約1/2に低減できる。これらの界磁回路を構成する機器の定格電圧を低減すれば、試験電圧も低減でき、高電圧に絶える絶縁も必要では無いことから、小型で安価な励磁制御装置を供給できる。また、サイリスタ整流器11a、11bを純ブリッジで構成しているので、系統故障などの場合に必要とされる急速減励磁を実行することができる。
【0212】
発電機1の端子電圧制御は、サイリスタ整流器11bの無負荷励磁量とサイリスタ整流器11aの負荷励磁量に分担して実行される。いずれか一方の装置に故障が発生して励磁電流を流せなくなった場合においても、無効電力の変動は発生するものの界磁喪失になることは無く、発電機をゆっくり停止させることができることから、電力系統に対して急激な変動を与えず安定した運転を供給できる。自動電圧調整器7bの電圧調整制御は、無負荷電圧相当の励磁電流制御となるために、ほぼ一定励磁制御を実行するのみで良く、発電機1の端子電圧調整制御は、自動電圧調整器7の電圧設定器8の調整に応じた発電機の負荷電圧相当の励磁電流制御で行うことになり、励磁制御を二重に設備した割には制御機能を簡素化することができる。
【0213】
ここで、サイリスタ整流器11aとサイリスタ整流器11bとを純ブリッジで構成することに代えて、サイリスタ整流器11aを純ブリッジで構成し、サイリスタ整流器11bを混合ブリッジで構成するようにしても良い。
【0214】
【発明の効果】
以上のように本発明によれば、界磁巻線を複数設け複数の界磁回路を形成するので、界磁回路を構成する機器の定格電圧と電流を下げることができる。従って、大容量の発電機であっても適正に界磁電流を供給できる。
【0215】
これにより、複数台の小容量の発電機に代えて1台の大容量の発電機の設置が可能となり、発電機台数を低減できる。つまり、大容量発電機に対して、制御機器の開発を必要としない機器の選定、発電機の効率アップ、建設コストの低減、点検保守の簡素化などの発電設備の建設時の要求に合わせることができる。
【0216】
また、複数の界磁巻線の励磁電流の分担によって、無負荷励磁電流量相当を発電機運転中は常時流しておき、負荷に相当する励磁電流量のみを加算する制御方式を採用できることから励磁制御が簡素化され、発電機容量に対して安価で小型の励磁制御装置が供給できる。
【0217】
複数の界磁巻線は、通常の運転では和動で作用し、大容量の発電機の励磁量に見合った励磁を供給するが、励磁電流の流れる方向を逆にすることにより差動で作用させることが可能であり、この場合には、系統故障などが発生した場合の急速減励磁が可能となる。
【図面の簡単な説明】
【図1】本発明の第1の実施の形態に係わる発電機の励磁装置の構成図。
【図2】本発明の第2の実施の形態に係わる発電機の励磁装置の構成図。
【図3】本発明の第3の実施の形態に係わる発電機の励磁装置の構成図。
【図4】本発明の第4の実施の形態に係わる発電機の励磁装置の構成図。
【図5】本発明の第5の実施の形態に係わる発電機の励磁装置の構成図。
【図6】本発明の第6の実施の形態に係わる発電機の励磁装置の構成図。
【図7】本発明の第7の実施の形態に係わる発電機の励磁装置の構成図。
【図8】本発明の第8の実施の形態に係わる発電機の励磁装置の構成図。
【図9】本発明の第9の実施の形態に係わる発電機の励磁装置の構成図。
【図10】本発明の第10の実施の形態に係わる発電機の励磁装置の構成図。
【図11】本発明の第11の実施の形態に係わる発電機の励磁装置の構成図。
【図12】本発明の第12の実施の形態に係わる発電機の励磁装置の構成図。
【図13】本発明の第13の実施の形態に係わる発電機の励磁装置の構成図。
【図14】本発明の第14の実施の形態に係わる発電機の励磁装置の構成図。
【図15】本発明の第15の実施の形態に係わる発電機の励磁装置の構成図。
【図16】本発明の第16の実施の形態に係わる発電機の励磁装置の構成図。
【図17】従来の発電機の励磁装置の構成図。
【符号の説明】
1…発電機、2…並列遮断器、3…電力系統、4…回転子、5…界磁巻線、6…計器用変圧器、7…自動電圧調整器、8…電圧設定器、9…同期用変圧器、10…励磁用変圧器、11…サイリスタ整流器、12…界磁遮断器、13…ブラシ、14…整流器、15…電源変圧器、16…パルス変圧器、17…回転整流器、18…AC発電機

Claims (16)

  1. 発電機の端子電圧が所定の電圧設定値になるように発電機の界磁巻線に界磁電流を供給する発電機の励磁装置において、前記発電機の磁極に設けられた2個の界磁巻線と、前記2個の界磁巻線のうちの一方の界磁巻線に前記発電機の負荷電圧に相当する界磁電流を供給する第1のサイリスタ整流器と、前記2個の界磁巻線のうちの他方の界磁巻線に前記発電機の無負荷励磁電流に相当する界磁電流を供給する第2のサイリスタ整流器と、一方の界磁巻線に前記発電機の負荷電圧に相当する界磁電流が出力されるように前記第1のサイリスタ整流器にゲート指令を出力すると共に他方の界磁巻線に前記発電機の無負荷励磁電流に相当する界磁電流が出力されるように前記第2のサイリスタ整流器にゲート指令を出力する自動電圧調整器とを備えたことを特徴とする発電機の励磁装置。
  2. 発電機の端子電圧が所定の電圧設定値になるように発電機の界磁巻線に界磁電流を供給する発電機の励磁装置において、前記発電機の磁極に設けられた2個の界磁巻線と、前記2個の界磁巻線のうちの一方の界磁巻線に前記発電機の負荷電圧に相当する界磁電流を供給するサイリスタ整流器と、前記2個の界磁巻線のうちの他方の界磁巻線に前記発電機の無負荷励磁電流に相当する界磁電流を供給する整流器と、一方の界磁巻線に前記発電機の負荷電圧に相当する界磁電流が出力されるように前記サイリスタ整流器にゲート指令を出力する自動電圧調整器とを備えたことを特徴とする発電機の励磁装置。
  3. 発電機の端子電圧が所定の電圧設定値になるように発電機の界磁巻線に界磁電流を供給する発電機の励磁装置において、前記発電機の磁極に設けられた2個の界磁巻線と、前記2個の界磁巻線のうちの一方の界磁巻線に前記発電機の負荷電圧に相当する界磁電流を供給する第1のサイリスタ整流器と、前記2個の界磁巻線のうちの他方の界磁巻線に前記発電機の無負荷励磁電流に相当する界磁電流を供給する第2のサイリスタ整流器と、前記発電機の端子電圧が所定の電圧設定値になるようにゲート指令を出力する自動電圧調整器と、前記自動電圧調整器からのゲート指令を前記第1のサイリスタ整流器および前記第2のサイリスタ整流器に分配するパルス変圧器とを備えたことを特徴とする発電機の励磁装置。
  4. 発電機の端子電圧が所定の電圧設定値になるように発電機の界磁巻線に界磁電流を供給する発電機の励磁装置において、前記発電機の磁極に設けられた2個の界磁巻線と、前記2個の界磁巻線のうちの一方の界磁巻線に前記発電機の負荷電圧に相当する界磁電流を供給する第1のサイリスタ整流器と、前記2個の界磁巻線のうちの他方の界磁巻線に前記発電機の無負荷励磁電流に相当する界磁電流を供給する第2のサイリスタ整流器と、一方の界磁巻線に前記発電機の負荷電圧に相当する界磁電流が出力されるように前記第1のサイリスタ整流器にゲート指令を出力する第1の自動電圧調整器と、他方の界磁巻線に前記発電機の無負荷励磁電流に相当する界磁電流が出力されるように前記第2のサイリスタ整流器にゲート指令を出力する第2の自動電圧調整器とを備えたことを特徴とする発電機の励磁装置。
  5. 発電機の端子電圧が所定の電圧設定値になるように発電機の界磁巻線に界磁電流を供給する発電機の励磁装置において、前記発電機の磁極に設けられた2個の界磁巻線と、前記2個の界磁巻線のうちの一方の界磁巻線に前記発電機の負荷電圧に相当する界磁電流を供給する第1のサイリスタ整流器と、前記2個の界磁巻線のうちの他方の界磁巻線に回転整流器を介して前記発電機の無負荷励磁電流に相当する界磁電流を供給するAC発電機と、前記AC発電機に界磁電流を供給する第2のサイリスタ整流器と、一方の界磁巻線に前記発電機の負荷電圧に相当する界磁電流が出力されるように前記第1のサイリスタ整流器にゲート指令を出力すると共に他方の界磁巻線に前記発電機の無負荷励磁電流に相当する界磁電流が出力されるように前記AC発電機の界磁電流を制御する前記第2のサイリスタ整流器にゲート指令を出力する自動電圧調整器とを備えたことを特徴とする発電機の励磁装置。
  6. 発電機の端子電圧が所定の電圧設定値になるように発電機の界磁巻線に界磁電流を供給する発電機の励磁装置において、前記発電機の磁極に設けられた2個の界磁巻線と、前記2個の界磁巻線のうちの一方の界磁巻線に前記発電機の負荷電圧に相当する界磁電流を供給するサイリスタ整流器と、前記2個の界磁巻線のうちの他方の界磁巻線に回転整流器を介して前記発電機の無負荷励磁電流に相当する界磁電流を供給するAC発電機と、前記AC発電機に界磁電流を供給する整流器と、一方の界磁巻線に前記発電機の負荷電圧に相当する界磁電流が出力されるように前記サイリスタ整流器にゲート指令を出力する自動電圧調整器とを備えたことを特徴とする発電機の励磁装置。
  7. 発電機の端子電圧が所定の電圧設定値になるように発電機の界磁巻線に界磁電流を供給する発電機の励磁装置において、前記発電機の磁極に設けられた2個の界磁巻線と、2個の界磁巻線を有し前記発電機の2個の界磁巻線に回転整流器を介して界磁電流を供給するAC発電機と、前記AC発電機の一方の界磁巻線に界磁電流を供給する第1のサイリスタ整流器と、前記AC発電機の他方の界磁巻線に界磁電流を供給する第2のサイリスタ整流器と、前記発電機の端子電圧が所定の電圧設定値になるようにゲート指令を出力する自動電圧調整器と、前記自動電圧調整器からのゲート指令を前記第1のサイリスタ整流器および前記第2のサイリスタ整流器に分配するパルス変圧器とを備えたことを特徴とする発電機の励磁装置。
  8. 発電機の端子電圧が所定の電圧設定値になるように発電機の界磁巻線に界磁電流を供給する発電機の励磁装置において、前記発電機の磁極に設けられた2個の界磁巻線と、前記2個の界磁巻線のうちの一方の界磁巻線に前記発電機の負荷電圧に相当する界磁電流を供給する第1のサイリスタ整流器と、前記2個の界磁巻線のうちの他方の界磁巻線に回転整流器を介して前記発電機の無負荷励磁電流に相当する界磁電流を供給するAC発電機と、前記AC発電機に界磁電流を供給する第2のサイリスタ整流器と、一方の界磁巻線に前記発電機の負荷電圧に相当する界磁電流が出力されるように前記第1のサイリスタ整流器にゲート指令を出力する第1の自動電圧調整器と、他方の界磁巻線に前記発電機の無負荷励磁電流に相当する界磁電流が出力されるように前記第2のサイリスタ整流器にゲート指令を出力する第2の自動電圧調整器とを備えたことを特徴とする発電機の励磁装置。
  9. 発電機の端子電圧が所定の電圧設定値になるように発電機の界磁巻線に界磁電流を供給する発電機の励磁装置において、前記発電機の磁極に設けられた2個の界磁巻線と、前記2個の界磁巻線のうちの一方の界磁巻線に回転整流器を介して前記発電機の負荷電圧に相当する界磁電流を供給する第1のAC発電機と、前記2個の界磁巻線のうちの他方の界磁巻線に回転整流器を介して前記発電機の無負荷励磁電流に相当する界磁電流を供給する第2のAC発電機と、前記第1のAC発電機に界磁電流を供給する第1のサイリスタ整流器と、前記第2のAC発電機に界磁電流を供給する第2のサイリスタ整流器と、一方の界磁巻線に前記発電機の負荷電圧に相当する界磁電流が出力されるように前記第1のサイリスタ整流器にゲート指令を出力すると共に他方の界磁巻線に前記発電機の無負荷励磁電流に相当する界磁電流が出力されるように前記第2のサイリスタ整流器にゲート指令を出力する自動電圧調整器とを備えたことを特徴とする発電機の励磁装置。
  10. 発電機の端子電圧が所定の電圧設定値になるように発電機の界磁巻線に界磁電流を供給する発電機の励磁装置において、前記発電機の磁極に設けられた2個の界磁巻線と、前記2個の界磁巻線のうちの一方の界磁巻線に回転整流器を介して前記発電機の負荷電圧に相当する界磁電流を供給する第1のAC発電機と、前記2個の界磁巻線のうちの他方の界磁巻線に回転整流器を介して前記発電機の無負荷励磁電流に相当する界磁電流を供給する第2のAC発電機と、前記第1のAC発電機に界磁電流を供給するサイリスタ整流器と、前記第2のAC発電機に界磁電流を供給する整流器と、一方の界磁巻線に前記発電機の負荷電圧に相当する界磁電流が出力されるように前記サイリスタ整流器にゲート指令を出力する自動電圧調整器とを備えたことを特徴とする発電機の励磁装置。
  11. 発電機の端子電圧が所定の電圧設定値になるように発電機の界磁巻線に界磁電流を供給する発電機の励磁装置において、前記発電機の磁極に設けられた2個の界磁巻線と、前記2個の界磁巻線のうちの一方の界磁巻線に界磁電流を供給する第1のAC発電機と、前記2個の界磁巻線のうちの他方の界磁巻線に界磁電流を供給する第2のAC発電機と、前記第1のAC発電機に界磁電流を供給する第1のサイリスタ整流器と、前記第2のAC発電機に界磁電流を供給する第2のサイリスタ整流器と、前記発電機の端子電圧が所定の電圧設定値になるようにゲート指令を出力する自動電圧調整器と、前記自動電圧調整器からのゲート指令を前記第1のサイリスタ整流器および前記第2のサイリスタ整流器に分配するパルス変圧器とを備えたことを特徴とする発電機の励磁装置。
  12. 発電機の端子電圧が所定の電圧設定値になるように発電機の界磁巻線に界磁電流を供給する発電機の励磁装置において、前記発電機の磁極に設けられた2個の界磁巻線と、前記2個の界磁巻線のうちの一方の界磁巻線に回転整流器を介して前記発電機の負荷電圧に相当する界磁電流を供給する第1のAC発電機と、前記2個の界磁巻線のうちの他方の界磁巻線に回転整流器を介して前記発電機の無負荷励磁電流に相当する界磁電流を供給する第2のAC発電機と、前記第1のAC発電機に界磁電流を供給する第1のサイリスタ整流器と、前記第2のAC発電機に界磁電流を供給する第2のサイリスタ整流器と、一方の界磁巻線に前記発電機の負荷電圧に相当する界磁電流が出力されるように前記第1のサイリスタ整流器にゲート指令を出力する第1の自動電圧調整器と、他方の界磁巻線に前記発電機の無負荷励磁電流に相当する界磁電流が出力されるように前記第2のサイリスタ整流器にゲート指令を出力する第2の自動電圧調整器とを備えたことを特徴とする発電機の励磁装置。
  13. 発電機の端子電圧が所定の電圧設定値になるように発電機の界磁巻線に界磁電流を供給する発電機の励磁装置において、前記界磁巻線に前記発電機の負荷電圧に相当する界磁電流を供給する第1のサイリスタ整流器と、前記界磁巻線に前記発電機の無負荷励磁電流に相当する界磁電流を供給する第2のサイリスタ整流器と、前記発電機の負荷電圧に相当する界磁電流が出力されるように前記第1のサイリスタ整流器にゲート指令を出力すると共に前記発電機の無負荷励磁電流に相当する界磁電流が出力されるように前記第2のサイリスタ整流器にゲート指令を出力する自動電圧調整器とを備えたことを特徴とする発電機の励磁装置。
  14. 発電機の端子電圧が所定の電圧設定値になるように発電機の界磁巻線に界磁電流を供給する発電機の励磁装置において、前記界磁巻線に前記発電機の負荷電圧に相当する界磁電流を供給するサイリスタ整流器と、前記界磁巻線に前記発電機の無負荷励磁電流に相当する界磁電流を供給する整流器と、前記発電機の負荷電圧に相当する界磁電流が出力されるように前記サイリスタ整流器にゲート指令を出力する自動電圧調整器とを備えたことを特徴とする発電機の励磁装置。
  15. 発電機の端子電圧が所定の電圧設定値になるように発電機の界磁巻線に界磁電流を供給する発電機の励磁装置において、前記界磁巻線に界磁電流を供給する第1のサイリスタ整流器と、前記界磁巻線に界磁電流を供給する第2のサイリスタ整流器と、前記発電機の端子電圧が所定の電圧設定値になるようにゲート指令を出力する自動電圧調整器と、前記自動電圧調整器からのゲート指令を前記第1のサイリスタ整流器および前記第2のサイリスタ整流器に分配するパルス変圧器とを備えたことを特徴とする発電機の励磁装置。
  16. 発電機の端子電圧が所定の電圧設定値になるように発電機の界磁巻線に界磁電流を供給する発電機の励磁装置において、前記界磁巻線に前記発電機の負荷電圧に相当する界磁電流を供給する第1のサイリスタ整流器と、前記界磁巻線に前記発電機の無負荷励磁電流に相当する界磁電流を供給する第2のサイリスタ整流器と、前記発電機の負荷電圧に相当する界磁電流が出力されるように前記第1のサイリスタ整流器にゲート指令を出力する第1の自動電圧調整器と、前記発電機の無負荷励磁電流に相当する界磁電流が出力されるように前記第2のサイリスタ整流器にゲート指令を出力する第2の自動電圧調整器とを備えたことを特徴とする発電機の励磁装置。
JP2000144283A 2000-05-17 2000-05-17 発電機の励磁装置 Expired - Fee Related JP4132575B2 (ja)

Priority Applications (1)

Application Number Priority Date Filing Date Title
JP2000144283A JP4132575B2 (ja) 2000-05-17 2000-05-17 発電機の励磁装置

Applications Claiming Priority (1)

Application Number Priority Date Filing Date Title
JP2000144283A JP4132575B2 (ja) 2000-05-17 2000-05-17 発電機の励磁装置

Publications (2)

Publication Number Publication Date
JP2001327199A JP2001327199A (ja) 2001-11-22
JP4132575B2 true JP4132575B2 (ja) 2008-08-13

Family

ID=18650960

Family Applications (1)

Application Number Title Priority Date Filing Date
JP2000144283A Expired - Fee Related JP4132575B2 (ja) 2000-05-17 2000-05-17 発電機の励磁装置

Country Status (1)

Country Link
JP (1) JP4132575B2 (ja)

Families Citing this family (4)

* Cited by examiner, † Cited by third party
Publication number Priority date Publication date Assignee Title
JP2007082283A (ja) * 2005-09-12 2007-03-29 Denso Corp 車両用交流発電機
JP4757082B2 (ja) * 2006-04-12 2011-08-24 中国電力株式会社 界磁電流の制御システム
KR101486753B1 (ko) * 2013-06-20 2015-02-04 두산엔진주식회사 초전도 발전 시스템
JP2025110995A (ja) * 2024-01-17 2025-07-30 株式会社デンソー 巻線界磁型回転電機

Also Published As

Publication number Publication date
JP2001327199A (ja) 2001-11-22

Similar Documents

Publication Publication Date Title
US7408327B2 (en) Buck/boost method of voltage regulation for a permanent magnet generator (PMG)
US4336486A (en) Dynamoelectric machines brushless supplemental excitation system
US7262539B2 (en) Saturation control of electric machine
US6326713B1 (en) A.C. electrical machine and method of transducing power between two different systems
JP2002508649A (ja) 二重固定子巻線誘導機械の駆動
US5598091A (en) Three-phase brushless self-excited synchronous generator with no rotor exciting windings
JP4132575B2 (ja) 発電機の励磁装置
CA2643467C (en) Voltage-limited electric machine
US773508A (en) Process of regulating voltage.
US4910421A (en) Potential source excitation system with voltage and current adjustment
US2146779A (en) Generator voltage regulation
RU2642488C1 (ru) Система возбуждения асинхронизированной электрической машины
US2146778A (en) Device for regulating a condition of a main circuit controlled by an auxiliary circuit
CN1967984A (zh) 具有双电励调压功能的永磁中频无刷三相同步发电机
CN220754420U (zh) 核电厂移动式应急电源及其发电机
GB2071430A (en) Brushless A.C. Generators
Jackson Mill motors for adjustable-speed AC drives
US579283A (en) Alternating-current dynamo
US700847A (en) Regulator for alternating-current circuits.
US937469A (en) System of voltage regulation.
US539450A (en) Charles p
Felissaint Design Modifications to Reduce a Brushless Exciter Response Time
US964793A (en) Method of operating and controlling single-phase alternating-current motors.
US980844A (en) Voltage regulation of dynamo-electric alternating-current machinery.
SU760321A1 (ru) Синхронная электрическая машина 1

Legal Events

Date Code Title Description
RD02 Notification of acceptance of power of attorney

Free format text: JAPANESE INTERMEDIATE CODE: A7422

Effective date: 20050314

RD04 Notification of resignation of power of attorney

Free format text: JAPANESE INTERMEDIATE CODE: A7424

Effective date: 20050325

A621 Written request for application examination

Free format text: JAPANESE INTERMEDIATE CODE: A621

Effective date: 20050817

TRDD Decision of grant or rejection written
A01 Written decision to grant a patent or to grant a registration (utility model)

Free format text: JAPANESE INTERMEDIATE CODE: A01

Effective date: 20080527

A01 Written decision to grant a patent or to grant a registration (utility model)

Free format text: JAPANESE INTERMEDIATE CODE: A01

A61 First payment of annual fees (during grant procedure)

Free format text: JAPANESE INTERMEDIATE CODE: A61

Effective date: 20080602

FPAY Renewal fee payment (event date is renewal date of database)

Free format text: PAYMENT UNTIL: 20110606

Year of fee payment: 3

FPAY Renewal fee payment (event date is renewal date of database)

Free format text: PAYMENT UNTIL: 20110606

Year of fee payment: 3

FPAY Renewal fee payment (event date is renewal date of database)

Free format text: PAYMENT UNTIL: 20120606

Year of fee payment: 4

LAPS Cancellation because of no payment of annual fees