JP3199741U - 折畳発光矢印誘導案内表示具 - Google Patents

折畳発光矢印誘導案内表示具 Download PDF

Info

Publication number
JP3199741U
JP3199741U JP2015002959U JP2015002959U JP3199741U JP 3199741 U JP3199741 U JP 3199741U JP 2015002959 U JP2015002959 U JP 2015002959U JP 2015002959 U JP2015002959 U JP 2015002959U JP 3199741 U JP3199741 U JP 3199741U
Authority
JP
Japan
Prior art keywords
arrow
display
sheet
guidance display
folding
Prior art date
Legal status (The legal status is an assumption and is not a legal conclusion. Google has not performed a legal analysis and makes no representation as to the accuracy of the status listed.)
Expired - Lifetime
Application number
JP2015002959U
Other languages
English (en)
Inventor
小泉 俊夫
俊夫 小泉
Original Assignee
株式会社ヨシオ
Priority date (The priority date is an assumption and is not a legal conclusion. Google has not performed a legal analysis and makes no representation as to the accuracy of the date listed.)
Filing date
Publication date
Application filed by 株式会社ヨシオ filed Critical 株式会社ヨシオ
Priority to JP2015002959U priority Critical patent/JP3199741U/ja
Application granted granted Critical
Publication of JP3199741U publication Critical patent/JP3199741U/ja
Anticipated expiration legal-status Critical
Expired - Lifetime legal-status Critical Current

Links

Images

Landscapes

  • Illuminated Signs And Luminous Advertising (AREA)

Abstract

【課題】進行方向を矢印によって表示するのみならず、表示目的、進行目標、距離等誘導表に必要な案内情報も合わせて表示し、かつ任意の場所に容易に設置できるのみならず携帯や収納に場所を取らず、交通事故、災害等非常事態以外の催事、集会、工事等の日常的にも屋内外や雨天でも簡便容易に使用できる誘導案内表示具を提供する。【解決手段】ヒンジ部8、8’を介して折畳み可能な防水シート仕様の本体2に、再帰性高輝度反射シート3及び発光ダイオード4で矢印を連続配置した発光矢印誘導表示具本体1と、案内情報を記載した表示シートを嵌合固定具6、6’を用いて任意に組み合わせて表示装置とし、現場の状況に応じて任意に構成する。【選択図】図1

Description

考案の詳細な説明
本考案は、昼夜や明所暗所、屋内外、設置場所、電源の有無を問わず、行路の進行方向に人や車を誘導する事により予期せぬ事故や混乱を避けるべくあらかじめ設置される誘導案内表示具に関するものである。
従来、進行方向を示す誘導具として種々のものが知られている。すなわち反射板で成形した矢印を硬質板上あるいは巻き取りできる軟質シート上に配置したものや、発光ダイオードを矢印形に複数同方向に並べて別材表面に配置した方向表示用等が知られている。また其れ等の背面には複数の磁石や吸盤が配置され、壁や設置物に吸着あるいは磁着させる事によって案内表示とするもの等がある。しかしながら上記の表示用具は、いずれも矢印のみの表示であり、矢印の方向性をもって進行方向を表示あるいは暗示するものであり、表示目的、進行目標、進行距離、表示期間や時間等の行動案内に関する関連情報は何一つ表示していないという問題点を有する。
参考文献1
意登第1150993号公報
参考文献2
実登第3042551号公報
本考案の目的はこのような従来型矢印案内表示具の難点を解消するものであり、すなわち屋内外や明暗あるいは晴雨等の天候に拘わり無く任意の場所に設置して不特定多数の人々に左右上下あるいは任意の角度等の行動方向のみならず案内情報も合わせて自由に表示設定できる発光矢印誘導表示具を提供することにある。単に進行方向を表示するのみならず必要に応じて案内情報を記載した案内表示シートを連結あるいは分離させる事ができる事、また状況に応じて矢印本体や表示シートを複数連結させる事、あるいは設置場所の仕様条件に応じて連結固定具を選択して適切に設置固定出来、かつ容易に取外し可能である。このように専用工具や取付具を準備する事なく、任意の場所に容易に設置できるのみならず、折畳み式であるので携帯や収納、保持が容易で収納場所をとらずかつ防水仕様であるので雨天や事故で濡れた状態であっても容易に使用できる等、工事、催事のみならず交通事故や災害時に至る広範囲の使用者の使用条件を考慮した安全かつ簡易であり効果の確実な誘導表示具を提供することにある。
請求項1に記載の考案によれば、本表示具は本体素材が防水性を有するシート状素材であり、素材全体が折畳み可能な可撓性を有するあるいは任意な部位に折畳み部を有し該本体の一方の面には再帰性高輝度反射シートからなる多数個の矢印状表示片が配置されている。該反射シートからなる表示片上には多数個の発光ダイオードが該矢印と相似形を成すように配設されている。さらに本表示具本体の他方の面には上記発光ダイオードを矢印方向に順次点滅制御する電子制御装置および該制御装置を駆動する電源を収納および取出し自在の防水開閉部を有する収納部が形成されている。さらに本表示具本体の上下辺縁部近傍には嵌合凹部を有する接続部が各々回動自在に複数個配設構成することにより課題を解決している。
すなわち前記発光矢印誘導案内表示具本体の持つ可撓性を利用してあるいは該本体に設定してある折畳みヒンジ部に従って任意の大きさに折畳んである本体を展開し、再帰性反射シートからなる矢印および発光ダイオードが配設されている方の面を案内表示面として、誘導方向に矢印方向を合わせてから該本体表面に設定してある電源スイッチを投入することにより前記発光ダイオードは順次点滅発光することにより誘導方向を表示するものである。暗所あるいは暗夜においては複数の矢印状に配設された発光ダイオードの点滅により進行方向が明確に表示される。また本案内表示具に外部から光が当てられると本具表面に配設された再帰性高輝度反射シートが矢印形状に反射するので発光ダイオ−ドの点滅と共により明確に進行方向を表示するものであり、雨天あるいは水蒸気等の水分の多い状態であっても安全かつ容易に進行方向を案内表示できるものである。
請求項2に記載の考案によれば、巻取りあるいは折畳み可能な防水シ−トの表面には案内表示文字が記載され案内情報を詳細に表示した案内表示シートとして機能させ、また該表示シートの少なくとも一辺縁には請求項1に記載の矢印案内表示具の辺縁部に配設されてなる連結具に対応する位置に嵌合連結具が複数個配設されているので、該矢印案内表示具本体に容易に着脱が可能であり、通行者に対して明確な誘導表示を行なえることを特徴としている。
請求項3に記載の考案によれば、請求項1および請求項2記載の嵌合連結具に対応する各々独立した連結具において、該連結具の反対側には各々S字状フック、磁石、吸盤、スナップ付ベルト等の固定具が形成されている。従って請求項1記載の矢印誘導表示具あるいは請求項2記載の表示シート各々の辺縁部に配設された連結具に上記の連結具を独立的に選択して嵌合着脱が可能であり、上記矢印誘導表示具本体あるいは上記表示シートもしくは上記表示シートを連結した矢印誘導表示具を上記連結具を介して任意の設置物に容易に固定設置を行なえることを特徴としている。
上述のように本考案の折畳発光矢印具は、請求項1記載の折畳発光矢印誘導具及び請求項2記載の案内情報表示シート及び請求項3記載の連結固定具から構成される誘導案内表示装置であり、通行者に対して適切な通行案内情報を迅速適確に提示して事故時災害時あるいは不案内な状況における二重事故の未然防止や情報不足による混乱を予防することができるものである。すなわち本具は折畳み状態で少ない容積にして通常は収納あるいは携帯し、必要に応じて展開、電源スイッチ投入により即座に発光矢印方向に通行者を誘導できるものである。本具の設置方法は現場の壁や設置物に上記連結固定具を介して取付けるものであるが、例えば自転車や自動車、折畳スタンド等を臨時に設置して連結固定具を介して迅速に設置として簡便かつ極めて効果的である。
また請求項2における案内情報表示シートは、想定できる状況毎に予め印刷表示しておけば発生した状況毎に選択して発光矢印誘導具に連結するだけで迅速適確に情報提供できるものである。また上記表示シ−トは素材が防水シートであるので油性筆記具で補助的情報を現場で追加することも極めて容易である。このように本具は構成部品を適宜組合わせ状況に応じて通行者あるいは視認者に必要な情報を表示しながら行動方向を誘導表示する為に極めて有効であり、事故時や災害時等の非常時のみならず例えば催事や集会時における誘導案内等にも適切に使用する事ができる等、日常生活においても簡便かつ極めて効果的である。
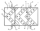
以下、添付図面に従って一実施例を説明する。[第1図]によって説明すると本図は展開した状態を示す折畳発光矢印誘導表示具本体の正面図である。本例においては本体表面側及び裏面側の各々表層には塩化ビニールシートを使用し中芯材として硬質板を分割配置した後に表面及び裏面の二層の四周を高周波溶着したものである。内挿した硬質板の分離部分を折畳みヒンジ部として形成し、本体表面側には矢印状に切断した塩化ビニール素材の再帰性高輝度反射シートを併置して本体表面に高周波溶着したものである。前記矢印状の再帰性高輝度反射シート上の略中心線上には複数の発光ダイオードを凸設し該ダイオード周囲は高周波溶着し、同様に本体表面側には電源スイッチを凸設している。また[第2図]に示すように本体裏面には収納部が配設され防水開閉口を有し、発光ダイオードの点滅制御盤及び電源バッテリーを収納する。また本体の上下辺縁部には凹部連結具が回動自在に各々軸着されているので本体矢印の設置方向は左右上下の向きのみならず矢印を傾斜させた状態であっても容易に固定設置が可能である。
[第9図]によって説明すると本図は展開した状態を示す案内表示シートの正面図である。本例においては本シート素材は塩化ビニールであり、シート上下辺縁部には凸部連結具が回動自在に各々軸着され、シート表面には表示文字が印刷されている。表示文字は再帰性高輝度反射シートで製作されても良く、シート両面が各々別の表示がなされても良くまた油性筆記具で記入する事も自由である。
[第10図]から[第13図]によって説明すると本図は凸部連結具の反対側に各々別種の設置用固定具を取り付けたものであり、すなわちS状フック、磁石、スナップ付きベルト、吸盤の事例であり本誘導表示具を取り付ける場所に応じて使い分けるものである。
本考案実施例の折畳発光矢印誘導表示具本体の展開状態を示す正面図である。 本考案実施例の折畳発光矢印誘導表示具本体の展開状態を示す背面図である。 本考案実施例の折畳発光矢印誘導表示具本体の展開状態を示す平面図である。 本考案実施例の折畳発光矢印誘導表示具本体の展開状態を示す右側面図である。 本考案実施例の折畳発光矢印誘導表示具本体の折畳状態を示す正面図である。 本考案実施例の折畳発光矢印誘導表示具本体の折畳状態を示す平面図である。 本考案実施例の折畳発光矢印誘導表示具本体の折畳状態を示す背面図である。 本考案実施例の折畳発光矢印誘導表示具本体の折畳状態を示す左側面図である。 本考案実施例の案内表示シートの展開状態を示す正面図である。 本考案実施例のS字フック状連結固定具を示す正面図である。 本考案実施例の磁石状連結固定具を示す正面図である。 本考案実施例のホック付きベルト状連結固定具を示す正面図である。 本考案実施例の吸盤状連結固定具を示す正面図である。 本考案実施例の折畳発光矢印誘導表示具本体と案内表示シート及びS字フック状連結固定具を嵌合した連結状態を示す正面図である。 本考案実施例の折畳発光矢印誘導表示具本体の使用状態を示す正面図である。 [図15]の部分拡大図である。 本考案実施例の折畳発光矢印誘導表示具本体の別途使用状態を示す正面図である。 [図17]の部分拡大図である。 本考案実施例の折畳発光矢印誘導表示具本体の別途使用状態を示す正面図である。
1 「折畳発光矢印誘導案内表示具」本体
2 防水シート
2’ 防水シート
3 再帰性高輝度反射材シート
4 発光ダイオードレンズ
5 電源スイッチ
6 係脱自在凹部連結具
6’ 係脱自在凹部連結具
7 連結具取付回動ピン
7’ 連結具取付回動ピン
8 折畳ヒンジ部
8’ 折畳ヒンジ部
9 電源回路及び電池収納ポケット部
10 取出開閉部

Claims (3)

  1. 折畳み可能な防水シートの表面側に再帰性高輝度反射シートからなる多数個の矢印状標識片を配置すると共に、該矢印状標識片内には各々多数個の発光ダイオードを一定の間隔を置いて該矢印状と相似形に設置し、前記シート裏面側には前記発光ダイオードを矢印方向に順次点滅制御する制御装置と該制御装置の電源を収納する開閉自在な防水収納部を備え、前記防水シートの上下辺縁部には回動自在に固定された係脱自在な嵌合凹部が複数個配設されてなることを特徴とする折畳発光矢印誘導表示具。
  2. 折畳み又は巻取り可能な防水シートの表面には表示文字が記載され、該シートの少なくとも一辺の縁部には係脱自在な嵌合凸部が複数個配設され該嵌合凸部は上記折畳発光矢印誘導表示具の嵌合凹部に係脱自在に嵌合させることを特徴とする請求項1記載の折畳発光矢印誘導表示具。
  3. 係脱自在な嵌合凸部の反対側には各々S字状フック、磁石、吸盤、スナップ付きベルトが形成されて固定具となし、各々の該嵌合凸部は上記折畳発光矢印誘導表示具の嵌合凹部に係脱自在に嵌合させることを特徴とする請求項1記載の折畳発光矢印誘導表示具。
JP2015002959U 2015-05-26 2015-05-26 折畳発光矢印誘導案内表示具 Expired - Lifetime JP3199741U (ja)

Priority Applications (1)

Application Number Priority Date Filing Date Title
JP2015002959U JP3199741U (ja) 2015-05-26 2015-05-26 折畳発光矢印誘導案内表示具

Applications Claiming Priority (1)

Application Number Priority Date Filing Date Title
JP2015002959U JP3199741U (ja) 2015-05-26 2015-05-26 折畳発光矢印誘導案内表示具

Publications (1)

Publication Number Publication Date
JP3199741U true JP3199741U (ja) 2015-09-10

Family

ID=54188323

Family Applications (1)

Application Number Title Priority Date Filing Date
JP2015002959U Expired - Lifetime JP3199741U (ja) 2015-05-26 2015-05-26 折畳発光矢印誘導案内表示具

Country Status (1)

Country Link
JP (1) JP3199741U (ja)

Cited By (4)

* Cited by examiner, † Cited by third party
Publication number Priority date Publication date Assignee Title
CN106436601A (zh) * 2016-11-04 2017-02-22 叶丽琴 一种组合交通指示牌
CN106498870A (zh) * 2016-11-04 2017-03-15 叶丽琴 一种组合式耐用交通指示牌
JP2021017708A (ja) * 2019-07-18 2021-02-15 リンテック株式会社 標示材および標示材の施工方法
CN113897883A (zh) * 2021-09-15 2022-01-07 深圳市综合交通设计研究院有限公司 一种具备夜视功能的可折叠公路交通疏导用警告牌

Cited By (5)

* Cited by examiner, † Cited by third party
Publication number Priority date Publication date Assignee Title
CN106436601A (zh) * 2016-11-04 2017-02-22 叶丽琴 一种组合交通指示牌
CN106498870A (zh) * 2016-11-04 2017-03-15 叶丽琴 一种组合式耐用交通指示牌
CN106436601B (zh) * 2016-11-04 2018-09-11 叶丽琴 一种组合交通指示牌
JP2021017708A (ja) * 2019-07-18 2021-02-15 リンテック株式会社 標示材および標示材の施工方法
CN113897883A (zh) * 2021-09-15 2022-01-07 深圳市综合交通设计研究院有限公司 一种具备夜视功能的可折叠公路交通疏导用警告牌

Similar Documents

Publication Publication Date Title
JP3199741U (ja) 折畳発光矢印誘導案内表示具
US9214101B2 (en) Backlit graphic display device
US20050152142A1 (en) Methods and apparatus relating to improved visual recognition and safety
KR101506400B1 (ko) 차량용 안전표시등
US20150029701A1 (en) Illuminated hand wand
US10497229B2 (en) First response locator system
US20110138664A1 (en) Frame with removable sign
US10769927B2 (en) First response locator system
KR200480597Y1 (ko) 차량용 정보알림 거치수단
KR101596731B1 (ko) 패턴 점등 기능을 갖는 led가 부착된 안전 삼각대
KR20210046225A (ko) 교통 통제용 가방
KR101388725B1 (ko) 자동차용 화살표 표지판
US20120159820A1 (en) Directional Advertising Sign Frame/Lightbox
US9637045B2 (en) Edge profile for bordering a superstructure of a rescue vehicle, in particular a fire fighting vehicle
JP2008203983A (ja) 案内標識および方向指示標識ならびにこれらを用いた誘導標識設備
KR102201223B1 (ko) 비상구 안내장치
KR200330625Y1 (ko) 현수막 거치대
JP2011040570A (ja) Led表示装置
KR100828744B1 (ko) 차량용 조립식 삼각대
KR20260004051A (ko) 차량용 비상안전 엘이디 표시장치
KR101879441B1 (ko) 차량용 상태 표시장치
JP3192691U (ja) 自発光式誘導標識
JP3203471U (ja) 広告表示具
JP3067218U (ja) 道路交通保安用標示具および発光ユニット
AU2013204777B2 (en) A Number Stacker for House Numbering

Legal Events

Date Code Title Description
A521 Request for written amendment filed

Free format text: JAPANESE INTERMEDIATE CODE: A523

Effective date: 20150715

R150 Certificate of patent or registration of utility model

Ref document number: 3199741

Country of ref document: JP

Free format text: JAPANESE INTERMEDIATE CODE: R150

R250 Receipt of annual fees

Free format text: JAPANESE INTERMEDIATE CODE: R250

R250 Receipt of annual fees

Free format text: JAPANESE INTERMEDIATE CODE: R250

EXPY Cancellation because of completion of term