JP2005065415A - 永久磁石同期モータの磁極位置検出装置 - Google Patents
永久磁石同期モータの磁極位置検出装置 Download PDFInfo
- Publication number
- JP2005065415A JP2005065415A JP2003292749A JP2003292749A JP2005065415A JP 2005065415 A JP2005065415 A JP 2005065415A JP 2003292749 A JP2003292749 A JP 2003292749A JP 2003292749 A JP2003292749 A JP 2003292749A JP 2005065415 A JP2005065415 A JP 2005065415A
- Authority
- JP
- Japan
- Prior art keywords
- magnetic pole
- permanent magnet
- pole
- synchronous motor
- magnet synchronous
- Prior art date
- Legal status (The legal status is an assumption and is not a legal conclusion. Google has not performed a legal analysis and makes no representation as to the accuracy of the status listed.)
- Withdrawn
Links
Images
Landscapes
- Control Of Ac Motors In General (AREA)
- Control Of Motors That Do Not Use Commutators (AREA)
- Permanent Field Magnets Of Synchronous Machinery (AREA)
Abstract
【課題】磁気飽和を利用することなく磁極位置を簡単に検出可能とした磁極位置検出装置を提供する。
【解決手段】ほぼ円筒状でN極及びS極の磁石を交互に配置した埋め込み磁石型回転子を有する永久磁石同期モータのd軸方向またはこれに直交するq軸方向の電圧指令値に高周波電圧を印加して回転磁界を生成し、その時のモータ電流を検出してd軸成分及びq軸成分に分離し、これら各成分の符号及び値に基づいてモータの磁極位置を検出する磁極位置検出装置に関する。前記高周波電圧の印加時に、モータの固定子巻線の本来の極数をその1/2以下に切り換えて回転磁界を発生させる手段を備え、かつ、N極磁石の厚さとS極磁石の厚さとを異ならせて突極性を持たせる。
【選択図】 図1
【解決手段】ほぼ円筒状でN極及びS極の磁石を交互に配置した埋め込み磁石型回転子を有する永久磁石同期モータのd軸方向またはこれに直交するq軸方向の電圧指令値に高周波電圧を印加して回転磁界を生成し、その時のモータ電流を検出してd軸成分及びq軸成分に分離し、これら各成分の符号及び値に基づいてモータの磁極位置を検出する磁極位置検出装置に関する。前記高周波電圧の印加時に、モータの固定子巻線の本来の極数をその1/2以下に切り換えて回転磁界を発生させる手段を備え、かつ、N極磁石の厚さとS極磁石の厚さとを異ならせて突極性を持たせる。
【選択図】 図1
Description
本発明は、エンコーダやレゾルバ等の磁極センサを用いずに、いわゆるセンサレス制御される永久磁石同期モータの磁極位置検出装置に関するものである。
近年、この種のセンサレス制御技術は各種提案されており、特に、モータ停止時に磁極位置を特定する方法としては、巻線に高周波電圧や電流を印加する方法が知られている。これらの方法はモータの突極性を利用したもので、回転子の鉄心表面形状に凹凸を持たせる方法(例えば、特公平5−88077号公報、特開平11−168867号公報、特開2000−60040号公報)や、渦電流を利用する方法(特開平9−56193号公報)等が知られている。
更に、空隙一様な円筒状の埋め込み磁石型回転子を有する永久磁石同期モータ(IPMモータ、埋め込み磁石型同期モータともいう)をインバータにより駆動する駆動装置において、d軸電圧指令値、q軸電圧指令値に高周波電圧を重畳して磁極位置(磁極中心位置)を検出する方法が、後述の特許文献1に記載されている。
以下、この従来技術による磁極位置検出原理を説明する。
以下、この従来技術による磁極位置検出原理を説明する。
図5は、一般的な4極の埋め込み磁石型回転子の断面構造を示している。図において、1は円筒状の回転子鉄心、2はN極磁極及びS極磁極を構成する永久磁石、3は界磁磁極軸としてのd軸(N極)、4はd軸3に対して電気的に直交するq軸、5は−d軸(S極)を示している。
このような断面構造を有する回転子の鉄心は、一般にd軸3とq軸4とでインダクタンスが異なる性質、すなわち突極性を有する。
このような断面構造を有する回転子の鉄心は、一般にd軸3とq軸4とでインダクタンスが異なる性質、すなわち突極性を有する。
いま、回転子の磁極位置が不明であり、図6に示すように実際のモータのd−q軸6に対して制御装置(インバータ)側のd−q軸すなわちdc−qc軸7が偏差角δだけずれているとする。このとき、dc軸とqc軸とは直交しているので、突極性がなければdc−qc間の相互インダクタンスは常にゼロであるが、突極性があると偏差角δの特定の値でのみ相互インダクタンスがゼロになる性質を持つ。
従って、一方の軸方向に印加した電圧成分によって他方の軸方向に流れる電流成分が生じ、かつ、その値は磁極位置に従って周期的に変動することになる。
従って、一方の軸方向に印加した電圧成分によって他方の軸方向に流れる電流成分が生じ、かつ、その値は磁極位置に従って周期的に変動することになる。
特許文献1の段落[0030]〜[0034](数式7,数式8)によれば、図6に示すように高周波電圧8(v(t)=Vasinωat)をdc軸方向に与えた場合の電流idc,iqcについて、モータの巻線抵抗を無視すると、モータの停止時に以下の数式1が成り立つ。
なお、数式1において、idcはモータ電流のdc軸成分、iqcはqc軸成分、Ldは巻線のインダクタンスのd軸成分、Lqは同じくq軸成分である。
数式1から、idc,iqcの交番成分は、数式2,3となる。
数式2,3より、tan2δの逆関数をとってδを求めると、数式4が得られる。
上記の数式4からidc,iqcの値と符号とを確認することにより、偏差角δを−90°<δ<+90°の範囲で特定することができる。
この偏差角δから磁極位置を検出する方法としては、制御装置側のdc−qc軸の位相角に偏差角δを加算して磁極位置を直接求める方法のほか、以下に述べるようにdc−qc軸がd−q軸に一致するようにdc−qc軸を回転させて磁極位置を間接的に検出する方法がある。
この偏差角δから磁極位置を検出する方法としては、制御装置側のdc−qc軸の位相角に偏差角δを加算して磁極位置を直接求める方法のほか、以下に述べるようにdc−qc軸がd−q軸に一致するようにdc−qc軸を回転させて磁極位置を間接的に検出する方法がある。
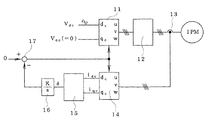
図7は、上述した原理を利用して偏差角δを自動的に補正する(磁極位置を検出する)ための制御ブロック図であり、特許文献1の図2に記載されているものと実質的に同一である。
図7において、座標変換器11には高周波の交番電圧が重畳されたd軸電圧指令値Vdcが入力される(q軸電圧指令値Vqcはゼロとする)。このとき、インバータ12を介して永久磁石同期モータIPMに流れる各相の電流が電流検出器13により検出され、座標変換器14によりidc及びiqcが分離検出される。
図7において、座標変換器11には高周波の交番電圧が重畳されたd軸電圧指令値Vdcが入力される(q軸電圧指令値Vqcはゼロとする)。このとき、インバータ12を介して永久磁石同期モータIPMに流れる各相の電流が電流検出器13により検出され、座標変換器14によりidc及びiqcが分離検出される。
これらの各成分idc,iqcは角度演算器15に入力され、前述した数式4の演算によって偏差角δが算出される。この偏差角δを積分器16(定数K)に入力してその出力を加算器17を介し座標変換器11,14に入力することにより、結果として偏差角δがゼロになるように制御装置側のdc−qc軸を回転させ、dc−qc軸をd−q軸に一致させるものであり、加算器17の出力が磁極位置検出値に相当することになる。
この方式は、回転子の突極性を利用し、d軸電圧指令値に高周波電圧を重畳して磁極位置を検出する方法であるが、前述の数式2,3が2δで変化することから明らかなように、d軸(N極)と−d軸(S極)とは理論上、区別が付かず、偏差角δが何れの軸を基準としているのか判別できない。従って、dc−qc軸をd−q軸に一致させるためには、別に磁極の極性を判別する手段が必要になる。
ここで、磁極の極性を判別する手段としては、例えば、鉄心の飽和を利用した方法が特許文献2に記載されている。この方法は、モータの固定子巻線に一定のd軸電圧を増磁・減磁方向に印加し、磁気飽和状態の違いによる透磁率の変化が検出電流に現れることを利用して磁極の極性を判別するものである。
上述したように、従来の技術では、モータの停止時に磁極位置を検出するために、
(1)d軸(N極)または−d軸(S極)の位置を特定する。
(2)磁極の極性を判別する。
という2段階の手順が必要である。
特に、(2)の磁極の極性判別に当たり、前述した特許文献2のように磁気飽和を利用する方法では、極性判別を確実に行うために、磁石の磁束により回転子または固定子鉄心を適当な弱飽和状態(B−H曲線の屈曲点付近)におく必要があるが、この方法では磁石の温度特性などに影響されやすく不安定であるといった問題がある。
(1)d軸(N極)または−d軸(S極)の位置を特定する。
(2)磁極の極性を判別する。
という2段階の手順が必要である。
特に、(2)の磁極の極性判別に当たり、前述した特許文献2のように磁気飽和を利用する方法では、極性判別を確実に行うために、磁石の磁束により回転子または固定子鉄心を適当な弱飽和状態(B−H曲線の屈曲点付近)におく必要があるが、この方法では磁石の温度特性などに影響されやすく不安定であるといった問題がある。
そこで本発明は、磁気飽和を利用することなく磁極位置の検出を簡単に行えるようにした永久磁石同期モータの磁極位置検出装置を提供しようとするものである。
上記課題を解決するため、本発明では、例えば埋め込み磁石型回転子におけるN極及びS極の磁石厚を異ならせることにより、N極磁極同士を結んで固定子に至る磁気経路とS極磁極同士を結んで固定子に至る磁気経路との磁気抵抗を異ならせ、これによって本来の極数の1/2以下の極数で突極性を持たせると共に、固定子巻線の極間接続部に中間タップ端子を設けて磁極位置検出時に極数を切り換えることにより、回転磁界を生じさせるようにしたものである。
すなわち、請求項1に記載した永久磁石同期モータの磁極位置検出装置は、
ほぼ円筒状でN極及びS極の磁石を交互に配置した埋め込み磁石型回転子を有する永久磁石同期モータのd軸方向またはこれに直交するq軸方向の電圧指令値に高周波電圧を印加して回転磁界を生成し、その時のモータ電流を検出して前記d軸成分及びq軸成分に分離すると共に、これら各成分の符号及び値に基づいてモータの磁極位置を検出する永久磁石同期モータの磁極位置検出装置において、
前記高周波電圧の印加時に、前記モータの固定子巻線の本来の極数をその1/2以下に切り換えて回転磁界を発生させる手段を備え、かつ、
前記永久磁石同期モータが、回転子の任意の磁極の中心から他の同極性磁極の中心に至るピッチを回転子が移動する間に、前記高周波電圧印加時の巻線インダクタンスが前記ピッチを1周期として周期的に変動し、かつ、その直流成分を除いた前記ピッチを周期とする基本波が支配的であるような変動を示す回転子構造を有するものである。
ほぼ円筒状でN極及びS極の磁石を交互に配置した埋め込み磁石型回転子を有する永久磁石同期モータのd軸方向またはこれに直交するq軸方向の電圧指令値に高周波電圧を印加して回転磁界を生成し、その時のモータ電流を検出して前記d軸成分及びq軸成分に分離すると共に、これら各成分の符号及び値に基づいてモータの磁極位置を検出する永久磁石同期モータの磁極位置検出装置において、
前記高周波電圧の印加時に、前記モータの固定子巻線の本来の極数をその1/2以下に切り換えて回転磁界を発生させる手段を備え、かつ、
前記永久磁石同期モータが、回転子の任意の磁極の中心から他の同極性磁極の中心に至るピッチを回転子が移動する間に、前記高周波電圧印加時の巻線インダクタンスが前記ピッチを1周期として周期的に変動し、かつ、その直流成分を除いた前記ピッチを周期とする基本波が支配的であるような変動を示す回転子構造を有するものである。
請求項2に記載した磁極位置検出装置は、請求項1において、
回転子のN極磁極同士を結んで固定子に至る閉回路をなす磁気経路の磁気抵抗と、S極磁極同士を結んで固定子に至る閉回路をなす磁気経路の磁気抵抗とが異なるように、N極磁極を構成する磁石の厚さとS極磁極を構成する磁石の厚さとを異ならせたものである。
回転子のN極磁極同士を結んで固定子に至る閉回路をなす磁気経路の磁気抵抗と、S極磁極同士を結んで固定子に至る閉回路をなす磁気経路の磁気抵抗とが異なるように、N極磁極を構成する磁石の厚さとS極磁極を構成する磁石の厚さとを異ならせたものである。
請求項3に記載した磁極位置検出装置は、請求項1または請求項2において、
永久磁石同期モータの固定子巻線に、極数を切り換えるための中間タップ端子を設けたものである。
永久磁石同期モータの固定子巻線に、極数を切り換えるための中間タップ端子を設けたものである。
請求項4に記載した磁極位置検出装置は、請求項3において、
永久磁石同期モータの停止時の磁極位置を検出するために、前記中間タップ端子に接続を切り換えて前記高周波電圧を印加するものである。
永久磁石同期モータの停止時の磁極位置を検出するために、前記中間タップ端子に接続を切り換えて前記高周波電圧を印加するものである。
本発明によれば、磁気飽和を利用せずに磁極の極性を安定して判別することができ、モータ停止時における磁極位置を迅速かつ容易に検出することができる。
以下、図に沿って本発明の実施形態を説明する。
図1は、この実施形態に係る永久磁石同期モータの断面構造を示しており、図示する4極の埋め込み磁石型回転子は、図5の構造を改良したものである。
図1は、この実施形態に係る永久磁石同期モータの断面構造を示しており、図示する4極の埋め込み磁石型回転子は、図5の構造を改良したものである。
図1において、20は回転子、21は回転子鉄心、23は一対のN極磁石、24は一対のS極磁石、30は空隙、40は固定子、41は固定子鉄心を示す。また、3は図5と同様にd軸、4は同じくq軸である。なお、N極磁石23による磁極をN1極、N2極、S極磁石24による磁極をS1極、S2極とする。
ここで、本実施形態では、回転子20の任意の磁極(例えばN1極)の中心から他の同極性磁極(N2極)の中心に至るピッチを回転子20が移動する間に、高周波電圧印加時の巻線インダクタンスが前記ピッチを1周期として周期的に変動し、かつ、その直流成分を除いた前記ピッチを周期とする基本波が支配的であるような変動を示す回転子構造を有している。
上記回転子構造を実現するため、具体的には、N極磁石23及びS極磁石24の厚さに関して、両者の厚さの合計値の2/3をN極磁石23に、1/3をS極磁石24にそれぞれ持たせるようにした(N極磁石23の厚さ:S極磁石24の厚さ=2:1)。
ここで、本実施形態では、回転子20の任意の磁極(例えばN1極)の中心から他の同極性磁極(N2極)の中心に至るピッチを回転子20が移動する間に、高周波電圧印加時の巻線インダクタンスが前記ピッチを1周期として周期的に変動し、かつ、その直流成分を除いた前記ピッチを周期とする基本波が支配的であるような変動を示す回転子構造を有している。
上記回転子構造を実現するため、具体的には、N極磁石23及びS極磁石24の厚さに関して、両者の厚さの合計値の2/3をN極磁石23に、1/3をS極磁石24にそれぞれ持たせるようにした(N極磁石23の厚さ:S極磁石24の厚さ=2:1)。
いま、N極磁石23及びS極磁石24の厚さの相違に起因して、N1極、N2極を貫通して固定子鉄心41を通る経路25は磁気抵抗が高く、S1極、S2極を貫通して固定子鉄心41を通る経路26は磁気抵抗が低い。従って、N1極、N2極の貫通方向をd’軸、これに直交するS1極、S2極の貫通方向をq’軸と仮定した場合、鉄心の飽和を無視すると、両軸方向のインダクタンス比Ld’:Lq’は、ほぼ数式5のようになる。
数式5において、dN:dS=2:1であるから、空隙長gを無視すると、Ld’:Lq’は約1:2となり、永久磁石同期モータとしては2極の突極構造の回転子により磁極位置検出が可能になる。
ここで、図2は、4極三相星形結線の永久磁石同期モータの固定子巻線図であり、U1,−U1,V1,−V1,W1,−W1,U2,−U2,V2,−V2,W2,−W2は各相コイルのコイル辺、43は各相コイルの主端子(U,V,W)、NLは中性線、44は各相コイルの極間接続部から引き出した中間タップ端子(U’,V’,W’)を示している。図2では、回転子のN1極、N2極、S1極、S2極も併せて図示してある。
図2の巻線構成において、主端子43を短絡すると全節巻、開放するとコイルピッチが磁極ピッチに対して0.5の短節巻の2極三相星形結線を構成する。
図2の巻線構成において、主端子43を短絡すると全節巻、開放するとコイルピッチが磁極ピッチに対して0.5の短節巻の2極三相星形結線を構成する。
図3は、本実施形態の駆動回路の概略的な構成を示しており、平常時はインバータ52から出力される三相交流電圧が切換スイッチ53を介して永久磁石同期モータIPMの主端子43に供給され、磁極位置検出時には、切換スイッチ53を図示のように切り換えて中簡タップ端子44を磁極位置検出回路51に接続する。
また、磁極位置検出時には、図3に示されるように、切換スイッチ53によって主端子U,Wが短絡され、残りの主端子Vが開放されるように構成されている。
また、磁極位置検出時には、図3に示されるように、切換スイッチ53によって主端子U,Wが短絡され、残りの主端子Vが開放されるように構成されている。
なお、図示されていないが、磁極位置検出時には、磁極位置検出回路51から中間タップ端子44を介して、モータIPMのコイルに高周波電圧が重畳されたd軸電圧指令値が入力され(q軸電圧指令値はゼロとする)、モータIPMを流れる各相の電流が電流検出器により検出されて座標変換器により各軸成分が分離検出されるようになっている。
そして、磁極位置検出回路51では、前述した数式1〜4の演算により、実際のモータIPMの磁極軸と制御装置側の軸との偏差角を求め、プリセット値としてインバータ52に出力可能である。
そして、磁極位置検出回路51では、前述した数式1〜4の演算により、実際のモータIPMの磁極軸と制御装置側の軸との偏差角を求め、プリセット値としてインバータ52に出力可能である。
次に、図4は永久磁石同期モータIPMの断面図であり、固定子コイル45が図4のように配置される場合、U相(コイル辺U1,−U1,U2,−U2による)の起磁力軸46を制御装置側のdc軸の基準位置(ゼロ点)とし、W’相(コイル辺V1,−V1,V2,−V2による)の起磁力軸47をdc’軸の基準位置とし、かつ、N1極の方向をd’軸、N2極の方向を−d’軸とすると、dc’軸はδ’=θaの位置においてd’軸に一致し、δ’=θb(=θa−180°)の位置で−d’軸に一致する。
従って、図7を参照して説明した方法によりdc’−qc’軸を回転させ、dc’−qc’軸をd’−q’軸に一致させる磁極位置検出方法によって、δ’を−90°<δ’<+90°の範囲で特定することができる。
また、δ’と本来の偏差角δとは電気角同士であって、数式6に示す関係がある。
従って、図7を参照して説明した方法によりdc’−qc’軸を回転させ、dc’−qc’軸をd’−q’軸に一致させる磁極位置検出方法によって、δ’を−90°<δ’<+90°の範囲で特定することができる。
また、δ’と本来の偏差角δとは電気角同士であって、数式6に示す関係がある。
[数6]
2δ’=δ
このことから、偏差角δを特定できる範囲は−180°<δ’<+180°となり、ベクトル空間の第1象限から第4象限までの全ての領域で偏差角δを特定できることになって、N極であるd’(d)軸とS極である−d’(−d)軸との区別が付かない状態、言い換えれば磁極の極性(N極、S極)を誤判定する心配もない。
2δ’=δ
このことから、偏差角δを特定できる範囲は−180°<δ’<+180°となり、ベクトル空間の第1象限から第4象限までの全ての領域で偏差角δを特定できることになって、N極であるd’(d)軸とS極である−d’(−d)軸との区別が付かない状態、言い換えれば磁極の極性(N極、S極)を誤判定する心配もない。
また、図4では、W’相の起磁力軸47はU相の起磁力軸46に対し、回転方向(矢印a方向)に沿って機械角Φ(=60°)だけ進んでいる。これから、本来のd軸(N極中心)のU相起磁力軸に対する偏差角δとしては、前述の数式6の関係を用いて、
δa=2(60°+θa) (N1極の磁極中心),
δb=2(60°+θb) (θb<0,N2極の磁極中心)
の何れかの値を得ることができ、何れにしてもモータIPMの実際のd軸と制御装置側のdc軸とを一致させることができる。
δa=2(60°+θa) (N1極の磁極中心),
δb=2(60°+θb) (θb<0,N2極の磁極中心)
の何れかの値を得ることができ、何れにしてもモータIPMの実際のd軸と制御装置側のdc軸とを一致させることができる。
なお、本発明の利点の一つとして、モータ本来の性能に余り影響を与えないことが挙げられる。すなわち、N極、S極にわたって閉じた磁気経路(図1における経路27)において、空隙30の合計寸法と磁石23,24の合計の厚さとの比が、従来のようにN極、S極の磁石の厚さが等しい場合と変わりなければ、磁石の動作点は変わらず、基本的にモータの能力は変わらない。
更に、前述した実施形態では、磁石より外側の鉄心形状は従来のままで変更しないため、本来のd軸、q軸のインダクタンスは従来構造とさほど変わりがない。
従って、本発明によれば、空隙部の磁束分布やモータ定数に影響を与えることなく、磁極位置検出時にのみ顕著な2極突極構造を実現することが可能である。
従って、本発明によれば、空隙部の磁束分布やモータ定数に影響を与えることなく、磁極位置検出時にのみ顕著な2極突極構造を実現することが可能である。
また、固定子に関しては、磁極位置検出のために余分な検出コイルを設ける必要がなく、スロット空間の利用率を損なうおそれもない。
更に、永久磁石同期モータのセンサレス制御において、従来技術に比べて簡単な手順で磁極の初期位置と極性判別とを同時に行うことができ、処理が迅速になる。
ちなみに、実施形態では4極のモータを例示したが、本発明は一般に、8極、12極、……のように4の倍数極のモータに対して適用することができる。
更に、永久磁石同期モータのセンサレス制御において、従来技術に比べて簡単な手順で磁極の初期位置と極性判別とを同時に行うことができ、処理が迅速になる。
ちなみに、実施形態では4極のモータを例示したが、本発明は一般に、8極、12極、……のように4の倍数極のモータに対して適用することができる。
3:d軸
4:q軸
6:d−q軸
7:dc−qc軸
8:高周波電圧
11,14:座標変換器
12,52:インバータ
13:電流検出器
15:角度演算器
16:積分器
17:加算器
20:回転子
21:回転子鉄心
23:N極磁石
24:S極磁石
25,26,27:経路
30:空隙
40:固定子
41:固定子鉄心
43:主端子
44:中間タップ端子
45:固定子コイル
46:U相起磁力軸
47:W’相起磁力軸
51:磁極位置検出回路
53:切換スイッチ
IPM:埋め込み磁石型回転子を有する永久磁石同期モータ
4:q軸
6:d−q軸
7:dc−qc軸
8:高周波電圧
11,14:座標変換器
12,52:インバータ
13:電流検出器
15:角度演算器
16:積分器
17:加算器
20:回転子
21:回転子鉄心
23:N極磁石
24:S極磁石
25,26,27:経路
30:空隙
40:固定子
41:固定子鉄心
43:主端子
44:中間タップ端子
45:固定子コイル
46:U相起磁力軸
47:W’相起磁力軸
51:磁極位置検出回路
53:切換スイッチ
IPM:埋め込み磁石型回転子を有する永久磁石同期モータ
Claims (4)
- ほぼ円筒状でN極及びS極の磁石を交互に配置した埋め込み磁石型回転子を有する永久磁石同期モータのd軸方向またはこれに直交するq軸方向の電圧指令値に高周波電圧を印加して回転磁界を生成し、その時のモータ電流を検出して前記d軸成分及びq軸成分に分離すると共に、これら各成分の符号及び値に基づいてモータの磁極位置を検出する永久磁石同期モータの磁極位置検出装置において、
前記高周波電圧の印加時に、前記モータの固定子巻線の本来の極数をその1/2以下に切り換えて回転磁界を発生させる手段を備え、かつ、
前記永久磁石同期モータが、回転子の任意の磁極の中心から他の同極性磁極の中心に至るピッチを回転子が移動する間に、前記高周波電圧印加時の巻線インダクタンスが前記ピッチを1周期として周期的に変動し、かつ、その直流成分を除いた前記ピッチを周期とする基本波が支配的であるような変動を示す回転子構造を有することを特徴とする永久磁石同期モータの磁極位置検出装置。 - 請求項1に記載した永久磁石同期モータの磁極位置検出装置において、
回転子のN極磁極同士を結んで固定子に至る閉回路をなす磁気経路の磁気抵抗と、S極磁極同士を結んで固定子に至る閉回路をなす磁気経路の磁気抵抗とが異なるように、N極磁極を構成する磁石の厚さとS極磁極を構成する磁石の厚さとを異ならせたことを特徴とする永久磁石同期モータの磁極位置検出装置。 - 請求項1または2に記載した永久磁石同期モータの磁極位置検出装置において、
永久磁石同期モータの固定子巻線に、極数を切り換えるための中間タップ端子を設けたことを特徴とする永久磁石同期モータの磁極位置検出装置。 - 請求項3に記載した永久磁石同期モータの磁極位置検出装置において、
永久磁石同期モータの停止時の磁極位置を検出するために、前記中間タップ端子に接続を切り換えて前記高周波電圧を印加することを特徴とする永久磁石同期モータの磁極位置検出装置。
Priority Applications (1)
| Application Number | Priority Date | Filing Date | Title |
|---|---|---|---|
| JP2003292749A JP2005065415A (ja) | 2003-08-13 | 2003-08-13 | 永久磁石同期モータの磁極位置検出装置 |
Applications Claiming Priority (1)
| Application Number | Priority Date | Filing Date | Title |
|---|---|---|---|
| JP2003292749A JP2005065415A (ja) | 2003-08-13 | 2003-08-13 | 永久磁石同期モータの磁極位置検出装置 |
Publications (1)
| Publication Number | Publication Date |
|---|---|
| JP2005065415A true JP2005065415A (ja) | 2005-03-10 |
Family
ID=34369964
Family Applications (1)
| Application Number | Title | Priority Date | Filing Date |
|---|---|---|---|
| JP2003292749A Withdrawn JP2005065415A (ja) | 2003-08-13 | 2003-08-13 | 永久磁石同期モータの磁極位置検出装置 |
Country Status (1)
| Country | Link |
|---|---|
| JP (1) | JP2005065415A (ja) |
Cited By (15)
| Publication number | Priority date | Publication date | Assignee | Title |
|---|---|---|---|---|
| JP2009189235A (ja) * | 2008-01-11 | 2009-08-20 | Mitsubishi Electric Corp | 回転角度検出装置、回転角度検出方法、および電動パワーステアリング装置 |
| JP2010183655A (ja) * | 2009-02-03 | 2010-08-19 | Nissan Motor Co Ltd | 回転電機 |
| EP2221945A3 (en) * | 2009-02-18 | 2011-03-16 | Mitsubishi Electric Corporation | Rotor of permanent magnet rotary machine and manufacturing method of rotor |
| US8324768B2 (en) | 2008-01-11 | 2012-12-04 | Mitsubishi Electric Corporation | Rotational angle detection device and method for permanent magnet dynamo-electric machine and electric power steering device |
| WO2013073264A1 (ja) * | 2011-11-14 | 2013-05-23 | 株式会社安川電機 | モータおよびモータシステム |
| WO2013073263A1 (ja) * | 2011-11-14 | 2013-05-23 | 株式会社安川電機 | モータおよびモータシステム |
| JP2014096875A (ja) * | 2012-11-08 | 2014-05-22 | Meidensha Corp | 同期電動機の制御方法 |
| WO2017014207A1 (ja) * | 2015-07-21 | 2017-01-26 | アスモ 株式会社 | モータ |
| JP2017028842A (ja) * | 2015-07-21 | 2017-02-02 | アスモ株式会社 | モータ |
| JP2017028843A (ja) * | 2015-07-21 | 2017-02-02 | アスモ株式会社 | モータ |
| JP2017028977A (ja) * | 2015-07-21 | 2017-02-02 | アスモ株式会社 | モータ |
| JP2017121153A (ja) * | 2015-12-24 | 2017-07-06 | アスモ株式会社 | モータ |
| CN107852051A (zh) * | 2015-07-21 | 2018-03-27 | 阿斯莫株式会社 | 电动机 |
| CN107979319A (zh) * | 2017-12-26 | 2018-05-01 | 浙江水利水电学院 | 一种表贴式三相永磁同步电机转子磁极初始位置定位方法 |
| KR20250075576A (ko) | 2022-09-27 | 2025-05-28 | 신에쓰 가가꾸 고교 가부시끼가이샤 | 밀러블형 실리콘고무 컴파운드, 밀러블형 실리콘고무 조성물, 및 밀러블형 실리콘고무 조성물의 제조방법 |
-
2003
- 2003-08-13 JP JP2003292749A patent/JP2005065415A/ja not_active Withdrawn
Cited By (23)
| Publication number | Priority date | Publication date | Assignee | Title |
|---|---|---|---|---|
| JP2009189235A (ja) * | 2008-01-11 | 2009-08-20 | Mitsubishi Electric Corp | 回転角度検出装置、回転角度検出方法、および電動パワーステアリング装置 |
| US8324768B2 (en) | 2008-01-11 | 2012-12-04 | Mitsubishi Electric Corporation | Rotational angle detection device and method for permanent magnet dynamo-electric machine and electric power steering device |
| JP2010183655A (ja) * | 2009-02-03 | 2010-08-19 | Nissan Motor Co Ltd | 回転電機 |
| EP2221945A3 (en) * | 2009-02-18 | 2011-03-16 | Mitsubishi Electric Corporation | Rotor of permanent magnet rotary machine and manufacturing method of rotor |
| US8217545B2 (en) | 2009-02-18 | 2012-07-10 | Mitsubishi Electric Corporation | Rotor of permanent magnet rotary machine and manufacturing method of rotor |
| JPWO2013073264A1 (ja) * | 2011-11-14 | 2015-04-02 | 株式会社安川電機 | モータおよびモータシステム |
| WO2013073263A1 (ja) * | 2011-11-14 | 2013-05-23 | 株式会社安川電機 | モータおよびモータシステム |
| CN103891112A (zh) * | 2011-11-14 | 2014-06-25 | 株式会社安川电机 | 电机及电机系统 |
| CN103931089A (zh) * | 2011-11-14 | 2014-07-16 | 株式会社安川电机 | 电机及电机系统 |
| WO2013073264A1 (ja) * | 2011-11-14 | 2013-05-23 | 株式会社安川電機 | モータおよびモータシステム |
| JPWO2013073263A1 (ja) * | 2011-11-14 | 2015-04-02 | 株式会社安川電機 | モータおよびモータシステム |
| JP2014096875A (ja) * | 2012-11-08 | 2014-05-22 | Meidensha Corp | 同期電動機の制御方法 |
| JP2017028843A (ja) * | 2015-07-21 | 2017-02-02 | アスモ株式会社 | モータ |
| JP2017028842A (ja) * | 2015-07-21 | 2017-02-02 | アスモ株式会社 | モータ |
| WO2017014207A1 (ja) * | 2015-07-21 | 2017-01-26 | アスモ 株式会社 | モータ |
| JP2017028977A (ja) * | 2015-07-21 | 2017-02-02 | アスモ株式会社 | モータ |
| CN107852051A (zh) * | 2015-07-21 | 2018-03-27 | 阿斯莫株式会社 | 电动机 |
| CN107852051B (zh) * | 2015-07-21 | 2019-12-24 | 株式会社电装 | 电动机 |
| US11114909B2 (en) | 2015-07-21 | 2021-09-07 | Denso Corporation | Motor |
| US11552514B2 (en) | 2015-07-21 | 2023-01-10 | Denso Corporation | Motor |
| JP2017121153A (ja) * | 2015-12-24 | 2017-07-06 | アスモ株式会社 | モータ |
| CN107979319A (zh) * | 2017-12-26 | 2018-05-01 | 浙江水利水电学院 | 一种表贴式三相永磁同步电机转子磁极初始位置定位方法 |
| KR20250075576A (ko) | 2022-09-27 | 2025-05-28 | 신에쓰 가가꾸 고교 가부시끼가이샤 | 밀러블형 실리콘고무 컴파운드, 밀러블형 실리콘고무 조성물, 및 밀러블형 실리콘고무 조성물의 제조방법 |
Similar Documents
| Publication | Publication Date | Title |
|---|---|---|
| JP3805336B2 (ja) | 磁極位置検出装置及び方法 | |
| JP4936820B2 (ja) | 可変磁束ドライブシステム | |
| KR101536451B1 (ko) | 회전 전기 기기 및 회전 전기 기기의 제어 장치 | |
| JP5134846B2 (ja) | 永久磁石電動機ドライブシステム | |
| CN105763123B (zh) | 电机驱动设备及其控制方法 | |
| JP4801773B2 (ja) | ブラシレスモータ、ブラシレスモータ制御システム、およびブラシレスモータ制御方法 | |
| JP2005065415A (ja) | 永久磁石同期モータの磁極位置検出装置 | |
| GB2489434A (en) | Controlling an electrical machine with an observer | |
| JP2005151752A (ja) | 磁極位置検出装置 | |
| KR102746892B1 (ko) | 전기 기계들에서 영구 자석 자기소거를 방지하기 위한 시스템 및 방법 | |
| US11038456B2 (en) | Control apparatus for pole-changing rotating electric machine | |
| JP4211133B2 (ja) | 永久磁石式同期電動機のセンサレス制御システム | |
| JP2010115086A (ja) | モータシステム及び永久磁石モータの通電方法 | |
| JP5224372B2 (ja) | 永久磁石同期モータの磁極位置検出方法 | |
| JP6958478B2 (ja) | 回転電機 | |
| JP5233262B2 (ja) | 回転位置検出装置の位相調整方法 | |
| JP2014007853A (ja) | 電動機 | |
| JP5426221B2 (ja) | 可変電流路における電流検出装置及び可変磁束モータの制御方法 | |
| JP5492178B2 (ja) | 可変磁束ドライブシステム | |
| JP6621306B2 (ja) | ロータ位置検出装置及びモータ制御装置 | |
| JPH0866082A (ja) | 永久磁石形同期電動機の回転子磁極極性検出法 | |
| JP4061446B2 (ja) | 同期電動機の抵抗値同定方法とその制御装置 | |
| JP5095134B2 (ja) | モータ制御装置およびモータ制御方法 | |
| JP2007295719A (ja) | 車両用モータ装置 | |
| CN107612452B (zh) | 基于互感特性两相同步励磁开关磁阻电机控制方法及系统 |
Legal Events
| Date | Code | Title | Description |
|---|---|---|---|
| A300 | Application deemed to be withdrawn because no request for examination was validly filed |
Free format text: JAPANESE INTERMEDIATE CODE: A300 Effective date: 20061107 |
