EP4071414B1 - Verfahren, system und computerprogrammprodukt zum steuern eines wärmeerzeugers - Google Patents

Verfahren, system und computerprogrammprodukt zum steuern eines wärmeerzeugers Download PDF

Info

Publication number
EP4071414B1
EP4071414B1 EP22163901.6A EP22163901A EP4071414B1 EP 4071414 B1 EP4071414 B1 EP 4071414B1 EP 22163901 A EP22163901 A EP 22163901A EP 4071414 B1 EP4071414 B1 EP 4071414B1
Authority
EP
European Patent Office
Prior art keywords
valve position
heat generator
function
valve
room
Prior art date
Legal status (The legal status is an assumption and is not a legal conclusion. Google has not performed a legal analysis and makes no representation as to the accuracy of the status listed.)
Active
Application number
EP22163901.6A
Other languages
English (en)
French (fr)
Other versions
EP4071414A1 (de
Inventor
Paul Skiba
Adrian Brand
Jan Strubel
Current Assignee (The listed assignees may be inaccurate. Google has not performed a legal analysis and makes no representation or warranty as to the accuracy of the list.)
Viessmann Holding International GmbH
Original Assignee
Viessmann Holding International GmbH
Priority date (The priority date is an assumption and is not a legal conclusion. Google has not performed a legal analysis and makes no representation as to the accuracy of the date listed.)
Filing date
Publication date
Application filed by Viessmann Holding International GmbH filed Critical Viessmann Holding International GmbH
Publication of EP4071414A1 publication Critical patent/EP4071414A1/de
Application granted granted Critical
Publication of EP4071414B1 publication Critical patent/EP4071414B1/de
Active legal-status Critical Current
Anticipated expiration legal-status Critical

Links

Images

Classifications

    • FMECHANICAL ENGINEERING; LIGHTING; HEATING; WEAPONS; BLASTING
    • F24HEATING; RANGES; VENTILATING
    • F24DDOMESTIC- OR SPACE-HEATING SYSTEMS, e.g. CENTRAL HEATING SYSTEMS; DOMESTIC HOT-WATER SUPPLY SYSTEMS; ELEMENTS OR COMPONENTS THEREFOR
    • F24D19/00Details
    • F24D19/10Arrangement or mounting of control or safety devices
    • F24D19/1006Arrangement or mounting of control or safety devices for water heating systems
    • F24D19/1009Arrangement or mounting of control or safety devices for water heating systems for central heating
    • F24D19/1015Arrangement or mounting of control or safety devices for water heating systems for central heating using a valve or valves
    • FMECHANICAL ENGINEERING; LIGHTING; HEATING; WEAPONS; BLASTING
    • F24HEATING; RANGES; VENTILATING
    • F24HFLUID HEATERS, e.g. WATER OR AIR HEATERS, HAVING HEAT-GENERATING MEANS, e.g. HEAT PUMPS, IN GENERAL
    • F24H15/00Control of fluid heaters
    • F24H15/30Control of fluid heaters characterised by control outputs; characterised by the components to be controlled
    • F24H15/305Control of valves
    • FMECHANICAL ENGINEERING; LIGHTING; HEATING; WEAPONS; BLASTING
    • F24HEATING; RANGES; VENTILATING
    • F24DDOMESTIC- OR SPACE-HEATING SYSTEMS, e.g. CENTRAL HEATING SYSTEMS; DOMESTIC HOT-WATER SUPPLY SYSTEMS; ELEMENTS OR COMPONENTS THEREFOR
    • F24D2220/00Components of central heating installations excluding heat sources
    • F24D2220/02Fluid distribution means
    • F24D2220/0264Hydraulic balancing valves

Definitions

  • heat generators such as heat pumps, biomass boilers, gas boilers, gas boilers, oil boilers, district heating stations, etc. have been continuously developed to increase the efficiency of heat generation and heat transfer. What the various heat generators have in common is that they each have particularly efficient operating modes and less efficient operating modes.
  • the efficiency of the heat generator can be optimized for higher flow temperatures, for example between 50°C and 120°C, or for lower flow temperatures, in particular between 30°C and 50°C.
  • heat generation is particularly inefficient and wear is particularly high when the heat generator's operating times and/or idle times are relatively short. These short operating times and/or idle times are also referred to as cycling or sputtering. Consequently, it is desirable to avoid cycling or sputtering as much as possible.
  • the WO 2018/162679 A1 shows a method for operating a heating system in a building with at least two rooms.
  • the heating system comprises at least one radiator per room, a heat generator for heating a carrier medium that flows to the radiators via a flow line and back to the heat generator via a return line, a pump arranged in the flow line or return line for conveying the carrier medium, and a central control device for controlling the heat generator and the pump.
  • the radiators each comprise an actuator for adjusting a volume flow through the radiator and an adjustment device with a temperature sensor for determining an actual room temperature, a controller for adjusting an actuator opening of the actuator depending on a respectively predetermined room target temperature and the determined actual room temperature, and a Communication device for communicating with the central control device.
  • the method comprises the following steps: if the actual room temperature in a room is lower than a predefined room target temperature and the difference between the actual room temperature and the predefined room target temperature is greater than a predefined temperature difference, operating the radiators in the room in heating mode; if radiators in more than one room are operated in heating mode, determining a heating value as a function of a room temperature change within a specified period for each room with radiators in heating mode; for each radiator in heating mode: specifying an upper limit value for the actuator opening as a function of the respectively determined heating value and an average value of all determined heating values and operating the radiators as a function of the predefined upper limit values.
  • the EP 3 473 939 A1 shows a method for operating a heating system in a building with at least one heatable room.
  • the heating system comprises at least one radiator in each heatable room.
  • the at least one radiator comprises an actuator for adjusting a volume flow through the radiator.
  • the heating system comprises a heat generator for heating a carrier medium that flows to the at least one radiator via a supply line and back to the heat generator via a return line.
  • a pump for conveying the carrier medium is arranged in the supply line or return line.
  • a temperature sensor for determining a supply temperature of the carrier medium is arranged in the supply line.
  • a temperature sensor for determining an actual room temperature of the room is arranged in the at least one heatable room.
  • the heating system comprises a control device that regulates or controls the heat generator in order to set the supply temperature of the carrier medium to a predetermined supply target temperature, and a room temperature controller for regulating the room temperature by adjusting an actuator opening of the actuator as a function of a respectively predetermined room target temperature and the determined actual room temperature.
  • the method comprises the steps of detecting a current actuator opening of the actuator of the at least one radiator; determining the flow target temperature as a function of the current actuator opening of the actuator of the at least one radiator; and determining a set of control parameters for operating the room temperature controller as a function of the current actuator opening of the actuator.
  • the DE 10 2014 202738 A1 shows a method for the automated hydraulic balancing of a heating system with at least one heat generator, at least two heat consumers, and at least two valves, wherein the heat generator, the heat consumers, and the valves are interconnected.
  • the opening of the valve is limited according to the heat supply to the heat consumer, so that the heating system is gradually hydraulically balanced and adapted to changing conditions of the heating system.
  • One aspect relates to a method for controlling a heat generator according to claim 1.
  • Detecting a valve position may include detecting a control signal that controls the valve and/or detecting a valve position using a sensor.
  • a radiator may, for example, be a wall heater, a floor heater, a radiator, a convector, a mixture of the aforementioned radiator types, etc.
  • the valve can be part of a (room) thermostat, in particular an electronically controllable (room) thermostat. In some embodiments, the valve can be a thermostatic valve.
  • the heat generator can be controlled in such a way that if a valve is closed or only slightly open, in particular if all valves are closed and/or only slightly open, the heat generator is not operated in heat generation mode, in particular even if there is a heat demand.
  • a particularly advantageous embodiment may additionally comprise the step of determining, depending on the detected valve position of the plurality of valves, at least one from the group: a minimum valve position and/or a maximum valve position, wherein the control of the heat generator also takes place depending on the minimum valve position and/or the maximum valve position.
  • the heat generator can be switched off if one or more valves are closed or the valve position (valve opening) of one or more valves is below a predetermined limit.
  • the heat generator can be shut down if the minimum valve position falls below a first valve limit, the maximum valve position falls below a second valve limit, the average valve position falls below a third valve limit, and/or the reference valve position falls below a fourth valve limit.
  • the designation of the valve limits as first, second, third, and fourth valve limits serves only to distinguish them; they have no numerical significance and are not intended to be ordinal.
  • the determination of a reference valve position, a minimum valve position, an average valve position, and/or a maximum valve position can be carried out depending on a weighting of the valve position of the plurality of valves.
  • Weighting can be carried out, for example, using a mathematical function with the detected valve positions as input parameters.
  • the weighting can be carried out depending on physical properties, such as room properties of a room whose heat supply is controlled by a corresponding valve, pipe properties, heat exchanger surfaces, a radiator whose heat supply is controlled by a corresponding valve, in particular a radiator type, and/or a heat generator, in particular a heat generator type, etc.
  • the minimum, maximum and/or average valve position may be determined as a function of weighted valve positions.
  • the determination of a minimum valve position, an average valve position and/or a maximum valve position can be carried out depending on physical properties, such as room properties of a room whose heat supply is controlled by a corresponding valve, pipe properties, heat exchanger surfaces, a radiator whose heat supply is controlled by a corresponding valve, in particular a radiator type, a heat generator, in particular a heat generator type, etc.
  • physical properties such as room properties of a room whose heat supply is controlled by a corresponding valve, pipe properties, heat exchanger surfaces, a radiator whose heat supply is controlled by a corresponding valve, in particular a radiator type, a heat generator, in particular a heat generator type, etc.
  • a distinction with regard to the heat exchanger surfaces can be a Include distinctions regarding surface size, external geometry, surface structure, material, etc.
  • Room properties can be, for example, a room size, a thermal insulation of the room, a position of the room in a building, in particular a floor, an external wall length of the room, window areas, etc.
  • Examples of pipe properties are a thermal insulation of the pipe, a pipe structure, a pipe length, a pipe cross-section of the pipe, a flow resistance of the pipe, etc.
  • a particularly adaptable embodiment may comprise a step of determining a hydraulic balance between the plurality of valves, wherein the determination of the reference valve position, the minimum valve position, the average valve position and/or the maximum valve position is carried out as a function of the determined hydraulic balance.
  • valve positions are taken into account depending on a hydraulic balance and thus valve positions can be used to control the heat generator without the influence of hydraulic differences.
  • the heat generator can be controlled in such a way that the reference valve position, the minimum valve position, the average valve position or the maximum valve position is regulated to a predetermined value.
  • the heat generation by the heat generator can be specifically adapted to the actual heat requirement, so that a room temperature corresponds to a specified value.
  • the plurality of valves can be arranged in a heating circuit, and the control of the heat generator can additionally take place depending on a type of heating circuit.
  • a heating circuit can comprise one or more radiators.
  • a heating circuit can also comprise a pump.
  • An example of a heating circuit type is a bathroom heating circuit, in which higher temperatures are often required, for example for a Towel dryers are desired.
  • a heating circuit type can be determined depending on a desired and/or maximum flow temperature. For example, a distinction can be made between low-temperature circuits and condensing heating circuits, particularly those with higher flow temperatures compared to low-temperature circuits.
  • a heating circuit type can be subdivided according to the area/room volume to be heated by the heating circuit. This allows special valve position characteristics to be taken into account based on a heating circuit type. Possible distinguishing features with regard to a heating circuit type are a low temperature, a condensing temperature, a combination of these, or a wall heating system, a floor heating system, a radiator, a convector, a combination of these, etc.
  • the plurality of valves can be arranged in a plurality of heating circuits, and the heat generator can be controlled depending on one or more of the plurality of heating circuits, in particular depending on a heating circuit type. This allows, particularly in the case of multiple heating circuits, specific valve position characteristics based on a heating circuit type to be taken into account. This ensures that a heating circuit's heat requirement is met while simultaneously reducing wear and tear and energy consumption.
  • the heat generator can also be controlled depending on the heat generator type. This allows, for example, an advantageous operating mode of the heat generator to be taken into account, so that it can be operated particularly efficiently, with low wear and tear, and with energy savings.
  • the heat generator can also be controlled depending on the actual room temperature. This allows the heat generator to be operated in a way that is specifically adapted to the heat demand. In some embodiments, the heat generator can also be controlled depending on the desired room temperature. This allows the heat generation of the heat generator to be adapted to the desired room temperature with regard to the flow temperature. Since a If a lower flow temperature can be provided more efficiently, efficiency can be increased.
  • the heat generator can also be controlled based on the outside temperature.
  • the outside temperature By taking the outside temperature into account, heat radiation from a room, especially to the outside, can be compensated for particularly effectively.
  • a step of detecting an outside temperature for controlling the heat generator can be omitted.
  • an outside temperature sensor which is complex to install and prone to error due to weather influences, becomes superfluous or can be omitted. This, in turn, can reduce installation and maintenance costs.
  • the heat generator can thus advantageously be controlled independently of the outside temperature. This is possible in particular because the information regarding the valve positions allows corresponding conclusions to be drawn about the heat demand.
  • a particularly flexible retrofittable method can include the step of estimating a valve position of a further valve whose valve position is not detected in the step of detecting the valve position.
  • the control of the heat generator can then additionally take place as a function of the estimated valve position of the further valve and/or the determination of the reference valve position, the minimum valve position, the average valve position and/or the maximum valve position can then additionally take place as a function of the estimated valve position.
  • the estimation of a valve position of a further valve whose valve position is not detected in the step of detecting the valve position of several valves can take place as a function of a desired room temperature, an actual room temperature and/or an outside temperature.
  • valves whose valve position cannot be detected for example due to a lack of sensors, a defect, the technical design, etc., can be taken into account accordingly when controlling the heat generator.
  • a particularly advanced method may additionally comprise the steps of providing one or more target temperatures T n,target for one or more rooms to be heated, detecting an actual temperature T n,actual for the one or more rooms to be heated, determining a difference ⁇ T n between a target value T n,target of one of the one or more rooms to be heated and the actual temperature T n,actual of the room to be heated, and controlling the heat generator additionally as a function of the determined difference ⁇ T n . This allows the heat generator to be controlled particularly in line with demand.
  • the method may comprise the steps of comparing one or more determined differences ⁇ T n with the detected one or more valve positions; and outputting an error message depending on the comparison result.
  • ⁇ T n ⁇ T n relative or very small
  • a very high temperature difference can occur if the temperature difference is above a predefined limit.
  • a very small temperature difference can occur if the temperature difference is below another predefined limit.
  • a further aspect relates to a system for controlling a heat generator according to claim 12.
  • a particularly advanced embodiment provides that the determination unit is configured to determine a minimum valve position and/or a maximum valve position depending on the detected valve position of the plurality of valves, wherein the control unit is configured to control the heat generator also depending on the minimum valve position and/or the maximum valve position.
  • a particularly advantageous system can comprise one or more setpoint transmitters that provide a setpoint temperature T n,soll for one or more rooms to be heated, and at least one temperature sensor per room to be heated for detecting an actual temperature T n,ist of the room to be heated, wherein the control unit can be configured to additionally control the heat generator as a function of a difference ⁇ T n between a setpoint T n,soll of one of the one or more rooms to be heated and the actual temperatures T n,ist of the room to be heated.
  • a further aspect relates to a computer program product comprising program instructions that cause the computer to execute the method according to one of the method claims 1 to 11 when the computer program product is loaded onto the computer or executed.
  • a heat generator can be a cold generator.
  • a heating circuit can be a cooling circuit
  • a heating circuit type can be a cooling circuit type
  • a space to be heated can be a space to be cooled. Cooling circuit types can be differentiated, in particular, with regard to their cooling temperature.
  • Fig. 1 schematically shows a method for controlling a heat generator according to an embodiment of the invention.
  • the method comprises a step S10 detecting a valve position of a valve that is configured to control a volume flow of a fluid from the heat generator to a radiator.
  • a valve can be a component for shutting off and/or controlling a flow of fluids, in particular liquids and/or gases.
  • a valve can be a shut-off device, in particular a
  • a valve such as a gate valve, a butterfly valve, a ball valve, etc.
  • a valve can also be adjusted by a pump, particularly in conjunction with a gravity brake.
  • a gravity brake can also be designed in the form of a check valve and/or a non-return valve.
  • the valve position can be detected, for example, by detecting a control signal configured to control a valve.
  • a valve position can be detected, for example, using a sensor.
  • a valve position can be detected, for example, using a volume flow sensor or flow sensor.
  • controlling the heat generator may include controlling a fuel supply, controlling an oxygen supply, igniting a flame, changing the operating mode, and/or controlling a pump, etc.
  • a heat generator include a heat pump, a gas boiler, a gas boiler, a biomass boiler, an oil boiler, a district heating transfer station, etc. (heat generator types).
  • the method further comprises a step S12 determining a reference valve position and/or an average valve position depending on the valve position of a plurality of valves.
  • a reference valve position can be determined, for example, using a mathematical function with the valve position of the majority of valves as input parameters.
  • the valve positions can be weighted depending on the valves.
  • control of the heat generator depending on the detected valve position according to step S11 then takes place depending on the reference position and/or the average valve position.
  • valve position can be detected as a function of a hydraulic adjustment.
  • detected valve position can be detected relative to a hydraulic adjustment.
  • the method may additionally comprise a step S13 of estimating a valve position of a further valve, the valve position of which is not detected in the step of detecting the valve position.
  • the method may include the step S14 of estimating a valve position of a further valve, the valve position of which is not detected in the step of detecting the valve position, as a function of a desired room temperature, an actual room temperature and/or an outside temperature. Due to method step S13 or S14, the control of the heat generator can additionally take place as a function of the valve position of the further valve and, if appropriate, the determination of the reference valve position, the minimum valve position, the average valve position and/or the maximum valve position can additionally take place as a function of the estimated valve position.
  • the heat generator can be controlled independently of an outside temperature.
  • Fig. 2 shows schematically a method for controlling a heat generator according to an embodiment of the invention.
  • Fig. 2 The method shown is based on the Fig. 1
  • the method can optionally include step S21: determining a hydraulic balance between a plurality of valves. Accordingly, in step S11, the heat generator can then be controlled additionally depending on the determined hydraulic balance.
  • the determination of a reference valve position, a minimum valve position, an average valve position, and/or a maximum valve position can then be carried out according to step S12 depending on the hydraulic balance.
  • the method may optionally include steps S22 to S24.
  • a step S22 one or more target temperatures T n,target may be provided for one or more rooms to be heated.
  • the provision of a target temperature may, for example, be effected by reading a value from a memory unit.
  • a target temperature provided by a human-machine interface in particular by means of a user input.
  • a target temperature value can be received from another unit, in particular by means of a communication unit.
  • an actual temperature of the one or more rooms to be heated can be detected. This can be done in particular by means of a temperature sensor.
  • an actual temperature value can be received from another unit, in particular by means of a communication unit.
  • a difference ⁇ T n between the setpoint T n,soll of one of the one or more rooms to be heated and the actual temperature T n,ist of the room to be heated can be determined. This can be done, for example, by comparing the values.
  • the control of the heat generator in step S11 can then additionally take place depending on the determined temperature difference ⁇ T n .
  • the variable n can enable an assignment to a room.
  • the valves can also be assigned to rooms, so that an assignment between a difference ⁇ T n and one or more valves is possible.
  • a room can be a closed room, a section of a room, or several rooms schematically combined to form a room.
  • the method may optionally further comprise steps S25 and S26.
  • step S25 one or more determined differences ⁇ T n may be compared with the determined one or more valve positions, in particular of the valves arranged in space n.
  • valve positions relative to a hydraulic balance may be used for this comparison.
  • a valve position dependent on the hydraulic balance may be used for this comparison.
  • step S26 an error message may then be output depending on the comparison result of step S25.
  • method steps of the Figure 2 The procedure shown is part of the Figure 1 In some embodiments, the methods described in the Figures 1 and 2 The process steps shown can be combined with each other as desired.
  • the Figures 1 and 2 methods shown or a combination of the methods shown in the Figures 1 and 2 In the methods shown, steps may be added, omitted, combined, divided into multiple steps, or changed in their order without affecting the essence of the invention. In some embodiments, steps may be replaced by steps having the same effect without changing the essence of the invention.
  • the Figures 1 and 2 shown methods or a combination of the methods described in the Figures 1 and 2
  • the method shown can be executed as a computer program product.
  • Fig. 3 schematically shows a system for controlling a heat generator according to an embodiment of the invention.
  • the system 30 comprises a detection unit 31 and a control unit 32.
  • the detection unit 31 is configured to detect valve positions of a plurality of valves, each of which is configured to control a volume flow of a fluid from the heat generator to a radiator using the valve position.
  • the control unit 32 is configured to control the heat generator depending on the detected valve position.
  • the valve can be part of a (room) thermostat, in particular an electronically controllable (room) thermostat.
  • the valve can be a thermostatic valve.
  • the system comprises a determination unit 33 configured to determine a reference position and/or an average valve position depending on the detected valve position of the plurality of valves.
  • the control unit is then configured to control the heat generator depending on the reference position and/or the average valve position.
  • the system 30 may include a balancing unit (not shown in Figure 3 shown), which is designed to determine a hydraulic balance between the valves.
  • the control of the heat generator can then also be Depending on the hydraulic balancing, the reference valve position, the minimum valve position, the average valve position, and/or the maximum valve position can then be determined depending on the hydraulic balancing.
  • control unit may be configured to control the heat generator such that the reference valve position, the minimum valve position, the average valve position, and/or the maximum valve position is regulated to a predetermined value.
  • control unit may be configured to additionally control the heat generator depending on a type of heating circuit in which a valve, the valve position of which is used to control the heat generator, is arranged.
  • control unit can additionally control the heat generator depending on the type of heat generator. This allows the control unit to adapt the heat generator's heat generation in such a way that particularly efficient operating modes of the heat generator are favored, particularly with regard to operating time, pause time, and/or flow temperature.
  • the system 30 can include a setpoint device 34 and a temperature sensor 35.
  • the setpoint device can be configured to provide a setpoint temperature for one or more rooms to be heated.
  • the temperature sensor 35 can be configured to detect an actual temperature of a room to be heated.
  • the control unit 32 can then be configured to additionally control the heat generator depending on a difference ⁇ T n between the setpoint T n,setpoint of one of the one or more rooms to be heated and the actual temperature T n,actual of the room to be heated.
  • control unit 32 may also be configured to control the heat generator as a function of an outside temperature.
  • control unit 32 may be configured to control the heat generator independently of an outside temperature.
  • the system 30 may include an estimation unit (not Fig. 3 shown) configured to provide an estimated valve position of another valve whose valve position is not detected by the detection unit 31. This can be done, for example, by an estimation by the estimation unit.
  • the estimated valve position can be provided by a user through a human-machine interface.
  • an estimation by the estimation unit can be carried out as a function of a desired room temperature, an actual room temperature and/or an outside temperature.
  • the control unit 32 can then be configured to additionally control the heat generator as a function of the estimated valve position of the further valve and/or the determination unit 33 can then be configured to additionally determine the reference valve position, the minimum valve position, the maximum valve position and/or the average valve position as a function of the estimated valve position.
  • units of the system 30 may be combined, split, added, and/or omitted without affecting the essence of the invention.
  • Fig. 3 The connections between the units shown are purely exemplary, ie there may be further connections between the units, or connections between the units that are Fig. 3 shown are omitted.
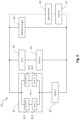
  • Fig. 4 schematically shows a heating system according to one embodiment of the invention.
  • the heating system 40 comprises a first heating circuit 41 and a second heating circuit 43.
  • the heating circuits 41 and 43 are supplied with heat by means of a heat generator 45.
  • a volume flow through the heating circuit 41 is controlled by means of a valve 42.
  • a valve 44 controls the volume flow that flows/circulates through the heating circuit 43.
  • Fig. 5 shows schematically a heating system according to an embodiment of the invention.
  • the heating system 40 shown differs from the one in Fig. 4 shown heating system 40 in that the heating system can additionally include a hot water supply 46.
  • a volume flow of a heat transfer medium that transports heat from the heat generator to the hot water supplier 46 can be controlled by means of a valve 47.
  • the heating circuit 41 can comprise a radiator 411 and a radiator 413.
  • a volume flow of a heat transfer medium flowing through the radiator 411 or 413 can be additionally controlled by a valve 412 or 414.
  • a valve can be configured to regulate a volume flow.
  • a valve can be implemented, for example, by a pump, particularly in conjunction with a check valve and/or a gravity brake.
  • a valve can be implemented, for example, by controlling an opening through which a heat transfer medium flows.
  • the opening can be controlled, for example, by a stepper motor, servomotor, etc.
  • a valve can be controlled, for example, by controlling a pumping power.
  • a high pumping power can then represent a wide-open valve position, and a low pumping power can represent a slightly open valve position.
  • valves connected in series and/or valves connected in parallel can be schematically combined to form one valve with a resulting valve position.
  • valve position 42, 44, 47, 412, 414 is taken into account when controlling the heat generator 45, so that the heat generator 45 only generates heat when it can be ensured that the generated heat can be transported from the heat generator to a heat consumer, in particular a radiator 411, 412, a heating circuit 41, 43, or a hot water circuit 46.
  • valve positions of valves 412, 414, 42, 44, 47 can be used to control heat generator 45 depending on a hydraulic balance. This can have the advantage that the valve position of a valve used to control heat generator 45 particularly accurately reflects the potential volume flow from the heat generator to a heat consumer.
  • Fig. 6a shows a schematic diagram of a target flow temperature as a function of time for a method according to an embodiment of the invention and for a conventional method.
  • the time of day is plotted on the x-axis of the diagram.
  • the determined target flow temperature in °C is plotted on the y-axis.
  • Graph 601 shows the course of the target flow temperature as a function of time, wherein the target flow temperature was determined according to a conventional method.
  • Graph 602 shows the course of the target flow temperature as a function of time, wherein the target flow temperature was determined according to an embodiment of the invention.
  • Fig. 6b shows a diagram schematically a minimum, an average, and a maximum valve position as a function of time according to an embodiment of the invention.
  • the time of one day is plotted on the x-axis of the diagram.
  • the valve opening (valve position) is plotted in percent on the y-axis.
  • the valve opening (valve position) can be determined, for example, by a volume flow flowing through the valve.
  • the valve opening (valve position) can be determined as a function of a geometric size of the valve opening.
  • the valve opening can be standardized depending on a hydraulic balance.
  • Fig. 6b The time course of a maximum valve opening 701, an average valve opening 702 and a minimum valve opening 703 is shown.
  • the maximum, the minimum and the average valve opening can be determined depending on a plurality of valve positions.
  • the valves that are in Fig. 6b used to determine the minimum, average and maximum valve opening are calculated according to the Fig. 6a supplied with heat at the target flow temperature shown.
  • the target flow temperature 601 is increased according to the state of the art at around 6:00 a.m. from the night-time reduction to around 42°C to a daytime value of around 46°C. This then flattens out over the course of the day until around 8:00 p.m. to around 9:00 p.m., the target flow temperature is reduced to around 41°C according to a night-time reduction and then maintained at around 41° or 42°C during the course of the night.
  • the target flow temperature is increased from approximately 28°C to approximately 34°C during this period in accordance with the change in the average or maximum valve opening.
  • the flow temperature is reduced according to the method according to the invention. This means that if the valve openings, in particular a minimum, an average, and/or a maximum valve opening, are relatively small (small or no flow), for example, a flow temperature of the heat generator and/or a volume flow can be reduced.
  • the valves are opened between approximately 5:00 a.m. and approximately 7:00 a.m. This can, for example, be due to a night-time setback Accordingly, the target flow temperature 602 rises to a value of approximately 58°C during this period. As a result, the valves are closed again slightly between approximately 7:00 a.m. and 8:00 a.m., and consequently the target flow temperature is reduced to approximately 47°C. This means that if the valve positions, in particular a minimum, average, and/or maximum valve opening, are relatively large (high flow rate), a flow temperature of the heat generator and/or a volume flow can be increased, for example.
  • valve positions change depending on the flow temperature, so that, for example, a predetermined temperature is present in a room, etc.
  • the heat generator can be controlled such that the average and/or maximum valve position is regulated to a predetermined value.
  • overshoot such as around 7:00 a.m., 6:00 p.m., and 9:00 p.m., can be avoided or reduced.
  • overshoot can be improved, for example, by additional sensor values from additional sensors.
  • the Fig. 6a and 6b It can be seen that, in the method according to the invention, by controlling the heat generator depending on the valve openings, the valve openings can be optimized simultaneously, so that the flow temperature of the heat generator can be reduced. This results in heat losses, particularly due to heat radiation from pipes, being reduced by the lower thermal gradients from the heat transfer medium to the pipe environment, and thus energy losses. As a result, efficiency and, especially in the case of a heat pump, running time can be advantageously optimized.
  • valve openings are merely an example.
  • result of a mathematical function with the valve openings as input parameters can be used to control the heat generator.
  • a mathematical function can, in particular, be configured to weight the individual valve openings and then determine a minimum, maximum, or average valve opening.
  • a heat generator in particular according to the Figures 1 to 3 , a cooling generator may be meant.
  • a heating circuit can be a cooling circuit, and a room to be heated can be a room to be cooled.
  • a heating circuit can be a cooling circuit, a heating circuit type can be a cooling circuit type, and a room to be heated can be a room to be cooled. Cooling circuit types can be differentiated particularly with regard to their cooling temperature.

Landscapes

  • Engineering & Computer Science (AREA)
  • Physics & Mathematics (AREA)
  • Thermal Sciences (AREA)
  • Chemical & Material Sciences (AREA)
  • Combustion & Propulsion (AREA)
  • Mechanical Engineering (AREA)
  • General Engineering & Computer Science (AREA)
  • Steam Or Hot-Water Central Heating Systems (AREA)

Description

    Technischer Hintergrund
  • In den letzten Jahren wurden Wärmeerzeuger, wie Wärmepumpen, Biomassekessel, Gasthermen, Gaskessel, Ölkessel, Fernwärmestationen etc. stetig weiterentwickelt, um den Wirkungsgrad bei der Wärmeerzeugung bzw. Wärmeübertragung zu erhöhen. Die verschiedenen Wärmeerzeuger verbindet miteinander, dass sie jeweils besonders effiziente Betriebsarten bzw. Betriebsmodi und weniger effiziente Betriebsarten bzw. Betriebsmodi aufweisen.
  • Je nach Wärmeerzeuger kann die Effizienz des Wärmeerzeugers auf höhere Vorlauftemperaturen, beispielsweise zwischen 50°C und 120°C, oder auf niedrigeren Vorlauftemperaturen, insbesondere zwischen 30°C und 50°C, optimiert sein.
  • Für viele der Wärmeerzeuger ist die Wärmeerzeugung besonders ineffizient und die Abnutzung besonders hoch, wenn die Betriebszeiten und/oder Pausenzeiten des Wärmeerzeugers relativ kurz sind. Diese kurzen Betriebszeiten und/oder Pausenzeiten werden auch als Takten bzw. Stotterbetrieb bezeichnet. Folglich ist es wünschenswert, dass das Takten bzw. der Stotterbetrieb bestmöglich vermieden wird.
  • Die WO 2018/162679 A1 zeigt ein Verfahren zum Betreiben einer Heizungsanlage in einem Gebäude mit mindestens zwei Räumen. Die Heizungsanlage umfasst mindestens einen Heizkörper pro Raum, einen Wärmeerzeuger zum Erhitzen eines Trägermediums, das über einen Vorlauf zu den Heizkörpern fließt und über einen Rücklauf zurück zum Wärmeerzeuger fließt, eine im Vorlauf oder Rücklauf angeordnete Pumpe zum Fördern des Trägermediums, und eine zentrale Regeleinrichtung zum Regeln des Wärmeerzeugers und der Pumpe. Die Heizkörper umfassen jeweils ein Stellglied zum Einstellen eines Volumenstroms durch den Heizkörper und eine Einstelleinrichtung mit einem Temperatursensor zum Ermitteln einer Raumisttemperatur, einem Regler zum Einstellen einer Stellgliedöffnung des Stellglieds in Abhängigkeit einer jeweils vorgegebenen Raumsolltemperatur und der ermittelten Raumisttemperatur, und einer Kommunikationseinrichtung zum Kommunizieren mit der zentralen Regeleinrichtung. Das Verfahren umfasst die Schritte: falls in einem Raum eine Raumisttemperatur kleiner als eine vorgegebener Raumsolltemperatur ist, und die Differenz zwischen Raumisttemperatur und vorgegebener Raumsolltemperatur größer als eine vorgegebene Temperaturdifferenz ist, Betreiben der Heizkörper des Raumes im Aufheizbetrieb; falls Heizkörper in mehr als einem Raum im Aufheizbetrieb betrieben werden, Ermitteln eines Aufheizwerts in Abhängigkeit einer Raumtemperaturänderung innerhalb eines festgelegten Zeitraums für jeden Raum mit Heizkörpern im Aufheizbetrieb; für jeden Heizkörper im Aufheizbetrieb: Vorgeben eines oberen Grenzwerts der Stellgliedöffnung in Abhängigkeit des jeweils ermittelten Aufheizwerts und eines Mittelwerts) aller ermittelten Aufheizwerte und Betreiben der Heizkörper in Abhängigkeit der vorgegebenen oberen Grenzwerte.
  • Die EP 3 473 939 A1 zeigt ein Verfahren zum Betreiben einer Heizungsanlage in einem Gebäude mit mindestens einem beheizbaren Raum. Die Heizungsanlage umfasst mindestens einen Heizkörper in jedem beheizbaren Raum. Der mindestens eine Heizkörper umfasst ein Stellglied zum Einstellen eines Volumenstroms durch den Heizkörper. Die Heizungsanlage umfasst einen Wärmeerzeuger zum Erhitzen eines Trägermediums, das über einen Vorlauf zu dem mindestens einen Heizkörper fließt und über einen Rücklauf zurück zum Wärmeerzeuger fließt. Im Vorlauf oder Rücklauf ist eine Pumpe zum Fördern des Trägermediums angeordnet. Im Vorlauf ist ein Temperatursensor zum Ermitteln einer Vorlauftemperatur des Trägermediums angeordnet. In dem mindestens einen beheizbaren Raum ist ein Temperatursensor zum Ermitteln einer Raumisttemperatur des Raumes angeordnet. Die Heizungsanlage umfasst eine Regeleinrichtung die den Wärmeerzeuger regelt oder steuert, um die Vorlauftemperatur des Trägermediums auf eine vorgegebene Vorlaufsolltemperatur einzustellen, und einen Raumtemperaturregler zum Regeln der Raumtemperatur durch Einstellen einer Stellgliedöffnung des Stellglieds in Abhängigkeit einer jeweils vorgegebenen Raumsolltemperatur und der ermittelten Raumisttemperatur. Das Verfahren umfasst die Schritte Erfassen einer aktuellen Stellgliedöffnung des Stellglieds des mindestens einen Heizkörpers; Bestimmen der Vorlaufsolltemperatur in Abhängigkeit der aktuellen Stellgliedöffnung des Stellglieds des mindestens einen Heizkörpers; und Bestimmen eines Satzes von Regelparametern zum Betreiben des Raumtemperaturreglers in Abhängigkeit der aktuellen Stellgliedöffnung des Stellglieds.
  • Die DE 10 2014 202738 A1 zeigt ein Verfahren zum automatisierten hydraulischen Abgleich einer Heizungsanlage mit mindestens einem Wärmeerzeuger, mindestens zwei Wärmeverbrauchern und mindestens zwei Ventilen, wobei der Wärmeerzeuger, die Wärmeverbraucher und die Ventile miteinander verbunden sind. Die Öffnung des Ventils wird gemäß der Versorgung des Wärmeverbrauchers mit Wärme begrenz, so dass die Heizungsanlage schrittweise hydraulisch abgeglichen und an sich ändernde Bedingungen der Heizungsanlage angepasst wird.
  • Ausgehend davon ist es Aufgabe der Erfindung ein Verfahren, ein System und/oder ein Computerprogrammprodukt zum Steuern eines Wärmeerzeugers bereitzustellen, das das Problem des Taktens bzw. des Stotterbetriebs löst.
  • Beschreibung
  • Die Aufgabe wird mit den Merkmalen der unabhängigen Patentansprüche gelöst. Die abhängigen Ansprüche beziehen sich auf besondere Ausführungsformen der Erfindung. Im Folgenden werden Aspekte und Ausführungsformen beschrieben, die zum Verständnis der Erfindung dienen.
  • Ein Aspekt bezieht sich auf ein Verfahren zum Steuern eines Wärmeerzeugers gemäß Anspruch 1.
  • Das Erfassen einer Ventilstellung kann ein Erfassen eines Steuersignals, das das Ventil steuert, und/oder ein Erfassen einer Stellung des Ventils durch einen Sensor umfassen. Ein Heizkörper kann beispielsweise eine Wandheizung, eine Bodenheizung, ein Radiator, ein Konvektor, eine Mischung der eben genannten Heizkörpertypen etc. sein. In manchen Ausführungsformen kann das Ventil Teil eines (Raum-)Thermostats, insbesondere eines elektronisch steuerbaren (Raum-)Thermostats sein. In manchen Ausführungsformen kann das Ventil ein Thermostatventil sein.
  • Dadurch kann besonders einfach das Erzeugen von Wärme auf eine Wärmeabnahme durch einen Heizkörper abgestimmt werden. Als Folge können kurze ineffiziente Betriebsintervalle des Wärmeerzeugers auf Grund einer erzeugten, nicht abgenommenen Wärme vermieden und die Heizleistung des Wärmeerzeugers optimiert und reduziert werden. Dies führt zu einem niedrigeren Verschleiß einer Heizungsanlage und zu einem niedrigeren Energieverbrauch.
  • So kann beispielsweise der Wärmeerzeuger derart gesteuert werden, dass, wenn ein Ventil geschlossen ist bzw. nur geringfügig geöffnet ist, insbesondere wenn alle Ventile geschlossen und/oder nur geringfügig geöffnet sind, der Wärmeerzeuger nicht in einem Wärmeerzeugungsbetrieb betrieben wird, insbesondere selbst dann nicht, wenn eine Wärmeanforderung vorliegt.
  • Eine besonders vorteilhafte Ausführungsform kann zudem den Schritt Ermitteln in Abhängigkeit der erfassten Ventilstellung der Mehrzahl an Ventilen mindestens eines aus der Gruppe: eine minimale Ventilstellung und/oder eine maximale Ventilstellung umfassen, wobei das Steuern des Wärmeerzeugers auch in Abhängigkeit der der minimalen Ventilstellung und/oder der maximalen Ventilstellung erfolgt.
  • Dadurch können eine Mehrzahl an Daten der Ventilstellungen auf einfache Art zusammengefasst werden und für die Steuerung des Wärmeerzeugers verwendet werden. Gleichzeitig kann besonders elegant sichergestellt werden, dass die Wärme bedarfsgerecht erzeugt wird.
  • In manchen Ausführungsformen kann der Wärmeerzeuger abgeschaltet werden, wenn eine oder mehrere Ventile geschlossen sind oder die Ventilstellung (Ventilöffnung) einer oder mehrerer Ventile unter einem vorgegebenen Grenzwert liegen.
  • In manchen Ausführungsformen kann der Wärmeerzeuger abgeschaltet werden, wenn die minimale Ventilstellung einen ersten Ventilgrenzwert, die maximale Ventilstellung einen zweiten Ventilgrenzwert, die durchschnittliche Ventilstellung einen dritten Ventilgrenzwert und/oder die die Referenzventilstellung einen vierten Ventilgrenzwert unterschreiten. Die Bezeichnung der Ventilgrenzwerte als ersten, zweiten, dritten und vierten Ventilgrenzwert dient nur zur Unterscheidung, hat keine nummerische Bedeutung und hat auch keine Ordnungswirkung.
  • In einer besonders angepassten Ausführungsform kann das Ermitteln einer Referenzventilstellung, einer minimalen Ventilstellung, einer durchschnittlichen Ventilstellung und/oder einer maximalen Ventilstellung in Abhängigkeit einer Gewichtung der Ventilstellung der Mehrzahl an Ventilen erfolgen. Eine Gewichtung kann beispielsweise mittels einer mathematischen Funktion mit den erfassten Ventilstellungen als Eingangsparametern erfolgen. In manchen Ausführungsformen kann das Gewichten in Abhängigkeit von physikalischen Eigenschaften, wie Raumeigenschaften eines Raums, dessen Wärmeversorgung durch ein entsprechendes Ventil gesteuert wird, Rohreigenschaften, Wärmeübertragerflächen, eines Heizkörpers, dessen Wärmeversorgung durch ein entsprechendes Ventil gesteuert wird, insbesondere eines Heizkörpertyps, und/oder eines Wärmeerzeugers, insbesondere eines Wärmeerzeugertyps, etc., erfolgen.
  • In manchen Ausführungsformen kann die minimale, die maximale und/oder die durchschnittliche Ventilstellung in Abhängigkeit gewichteter Ventilstellungen ermittelt werden.
  • In manchen Ausführungsformen kann das Ermitteln einer minimalen Ventilstellung, einer durchschnittlichen Ventilstellung und/oder einer maximalen Ventilstellung in Abhängigkeit von physikalischen Eigenschaften, wie Raumeigenschaften eines Raums, dessen Wärmeversorgung durch ein entsprechendes Ventil gesteuert wird, Rohreigenschaften, Wärmeübertragerflächen, eines Heizkörpers, dessen Wärmeversorgung durch ein entsprechendes Ventil gesteuert wird, insbesondere eines Heizkörpertyps, eines Wärmeerzeugers, insbesondere eines Wärmeerzeugertyps, etc., erfolgen. Eine Unterscheidung bezüglich der Wärmeübertragerflächen kann eine Unterscheidung bezüglich der Flächengröße, der Außengeometrie, der Oberflächenstruktur, eines Materials etc. beinhalten.
  • Raumeigenschaften können beispielsweise eine Raumgröße, eine Wärmedämmung des Raums, eine Position des Raums in einem Gebäude, insbesondere einer Etage, einer Außenwandlänge des Raums, Fensterflächen etc. sein. Beispiele für Rohreigenschaften sind eine Wärmedämmung des Rohres, ein Rohraufbau, eine Rohrlänge, ein Rohrquerschnitt des Rohrs, ein Flusswiderstand des Rohrs etc. sein.
  • Eine besonders anpassbare Ausführungsform kann einen Schritt Ermitteln eines hydraulischen Abgleichs zwischen der Mehrzahl an Ventilen umfassen, wobei das Ermitteln der Referenzventilstellung, der minimalen Ventilstellung, der durchschnittlichen Ventilstellung und/oder maximalen Ventilstellung in Abhängigkeit des ermittelten hydraulischen Abgleichs erfolgt.
  • Dies hat den Vorteil, dass Ventilstellungen in Abhängigkeit eines hydraulischen Abgleichs berücksichtigt werden und dadurch Ventilstellungen ohne den Einfluss von hydraulischen Unterschieden zur Steuerung des Wärmeerzeugers verwendet werden können.
  • In einer besonders weiterentwickelten Ausführungsform kann das Steuern des Wärmeerzeugers derart erfolgen, sodass die Referenzventilstellung, die minimale Ventilstellung, die durchschnittliche Ventilstellung oder die maximale Ventilstellung auf einen vorgegebenen Wert geregelt wird.
  • Dadurch kann das Erzeugen von Wärme durch den Wärmeerzeuger besonders an einen tatsächlichen Wärmebedarf angepasst werden, sodass eine Raumtemperatur einem vorgegebenen Wert entspricht.
  • In einer besonders angepassten Ausführungsform können die Mehrzahl an Ventilen in einem Heizkreis angeordnet sein, und das Steuern des Wärmeerzeugers zusätzlich in Abhängigkeit eines Typs des Heizkreises erfolgen. Vorteilhafterweise kann ein Heizkreis einen oder mehrere Heizkörper umfassen. In manchen Ausführungsformen kann ein Heizkreis zudem eine Pumpe umfassen. Ein Beispiel für einen Heizkreistyp ist ein Badheizkreis, bei dem oft höhere Temperaturen beispielsweise für einen Handtuchtrockner erwünscht sind. Des Weiteren kann ein Heizkreistyp in Abhängigkeit einer gewünschten und/oder maximalen Vorlauftemperatur bestimmt sein. Beispielsweise kann so zwischen Niedertemperaturkreisen und Brennwertheizkreisen, insbesondere mit höheren Vorlautemperaturen im Vergleich zu Niedertemperaturkreisen, unterschieden werden. Des Weiteren kann ein Heizkreistyp bezüglich einer durch den Heizkreis zu beheizenden Fläche/einem durch den Heizkreis zu beheizendem Raumvolumen untergliedert werden. Dadurch können Besonderheiten einer Ventilstellung auf Grund eines Heizkreistyps berücksichtigt werden. Mögliche Unterscheidungsmerkmale bezüglich eines Heizkreistyps sind eine Niedertemperatur, eine Brennwert-Temperatur, eine Mischform davon, bzw. eine Wandheizung, eine Bodenheizung, ein Radiator, ein Konvektor, eine Mischform davon etc.
  • In einer besonders flexiblen Ausführungsform kann die Mehrzahl an Ventilen in einer Mehrzahl an Heizkreisen angeordnet sein, und das Steuern des Wärmeerzeugers in Abhängigkeit eines oder mehrerer Heizkreise der Mehrzahl an Heizkreisen, insbesondere in Abhängigkeit eines Typs eines Heizkreises, erfolgen. Dadurch können insbesondere bei mehreren Heizkreisen Besonderheiten von Ventilstellungen auf Grund eines Heizkreistyps berücksichtigt werden. Somit wird sichergestellt, dass eine Wärmeanforderung eines Heizkreises erfüllt wird und gleichzeitig ein Verschleiß und ein Energieverbrauch reduziert wird.
  • In einer besonders angepassten Ausführungsform kanns das Steuern des Wärmeerzeugers zusätzlich in Abhängigkeit eines Typs des Wärmeerzeugers erfolgen. Dadurch kann beispielsweise auf eine vorteilhafte Betriebsweise des Wärmeerzeugers Rücksicht genommen werden, sodass dieser besonders effizient, verschleißarm und energiesparend betrieben werden kann.
  • In einer besonders weiterentwickelten Ausführungsform kann das Steuern des Wärmeerzeugers zusätzlich in Abhängigkeit einer Raum-Ist-Temperatur erfolgen. Dadurch kann der Wärmeerzeuger besonders angepasst an einen Wärmebedarf betrieben werden. In manchen Ausführungsformen kann das Steuern des Wärmeerzeugers zusätzlich in Abhängigkeit einer Raum-Soll-Temperatur erfolgen. Dadurch kann eine Wärmeerzeugung des Wärmeerzeugers bezüglich der Vorlauftemperatur an die Raum-Soll-Temperatur angepasst werden. Da häufig eine niedrigere Vorlauftemperatur effizienter bereitgestellt werden kann, kann dadurch die Effizienz gesteigert werden.
  • In einer besonders intelligenten Ausführungsform kann das Steuern des Wärmeerzeugers zusätzlich in Abhängigkeit einer Außentemperatur erfolgen. Durch das Berücksichtigen einer Außentemperatur kann eine Wärmeabstrahlung eines Raums, insbesondere nach Draußen, besonders zielführend kompensiert werden.
  • In einer besonders vorteilhaften Ausführungsform kann ein Schritt Erfassen einer Außentemperatur zum Steuern des Wärmeerzeugers entfallen. Dies hat den Vorteil, dass ein Außentemperatursensor, der aufwändig anzubringen und auf Grund von Witterungseinflüssen fehleranfällig ist, überflüssig wird bzw. weggelassen werden kann. Dadurch können wiederum Installations- und Wartungskosten reduziert werden. In manchen Ausführungsformen kann somit der Wärmeerzeuger vorteilhafterweise unabhängig einer Außentemperatur gesteuert werden. Dies ist insbesondere dadurch möglich, dass durch die Informationen bezüglich der Ventilstellungen entsprechende Rückschlüsse auf den Wärmebedarf möglich werden.
  • Ein besonders flexibel nachrüstbares Verfahren kann den Schritt Abschätzen einer Ventilstellung eines weiteren Ventils, dessen Ventilstellung im Schritt Erfassen der Ventilstellung nicht erfasst wird, beinhalten. Das Steuern des Wärmeerzeugers kann dann zusätzlich in Abhängigkeit der geschätzten Ventilstellung des weiteren Ventils erfolgen und/oder das Ermitteln der Referenzventilstellung, der minimalen Ventilstellung, der durchschnittlichen Ventilstellung und/oder maximalen Ventilstellung kann dann zusätzlich in Abhängigkeit der geschätzten Ventilstellung erfolgen. In manchen Ausführungsformen kann das Abschätzen einer Ventilstellung eines weiteren Ventils, dessen Ventilstellung im Schritt Erfassen der Ventilstellung mehrerer Ventile nicht erfasst wird, in Abhängigkeit einer Raum-Soll-Temperatur, einer Raum-Ist-Temperatur und/oder einer Außentemperatur erfolgen.
  • Dadurch können Ventile, deren Ventilstellung nicht erfasst werden kann, beispielsweise auf Grund mangelnder Sensoren, eines Defekts, der technischen Ausführung etc., bei der Steuerung des Wärmeerzeugers entsprechend berücksichtigt werden.
  • Ein besonders weiterentwickeltes Verfahren kann zudem die Schritte Bereitstellen einer oder mehrerer Solltemperaturen Tn,soll für einen oder mehrere zu heizende Räume, Erfassen einer Ist-Temperatur Tn,ist für den einen oder die mehreren zu heizende Räume, Ermitteln einer Differenz ΔTn zwischen einem Sollwert Tn,soll eines zu heizenden Raums der einen oder mehreren zu heizenden Räume und der Ist-Temperatur Tn,ist des zu heizenden Raums, und Steuern des Wärmeerzeugers zusätzlich in Abhängigkeit der ermittelten Differenz ΔTn umfassen. Dadurch kann der Wärmeerzeuger besonders bedarfsgerecht gesteuert werden.
  • In einer besonders einfach zu wartenden Ausführungsform kann das Verfahren die Schritte Vergleichen einer oder mehrerer ermittelter Differenzen ΔTn mit den erfassten einen oder mehreren Ventilstellungen; und Ausgeben einer Fehlermeldung in Abhängigkeit des Vergleichsergebnisses umfassen.
  • Beispielsweise kann es ein Hinweis auf einen Fehler sein, wenn eine sehr hohe Temperatur Differenz ΔTn vorliegt und gleichzeitig ein geschlossenes oder nur geringfügig geöffnetes Ventil in einem zu beheizenden Raum vorliegt. Umgekehrt kann beispielsweise ebenfalls ein Fehler detektiert werden, wenn ein Ventil sehr weit geöffnet ist und die ermittelte Differenz ΔTn (ΔTn relativ bzw. sehr klein) ein überheizen eines Raumes vermuten lässt. Eine sehr hohe Temperatur Differenz kann, wenn die Temperaturdifferenz über einem vorgegebenen Grenzwert liegt. Eine sehr kleine Temperaturdifferenz kann vorliegen, wenn die Temperaturdifferenz unter einem weiteren vorgegebenen Grenzwert liegt.
  • Dies hat den Vorteil, dass ein Fehler besonders schnell erfasst und somit auch behoben werden kann.
  • Ein weiterer Aspekt bezieht sich auf ein System zum Steuern eines Wärmeerzeugers gemäß Anspruch 12.
  • Ein besonders weiterentwickeltes sieht vor, dass die Ermittlungseinheit dazu eingerichtet ist, eine minimale Ventilstellung und/oder eine maximale Ventilstellung in Abhängigkeit der erfassten Ventilstellung der Mehrzahl an Ventilen zu ermitteln, wobei die Steuereinheit dazu eingerichtet ist, den Wärmeerzeuger auch in Abhängigkeit der minimalen Ventilsstellung und/oder der maximalen Ventilstellung zu steuern.
  • Ein besonders vorteilhaftes System kann einen oder mehrere Sollwertgeber, die eine Solltemperatur Tn,soll für einen oder mehrere zu heizende Räume zur Verfügung stellen, und mindestens einen Temperatursensor pro zu heizendem Raum zum Erfassen einer Ist-Temperatur Tn,ist des zu heizenden Raums umfassen, wobei die Steuereinheit dazu eingerichtet sein kann, den Wärmeerzeuger zusätzlich in Abhängigkeit einer Differenz ΔTn zwischen einem Sollwert Tn,soll eines zu heizenden Raums der einen oder mehreren zu heizenden Räume und der Ist-Temperaturen Tn,ist des zu heizenden Raums zu steuern. Ein weiterer Aspekt bezieht sich auf ein Computerprogramm-Produkt umfassend Programmbefehle, die den Computer dazu veranlassen, das Verfahren nach einem der Verfahrensansprüche 1 bis 11 auszuführen, wenn das Computerprogrammprodukt auf den Computer geladen oder ausgeführt wird.
  • Dies hat den Vorteil, dass das Verfahren besonders elegant ausgeführt und nachgerüstet werden kann.
  • In manchen Ausführungsformen kann ein Wärmeerzeuger ein Kälteerzeuger sein. Entsprechend kann ein Heizkreis ein Kühlkreis, ein Heizkreistyp ein Kühlkreistyp und ein zu heizender Raum ein zu kühlender Raum sein. Kühlkreistypen können insbesondere hinsichtlich ihrer Kühltemperatur unterschieden werden.
  • Beschreibung der Figuren
    • Fig. 1 und 2 zeigen jeweils schematisch ein Verfahren zum Steuern eines Wärmeerzeugers.
    • Fig. 3 zeigt schematisch ein System zum Steuern eines Wärmeerzeugers gemäß einer Ausführungsform der Erfindung.
    • Fig. 4 und 5 zeigen jeweils schematisch eine Heizungsanlage gemäß einer Ausführungsform der Erfindung.
    • Fig. 6a zeigt schematisch in einem Diagramm eine Soll-Vorlauftemperatur in Abhängigkeit der Zeit bei einem Verfahren gemäß einer erfindungsgemäßen Ausführung und bei einem herkömmlichen Verfahren.
    • Fig. 6b zeigt schematisch in einem Diagramm eine minimale, eine durchschnittliche und eine maximale Ventilstellung in Abhängigkeit der Zeit gemäß einer Ausführungsform der Erfindung.
  • Fig. 1 zeigt schematisch ein Verfahren zum Steuern eines Wärmeerzeugers gemäß einer Ausführungsform der Erfindung. Das Verfahren umfasst einen Schritt S10 Erfassen einer Ventilstellung eines Ventils, das dazu eingerichtet ist einen Volumenstrom eines Fluids von dem Wärmeerzeuger zu einem Heizkörper zu steuern. Ein Ventil kann ein Bauteil zur Absperrung und/oder Steuerung eines Durchflusses von Fluiden, insbesondere Flüssigkeiten und/oder Gasen, sein. Ein Ventil kann ein Absperrorgan, insbesondere eine
  • Armatur wie ein Absperrschieber, eine Absperrklappe, ein Kugelhahn etc. sein. In manchen Ausführungsformen kann ein Ventil auch durch eine Pumpe, insbesondere in Verbindung mit einer Schwerkraftbremse, nachgestellt sein. Eine Schwerkraftbremse kann auch in Form einer Rückschlagklappe und/oder eines Rückschlagventils ausgebildet sein.
  • Das Erfassen der Ventilstellung kann beispielsweise durch Erfassen eines Steuersignals, das zur Steuerung eines Ventils eingerichtet ist, erfolgen. In manchen Ausführungsformen kann eine Ventilstellung beispielsweise mittels eines Sensors erfasst werden. In manchen Ausführungsformen kann beispielsweise eine Ventilstellung mittels eines Volumenstromsensors, Durchflusssensors erfasst werden.
  • Des Weiteren umfasst das Verfahren einen Schritt S11 Steuern des Wärmeerzeugers in Abhängigkeit der erfassten Ventilstellung. Ein Steuern des Wärmeerzeugers kann ein Steuern einer Brennmittelzufuhr, ein Steuern einer Sauerstoffzufuhr, ein Zünden einer Flamme, ein Ändern des Betriebsmodus und/oder ein Steuern einer Pumpe etc. umfassen. Beispiele für einen Wärmeerzeuger sind eine Wärmepumpe, eine Gastherme, ein Gaskessel, ein Biomassekessel, ein Ölkessel, eine Fernwärmeübergabestation etc. (Wärmeerzeugertypen) sein.
  • Erfindungsgemäß umfasst das Verfahren zudem einen Schritt S12 Ermitteln einer Referenzventilstellung und/oder einer durchschnittlichen Ventilstellung in Abhängigkeit der Ventilstellung einer Mehrzahl an Ventilen.
  • Eine Referenzventilstellung kann beispielsweise mittels einer mathematischen Funktion mit der Ventilstellung der Mehrzahl an Ventilen als Eingabeparameter ermittelt werden. Dabei kann insbesondere eine Gewichtung der Ventilstellungen in Abhängigkeit der Ventile erfolgen.
  • Das Steuern des Wärmeerzeugers in Abhängigkeit der erfassten Ventilstellung gemäß Schritt S11 erfolgt dann in Abhängigkeit der Referenzstellung und/ oder der durchschnittlichen Ventilstellung.
  • Vorteilhafterweise kann die Ventilstellung in Abhängigkeit eines hydraulischen Abgleichs erfasst werden. Insbesondere kann die erfasste Ventilstellung relativ zu einem hydraulischen Abgleich erfasst sein.
  • In manchen Ausführungsformen kann das Verfahren zusätzlich einen Schritt S13 Abschätzen einer Ventilstellung eines weiteren Ventils, dessen Ventilstellung im Schritt Erfassen der Ventilstellung nicht erfasst wird, umfassen. In manchen Ausführungsformen kann das Verfahren den Schritt S14 Abschätzen einer Ventilstellung eines weiteren Ventils, dessen Ventilstellung im Schritt Erfassen der Ventilstellung nicht erfasst wird, in Abhängigkeit einer Raum-Soll-Temperatur, einer Raum-Ist-Temperatur und/oder einer Außentemperatur, beinhalten. Aufgrund des Verfahrensschritts S13 bzw. S14 kann das Steuern des Wärmeerzeugers zusätzlich in Abhängigkeit der Ventilstellung des weiteren Ventils erfolgen und gegebenenfalls das Ermitteln der Referenzventilstellung, der minimalen Ventilstellung, der durchschnittlichen Ventilstellung und/oder der maximalen Ventilstellung zusätzlich in Abhängigkeit der geschätzten Ventilstellung erfolgen.
  • In manchen Ausführungsformen kann das Steuern des Wärmeerzeugers unabhängig von einer Außentemperatur erfolgen.
  • Fig. 2 zeigt schematisch ein Verfahren zum Steuern eines Wärmeerzeugers gemäß einer Ausführungsform der Erfindung. Das in Fig. 2 gezeigte Verfahren basiert auf dem in Fig. 1 gezeigten Verfahren. Das Verfahren kann optional den Schritt S21 Ermitteln eines hydraulischen Abgleichs zwischen einer Mehrzahl an Ventilen umfassen. Entsprechend kann dann im Schritt S11 das Steuern des Wärmeerzeugers zusätzlich in Abhängigkeit des ermittelten hydraulischen Abgleichs erfolgen. In manchen Ausführungsformen kann dann das Ermitteln einer Referenzventilstellung, einer minimalen Ventilstellung, einer durchschnittlichen Ventilstellung und/oder einer maximalen Ventilstellung gemäß dem Schritt S12 in Abhängigkeit des hydraulischen Abgleichs erfolgen.
  • In manchen Ausführungsformen kann das Verfahren optional die Schritte S22 bis S24 beinhalten. In einem Schritt S22 können eine oder mehrere Solltemperaturen Tn,soll für einen oder mehrere zu heizende Räume bereitgestellt werden. Das Bereitstellen einer Solltemperatur kann beispielsweise durch Auslesen eines Wertes aus einer Speichereinheit erfolgen. In manchen Ausführungsformen kann eine Solltemperatur durch eine Mensch-Maschine-Schnittstelle, insbesondere mittels einer Benutzereingabe, bereitgestellt werden. In manchen Ausführungsformen kann ein Solltemperaturwert von einer weiteren Einheit, insbesondere mittels einer Kommunikationseinheit, empfangen werden. Im optionalen Schritt S23 kann eine Ist-Temperatur des einen oder der mehreren zu heizenden Räume erfasst werden. Dies kann insbesondere mittels eines Temperatursensors erfolgen. In manchen Ausführungsformen kann ein Ist-Temperaturwert, insbesondere durch eine Kommunikationseinheit, von einer weiteren Einheit empfangen werden.
  • Im optionalen Schritt S24 kann eine Differenz ΔTn zwischen dem Sollwert Tn,soll eines zu heizenden Raums der einen oder mehreren zu heizenden Räume und der Ist-Temperatur Tn,ist des zu heizenden Raums ermittelt werden. Dies kann beispielsweise durch Vergleichen der Werte erfolgen. Das Steuern des Wärmeerzeugers im Schritt S11 kann dann zusätzlich in Abhängigkeit der ermittelten Temperaturdifferenz ΔTn erfolgen. Die Variable n kann eine Zuordnung zu einem Raum ermöglichen. In manchen Ausführungsformen können die Ventile ebenfalls Räumen zugeordnet werden, sodass eine Zuordnung zwischen einer Differenz ΔTn und einem oder mehreren Ventilen möglich ist. Ein Raum kann ein abgeschlossener Raum, ein Raumabschnitt oder mehrere schematisch zu einem Raum zusammengefasste Räume sein.
  • In manchen Ausführungsformen kann das Verfahren zudem optional die Schritte S25 und S26 umfassen. Im Schritt S25 können eine oder mehrere ermittelte Differenzen ΔTn mit den ermittelten einen oder mehreren Ventilstellungen, insbesondere der im Raum n angeordneten Ventile, verglichen werden. Insbesondere können zu diesem Vergleich Ventilstellungen relativ zu einem hydraulischen Abgleich herangezogen werden. In manchen Ausführungsformen kann zu diesem Vergleich eine Ventilstellung in Abhängigkeit des hydraulischen Abgleichs herangezogen werden. Im Schritt S26 kann dann eine Fehlermeldung in Abhängigkeit des Vergleichsergebnisses des Schritts S25 ausgegeben werden.
  • In manchen Ausführungsformen können Verfahrensschritte des in Figur 2 gezeigten Verfahrens Teil des in Figur 1 gezeigten Verfahrens sein. In manchen Ausführungsformen können die in den Figuren 1 und 2 gezeigten Verfahrensschritte beliebig miteinander kombiniert werden.
  • In manchen Ausführungsformen können den in den Figuren 1 und 2 gezeigten Verfahren oder einer Kombination der in den Figuren 1 und 2 gezeigten Verfahren Schritte hinzugefügt, weggelassen, zusammengefasst, in mehrere Schritte aufgeteilt, in ihrer Reihenfolge verändert werden, ohne den Kern der Erfindung zu beeinflussen. In manchen Ausführungsformen können Schritte durch Schritte mit gleicher Wirkung ersetzt werden, ohne den Kern der Erfindung zu verändern.
  • In manchen Ausführungsformen können die in den Figuren 1 und 2 gezeigten Verfahren oder eine Kombination der in den Figuren 1 und 2 gezeigten Verfahren als Computerprogramm-Produkt ausgeführt werden.
  • Fig. 3 zeigt schematisch ein System zum Steuern eines Wärmeerzeugers gemäß einer Ausführungsform der Erfindung. Das System 30 umfasst eine Erfassungseinheit 31 und eine Steuereinheit 32. Die Erfassungseinheit 31 ist dazu eingerichtet, Ventilstellungen einer Mehrzahl an Ventilen zu erfassen, wobei die jeweils dazu eingerichtet sind, einen Volumenstrom eines Fluids von dem Wärmeerzeuger zu einem Heizkörper mittels der Ventilstellung zu steuern. Die Steuereinheit 32 ist dazu eingerichtet, den Wärmeerzeuger in Abhängigkeit der erfassten Ventilstellung zu steuern. In manchen Ausführungsformen kann das Ventil Teil eines (Raum-)Thermostats, insbesondere eines elektronisch steuerbaren (Raum)Thermostats sein. In manchen Ausführungsformen kann das Ventil ein Thermostatventil sein.
  • Das System umfasst eine Ermittlungseinheit 33, die dazu eingerichtet ist, eine Referenzstellung und/oder eine durchschnittliche Ventilstellung in Abhängigkeit der erfassten Ventilstellung der Mehrzahl an Ventilen zu ermitteln. Die Steuereinheit ist dann dazu eingerichtet, den Wärmeerzeuger in Abhängigkeit der Referenzstellung und/oder der durchschnittlichen Ventilstellung zu steuern.
  • In manchen Ausführungsformen kann das System 30 eine Abgleichseinheit umfassen (nicht in Figur 3 gezeigt), die dazu eingerichtet ist, einen hydraulischen Abgleich zwischen den Ventilen zu ermitteln. Das Steuern des Wärmeerzeugers kann dann zusätzlich in Abhängigkeit des hydraulischen Abgleichs erfolgen. Insbesondere kann dann die Referenzventilstellung, die minimale Ventilstellung, die durchschnittliche Ventilstellung und/oder die maximale Ventilstellung in Abhängigkeit des hydraulischen Abgleichs ermittelt werden.
  • In manchen Ausführungsformen kann die Steuereinheit dazu eingerichtet sein, den Wärmeerzeuger derart zu steuern, sodass die Referenzventilstellung, die minimale Ventilstellung, die durchschnittlichen Ventilstellung und/oder die maximalen Ventilstellung auf einen vorgegebenen Wert geregelt wird.
  • In manchen Ausführungsformen kann die Steuereinheit dazu eingerichtet sein, den Wärmeerzeuger zusätzlich in Abhängigkeit eines Typs eines Heizkreises, in dem ein Ventil, dessen Ventilstellung zur Steuerung des Wärmeerzeugers verwendet wird, angeordnet ist, zu steuern.
  • In manchen Ausführungsformen kann das Steuern des Wärmeerzeugers durch die Steuereinheit zusätzlich in Abhängigkeit eines Typs des Wärmeerzeugers erfolgen. Dadurch kann die Steuereinheit das Wärmeerzeugen des Wärmeerzeugers derart anpassen, dass besonders effiziente Betriebsarten des Wärmeerzeugers, insbesondere bezüglich der Betriebszeit, der Pausenzeit und/oder der Vorlauftemperatur, bevorzugt werden.
  • Optional kann das System 30 einen Sollwertgeber 34 und einen Temperatursensor 35 umfassen. Der Sollwertgeber kann dazu eingerichtet sein, eine Solltemperatur für einen oder mehrere zu heizende Räume zur Verfügung zu stellen. Der Temperatursensor 35 kann dazu eingerichtet sein, eine Ist-Temperatur eines zu heizenden Raums zu erfassen. Die Steuereinheit 32 kann dann dazu eingerichtet sein, den Wärmeerzeuger zusätzlich in Abhängigkeit einer Differenz ΔTn zwischen dem Sollwert Tn,soll eines zu heizenden Raums der einen oder mehreren zu heizenden Räume und der Ist-Temperatur Tn,ist des zu heizenden Raums zu steuern.
  • In manchen Ausführungsformen kann die Steuereinheit 32 zudem dazu eingerichtet sein, den Wärmeerzeuger in Abhängigkeit einer Außentemperatur zu steuern.
  • In manchen Ausführungsformen kann die Steuereinheit 32 dazu eingerichtet sein, den Wärmeerzeuger unabhängig einer Außentemperatur zu steuern.
  • In manchen Ausführungsformen kann das System 30 eine Abschätzeinheit (nicht in Fig. 3 gezeigt) umfassen, die dazu eingerichtet ist, eine geschätzte Ventilstellung eines weiteren Ventils, dessen Ventilstellung nicht durch die Erfassungseinheit 31 erfasst wird, bereitzustellen. Dies kann beispielsweise durch eine Abschätzung seitens der Abschätzeinheit erfolgen. In manchen Ausführungsformen kann die geschätzte Ventilstellung durch eine Mensch-Maschine-Schnittstelle durch einen Benutzer bereitgestellt werden.
  • In manchen Ausführungsformen kann eine Abschätzung durch die Abschätzeinheit in Abhängigkeit einer Raum-Soll-Temperatur, einer Raum-Ist-Temperatur und/oder einer Außentemperatur erfolgen.
  • Die Steuereinheit 32 kann dann dazu eingerichtet sein, den Wärmeerzeuger zusätzlich in Abhängigkeit der geschätzten Ventilstellung des weiteren Ventils zu steuern und/oder die Ermittlungseinheit 33 kann dann dazu eingerichtet sein, die Referenzventilstellung, die minimale Ventilstellung, die maximale Ventilstellung und/oder die durchschnittliche Ventilstellung zusätzlich in Abhängigkeit der geschätzten Ventilstellung zu ermitteln.
  • In manchen Ausführungsformen können Einheiten des Systems 30 zusammengefasst, aufgeteilt, hinzugefügt und/oder weggelassen werden, ohne den Kern der Erfindung zu beeinflussen. Die in Fig. 3 dargestellten Verbindungen zwischen den Einheiten sind rein beispielhaft, d. h. es können weitere Verbindungen zwischen den Einheiten vorhanden sein, bzw. Verbindungen zwischen den Einheiten, die in Fig. 3 dargestellt sind, weggelassen werden.
  • Fig. 4 zeigt schematisch eine Heizungsanlage gemäß einer Ausführungsform der Erfindung. Die Heizungsanlage 40 umfasst einen ersten Heizkreis 41 und einen zweiten Heizkreis 43. Die Heizkreise 41 und 43 werden mittels eines Wärmeerzeugers 45 mit Wärme versorgt. Mittels eines Ventils 42 wird ein Volumenstrom durch den Heizkreis 41 gesteuert. Ein Ventil 44 steuert den Volumenstrom, der durch den Heizkreis 43 fließt/zirkuliert.
  • Fig. 5 zeigt schematisch eine Heizungsanlage gemäß einer Ausführungsform der Erfindung. Die in Fig. 5 gezeigte Heizungsanlage 40 unterscheidet sich von der in Fig. 4 gezeigten Heizungsanlage 40 dahingehend, dass die Heizungsanlage zusätzlich eine Warmwasserversorgung 46 umfassen kann. Ein Volumenstrom eines Wärmeträgers, der Wärme vom Wärmeerzeuger zum Warmwasserversorger 46 transportiert, kann mittels eines Ventils 47 gesteuert werden.
  • Zudem sind in Fig. 5 beispielhaft weitere Elemente des Heizkreises 41 gezeigt. So kann beispielsweise der Heizkreis 41 einen Heizkörper 411 und einen Heizkörper 413 umfassen. Ein Volumenstrom eines Wärmeträgers, der durch den Heizkörper 411 bzw. 413 fließt, kann durch ein Ventil 412 bzw. 414 zusätzlich gesteuert werden.
  • Ein Ventil kann dazu eingerichtet sein, einen Volumenstrom zu regulieren. In manchen Ausführungsformen kann ein Ventil beispielsweise durch eine Pumpe, insbesondere in Verbindung mit einer Rückschlagklappe/einem Rückschlagventil und/oder einer Schwerkraftbremse, verwirklicht sein. In manchen Ausführungsformen kann ein Ventil beispielsweise durch Steuern einer Öffnung, durch die ein Wärmeträger fließt, realisiert sein. In manchen Ausführungsformen kann die Steuerung der Öffnung beispielsweise durch einen Schrittmotor, Stellmotor, etc. erfolgen.
  • In manchen Ausführungsformen kann ein Ventil beispielsweise durch Steuern einer Pumpleistung gesteuert werden. Eine hohe Pumpleistung kann dann eine weit geöffnete Ventilstellung und eine niedrige Pumpleistung eine nur wenig geöffnete Ventilstellung darstellen.
  • In Reihe miteinander verbundene Ventile und/oder in parallel miteinander Verbundene Ventile können in manchen Ausführungsformen zu einem Ventil mit einer sich daraus ergebenden Ventilstellung schematisch zusammengefasst werden.
  • Wenn beispielsweise eine Wärmeanforderung seitens eines der Heizkreise 41, 43 bzw. seitens des Warmwasserkreises 46 vorliegt, aber keines der Ventile 42, 44 und 46 geöffnet ist oder nur geringfügig geöffnet ist, kann es zu einem Überhitzen des Wärmeerzeugers 45 führen, so dass dieser vorzeitig abgeschaltet wird. Kühlt der Wärmeträger im Wärmeerzeuger 45 wieder ab, so erzeugt der Wärmeerzeuger 45 aufgrund der Wärmeanforderung wieder Wärme.
  • Dies kann als Takten bzw. Stotterbetrieb bezeichnet werden. Um dem entgegenzuwirken, wird erfindungsgemäß die Ventilstellung 42, 44, 47, 412, 414 bei der Steuerung des Wärmeerzeugers 45 mitberücksichtigt, so dass der Wärmeerzeuger 45 nur dann Wärme erzeugt, wenn auch sichergestellt werden kann, dass die erzeugte Wärme vom Wärmeerzeuger zu einem Wärmeabnehmer, insbesondere einem Heizkörper 411, 412, einem Heizkreis 41, 43 bzw. einem Warmwasserkreis 46 transportier werden kann.
  • Vorteilhafterweise können die Ventilstelllungen der Ventile 412, 414, 42, 44, 47 in Abhängigkeit eines hydraulischen Abgleichs für die Steuerung des Wärmeerzeugers 45 herangezogen werden. Dies kann den Vorteil haben, dass die zur Steuerung des Wärmeerzeugers 45 herangezogene Ventilstellung eines Ventils die Möglichkeit eines Volumenstroms vom Wärmeerzeuger zu einem Wärmeabnehmer besonders aussagekräftig wiedergibt.
  • Fig. 6a zeigt schematisch in einem Diagramm eine Soll-Vorlauftemperatur in Abhängigkeit der Zeit bei einem Verfahren gemäß einer erfindungsgemäßen Ausführung und bei einem herkömmlichen Verfahren. Auf der x-Achse des Diagramms ist die Zeit eines Tages aufgetragen. Auf der y-Achse ist die ermittelte Soll-Vorlauftemperatur in °C aufgetragen. Der Graph 601 zeigt den Verlauf der Soll-Vorlauftemperatur in Abhängigkeit der Zeit, wobei die Soll-Vorlauftemperatur gemäß einem herkömmlichen Verfahren ermittelt wurde. Der Graph 602 zeigt den Verlauf der Soll-Vorlauftemperatur in Abhängigkeit der Zeit, wobei die Soll-Vorlauftemperatur gemäß einer Ausführungsform der Erfindung ermittelt wurde.
  • Fig. 6b zeigt schematisch in einem Diagramm eine minimale, eine durchschnittliche und eine maximale Ventilstellung in Abhängigkeit der Zeit gemäß einer Ausführungsform der Erfindung. Auf der x-Achse des Diagramms ist die Zeit eines Tages aufgetragen. Auf der y-Achse ist die Ventilöffnung (Ventilstellung) in Prozent aufgetragen. Die Ventilöffnung (Ventilstellung) kann beispielsweise durch einen durch das Ventil fließenden Volumenstrom bestimmt sein. In manchen Ausführungsformen kann die Ventilöffnung (Ventilstellung) in Abhängigkeit einer geometrischen Größe der Öffnung des Ventils bestimmt sein. In manchen Ausführungsformen kann die Ventilöffnung in Abhängigkeit eines hydraulischen Abgleichs normiert sein.
  • In Fig. 6b ist der zeitliche Verlauf einer maximalen Ventilöffnung 701, einer durchschnittlichen Ventilöffnung 702 und einer minimalen Ventilöffnung 703 gezeigt. Die maximale, die minimale und die durchschnittliche Ventilöffnung kann in Abhängigkeit einer Mehrzahl an Ventilstellungen ermittelt worden sein. Die Ventile, die in Fig. 6b zur Ermittlung der minimalen, der durchschnittlichen und der maximalen Ventilöffnung herangezogen wurden, werden gemäß der in Fig. 6a gezeigten Soll-Vorlauftemperatur mit Wärme versorgt.
  • Wie in Fig. 6a ersichtlich ist, wird die Soll-Vorlauftemperatur 601 gemäß dem Stand der Technik gegen 6:00 Uhr von der Nachtabsenkung auf etwa 42°C auf einen Tageswert von etwa 46°C erhöht. Diese Flacht dann im Laufe des Tages bis etwa gegen 20:00 Uhr auf etwa 45°C ab. Ab etwa 20:00 Uhr bis etwa 21:00 Uhr wird die Soll-Vorlauftemperatur auf etwa 41°C gemäß einer Nachtabsenkung verringert und dann im Laufe der Nacht entsprechend bei etwa 41° bzw. 42°C gehalten.
  • Wie aus den Fig. 6a und 6b zu entnehmen ist, liegt zwischen den Graphen 602 und 701 bzw. 702 eine starke Wechselwirkung vor. Da zwischen 00:00 Uhr und etwa 5:00 Uhr die durchschnittliche Ventilöffnung 702 bzw. die maximale Ventilöffnung relativ gering ist (kleiner gleich 10% bzw. kleiner gleich 50%), wird die Soll-Vorlauftemperatur von etwa 28°C auf etwa 34°C in diesem Zeitraum gemäß der Änderung der durchschnittlichen bzw. maximalen Ventilöffnung erhöht.
  • Da jedoch die Wärmeenergieabnahme in diesem Zeitraum relativ gering ist, wie aus den Graphen 701, 702 und 703 ersichtlich ist, wird die Vorlauftemperatur entsprechend dem Erfindungsgemäßen Verfahren abgesenkt. D.h. wenn die Ventilöffnungen, insbesondere eine minimale, eine durchschnittliche und/oder eine maximale Ventilöffnung, relativ klein sind (kleiner oder kein Durchfluss), kann beispielsweise eine Vorlauftemperatur des Wärmeerzeugers und/oder ein Volumenstrom verringert werden.
  • Wie aus Fig. 6b des Weiteren hervorgeht, werden die Ventile zwischen etwa 5:00 Uhr und etwa 7:00 Uhr geöffnet. Dies kann beispielsweise in Folge einer Nachtabsenkung erfolgen. Entsprechend steigt die Soll-Vorlauftemperatur 602 auf einen Wert von etwa 58°C in diesem Zeitraum. Als Folge davon werden die Ventile im Zeitraum zwischen ca. 7:00 Uhr und 8:00 Uhr wieder etwas geschlossen und folglich wird die Soll-Vorlauftemperatur auf etwa 47°C verringert. D.h. wenn die Ventilstelllungen, insbesondere eine minimale, eine durchschnittliche und/oder eine maximale Ventilöffnung relativ groß sind (großer Durchfluss), kann beispielsweise eine Vorlauftemperatur des Wärmeerzeugers und/oder ein Volumenstrom erhöht werden.
  • Des Weiteren ist ersichtlich, dass sich die Ventilstellungen der Ventile in Abhängigkeit der Vorlauftemperatur ändern, sodass beispielsweise eine vorgegebene Temperatur in einem Raum, etc. vorliegt.
  • Vorteilhafterweise kann der Wärmeerzeuger derart gesteuert werden, sodass die durchschnittliche und/oder maximale Ventilstellung auf einen vorgegebenen Wert geregelt wird. Je nach Regelparameter kann ein Überschwingen, wie beispielsweise gegen 7:00 Uhr, 18:00 Uhr und 21:00 Uhr vermieden bzw. verringert werden. In manchen Ausführungsformen kann beispielsweise ein Überschwingen durch zusätzliche Sensorwerte von zusätzlichen Sensoren verbessert werden.
  • Zusammenfassend kann aus den Fig. 6a und 6b entnommen werden, dass bei dem erfindungsgemäßen Verfahren durch das Steuern des Wärmeerzeugers in Abhängigkeit der Ventilöffnungen gleichzeitig die Ventilöffnungen optimiert werden können, so dass die Vorlauftemperatur des Wärmeerzeugers reduziert werden kann. Dies hat zur Folge, dass Wärmeverluste, insbesondere durch Wärmeabstrahlung von Leitungsrohren, durch die niedrigeren Wärmegradienten vom Wärmeträger zur Leitungsumgebung und somit die Energieverluste verringert werden. Als Konsequenz kann dadurch die Effizienz und, insbesondere bei einer Wärmepumpe, die Laufzeit vorteilhaft optimiert werden.
  • Das Verwenden der minimalen, mittleren und/oder maximalen Ventilöffnung ist dabei nur beispielhaft. Insbesondere kann das Ergebnis einer mathematischen Funktion mit den Ventilöffnungen als Eingabeparameter zur Steuerung des Wärmeerzeugers verwendet werden. Eine mathematische Funktion kann insbesondere dazu eingerichtet sein, die einzelnen Ventilöffnungen zu gewichten und dann eine minimale, maximale, oder mittlere Ventilöffnung zu ermitteln.
  • In manchen Ausführungsformen kann unter einem Wärmeerzeuger, insbesondere gemäß den Figuren 1 bis 3, ein Kälteerzeuger gemeint sein. Entsprechend kann ein Heizkreis ein Kühlkreis und ein zu heizender Raum ein zu kühlender Raum sein. Entsprechend kann ein Heizkreis ein Kühlkreis, ein Heizkreistyp ein Kühlkreistyp und ein zu heizender Raum ein zu kühlender Raum sein. Kühlkreistypen können insbesondere hinsichtlich ihrer Kühltemperatur unterschieden werden.

Claims (15)

  1. Verfahren zum Steuern eines Wärmeerzeugers umfassend die Schritte:
    - Erfassen (S10) von Ventilstellungen einer Mehrzahl an Ventilen, die jeweils dazu eingerichtet sind, einen Volumenstrom eines Fluids von dem Wärmeerzeuger zu einem Heizkörper zu steuern,
    - Ermitteln (S12) in Abhängigkeit der erfassten Ventilstellung der Mehrzahl an Ventilen mindestens eines aus der Gruppe: eine Referenzventilstellung und/oder eine durchschnittliche Ventilstellung, und
    - Steuern (S11) des Wärmeerzeugers in Abhängigkeit der erfassten Ventilstellung, wobei das Steuern des Wärmeerzeugers in Abhängigkeit der Referenzventilstellung und/oder der durchschnittlichen Ventilstellung erfolgt.
  2. Verfahren nach Anspruch 1 umfassend den Schritt:
    Ermitteln (S12) in Abhängigkeit der erfassten Ventilstellungen der Mehrzahl an Ventilen mindestens eines aus der Gruppe: eine minimale Ventilstellung und/oder eine maximale Ventilstellung, wobei
    das Steuern (S11) des Wärmeerzeugers auch in Abhängigkeit der minimalen Ventilstellung und/oder der maximalen Ventilstellung erfolgt.
  3. Verfahren nach Anspruch 1 oder 2, wobei
    das Ermitteln (S12) einer Referenzventilstellung, einer minimalen Ventilstellung, einer durchschnittlichen Ventilstellung und/oder einer maximalen Ventilstellung in Abhängigkeit einer Gewichtung der Ventilstellung der Mehrzahl an Ventilen erfolgt.
  4. Verfahren nach einem der Ansprüche 1 bis 3 umfassend den Schritt:
    Ermitteln (S21) eines hydraulischen Abgleichs zwischen der Mehrzahl an Ventilen, wobei
    das Ermitteln (S12) der Referenzventilstellung, der minimalen Ventilstellung, der durchschnittlichen Ventilstellung und/oder maximalen Ventilstellung in Abhängigkeit des ermittelten hydraulischen Abgleichs erfolgt.
  5. Verfahren nach einem der Ansprüche 1 bis 4, wobei
    das Steuern (S11) des Wärmeerzeugers derart erfolgt, sodass die Referenzventilstellung, die minimale Ventilstellung, die durchschnittliche Ventilstellung oder die maximale Ventilstellung auf einen vorgegebenen Wert geregelt wird.
  6. Verfahren nach einem der Ansprüche 1 bis 5, wobei
    die Mehrzahl an Ventilen in einem Heizkreis angeordnet sind, und
    das Steuern (S11) des Wärmeerzeugers zusätzlich in Abhängigkeit eines Typs des Heizkreises erfolgt, und/oder
    wobei
    die Mehrzahl an Ventilen in einer Mehrzahl an Heizkreisen angeordnet sind, und
    das Steuern (S11) des Wärmeerzeugers in Abhängigkeit eines oder mehrerer Heizkreise der Mehrzahl an Heizkreisen, insbesondere in Abhängigkeit eines Typs eines Heizkreises, erfolgt.
  7. Verfahren nach einem der Ansprüche 1 bis 6, wobei
    das Steuern (S11) des Wärmeerzeugers zusätzlich in Abhängigkeit eines Typs des Wärmeerzeugers erfolgt, und/oder
    zusätzlich in Abhängigkeit einer Raum-Ist-Temperatur und einer Raum-Soll-Temperatur und/oder
    zusätzlich in Abhängigkeit einer Außentemperatur erfolgt.
  8. Verfahren nach einem der Ansprüche 1 bis 7, wobei
    ein Schritt Erfassen einer Außentemperatur zum Steuern des Wärmeerzeugers entfällt.
  9. Verfahren nach einem der Ansprüche 1 bis 8, wobei das Verfahren mindestens einen der folgenden Schritte umfasst:
    Abschätzen (S13) einer Ventilstellung eines weiteren Ventils, dessen Ventilstellung im Schritt Erfassen der Ventilstellung nicht erfasst wird, oder
    Abschätzen (S14) einer Ventilstellung eines weiteren Ventils, dessen Ventilstellung im Schritt Erfassen der Ventilstellung mehrerer Ventile nicht erfasst wird, in Abhängigkeit einer Raum-Soll-Temperatur, einer Raum-Ist-Temperatur und/oder einer Außentemperatur, wobei
    das Steuern (S11) des Wärmeerzeugers zusätzlich in Abhängigkeit der geschätzten Ventilstellung des weiteren Ventils erfolgt und/oder das Ermitteln der Referenzventilstellung, der minimalen Ventilstellung, der durchschnittlichen Ventilstellung und/oder maximalen Ventilstellung zusätzlich in Abhängigkeit der geschätzten Ventilstellung erfolgt.
  10. Verfahren nach einem der Ansprüche 1 bis 9, umfassend die Schritte:
    Bereitstellen (S22) einer oder mehrerer Solltemperaturen Tn,soll für einen oder mehrere zu heizende Räume,
    Erfassen (S23) einer Ist-Temperatur Tn,ist für den einen oder die mehreren zu heizenden Räume, und
    Ermitteln (S24) einer Differenz ΔTn zwischen einem Sollwert Tn,soll eines zu heizenden Raums der einen oder mehreren zu heizenden Räume und der Ist-Temperatur Tn,ist des zu heizenden Raums, wobei
    das (S11) Steuern des Wärmeerzeugers zusätzlich in Abhängigkeit der ermittelten Differenz ΔTn erfolgt.
  11. Verfahren nach Anspruch 10 umfassend die Schritte:
    Vergleichen (S25) einer oder mehrerer ermittelter Differenzen ΔTn mit den erfassten einen oder mehreren Ventilstellungen;
    Ausgeben (S26) einer Fehlermeldung in Abhängigkeit des Vergleichsergebnisses.
  12. System (30) zum Steuern eines Wärmeerzeugers umfassend:
    eine Erfassungseinheit (31), die dazu eingerichtet ist, Ventilstellungen einer Mehrzahl an Ventilen zu erfassen, die jeweils dazu eingerichtet sind, einen Volumenstrom eines Fluids von dem Wärmeerzeuger zu einem Heizkörper mittels der Ventilstellung zu steuern,
    eine Ermittlungseinheit (33), die dazu eingerichtet ist, eine Referenzventilstellung und/oder eine durchschnittliche Ventilstellung in Abhängigkeit der erfassten Ventilstellungen der Mehrzahl an Ventilen zu ermitteln, und
    eine Steuereinheit (32), die dazu eingerichtet ist, den Wärmeerzeuger in Abhängigkeit der erfassten Ventilstellung zu steuern, wobei
    die Steuereinheit (32) dazu eingerichtet ist, den Wärmeerzeuger in Abhängigkeit der Referenzventilstellung und/oder der durchschnittlichen Ventilstellung zu steuern.
  13. System nach Anspruch 12, wobei
    die Ermittlungseinheit (33) dazu eingerichtet ist, eine minimale Ventilstellung und/oder eine maximale Ventilstellung in Abhängigkeit der erfassten Ventilstellungen der Mehrzahl an Ventilen zu ermitteln, wobei
    die Steuereinheit (32) dazu eingerichtet ist, den Wärmeerzeuger auch in Abhängigkeit der minimalen Ventilstellung und/oder der maximalen Ventilstellung zu steuern.
  14. System nach Anspruch 12 oder 13 umfassend:
    - einen oder mehrere Sollwertgeber (34), die eine Solltemperatur Tn,soll für einen oder mehrere zu heizende Räume zur Verfügung stellen,
    - mindestens einen Temperatursensor (35) pro zu heizendem Raum zum Erfassen einer Ist-Temperatur Tn,ist des zu heizenden Raums, wobei
    die Steuereinheit (32) dazu eingerichtet ist, den Wärmeerzeuger zusätzlich in Abhängigkeit einer Differenz ΔTn zwischen einem Sollwert Tn,soll eines zu heizenden Raums der einen oder mehreren zu heizenden Räume und der Ist-Temperaturen Tn,ist des zu heizenden Raums zu steuern.
  15. Computerprogramm-Produkt umfassend Programmbefehle, die den Computer dazu veranlassen, das Verfahren nach einem der Verfahrensansprüche 1 bis 11 auszuführen, wenn das Computerprogrammprodukt auf den Computer geladen oder ausgeführt wird.
EP22163901.6A 2021-04-06 2022-03-23 Verfahren, system und computerprogrammprodukt zum steuern eines wärmeerzeugers Active EP4071414B1 (de)

Applications Claiming Priority (1)

Application Number Priority Date Filing Date Title
DE102021203393.8A DE102021203393A1 (de) 2021-04-06 2021-04-06 Verfahren, system und computerprogrammprodukt zum steuern eines wärmeerzeugers

Publications (2)

Publication Number Publication Date
EP4071414A1 EP4071414A1 (de) 2022-10-12
EP4071414B1 true EP4071414B1 (de) 2025-05-21

Family

ID=81448306

Family Applications (1)

Application Number Title Priority Date Filing Date
EP22163901.6A Active EP4071414B1 (de) 2021-04-06 2022-03-23 Verfahren, system und computerprogrammprodukt zum steuern eines wärmeerzeugers

Country Status (2)

Country Link
EP (1) EP4071414B1 (de)
DE (1) DE102021203393A1 (de)

Families Citing this family (2)

* Cited by examiner, † Cited by third party
Publication number Priority date Publication date Assignee Title
DE102020203792A1 (de) 2020-03-24 2021-09-30 Hansgrohe Se Wandeinbau-Anschlussboxeinheit
DE102023202102A1 (de) * 2023-03-09 2024-09-12 Robert Bosch Gesellschaft mit beschränkter Haftung Verfahren zum Betrieb eines Heizungssystems

Family Cites Families (7)

* Cited by examiner, † Cited by third party
Publication number Priority date Publication date Assignee Title
EP0106095A1 (de) 1982-09-15 1984-04-25 Joh. Vaillant GmbH u. Co. Regelung für eine Heizungsanlage
DE102008051275A1 (de) 2008-10-10 2010-04-15 Möhlenhoff Wärmetechnik GmbH Verfahren zur Temperierung von Räumen eines Gebäudes
DE102014202738B4 (de) * 2014-02-14 2022-11-17 Robert Bosch Gmbh Verfahren zum automatisierten hydraulischen Abgleich einer Heizungsanlage
DE102014203760A1 (de) 2014-02-28 2015-09-03 Robert Bosch Gmbh Verfahren zum Betreiben einer pufferspeicherlosen Heizungsanlage, insbesondere zur Gewährleistung eines sicheren und einwandfreien Betriebs
DE102014226450A1 (de) 2014-12-18 2016-06-23 Robert Bosch Gmbh Verfahren zum Durchführen eines automatisierten hydraulischen Abgleich einer Heinzungsanlage
DE102017203850A1 (de) 2017-03-08 2018-09-13 Viessmann Werke Gmbh & Co Kg Verfahren zum Betreiben einer Heizungsanlage
DE102017218139A1 (de) * 2017-10-11 2019-04-11 Viessmann Werke Gmbh & Co Kg Verfahren zum Betreiben einer Heizungsanlage

Also Published As

Publication number Publication date
EP4071414A1 (de) 2022-10-12
DE102021203393A1 (de) 2022-10-06

Similar Documents

Publication Publication Date Title
EP3593055B1 (de) Verfahren zum betreiben einer heizungsanlage
EP3665542B1 (de) Selbstregulierende einstellvorrichtung für ein durchflussregelventil, ein temperierungssystem als auch eine verteilervorrichtung mit derselben, sowie verfahren hierzu
EP2653789B1 (de) Verfahren und System zum Temperieren von Bauteilen
DE102004017593B3 (de) Kühl- und/oder Heizvorrichtung
EP2912384B1 (de) Verfahren zum betrieb einer heizungsanlage
DE102009004319A1 (de) Verfahren, Computerprogramm und Regelgerät für einen temperaturbasierten hydraulischen Abgleich
EP4071414B1 (de) Verfahren, system und computerprogrammprodukt zum steuern eines wärmeerzeugers
HUE027364T2 (en) A method for controlling a single pipe heat supply system
EP1645928A1 (de) Verfahren zur Bestimmung eines Heizflächen-Versorgungszustands und Versorgungszustandsregler
AT509662B1 (de) Brauchwasservorwärmeinrichtung für einen durchlauferhitzer
EP3473939B1 (de) Verfahren zum betreiben einer heizungsanlage und heizungsanlage
DE4312150C2 (de) Verfahren zum Einstellen der Förderleistung einer Umwälzpumpe
Rhee et al. Simulation study on hydronic balancing to improve individual room control for radiant floor heating system
WO2003023288A1 (de) Zentralheizungsanlage
EP1003089B1 (de) Bedarfsgerechte Wärmeübertragerregelung
EP0192225A2 (de) Verfahren und Vorrichtung zur Regelung der Temperatur in Räumen
EP2017537A2 (de) Verfahren zum Betreiben eines Schichtladespeichers und Trinkwassersystem
EP0073796B1 (de) Verfahren zum regeln einer sorptionswärmepumpe
EP3495912B1 (de) Steuerung von parallelen ventilen
AT397144B (de) Steuerung und steuerungsanlage zur erwärmung von brauchwasser
EP0074360B1 (de) Verfahren zum regeln einer sorptionswärmepumpe
DE102012101850A1 (de) Verfahren zur bedarfsgeführten Regelung eines Wärmeerzeugers in einer Heizungsanlage
EP4015918B1 (de) Verfahren zur ansteuerung eines primärkreises einer heizungsanlage und heizungsanlage
DE20209478U1 (de) Anordnung zur Versorgung mindestens einer Wohneinheit mit Heizungs- und Frischwarmwasser
DE102016113321A1 (de) Vorrichtung zur Steuerung und/oder Regelung eines Volumenstroms

Legal Events

Date Code Title Description
PUAI Public reference made under article 153(3) epc to a published international application that has entered the european phase

Free format text: ORIGINAL CODE: 0009012

STAA Information on the status of an ep patent application or granted ep patent

Free format text: STATUS: THE APPLICATION HAS BEEN PUBLISHED

AK Designated contracting states

Kind code of ref document: A1

Designated state(s): AL AT BE BG CH CY CZ DE DK EE ES FI FR GB GR HR HU IE IS IT LI LT LU LV MC MK MT NL NO PL PT RO RS SE SI SK SM TR

STAA Information on the status of an ep patent application or granted ep patent

Free format text: STATUS: REQUEST FOR EXAMINATION WAS MADE

17P Request for examination filed

Effective date: 20230331

RBV Designated contracting states (corrected)

Designated state(s): AL AT BE BG CH CY CZ DE DK EE ES FI FR GB GR HR HU IE IS IT LI LT LU LV MC MK MT NL NO PL PT RO RS SE SI SK SM TR

GRAP Despatch of communication of intention to grant a patent

Free format text: ORIGINAL CODE: EPIDOSNIGR1

STAA Information on the status of an ep patent application or granted ep patent

Free format text: STATUS: GRANT OF PATENT IS INTENDED

INTG Intention to grant announced

Effective date: 20241218

GRAS Grant fee paid

Free format text: ORIGINAL CODE: EPIDOSNIGR3

P01 Opt-out of the competence of the unified patent court (upc) registered

Free format text: CASE NUMBER: APP_11902/2025

Effective date: 20250311

GRAA (expected) grant

Free format text: ORIGINAL CODE: 0009210

STAA Information on the status of an ep patent application or granted ep patent

Free format text: STATUS: THE PATENT HAS BEEN GRANTED

RAP1 Party data changed (applicant data changed or rights of an application transferred)

Owner name: VIESSMANN HOLDING INTERNATIONAL GMBH

AK Designated contracting states

Kind code of ref document: B1

Designated state(s): AL AT BE BG CH CY CZ DE DK EE ES FI FR GB GR HR HU IE IS IT LI LT LU LV MC MK MT NL NO PL PT RO RS SE SI SK SM TR

REG Reference to a national code

Ref country code: GB

Ref legal event code: FG4D

Free format text: NOT ENGLISH

REG Reference to a national code

Ref country code: CH

Ref legal event code: EP

REG Reference to a national code

Ref country code: DE

Ref legal event code: R096

Ref document number: 502022004004

Country of ref document: DE

REG Reference to a national code

Ref country code: IE

Ref legal event code: FG4D

Free format text: LANGUAGE OF EP DOCUMENT: GERMAN

REG Reference to a national code

Ref country code: NL

Ref legal event code: MP

Effective date: 20250521

PG25 Lapsed in a contracting state [announced via postgrant information from national office to epo]

Ref country code: PT

Free format text: LAPSE BECAUSE OF FAILURE TO SUBMIT A TRANSLATION OF THE DESCRIPTION OR TO PAY THE FEE WITHIN THE PRESCRIBED TIME-LIMIT

Effective date: 20250922

Ref country code: ES

Free format text: LAPSE BECAUSE OF FAILURE TO SUBMIT A TRANSLATION OF THE DESCRIPTION OR TO PAY THE FEE WITHIN THE PRESCRIBED TIME-LIMIT

Effective date: 20250521

Ref country code: FI

Free format text: LAPSE BECAUSE OF FAILURE TO SUBMIT A TRANSLATION OF THE DESCRIPTION OR TO PAY THE FEE WITHIN THE PRESCRIBED TIME-LIMIT

Effective date: 20250521

REG Reference to a national code

Ref country code: LT

Ref legal event code: MG9D

PG25 Lapsed in a contracting state [announced via postgrant information from national office to epo]

Ref country code: NO

Free format text: LAPSE BECAUSE OF FAILURE TO SUBMIT A TRANSLATION OF THE DESCRIPTION OR TO PAY THE FEE WITHIN THE PRESCRIBED TIME-LIMIT

Effective date: 20250821

Ref country code: GR

Free format text: LAPSE BECAUSE OF FAILURE TO SUBMIT A TRANSLATION OF THE DESCRIPTION OR TO PAY THE FEE WITHIN THE PRESCRIBED TIME-LIMIT

Effective date: 20250822

PG25 Lapsed in a contracting state [announced via postgrant information from national office to epo]

Ref country code: NL

Free format text: LAPSE BECAUSE OF FAILURE TO SUBMIT A TRANSLATION OF THE DESCRIPTION OR TO PAY THE FEE WITHIN THE PRESCRIBED TIME-LIMIT

Effective date: 20250521

Ref country code: PL

Free format text: LAPSE BECAUSE OF FAILURE TO SUBMIT A TRANSLATION OF THE DESCRIPTION OR TO PAY THE FEE WITHIN THE PRESCRIBED TIME-LIMIT

Effective date: 20250521

PG25 Lapsed in a contracting state [announced via postgrant information from national office to epo]

Ref country code: BG

Free format text: LAPSE BECAUSE OF FAILURE TO SUBMIT A TRANSLATION OF THE DESCRIPTION OR TO PAY THE FEE WITHIN THE PRESCRIBED TIME-LIMIT

Effective date: 20250521

PG25 Lapsed in a contracting state [announced via postgrant information from national office to epo]

Ref country code: HR

Free format text: LAPSE BECAUSE OF FAILURE TO SUBMIT A TRANSLATION OF THE DESCRIPTION OR TO PAY THE FEE WITHIN THE PRESCRIBED TIME-LIMIT

Effective date: 20250521

PG25 Lapsed in a contracting state [announced via postgrant information from national office to epo]

Ref country code: RS

Free format text: LAPSE BECAUSE OF FAILURE TO SUBMIT A TRANSLATION OF THE DESCRIPTION OR TO PAY THE FEE WITHIN THE PRESCRIBED TIME-LIMIT

Effective date: 20250821

PG25 Lapsed in a contracting state [announced via postgrant information from national office to epo]

Ref country code: IS

Free format text: LAPSE BECAUSE OF FAILURE TO SUBMIT A TRANSLATION OF THE DESCRIPTION OR TO PAY THE FEE WITHIN THE PRESCRIBED TIME-LIMIT

Effective date: 20250921

PG25 Lapsed in a contracting state [announced via postgrant information from national office to epo]

Ref country code: LV

Free format text: LAPSE BECAUSE OF FAILURE TO SUBMIT A TRANSLATION OF THE DESCRIPTION OR TO PAY THE FEE WITHIN THE PRESCRIBED TIME-LIMIT

Effective date: 20250521