CN2480352Y - Tower crane corrosion proof and local protector - Google Patents

Tower crane corrosion proof and local protector Download PDF

Info

Publication number
CN2480352Y
CN2480352Y CN01206182.4U CN01206182U CN2480352Y CN 2480352 Y CN2480352 Y CN 2480352Y CN 01206182 U CN01206182 U CN 01206182U CN 2480352 Y CN2480352 Y CN 2480352Y
Authority
CN
China
Prior art keywords
tower crane
tower
relay
connect
read
Prior art date
Legal status (The legal status is an assumption and is not a legal conclusion. Google has not performed a legal analysis and makes no representation as to the accuracy of the status listed.)
Expired - Fee Related
Application number
CN01206182.4U
Other languages
Chinese (zh)
Inventor
王保路
黄维国
Current Assignee (The listed assignees may be inaccurate. Google has not performed a legal analysis and makes no representation or warranty as to the accuracy of the list.)
CHENGDU XINTAI BUILDING MACHINERY Co Ltd
Original Assignee
CHENGDU XINTAI BUILDING MACHINERY Co Ltd
Priority date (The priority date is an assumption and is not a legal conclusion. Google has not performed a legal analysis and makes no representation as to the accuracy of the date listed.)
Filing date
Publication date
Application filed by CHENGDU XINTAI BUILDING MACHINERY Co Ltd filed Critical CHENGDU XINTAI BUILDING MACHINERY Co Ltd
Priority to CN01206182.4U priority Critical patent/CN2480352Y/en
Application granted granted Critical
Publication of CN2480352Y publication Critical patent/CN2480352Y/en
Anticipated expiration legal-status Critical
Expired - Fee Related legal-status Critical Current

Links

Images

Classifications

    • YGENERAL TAGGING OF NEW TECHNOLOGICAL DEVELOPMENTS; GENERAL TAGGING OF CROSS-SECTIONAL TECHNOLOGIES SPANNING OVER SEVERAL SECTIONS OF THE IPC; TECHNICAL SUBJECTS COVERED BY FORMER USPC CROSS-REFERENCE ART COLLECTIONS [XRACs] AND DIGESTS
    • Y02TECHNOLOGIES OR APPLICATIONS FOR MITIGATION OR ADAPTATION AGAINST CLIMATE CHANGE
    • Y02PCLIMATE CHANGE MITIGATION TECHNOLOGIES IN THE PRODUCTION OR PROCESSING OF GOODS
    • Y02P90/00Enabling technologies with a potential contribution to greenhouse gas [GHG] emissions mitigation
    • Y02P90/02Total factory control, e.g. smart factories, flexible manufacturing systems [FMS] or integrated manufacturing systems [IMS]

Landscapes

  • Control And Safety Of Cranes (AREA)

Abstract

本实用新型是塔机防撞及区域保护装置。塔机司机室1内装有主控制箱2和显示屏3。数字传感器RE1安装于塔机回转限位器的转动轴上或者直接装于同回转大齿圈啮合的专用小齿轮轴上。数字传感器RE2安装于塔机小车变幅机构行程限位器的转动轴上。控制箱2内装有设置开关K3、K4和若干支直流继电器J。行程开关K1装于回转上支承上,行程开关K2装于大臂下弦小车经过处。主控箱内有可编程序控制器P2通过电缆与计算机通信卡连接,P2输入接K1-K4、RE1和ER2,输出接继电器J,显示屏3。传感器信号准确,机构适应性好,安装、调校简便,显示直观,控制塔机互撞及区域保护可靠。

Figure 01206182

The utility model is a tower crane anti-collision and area protection device. A main control box 2 and a display screen 3 are installed in the tower crane driver's cab 1 . The digital sensor RE 1 is installed on the rotating shaft of the slewing limiter of the tower crane or directly on the special pinion shaft meshing with the slewing ring gear. The digital sensor RE 2 is installed on the rotating shaft of the travel limiter of the luffing mechanism of the tower crane trolley. The control box 2 is equipped with setting switches K 3 , K 4 and several DC relays J. The limit switch K1 is installed on the slewing upper support, and the limit switch K2 is installed at the place where the lower chord trolley of the boom passes. In the main control box , there is a programmable controller P 2 connected to the computer communication card through a cable. The sensor signal is accurate, the mechanism adaptability is good, the installation and adjustment are simple, the display is intuitive, and the tower crane collision control and area protection are reliable.

Figure 01206182

Description

The anti-locality protection device that hits of tower machine
The utility model is with to prevent that many tower machines from colliding mutually relevant with the electronic control package of locality protection.
The technical scheme that anti-knock against each other of a present existing tower group of planes and locality protection device adopt all is that the micro controller system stored program controlled is installed on each tower machine; link by Network transmission line; real-time judge has or not collision risk or does not approach the protection zone; automatically control the continuation of this operation of system restriction by tower electromechanics in case of necessity, thereby play the safety precaution effect.Because it is analog sensor that mechanism obtains the device of signal, carry out comprehensive treatment by transferring to the micro controller system stored program controlled after the curtage amplification, accuracy and reliability are not high, analog signal stable bad, when being subjected to the influencing of factors such as temperature, humidity, power-supply fluctuation and be prone to drift, need often carry out alignment treatment.The sensor driving device has specific installation transmitting ratio, promptly to different institutions and range of operation, must carry out correct transmitting ratio (gear) configuration.The relatively more tired lock of adjustment when installing and using, setting work is time-consuming.In the use, during tower machine parameter change, must be by the setting of making amendment of tower machine on the service personnel.
The purpose of this utility model provides a kind of sensor signal accurately, reliably, and it installs no specific transmitting ratio requirement, and mechanism's comformability is good, the installation adjustment is easy, intuitive display, the anti-locality protection device that hits of the tower machine of precise control.
The utility model is achieved in that
The anti-locality protection device that hits of the utility model tower machine.Main control box 2 and read-out 3 are housed in the tower machine driver's cab 1.Digital sensor RE 1Be installed on the turning cylinder of tower machine revolution upper support place slewing limiter or directly be loaded on on the special-purpose pinion shaft of revolution bull gear ingear digital sensor RE 2Be installed on the turning cylinder of trolley travel mechanism range limiter on the big arm of tower machine, revolution be housed in the control box 2 K switch is set 3Operation is provided with K switch with carriage amplitude varying 4, some DC relay J have normally closed contact, are loaded in the main control box 2, and Universal arm travel switch K is arranged 1Be loaded on the revolution upper support, the position is in the joint that supports relative motion up and down, Universal arm travel switch K 2Be loaded on big arm lower edge, dolly through collision place of out-of-date energy, programmable controller P is arranged in the Main Control Tank 2 2With DC regulated power supply P 1Connect, be connected P with compunication card 12 by communication cable 11 2Input end and K 1-K 4, RE 1And ER 2Connect P 2Mouth and DC relay J, read-out 3 connects, P 2Comprise the left and right slewing limit circuit 4,5 of tower crane, tower crane rotary braking control circuit 6, inside, the outer motion high speed limit of tower crane dolly circuit 7,8, the tower crane dolly moves limit circuit 9,10 inwardly, outward.
The utility model is if be respectively the relay J of the left and right slewing limit circuit 4,5 of tower crane in DC relay J 2, J 1, its normally closed contact is H 2, H 1, the relay J of tower crane rotary braking control circuit 6 3, the tower crane dolly moves the relay J of high speed limit circuit 7,8 inwardly, outward 7, J 5, its normally closed contact is X 4, X 2, the tower crane dolly moves the relay J of limit circuit 9,10 inwardly, outward 6, J 4, its normally closed contact is X 3, X 1
Several programmable controllers that the utility model lays respectively in several Main Control Tanks are connected with a computing machine by communication cable respectively.
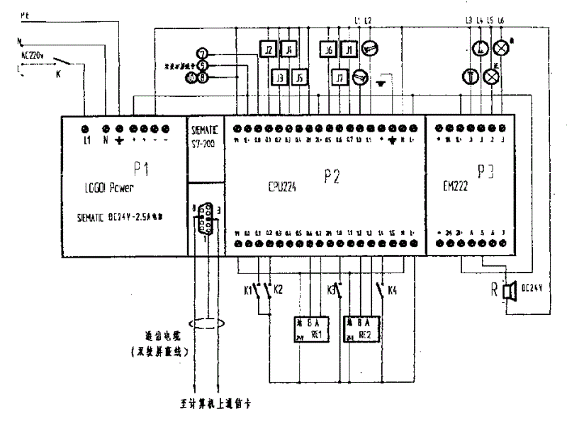
The utility model P 2Be Siemens S7-200 series programmable controller CPU224 and P 1And P 3Connect P 1Be Siemens DC24V/2.5A DC regulated power supply, P 3Be Siemens EM222,8 output expansion modules, P 10.1,0.2,1.0,1.4 pin connect K respectively 1, K 2, K 3, K 4, P 10.6,0.7 pin connect RE 1, P 11.2,1.3 pin connect RE 2, RE 1, RE 2Be DC 5~24V rotation impulse coder, its ground end and P 1The M pin connect its 24V end and K 1-K 4Connect P 23,8 pin meet compunication card 12, P 20.1,0.2,0.3,0.4,0.5,0.6,0.7 pin succeed electrical equipment J 2, J 3, J 4, J 5, J 6, J 7, J 1, P 2M, L, 0.0 pin connect read-out 10., 8., 9., 7., P 21.0,1.1 pin meet L 1, L 2, P 35 pin meet loudspeaker R, 0.1,2,3 pin meet L 3, L 4, L 5, L 6, L 1-L 4Be the form stand by lamp of operation restriction before and after the dolly of revolution restriction about the big arm of read-out, L 5, L 6Be the normal and fault-indicating lamp on the read-out.7., 9., 8., 10. be 3 half word light-emitting diode tube panels really on the read-out, show the trolley travelling range value, J 1-J 7Be the DC24V DC relay.
The utility model has following advantage:
1, computing machine is established monitoring interface, shows the big arm orientation and the travelling jack operation conditions of networking tower machine in the motion graphics mode.
2, show protection zone and barrier zone with the color lump form in the monitoring interface, literal indicates the height and the amplitude peak of each tower machine.
3, control aspect, only need to be connected in series several control lines in the spacing circuit of a left side/right-hand rotation, control moving-wire road of tower machine electric cabinet and trolley body just/get final product simple installation in heterodromous deceleration/spacing parking circuit.
4, the networking normal operation is to playing the safety precaution effect, when not working (start) and be as good as when the utility model is not installed, do not influence the tower machine and normally uses.
5, have movable arm type and horizontal arm type tower machine and mix the tower group of planes networking control function of using, comformability is strong.
When 6, meeting power failure suddenly and shutdown, utility model will be preserved current useful data automatically.Automatically extract when moving next time.
7, the sensor transmission does not need specific transmitting ratio requirement, and mechanism's comformability is good.
Following is accompanying drawing of the present utility model:
Fig. 1 is a constructional drawing of the present utility model:
Fig. 2 forms the connection mode figure of network for the utility model.
Fig. 3 is a block diagram of the present utility model.
Fig. 4 is the connection diagram of the utility model relay.
Fig. 5 is schematic circuit diagram of the present utility model.
Fig. 6 is contour two tower machines revolution operation control scheme drawing.
The not contour two tower machines revolution of Fig. 7 operation control scheme drawing.
Following is embodiment of the present utility model:
The element brief description that adopts in the circuit diagram is as follows:
J 1~J 7--a DC24V DC relay often has and opens/normally closed contact.Be loaded in the case.
RE 1, RE 2--DC5~24V rotation impulse coder belongs to the numeric type sensor.RE 1Be linked on the turning cylinder of tower crane revolution upper support place slewing limiter; RE 2Be linked on the turning cylinder of trolley travel mechanism range limiter on the big arm of tower crane.
L 8--the noiseless magneto sucker of AC220V red alarm lamp, glittering when collision avoidance system inoperative and fault.Place driver's cab interior or outer.
R--connects the normal little buzzer phone of ring formula DC24V of electricity.Be loaded in the case.
K--single system current switch.Be loaded in the case.
K 3, K 4--be respectively that revolution is provided with and the carriage amplitude varying operation is provided with switch.Be loaded in the case.
K 1--all driection running program switch 1, be loaded on the revolution upper support, the position is in the joint that supports relative motion up and down.
K 2--all driection running program switch 2, be loaded on big arm lower edge place, dolly is through out-of-date energy impact switch.
L 1~L 4--the stand by lamp of operation restriction and big arm right-hand rotation restriction before and after the dolly of read-out.Read-out is hung in the driver's cab.
L 5, L 6--the normal and fault-indicating lamp of system on the read-out.
7.--this output inserts 3 half word light-emitting diode tube panels on the read-out, shows trolley travelling range value (m).
P 1--Siemens DC24V/2.5A DC voltage-stabilizing electric current.
P 2--Siemens S7-200 system programmable sequence controller (being called for short PLC) CPU224,14 inputs, 10 outputs.
P 3--Siemens EM222,8 output expansion modules.
The utility model working process:
During the work of the utility model normal cluster, the continual reception of the PLC of each unit comes to the pulse count of trolley travelling and revolution arteries and veins coder, digit count through the PLC software package is handled, and system's central computer of being located in the site office passes through transmission cable, continuously circulation constantly with each unit interactive communication, calculate big arm (equilibrium arm) orientation of each tower machine and travelling jack position and their running state (move, stop, speed, direction) in real time; The interference that may occur is bumped mutually or close protection zone of forbidding that suspension hook (or big arm) is crossed over once calculate; during as street, campus, railway, expressway, electrical network or the like; computing machine sends dependent instruction to certain unit; earlier to tower machine operation person sounding light early warning; electrical controller action until this tower machine of control; the continuation of this operation of automatic spacing, and reverse operating is not affected.
The Based Intelligent Control content that the utility model moves the tower machine:
1, a tower machine left side or rotating parking are spacing.
2, the action of tower machine trainstop.
3, horizontal arm type tower machine: the deceleration of the forward and backward operation of travelling jack and parking.
4, luffing jib formula tower machine: big arm is bowed, the parking of elevation angle operation is spacing.
Networking operation control process of the present utility model:
Be that example elaborates to networking operation control process with 3 typical actual conditions below:
1., contour two tower machines revolution operation control
When two tower mounting distances during less than two big arm lengths sums, two big revolution of arms near the time must in time stop and brake in case of necessity, otherwise big arm collision case may take place.
As shown in Figure 6, the static or right-hand rotation of A right-hand rotation B
S 1Minimum perpendicular distance between-two big arms is the dynamic change value.
S 2The safe early warning distance of-keyboard input.
S 3The safety of-keyboard input (outage of stopping) distance.
S 4The stopping distance (minimum safe distance) of-keyboard input.
System program is decision height and the establishment of locating distance condition at first, continuously calculates S again 1Value and with itself and S 2, S 3, S 4Value compares, and produces following several controls respectively:
A.S 2〉=S 1〉=S 3The time, system program will send to A tower PLC.
Left-hand rotation early warning order 01.A tower PLC program receives 01 order and carries out immediately: P 2Output point 1.0 and P 3The point.4 are interrupted output DC24V+ voltage, read-out is turned right limit lamp L 1Be interrupted glittering; The R interruption is rung.
B.S 1≤ S 3The time, system program will send left-hand rotation limiting command 01 to A tower PLC.A tower PLC program receives 02 order and carries out immediately: P 2Output point 0.7 and 1.0 and P 3The point.4 reach.5 connect output DC24V+ voltage, relay J 1Meet electronic break contact (turn right and stop) and the read-out right-hand rotation restriction lamp L of doing 1Chang Liang; R Chang Ming.
C. big arm is because inertia will continue to slide deceleration.Work as S 1≤ S 4The time, system program will send left-hand rotation limiting command 00 to A tower PLC.Execution result is: when previous state (being the b state here) keeps, and P 2Output point ground 0.2 output DC24V+ voltage, relay J 3Connect and electronicly carry out rotary braking as break contact.
2., not contour intersection two tower machines revolution operation control
Collision will occur between high tower suspension hook cable wire and the big arm of low tower, guarantee that promptly the high tower dolly do not cross over the low big arm of tower.See Fig. 4: it is low to establish the high B of A, and A changes the static or right-hand rotation of B
S 1Minor increment between big arm of-B and A dolly is the dynamic change value.
S 2The safe early warning distance of-keyboard input.
S 3The safety of-keyboard input (outage of stopping) distance.
S 4The stopping distance (minimum safe distance) of-keyboard input.
L-B tower entity is the dynamic change value to the minor increment of A tower center of gyration.
The actual dolly range value of RA-A tower.
System program at first decision height and locating distance condition is set up not, then relatively judges RA and L value as setting up, and continuously calculates S when RA 〉=L again 1Value, and with itself and S 2, S 3, S 4Value compares, the same a.b.c. item 1. of subsequent control content.
As A, when the B tower turns round relatively, system program will be to S 1, S 2, S 3, S 4Value is done * 2 and is handled.
The control of trolley travelling when 3., the big arm of Low Towers intersects
Controlled target is that assurance high tower dolly (suspension hook) is not crossed over the low tower sky.
As shown in Figure 5, it is low to establish the high B of A, and the A dolly outwards moves
I 1-high tower dolly to the point of crossing distance, is dynamic value along service direction.
I 2Dolly deceleration (broken height speed) early warning distance that-keyboard is gone into.
I 3The dolly safe stopping distance of-keyboard input.
System program at first decision height and locating distance condition is set up not and whether is in crossing condition, and as being in crossing condition, system program will continuously calculate I 1Value, and with itself and I 2, I 3Value compares, and produces following several controls respectively;
A.I 1>I 2The time, system program does not have any instruction and sends.
B.I 1≤ I 2System program will send dolly to A tower PLC and outwards move deceleration (changeing low speed at a high speed) order 21.A tower PLC program receives 21 orders and carries out immediately: P 2Output point 0.4 output DC24V+ voltage makes J 5The relay power action disconnects at a high speed outwards operation circuit, P simultaneously 3The point.0 reaches.5 are interrupted output DC24V+ voltage, make read-out outwards move restriction lamp L 3Be interrupted glittering; The R interruption is rung.
C.I 1During=I2, system program will send dolly to A tower PLC and outwards move restriction (parking) order 22.A tower PLC program receives 22 orders and carries out immediately: P 2Go out a little 0.4 and 0.3 and P 3The point.0 reaches.5 continue output DC24V+ voltage, relay J simultaneously 5Keep connecing electricity condition and J 4Connect electronic work, the disconnection dolly outwards moves circuit (parking) and read-out outwards moves restriction lamp L 3Lamp Chang Liang; R Chang Ming.
3., the main effect of reset switch
A. in the tower machine operational process, every collision once, system program just covers renewal with stock's initial setup data to system's real data, guarantees that all the time actual position is consistent with system data.
B. because of some shutdown of reason collision avoidance system or off-grid; And tower machine withdraw from use not, when opening collision avoidance system and normal networking work once more, big arm true bearing of tower machine and dolly position are not inconsistent the data in complete and the system program (data at that time of storing automatically during outage), and the initial collision of reset switch can solve.

Claims (4)

1, the tower machine is anti-hits the locality protection device, it is characterized in that being equipped with in the tower machine driver's cab (1) main control box (2) and read-out (3), digital sensor RE 1Being installed on the tower machine returns on the turning cylinder of upper support place slewing limiter or directly is loaded on on the special-purpose pinion shaft of revolution bull gear ingear.Digital sensor RE 2Be installed on and revolution be housed in the control box (2) on the turning cylinder of trolley travel mechanism range limiter on the big arm of tower machine K switch is set 3Operation is provided with K switch with carriage amplitude varying 4, some DC relay J have normally closed contact, are loaded in the main control box (2), and Universal arm travel switch K is arranged 1Be loaded on the revolution upper support, the position is in the joint that supports relative motion up and down, Universal arm travel switch K 2Be loaded on big arm lower edge, dolly through collision place of out-of-date energy, Main Control Tank has programmable controller P in (2) 2With power supply P 1Connect, be connected P with compunication card (12) by communication cable (11) 2Input end and K 1-K 4, RE 1And ER 2Connect P 2Mouth and DC relay J, read-out (3) connects, the output of relay J connects the left and right slewing limit circuit of tower crane (4), (5) respectively, tower crane rotary braking control circuit (6), inside, the outer motion high speed limit of tower crane dolly circuit (7), (8), tower crane dolly are moved limit circuit (9), (10) inwardly, outward.
2, device according to claim 1 is characterized in that some DC relay J are respectively the relay J of the left and right slewing limit circuit of tower crane (4), (5) 2, J 1, its normally closed contact is H 2, H 1, the relay J of tower crane rotary braking control circuit (6) 3, tower crane moves the relay J of high speed limit circuit (7), (8) inwardly, outward 7, J 5, its normally closed contact is X 4, X 2, tower crane moves the relay J of limit circuit (9), (10) inwardly, outward 6, J 4, its normally closed contact is X 3, X 1
3, device according to claim 1 and 2, several programmable controllers that it is characterized in that laying respectively in several tower machine Main Control Tanks are connected with a computing machine by communication cable respectively.
4, device according to claim 1 is characterized in that P 2Be Siemens S7-200 series programmable controller CPU224 and P 1And P 3Connect P 1Be Siemens DC24V/2.5A DC regulated power supply, P 3Be Siemens EM222,8 output expansion modules, P 10.1,0.2,1.0,1.4 pin connect K respectively 1, K 2, K 3, K 4, P 10.6,0.7 pin connect RE 1, P 11.2,1.3 pin connect RE 2, RE 1, RE 2Be DC 5~24V rotation impulse coder, its ground end and P 1The M pin connect its 24V end and K 1-K 4Connect P 23,8 pin meet compunication card, P 20.1,0.2,0.3,0.4,0.5,0.6,0.7 pin succeed electrical equipment J 2, J 3, J 4, J 5, J 6, J 7, J 1, P 2M, L, 0.0 pin connect read-out 10., 8., 9., 7., P 21.0,1.1 pin meet L 1, L 2, P 35 pin meet loudspeaker R, 0.1,2,3 pin meet L 3, L 4, L 5, L 6, L 1-L 4Be the form stand by lamp of operation restriction before and after the dolly of revolution restriction about the big arm of read-out, L 5, L 6For the normal and fault-indicating lamp on the read-out, 7., 9., 8., 10. be 3 half word light-emitting diode tube panels on the read-out, show the trolley travelling range value, J 1-J 7Be the DC24V DC relay.
CN01206182.4U 2001-05-09 2001-05-09 Tower crane corrosion proof and local protector Expired - Fee Related CN2480352Y (en)

Priority Applications (1)

Application Number Priority Date Filing Date Title
CN01206182.4U CN2480352Y (en) 2001-05-09 2001-05-09 Tower crane corrosion proof and local protector

Applications Claiming Priority (1)

Application Number Priority Date Filing Date Title
CN01206182.4U CN2480352Y (en) 2001-05-09 2001-05-09 Tower crane corrosion proof and local protector

Publications (1)

Publication Number Publication Date
CN2480352Y true CN2480352Y (en) 2002-03-06

Family

ID=33626857

Family Applications (1)

Application Number Title Priority Date Filing Date
CN01206182.4U Expired - Fee Related CN2480352Y (en) 2001-05-09 2001-05-09 Tower crane corrosion proof and local protector

Country Status (1)

Country Link
CN (1) CN2480352Y (en)

Cited By (7)

* Cited by examiner, † Cited by third party
Publication number Priority date Publication date Assignee Title
CN100403614C (en) * 2005-08-15 2008-07-16 南京风标经济科技有限公司 Equipment limit intelligent control safety protecting system
CN102718150A (en) * 2012-07-10 2012-10-10 烟台宝井钢材加工有限公司 Double-beam hoist-type anti-collision safety protection device for crane
CN102881113A (en) * 2012-09-27 2013-01-16 河南宏博重型机械有限公司 Automatic monitoring, alarming and controlling method and automatic monitoring, alarming and controlling device for stroke limit tests
CN104843585A (en) * 2015-04-15 2015-08-19 江苏万象建工集团有限公司 Intelligent tower crane control system
CN109179228A (en) * 2017-08-11 2019-01-11 北京建筑大学 A kind of construction crane machine anticollision system
CN110255383A (en) * 2019-07-08 2019-09-20 湖南中铁五新重工有限公司 A kind of fixed crane cantilever crane anti-collision system and crane
CN114326479A (en) * 2021-12-02 2022-04-12 中国人民解放军陆军装甲兵学院蚌埠校区 A tank anti-shock gun device

Cited By (8)

* Cited by examiner, † Cited by third party
Publication number Priority date Publication date Assignee Title
CN100403614C (en) * 2005-08-15 2008-07-16 南京风标经济科技有限公司 Equipment limit intelligent control safety protecting system
CN102718150A (en) * 2012-07-10 2012-10-10 烟台宝井钢材加工有限公司 Double-beam hoist-type anti-collision safety protection device for crane
CN102881113A (en) * 2012-09-27 2013-01-16 河南宏博重型机械有限公司 Automatic monitoring, alarming and controlling method and automatic monitoring, alarming and controlling device for stroke limit tests
CN104843585A (en) * 2015-04-15 2015-08-19 江苏万象建工集团有限公司 Intelligent tower crane control system
CN109179228A (en) * 2017-08-11 2019-01-11 北京建筑大学 A kind of construction crane machine anticollision system
CN109179228B (en) * 2017-08-11 2020-01-14 北京建筑大学 Anti-collision system of building construction tower crane
CN110255383A (en) * 2019-07-08 2019-09-20 湖南中铁五新重工有限公司 A kind of fixed crane cantilever crane anti-collision system and crane
CN114326479A (en) * 2021-12-02 2022-04-12 中国人民解放军陆军装甲兵学院蚌埠校区 A tank anti-shock gun device

Similar Documents

Publication Publication Date Title
CN201321356Y (en) Tower cranes group collision prevention and region and boundary protection system
CN101786577B (en) Dual-machine loading-and-walking type hydraulic numerical control deck erection gantry and control system and control method
CN201351084Y (en) Dual-machine load walking type hydraulic numerical control cross cable crane
CN101247030B (en) Overhead line obstacle detouring inspection robot and its obstacle detouring control method
CN201236131Y (en) Intelligent control system of high-altitude operation car and high-altitude operation car thereof
CN203345981U (en) Intelligent monitoring tower type crane
CN206193489U (en) Intelligence system of patrolling and examining based on circular orbit
CN205472364U (en) Tower crane real -time monitoring system based on thing networking
CN104676264B (en) Vehicle-mounted emergency repair rescue lighting device and its control method
CN111824963A (en) Intelligent tower crane wireless remote control system with pose perception technology and control method
CN102789221A (en) Internet of things-based remote monitoring system of construction machinery and monitoring method thereof
CN2480352Y (en) Tower crane corrosion proof and local protector
CN205787830U (en) A kind of control device of two column track lifting machines
CN205653091U (en) Many davits tower crane
CN206886548U (en) A kind of anti-swing control system used on garbage grab bucket crane
CN110344646A (en) A kind of construction protective fence
CN101615007B (en) Control method of intelligent controller of overhead working truck
CN204416974U (en) A kind of ground observation control system of tower crane
CN105472347A (en) Substation channel control apparatus based on APP control
CN205222539U (en) Solar towers hangs collision avoidance system
CN110803638B (en) Behavior sensitivity-based boom anti-collision recognition and control method for swing arm tower crane
CN211338571U (en) Black box
CN220866946U (en) Building site tower machine monitoring early warning platform
CN207738335U (en) A kind of derrick crane multimachine collision prevention device
CN208509131U (en) A kind of project delivery method safety long-distance monitoring device

Legal Events

Date Code Title Description
C14 Grant of patent or utility model
GR01 Patent grant
C19 Lapse of patent right due to non-payment of the annual fee
CF01 Termination of patent right due to non-payment of annual fee