CN219327296U - Attached lifting scaffold mounting structure - Google Patents
Attached lifting scaffold mounting structure Download PDFInfo
- Publication number
- CN219327296U CN219327296U CN202320637149.5U CN202320637149U CN219327296U CN 219327296 U CN219327296 U CN 219327296U CN 202320637149 U CN202320637149 U CN 202320637149U CN 219327296 U CN219327296 U CN 219327296U
- Authority
- CN
- China
- Prior art keywords
- scaffold
- fixed
- main body
- lifting
- pedal
- Prior art date
- Legal status (The legal status is an assumption and is not a legal conclusion. Google has not performed a legal analysis and makes no representation as to the accuracy of the status listed.)
- Active
Links
- 230000000712 assembly Effects 0.000 claims abstract description 3
- 238000000429 assembly Methods 0.000 claims abstract description 3
- 229910000831 Steel Inorganic materials 0.000 claims description 48
- 239000010959 steel Substances 0.000 claims description 48
- 210000001503 joint Anatomy 0.000 claims description 8
- 230000003014 reinforcing effect Effects 0.000 claims description 8
- 238000004873 anchoring Methods 0.000 claims description 7
- 230000000149 penetrating effect Effects 0.000 claims description 3
- 238000009435 building construction Methods 0.000 abstract description 2
- 238000010276 construction Methods 0.000 description 20
- 238000000034 method Methods 0.000 description 6
- 238000003466 welding Methods 0.000 description 5
- 238000009434 installation Methods 0.000 description 4
- 230000008569 process Effects 0.000 description 4
- 230000001681 protective effect Effects 0.000 description 3
- 230000008859 change Effects 0.000 description 2
- 238000004140 cleaning Methods 0.000 description 2
- 238000010586 diagram Methods 0.000 description 2
- 230000000694 effects Effects 0.000 description 2
- 230000004048 modification Effects 0.000 description 2
- 238000012986 modification Methods 0.000 description 2
- 230000001174 ascending effect Effects 0.000 description 1
- 238000005452 bending Methods 0.000 description 1
- 238000005516 engineering process Methods 0.000 description 1
- 230000002349 favourable effect Effects 0.000 description 1
- 238000007689 inspection Methods 0.000 description 1
- 239000000463 material Substances 0.000 description 1
Images
Classifications
-
- Y—GENERAL TAGGING OF NEW TECHNOLOGICAL DEVELOPMENTS; GENERAL TAGGING OF CROSS-SECTIONAL TECHNOLOGIES SPANNING OVER SEVERAL SECTIONS OF THE IPC; TECHNICAL SUBJECTS COVERED BY FORMER USPC CROSS-REFERENCE ART COLLECTIONS [XRACs] AND DIGESTS
- Y02—TECHNOLOGIES OR APPLICATIONS FOR MITIGATION OR ADAPTATION AGAINST CLIMATE CHANGE
- Y02A—TECHNOLOGIES FOR ADAPTATION TO CLIMATE CHANGE
- Y02A40/00—Adaptation technologies in agriculture, forestry, livestock or agroalimentary production
- Y02A40/10—Adaptation technologies in agriculture, forestry, livestock or agroalimentary production in agriculture
- Y02A40/25—Greenhouse technology, e.g. cooling systems therefor
Landscapes
- Movable Scaffolding (AREA)
Abstract
The utility model relates to the field of building construction, in particular to an attached lifting scaffold mounting structure. The scaffold is arranged on the outer side surface of the main body structure, a plurality of lifting assemblies are arranged on the scaffold at intervals along the length direction of the scaffold, each lifting assembly comprises a plurality of wall attaching bases and sliding rails, each wall attaching base is fixed on an outer beam of each layer of main body structure and is obliquely arranged along the inclination of the side surface of the main body structure, the sliding rails are fixed on one side surface of the scaffold, the sliding rails are arranged on the wall attaching bases, an upper support and a lower support are correspondingly arranged in the scaffold up and down, a lifting base is fixed on the main body structure, an electric hoist is commonly arranged on the upper support, the lower support and the lifting base, and retraction of an upper chain of the electric hoist is controlled to drive the scaffold to slide up and down along the wall attaching bases; a temporary drawknot component connected with the scaffold is arranged on the main body structure; a guard assembly is mounted on each scaffold member. The wall attaching base is obliquely arranged through the oblique cushion block, so that the scaffold is obliquely lifted along the side face of the main body structure.
Description
Technical Field
The utility model relates to the field of building construction, in particular to an attached lifting scaffold mounting structure.
Background
In the construction process of high-rise or even super high-rise buildings, requirements on safety protection of external facades, construction period and the like are higher and higher, the traditional overhanging scaffold and the scattered splicing type lifting scaffold cannot meet construction requirements more and more, and the integrated attached lifting scaffold has the advantages of safety, reliability, advanced technology, convenience, quickness, cost saving and the like and is widely applied.
However, the integrated attached lifting scaffold often uses a standard layer as a design condition, in one project under construction by my department, the main building structure of the integrated attached lifting scaffold relates to shrinkage change, and along with the increase of the height, each layer expands to the east side and simultaneously uniformly shrinks in the north-south direction, so that the east side of the main building structure inclines from bottom to top, the traditional integrated attached lifting scaffold is difficult to meet construction requirements, and the inclined lifting along the east side of the main building structure cannot be realized.
Therefore, there is a need for an attaching type lifting scaffold mounting structure to solve the above-mentioned technical problems.
Disclosure of Invention
The utility model aims to solve the problems, so as to provide an attached lifting scaffold mounting structure, wherein an attached wall seat is obliquely arranged along the side inclination of a main structure through an oblique cushion block, a scaffold is connected with the attached wall seat through a slide rail, an electric hoist for driving the scaffold to lift is arranged on the scaffold, and the scaffold is driven to slide up and down along the attached wall seat by controlling the retraction of an upper chain block of the electric hoist; and then realize scaffold frame along the slope promotion of major structure side, satisfy the construction demand.
The utility model solves the problems, and adopts the following technical scheme:
the attached lifting scaffold mounting structure is characterized in that a scaffold is arranged on the outer side surface of a main body structure, and the scaffold is formed by overlapping a plurality of scaffold pieces from bottom to top; a plurality of lifting assemblies are arranged on the scaffold along the length direction of the scaffold at intervals, each lifting assembly comprises a plurality of wall attaching bases and sliding rails, each wall attaching base is fixed on an outer beam of each layer of main structure and is obliquely arranged along the inclination of the side surface of the main structure, each sliding rail is fixed on one side surface of the scaffold, each sliding rail is arranged on each wall attaching base, an upper support and a lower support are correspondingly arranged in the scaffold up and down, lifting bases are fixed on the main structure, and electric blocks are jointly arranged on the upper support, the lower support and the lifting bases, and the scaffold is driven to slide up and down along the wall attaching bases by controlling the retraction of upper chains of the electric blocks; an inclined cushion block is clamped between the wall-attached seat and the outer beam of the main body structure, the thickness of the upper end of the inclined cushion block is larger than that of the lower end of the inclined cushion block, and the wall-attached seat and the inclined cushion block are fixed on the outer beam through a wall penetrating screw; the scaffold member comprises a bottom pedal and a plurality of upper pedals, the width of the bottom pedal is larger than that of each upper pedal, the bottom pedal and the plurality of upper pedals are arranged in the upper and lower intervals along the height direction, a plurality of connecting pieces are vertically connected to the inner side edge and the outer side edge of the bottom pedal, the plurality of connecting pieces are arranged at intervals along the length direction of the pedals, vertical rods are connected to each connecting piece, the plurality of upper pedals are clamped and fixed between the vertical rods on the inner side edge and the vertical rods on the outer side edge, bottom jacking pieces are fixedly connected to the bottom of each upper pedal, and the bottom jacking pieces, the vertical rods on the inner side edge and the vertical rods on the outer side edge are fixedly connected.
Preferably, the utility model further adopts the technical scheme that:
further, a temporary drawknot component connected with the scaffold is arranged on the main body structure; the temporary drawknot assembly comprises embedded parts embedded in each layer of supporting floor slab of the main body structure, the supporting floor slab extends upwards from the embedded parts, the embedded parts are connected with inclined connecting rods, and the other ends of the inclined connecting rods are fixed on the scaffold.
Further, the temporary drawknot assembly further comprises an anchoring hanging seat fixed on the main body structure inner beam, the sliding rail is fixedly connected with a detachable steel plate assembly, a connecting rope is arranged on the detachable steel plate assembly and the anchoring hanging seat, and two ends of the connecting rope are fixedly connected through a basket bolt.
Further, all install the protective component on every scaffold spare, the protective component includes a plurality of connection steel plates, a plurality of connection steel plates are fixed on the side that the major structure was kept away from to the scaffold spare along every scaffold spare high upper and lower interval, the width of a plurality of connection steel plates contracts gradually from bottom to top, all be equipped with on the surface of every connection steel plate with scaffold spare fixedly connected with consolidate the gusset, consolidate the gusset along the length direction interval setting of connection steel plate, be provided with the guard plate net of vertical assembling from bottom to top on the side that the major structure was kept away from to the scaffold spare, the guard plate net is fixed on the connection steel plate.
Further, the protection assembly further comprises a baffle plate, the baffle plate is arranged between the main body structure and the scaffold, the baffle plate is fixedly arranged on the bottom pedal or the upper pedal, a folding plate is hinged to the upper surface of the baffle plate, and the folding plate is abutted to the side face of the main body structure.
Further, the sliding rail comprises a plurality of sliding rail members, plug connectors are arranged between the adjacent sliding rail members, the end parts of the adjacent sliding rail members are fixedly connected with the plug connectors, pin pipes are arranged on the end parts of the adjacent sliding rail members, and conical pin shafts are inserted between the pin pipes on the adjacent sliding rail members; the vertical rods on the adjacent scaffold members are in butt joint, and channel steel joints are fixedly connected at the butt joint positions of the vertical rods.
Further, a plurality of inclined rods are arranged between the bottom pedal and the upper pedal, the bottom end of each inclined rod is fixed with the connecting piece, and the top end of each inclined rod is fixed with the upper pedal.
Further, the wall attaching seat comprises an encircling wall attaching seat, a slideway and two guide wheels are arranged on the encircling wall attaching seat, the slideway is matched with the slide rail, an anti-falling swinging block is arranged between the two guide wheels and is contacted with the slide rail, and an unloading member is fixed on the encircling wall attaching seat and is contacted with the slide rail.
Further, the lifting assembly further comprises an auxiliary triangular support which is an isosceles triangle, the auxiliary triangular support is fixed on the upper surface of the main body structure outer beam, and one wall-attached base is fixed on a vertical rod of the auxiliary triangular support.
The utility model provides an attached lifting scaffold mounting structure, which comprises a scaffold, an attached wall seat and a lifting seat, wherein the attached wall seat is fixed on an outer beam of each layer of main body structure, an inclined cushion block is clamped between the attached wall seat and the main body structure, the attached wall seat is arranged in an inclined manner along the side inclination of the main body structure through the inclined cushion block, the scaffold is connected with the attached wall seat through a sliding rail, an electric hoist driving the scaffold to lift is arranged on the scaffold, and the scaffold is driven to slide up and down along the attached wall seat by controlling the retraction of a chain on the electric hoist; and then realize scaffold frame along the slope promotion of major structure side, satisfy the construction demand.
Drawings
FIG. 1 is a schematic diagram of a front view of the present utility model;
FIG. 2 is a partially enlarged schematic illustration I of FIG. 1;
FIG. 3 is a second enlarged partial schematic view of FIG. 1;
fig. 4 is a schematic diagram of a side view of the scaffold of the present utility model;
FIG. 5 is a schematic view of the wall mount mounting structure of the present utility model;
FIG. 6 is a schematic view of a lift base mounting structure of the present utility model;
FIG. 7 is a schematic view of an auxiliary triangular support mounting structure of the present utility model;
fig. 8 is a schematic view of the scaffold mounting platform structure of the present utility model;
fig. 9 is a scaffold lifting schematic of the present utility model;
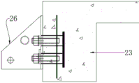
in the figure: 1. a scaffold; 11. a scaffold member; 12. a bottom pedal; 13. an upper pedal; 14. a connecting piece; 15. a vertical rod; 16. a bottom support member; 17. an inclined lever; 18. auxiliary triangular supports; 2. a lifting assembly; 21. wall-attached base; 22. a slide rail; 23. an outer beam; 24. an upper bracket; 25. a lower bracket; 26. a lifting seat; 27. an electric hoist; 3. a temporary drawknot assembly; 31. an embedded part; 32. a tilting connecting rod; 33. anchoring the hanging seat; 34. a connecting rope; 4. a protective assembly; 41. connecting steel plates; 42. reinforcing the gusset; 43. a guard board net; 44. a baffle; 45. a folding plate; 8. an inner beam; 9. and (5) tilting the cushion block.
Detailed Description
The present utility model will be further understood by the following description of embodiments, but the specific embodiments given by the applicant should not be considered as limiting the technical solution of the present utility model, and any modification of the definition of components or technical features and/or the form of the whole structure without substantial change should be considered as the protection scope defined by the technical solution of the present utility model.
Referring to fig. 1 to 9, the technical scheme of the utility model is as follows:
the attached lifting scaffold mounting structure is characterized in that a scaffold 1 is arranged on the outer side surface of a main body structure, the scaffold 1 is formed by overlapping a plurality of scaffold pieces 11 from bottom to top, and the total height of the scaffold 1 is 18 meters; two groups of lifting components 2 are arranged on the scaffold 1 along the length direction of the scaffold 1 at intervals, each lifting component 2 comprises a plurality of wall attaching bases 21 and sliding rails 22, each wall attaching base 21 is fixed on an outer beam 23 of each layer of main structure and is obliquely arranged along the inclination of the side surface of the main structure, each sliding rail 22 is fixed on one side surface of the scaffold 1, the scaffold 1 is arranged on the wall attaching base 21 through the sliding rails 22, an upper bracket 24 and a lower bracket 25 are correspondingly arranged in the scaffold 1 up and down, a lifting base 26 is fixed on the main structure through 2M 30 bolts, the upper bracket 24 and the lower bracket 25 are formed by adopting angle steel assembly welding of 50 square tubes and 63 and are fixed in the scaffold 1 through M16 bolts, an electric hoist 27 is commonly arranged on the upper bracket 24, the lower bracket 25 and the lifting base 26, a hook of the electric hoist 27 is connected with the lower bracket 25, and a chain on the electric hoist 27 passes through the upper bracket 24 to be fixed on the lifting base 26, and the retraction of the chain on the electric hoist 27 is controlled to drive the scaffold 1 to slide up and down along the wall attaching base 21; the wall attaching seat 21 and the inclined cushion block 9 are fixed on the outer beam 23 through a wall penetrating screw rod, so that the scaffold 1 is under effective safety protection all the time in the working condition and the lifting working condition; the scaffold 11 comprises a bottom pedal 12 and a plurality of upper pedals 13, the width of the bottom pedal 12 is larger than that of each upper pedal 13, the bottom pedal 12 is formed by assembling a plurality of pedal members, 63 x 63 angle steel is welded into a frame and welded with a pattern plate with the thickness of 1.5mm into a whole, the width is 700mm, the bottom pedal 12 is separated from the wall by 350mm, the upper pedals 13 are formed by assembling a plurality of pedal members, a 50 x 30 rectangular pipe is welded into a frame and welded with a pattern plate with the thickness of 1.5mm into a whole, the width is 600mm, the distance between the upper pedals 13 and the wall is 400mm, the bottom pedal 12 and the plurality of upper pedals 13 are arranged at intervals in the height direction, a plurality of connecting pieces 14 are vertically connected to the inner side edge and the outer side edge of the bottom pedal 12 along the length direction of the pedal, each connecting piece 14 is connected with a vertical rod 15, the plurality of upper pedals 13 are assembled by a plurality of vertical rods 15 and the vertical rods 15 on the inner side edge, the bottom pedal 13 is fixedly connected with a top support piece 16 and a top support 16 on the bottom side edge of each upper pedal 13 by a vertical support 16; the scaffold 1 is assembled through the structure arrangement, so that the stability of the whole structure of the scaffold 1 is ensured.
The temporary drawknot assembly 3 connected with the scaffold 1 is arranged on the main structure, when the scaffold 1 is hoisted to the installation position, the scaffold 1 is temporarily drawed through the temporary drawknot assembly 3, and when the scaffold 1 needs to be lifted upwards or downwards, the temporary drawknot assembly 3 needs to be released to ensure that the scaffold 1 and the main structure are not fixedly connected, so that the lifting of the scaffold 1 is met; the temporary drawknot assembly 3 comprises embedded parts 31 embedded in each layer of supporting floor slab of the main body structure, the embedded parts 31 are embedded steel pipes or anchor rings, each embedded part 31 is arranged at intervals of 2m, the embedded parts 31 extend upwards out of the supporting floor slab, the embedded parts 31 are connected with inclined connecting rods 32 through fasteners, the inclined connecting rods 32 are steel pipes, and the other ends of the inclined connecting rods 32 are fixed on the scaffold 1 through fasteners; the temporary drawknot assembly 3 further comprises an anchoring hanging seat 33 fixed on the inner beam 8 of the main body structure, the sliding rail 22 is fixedly connected with a detachable steel plate assembly, the detachable steel plate assembly comprises two clamping plates, the two clamping plates are fixedly connected to the sliding rail 22 through bolt groups, two lug plates are fixedly welded on the clamping plates close to one side of the main body structure, fixing rods are fixedly arranged on the two lug plates, connecting ropes are wound on the fixing rods, the detachable steel plate assembly and the anchoring hanging seat 33 are provided with connecting ropes 34, and two end parts of the connecting ropes 34 are fixedly connected through basket bolts; through foretell built-in fitting 31, slope connecting rod 32 and anchor hanging seat 33, connecting rope 34 and can dismantle the steel sheet subassembly messenger scaffold 1 realizes the detachable interim drawknot with major structure and is fixed and be favorable to the interim fixed of scaffold 1, and when scaffold 1 needs to go up and down simultaneously, interim drawknot subassembly 3 is convenient for dismantle, guarantees the safe lift of scaffold 1.
The protection assembly 4 is arranged on each scaffold 1 body, the safety protection of constructors on the scaffold 1 is realized through the protection assembly 4, and meanwhile, the protection assembly 4 can improve the overall aesthetic degree of the scaffold 1 and meet the requirements of civilized construction; the protection component 4 comprises a plurality of connecting steel plates 41, the connecting steel plates 41 are fixed on the side surface of the scaffold 11, far away from the main structure, along the height of each scaffold 11 at intervals, the widths of the connecting steel plates 41 gradually shrink from bottom to top, reinforcing gussets 42 fixedly connected with the scaffold 11 are arranged on the surface of each connecting steel plate 41, the reinforcing gussets 42 play a role in reinforcing the connecting steel plates 41, the reinforcing gussets 42 are arranged at intervals along the length direction of the connecting steel plates 41, the side surface of the scaffold 11, far away from the main structure, is provided with vertically assembled guard plate nets 43 from bottom to top, the guard plate nets 43 are fixed on the connecting steel plates 41, the guard plate nets 43 on the outer side of the scaffold 11 are made into a vertical state through the connecting steel plates 41, the height difference is four meters by one step, and the inclination angle is 5 degrees; the guard plate net 43 forms a clean plane on the scaffold member 11, ensuring that the outer elevation of the scaffold 1 is in a vertical effect; the guard plate net 43 is formed by welding a 20 multiplied by 1.2 square tube and a 0.6mm punched guard plate net, and is fixed with the outer side frame of the bottom pedal 12 or the upper pedal 13 through an M12 screw connecting piece, and all components of the guard assembly 4 are made of steel, so that fire hazards caused by site construction are effectively avoided; the guard board net 43 is fixed on the connecting steel plates 41, and gradually contracts from bottom to top through the width of the plurality of connecting steel plates 41, so that the guard board net 43 is a neat plane on the side surface of each scaffold member 11, the guard function is realized, the overall attractiveness of the scaffold 1 is improved, and the requirements of civilized construction are met.
The protection assembly 4 further comprises a baffle 44, the baffle 44 is welded into a frame by adopting 63X 63 angle steel and welded with a pattern plate with the thickness of 1.5mm into a whole, the width is 200mm, the baffle 44 is arranged between the main structure and the scaffold 1 body, the baffle 44 is fixedly arranged on the bottom pedal 12 or the upper pedal 13, the baffle 44 at the bottom is 150mm away from the wall, the baffle 44 at the bottom is 200mm away from the wall, the upper surface of the baffle 44 is hinged with a folding plate 45, the folding plate 45 is a steel plate with the thickness of 1.4mm, the folding plate 45 is fixedly connected with one end of the baffle 44 through a hinge, the hinge setting interval is less than 500mm, the folding plate 45 is abutted against the side surface of the main structure, and the angle of the folding plate 45 is 45-60 degrees; the guard plates 44 and the folding plates 45 form a guard to the gap between the scaffold 1 and the main structure, and meanwhile, the guard plates 44 and the folding plates 45 are not fixedly connected with the main structure, so that the scaffold 1 can be lifted smoothly.
The sliding rail 22 comprises two sliding rail members, the height of the sliding rail 22 is 18 meters, the sliding rail 22 is formed by welding 2 steel pipes with the diameter of 48 multiplied by 3mm and rectangular pipes with the diameter of 50 multiplied by 3mm, plug connectors are arranged between adjacent sliding rail members, the end parts of the adjacent sliding rail members are fixedly connected with the plug connectors, pin pipes are arranged on the end parts of the adjacent sliding rail members, and conical pin shafts are inserted between the pin pipes on the adjacent sliding rail members; the vertical rods 15 on the adjacent scaffold members 11 are in butt joint, and channel steel joints are fixedly connected at the butt joint positions of the vertical rods 15 through bolt groups; the assembly of the slide rail 22 is realized through the above structure arrangement, and the connection stability between the adjacent scaffold members 11 is ensured.
A plurality of inclined rods 17 are arranged between the bottom pedal 12 and the upper pedal 13, the inclined rods 17 are arranged on the bottom pedal 12 at intervals of 2.0m, all loads of the scaffold 11 are borne by the inclined rods 17, and each inclined rod 17 is formed by processing 50 times 50 angle steel; the bottom end of each inclined rod 17 and the connecting piece 14 are fixedly connected through an M16 bolt set, and the top end of each inclined rod 17 and the upper pedal 13 are fixedly connected through the M16 bolt set; the scaffold 11 is reinforced by the above-described structural arrangement.
The wall attaching seat 21 comprises an encircling wall attaching seat formed by bending and welding steel plates, wherein the center of a backboard to a guide wheel is 337mm, a slideway matched with the slide rail 22 and two guide wheels are arranged on the encircling wall attaching seat, an anti-falling swinging block contacted with the slide rail 22 is arranged between the two guide wheels, the anti-falling swinging block is fixedly arranged on the wall attaching seat 21 through a pin shaft, in the ascending state, the anti-falling device swinging block always swings in the steps of the slide rail 22, when the scaffold 1 suddenly and freely drops, the swinging block is not reset and is pressed down by a step cross bar, and then the swinging block is prevented from rotating downwards by a stop block, so that the whole scaffold 1 can be supported to stop falling; an unloading member in contact with the sliding rail 22 is fixed on the encircling type wall attaching seat, an M30 high-strength bolt is adopted as an adjusting screw rod of the unloading member, one end of the unloading member is connected with the wall attaching seat 21 through a bearing bracket, the other end of the unloading member is a U-shaped jacking, the unloading member is shifted to the position of the sliding rail 22 after the scaffold 1 is lifted in place, and then the length of the screw rod is adjusted according to the stepping position of the sliding rail 22, so that the unloading U-shaped jacking supports the sliding rail 22 to lift the sliding rail to play an unloading role, and all loads of the scaffold 1 are transmitted to a main structure through the wall attaching seat 21; the inclined arrangement of the wall attaching base 21 along the side inclination of the main structure is realized through the structure arrangement, so that the scaffold 1 is ensured to incline and lift along the side of the main structure.
The lifting assembly 2 further comprises an auxiliary triangular support 18 in the shape of an isosceles triangle, the auxiliary triangular support 18 is formed by welding angle steel, the auxiliary triangular support 18 is fixed on the upper surface of an outer beam 23 of the main body structure, and one wall attaching base 21 is fixed on a vertical rod of the auxiliary triangular support 18; the temporary fixation of the wall attaching base 21 is realized through the structure arrangement, so that the scaffold 1 is ensured to be lifted smoothly; after the scaffold 1 is assembled and lifted in place every time later, after the template is removed from a construction layer, the wall attaching base 21 is installed and fixed at the first time, the auxiliary triangular support 18 is installed on the outer beam 23, and the auxiliary triangular support 18 is mainly used for installing the wall attaching base 21 on the auxiliary triangular support 18 after the scaffold 1 is lifted to the height of 2 meters, so that dangerous accidents caused by overhung scaffold 1 are prevented; the auxiliary triangular supports 18 are only used for anti-tilting effect, and the auxiliary triangular supports 18 are connected with the outer beams 23 by m30 through-wall bolts.
The assembly method of each scaffold 11 comprises the following steps: assembling each scaffold piece 11 at a construction site, wherein each scaffold piece 11 is horizontally placed at the side during assembling; placing a bottom pedal 12 according to a construction drawing, wherein the bottom pedal 12 is formed by connecting a plurality of pedal members as a whole, and adjacent pedal members are connected through 3 groups of M16 bolts; according to the construction drawing, a connecting piece 14 and a vertical rod 15 on one side are installed on a bottom pedal 12, the outer side of a scaffold 11 faces downwards, the inner side of the scaffold is upwards, the height of the scaffold is increased by about 20 cm below the scaffold 11, the connecting piece 14 is connected with the bottom pedal 12 through two groups of M16 bolts, and nuts are upwards during installation, so that the inspection is convenient; installing a plurality of upper pedals 13 and a plurality of bottom propping pieces 16 according to a construction drawing, wherein each upper pedal 13 is formed by connecting a plurality of pedal components into a whole, adjacent pedal components are connected through 3 groups of M16 bolts, the steps of the upper pedals 13 and the bottom propping pieces 16 are 2.0M, and the bottom propping pieces 16, the pedals and the vertical rods 15 are connected through the M16 bolts; installing a vertical rod 15 on the other side according to a construction drawing, and reserving the installation position of a sliding rail 22 when the vertical rod 15 on the other side is installed; installing a lower bracket 25 and a plurality of inclined rods 17 according to a construction drawing, wherein the lower bracket 25 is positioned below the bottom supporting piece 16; installing a baffle plate 44 according to a construction drawing, wherein the baffle plate 44 is installed on the inner side of the bottom pedal 12 and is connected with the frame of the bottom pedal 12 through M16 bolts, and the arrangement interval of the bolts is not more than 800mm; after the scaffold pieces 11 are assembled, a throwing support is arranged before hoisting, and the scaffold pieces 11 are temporarily connected to avoid collapse;
the hoisting of each scaffold member 11 and the mounting method of the scaffold 1 are as follows: each scaffold piece 11 is hoisted sequentially according to the machine position sequence, four connecting ropes 34 are adopted during hoisting, stability during hoisting of the scaffold pieces 11 is guaranteed, and connection of each scaffold piece 11 is facilitated; after each scaffold member 11 is hoisted to the installation position, a temporary pulling and connecting assembly 3 is arranged, and the scaffold member 11 is temporarily pulled and connected with the main structure through the temporary pulling and connecting assembly 3; after each scaffold 11 is hoisted in sequence, installing a protection assembly 4 and a lifting assembly 2 after the scaffold 1 is assembled;
lifting process of scaffold 1: before lifting, the scaffold 1 prepares for lifting, and checks whether the concrete strength of the main structure reaches the standard or not, and strictly obeys the attention; before lifting, the scaffold 1 needs to pull guard lines at 30 meters around the main structure; the electric hoist 27 is pre-tightened, and a pre-tightening operator appoints one person to operate so as to ensure that the chain of the electric hoist 27 is uniformly stressed, and the pre-tightening process ensures that the electric hoist 27 cannot have the phenomena of chain twisting, chain biting and chain turning; checking and removing all temporary pulling and connecting components 3 for connecting the scaffold 1 with the main structure and component materials for affecting the lifting of the scaffold 1 so as to ensure that the lifting process is smoothly carried out; checking all obstacle cleaning conditions, and performing tissue checking and lifting observation after the cleaning is finished, and preparing for lifting; lifting the scaffold 1 for 2-3 cm, stopping, loosening all bearing top supports on the scaffold 1, and ensuring that all clamping heads are rotated to the building direction; when the wall-attached seat 21 at the bottommost part of the main structure slides out of the slide rail 22, stopping the machine, and continuing lifting after removing the wall-attached seat 21 at the bottommost part; when the scaffold 1 is lifted in place, temporary drawknot with the main body structure is realized through the temporary drawknot component 3; the unloading member is adjusted to be in a stressed state and the folding plate 45 is turned to one side of the main body structure at the same time; removing and installing the main body structural lifting seat 26 to the previous layer; the reversing electric hoist 27 releases the hook, the main control box 5 is opened in an open state, and simultaneously, the bus plug of the scaffold 1 is pulled out, the main control box 5 is locked, and the ground warning is released;
the utility model provides an attached lifting scaffold mounting structure, which comprises a scaffold 1, an attached wall base 21 and a lifting base 26, wherein the attached wall base 21 is fixed on an outer beam 23 of each layer of main structure, an inclined cushion block 9 is clamped between the attached wall base 21 and the main structure, the attached wall base 21 is arranged in an inclined manner along the side inclination of the main structure through the inclined cushion block 9, the scaffold 1 is connected with the attached wall base 21 through a sliding rail 22, an electric hoist 27 for driving the scaffold 1 to lift is arranged on the scaffold 1, and the scaffold 1 is driven to slide up and down along the attached wall base 21 by controlling the retraction of a chain hoist on the electric hoist 27; furthermore, the scaffold 1 is inclined and lifted along the side surface of the main structure, construction requirements are met, moreover, the protection component 4 is arranged on each scaffold 1 body, the protection component 4 comprises a plurality of connecting steel plates 41, reinforcing gussets 42 and protection plate nets 43, the protection plate nets 43 are fixed on the connecting steel plates 41, the width of each connecting steel plate 41 gradually contracts from bottom to top, and then the protection plate nets 43 are all neat planes on the side surface of each scaffold 1 body, so that protection functions are realized, the overall attractiveness of the scaffold 1 is improved, and the requirements of civilized construction are met.
The foregoing description of the preferred embodiments of the utility model is not intended to limit the scope of the claims, but rather to cover all equivalent modifications within the scope of the present utility model as defined by the appended claims.
Claims (9)
1. An attached lifting scaffold mounting structure, the scaffold sets up on the lateral surface of major structure, its characterized in that: the scaffold is formed by overlapping a plurality of scaffold pieces from bottom to top; a plurality of lifting assemblies are arranged on the scaffold along the length direction of the scaffold at intervals, each lifting assembly comprises a plurality of wall attaching bases and sliding rails, each wall attaching base is fixed on an outer beam of each layer of main structure and is obliquely arranged along the inclination of the side surface of the main structure, each sliding rail is fixed on one side surface of the scaffold, each sliding rail is arranged on each wall attaching base, an upper support and a lower support are correspondingly arranged in the scaffold up and down, lifting bases are fixed on the main structure, and electric blocks are jointly arranged on the upper support, the lower support and the lifting bases, and the scaffold is driven to slide up and down along the wall attaching bases by controlling the retraction of upper chains of the electric blocks; an inclined cushion block is clamped between the wall-attached seat and the outer beam of the main body structure, the thickness of the upper end of the inclined cushion block is larger than that of the lower end of the inclined cushion block, and the wall-attached seat and the inclined cushion block are fixed on the outer beam through a wall penetrating screw; the scaffold member comprises a bottom pedal and a plurality of upper pedals, the width of the bottom pedal is larger than that of each upper pedal, the bottom pedal and the plurality of upper pedals are arranged in the upper and lower intervals along the height direction, a plurality of connecting pieces are vertically connected to the inner side edge and the outer side edge of the bottom pedal, the plurality of connecting pieces are arranged at intervals along the length direction of the pedals, vertical rods are connected to each connecting piece, the plurality of upper pedals are clamped and fixed between the vertical rods on the inner side edge and the vertical rods on the outer side edge, bottom jacking pieces are fixedly connected to the bottom of each upper pedal, and the bottom jacking pieces, the vertical rods on the inner side edge and the vertical rods on the outer side edge are fixedly connected.
2. The attached lift scaffold mounting structure of claim 1, wherein: a temporary drawknot component connected with the scaffold is arranged on the main body structure; the temporary drawknot assembly comprises embedded parts embedded in each layer of supporting floor slab of the main body structure, the supporting floor slab extends upwards from the embedded parts, the embedded parts are connected with inclined connecting rods, and the other ends of the inclined connecting rods are fixed on the scaffold.
3. The attached lift scaffold mounting structure of claim 2, wherein: the temporary drawknot assembly further comprises an anchoring hanging seat fixed on the main body structure inner beam, the sliding rail is fixedly connected with a detachable steel plate assembly, a connecting rope is arranged on the detachable steel plate assembly and the anchoring hanging seat, and two ends of the connecting rope are fixedly connected through a basket bolt.
4. The attached lift scaffold mounting structure of claim 1, wherein: the protection component is arranged on each scaffold member, the protection component comprises a plurality of connecting steel plates, the plurality of connecting steel plates are fixed on the side surface of the scaffold member, which is far away from the main structure, along the upper and lower intervals of the height of each scaffold member, the widths of the plurality of connecting steel plates gradually shrink from bottom to top, reinforcing gussets are fixedly connected with the scaffold member on the surface of each connecting steel plate, the reinforcing gussets are arranged along the interval of the length direction of the connecting steel plates, the protection plate nets vertically assembled from bottom to top are arranged on the side surface of the scaffold member, which is far away from the main structure, and the protection plate nets are fixed on the connecting steel plates.
5. The attached lift scaffold mounting structure of claim 4, wherein: the protection assembly further comprises a baffle plate, the baffle plate is arranged between the main body structure and the scaffold, the baffle plate is fixedly arranged on the bottom pedal or the upper pedal, a folding plate is hinged to the upper surface of the baffle plate, and the folding plate is abutted to the side face of the main body structure.
6. The attached lift scaffold mounting structure of claim 1, wherein: the sliding rail comprises a plurality of sliding rail members, plug connectors are arranged between the adjacent sliding rail members, the end parts of the adjacent sliding rail members are fixedly connected with the plug connectors, pin pipes are arranged on the end parts of the adjacent sliding rail members, and conical pin shafts are inserted between the pin pipes on the adjacent sliding rail members; vertical rods on adjacent scaffold pieces are connected in butt joint, and channel steel connectors are fixedly connected at the butt joint positions of the vertical rods.
7. The attached lift scaffold mounting structure of claim 1, wherein: a plurality of inclined rods are arranged between the bottom pedal and the upper pedal, the bottom end of each inclined rod is fixed with the connecting piece, and the top end of each inclined rod is fixed with the upper pedal.
8. The attached lift scaffold mounting structure of claim 1, wherein: the wall attaching seat comprises an encircling wall attaching seat, a slideway and two guide wheels are arranged on the encircling wall attaching seat, the slideway is matched with the slide rail, an anti-falling swing block is arranged between the two guide wheels and is contacted with the slide rail, and an unloading member is fixed on the encircling wall attaching seat and is contacted with the slide rail.
9. The attached lift scaffold mounting structure of claim 1, wherein: the lifting assembly further comprises an auxiliary triangular support which is isosceles triangle, the auxiliary triangular support is fixed on the upper surface of the main body structure outer beam, and one wall-attached base is fixed on a vertical rod of the auxiliary triangular support.
Priority Applications (1)
| Application Number | Priority Date | Filing Date | Title |
|---|---|---|---|
| CN202320637149.5U CN219327296U (en) | 2023-03-28 | 2023-03-28 | Attached lifting scaffold mounting structure |
Applications Claiming Priority (1)
| Application Number | Priority Date | Filing Date | Title |
|---|---|---|---|
| CN202320637149.5U CN219327296U (en) | 2023-03-28 | 2023-03-28 | Attached lifting scaffold mounting structure |
Publications (1)
| Publication Number | Publication Date |
|---|---|
| CN219327296U true CN219327296U (en) | 2023-07-11 |
Family
ID=87064291
Family Applications (1)
| Application Number | Title | Priority Date | Filing Date |
|---|---|---|---|
| CN202320637149.5U Active CN219327296U (en) | 2023-03-28 | 2023-03-28 | Attached lifting scaffold mounting structure |
Country Status (1)
| Country | Link |
|---|---|
| CN (1) | CN219327296U (en) |
Cited By (1)
| Publication number | Priority date | Publication date | Assignee | Title |
|---|---|---|---|---|
| CN116136122A (en) * | 2023-03-28 | 2023-05-19 | 中建二局第三建筑工程有限公司 | An integrated attached inclined lifting climbing frame system and its use method |
-
2023
- 2023-03-28 CN CN202320637149.5U patent/CN219327296U/en active Active
Cited By (1)
| Publication number | Priority date | Publication date | Assignee | Title |
|---|---|---|---|---|
| CN116136122A (en) * | 2023-03-28 | 2023-05-19 | 中建二局第三建筑工程有限公司 | An integrated attached inclined lifting climbing frame system and its use method |
Similar Documents
| Publication | Publication Date | Title |
|---|---|---|
| CN103086279B (en) | Vertical transportation construction method for building construction | |
| CN116136122A (en) | An integrated attached inclined lifting climbing frame system and its use method | |
| CN109973112B (en) | Super-large-dip-angle narrow-space tunnel anchor cable saddle gantry system and installation method thereof | |
| CN111395730B (en) | A curtain wall construction system and method suitable for high-rise buildings with special-shaped giant columns | |
| CN104847102A (en) | Wall attaching method and device of attached self-lifting scaffold on retraction section of building outer wall | |
| CN107269114A (en) | Road safety work construction barrier structure and its construction method | |
| CN219327296U (en) | Attached lifting scaffold mounting structure | |
| CN209780193U (en) | Suspension type scaffold | |
| CN105819352B (en) | Lifting device for detachable door type mast building and construction method thereof | |
| CN206581141U (en) | Bridge maintenance system | |
| CN111648585A (en) | Construction method and device of suspended support type steel truss platform | |
| CN215055155U (en) | Hanging basket mounting structure with overlong lengthened arm for outward cantilever | |
| CN212406038U (en) | Lower hanging construction platform module of high-altitude large-cantilever steel roof truss | |
| CN111764623B (en) | Hanging construction platform module and construction method of high altitude large cantilever steel roof frame | |
| CN101701492A (en) | Guide rail frame type adhering lifting scaffold | |
| CN208856718U (en) | A kind of saddle climbing type workbench | |
| CN221567819U (en) | Quick construction device for horizontal structure in super high-rise core tube | |
| CN113216587A (en) | High-rise building outer wall construction operation platform fixing structure and construction method thereof | |
| CN113235904A (en) | Circulating mutual-climbing lifting column and using method thereof | |
| CN119122250A (en) | A hanging basket device and construction method for large-area inclined glass curtain wall | |
| CN111749452A (en) | Suspension work platform and construction method for building inclined structural column construction | |
| KR100823859B1 (en) | How to inspect and repair the lower surface of the elevated road and its inspection and repair device | |
| CN117306887A (en) | Prefabricated building beam-column frame construction equipment and method | |
| CN116556644A (en) | Protection operation platform for elevator shaft of spreader | |
| CN222045110U (en) | A bracket for assisting steel bar installation |
Legal Events
| Date | Code | Title | Description |
|---|---|---|---|
| GR01 | Patent grant | ||
| GR01 | Patent grant |