CN215506389U - 一种改进型的香菇调味料的搅拌装置 - Google Patents
一种改进型的香菇调味料的搅拌装置 Download PDFInfo
- Publication number
- CN215506389U CN215506389U CN202122156117.7U CN202122156117U CN215506389U CN 215506389 U CN215506389 U CN 215506389U CN 202122156117 U CN202122156117 U CN 202122156117U CN 215506389 U CN215506389 U CN 215506389U
- Authority
- CN
- China
- Prior art keywords
- stirring
- top cover
- pipe
- cover
- strip
- Prior art date
- Legal status (The legal status is an assumption and is not a legal conclusion. Google has not performed a legal analysis and makes no representation as to the accuracy of the status listed.)
- Active
Links
- 235000011194 food seasoning agent Nutrition 0.000 title claims abstract description 40
- 235000001674 Agaricus brunnescens Nutrition 0.000 title claims abstract description 32
- 238000003756 stirring Methods 0.000 claims abstract description 105
- 238000011010 flushing procedure Methods 0.000 claims abstract description 32
- 238000007790 scraping Methods 0.000 claims abstract description 17
- 239000007921 spray Substances 0.000 claims abstract description 9
- 238000007789 sealing Methods 0.000 claims description 13
- 240000000599 Lentinula edodes Species 0.000 claims 4
- 230000000694 effects Effects 0.000 abstract description 11
- 230000009286 beneficial effect Effects 0.000 abstract description 7
- 238000004140 cleaning Methods 0.000 abstract description 4
- 230000002349 favourable effect Effects 0.000 abstract description 2
- 239000004278 EU approved seasoning Substances 0.000 description 3
- 238000012423 maintenance Methods 0.000 description 3
- 238000004519 manufacturing process Methods 0.000 description 3
- 238000000034 method Methods 0.000 description 3
- XEEYBQQBJWHFJM-UHFFFAOYSA-N Iron Chemical compound [Fe] XEEYBQQBJWHFJM-UHFFFAOYSA-N 0.000 description 2
- 238000009792 diffusion process Methods 0.000 description 2
- 235000013305 food Nutrition 0.000 description 2
- 239000004615 ingredient Substances 0.000 description 2
- 239000000843 powder Substances 0.000 description 2
- XLYOFNOQVPJJNP-UHFFFAOYSA-N water Substances O XLYOFNOQVPJJNP-UHFFFAOYSA-N 0.000 description 2
- 241000233866 Fungi Species 0.000 description 1
- VYPSYNLAJGMNEJ-UHFFFAOYSA-N Silicium dioxide Chemical compound O=[Si]=O VYPSYNLAJGMNEJ-UHFFFAOYSA-N 0.000 description 1
- 230000008878 coupling Effects 0.000 description 1
- 238000010168 coupling process Methods 0.000 description 1
- 238000005859 coupling reaction Methods 0.000 description 1
- 239000000796 flavoring agent Substances 0.000 description 1
- 235000019634 flavors Nutrition 0.000 description 1
- 235000012041 food component Nutrition 0.000 description 1
- 239000005417 food ingredient Substances 0.000 description 1
- 229910052742 iron Inorganic materials 0.000 description 1
- 230000000050 nutritive effect Effects 0.000 description 1
- 229920001296 polysiloxane Polymers 0.000 description 1
- 239000000741 silica gel Substances 0.000 description 1
- 229910002027 silica gel Inorganic materials 0.000 description 1
- 238000001179 sorption measurement Methods 0.000 description 1
- 229910001220 stainless steel Inorganic materials 0.000 description 1
- 239000010935 stainless steel Substances 0.000 description 1
- 238000005406 washing Methods 0.000 description 1
Images
Landscapes
- Mixers Of The Rotary Stirring Type (AREA)
Abstract
本实用新型提供一种改进型的香菇调味料的搅拌装置,包括搅拌罐,支撑座,支撑腿,出料阀,上支撑盖,进料筒,进料斗,斗盖,搅拌电机,搅拌叶,可拆卸搅拌刮条结构,冲洗管结构和可开合顶盖结构,所述的搅拌罐的中下部螺栓连接有支撑座,支撑座的下部四角部位螺栓连接有支撑腿,搅拌罐的下部右侧开设的出料口下部螺栓连接有出料阀,搅拌罐的上部螺栓连接有上支撑盖。本实用新型连接轴,插片,固定管,V型搅拌杆和刮条的设置,有利于提高搅拌效果,并便于清理搅拌罐下部内壁上附着的香菇调味料;冲洗管,翻边管,环形固定板,紧固螺栓和喷头的设置,有利于清洗搅拌罐。
Description
技术领域
本实用新型属于食品加工设备技术领域,尤其涉及一种改进型的香菇调味料的搅拌装置。
背景技术
调味料,也称佐料,是指被用来少量加入其他食物中用来改善味道的食品成分,从来源上,多数直接或间接来自植物,少数为动物成分或者合成成分,而香菇作为一种香味独特、营养价值高的食用菌,其制作而成的香菇调味料越来越受欢迎。香菇调味料生产过程中,需要通过搅拌装置将调味料进行搅拌混合。
但是现有的调味料搅拌装置还存在着搅拌效果较差,不便于清理和不便于查看搅拌程度的问题。
因此,发明一种改进型的香菇调味料的搅拌装置显得非常必要。
实用新型内容
为了解决上述技术问题,本实用新型提供一种改进型的香菇调味料的搅拌装置,提高了搅拌效果,便于清理并且便于查看搅拌程度。
其中本实用新型是通过以下技术方案得以实现的:
一种改进型的香菇调味料的搅拌装置,包括搅拌罐,支撑座,支撑腿,出料阀,上支撑盖,进料筒,进料斗,斗盖,搅拌电机,搅拌叶,可拆卸搅拌刮条结构,冲洗管结构和可开合顶盖结构,所述的搅拌罐的中下部螺栓连接有支撑座,支撑座的下部四角部位螺栓连接有支撑腿,搅拌罐的下部右侧开设的出料口下部螺栓连接有出料阀,搅拌罐的上部螺栓连接有上支撑盖;所述的进料筒的左侧下部开设的进料口左侧螺栓连接有进料斗,且进料斗的上部铰链连接有斗盖;所述的搅拌电机的输出轴的中部和下部均螺栓连接有搅拌叶;所述的可拆卸搅拌刮条结构连接搅拌罐;所述的冲洗管结构连接可开合顶盖结构;所述的可拆卸搅拌刮条结构包括连接轴,插片,固定管,V型搅拌杆和刮条,所述的连接轴的下部左右两侧分别螺栓连接有插片,插片分别插接在固定管的内部左右两侧开设的插槽内部,其中固定管的下部左右两侧分别螺栓连接有V型搅拌杆,且V型搅拌杆的外侧螺钉连接有刮条。
优选的,所述的连接轴的上端与搅拌电机的输出轴下端联轴器连接设置。
优选的,所述的冲洗管结构包括冲洗管,翻边管,环形固定板,紧固螺栓和喷头,所述的冲洗管的垂直段中上部套接有翻边管,冲洗管的垂直段上部螺栓连接有环形固定板,且翻边管与环形固定板通过紧固螺栓紧固连接设置;冲洗管的水平段左端螺纹连接有喷头。
优选的,所述的可开合顶盖结构包括固定顶盖,活动顶盖,合页,密封条,把手和磁铁条,所述的固定顶盖的上部右侧与活动顶盖的上部左侧通过合页连接,且固定顶盖的右侧和活动顶盖的左侧均胶接有密封条,其中活动顶盖的上部右侧螺栓连接有把手,且活动顶盖的下部右侧开设的凹槽内螺栓连接有磁铁条。
优选的,所述的固定顶盖螺栓连接在上支撑盖的上部左侧。
优选的,所述的磁铁条与上支撑盖的右侧吸附设置。
与现有技术相比,本实用新型的有益效果为:
1. 本实用新型中,所述的连接轴,插片,固定管,V型搅拌杆和刮条的设置,有利于提高搅拌效果,并便于清理搅拌罐下部内壁上附着的香菇调味料。
2. 本实用新型中,所述的冲洗管,翻边管,环形固定板,紧固螺栓和喷头的设置,有利于清洗搅拌罐。
3. 本实用新型中,所述的固定顶盖,活动顶盖,合页,密封条,把手和磁铁条的设置,有利于打开活动顶盖,以便查看搅拌程度或者对搅拌罐的内部进行检修维护。
4. 本实用新型中,所述的搅拌罐的设置,有利于盛放香菇调味料。
5.本实用新型中,所述的支撑座和支撑腿的设置,有利于支撑搅拌罐。
6. 本实用新型中,所述的出料阀的设置,有利于排出搅拌后的香菇调味料。
7.本实用新型中,所述的进料筒,进料斗和斗盖的设置,有利于将香菇调味料送入搅拌罐内。
8. 本实用新型中,所述的搅拌电机和搅拌叶的设置,有利于对香菇调味料进行搅拌。
附图说明
图1是本实用新型的结构示意图。
图2是本实用新型的可拆卸搅拌刮条结构的结构示意图。
图3是本实用新型的冲洗管结构的结构示意图。
图4是本实用新型的可开合顶盖结构的结构示意图。
图中:
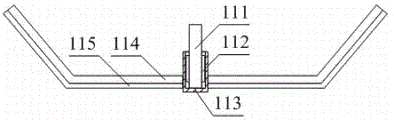
1、搅拌罐;2、支撑座;3、支撑腿;4、出料阀;5、上支撑盖;6、进料筒;7、进料斗;8、斗盖;9、搅拌电机;10、搅拌叶;11、可拆卸搅拌刮条结构;111、连接轴;112、插片;113、固定管;114、V型搅拌杆;115、刮条;12、冲洗管结构;121、冲洗管;122、翻边管;123、环形固定板;124、紧固螺栓;125、喷头;13、可开合顶盖结构;131、固定顶盖;132、活动顶盖;133、合页;134、密封条;135、把手;136、磁铁条。
具体实施方式
下面结合附图对本实用新型进行具体描述,如附图 1 和附图 2所示,一种改进型的香菇调味料的搅拌装置,包括搅拌罐1,支撑座2,支撑腿3,出料阀4,上支撑盖5,进料筒6,进料斗7,斗盖8,搅拌电机9和搅拌叶10,所述的搅拌罐1的中下部螺栓连接有支撑座2,支撑座2的下部四角部位螺栓连接有支撑腿3,搅拌罐1的下部右侧开设的出料口下部螺栓连接有出料阀4,搅拌罐1的上部螺栓连接有上支撑盖5;所述的进料筒6的左侧下部开设的进料口左侧螺栓连接有进料斗7,且进料斗7的上部铰链连接有斗盖8,操作人员打开斗盖8,将香菇调味料通过进料斗7倒入搅拌罐1内部,倒入过程中,进料筒6和斗盖8的遮挡减小了香菇调味料中扬起的粉末扩散到外部环境的程度;所述的搅拌电机9的输出轴的中部和下部均螺栓连接有搅拌叶10。
其中一种改进型的香菇调味料的搅拌装置,还包括可拆卸搅拌刮条结构11,冲洗管结构12和可开合顶盖结构13,所述的可拆卸搅拌刮条结构11连接搅拌罐1;所述的冲洗管结构12连接可开合顶盖结构13。
其中所述的可拆卸搅拌刮条结构11包括连接轴111,插片112,固定管113,V型搅拌杆114和刮条115,所述的连接轴111的下部左右两侧分别螺栓连接有插片112,插片112分别插接在固定管113的内部左右两侧开设的插槽内部,将连接轴111和插片112从固定管113内拔出,便于拆卸维修,其中固定管113的下部左右两侧分别螺栓连接有V型搅拌杆114,且V型搅拌杆114的外侧螺钉连接有刮条115,将外部设置的电源与搅拌电机9接通,搅拌电机9带动搅拌叶10和连接轴111转动,V型搅拌杆114和刮条115将搅拌罐1下部内壁上附着的香菇调味料刮下,减小了香菇调味料在生产过程中的损耗,并使得搅拌罐1的内部更加干净。
本实施方案中,结合附图3所示,所述的冲洗管结构12包括冲洗管121,翻边管122,环形固定板123,紧固螺栓124和喷头125,所述的冲洗管121的垂直段中上部套接有翻边管122,冲洗管121的垂直段上部螺栓连接有环形固定板123,且翻边管122与环形固定板123通过紧固螺栓124紧固连接设置;冲洗管121的水平段左端螺纹连接有喷头125,将外部清水管路连接冲洗管121,放松紧固螺栓124,将环形固定板123与冲洗管121转动,调节喷头125的角度,实现冲洗搅拌罐1的功能。
本实施方案中,结合附图4所示,所述的可开合顶盖结构13包括固定顶盖131,活动顶盖132,合页133,密封条134,把手135和磁铁条136,所述的固定顶盖131的上部右侧与活动顶盖132的上部左侧通过合页133连接,且固定顶盖131的右侧和活动顶盖132的左侧均胶接有密封条134,密封条134减小了香菇调味料溢出的程度,提高了密封效果,其中活动顶盖132的上部右侧螺栓连接有把手135,且活动顶盖132的下部右侧开设的凹槽内螺栓连接有磁铁条136,通过把手135将活动顶盖132打开,便于进行检修维护,并观察香菇调味料的搅拌情况。
本实施方案中,具体的,所述的进料筒6螺栓连接在固定顶盖131的内部左侧开设的进料口的上部。
本实施方案中,具体的,所述的固定顶盖131中部偏右侧开设有通孔,冲洗管121贯穿通孔,且翻边管122的下端螺栓连接在通孔的上部。
本实施方案中,具体的,所述的搅拌电机9螺栓连接在固定顶盖131的上部右侧,且搅拌电机9的输出轴贯穿固定顶盖131的内部右侧开设的通孔。
本实施方案中,具体的,所述的固定管113的下端轴承连接在搅拌罐1内部的底部中间部位。
本实施方案中,具体的,所述的刮条115与搅拌罐1的内壁接触设置。
本实施方案中,具体的,所述的出料阀4采用刀闸阀;所述的上支撑盖5采用环形铁盖;所述的搅拌电机9采用BLD型长轴电动机;所述的搅拌叶10采用三片式搅拌叶。
本实施方案中,具体的,所述的V型搅拌杆114采用V型不锈钢杆;所述的刮条115采用硅胶条。
本实施方案中,具体的,所述的冲洗管121采用L型PVC管。
本实施方案中,具体的,所述的密封条134采用硅胶密封条。
工作原理
本实用新型中,操作人员打开斗盖8,将香菇调味料通过进料斗7倒入搅拌罐1内部,倒入过程中,进料筒6和斗盖8的遮挡减小了香菇调味料中扬起的粉末扩散到外部环境的程度;将外部设置的电源与搅拌电机9接通,搅拌电机9带动搅拌叶10和连接轴111转动,V型搅拌杆114和刮条115将搅拌罐1下部内壁上附着的香菇调味料刮下,减小了香菇调味料在生产过程中的损耗,并使得搅拌罐1的内部更加干净,将连接轴111和插片112从固定管113内拔出,便于拆卸维修;通过把手135将活动顶盖132打开,便于进行检修维护,并观察香菇调味料的搅拌情况,密封条134减小了香菇调味料溢出的程度,提高了密封效果;将外部清水管路连接冲洗管121,放松紧固螺栓124,将环形固定板123与冲洗管121转动,调节喷头125的角度,实现冲洗搅拌罐1的功能。
利用本实用新型所述的技术方案,或本领域的技术人员在本实用新型技术方案的启发下,设计出类似的技术方案,而达到上述技术效果的,均是落入本实用新型的保护范围。
Claims (6)
1.一种改进型的香菇调味料的搅拌装置,其特征在于,该改进型的香菇调味料的搅拌装置包括搅拌罐(1),支撑座(2),支撑腿(3),出料阀(4),上支撑盖(5),进料筒(6),进料斗(7),斗盖(8),搅拌电机(9),搅拌叶(10),可拆卸搅拌刮条结构(11),冲洗管结构(12)和可开合顶盖结构(13),所述的搅拌罐(1)的中下部螺栓连接有支撑座(2),支撑座(2)的下部四角部位螺栓连接有支撑腿(3),搅拌罐(1)的下部右侧开设的出料口下部螺栓连接有出料阀(4),搅拌罐(1)的上部螺栓连接有上支撑盖(5);所述的进料筒(6)的左侧下部开设的进料口左侧螺栓连接有进料斗(7),且进料斗(7)的上部铰链连接有斗盖(8);所述的搅拌电机(9)的输出轴的中部和下部均螺栓连接有搅拌叶(10);所述的可拆卸搅拌刮条结构(11)连接搅拌罐(1);所述的冲洗管结构(12)连接可开合顶盖结构(13);所述的可拆卸搅拌刮条结构(11)包括连接轴(111),插片(112),固定管(113),V型搅拌杆(114)和刮条(115),所述的连接轴(111)的下部左右两侧分别螺栓连接有插片(112),插片(112)分别插接在固定管(113)的内部左右两侧开设的插槽内部,其中固定管(113)的下部左右两侧分别螺栓连接有V型搅拌杆(114),且V型搅拌杆(114)的外侧螺钉连接有刮条(115)。
2.如权利要求1所述的改进型的香菇调味料的搅拌装置,其特征在于,所述的连接轴(111)的上端与搅拌电机(9)的输出轴下端联轴器连接设置。
3.如权利要求1所述的改进型的香菇调味料的搅拌装置,其特征在于,所述的冲洗管结构(12)包括冲洗管(121),翻边管(122),环形固定板(123),紧固螺栓(124)和喷头(125),所述的冲洗管(121)的垂直段中上部套接有翻边管(122),冲洗管(121)的垂直段上部螺栓连接有环形固定板(123),且翻边管(122)与环形固定板(123)通过紧固螺栓(124)紧固连接设置;冲洗管(121)的水平段左端螺纹连接有喷头(125)。
4.如权利要求1所述的改进型的香菇调味料的搅拌装置,其特征在于,所述的可开合顶盖结构(13)包括固定顶盖(131),活动顶盖(132),合页(133),密封条(134),把手(135)和磁铁条(136),所述的固定顶盖(131)的上部右侧与活动顶盖(132)的上部左侧通过合页(133)连接,且固定顶盖(131)的右侧和活动顶盖(132)的左侧均胶接有密封条(134),其中活动顶盖(132)的上部右侧螺栓连接有把手(135),且活动顶盖(132)的下部右侧开设的凹槽内螺栓连接有磁铁条(136)。
5.如权利要求4所述的改进型的香菇调味料的搅拌装置,其特征在于,所述的固定顶盖(131)螺栓连接在上支撑盖(5)的上部左侧。
6.如权利要求4所述的改进型的香菇调味料的搅拌装置,其特征在于,所述的磁铁条(136)与上支撑盖(5)的右侧吸附设置。
Priority Applications (1)
| Application Number | Priority Date | Filing Date | Title |
|---|---|---|---|
| CN202122156117.7U CN215506389U (zh) | 2021-09-08 | 2021-09-08 | 一种改进型的香菇调味料的搅拌装置 |
Applications Claiming Priority (1)
| Application Number | Priority Date | Filing Date | Title |
|---|---|---|---|
| CN202122156117.7U CN215506389U (zh) | 2021-09-08 | 2021-09-08 | 一种改进型的香菇调味料的搅拌装置 |
Publications (1)
| Publication Number | Publication Date |
|---|---|
| CN215506389U true CN215506389U (zh) | 2022-01-14 |
Family
ID=79796168
Family Applications (1)
| Application Number | Title | Priority Date | Filing Date |
|---|---|---|---|
| CN202122156117.7U Active CN215506389U (zh) | 2021-09-08 | 2021-09-08 | 一种改进型的香菇调味料的搅拌装置 |
Country Status (1)
| Country | Link |
|---|---|
| CN (1) | CN215506389U (zh) |
Cited By (1)
| Publication number | Priority date | Publication date | Assignee | Title |
|---|---|---|---|---|
| CN114732119A (zh) * | 2022-04-29 | 2022-07-12 | 河南吉尔木食品有限公司 | 一种香菇调味料的制作工艺及其设备 |
-
2021
- 2021-09-08 CN CN202122156117.7U patent/CN215506389U/zh active Active
Cited By (2)
| Publication number | Priority date | Publication date | Assignee | Title |
|---|---|---|---|---|
| CN114732119A (zh) * | 2022-04-29 | 2022-07-12 | 河南吉尔木食品有限公司 | 一种香菇调味料的制作工艺及其设备 |
| CN114732119B (zh) * | 2022-04-29 | 2024-04-12 | 河南吉尔木食品有限公司 | 一种香菇调味料的制作工艺及其设备 |
Similar Documents
| Publication | Publication Date | Title |
|---|---|---|
| CN211677389U (zh) | 防腐剂定量混合制备装置 | |
| CN215506389U (zh) | 一种改进型的香菇调味料的搅拌装置 | |
| CN208727395U (zh) | 一种便于清洗的搅拌装置 | |
| CN110976408A (zh) | 一种清洗化工类产品的设备及清洗工艺 | |
| CN107668749A (zh) | 一种便于排料的发酵饲料加湿装置 | |
| CN218642720U (zh) | 一种用于罐头食品制作的发酵装置 | |
| CN215585520U (zh) | 一种肝素钠加工用的树脂吸附设备 | |
| CN209030976U (zh) | 一种肉类搅拌装置 | |
| CN222624252U (zh) | 一种香菇调味料的搅拌装置 | |
| CN209546854U (zh) | 一种西瓜子清洗装置 | |
| CN209612819U (zh) | 一种用于农产品加工的搅拌机 | |
| CN211837392U (zh) | 一种生物培养液混合用无菌搅拌装置 | |
| CN209123745U (zh) | 一种液态食品搅拌设备 | |
| CN217016156U (zh) | 一种牡丹保健食品加工用搅拌装置 | |
| CN218609055U (zh) | 一种高效型植物生长调节剂生产用搅拌装置 | |
| CN220143258U (zh) | 一种施肥混合装置 | |
| CN208287891U (zh) | 一种菌菇生产加工用搅拌装置 | |
| CN221868123U (zh) | 一种调味料液体混合装置 | |
| CN220143146U (zh) | 一种蛋液混合物制备组件 | |
| CN213639468U (zh) | 一种食品发酵用可定量式和面发酵装置 | |
| CN219972179U (zh) | 一种农业肥料加工发酵装置 | |
| CN214218709U (zh) | 一种生物有机酶发酵装置 | |
| CN217614460U (zh) | 一种可降低内壁残留物的加工混料机 | |
| CN212680782U (zh) | 一种易清洗的真空搅拌机 | |
| CN211435835U (zh) | 一种饲料生产加工装置 |
Legal Events
| Date | Code | Title | Description |
|---|---|---|---|
| GR01 | Patent grant | ||
| GR01 | Patent grant |