CN110976408A - 一种清洗化工类产品的设备及清洗工艺 - Google Patents

一种清洗化工类产品的设备及清洗工艺 Download PDF

Info

Publication number
CN110976408A
CN110976408A CN201911365952.2A CN201911365952A CN110976408A CN 110976408 A CN110976408 A CN 110976408A CN 201911365952 A CN201911365952 A CN 201911365952A CN 110976408 A CN110976408 A CN 110976408A
Authority
CN
China
Prior art keywords
cleaning
tank body
cleaning tank
sleeve
upper cover
Prior art date
Legal status (The legal status is an assumption and is not a legal conclusion. Google has not performed a legal analysis and makes no representation as to the accuracy of the status listed.)
Pending
Application number
CN201911365952.2A
Other languages
English (en)
Inventor
刘子正
张兵
Current Assignee (The listed assignees may be inaccurate. Google has not performed a legal analysis and makes no representation or warranty as to the accuracy of the list.)
Nanjing Yuanyuan Chemical Storage Co Ltd
Original Assignee
Nanjing Yuanyuan Chemical Storage Co Ltd
Priority date (The priority date is an assumption and is not a legal conclusion. Google has not performed a legal analysis and makes no representation as to the accuracy of the date listed.)
Filing date
Publication date
Application filed by Nanjing Yuanyuan Chemical Storage Co Ltd filed Critical Nanjing Yuanyuan Chemical Storage Co Ltd
Priority to CN201911365952.2A priority Critical patent/CN110976408A/zh
Publication of CN110976408A publication Critical patent/CN110976408A/zh
Pending legal-status Critical Current

Links

Images

Classifications

    • BPERFORMING OPERATIONS; TRANSPORTING
    • B08CLEANING
    • B08BCLEANING IN GENERAL; PREVENTION OF FOULING IN GENERAL
    • B08B3/00Cleaning by methods involving the use or presence of liquid or steam
    • B08B3/04Cleaning involving contact with liquid
    • B08B3/10Cleaning involving contact with liquid with additional treatment of the liquid or of the object being cleaned, e.g. by heat, by electricity or by vibration
    • B08B3/102Cleaning involving contact with liquid with additional treatment of the liquid or of the object being cleaned, e.g. by heat, by electricity or by vibration with means for agitating the liquid
    • BPERFORMING OPERATIONS; TRANSPORTING
    • B08CLEANING
    • B08BCLEANING IN GENERAL; PREVENTION OF FOULING IN GENERAL
    • B08B13/00Accessories or details of general applicability for machines or apparatus for cleaning
    • BPERFORMING OPERATIONS; TRANSPORTING
    • B08CLEANING
    • B08BCLEANING IN GENERAL; PREVENTION OF FOULING IN GENERAL
    • B08B3/00Cleaning by methods involving the use or presence of liquid or steam
    • B08B3/04Cleaning involving contact with liquid
    • B08B3/10Cleaning involving contact with liquid with additional treatment of the liquid or of the object being cleaned, e.g. by heat, by electricity or by vibration
    • B08B3/14Removing waste, e.g. labels, from cleaning liquid
    • BPERFORMING OPERATIONS; TRANSPORTING
    • B08CLEANING
    • B08BCLEANING IN GENERAL; PREVENTION OF FOULING IN GENERAL
    • B08B9/00Cleaning hollow articles by methods or apparatus specially adapted thereto
    • B08B9/08Cleaning containers, e.g. tanks
    • B08B9/087Cleaning containers, e.g. tanks by methods involving the use of tools, e.g. brushes, scrapers

Landscapes

  • Engineering & Computer Science (AREA)
  • Mechanical Engineering (AREA)
  • Cleaning By Liquid Or Steam (AREA)

Abstract

本发明公开了一种清洗化工类产品的设备及清洗工艺,一种清洗化工类产品的设备,包括清洗罐体,所述清洗罐体的顶部对应设置上盖板,所述上盖板的中间位置贯穿设置套管,所述套管的顶端固定设置进水端口,且套管的底端贯穿并延伸至清洗罐体内与过滤筒连通设置,所述过滤筒的上下两端对称固定安装两组矩形支架,所述矩形支架的另一端固定安装支撑套筒,所述支撑套筒的内部底端固定安装第一弹簧,所述第一弹簧的另一端固定连接挡板,所述挡板与支撑套筒的内侧壁滑动设置且挡板的另一端固定连接横杆,所述横杆的另一端固定连接刮板。该发明可以对清洗罐体的内部进行刮除清理,便于下料处理,方便快速安装拆卸,清洗效果好,操作简单。

Description

一种清洗化工类产品的设备及清洗工艺
技术领域
本发明属于清洗设备技术领域,更具体地说,尤其涉及一种清洗化工类产品的设备。同时,本发明还涉及一种清洗化工类产品的设备的清洗工艺。
背景技术
由于生产工艺的要求,在化工成品生产过程中会使用一些清洗装置,但是目前市面上的清洗化工类产品的清洗装置,通过仅仅进行简单的处理作用,功能单一,而且一般在使用后,不能很好的对设备进行清理,容易出现大量残留物而,操作繁琐,使用不方便。
发明内容
本发明的目的在于提供一种清洗化工类产品的设备及清洗工艺,以解决上述背景技术中提出的问题。
为实现上述目的,本发明提供如下技术方案:一种清洗化工类产品的设备,包括清洗罐体,所述清洗罐体的顶部对应设置上盖板,所述上盖板的左右两端固定安装支块,所述支块的底端固定设置升降杆,所述升降杆的底端与第一气缸的输出端连接设置,所述第一气缸固定安装于清洗罐体左右两侧壁上的支撑板上,所述上盖板的中间位置贯穿设置套管,所述套管的顶端固定设置进水端口,且套管的底端贯穿并延伸至清洗罐体内与过滤筒连通设置,所述过滤筒的上下两端对称固定安装两组矩形支架,所述矩形支架的另一端固定安装支撑套筒,所述支撑套筒的内部底端固定安装第一弹簧,所述第一弹簧的另一端固定连接挡板,所述挡板与支撑套筒的内侧壁滑动设置且挡板的另一端固定连接横杆,所述横杆的另一端固定连接刮板,所述清洗罐体的底端固定设置倒锥形出料口,且位于倒锥形出料口的上方安装设置支撑滤板,所述支撑滤板的左右两端对称设置连接块,所述清洗罐体的左右内侧壁上且与连接块相对应位置固定安装滑动槽,所述清洗罐体的正表面且与支撑滤板相对应位置开设有矩形孔且矩形孔外铰件连接门板,且门板的外侧壁上固定安装把手,所述清洗罐体的底部固定安装有支撑腿。
优选的,所述上盖板的顶端左侧开设有进料口,且上盖板的顶部四侧端均安装设置固定螺杆,所述固定螺杆的底端贯穿延伸至清洗罐体顶部内开设的螺纹槽内,且固定螺杆的顶端固定连接圆环。
此项设置固定螺杆和螺纹槽,可以保证上盖板的稳定设置。
优选的,所述套管的外表面且位于上盖板的上方固定设置从动齿轮,所述从动齿轮的右侧啮合连接主动齿轮,所述主动齿轮的底端与驱动电机的输出轴转动连接,所述驱动电机的固定安装于上盖板上。
此项设置从动齿轮、主动齿轮和驱动电机,可以带动套管进行旋转,提高动力。
优选的,所述过滤筒的外表面且位于两组矩形支架之间固定安装若干组搅拌桨。
此项设置搅拌桨,可以起到搅动、打散作用。
优选的,所述连接块的底端内部开设凹槽,所述凹槽内部固定安装第二弹簧,所述第二弹簧的另一端固定连接限位块,所述限位块的底端固定连接竖杆。
此项设置第二弹簧、限位块和凹槽,可以对竖杆进行弹性支撑,对支撑滤板进行定位。
本发明还提供了一种清洗化工类产品的设备的清洗工艺,具体包括以下步骤:
S1、利用圆环对固定螺杆进行转动拧紧,保证上盖板稳定放置在清洗罐体上,通过进料口将需要清洗的化工类产品投入清洗罐体内,连接外界水源使其与套管顶部的进水端口连通配合,从而向清洗罐体内注入清洗水流;
S2、控制驱动电机使带动主动齿轮进行旋转,与从动齿轮的啮合设置下,带动套管底端贯通设置的过滤筒在清洗罐体内进行旋转作业,在若干组搅拌桨的搅动作用下对化工类产品进行打散,有助于提高清洗效果;
S3、在过滤筒的转动作用下带动矩形支架安装的支撑套筒进行旋转,结合第一弹簧和挡板的滑动连接,使横杆另一端连接的刮板紧靠于清洗罐体的内侧壁上,对粘附在清洗罐体内侧壁上的残留物进行刮除清理,便于对清洗罐体的内部进行清理;
S4、清洗结束后,将清洗水经倒锥形出料口排出,通过打开门板,在压缩弹簧、挡杆和转动块的连接设置,对挡杆进行按压使竖杆收缩至连接块内部的凹槽中,对支撑滤板进行拿取拆卸,方便进行卸料处理。
与现有技术相比,本发明的有益效果是:通过套管、过滤筒、矩形支架、支撑套筒、第一弹簧、挡板和横杆的结合设置,有效保证刮板与清洗罐体的内侧壁紧密接触,可以对罐体内部进行刮除、清理,便于操作使用,有效提高清洗效率;通过滑动槽、连接块、第二弹簧、竖杆、挡杆、压缩弹簧和门板的协同配合,可以对支撑滤板进行安装固定,且方便拿取、拆卸,便于对清洗后的物料进行卸料处理,操作便捷简单。
附图说明
图1为本发明的主视结构示意图;
图2为本发明的剖视结构示意图;
图3为本发明A处的放大结构示意图;
图4为本发明B处放大的结构示意图。
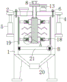
图中:1、清洗罐体;2、上盖板;3、支块;4、升降杆;5、第一气缸;6、固定螺杆;7、压缩弹簧;8、套管;9、门板;10、过滤筒;11、从动齿轮;12、主动齿轮;13、驱动电机;14、矩形支架;15、支撑套筒;16、第一弹簧;17、挡板;18、横杆;19、刮板;20、倒锥形出料口;21、支撑滤板;22、连接块;23、滑动槽;24、凹槽;25、第二弹簧;26、限位块;27、竖杆;28、转动块;29、挡杆。
具体实施方式
为了使本发明的目的、技术方案及优点更加清楚明白,以下结合具体实施例,对本发明进行进一步详细说明。应当理解,此处所描述的具体实施例仅仅用以解释本发明,并不用于限定本发明。
请参阅图1-4,本发明提供了一种清洗化工类产品的设备,包括清洗罐体1,清洗罐体1的顶部对应设置上盖板2,上盖板2的左右两端固定安装支块3,支块3的底端固定设置升降杆4,升降杆4的底端与第一气缸5的输出端连接设置,第一气缸5固定安装于清洗罐体1左右两侧壁上的支撑板上,具体设置时,上盖板2的顶端左侧开设有进料口,且上盖板2的顶部四侧端均安装设置固定螺杆6,固定螺杆6的底端贯穿延伸至清洗罐体1顶部内开设的螺纹槽内,且固定螺杆6的顶端固定连接圆环,通过安装固定螺杆6可以保证上盖板2与清洗罐体1的稳定连接。
上盖板2的中间位置贯穿设置套管8,套管8的顶端固定设置进水端口,且套管8的底端贯穿并延伸至清洗罐体1内与过滤筒10连通设置,具体的,套管8的外表面且位于上盖板2的上方固定设置从动齿轮11,从动齿轮11的右侧啮合连接主动齿轮12,主动齿轮12的底端与驱动电机13的输出轴转动连接,驱动电机13的固定安装于上盖板2上,利用驱动电机13可以给套管8和过滤筒10提高动力支持,过滤筒10的上下两端对称固定安装两组矩形支架14,矩形支架14的另一端固定安装支撑套筒15,支撑套筒15的内部底端固定安装第一弹簧16,第一弹簧16的另一端固定连接挡板17,挡板17与支撑套筒15的内侧壁滑动设置且挡板17的另一端固定连接横杆18,横杆18的另一端固定连接刮板19,过滤筒10的外表面且位于两组矩形支架14之间固定安装若干组搅拌桨,可以对清洗罐体1内部的物料起到搅拌作用,有想提高清洗效果。
清洗罐体1的底端固定设置倒锥形出料口20,且位于倒锥形出料口20的上方安装设置支撑滤板21,支撑滤板21的左右两端对称设置连接块22,清洗罐体1的左右内侧壁上且与连接块22相对应位置固定安装滑动槽23,具体的,连接块22的底端内部开设凹槽24,凹槽24内部固定安装第二弹簧25,第二弹簧25的另一端固定连接限位块26,限位块26的底端固定连接竖杆27,竖杆27的底端贯穿并延伸至滑动槽23的底部外侧固定连接转动块28,转动块28的左右两端均转动连接挡杆29,挡杆29的另一端固定连接压缩弹簧7,压缩弹簧7的另一端固定安装于竖杆27两侧壁开设的卡槽内,利用竖杆27、挡杆29和压缩弹簧7的结合设置,可以对支撑滤板21进行定位安装,不易晃动,清洗罐体1的正表面且与支撑滤板21相对应位置开设有矩形孔且矩形孔外铰件连接门板9,且门板9的外侧壁上固定安装把手,方便对门板9进行打开或关闭,清洗罐体1的底部固定安装有支撑腿。
本发明还提供了一种清洗化工类产品的设备的清洗工艺,具体包括以下步骤:
S1、利用圆环对固定螺杆6进行转动拧紧,保证上盖板2稳定放置在清洗罐体1上,通过进料口将需要清洗的化工类产品投入清洗罐体1内,连接外界水源使其与套管8顶部的进水端口连通配合,从而向清洗罐体1内注入清洗水流;
S2、控制驱动电机13使带动主动齿轮12进行旋转,与从动齿轮11的啮合设置下,带动套管8底端贯通设置的过滤筒10在清洗罐体1内进行旋转作业,在若干组搅拌桨的搅动作用下对化工类产品进行打散,有助于提高清洗效果;
S3、在过滤筒10的转动作用下带动矩形支架14安装的支撑套筒15进行旋转,结合第一弹簧16和挡板17的滑动连接,使横杆18另一端连接的刮板19紧靠于清洗罐体1的内侧壁上,对粘附在清洗罐体1内侧壁上的残留物进行刮除清理,便于对清洗罐体1的内部进行清理;
S4、清洗结束后,将清洗水经倒锥形出料口20排出,通过打开门板9,在压缩弹簧7、挡杆29和转动块28的连接设置,对挡杆29进行按压使竖杆27收缩至连接块22内部的凹槽24中,对支撑滤板21进行拿取拆卸,方便进行卸料处理。
综上所述,该发明通过套管8、过滤筒10、矩形支架14、支撑套筒15、第一弹簧16、挡板17和横杆18的结合设置,有效保证刮板19与清洗罐体1的内侧壁紧密接触,可以对罐体内部进行刮除、清理,便于操作使用,有效提高清洗效率;通过滑动槽23、连接块22、第二弹簧25、竖杆27、挡杆29、压缩弹簧7和门板9的协同配合,可以对支撑滤板21进行安装固定,且方便拿取、拆卸,便于对清洗后的物料进行卸料处理,操作便捷简单。
以上所述,仅为本发明较佳的具体实施方式,但本发明的保护范围并不局限于此,任何熟悉本技术领域的技术人员在本发明揭露的技术范围内,根据本发明的技术方案及其发明构思加以等同替换或改变,都应涵盖在本发明的保护范围之内。

Claims (7)

1.一种清洗化工类产品的设备,包括清洗罐体(1),其特征在于:所述清洗罐体(1)的顶部对应设置上盖板(2),所述上盖板(2)的左右两端固定安装支块(3),所述支块(3)的底端固定设置升降杆(4),所述升降杆(4)的底端与第一气缸(5)的输出端连接设置,所述第一气缸(5)固定安装于清洗罐体(1)左右两侧壁上的支撑板上,所述上盖板(2)的中间位置贯穿设置套管(8),所述套管(8)的顶端固定设置进水端口,且套管(8)的底端贯穿并延伸至清洗罐体(1)内与过滤筒(10)连通设置,所述过滤筒(10)的上下两端对称固定安装两组矩形支架(14),所述矩形支架(14)的另一端固定安装支撑套筒(15),所述支撑套筒(15)的内部底端固定安装第一弹簧(16),所述第一弹簧(16)的另一端固定连接挡板(17),所述挡板(17)与支撑套筒(15)的内侧壁滑动设置且挡板(17)的另一端固定连接横杆(18),所述横杆(18)的另一端固定连接刮板(19),所述清洗罐体(1)的底端固定设置倒锥形出料口(20),且位于倒锥形出料口(20)的上方安装设置支撑滤板(21),所述支撑滤板(21)的左右两端对称设置连接块(22),所述清洗罐体(1)的左右内侧壁上且与连接块(22)相对应位置固定安装滑动槽(23),所述清洗罐体(1)的正表面且与支撑滤板(21)相对应位置开设有矩形孔且矩形孔外铰件连接门板(9),且门板(9)的外侧壁上固定安装把手,所述清洗罐体(1)的底部固定安装有支撑腿。
2.根据权利要求1所述的一种清洗化工类产品的设备,其特征在于:所述上盖板(2)的顶端左侧开设有进料口,且上盖板(2)的顶部四侧端均安装设置固定螺杆(6),所述固定螺杆(6)的底端贯穿延伸至清洗罐体(1)顶部内开设的螺纹槽内,且固定螺杆(6)的顶端固定连接圆环。
3.根据权利要求1所述的一种清洗化工类产品的设备,其特征在于:所述套管(8)的外表面且位于上盖板(2)的上方固定设置从动齿轮(11),所述从动齿轮(11)的右侧啮合连接主动齿轮(12),所述主动齿轮(12)的底端与驱动电机(13)的输出轴转动连接,所述驱动电机(13)的固定安装于上盖板(2)上。
4.根据权利要求1所述的一种清洗化工类产品的设备,其特征在于:所述过滤筒(10)的外表面且位于两组矩形支架(14)之间固定安装若干组搅拌桨。
5.根据权利要求1所述的一种清洗化工类产品的设备,其特征在于:所述连接块(22)的底端内部开设凹槽(24),所述凹槽(24)内部固定安装第二弹簧(25),所述第二弹簧(25)的另一端固定连接限位块(26),所述限位块(26)的底端固定连接竖杆(27)。
6.根据权利要求5所述的一种清洗化工类产品的设备,其特征在于:所述竖杆(27)的底端贯穿并延伸至滑动槽(23)的底部外侧固定连接转动块(28),所述转动块(28)的左右两端均转动连接挡杆(29),所述挡杆(29)的另一端固定连接压缩弹簧(7),所述压缩弹簧(7)的另一端固定安装于竖杆(27)两侧壁开设的卡槽内。
7.一种权利要求1所述的清洗化工类产品的设备的清洗工艺,其特征在于,具体包括以下步骤:
S1、利用圆环对固定螺杆(6)进行转动拧紧,保证上盖板(2)稳定放置在清洗罐体(1)上,通过进料口将需要清洗的化工类产品投入清洗罐体(1)内,连接外界水源使其与套管(8)顶部的进水端口连通配合,从而向清洗罐体(1)内注入清洗水流;
S2、控制驱动电机(13)使带动主动齿轮(12)进行旋转,与从动齿轮(11)的啮合设置下,带动套管(8)底端贯通设置的过滤筒(10)在清洗罐体(1)内进行旋转作业,在若干组搅拌桨的搅动作用下对化工类产品进行打散,有助于提高清洗效果;
S3、在过滤筒(10)的转动作用下带动矩形支架(14)安装的支撑套筒(15)进行旋转,结合第一弹簧(16)和挡板(17)的滑动连接,使横杆(18)另一端连接的刮板(19)紧靠于清洗罐体(1)的内侧壁上,对粘附在清洗罐体(1)内侧壁上的残留物进行刮除清理,便于对清洗罐体(1)的内部进行清理;
S4、清洗结束后,将清洗水经倒锥形出料口(20)排出,通过打开门板(9),在压缩弹簧(7)、挡杆(29)和转动块(28)的连接设置,对挡杆(29)进行按压使竖杆(27)收缩至连接块(22)内部的凹槽(24)中,对支撑滤板(21)进行拿取拆卸,方便进行卸料处理。
CN201911365952.2A 2019-12-26 2019-12-26 一种清洗化工类产品的设备及清洗工艺 Pending CN110976408A (zh)

Priority Applications (1)

Application Number Priority Date Filing Date Title
CN201911365952.2A CN110976408A (zh) 2019-12-26 2019-12-26 一种清洗化工类产品的设备及清洗工艺

Applications Claiming Priority (1)

Application Number Priority Date Filing Date Title
CN201911365952.2A CN110976408A (zh) 2019-12-26 2019-12-26 一种清洗化工类产品的设备及清洗工艺

Publications (1)

Publication Number Publication Date
CN110976408A true CN110976408A (zh) 2020-04-10

Family

ID=70077291

Family Applications (1)

Application Number Title Priority Date Filing Date
CN201911365952.2A Pending CN110976408A (zh) 2019-12-26 2019-12-26 一种清洗化工类产品的设备及清洗工艺

Country Status (1)

Country Link
CN (1) CN110976408A (zh)

Cited By (4)

* Cited by examiner, † Cited by third party
Publication number Priority date Publication date Assignee Title
CN111811922A (zh) * 2020-07-20 2020-10-23 云南财经大学 一种用于建立树种单木含碳率模型的生物量样本采集系统
CN112892369A (zh) * 2021-01-13 2021-06-04 无锡东恒新能源科技有限公司 一种高效导电浆料生产装置
CN114849260A (zh) * 2022-06-02 2022-08-05 泰兴华盛精细化工有限公司 一种碳酸亚乙烯酯的除焦装置
CN116020168A (zh) * 2023-03-29 2023-04-28 阿卡姆(山东)健康科技有限公司 一种带有自动清洗功能的天然产物提取罐

Citations (8)

* Cited by examiner, † Cited by third party
Publication number Priority date Publication date Assignee Title
US4827563A (en) * 1986-09-16 1989-05-09 Gordon Len C Tank cleaning apparatus and method
CN106391610A (zh) * 2016-08-29 2017-02-15 山东胜伟园林科技有限公司 易清理内部沉淀的集水罐
CN206996652U (zh) * 2017-06-16 2018-02-13 麻煜坤 化学实验铁架台
WO2018152747A1 (zh) * 2017-02-23 2018-08-30 深圳市玖创科技有限公司 一种便于清洗的锂电池电极浆料搅拌混合罐
CN208866101U (zh) * 2018-09-18 2019-05-17 无锡雅达科技有限公司 一种具有净化功能的化工原料清洗装置
CN109950856A (zh) * 2017-12-20 2019-06-28 张晓娜 一种具有避雷功能的输配电设备
CN209597186U (zh) * 2019-02-01 2019-11-08 吉安民辉新型材料有限公司 一种减水剂生产用中和釜
CN211515385U (zh) * 2019-12-26 2020-09-18 南京远方化工仓储有限公司 一种清洗化工类产品的设备

Patent Citations (8)

* Cited by examiner, † Cited by third party
Publication number Priority date Publication date Assignee Title
US4827563A (en) * 1986-09-16 1989-05-09 Gordon Len C Tank cleaning apparatus and method
CN106391610A (zh) * 2016-08-29 2017-02-15 山东胜伟园林科技有限公司 易清理内部沉淀的集水罐
WO2018152747A1 (zh) * 2017-02-23 2018-08-30 深圳市玖创科技有限公司 一种便于清洗的锂电池电极浆料搅拌混合罐
CN206996652U (zh) * 2017-06-16 2018-02-13 麻煜坤 化学实验铁架台
CN109950856A (zh) * 2017-12-20 2019-06-28 张晓娜 一种具有避雷功能的输配电设备
CN208866101U (zh) * 2018-09-18 2019-05-17 无锡雅达科技有限公司 一种具有净化功能的化工原料清洗装置
CN209597186U (zh) * 2019-02-01 2019-11-08 吉安民辉新型材料有限公司 一种减水剂生产用中和釜
CN211515385U (zh) * 2019-12-26 2020-09-18 南京远方化工仓储有限公司 一种清洗化工类产品的设备

Cited By (4)

* Cited by examiner, † Cited by third party
Publication number Priority date Publication date Assignee Title
CN111811922A (zh) * 2020-07-20 2020-10-23 云南财经大学 一种用于建立树种单木含碳率模型的生物量样本采集系统
CN112892369A (zh) * 2021-01-13 2021-06-04 无锡东恒新能源科技有限公司 一种高效导电浆料生产装置
CN114849260A (zh) * 2022-06-02 2022-08-05 泰兴华盛精细化工有限公司 一种碳酸亚乙烯酯的除焦装置
CN116020168A (zh) * 2023-03-29 2023-04-28 阿卡姆(山东)健康科技有限公司 一种带有自动清洗功能的天然产物提取罐

Similar Documents

Publication Publication Date Title
CN110976408A (zh) 一种清洗化工类产品的设备及清洗工艺
CN108435690A (zh) 一种用于有机垃圾预处理的搅拌冲洗设备
CN211515385U (zh) 一种清洗化工类产品的设备
CN209126016U (zh) 一种pe塑料颗粒生产母料回收清洗装置
CN207854927U (zh) 一种斩拌机
CN208972615U (zh) 一种芝麻清洗装置
CN210646046U (zh) 一种方便清洗的uv油墨生产用混合装置
CN219815877U (zh) 一种搅拌混合装置
CN209679998U (zh) 一种带风洗装置的粉体搅拌机
CN209563403U (zh) 一种新型的高效率卧式和面机
CN208769620U (zh) 一种便于清洗的食品搅拌机
CN207430795U (zh) 一种便于排料的中草药高效清洗去杂装置
CN214767507U (zh) 一种中药药材清洗装置
CN207709465U (zh) 一种高效药草清洗设备
CN221203902U (zh) 一种面条加工用和面设备
CN223112391U (zh) 一种金耳多糖的提取装置
CN220899581U (zh) 一种便于搅拌混合的中药制剂加工用提取设备
CN221479663U (zh) 一种污水絮凝加药装置
CN220490520U (zh) 一种土壤ph检测用批量混合装置
CN222753891U (zh) 一种中药饮片润洗设备
CN205886366U (zh) 一种餐厨垃圾脱水除渣装置
CN217288498U (zh) 一种中药药理学试验台
CN222550389U (zh) 一种清洁剂生产用过滤装置
CN220369400U (zh) 一种用于水产加工的搅拌装置
CN220973008U (zh) 一种蒸煮清洗罐

Legal Events

Date Code Title Description
PB01 Publication
PB01 Publication
SE01 Entry into force of request for substantive examination
SE01 Entry into force of request for substantive examination
RJ01 Rejection of invention patent application after publication
RJ01 Rejection of invention patent application after publication

Application publication date: 20200410