CN215462898U - 一种油烟环保净化装置用清洁装置 - Google Patents
一种油烟环保净化装置用清洁装置 Download PDFInfo
- Publication number
- CN215462898U CN215462898U CN202023077532.5U CN202023077532U CN215462898U CN 215462898 U CN215462898 U CN 215462898U CN 202023077532 U CN202023077532 U CN 202023077532U CN 215462898 U CN215462898 U CN 215462898U
- Authority
- CN
- China
- Prior art keywords
- box
- box body
- oil smoke
- filter screen
- filter
- Prior art date
- Legal status (The legal status is an assumption and is not a legal conclusion. Google has not performed a legal analysis and makes no representation as to the accuracy of the status listed.)
- Expired - Fee Related
Links
- 238000004140 cleaning Methods 0.000 title abstract description 20
- 230000007613 environmental effect Effects 0.000 title abstract description 3
- 239000000779 smoke Substances 0.000 title description 13
- XLYOFNOQVPJJNP-UHFFFAOYSA-N water Substances O XLYOFNOQVPJJNP-UHFFFAOYSA-N 0.000 abstract description 35
- 239000012459 cleaning agent Substances 0.000 abstract description 19
- 239000003517 fume Substances 0.000 abstract description 8
- 239000007921 spray Substances 0.000 abstract description 8
- 238000000746 purification Methods 0.000 abstract description 6
- 239000004519 grease Substances 0.000 abstract description 5
- 238000007789 sealing Methods 0.000 description 16
- OKTJSMMVPCPJKN-UHFFFAOYSA-N Carbon Chemical compound [C] OKTJSMMVPCPJKN-UHFFFAOYSA-N 0.000 description 11
- 239000003814 drug Substances 0.000 description 10
- 238000001179 sorption measurement Methods 0.000 description 8
- 239000010865 sewage Substances 0.000 description 7
- 229910052799 carbon Inorganic materials 0.000 description 5
- 239000012535 impurity Substances 0.000 description 5
- 241000220317 Rosa Species 0.000 description 4
- 238000001914 filtration Methods 0.000 description 3
- 230000000694 effects Effects 0.000 description 2
- 239000002699 waste material Substances 0.000 description 2
- 230000009286 beneficial effect Effects 0.000 description 1
- 238000010586 diagram Methods 0.000 description 1
- 238000007599 discharging Methods 0.000 description 1
- 239000011859 microparticle Substances 0.000 description 1
- 230000004048 modification Effects 0.000 description 1
- 238000012986 modification Methods 0.000 description 1
Images
Landscapes
- Water Treatment By Sorption (AREA)
Abstract
本实用新型公开了一种油烟环保净化装置用清洁装置,属于油烟设备技术领域,具体包括箱体,箱体内倾斜设置有第一过滤网,第一过滤网上方平行设置有丝杠和限位杆,丝杠上还螺纹连接有移动板,移动板的下表面设有清洗刷,丝杠的上方还设有喷头,第一过滤网低端的箱体外侧固定安装有过滤箱,过滤箱的上方固定安装有第一水泵,第一水泵的进水端连接有三通管,箱体内底部还设有排泥装置;本实用新型通过丝杠,使清洗刷对第一过滤网进行反复清洗,防止第一过滤网发生堵塞,通过清洗剂桶,使清洗剂与油脂进行反应,去除油烟中的油脂,通过第二过滤网和活性炭吸附层,对箱体内的清洗剂和污水进行过滤和吸附,使水能够充分反复利用,避免水资源浪费。
Description
技术领域
本实用新型属于油烟设备技术领域,具体涉及一种油烟环保净化装置用清洁装置。
背景技术
现有油烟净化器使用过程中,在一段使用时间过后,过滤油烟的过滤网上会聚集大量的油脂或者微颗粒杂质,如果想要保证油烟净化器的效率不会变化,那就需要用户定期把过滤网拆下来进行清洗,如果长期不进行清洗,不单油烟净化器效率大大降低,设备寿命也会有一定影响工作人员进行清理会大大增加工作人员的体力劳动,而且不方便工作人员清理,从而大大降低了工作效率。
实用新型内容
为解决上述背景技术中提出的问题。本实用新型提供了一种油烟环保净化装置用清洁装置,具有方便清洁的特点。
为实现上述目的,本实用新型提供如下技术方案:一种油烟环保净化装置用清洁装置,包括箱体,所述箱体内倾斜设置有第一过滤网,所述第一过滤网上方平行设置有丝杠和限位杆,且丝杠的一端与箱体转动连接,丝杠的另一端延伸至箱体外侧连接有电机,所述丝杠上还螺纹连接有移动板,且移动板上还开设有用于限位杆穿过的空槽,所述移动板的下表面设有清洗刷,所述丝杠的上方还设有喷头,所述第一过滤网低端的箱体外侧固定安装有过滤箱,且过滤箱内从上而下依次安装有第二过滤网和活性炭吸附层,所述过滤箱开设有排水管,且排水管上设有第一电子阀门,所述箱体与过滤箱通过滑槽连通,所述过滤箱的上方固定安装有第一水泵,且第一水泵的进水端连接有三通管,第一水泵的出水端与喷头连通,所述三通管的另外两个端口分别连接有进水管和进药管,所述进水管的一端延伸至活性炭吸附层的下方,且进水管上设有第二电子阀门,所述进药管延伸至与过滤箱顶部固定连接的清洗剂桶内部,且进药管上设有第三电子阀门,所述箱体的还开设有排污管,且排污管与过滤箱上方固定连接的第二水泵的进水端连通,第二水泵的出水端延伸至过滤箱内的第二过滤网上方,所述箱体内底部还设有排泥装置。
优选的,所述排泥装置包括安装框,电动推杆和刮板,所述安装框分别固定安装在箱体的后侧,所述电动推杆的固定端与安装框固定连接,且电动推杆的活动端延伸至箱体内部,所述刮板固定安装在电动推杆的活动端。
优选的,所述刮板的四周紧密贴合有橡胶层。
优选的,所述清洗剂桶上设有进药口,且进药口上合页连接有密封盖。
优选的,所述清洗剂桶上还设有透明观察窗。
优选的,所述箱体上合页连接有第一密封门,所述过滤箱上合页连接有第二密封门。
优选的,所述第一密封门上设有控制开关。
与现有技术相比,本实用新型的有益效果是:
本实用新型通过丝杠,使清洗刷对第一过滤网进行反复清洗,防止第一过滤网发生堵塞,从而影响对油烟的过滤效果,通过清洗剂桶,使清洗剂与油脂进行反应,去除油烟中的油脂,通过第二过滤网和活性炭吸附层,对箱体内的清洗剂和污水进行过滤和吸附,使水能够充分反复利用,避免水资源浪费。
附图说明
附图用来提供对本实用新型的进一步理解,并且构成说明书的一部分,与本实用新型的实施例一起用于解释本实用新型,并不构成对本实用新型的限制。在附图中:
图1为本实用新型主视图剖面图结构示意图;
图2为本实用新型主视图结构示意图;
图3为本实用新型右视图结构示意图;
图4为本实用新型俯视图结构示意图;
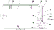
图中:1、箱体;2、第一过滤网;3、丝杠;4、电机;5、移动板;6、清洗刷;7、喷头;8、过滤箱;801、第二过滤网;802、活性炭吸附层;803、排水管;804、第一电子阀门;9、滑槽;10、第一水泵;11、三通管;12、进水管;13、第二电子阀门;14、进药管;15、清洗剂桶;1501、进药口;1502、密封盖;1503、透明观察窗;16、第三电子阀门;17、排污管;18、第二水泵;19、安装框;20、电动推杆;21、刮板;22、第一密封门;23、第二密封门;24、控制开关。
具体实施方式
下面将结合本实用新型实施例中的附图,对本实用新型实施例中的技术方案进行清楚、完整地描述,显然,所描述的实施例仅仅是本实用新型一部分实施例,而不是全部的实施例。基于本实用新型中的实施例,本领域普通技术人员在没有做出创造性劳动前提下所获得的所有其他实施例,都属于本实用新型保护的范围。
实施例
请参阅图1-4,本实施例提供以下技术方案:一种油烟环保净化装置用清洁装置,包括箱体1,箱体1内倾斜设置有第一过滤网2,第一过滤网2上方平行设置有丝杠3和限位杆,丝杠3和限位杆在同一水平面上,且丝杠3的一端与箱体1转动连接,丝杠3的另一端延伸至箱体1外侧连接有电机4,丝杠3上还螺纹连接有移动板5,且移动板5上还开设有用于限位杆穿过的空槽,移动板5的下表面设有清洗刷6,通过丝杠3,使清洗刷6对第一过滤网2进行反复清洗,防止第一过滤网2发生堵塞,从而影响对油烟的过滤效果,丝杠3的上方还设有喷头7,第一过滤网2低端的箱体1外侧固定安装有过滤箱8,过滤箱8内从上而下依次安装有第二过滤网801和活性炭吸附层802,通过第二过滤网801和活性炭吸附层802,对箱体1内的清洗剂和污水进行过滤和吸附,使水能够充分反复利用,避免水资源浪费,过滤箱8开设有排水管803,排水管803上设有第一电子阀门804,箱体1与过滤箱8通过滑槽9连通,方便把第一过滤网2上的杂质清洗到过滤箱8内部,过滤箱8的上方固定安装有第一水泵10,且第一水泵10的进水端连接有三通管11,第一水泵10的出水端与喷头7连通,三通管11的另外两个端口分别连接有进水管12和进药管14,进水管12的一端延伸至活性炭吸附层802的下方,且进水管12上设有第二电子阀门13,进药管14延伸至与过滤箱8顶部固定连接的清洗剂桶15内部,且进药管14上设有第三电子阀门16,通过清洗剂桶15,使清洗剂与油脂进行反应,去除油烟中的油脂,清洗剂桶15上设有进药口1501,通过进药口1501,方便工作人员往清洗剂桶15内添加清洗剂,且进药口1501上合页连接有密封盖1502,通过密封盖1502,防止清洗剂桶15内部进入杂质,清洗剂桶15上还设有透明观察窗1503,通过密封盖1502,防止清洗剂桶15内部进入杂质,箱体1的左侧开设有排污管17,且排污管17与过滤箱8上方固定连接的第二水泵18的进水端连通,第二水泵18的出水端延伸至过滤箱8内的第二过滤网801上方,安装框19分别固定安装在箱体1的后侧,电动推杆20的固定端与安装框19规定连接,且电动推杆20的活动端延伸至箱体1内部,刮板21固定安装在电动推杆20的活动端,通过刮板21,对箱体1内底部沉淀的污泥清理到箱体1外侧,方便工作人员使用,减少工作人员的体力劳动,刮板21的四周紧密贴合有橡胶层,通过橡胶层,避免刮板21与箱体1硬性接触,从而防止长时间使用造成损耗,箱体1上合页连接有第一密封门22,第一密封门22上设有控制开关24,过滤箱8上合页连接有第二密封门23,通过第一密封门22和第二密封门23,方便工作人员使用。
本实用新型的工作原理:油烟环保净化装置用清洁装置工作时,通过控制开关24,打开第三电子阀门16,启动第一水泵10,使清洗剂通过喷头7对油烟进行喷洒,启动电机4,使清洗刷6沿第一过滤网2方向往返运动,清理的杂质,通过滑槽9进入过滤箱8内部,工作完毕需要清理时,关闭第三电子阀门16和第一水泵10,启动第二水泵18,使箱体1内的污水进入过滤箱8内,污水通过第二过滤网801和活性炭吸附层802进行过滤,打开第二电子阀门13,启动第一水泵10,使过滤后的污水通过喷头7对箱体1内进行清洗,清洗完毕后,关闭第二电子阀门13和第一水泵10,打开第一电子阀门804,通过排水管803使过滤后的污水排出过滤箱8外,然后打开第一密封门22,启动电动推杆20,通过刮板21,使箱体1底部残留的污泥推到箱体1外侧,方便工作人员清理。
最后应说明的是:以上所述仅为本实用新型的优选实施例而已,并不用于限制本实用新型,尽管参照前述实施例对本实用新型进行了详细的说明,对于本领域的技术人员来说,其依然可以对前述各实施例所记载的技术方案进行修改,或者对其中部分技术特征进行等同替换。凡在本实用新型的精神和原则之内,所作的任何修改、等同替换、改进等,均应包含在本实用新型的保护范围之内。
Claims (7)
1.一种油烟环保净化装置用清洁装置,其特征在于:包括箱体(1),所述箱体(1)内倾斜设置有第一过滤网(2),所述第一过滤网(2)上方水平设置有丝杠(3)和限位杆,且丝杠(3)的一端与箱体(1)转动连接,丝杠(3)的另一端延伸至箱体(1)外侧连接有电机(4),所述丝杠(3)上还螺纹连接有移动板(5),且移动板(5)上还开设有用于限位杆穿过的空槽,所述移动板(5)的下表面设有清洗刷(6),所述丝杠(3)的上方还设有喷头(7),所述第一过滤网(2)低端的箱体(1)外侧固定安装有过滤箱(8),且过滤箱(8)内从上而下依次安装有第二过滤网(801)和活性炭吸附层(802),所述过滤箱(8)开设有排水管(803),且排水管(803)上设有第一电子阀门(804),所述箱体(1)与过滤箱(8)通过滑槽(9)连通,所述过滤箱(8)的上方固定安装有第一水泵(10),且第一水泵(10)的进水端连接有三通管(11),第一水泵(10)的出水端与喷头(7)连通,所述三通管(11)的另外两个端口分别连接有进水管(12)和进药管(14),所述进水管(12)的一端延伸至活性炭吸附层(802)的下方,且进水管(12)上设有第二电子阀门(13),所述进药管(14)延伸至与过滤箱(8)顶部固定连接的清洗剂桶(15)内部,且进药管(14)上设有第三电子阀门(16),所述箱体(1)的还开设有排污管(17),且排污管(17)与过滤箱(8)上方固定连接的第二水泵(18)的进水端连通,第二水泵(18)的出水端延伸至过滤箱(8)内的第二过滤网(801)上方,所述箱体(1)内底部还设有排泥装置。
2.根据权利要求1所述的一种油烟环保净化装置用清洁装置,其特征在于:所述排泥装置包括安装框(19),电动推杆(20)和刮板(21),所述安装框(19)分别固定安装在箱体(1)的后侧,所述电动推杆(20)的固定端与安装框(19)固定连接,且电动推杆(20)的活动端延伸至箱体(1)内部,所述刮板(21)固定安装在电动推杆(20)的活动端。
3.根据权利要求2所述的一种油烟环保净化装置用清洁装置,其特征在于:所述刮板(21)的四周紧密贴合有橡胶层。
4.根据权利要求1所述的一种油烟环保净化装置用清洁装置,其特征在于:所述清洗剂桶(15)上设有进药口(1501),且进药口(1501)上合页连接有密封盖(1502)。
5.根据权利要求1所述的一种油烟环保净化装置用清洁装置,其特征在于:所述清洗剂桶(15)上还设有透明观察窗(103)。
6.根据权利要求1所述的一种油烟环保净化装置用清洁装置,其特征在于:所述箱体(1)上合页连接有第一密封门(22),所述过滤箱(8)上合页连接有第二密封门(23)。
7.根据权利要求6所述的一种油烟环保净化装置用清洁装置,其特征在于:所述第一密封门(22)上设有控制开关(24)。
Priority Applications (1)
| Application Number | Priority Date | Filing Date | Title |
|---|---|---|---|
| CN202023077532.5U CN215462898U (zh) | 2020-12-19 | 2020-12-19 | 一种油烟环保净化装置用清洁装置 |
Applications Claiming Priority (1)
| Application Number | Priority Date | Filing Date | Title |
|---|---|---|---|
| CN202023077532.5U CN215462898U (zh) | 2020-12-19 | 2020-12-19 | 一种油烟环保净化装置用清洁装置 |
Publications (1)
| Publication Number | Publication Date |
|---|---|
| CN215462898U true CN215462898U (zh) | 2022-01-11 |
Family
ID=79717527
Family Applications (1)
| Application Number | Title | Priority Date | Filing Date |
|---|---|---|---|
| CN202023077532.5U Expired - Fee Related CN215462898U (zh) | 2020-12-19 | 2020-12-19 | 一种油烟环保净化装置用清洁装置 |
Country Status (1)
| Country | Link |
|---|---|
| CN (1) | CN215462898U (zh) |
Cited By (3)
| Publication number | Priority date | Publication date | Assignee | Title |
|---|---|---|---|---|
| CN114345184A (zh) * | 2022-01-17 | 2022-04-15 | 河南派莫机械设备有限公司 | 一种纤维用气流搅拌装置及其使用方法 |
| CN114477578A (zh) * | 2022-01-21 | 2022-05-13 | 杭州博天环保科技有限公司 | 一种环保工程用生活污水处理过滤消毒装置 |
| CN117018799A (zh) * | 2023-09-06 | 2023-11-10 | 苏州优矿塑新材料股份有限公司 | 一种废气净化处理装置 |
-
2020
- 2020-12-19 CN CN202023077532.5U patent/CN215462898U/zh not_active Expired - Fee Related
Cited By (3)
| Publication number | Priority date | Publication date | Assignee | Title |
|---|---|---|---|---|
| CN114345184A (zh) * | 2022-01-17 | 2022-04-15 | 河南派莫机械设备有限公司 | 一种纤维用气流搅拌装置及其使用方法 |
| CN114477578A (zh) * | 2022-01-21 | 2022-05-13 | 杭州博天环保科技有限公司 | 一种环保工程用生活污水处理过滤消毒装置 |
| CN117018799A (zh) * | 2023-09-06 | 2023-11-10 | 苏州优矿塑新材料股份有限公司 | 一种废气净化处理装置 |
Similar Documents
| Publication | Publication Date | Title |
|---|---|---|
| CN215462898U (zh) | 一种油烟环保净化装置用清洁装置 | |
| CN215233109U (zh) | 一种医疗废物处理废气过滤装置 | |
| CN218998011U (zh) | 一种便于清理玻璃板的太阳能路灯 | |
| CN209968021U (zh) | 一种用于电厂机电设备的一体化除尘装置 | |
| CN218980632U (zh) | 一种污水处理过滤装置 | |
| CN210345578U (zh) | 一种油烟机自动清洗装置 | |
| CN211215806U (zh) | 一种环保节能型建筑给排水系统 | |
| CN207893877U (zh) | 一种具备增湿功能的家用空气净化器 | |
| CN211635586U (zh) | 一种空气净化用过滤网清洗装置 | |
| CN209065559U (zh) | 一种罗纹面料加工装置中的节水机构 | |
| CN216204086U (zh) | 一种用于空气净化器的滤网自洁装置 | |
| CN214399993U (zh) | 一种便于清洗的污水处理装置 | |
| CN211393957U (zh) | 一种高回收率反渗透净水处理系统 | |
| CN214106184U (zh) | 一种饲料生产用脉冲除尘器 | |
| CN207654898U (zh) | 一种高效环保除尘设备 | |
| CN219376450U (zh) | 一种负压称量室内的均流装置 | |
| CN218741010U (zh) | 一种具有清洁功能的废气净化喷淋塔 | |
| CN221331053U (zh) | 一种工程装饰外墙清洁装置 | |
| CN221385681U (zh) | 一种除尘器防堵塞结构 | |
| CN214914227U (zh) | 一种静电除油设备 | |
| CN110120286A (zh) | 一种绝缘子芯棒的自动清洗系统 | |
| CN222510731U (zh) | 一种城市生活污水用污水净化装置 | |
| CN215559350U (zh) | 一种具有自动冲洗保养膜及管道的水处理装置 | |
| CN220443475U (zh) | 一种具有排水功能的湿式除尘器 | |
| CN219519756U (zh) | 点胶阀的清洗装置 |
Legal Events
| Date | Code | Title | Description |
|---|---|---|---|
| GR01 | Patent grant | ||
| GR01 | Patent grant | ||
| CF01 | Termination of patent right due to non-payment of annual fee | ||
| CF01 | Termination of patent right due to non-payment of annual fee |
Granted publication date: 20220111 |