CN215314663U - 一种改进的医疗废物粉碎机构 - Google Patents

一种改进的医疗废物粉碎机构 Download PDF

Info

Publication number
CN215314663U
CN215314663U CN202121059717.5U CN202121059717U CN215314663U CN 215314663 U CN215314663 U CN 215314663U CN 202121059717 U CN202121059717 U CN 202121059717U CN 215314663 U CN215314663 U CN 215314663U
Authority
CN
China
Prior art keywords
medical waste
pipe
fixedly connected
improved medical
box
Prior art date
Legal status (The legal status is an assumption and is not a legal conclusion. Google has not performed a legal analysis and makes no representation as to the accuracy of the status listed.)
Expired - Fee Related
Application number
CN202121059717.5U
Other languages
English (en)
Inventor
余根锋
余飞
徐萍
余根仰
黄建雄
Current Assignee (The listed assignees may be inaccurate. Google has not performed a legal analysis and makes no representation or warranty as to the accuracy of the list.)
Guizhou Huanyu Resources Recycling Technology Co ltd
Original Assignee
Guizhou Huanyu Resources Recycling Technology Co ltd
Priority date (The priority date is an assumption and is not a legal conclusion. Google has not performed a legal analysis and makes no representation as to the accuracy of the date listed.)
Filing date
Publication date
Application filed by Guizhou Huanyu Resources Recycling Technology Co ltd filed Critical Guizhou Huanyu Resources Recycling Technology Co ltd
Priority to CN202121059717.5U priority Critical patent/CN215314663U/zh
Application granted granted Critical
Publication of CN215314663U publication Critical patent/CN215314663U/zh
Expired - Fee Related legal-status Critical Current
Anticipated expiration legal-status Critical

Links

Images

Landscapes

  • Crushing And Pulverization Processes (AREA)

Abstract

本实用新型公开了一种改进的医疗废物粉碎机构,包括粉碎箱,所述粉碎箱的上表面连通有进料仓,所述粉碎箱的左侧面固定连接有底板,所述底板的下表面固定安装有驱动电机,所述驱动电机的输出端固定连接有转轴,所述粉碎箱的顶壁固定连接有阻隔箱,所述阻隔箱的下表面活动穿插有搅拌杆,所述粉碎箱的下表面连通有出料管,所述出料管的下表面连通有输送管,所述输送管的下表面固定连接有底座,所述输送管的左侧面活动穿插有转杆,所述转杆的右端固定连接有输送蛟龙,所述粉碎箱的上表面连通有三通管,通过一系列结构的设置使得本装置能够将医疗废物进行同步粉碎、消毒及输送,处理效果好。

Description

一种改进的医疗废物粉碎机构
技术领域
本实用新型涉及废物处理技术领域,具体为一种改进的医疗废物粉碎机构。
背景技术
医疗废物是指医疗卫生机构在医疗、预防、保健以及其他相关活动中产生的具有直接或者间接感染性、毒性以及其他危害性的废物,与生活垃圾不同,医疗垃圾物含有大量的细菌、病毒及化学药剂,具有极强的传染性、生物毒性和腐蚀性,未经处理或处理不彻底的医疗垃圾任意堆放,极易造成对水体、土壤和空气的污染,对人体产生直接或间接的危害,也可能成为疫病流行的源头。
目前在处理医疗废物时,主要有粉碎、焚烧、填埋等处置方式,所以必须将医疗废物进行粉碎处理,再经过消毒等程序,目前的粉碎效率较低,且不具备自动上料的功能,为此我们提供了一种改进的医疗废物粉碎机构。
实用新型内容
本实用新型的目的在于提供一种改进的医疗废物粉碎机构,以解决上述背景技术中提出的问题。
为实现上述目的,本实用新型提供如下技术方案:一种改进的医疗废物粉碎机构,包括粉碎箱,所述粉碎箱的上表面连通有进料仓,所述粉碎箱的左侧面固定连接有底板,所述底板的下表面固定安装有驱动电机,所述驱动电机的输出端固定连接有转轴,所述粉碎箱的顶壁固定连接有阻隔箱,所述阻隔箱的下表面活动穿插有搅拌杆,所述粉碎箱的下表面连通有出料管,所述出料管的下表面连通有输送管,所述输送管的下表面固定连接有底座,所述粉碎箱的上表面连通有三通管。
优选的,所述转轴的右端延伸至所述阻隔箱的内部,所述转轴的外表面固定连接有多个粉碎刀片。
优选的,所述转轴的右端固定安装有主动锥形齿轮,所述搅拌杆的顶端固定安装有从动锥形齿轮,所述主动锥形齿轮与所述从动锥形齿轮啮合。
优选的,所述搅拌杆的外表面固定连接有限位圆环,所述阻隔箱的内壁开设有与限位圆环滑动连接的圆形滑轨。
优选的,所述搅拌杆的外表面固定连接有搅拌轮,所述搅拌轮位于所述出料管的内部。
优选的,所述输送管的左侧面活动穿插有转杆,所述转杆的外表面和所述转轴的外表面均通过传动轮传动连接有传送链,所述转杆的右端固定连接有输送蛟龙。
优选的,所述输送蛟龙位于所述输送管的内部,所述输送蛟龙的外表面固定连接有螺旋轮,所述输送管的右侧面开设有出料口。
优选的,所述粉碎箱的右侧面开设有开口,所述开口的内壁固定连接有观察窗。
优选的,所述三通管的下表面连通有两个喷头,所述三通管的外表面设置有控制阀。
优选的,所述输送管的下表面固定连接有空心底座,所述空心底座和所述输送管之间设置有滤水网,所述空心底座的左侧面连通有出水管,所述出水管的外表面设置有水阀。
与现有技术相比,本实用新型的有益效果是:
1.通过设置在转轴外表面多个粉碎刀片,多个粉碎刀片能够将医疗废物进行粉碎。
2.通过主动锥形齿轮与从动锥形齿轮进行配合,当转轴转动时能够带动搅拌杆进行同步转动,从而能够将消毒液与粉碎后的医疗废物进行充分混合,使消毒效果更好。
3.通过设置有输送蛟龙,当粉碎消毒后的医疗废物通过重力进入输送管内部,从而能够自动将医疗废物进行输送,自动化程度高,便于操作。
4.通过驱动电机单机工作,能够将医疗废物进行同步粉碎、消毒及输送为一体,减少了能耗。
5.通过设置有三通管,当医疗废物粉碎完成后,能够将清洁液通过三通管倒入粉碎箱内部,对粉碎箱内部进行清洁处理,使粉碎箱内壁残留物冲洗彻底,便于下一次的消毒粉碎使用。
附图说明
图1为本实用新型结构示意图;
图2为本实用新型图1中A的结构放大图;
图3为本实用新型的俯视结构示意图;
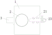
图中:1、粉碎箱;2、进料仓;3、底板;4、驱动电机;5、转轴;6、粉碎刀片;7、阻隔箱;8、搅拌杆;9、主动锥形齿轮;10、从动锥形齿轮;11、限位圆环;12、圆形滑轨;13、搅拌轮;14、输送管;15、底座;16、转杆;17、传送链;18、输送蛟龙;19、螺旋轮;20、出料口;21、三通管;22、喷头;23、控制阀;24、开口;25、观察窗;26、出料管;27、出水管;28、水阀;29、滤水网。
具体实施方式
下面将结合本实用新型实施例中的附图,对本实用新型实施例中的技术方案进行清楚、完整地描述,显然,所描述的实施例仅仅是本实用新型一部分实施例,而不是全部的实施例。基于本实用新型中的技术方案,本领域普通技术人员在没有做出创造性劳动前提下所获得的所有其他实施例,都属于本实用新型保护的范围。
请参阅图1至图3,本实用新型提供一种技术方案:一种改进的医疗废物粉碎机构,包括粉碎箱1,粉碎箱1的上表面连通有进料仓2,粉碎箱1的左侧面固定连接有底板3,底板3的下表面固定安装有驱动电机4,驱动电机4的型号为YE2-80M1-2,驱动电机4的输出端固定连接有转轴5,粉碎箱1的顶壁固定连接有阻隔箱7,阻隔箱7的下表面活动穿插有搅拌杆8,粉碎箱1的下表面连通有出料管26,出料管26的下表面连通有输送管14,输送管14的下表面固定连接有底座15,粉碎箱1的上表面连通有三通管21。
进一步地,转轴5的右端延伸至阻隔箱7的内部,转轴5的外表面固定连接有多个粉碎刀片6,通过多个粉碎刀片6能够将医疗废物进行粉碎处理。
进一步地,转轴5的右端固定安装有主动锥形齿轮9,搅拌杆8的顶端固定安装有从动锥形齿轮10,主动锥形齿轮9与从动锥形齿轮10啮合,当转轴5转动时能够带动搅拌杆8进行转动。
进一步地,搅拌杆8的外表面固定连接有限位圆环11,阻隔箱7的内壁开设有与限位圆环11滑动连接的圆形滑轨12,通过限位圆环11与圆形滑轨12进行配合,能够起到支撑的作用,使搅拌杆8稳定转动。
进一步地,搅拌杆8的外表面固定连接有搅拌轮13,搅拌轮13位于出料管26的内部,通过搅拌轮13的作用,能够将消毒液与粉碎后的医疗废物进行均匀充分混合。
进一步地,输送管14的左侧面活动穿插有转杆16,转杆16的外表面和转轴5的外表面均通过传动轮传动连接有传送链17,转杆16的右端固定连接有输送蛟龙18,当转轴5转动时能够带动转杆16进行同步转动。
进一步地,输送蛟龙18位于输送管14的内部,输送蛟龙18的外表面固定连接有螺旋轮19,输送管14的右侧面开设有出料口20,通过输送蛟龙18的作用,能够将粉碎后的医疗废物进行自动输送。
进一步地,粉碎箱1的右侧面开设有开口24,开口24的内壁固定连接有观察窗25,便于实时检测粉碎箱1内部的情况。
进一步地,三通管21的下表面连通有两个喷头22,三通管21的外表面设置有控制阀23,通过控制阀23的作用,能够控制消毒液量,起到节约资源的作用。
进一步地,输送管14的下表面固定连接有空心底座15,空心底座15和输送管14之间设置有滤水网29,空心底座15的左侧面连通有出水管27,出水管27的外表面设置有水阀28,通过滤水网29的设置,能够将消毒液与粉碎后的医疗废物进行分离,便于消毒液的回收。
工作原理:使用前先检查装置的安全性,将需要粉碎的医疗废物通过进料仓2倒入粉碎箱1的内部,再将储有消毒液箱与三通管21连通,通过设置在消毒液箱内部的压力阀将消毒液输送至三通管21内部,开启驱动电机,带动转轴5转动,通过设置在转轴5外表面多个粉碎刀片6,多个粉碎刀片6能够将医疗废物进行粉碎,此时通过开启控制阀23,消毒液通过三通管21进入多个喷头22内部,消毒液通过重力的作用进入出料管26内部,粉碎后的物料通过重力的作用滑落至出料管26的内部,与消毒液充分接触,起到消毒的作用,同时通过搅拌轮13将粉碎后的医疗废物与消毒液进行混合,使消毒效果更好,同时消毒后的医疗废物进入输送管14内部,通过设置有传送链17,当转轴5转动时能够带动转杆16转动,从而能够带动输送蛟龙18转动,能够自动将消毒粉碎后的医疗废物进行自动输送,自动化程度高,使用效果好。
尽管已经示出和描述了本实用新型的实施例,对于本领域的普通技术人员而言,可以理解在不脱离本实用新型的原理和精神的情况下可以对这些实施例进行多种变化、修改、替换和变型,本实用新型的范围由所附权利要求及其等同物限定。

Claims (10)

1.一种改进的医疗废物粉碎机构,包括粉碎箱(1),其特征在于:所述粉碎箱(1)的上表面连通有进料仓(2),所述粉碎箱(1)的左侧面固定连接有底板(3),所述底板(3)的下表面固定安装有驱动电机(4),所述驱动电机(4)的输出端固定连接有转轴(5),所述粉碎箱(1)的顶壁固定连接有阻隔箱(7),所述阻隔箱(7)的下表面活动穿插有搅拌杆(8),所述粉碎箱(1)的下表面连通有出料管(26),所述出料管(26)的下表面连通有输送管(14),所述粉碎箱(1)的上表面连通有三通管(21)。
2.根据权利要求1所述的一种改进的医疗废物粉碎机构,其特征在于:所述转轴(5)的右端延伸至所述阻隔箱(7)的内部,所述转轴(5)的外表面固定连接有多个粉碎刀片(6)。
3.根据权利要求1所述的一种改进的医疗废物粉碎机构,其特征在于:所述转轴(5)的右端固定安装有主动锥形齿轮(9),所述搅拌杆(8)的顶端固定安装有从动锥形齿轮(10),所述主动锥形齿轮(9)与所述从动锥形齿轮(10)啮合。
4.根据权利要求1所述的一种改进的医疗废物粉碎机构,其特征在于:所述搅拌杆(8)的外表面固定连接有限位圆环(11),所述阻隔箱(7)的内壁开设有与限位圆环(11)滑动连接的圆形滑轨(12)。
5.根据权利要求1所述的一种改进的医疗废物粉碎机构,其特征在于:所述搅拌杆(8)的外表面固定连接有搅拌轮(13),所述搅拌轮(13)位于所述出料管(26)的内部。
6.根据权利要求1所述的一种改进的医疗废物粉碎机构,其特征在于:所述输送管(14)的左侧面活动穿插有转杆(16),所述转杆(16)的外表面和所述转轴(5)的外表面均通过传动轮传动连接有传送链(17),所述转杆(16)的右端固定连接有输送蛟龙(18)。
7.根据权利要求6所述的一种改进的医疗废物粉碎机构,其特征在于:所述输送蛟龙(18)位于所述输送管(14)的内部,所述输送蛟龙(18)的外表面固定连接有螺旋轮(19),所述输送管(14)的右侧面开设有出料口(20)。
8.根据权利要求1所述的一种改进的医疗废物粉碎机构,其特征在于:所述粉碎箱(1)的右侧面开设有开口(24),所述开口(24)的内壁固定连接有观察窗(25)。
9.根据权利要求1所述的一种改进的医疗废物粉碎机构,其特征在于:所述三通管(21)的下表面连通有两个喷头(22),所述三通管(21)的外表面设置有控制阀(23)。
10.根据权利要求1所述的一种改进的医疗废物粉碎机构,其特征在于:所述输送管(14)的下表面固定连接有空心底座(15),所述空心底座(15)和所述输送管(14)之间设置有滤水网(29),所述空心底座(15)的左侧面连通有出水管(27),所述出水管(27)的外表面设置有水阀(28)。
CN202121059717.5U 2021-05-18 2021-05-18 一种改进的医疗废物粉碎机构 Expired - Fee Related CN215314663U (zh)

Priority Applications (1)

Application Number Priority Date Filing Date Title
CN202121059717.5U CN215314663U (zh) 2021-05-18 2021-05-18 一种改进的医疗废物粉碎机构

Applications Claiming Priority (1)

Application Number Priority Date Filing Date Title
CN202121059717.5U CN215314663U (zh) 2021-05-18 2021-05-18 一种改进的医疗废物粉碎机构

Publications (1)

Publication Number Publication Date
CN215314663U true CN215314663U (zh) 2021-12-28

Family

ID=79546567

Family Applications (1)

Application Number Title Priority Date Filing Date
CN202121059717.5U Expired - Fee Related CN215314663U (zh) 2021-05-18 2021-05-18 一种改进的医疗废物粉碎机构

Country Status (1)

Country Link
CN (1) CN215314663U (zh)

Cited By (4)

* Cited by examiner, † Cited by third party
Publication number Priority date Publication date Assignee Title
CN114192554A (zh) * 2022-01-06 2022-03-18 李嫣然 一种儿科临床医学用防感染隔离装置
CN114534849A (zh) * 2022-02-25 2022-05-27 承德石油高等专科学校 一种建筑垃圾破碎回收设备
CN116651893A (zh) * 2023-04-18 2023-08-29 江苏雷奥信息科技有限公司 一种带有消毒功能的智能医疗废品处理装置
CN116651857A (zh) * 2023-06-07 2023-08-29 苏州美之琳医疗科技有限公司 一种医疗器械预清洗消毒装置及其使用方法

Cited By (6)

* Cited by examiner, † Cited by third party
Publication number Priority date Publication date Assignee Title
CN114192554A (zh) * 2022-01-06 2022-03-18 李嫣然 一种儿科临床医学用防感染隔离装置
CN114192554B (zh) * 2022-01-06 2022-09-30 李嫣然 一种儿科临床医学用防感染隔离装置
CN114534849A (zh) * 2022-02-25 2022-05-27 承德石油高等专科学校 一种建筑垃圾破碎回收设备
CN116651893A (zh) * 2023-04-18 2023-08-29 江苏雷奥信息科技有限公司 一种带有消毒功能的智能医疗废品处理装置
CN116651857A (zh) * 2023-06-07 2023-08-29 苏州美之琳医疗科技有限公司 一种医疗器械预清洗消毒装置及其使用方法
CN116651857B (zh) * 2023-06-07 2023-12-05 苏州美之琳医疗科技有限公司 一种医疗器械预清洗消毒装置及其使用方法

Similar Documents

Publication Publication Date Title
CN215314663U (zh) 一种改进的医疗废物粉碎机构
KR100808132B1 (ko) 음식물쓰레기 소멸처리장치
KR101235234B1 (ko) 쓰레기 분류기 및 이를 포함하는 음식물쓰레기 소멸처리장치
CN208098326U (zh) 一种新型医疗废物处理装置
CN209238050U (zh) 一种环保机械用固体废料处理装置
CN220177845U (zh) 一种土壤生态修复装置
CN215197210U (zh) 一种厨余垃圾处理系统
CN209997757U (zh) 医疗废物化学消毒灭菌预处理装置
CN212821717U (zh) 一种自消毒的医疗废弃物切碎处理装置
CN112264440A (zh) 一种用于医疗垃圾收集的装置
CN207446400U (zh) 一种医疗垃圾处理装置
CN213315549U (zh) 一种医疗办公用废纸收集粉碎装置
CN208747894U (zh) 一种全封闭式的粪便微生物水解设备
CN112916591A (zh) 一种压缩式固液分离的垃圾处理用发酵池
CN218532279U (zh) 一种环保型医疗垃圾处理装置
CN214683481U (zh) 一种土壤处理装置
CN119140569A (zh) 一种基于物联网的医疗废弃物处理装置
CN117086073A (zh) 一种可消毒的厨余垃圾处理装置
CN216322366U (zh) 一种口罩粉碎装置
CN214021126U (zh) 一种避免土壤污染的可降解废弃物预处理装置
CN212069100U (zh) 一种医疗废物分阶段粉碎处理的防泄漏装置
CN212682014U (zh) 一种便于脱水的垃圾压缩设备
CN215783885U (zh) 一种高效医疗废弃物的消毒粉碎装置
CN219816385U (zh) 一种城市环境保护用垃圾处理装置
CN209361437U (zh) 一种医疗垃圾微波消毒设备

Legal Events

Date Code Title Description
GR01 Patent grant
GR01 Patent grant
CF01 Termination of patent right due to non-payment of annual fee

Granted publication date: 20211228

CF01 Termination of patent right due to non-payment of annual fee