CN214356370U - Platform trailer - Google Patents
Platform trailer Download PDFInfo
- Publication number
- CN214356370U CN214356370U CN202120347935.2U CN202120347935U CN214356370U CN 214356370 U CN214356370 U CN 214356370U CN 202120347935 U CN202120347935 U CN 202120347935U CN 214356370 U CN214356370 U CN 214356370U
- Authority
- CN
- China
- Prior art keywords
- support
- trailer
- shaft
- jacking
- flatbed trailer
- Prior art date
- Legal status (The legal status is an assumption and is not a legal conclusion. Google has not performed a legal analysis and makes no representation as to the accuracy of the status listed.)
- Active
Links
- 230000007246 mechanism Effects 0.000 claims abstract description 18
- 238000010008 shearing Methods 0.000 claims abstract description 8
- 229910000831 Steel Inorganic materials 0.000 claims description 4
- 239000010959 steel Substances 0.000 claims description 4
- 238000010586 diagram Methods 0.000 description 2
- 230000000694 effects Effects 0.000 description 2
- FGRBYDKOBBBPOI-UHFFFAOYSA-N 10,10-dioxo-2-[4-(N-phenylanilino)phenyl]thioxanthen-9-one Chemical compound O=C1c2ccccc2S(=O)(=O)c2ccc(cc12)-c1ccc(cc1)N(c1ccccc1)c1ccccc1 FGRBYDKOBBBPOI-UHFFFAOYSA-N 0.000 description 1
- 230000009194 climbing Effects 0.000 description 1
- 230000008878 coupling Effects 0.000 description 1
- 238000010168 coupling process Methods 0.000 description 1
- 238000005859 coupling reaction Methods 0.000 description 1
- 230000004048 modification Effects 0.000 description 1
- 238000012986 modification Methods 0.000 description 1
- 230000008092 positive effect Effects 0.000 description 1
Images
Landscapes
- Handcart (AREA)
Abstract
The utility model discloses a platform trailer, include: the device comprises a support, a wheel shaft, wheels, a rotary table, a connecting shaft, a bearing plate and a shelf; the trailer comprises a trailer body, a plurality of supports, a plurality of wheels, a plurality of lifting mechanisms and a plurality of anti-shearing pins, wherein the supports are respectively arranged at the head edge and the tail edge of the loading plate, a wheel shaft is respectively arranged below each support, the wheels are sleeved at two ends of each wheel shaft, the support positioned at the head end of the trailer body is a first support, a lug structure is arranged on the side edge of the first support, the lug structure is provided with a hinged shaft hinged with an external forklift, a turntable is arranged above the first support, one end of the connected shaft is fixedly connected with the loading plate, the other end of the connected shaft sequentially penetrates through the turntable and the first support, and the anti-shearing pins are inserted in the connecting shaft; the bearing board is provided with a jacking mechanism for jacking up the shelf. The platform trailer can quickly move large-scale structural members or equipment, and is simple in structure, convenient and quick.
Description
Technical Field
The utility model relates to a trailer technical field, concretely relates to platform trailer.
Background
The large-scale objects such as large-scale structural components or equipment in the factory are transshipped in a large quantity, and the large-scale structural components or the equipment are too large in size, so that the large-scale structural components or the equipment are inconvenient to move and high in cost, and the existing carrying structure is complex.
SUMMERY OF THE UTILITY MODEL
Aiming at the problems in the prior art, the platform trailer for quickly moving large structural members or equipment is simple in structure, convenient and quick.
The specific technical scheme is as follows:
a flatbed trailer, comprising: the device comprises a support, a wheel shaft, wheels, a rotary table, a connecting shaft, a bearing plate and a shelf;
the two supports are respectively arranged at the head edge and the tail edge of the bearing plate, the wheel shaft is arranged below each support, the wheels are sleeved at the two ends of the wheel shafts, the support positioned at the head end of the trailer is a first support, a lug structure is arranged on the side edge of the first support, the lug structure is provided with a hinged shaft hinged with an external forklift, the turntable is arranged above the first support, one end of the connected shaft is fixedly connected with the bearing plate, and the other end of the connected shaft sequentially penetrates through the turntable and the first support and is inserted with an anti-shearing pin;
the bearing plate is provided with a jacking mechanism for jacking the shelf.
In the flatbed trailer, the jacking mechanism further comprises a driving part and a jacking rod, the driving part is fixed on the bearing plate and is in driving connection with the jacking rod, and the jacking rod faces the upper part of the bearing plate.
In the flatbed trailer, the driving part is arranged below the bearing plate, the jacking rod movably penetrates through the bearing plate, and the bearing plate is provided with a through hole corresponding to the jacking rod.
In a flatbed trailer of the kind mentioned above, it is also characterized in that the drive member is a hydraulic or pneumatic cylinder.
In a flatbed trailer of the kind described above, there is also the feature that the jacking mechanisms are provided with at least four.
In the flatbed trailer, the turntable is made of No. 45 steel, and an oil groove is formed in one side, facing the bearing plate, of the turntable.
In the platform trailer, the shelf comprises at least four cross beams and at least four upright columns, the bottom of each upright column is provided with a base, two ends of each cross beam are connected with the corresponding upright column to form a frame structure, and the cross beams are provided with fulcrums matched with the jacking mechanisms.
In the flatbed trailer, the characteristic is that the flatbed trailer further comprises a towing rod, one end of the towing rod is hinged with the first support, and the other end of the towing rod is hinged with an external forklift.
The positive effects of the technical scheme are as follows:
the utility model provides a pair of platform trailer through being connected first support and outside fork truck or articulated with outside fork truck through the tow bar, realizes that outside fork truck drives platform trailer and removes the purpose of carrying the object, can large-scale structure of quick travel or equipment, simple structure and convenient and fast.
Drawings
Fig. 1 is a schematic structural view of a first part of a flatbed trailer provided by the present invention;
FIG. 2 is a schematic view of a portion of the structure of FIG. 1;
fig. 3 is a schematic structural view of a second part of the flatbed trailer provided by the present invention;
FIG. 4 is a schematic view of a portion of the structure of FIG. 3;
fig. 5 is a first structural schematic view of a shelf of a flatbed trailer provided by the present invention;
fig. 6 is a second structural schematic diagram of a shelf of a flatbed trailer provided by the present invention.
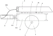
In the drawings: 1. a support; 11. a first support; 111. a lug structure; 112. hinging a shaft; 12. a second support; 2. a wheel axle; 3. a wheel; 4. a turntable; 41. an oil sump; 5. a connecting shaft; 6. a carrier plate; 7. a shelf; 71. a cross beam; 711. a fulcrum; 712. an upper cross beam; 713. a lower cross beam; 72. a column; 73. a base; 8. a jacking mechanism; 81. a drive member; 811. an oil hydraulic cylinder; 82. a jacking rod; 831. a first stage; 832. a second stage; 833. a high pressure ball valve; 9. a tow bar; 91. a bump; 92. a pin shaft; 93. and (4) a bracket.
Detailed Description
In order to make the objects, technical solutions and advantages of the present invention more clearly understood, the present invention is further described in detail by the following embodiments in combination with the accompanying drawings. It should be understood that the specific embodiments described herein are for purposes of illustration only and are not intended to limit the invention.
The numbering of the components themselves, such as "first", "second", etc., is used herein only to distinguish between the objects depicted and not to have any sequential or technical meaning. The term "connected" and "coupled" when used in this application, unless otherwise indicated, includes both direct and indirect connections (couplings). In the description of the present invention, it is to be understood that the terms "upper", "lower", "front", "rear", "left", "right", "vertical", "horizontal", "top", "bottom", "inner", "outer", "clockwise", "counterclockwise", and the like indicate orientations or positional relationships based on the orientations or positional relationships shown in the drawings, and are only for convenience of description and simplicity of description, and do not indicate or imply that the device or element referred to must have a particular orientation, be constructed and operated in a particular orientation, and therefore, should not be construed as limiting the present invention.
In the present application, unless expressly stated or limited otherwise, the first feature may be directly on or directly under the second feature or indirectly via intermediate members. Also, a first feature "on," "over," and "above" a second feature may be directly or diagonally above the second feature, or may simply indicate that the first feature is at a higher level than the second feature. A first feature being "under," "below," and "beneath" a second feature may be directly under or obliquely under the first feature, or may simply mean that the first feature is at a lesser elevation than the second feature.
Referring to fig. 1 to 6, fig. 1 is a schematic structural view of a first part of a flatbed trailer according to the present invention; FIG. 2 is a schematic view of a portion of the structure of FIG. 1; fig. 3 is a schematic structural view of a second part of the flatbed trailer provided by the present invention; FIG. 4 is a schematic view of a portion of the structure of FIG. 3; fig. 5 is a first structural schematic view of a shelf of a flatbed trailer provided by the present invention; fig. 6 is a second structural schematic diagram of a shelf of a flatbed trailer provided by the present invention.
The utility model discloses a platform trailer, this platform trailer includes: the device comprises a support 1, a wheel shaft 2, wheels 3, a turntable 4, a connecting shaft 5, a bearing plate 6 and a shelf 7.
The support 1 includes two, sets up respectively at the head and the tail both edges of loading board 6, and every support 1 below respectively is provided with a shaft 2, and wheel 3 is established to the both ends cover of shaft 2, and the support 1 that is located the trailer head end is first support 11, and first support 11 side is provided with lug structure 111, and lug structure 111 is provided with articulated shaft 112 with outside fork truck (not shown), and is articulated with outside fork truck through articulated shaft 112.
Specifically, provided at the trailing edge is a second seat 12.
The head and the tail are in terms of the moving direction of the trailer, and one end of the trailer in the advancing direction is a head end, and the other end of the trailer is a tail end.
The first support 11 and the second support 12 are both square structures, shaft baffles (not shown) are arranged on two sides of the lower portion of the first support 11 and the lower portion of the second support 12, two opposite ends of the wheel shaft 2 penetrate through the shaft baffles respectively, the wheel 3 is sleeved on the wheel shaft 2, and the wheel 3 is connected with the wheel shaft 2 through a bearing (not shown) so that the wheel 3 can roll around the wheel shaft 2 smoothly.
The turntable 4 is arranged above the first support 11.
In this embodiment, a groove (not shown) matching the shape and size of the turntable 4 is disposed above the first support 11, the turntable 4 is placed in the groove, and the other end of the turntable 4 is hard-rubbed with the bearing plate 6 to support the bearing plate 6, so that the turntable 4 is made of steel No. 45 with good wear resistance. Preferably, the turntable 4 is provided with an oil groove 41 towards the carrier plate 6 side.
One end of the connecting shaft 5 is fixedly connected with the bearing plate 6, and the other end of the connecting shaft passes through the turntable 4 and the first support 11 in sequence and is inserted with an anti-shearing pin (not shown). The anti-shearing pin is inserted on the connecting shaft 5, so that the connecting shaft 5 is prevented from falling off the first support 11 on one hand, and the anti-shearing pin is prevented from shearing on the other hand.
Optionally, the connecting shaft 5 and the bearing plate 6 are welded together to achieve a fixed connection of the connecting shaft 5 and the bearing plate 6. The carousel 4 is worn to locate in the activity of connecting axle 5 to the activity is worn to locate support 1 and is first support 11 in fact, and in this embodiment, the structure setting of connecting axle 5, first support 11, loading board 6 and carousel 4 can realize driving the turn of trailer through fork truck's turn, and the craspedodrome of trailer.
The carrier plate 6 is a plate-shaped structure and can be used for carrying objects such as plates, profiles, steel structural members and equipment.
In this embodiment the carrier plate 6 is provided with a jacking mechanism 8 for jacking up the shelf 7.
Further, the jacking mechanism 8 comprises a driving member 81 and a jacking rod 82, the driving member 81 is fixed on the bearing plate 6 and is in driving connection with the jacking rod 82, and the jacking rod 82 faces above the bearing plate 6.
Optionally, the jacking mechanisms 8 are provided with at least four. For example, in the present embodiment, at least four jacking mechanisms 8 are provided, and the connecting lines of the four jacking mechanisms 8 are in a rectangular structure, so as to jack up the shelf 7 from four points of the shelf 7.
Specifically, the driving member 81 is a hydraulic cylinder or an air cylinder.
In the present embodiment, the driving member 81 is a hydraulic cylinder, for example, a hydraulic cylinder 811, and is connected to an external forklift through a hydraulic pipe, so that the control of the hydraulic cylinder 811, and further the control of the raising operation and the relief return are realized by the external forklift. Specifically, the oil pressure pipe includes a multi-section structure, specifically, a first section 831 and a second section 832, one end of the first section 831 penetrates through the bearing plate 6 and is connected with the oil pressure cylinder 811, the other end is connected to the second section 832, and the second section 832 is connected to a hydraulic distribution valve interface of an external forklift. In the present embodiment, the hydraulic cylinder 811 is provided in plurality, and the first stage 831 includes a plurality of cylinders, and is joined to the second stage 832 and connected to an external forklift through the second stage 832. Further, a high pressure ball valve 833 is disposed between the first and second sections 831 and 832. Alternatively, the first section 831 can be a conventional hose and the second section 832 can be a high pressure hose.
Preferably, in this embodiment, in order to enable the bearing plate 6 to bear an object, the driving member 81 is disposed below the bearing plate 6, the lifting rod 82 is movably disposed through the bearing plate 6, and the bearing plate 6 is provided with a through hole (not shown) corresponding to the lifting rod 82. Set up like this and make driving piece 81 and jacking rod 82 when not needing the jacking, contract in loading board 6 below, can make things convenient for loading board 6 to bear the weight of the object, only when needs jacking shelf 7, jacking rod 82 just need stretch out loading board 6, realizes the jacking.
Specifically, the shelf 7 includes a cross beam 71 and at least four columns 72, the number of the columns 72 is at least four, a base 73 is provided at the bottom of each column 72, both ends of the cross beam 71 are connected with the columns 72 to form a frame structure, and a fulcrum 711 matched with the jacking mechanism 8 is provided on the cross beam 71. The matching is that the position and the shape are matched.
Specifically, in the present embodiment, the number of the columns 72 is four, the four columns 72 are connected to form a rectangle, the cross beam 71 includes an upper cross beam 712, the upper cross beam 712 includes four columns, two ends of the upper cross beam 712 are respectively connected to the two columns 72 and located on four sides of the rectangle, and the fulcrums 711 are disposed on two short sides of the rectangle. Fork truck drives the motion of loading board 6 to the shelf 7 of placing the object to stretch into shelf 7 below, shelf 7 erects in loading board 6 top this moment, but base 73 does not break away from ground, then 8 jacking-up shelves 7 of control climbing mechanism, and then make shelf 7 break away from ground and become unsettled, and fork truck takes the trailer straight line, realizes the transport of object.
Further, the cross member 71 in this embodiment further includes two lower cross members 713, and the two lower cross members 713 are respectively disposed on the long sides of the rectangle, and are used for further fastening the shelf 7, so that the structure is more stable.
Further, still include the tow bar 9, tow bar 9 one end is articulated with first support 11, and the other end is articulated with outside fork truck. Specifically, one end of the towing rod 9 departing from the first support 11 is provided with a protruding block 91, the protruding block 91 is provided with a pin 92, and the pin 92 is hinged to an external forklift.
Further, a support 93 is further arranged below the tow bar 9 and used for supporting the tow bar 9 when the trailer is not connected with a forklift, and further supporting the whole trailer.
The utility model provides a platform trailer through being connected first support 11 with outside fork truck or articulated with outside fork truck through tow bar 9, realizes that outside fork truck drives platform trailer and removes the purpose of carrying the object, can large-scale structure of quick travel or equipment, simple structure and convenient and fast.
The technical features of the above embodiments can be arbitrarily combined, and for the sake of brevity, all possible combinations of the technical features in the above embodiments are not described, but should be considered as the scope of the present specification as long as there is no contradiction between the combinations of the technical features.
The above examples only represent some embodiments of the present invention, and the description thereof is more specific and detailed, but not to be construed as limiting the scope of the present invention. It should be noted that, for those skilled in the art, without departing from the spirit of the present invention, several variations and modifications can be made, which are within the scope of the present invention. Therefore, the protection scope of the present invention should be subject to the appended claims.
Claims (8)
1. A flatbed trailer, comprising: the device comprises a support, a wheel shaft, wheels, a rotary table, a connecting shaft, a bearing plate and a shelf;
the two supports are respectively arranged at the head edge and the tail edge of the bearing plate, the wheel shaft is arranged below each support, the wheels are sleeved at the two ends of the wheel shafts, the support positioned at the head end of the trailer is a first support, a lug structure is arranged on the side edge of the first support, the lug structure is provided with a hinged shaft hinged with an external forklift, the turntable is arranged above the first support, one end of the connected shaft is fixedly connected with the bearing plate, and the other end of the connected shaft sequentially penetrates through the turntable and the first support and is inserted with an anti-shearing pin;
the bearing plate is provided with a jacking mechanism for jacking the shelf.
2. The flatbed trailer of claim 1, wherein the jacking mechanism comprises a driving member and a jacking rod, the driving member being secured to and drivingly connected to the loading floor, the jacking rod being oriented above the loading floor.
3. The flatbed trailer of claim 2, wherein the driving member is disposed below the loading board, the lifting rod movably penetrates the loading board, and the loading board is provided with a through hole corresponding to the lifting rod.
4. A flatbed trailer as claimed in claim 3, wherein the drive member is a hydraulic or pneumatic cylinder.
5. A flatbed trailer as claimed in claim 3, wherein there are at least four jacking mechanisms.
6. A flatbed trailer as claimed in any one of claims 1 to 5, wherein the turntable is of No. 45 steel and the side of the turntable facing the carrying floor is provided with an oil sump.
7. The flatbed trailer of claim 6, wherein the shelf comprises at least four beams and at least four columns, a base is arranged at the bottom of each column, two ends of each beam are connected with the columns to form a frame structure, and a fulcrum matched with the jacking mechanism is arranged on each beam.
8. The flatbed trailer of claim 7, further comprising a tow bar, the tow bar being hingedly connected to the first support at one end and to an external forklift at the other end.
Priority Applications (1)
| Application Number | Priority Date | Filing Date | Title |
|---|---|---|---|
| CN202120347935.2U CN214356370U (en) | 2021-02-07 | 2021-02-07 | Platform trailer |
Applications Claiming Priority (1)
| Application Number | Priority Date | Filing Date | Title |
|---|---|---|---|
| CN202120347935.2U CN214356370U (en) | 2021-02-07 | 2021-02-07 | Platform trailer |
Publications (1)
| Publication Number | Publication Date |
|---|---|
| CN214356370U true CN214356370U (en) | 2021-10-08 |
Family
ID=77964382
Family Applications (1)
| Application Number | Title | Priority Date | Filing Date |
|---|---|---|---|
| CN202120347935.2U Active CN214356370U (en) | 2021-02-07 | 2021-02-07 | Platform trailer |
Country Status (1)
| Country | Link |
|---|---|
| CN (1) | CN214356370U (en) |
-
2021
- 2021-02-07 CN CN202120347935.2U patent/CN214356370U/en active Active
Similar Documents
| Publication | Publication Date | Title |
|---|---|---|
| US3861716A (en) | Platform lift transporter | |
| US4096961A (en) | Dual low lift truck | |
| US4921075A (en) | Fork lift | |
| CN106508284A (en) | Self-propelled orchard picking platform | |
| US8047759B2 (en) | Manual forklift apparatus and methods | |
| KR20020025962A (en) | Container handling apparatus or cradle | |
| CN114370295A (en) | Sliding type anti-toppling advance support hydraulic support and action method thereof | |
| US3762588A (en) | Front and lateral loading mechanism | |
| US4664270A (en) | Air transportable gantry type crane | |
| CN214356370U (en) | Platform trailer | |
| CN203330628U (en) | Dump truck carriage overturning machine | |
| CN216549463U (en) | Combined large-tonnage bearing trolley and trolley unit | |
| CN206371109U (en) | Self-propelled orchard picking platform | |
| CN212374802U (en) | Stable in structure's hand fork truck | |
| CN205601678U (en) | A on -vehicle handling device for container loading and unloading | |
| US4523888A (en) | Combined engine-handling and metalworking machine | |
| CN107244477B (en) | Tray special for prefabricated part transportation | |
| US3567053A (en) | Load hoisting truck | |
| CN212289607U (en) | Transport trailer is picked in orchard | |
| CN211056630U (en) | Simple and easy collapsible laborsaving fork truck of lightweight | |
| CN209702149U (en) | The full landform gantry crane of modular | |
| US4101040A (en) | Vehicle for transporting palletized loads | |
| CN2729030Y (en) | Forklift | |
| US2865648A (en) | Trucks for transporting goods | |
| CN216882575U (en) | Bottle assembly line |
Legal Events
| Date | Code | Title | Description |
|---|---|---|---|
| GR01 | Patent grant | ||
| GR01 | Patent grant | ||
| TR01 | Transfer of patent right |
Effective date of registration: 20211029 Address after: 843100 No. 1, Jinlong Road, Wensu County Industrial Park, Aksu Prefecture, Xinjiang Uygur Autonomous Region Patentee after: Aksu Zhongman oil and gas exploration and Development Co.,Ltd. Address before: 200120 floor 3, building 1, No. 2099, Feidu Road, No. 3998, Jiangshan Road, Lingang New District, China (Shanghai) pilot Free Trade Zone, Pudong New Area, Shanghai Patentee before: ZHONGMAN PETROLEUM EQUIPMENT GROUP Co.,Ltd. |
|
| TR01 | Transfer of patent right |