CN212102138U - Sewage treatment ware with disinfectant adds device - Google Patents
Sewage treatment ware with disinfectant adds device Download PDFInfo
- Publication number
- CN212102138U CN212102138U CN202020212220.1U CN202020212220U CN212102138U CN 212102138 U CN212102138 U CN 212102138U CN 202020212220 U CN202020212220 U CN 202020212220U CN 212102138 U CN212102138 U CN 212102138U
- Authority
- CN
- China
- Prior art keywords
- disinfectant
- mixing bin
- pipe
- disinfection
- sewage treatment
- Prior art date
- Legal status (The legal status is an assumption and is not a legal conclusion. Google has not performed a legal analysis and makes no representation as to the accuracy of the status listed.)
- Expired - Fee Related
Links
- 239000000645 desinfectant Substances 0.000 title claims abstract description 118
- 239000010865 sewage Substances 0.000 title claims abstract description 24
- 238000004659 sterilization and disinfection Methods 0.000 claims abstract description 45
- 238000003756 stirring Methods 0.000 claims abstract description 21
- XLYOFNOQVPJJNP-UHFFFAOYSA-N water Substances O XLYOFNOQVPJJNP-UHFFFAOYSA-N 0.000 claims abstract description 15
- 238000007599 discharging Methods 0.000 claims abstract description 12
- 238000003466 welding Methods 0.000 claims description 5
- 238000005260 corrosion Methods 0.000 claims description 4
- 230000007797 corrosion Effects 0.000 claims description 4
- 239000003973 paint Substances 0.000 claims description 3
- 238000007789 sealing Methods 0.000 claims description 3
- 230000000694 effects Effects 0.000 abstract description 4
- 238000000034 method Methods 0.000 description 10
- 238000009792 diffusion process Methods 0.000 description 6
- 208000004881 Amebiasis Diseases 0.000 description 2
- 206010001980 Amoebiasis Diseases 0.000 description 2
- 241000894006 Bacteria Species 0.000 description 2
- OSVXSBDYLRYLIG-UHFFFAOYSA-N dioxidochlorine(.) Chemical compound O=Cl=O OSVXSBDYLRYLIG-UHFFFAOYSA-N 0.000 description 2
- 239000010842 industrial wastewater Substances 0.000 description 2
- 238000004080 punching Methods 0.000 description 2
- 238000004065 wastewater treatment Methods 0.000 description 2
- ZAMOUSCENKQFHK-UHFFFAOYSA-N Chlorine atom Chemical compound [Cl] ZAMOUSCENKQFHK-UHFFFAOYSA-N 0.000 description 1
- 239000004155 Chlorine dioxide Substances 0.000 description 1
- 241000588724 Escherichia coli Species 0.000 description 1
- CBENFWSGALASAD-UHFFFAOYSA-N Ozone Chemical compound [O-][O+]=O CBENFWSGALASAD-UHFFFAOYSA-N 0.000 description 1
- 239000005708 Sodium hypochlorite Substances 0.000 description 1
- 241000700605 Viruses Species 0.000 description 1
- 230000004075 alteration Effects 0.000 description 1
- 230000009286 beneficial effect Effects 0.000 description 1
- 238000007664 blowing Methods 0.000 description 1
- 239000000460 chlorine Substances 0.000 description 1
- 229910052801 chlorine Inorganic materials 0.000 description 1
- 235000019398 chlorine dioxide Nutrition 0.000 description 1
- 238000007872 degassing Methods 0.000 description 1
- 201000010099 disease Diseases 0.000 description 1
- 208000037265 diseases, disorders, signs and symptoms Diseases 0.000 description 1
- 238000009434 installation Methods 0.000 description 1
- 244000000010 microbial pathogen Species 0.000 description 1
- 238000012986 modification Methods 0.000 description 1
- 230000004048 modification Effects 0.000 description 1
- 238000003825 pressing Methods 0.000 description 1
- 230000002035 prolonged effect Effects 0.000 description 1
- 239000010802 sludge Substances 0.000 description 1
- SUKJFIGYRHOWBL-UHFFFAOYSA-N sodium hypochlorite Chemical compound [Na+].Cl[O-] SUKJFIGYRHOWBL-UHFFFAOYSA-N 0.000 description 1
- 238000005507 spraying Methods 0.000 description 1
- 238000006467 substitution reaction Methods 0.000 description 1
- 239000002351 wastewater Substances 0.000 description 1
Images
Abstract
The utility model discloses a sewage processor with disinfectant adding device, which comprises a disinfection pool, a driving motor, a disinfectant mixing bin and a PLC controller, wherein a pressure hollow pipe is fixedly arranged in the top center of the disinfectant mixing bin through a pipe connector, a spiral stirring shaft is fixedly arranged in the center of the inner part of the disinfectant mixing bin through a bearing, a discharging pipe is fixedly arranged in the bottom of the disinfectant mixing bin through a pipe connector, a water level sensor is fixedly arranged on one side of the inner part of the top of the disinfectant mixing bin through a screw, the utility model realizes that the disinfectant can be stirred uniformly in advance when using a plurality of disinfectants for disinfection through the arranged disinfectant mixing bin and the spiral stirring shaft, so that the disinfectant is mixed uniformly, the disinfection time is saved, and compressed air is continuously blown into the disinfection pool through the pressure hollow pipe after the disinfectant is added, the disinfectant can be conveniently diffused and uniformly diffused, so that the disinfection effect is better.
Description
Technical Field
The utility model relates to the technical field of sewage treatment and disinfection equipment, in particular to a sewage treatment device with a disinfectant adding device.
Background
The sewage disinfection is a water treatment process for killing harmful pathogenic microorganisms in domestic sewage and certain industrial wastewater treatment systems, the domestic sewage and certain industrial wastewater not only have a large amount of bacteria, but also often contain viruses, amebiasis and the like, the bacteria and the amebiasis cannot be killed through the general wastewater treatment process, a common biological filter in an urban sewage treatment system can only remove 80-90 percent of escherichia coli, an activated sludge method can only remove 90-95 percent, and in order to prevent the spread of diseases, the sewage (wastewater) is subjected to mechanical and biochemical secondary treatment and sometimes needs to be disinfected, and the common disinfection treatment method comprises the following steps: chlorine disinfection, ozone disinfection, sodium hypochlorite disinfection, chlorine dioxide disinfection and the like;
however, the conventional disinfection device for sewage treatment has some disadvantages in the using process, such as:
1. when the disinfectant is added, the traditional disinfection device for sewage treatment usually adds a plurality of disinfectants in a concentrated manner, so that the disinfectants are not uniformly mixed and added, and the disinfection time is prolonged;
traditional degassing unit for sewage treatment only relies on the diffusion effect of disinfectant to disinfect after adding disinfectant to the effluent water sump, and disinfectant diffusion rate is slow in sewage, and the disinfectant diffusion is inhomogeneous simultaneously to cause the sewage disinfection thoroughly.
Disclosure of Invention
An object of the utility model is to provide a sewage treatment ware with disinfectant adds device to solve the problem that provides among the above-mentioned background art.
In order to achieve the above object, the utility model provides a following technical scheme: a sewage processor with a disinfectant adding device comprises a disinfection tank, a driving motor, a disinfectant mixing bin and a PLC (programmable logic controller), wherein the disinfectant mixing bin is arranged in the center of the disinfection tank through welding and fixing, a pressure air pipe is fixedly arranged in the center of the top of the disinfectant mixing bin through a pipe connector, a one-way electromagnetic valve is fixedly arranged on the pressure air pipe through a pipe connector, a disinfectant adding pipe is fixedly arranged on one side of the top of the disinfectant mixing bin through a pipe connector, a one-way electromagnetic valve is fixedly arranged on the disinfectant adding pipe through a pipe connector, a spiral stirring shaft is fixedly arranged in the center of the interior of the disinfectant mixing bin through a bearing, a motor support is fixedly arranged at one end of the disinfection tank corresponding to the spiral stirring shaft through welding and fixing, the driving motor is fixedly arranged on the motor support through a bolt, and the driving, the bottom in disinfectant mixing storehouse has the discharging pipe through pipe connector fixed mounting, fixed mounting has the solenoid valve on the discharging pipe, there is level sensor in the inside one side in top in disinfectant mixing storehouse through screw fixed mounting, level sensor signal output part and PLC controller signal input part electric connection, one-way solenoid valve signal input part and PLC controller signal output part electric connection, driving motor signal input part and PLC controller signal output part electric connection.
Further, disinfectant mixes storehouse department of punching and installs waterproof sealing washer for disinfectant mixes the sealed of storehouse, prevents that disinfectant from revealing.
Furthermore, the inner wall and the outer wall of the disinfectant mixing bin and the outer surface of the spiral stirring shaft are coated with waterproof and corrosion-resistant paint for corrosion resistance of the device.
Furthermore, the discharging pipe is far away from one end of the disinfectant mixing bin and is arranged inside the disinfection pool, so that the disinfectant or the compressed air in the discharging pipe can conveniently enter the disinfection pool.
Furthermore, a water pump is fixedly arranged at one end, far away from the disinfectant mixing bin, of the disinfectant adding pipe through a pipe joint, so that the disinfectant is conveniently conveyed into the disinfectant mixing bin.
Furthermore, an exhaust valve is fixedly installed on one side of the top of the disinfectant mixing bin through a pipe connector, so that the internal pressure of the disinfectant mixing bin can be conveniently released.
Compared with the prior art, the beneficial effects of the utility model are that:
1. the utility model realizes that when a plurality of disinfectants are used for disinfection, the disinfectants can be stirred uniformly in advance through the disinfectant mixing bin and the spiral stirring shaft, and then the mixed disinfectant is transported to the bottom of the disinfection tank through the discharging pipe and the pressure action of compressed air, so that the disinfectants are mixed uniformly, the diffusion speed is accelerated, and the disinfection time is saved;
2. the utility model discloses a blank pipe and discharging pipe that set up have realized adding the back at disinfectant and having accomplished continuously blowing in compressed air in to the disinfection pond through blank pipe, realize the stirring effect in disinfection pond, and the disinfectant diffusion rate of being convenient for accelerates and the diffusion is even for disinfection effect is better.
Drawings
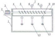
FIG. 1 is a schematic sectional view of the overall front view structure of the present invention;
FIG. 2 is a schematic sectional view of the overall left-side view structure of the present invention;
FIG. 3 is a schematic sectional view of the overall top view structure of the present invention;
fig. 4 is a schematic view of the electronic component connection control system of the present invention.
In FIGS. 1-4: 1-a disinfection tank; 2-a motor bracket; 3-driving a motor; 4-disinfectant mixing bin; 5-a spiral stirring shaft; 6-compressing the air pipe; 7-one-way solenoid valve; 8-disinfectant addition tube; 9-an electromagnetic valve; 10-a water level sensor; 11-a discharge pipe; 12-a PLC controller and 13-a water pump.
Detailed Description
The technical solutions in the embodiments of the present invention will be described clearly and completely with reference to the accompanying drawings in the embodiments of the present invention, and it is obvious that the described embodiments are only some embodiments of the present invention, not all embodiments. Based on the embodiments in the present invention, all other embodiments obtained by a person skilled in the art without creative work belong to the protection scope of the present invention.
Example 1: referring to fig. 1-4, the present invention provides a technical solution: a sewage processor with a disinfectant adding device comprises a disinfection tank 1, a driving motor 3, a disinfectant mixing bin 4 and a PLC12, wherein the disinfectant mixing bin 4 is fixedly installed in the center of the disinfection tank 1 through welding, and is used for mixing and stirring various disinfectants, a pressure air pipe 6 is fixedly installed in the center of the top of the disinfectant mixing bin 4 through a pipe connector, and is used for pressing the disinfectants in the disinfectant mixing bin 4 into the disinfection tank 1 through pressure difference, a one-way electromagnetic valve 7 is fixedly installed on the pressure air pipe 6 through the pipe connector and is used for preventing backflow of compressed air, a disinfectant adding pipe 8 is fixedly installed on one side of the top of the disinfectant mixing bin 4 through the pipe connector and is used for sending the disinfectants into the disinfectant mixing bin 4, a one-way electromagnetic valve 7 is fixedly installed on the disinfectant adding pipe 8 through the pipe connector and is used for preventing backflow of the disinfectants, a spiral stirring, a motor support 2 is fixedly arranged at one end of the disinfection pool 1 corresponding to the spiral stirring shaft 5 through welding, a driving motor 3 is fixedly arranged on the motor support 2 through bolts, the driving motor 3 is connected with the spiral stirring shaft 5 through a coupler and used for stirring disinfectant, a discharge pipe 11 is fixedly arranged at the bottom of the disinfectant mixing bin 4 through a pipe joint and used for feeding the disinfectant into the disinfection pool 1, an electromagnetic valve 9 is fixedly arranged on the discharge pipe 11 and used for controlling the on-off of the discharge pipe 11, a water level sensor 10 is fixedly arranged at one side of the inside of the top of the disinfectant mixing bin 4 through a bolt and used for sensing the water level of the disinfectant in the disinfectant mixing bin 4 so as to control the on-off of a one-way electromagnetic valve 7, the signal output end of the water level sensor 10 is electrically connected with the signal input end of a PLC (programmable logic controller, the signal input end of the electromagnetic valve 9 is electrically connected with the signal output end of the PLC12 controller, and the signal input end of the driving motor 3 is electrically connected with the signal output end of the PLC 12.
The working principle is as follows: during the use, open the discharge valve at disinfectant mixing chamber 4 top, carry required disinfectant in proportion to mixing chamber 4 through the water pump of installation on disinfectant addition pipe 8, when level sensor 10 senses the disinfectant and reaches the settlement water level, level sensor 10 signals PLC controller 12, PLC controller 12 received signal back control disinfectant adds the one-way solenoid valve 7 on the pipe and closes, control driving motor 3 simultaneously and rotate, driving motor 3 drives spiral stirring shaft 5 and rotates, make the disinfectant in disinfectant mixing chamber 4 fully stir, stir after the certain time, PLC controller 12 control driving motor 3 closes, the discharge valve of disinfectant mixing chamber 4 top is closed to the manual work simultaneously, then one-way solenoid valve 7 on the pipe accuse compressed air pipe 6 of PLC controller 12 opens, open solenoid valve 9 on discharging pipe 11 simultaneously, make the disinfectant in disinfectant mixing chamber 4 impress the disinfection pond 1 through the pressure differential that compressed air produced In, after the disinfectant in the disinfectant mixing bin 4 is all pressed into the disinfection pond 1, continue to let in compressed air and make the disinfectant in the disinfection pond 1 fully diffuse, reach the disinfection requirement until detecting the quality of water in the disinfection pond 1, close solenoid valve 7 on the compressed air pipe 6 and the solenoid valve 9 on the discharging pipe 11, the disinfection process of this moment is accomplished.
It is noted that, herein, relational terms such as first and second, and the like may be used solely to distinguish one entity or action from another entity or action without necessarily requiring or implying any actual such relationship or order between such entities or actions. Also, the terms "comprises," "comprising," or any other variation thereof, are intended to cover a non-exclusive inclusion, such that a process, method, article, or apparatus that comprises a list of elements does not include only those elements but may include other elements not expressly listed or inherent to such process, method, article, or apparatus.
Although embodiments of the present invention have been shown and described, it will be appreciated by those skilled in the art that changes, modifications, substitutions and alterations can be made in these embodiments without departing from the principles and spirit of the invention, the scope of which is defined in the appended claims and their equivalents.
Claims (6)
1. The utility model provides a sewage treatment ware with disinfectant adds device, mixes storehouse (4) and PLC controller (12) including disinfection pond (1), driving motor (3), disinfectant, disinfection pond (1) central authorities install disinfectant through welded fastening and mix storehouse (4), its characterized in that: the disinfectant mixing bin is characterized in that a pressure air pipe (6) is fixedly installed in the center of the top of the disinfectant mixing bin (4) through a pipe connector, a one-way electromagnetic valve (7) is fixedly installed on the pressure air pipe (6) through the pipe connector, a disinfectant adding pipe (8) is fixedly installed on one side of the top of the disinfectant mixing bin (4) through the pipe connector, the one-way electromagnetic valve (7) is fixedly installed on the disinfectant adding pipe (8) through the pipe connector, a spiral stirring shaft (5) is fixedly installed in the center of the interior of the disinfectant mixing bin (4) through a bearing, a motor support (2) is fixedly installed at one end, corresponding to the spiral stirring shaft (5), of a disinfection pool (1) through welding, a driving motor (3) is fixedly installed on the motor support (2) through a bolt, the driving motor (3) is connected with the spiral stirring shaft (5) through a coupler, fixed mounting has solenoid valve (9) on discharging pipe (11), there is level sensor (10) in disinfectant mixing bin (4) top inside one side through screw fixed mounting, level sensor (10) signal output part and PLC controller (12) signal input part electric connection, one-way solenoid valve (7) signal input part and PLC controller (12) signal output part electric connection, solenoid valve (9) signal input part and PLC controller (12) signal output part electric connection, driving motor (3) signal input part and PLC controller (12) signal output part electric connection.
2. A sewage treatment plant with a disinfectant adding device according to claim 1, characterized in that: and a waterproof sealing ring is arranged at the perforation joint of the disinfectant mixing bin (4).
3. A sewage treatment plant with a disinfectant adding device according to claim 1, characterized in that: and waterproof corrosion-resistant paint is sprayed on the inner wall and the outer wall of the disinfectant mixing bin (4) and the outer surface of the spiral stirring shaft.
4. A sewage treatment plant with a disinfectant adding device according to claim 1, characterized in that: one end of the discharge pipe (11) far away from the disinfectant mixing bin (4) is arranged in the disinfection tank (1).
5. A sewage treatment plant with a disinfectant adding device according to claim 1, characterized in that: one end of the disinfectant adding pipe (8), which is far away from the disinfectant mixing bin (4), is fixedly provided with a water pump (13) through a pipe joint, and the water pump (13) is electrically connected with the PLC (12).
6. A sewage treatment plant with a disinfectant adding device according to claim 1, characterized in that: an exhaust valve is fixedly arranged on one side of the top of the disinfectant mixing bin (4) through a pipe joint.
Priority Applications (1)
| Application Number | Priority Date | Filing Date | Title |
|---|---|---|---|
| CN202020212220.1U CN212102138U (en) | 2020-02-26 | 2020-02-26 | Sewage treatment ware with disinfectant adds device |
Applications Claiming Priority (1)
| Application Number | Priority Date | Filing Date | Title |
|---|---|---|---|
| CN202020212220.1U CN212102138U (en) | 2020-02-26 | 2020-02-26 | Sewage treatment ware with disinfectant adds device |
Publications (1)
| Publication Number | Publication Date |
|---|---|
| CN212102138U true CN212102138U (en) | 2020-12-08 |
Family
ID=73632189
Family Applications (1)
| Application Number | Title | Priority Date | Filing Date |
|---|---|---|---|
| CN202020212220.1U Expired - Fee Related CN212102138U (en) | 2020-02-26 | 2020-02-26 | Sewage treatment ware with disinfectant adds device |
Country Status (1)
| Country | Link |
|---|---|
| CN (1) | CN212102138U (en) |
Cited By (1)
| Publication number | Priority date | Publication date | Assignee | Title |
|---|---|---|---|---|
| CN115159643A (en) * | 2022-09-08 | 2022-10-11 | 山东华实药业有限公司 | Sterilizing powder feeding equipment for sewage treatment |
-
2020
- 2020-02-26 CN CN202020212220.1U patent/CN212102138U/en not_active Expired - Fee Related
Cited By (2)
| Publication number | Priority date | Publication date | Assignee | Title |
|---|---|---|---|---|
| CN115159643A (en) * | 2022-09-08 | 2022-10-11 | 山东华实药业有限公司 | Sterilizing powder feeding equipment for sewage treatment |
| CN115159643B (en) * | 2022-09-08 | 2022-11-25 | 山东华实药业有限公司 | A disinfection powder is thrown and is added equipment for sewage treatment |
Similar Documents
| Publication | Publication Date | Title |
|---|---|---|
| CN107487917A (en) | Continuous type free from extraneous odour sewage-treatment plant | |
| US7011750B2 (en) | Water treatment device | |
| CN212102138U (en) | Sewage treatment ware with disinfectant adds device | |
| CN210795877U (en) | Waste water treatment device for water paint production | |
| CN205635285U (en) | High -efficient sewage treatment device of integration | |
| CN212581716U (en) | Black and odorous river water body remediation treatment equipment | |
| CN215756937U (en) | Acid wastewater treatment device | |
| CN213977343U (en) | An integrated device for medical wastewater treatment based on a novel biofilm reactor | |
| CN206580715U (en) | Integrated intelligent sewage disposal device | |
| CN211005011U (en) | Wastewater treatment system | |
| CN110818194A (en) | Industrial sewage organic degradation and disinfection processing apparatus that disinfects | |
| CN214004361U (en) | Domestic sewage treatment device | |
| CN205710349U (en) | Underground integrated sewage treating equipment | |
| CN214936631U (en) | Domestic sewage integrated equipment | |
| CN212559798U (en) | Small-size domestic sewage treatment equipment | |
| CN210683482U (en) | Sewage treatment device with iron removal function | |
| CN214299580U (en) | Excrement and urine processing apparatus for domestic sewage treatment | |
| CN211896371U (en) | Integrated wastewater treatment equipment based on heavy metal pollution | |
| US5520821A (en) | Apparatus for preventing or eliminating zebra mussel infestation of a domestic water supply | |
| CN218372037U (en) | Sewage treatment box | |
| CN222454737U (en) | Waste water treatment device for disinfectant production and processing | |
| CN223633179U (en) | Automatic sterilizing equipment for urban concentrated water supply | |
| CN215161944U (en) | Concrete material sewage treatment device | |
| CN207391191U (en) | A kind of processing unit of antibiotic fermentation waste water | |
| CN215592841U (en) | Sewage innocent treatment device for sewage treatment |
Legal Events
| Date | Code | Title | Description |
|---|---|---|---|
| GR01 | Patent grant | ||
| GR01 | Patent grant | ||
| CF01 | Termination of patent right due to non-payment of annual fee |
Granted publication date: 20201208 |
|
| CF01 | Termination of patent right due to non-payment of annual fee |