CN211930443U - Energy-saving environment-friendly motor with good heat dissipation effect - Google Patents
Energy-saving environment-friendly motor with good heat dissipation effect Download PDFInfo
- Publication number
- CN211930443U CN211930443U CN202020722546.9U CN202020722546U CN211930443U CN 211930443 U CN211930443 U CN 211930443U CN 202020722546 U CN202020722546 U CN 202020722546U CN 211930443 U CN211930443 U CN 211930443U
- Authority
- CN
- China
- Prior art keywords
- water tank
- fixedly connected
- motor
- energy
- baffle
- Prior art date
- Legal status (The legal status is an assumption and is not a legal conclusion. Google has not performed a legal analysis and makes no representation as to the accuracy of the status listed.)
- Expired - Fee Related
Links
- 230000000694 effects Effects 0.000 title claims abstract description 22
- 230000017525 heat dissipation Effects 0.000 title claims description 15
- XLYOFNOQVPJJNP-UHFFFAOYSA-N water Substances O XLYOFNOQVPJJNP-UHFFFAOYSA-N 0.000 claims abstract description 64
- 238000001816 cooling Methods 0.000 claims abstract description 52
- 238000009423 ventilation Methods 0.000 claims abstract description 18
- 239000004065 semiconductor Substances 0.000 claims abstract description 17
- 238000005057 refrigeration Methods 0.000 claims abstract description 14
- 238000002347 injection Methods 0.000 claims description 6
- 239000007924 injection Substances 0.000 claims description 6
- 239000006185 dispersion Substances 0.000 abstract description 9
- 230000001737 promoting effect Effects 0.000 abstract description 3
- 239000000428 dust Substances 0.000 description 3
- 238000001914 filtration Methods 0.000 description 3
- 230000004075 alteration Effects 0.000 description 1
- 230000009286 beneficial effect Effects 0.000 description 1
- 230000001771 impaired effect Effects 0.000 description 1
- 238000012423 maintenance Methods 0.000 description 1
- 239000000463 material Substances 0.000 description 1
- 238000000034 method Methods 0.000 description 1
- 238000012986 modification Methods 0.000 description 1
- 230000004048 modification Effects 0.000 description 1
- 230000002265 prevention Effects 0.000 description 1
- 239000000243 solution Substances 0.000 description 1
- 238000006467 substitution reaction Methods 0.000 description 1
Images
Landscapes
- Motor Or Generator Cooling System (AREA)
Abstract
The utility model discloses an energy-concerving and environment-protective motor that radiating effect is good, comprising a water tank, the fixed frame of top fixedly connected with of water tank, the top fixedly connected with cooler bin of fixed frame, the inner chamber of fixed frame is provided with motor body, motor body's bottom and water tank fixed connection, the left side of water tank and cooler bin is provided with the baffle, the equal fixed connection threaded rod in left side of water tank and cooler bin, the left end of threaded rod runs through to the left side of baffle and the cover is equipped with the thread bush. The utility model discloses a set up water tank, fixed frame, cooler bin, motor body, baffle, threaded rod, thread bush, first cooling tube, second cooling tube, water pump, cooling tube, semiconductor refrigeration piece, intake pipe, fan, filter plate, first ventilation hole, second ventilation hole and filter screen, solved the relatively poor problem of current energy-concerving and environment-protective motor heat dispersion, this energy-concerving and environment-protective motor possesses the advantage that heat dispersion is good, is worth promoting.
Description
Technical Field
The utility model relates to the technical field of motors, specifically be an energy-concerving and environment-protective motor that the radiating effect is good.
Background
High-efficient energy-saving motor means that general standard type motor has efficient motor, high-efficient energy-saving motor adopts novel motor design, new technology and new material, through reducing the electromagnetic energy, the loss of heat energy and mechanical energy, improve output efficiency, compare with standard motor, the energy-conserving effect of using high-efficient motor is very obvious, efficiency can improve four percent on average under the general condition, but the motor is inevitable in-process that uses can produce the heat, the heat can not in time give off can produce unfavorable influence to the motor, and because the motor also does not have the device that is used for the protection, external dust directly can fall on the motor, the too much heat dispersion that also can lead to the motor of dust worsens, can lead to the motor impaired seriously, the practicality of energy-concerving and environment-protective motor has been reduced, be unfavorable.
SUMMERY OF THE UTILITY MODEL
An object of the utility model is to provide an energy-concerving and environment-protective motor that the radiating effect is good possesses the good advantage of heat dispersion, has solved the relatively poor problem of current energy-concerving and environment-protective motor heat dispersion.
In order to achieve the above object, the utility model provides a following technical scheme: an energy-saving and environment-friendly motor with good heat dissipation effect comprises a water tank, wherein a fixed frame is fixedly connected to the top of the water tank, a cooling box is fixedly connected to the top of the fixed frame, a motor body is arranged in an inner cavity of the fixed frame, the bottom of the motor body is fixedly connected with the water tank, a baffle is arranged on the left sides of the water tank and the cooling box, threaded rods are fixedly connected to the left sides of the water tank and the cooling box, the left ends of the threaded rods penetrate through the left side of the baffle and are sleeved with threaded sleeves, the left side of the output end of the motor body penetrates through the left side of the baffle, a first heat dissipation tube and a second heat dissipation tube are respectively arranged on the front side and the rear side of the motor body in the inner cavity of the fixed frame, a water pump is fixedly connected to the bottom of the inner cavity of the water tank, the bottom, the inner chamber of cooler bin is provided with the cooling tube, the top of cooling tube is provided with the semiconductor refrigeration piece, the top of semiconductor refrigeration piece runs through to the top of cooler bin, the top of first cooling tube and second cooling tube all run through the cooler bin and communicate with the cooling tube, the rear side intercommunication of cooler bin has the intake pipe, the inner chamber of intake pipe has set gradually fan and filter plate after to in the past, first ventilation hole has been seted up to the bottom of cooler bin, second ventilation hole has been seted up on the right side of fixed frame, the inner wall fixedly connected with filter screen in second ventilation hole.
Preferably, the bottom of the motor body is fixedly connected with the water tank through a bolt, a through hole matched with the threaded rod for use is formed in the left side of the baffle, and an opening matched with the output end of the motor body for use is formed in the left side of the baffle.
Preferably, the surface of the semiconductor refrigeration piece is fixedly connected with the cooling box, and the surface of the filter plate is fixedly connected with the inner wall of the air inlet pipe.
Preferably, the top and the bottom of fan all fixedly connected with support, two opposite one sides of support all with the inner wall fixed connection of intake pipe.
Preferably, the top and the bottom on water tank right side communicate respectively has water injection pipe and drain pipe, and the right side of water injection pipe and drain pipe all overlaps and is equipped with the tube cap.
Compared with the prior art, the beneficial effects of the utility model are as follows:
1. the utility model discloses a set up water tank, fixed frame, cooler bin, motor body, baffle, threaded rod, thread bush, first cooling tube, second cooling tube, water pump, cooling tube, semiconductor refrigeration piece, intake pipe, fan, filter plate, first ventilation hole, second ventilation hole and filter screen, solved the relatively poor problem of current energy-concerving and environment-protective motor heat dispersion, this energy-concerving and environment-protective motor possesses the advantage that heat dispersion is good, is worth promoting.
2. The utility model discloses a set up the water tank, can play the effect of water storage, through setting up the baffle, can play dirt-proof effect, through setting up threaded rod and thread bush, can make things convenient for the fixed of baffle, through setting up first cooling tube and second cooling tube, can take away the heat through rivers, through setting up the semiconductor refrigeration piece, can play refrigerated effect, through setting up filter plate and filter screen, can play filtering gas's effect, through setting up first ventilation hole and second ventilation hole, can play the effect of ventilation, through setting up the opening, the use of motor of can being convenient for, through setting up the support, can play fixed fan's effect.
Drawings
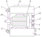
FIG. 1 is a schematic structural view of the present invention;
FIG. 2 is a right sectional view of the structure of the present invention;
fig. 3 is a schematic view of a first heat dissipating tube of the present invention;
fig. 4 is a schematic view of a second heat dissipating tube of the present invention;
fig. 5 is a right side sectional view of the intake pipe of the present invention;
fig. 6 is a top view of the fixing frame of the present invention.
In the figure: 1. a water tank; 2. a fixing frame; 3. a cooling tank; 4. a motor body; 5. a baffle plate; 6. a threaded rod; 7. a threaded sleeve; 8. a first radiating pipe; 9. a second heat dissipation pipe; 10. a water pump; 11. a cooling tube; 12. a semiconductor refrigeration sheet; 13. an air inlet pipe; 14. a fan; 15. filtering the plate; 16. a first vent hole; 17. a second vent hole; 18. filtering with a screen; 19. an opening; 20. and (4) a bracket.
Detailed Description
The technical solutions in the embodiments of the present invention will be described clearly and completely with reference to the accompanying drawings in the embodiments of the present invention, and it is obvious that the described embodiments are only some embodiments of the present invention, not all embodiments. Based on the embodiments in the present invention, all other embodiments obtained by a person skilled in the art without creative work belong to the protection scope of the present invention.
In the description of the present invention, it should be noted that the terms "upper", "lower", "inner", "outer", "front end", "rear end", "both ends", "one end", "the other end", and the like indicate orientations or positional relationships based on the orientations or positional relationships shown in the drawings, and are only for convenience of description and simplification of description, but do not indicate or imply that the device or element to be referred must have a specific orientation, be constructed in a specific orientation, and be operated, and thus, should not be construed as limiting the present invention. Furthermore, the terms "first" and "second" are used for descriptive purposes only and are not to be construed as indicating or implying relative importance.
In the description of the present invention, it is to be noted that, unless otherwise explicitly specified or limited, the terms "mounted", "provided", "connected", and the like are to be construed broadly, such as "connected", which may be fixedly connected, detachably connected, or integrally connected; can be mechanically or electrically connected; they may be connected directly or indirectly through intervening media, or they may be interconnected between two elements. The specific meaning of the above terms in the present invention can be understood in specific cases to those skilled in the art.
Referring to fig. 1-6, an energy-saving and environment-friendly motor with good heat dissipation effect comprises a water tank 1, a fixed frame 2 is fixedly connected to the top of the water tank 1, a cooling tank 3 is fixedly connected to the top of the fixed frame 2, a motor body 4 is arranged in an inner cavity of the fixed frame 2, the bottom of the motor body 4 is fixedly connected to the water tank 1, a baffle 5 is arranged on the left sides of the water tank 1 and the cooling tank 3, threaded rods 6 are fixedly connected to the left sides of the water tank 1 and the cooling tank 3, the left end of each threaded rod 6 penetrates through the left side of the baffle 5 and is sleeved with a threaded sleeve 7, the left side of an output end of the motor body 4 penetrates through the left side of the baffle 5, first heat dissipation tubes 8 and second heat dissipation tubes 9 are respectively arranged in the inner cavity of the fixed frame 2 and positioned on the front side and the rear side of the motor body 4, a water pump, the bottom of the second radiating pipe 9 is communicated with the water tank 1, the inner cavity of the cooling tank 3 is provided with a cooling pipe 11, the top of the cooling pipe 11 is provided with a semiconductor refrigerating sheet 12, the top of the semiconductor refrigerating sheet 12 penetrates to the top of the cooling tank 3, the tops of the first radiating pipe 8 and the second radiating pipe 9 both penetrate through the cooling tank 3 and are communicated with the cooling pipe 11, the rear side of the cooling tank 3 is communicated with an air inlet pipe 13, the inner cavity of the air inlet pipe 13 is sequentially provided with a fan 14 and a filter plate 15 from front to back, the bottom of the cooling tank 3 is provided with a first vent hole 16, the right side of the fixing frame 2 is provided with a second vent hole 17, the inner wall of the second vent hole 17 is fixedly connected with a filter screen 18, the bottom of the motor body 4 is fixedly connected with the water tank 1 through bolts, the left side of the baffle plate 5 is provided with a, the surface of the semiconductor refrigeration piece 12 is fixedly connected with the cooling box 3, the surface of the filter plate 15 is fixedly connected with the inner wall of the air inlet pipe 13, the top and the bottom of the fan 14 are fixedly connected with the supports 20, the opposite sides of the two supports 20 are fixedly connected with the inner wall of the air inlet pipe 13, the top and the bottom of the right side of the water tank 1 are respectively communicated with the water injection pipe and the water discharge pipe, the right sides of the water injection pipe and the water discharge pipe are respectively sleeved with a pipe cover, the water tank 1 is arranged to play a role in water storage, the baffle 5 is arranged to play a role in dust prevention, the threaded rod 6 and the threaded sleeve 7 are arranged to facilitate the fixation of the baffle 5, the first radiating pipe 8 and the second radiating pipe 9 are arranged to take away heat through water flow, the semiconductor refrigeration piece 12 is arranged to play a cooling role, the filter plate 15 and the, through setting up first ventilation hole 16 and second ventilation hole 17, can play the effect of ventilation, through setting up opening 19, the use of the motor of can being convenient for, through setting up support 20, can play the effect of fixed fan 14, through setting up water tank 1, fixed frame 2, cooler bin 3, motor body 4, baffle 5, threaded rod 6, thread bush 7, first cooling tube 8, second cooling tube 9, water pump 10, cooling tube 11, semiconductor refrigeration piece 12, intake pipe 13, fan 14, filter plate 15, first ventilation hole 16, second ventilation hole 17 and filter screen 18, the relatively poor problem of current energy-concerving and environment-protective motor heat dispersion has been solved, this energy-concerving and environment-protective motor, possess the advantage that heat dispersion is good, be worth promoting.
When in use, the water pump 10, the fan 14 and the semiconductor refrigerating sheet 12 are controlled to operate, the water pump 10 inputs water in the water tank 1 into the first radiating pipe 8 through the matching of the water inlet, the water enters the cooling pipe 11 after passing through the first radiating pipe 8, the water flows in the first radiating pipe 8 and the second radiating pipe 9 can take away the heat generated by the motor through the cooling pipe 11 entering the second radiating pipe 9 and finally inputting the heat into the water tank 1 again, the semiconductor refrigeration sheet 12 can reduce the temperature in the cooling tank 3 to cool the water in the cooling pipe 11, thereby improving the heat dissipation effect, the fan 14 inputs the outside air into the cooling tank 3 through the matching of the air inlet pipe 13, the air is blown to the motor through the first vent hole 16 to accelerate the heat dissipation of the motor, when the motor needs to be maintained, the threaded sleeve 7 is turned to remove it from the surface of the threaded rod 6, and the shutter 5 can then be dismantled to facilitate maintenance of the motor.
Although embodiments of the present invention have been shown and described, it will be appreciated by those skilled in the art that changes, modifications, substitutions and alterations can be made in these embodiments without departing from the principles and spirit of the invention, the scope of which is defined in the appended claims and their equivalents.
Claims (5)
1. The utility model provides an energy-concerving and environment-protective motor that radiating effect is good, includes water tank (1), its characterized in that: the improved water cooling structure is characterized in that a fixed frame (2) is fixedly connected to the top of the water tank (1), a cooling tank (3) is fixedly connected to the top of the fixed frame (2), a motor body (4) is arranged in an inner cavity of the fixed frame (2), the bottom of the motor body (4) is fixedly connected with the water tank (1), a baffle (5) is arranged on the left sides of the water tank (1) and the cooling tank (3), a threaded rod (6) is fixedly connected to the left sides of the water tank (1) and the cooling tank (3), the left end of the threaded rod (6) penetrates through the left side of the baffle (5) and is sleeved with a threaded sleeve (7), the left side of the output end of the motor body (4) penetrates through the left side of the baffle (5), first radiating pipe (8) and second radiating pipe (9) are respectively arranged on the front side and the rear side of the inner cavity of the fixed frame (2) and positioned on the motor body (4, the bottom of first cooling tube (8) runs through water tank (1) and communicates with the top of water pump (10) delivery port, the bottom and water tank (1) intercommunication of second cooling tube (9), the inner chamber of cooler bin (3) is provided with cooling tube (11), the top of cooling tube (11) is provided with semiconductor refrigeration piece (12), the top of semiconductor refrigeration piece (12) runs through to the top of cooler bin (3), the top of first cooling tube (8) and second cooling tube (9) all runs through cooler bin (3) and communicates with cooling tube (11), the rear side intercommunication of cooler bin (3) has intake pipe (13), the inner chamber of intake pipe (13) has set gradually fan (14) and filter plate (15) from the front to the back, first ventilation hole (16) have been seted up to the bottom of cooler bin (3), second ventilation hole (17) have been seted up on the right side of fixed frame (2), the inner wall of the second ventilation hole (17) is fixedly connected with a filter screen (18).
2. The energy-saving environment-friendly motor with good heat dissipation effect as claimed in claim 1, is characterized in that: the bottom of motor body (4) passes through bolt fixed connection with water tank (1), the through-hole that uses with threaded rod (6) cooperation is seted up in the left side of baffle (5), opening (19) that use with motor body (4) output cooperation are seted up in the left side of baffle (5).
3. The energy-saving environment-friendly motor with good heat dissipation effect as claimed in claim 1, is characterized in that: the surface of the semiconductor refrigeration piece (12) is fixedly connected with the cooling box (3), and the surface of the filter plate (15) is fixedly connected with the inner wall of the air inlet pipe (13).
4. The energy-saving environment-friendly motor with good heat dissipation effect as claimed in claim 1, is characterized in that: the top and the bottom of the fan (14) are fixedly connected with supports (20), and one sides of the two supports (20) opposite to each other are fixedly connected with the inner wall of the air inlet pipe (13).
5. The energy-saving environment-friendly motor with good heat dissipation effect as claimed in claim 1, is characterized in that: the top and the bottom on water tank (1) right side communicate respectively has water injection pipe and drain pipe, and the right side of water injection pipe and drain pipe all overlaps and is equipped with the tube cap.
Priority Applications (1)
| Application Number | Priority Date | Filing Date | Title |
|---|---|---|---|
| CN202020722546.9U CN211930443U (en) | 2020-05-06 | 2020-05-06 | Energy-saving environment-friendly motor with good heat dissipation effect |
Applications Claiming Priority (1)
| Application Number | Priority Date | Filing Date | Title |
|---|---|---|---|
| CN202020722546.9U CN211930443U (en) | 2020-05-06 | 2020-05-06 | Energy-saving environment-friendly motor with good heat dissipation effect |
Publications (1)
| Publication Number | Publication Date |
|---|---|
| CN211930443U true CN211930443U (en) | 2020-11-13 |
Family
ID=73329279
Family Applications (1)
| Application Number | Title | Priority Date | Filing Date |
|---|---|---|---|
| CN202020722546.9U Expired - Fee Related CN211930443U (en) | 2020-05-06 | 2020-05-06 | Energy-saving environment-friendly motor with good heat dissipation effect |
Country Status (1)
| Country | Link |
|---|---|
| CN (1) | CN211930443U (en) |
-
2020
- 2020-05-06 CN CN202020722546.9U patent/CN211930443U/en not_active Expired - Fee Related
Similar Documents
| Publication | Publication Date | Title |
|---|---|---|
| CN210625002U (en) | Charging voltage stabilizer with heat dissipation function | |
| CN213821029U (en) | Bubble soda water machine | |
| CN210693186U (en) | Heat dissipation device for distribution box | |
| CN211930443U (en) | Energy-saving environment-friendly motor with good heat dissipation effect | |
| CN210274799U (en) | Dry-type transformer temperature controller with good heat dissipation effect | |
| CN210952314U (en) | Novel vacuum furnace is used in digital camera panel processing | |
| CN218915988U (en) | Energy-saving and environment-friendly cooling tower with circulating water cooling function | |
| CN216922620U (en) | Improved double-suction centrifugal pump water-cooling circulation system | |
| CN215633985U (en) | Cooling structure of air suspension centrifugal fan | |
| CN215637704U (en) | Cabinet device | |
| CN212362379U (en) | Artificial intelligence energy-saving device of central air conditioner | |
| CN208765190U (en) | A kind of double cold source airconditioning control cabinets | |
| CN214152340U (en) | Dustproof heat dissipation type advertising light boxes | |
| CN211601630U (en) | Hot water exchange device of cooling tower | |
| CN215572269U (en) | Cross-flow type double-side air inlet cooling tower | |
| CN219881976U (en) | Cooling assembly and machining center for machining aviation aluminum parts | |
| CN214112017U (en) | Printer with high-efficiency heat dissipation performance | |
| CN214095015U (en) | Novel high radiating source heat pump | |
| CN217362874U (en) | High-efficient ventilation cooling's fan frequency conversion cabinet | |
| CN214545273U (en) | High-power frequency converter cooling device | |
| CN217802878U (en) | High-temperature high-pressure foaming forming generator | |
| CN220833684U (en) | Heat exchange device of ozone sterilizer | |
| CN112486294A (en) | Device beneficial to computer heat transmission and operation method | |
| CN223668651U (en) | Equipment of low temperature vacuum concentration purification cereal ferment | |
| CN215243013U (en) | PVB membrane shaping cooling is with fountain condensing equipment |
Legal Events
| Date | Code | Title | Description |
|---|---|---|---|
| GR01 | Patent grant | ||
| GR01 | Patent grant | ||
| CF01 | Termination of patent right due to non-payment of annual fee |
Granted publication date: 20201113 |
|
| CF01 | Termination of patent right due to non-payment of annual fee |