CN211342433U - High-angle-strength energy-saving heat-preservation wood-aluminum composite door and window - Google Patents

High-angle-strength energy-saving heat-preservation wood-aluminum composite door and window Download PDF

Info

Publication number
CN211342433U
CN211342433U CN201921917673.8U CN201921917673U CN211342433U CN 211342433 U CN211342433 U CN 211342433U CN 201921917673 U CN201921917673 U CN 201921917673U CN 211342433 U CN211342433 U CN 211342433U
Authority
CN
China
Prior art keywords
frame
section
indoor
sash
mullion
Prior art date
Legal status (The legal status is an assumption and is not a legal conclusion. Google has not performed a legal analysis and makes no representation as to the accuracy of the status listed.)
Active
Application number
CN201921917673.8U
Other languages
Chinese (zh)
Inventor
倪海琼
潘星言
解亭亭
Current Assignee (The listed assignees may be inaccurate. Google has not performed a legal analysis and makes no representation or warranty as to the accuracy of the list.)
Hebei Orient Sundar Windows Co Ltd
Original Assignee
Hebei Orient Sundar Windows Co Ltd
Priority date (The priority date is an assumption and is not a legal conclusion. Google has not performed a legal analysis and makes no representation as to the accuracy of the date listed.)
Filing date
Publication date
Application filed by Hebei Orient Sundar Windows Co Ltd filed Critical Hebei Orient Sundar Windows Co Ltd
Priority to CN201921917673.8U priority Critical patent/CN211342433U/en
Application granted granted Critical
Publication of CN211342433U publication Critical patent/CN211342433U/en
Active legal-status Critical Current
Anticipated expiration legal-status Critical

Links

Images

Landscapes

  • Load-Bearing And Curtain Walls (AREA)
  • Door And Window Frames Mounted To Openings (AREA)

Abstract

The utility model discloses an energy-saving heat-preservation wood-aluminum composite door and window with high angular strength, wherein a frame comprises a frame bridge-cut aluminum alloy section comprising an outdoor frame aluminum alloy section, a frame heat insulation strip and an indoor frame aluminum alloy section and an indoor frame decorative wood section; the transverse frame decorative wood section and the vertical frame decorative wood section are connected by a groove tenon; the sash frame comprises an outdoor sash broken bridge aluminum alloy section and an indoor sash decorative wood section, wherein the outdoor sash broken bridge aluminum alloy section comprises an outdoor sash aluminum alloy section, a sash heat insulation strip and an indoor sash aluminum alloy section; the horizontal sash decorative wood section bar and the vertical sash decorative wood section bar are connected by a groove tenon; the mullion comprises an outdoor mullion broken bridge aluminum alloy section and an indoor mullion decorative wood section, wherein the outdoor mullion broken bridge aluminum alloy section comprises an outdoor mullion aluminum alloy section, a mullion heat insulation strip and an indoor mullion aluminum alloy section; the mullion decorative wood section and the frame decorative wood section connected with the mullion decorative wood section are connected by adopting a mortise and tenon. The utility model discloses wood decoration section bar bight joint strength is high, difficult fracture, and long service life keeps warm thermal-insulated energy-conservation.

Description

High-angle-strength energy-saving heat-preservation wood-aluminum composite door and window
Technical Field
The utility model relates to an energy-conserving heat preservation wood aluminium composite door and window of high angular strength.
Background
The present wood-aluminum composite door and window is a wood-aluminum composite door and window which takes bridge-cut-off aluminum alloy as a main bearing structure and takes wood as a decorative effect. The heat-insulation bridge-cut-off aluminum alloy section bar and the wood decoration strips are connected through gluing or clamping, no matter which connection mode is adopted, the diagonal connection of the wood decoration strips is 45-degree flat-end butt joint, the end surfaces of the longitudinal wood decoration strips and the transverse wood decoration strips are 45-degree inclined surfaces, the thickness of wood is thinner, and two adjacent wood decoration strips are connected together in an inclined surface mode and connected through stacking nails; the flat-head butt joint structure is easy to separate due to the difference of the shrinkage rates of the two materials, particularly in a humid environment, corners are easy to crack, and the service life of the wood-aluminum composite window is shortened. And the wood decoration strip of the window frame is separated from the outer surface of the aluminum alloy section, so that the connection is unstable.
SUMMERY OF THE UTILITY MODEL
The utility model aims at solving the above-mentioned problem that exists among the prior art, provide a wood decoration section bar bight joint strength height, difficult fracture, long service life, the energy-conserving heat preservation wood aluminium composite door and window of the high angle intensity of heat preservation energy-conservation.
In order to achieve the above object, the technical solution of the present invention is: a high-angle-strength energy-saving heat-preservation wood-aluminum composite door and window comprises a frame, glass and a glass line pressing assembly A comprising an indoor frame aluminum pressing strip and an indoor frame wood pressing strip, or comprises a frame, a sash frame, glass and a glass line pressing assembly B comprising an indoor sash aluminum pressing strip and an indoor sash wood pressing strip, or comprises a frame, a sash frame, a mullion, glass, a glass line pressing assembly A comprising an indoor frame aluminum pressing strip and an indoor frame wood pressing strip and a glass line pressing assembly B comprising an indoor sash aluminum pressing strip and an indoor sash wood pressing strip, or comprises a frame, a sash frame, a false mullion, glass and a glass line pressing assembly B comprising an indoor sash aluminum pressing strip and an indoor sash wood pressing strip;
the frame comprises an outdoor frame bridge-cut-off aluminum alloy section and an indoor frame decorative wood section; the frame bridge-cut-off aluminum alloy section comprises an outer indoor frame aluminum alloy section, two frame heat insulation strips and an inner indoor frame aluminum alloy section; the transverse frame decorative wood section and the vertical frame decorative wood section are connected by a groove tenon: milling tenons at the ends of the transverse frame decoration wood sections, milling grooves matched with the tenons at the ends of the vertical frame decoration wood sections, and bonding and fixing the tenons and the grooves;
the sash frame comprises an outdoor sash broken bridge aluminum alloy section and an indoor sash decorative wood section; the sash broken bridge aluminum alloy section comprises an outdoor sash aluminum alloy section, two sash heat insulation strips and an indoor sash aluminum alloy section; the horizontal sash decorative wood section bar and the vertical sash decorative wood section bar are connected by a groove tenon: milling tenons at the ends of the horizontal sash decorative wood sections, milling grooves matched with the tenons at the ends of the vertical sash decorative wood sections, and bonding and fixing the tenons and the grooves;
the mullion comprises an outdoor mullion bridge-cut-off aluminum alloy section and an indoor mullion decorative wood section; the mullion broken bridge aluminum alloy section comprises an outdoor mullion aluminum alloy section, two mullion heat insulation strips and an indoor mullion aluminum alloy section; the muntin decorative wood section and the frame decorative wood section connected with the muntin decorative wood section are connected by adopting a mortise and tenon: the end of the mullion decorative wood section is milled with a tenon, the inner end of the frame decorative wood section connected with the mullion decorative wood section is milled with a groove matched with the tenon, the mortise and the mortise are bonded and fixed, and are connected and fixed by a T-shaped mullion connecting piece attached to the indoor end of the joint of the mullion decorative wood section and the mortise and tenon.
Further preferably, the outer end of the outdoor end of the frame decorative wood section is milled with a lap joint step of an aluminum alloy section of the indoor frame, and the outer end of the indoor end of the aluminum alloy section of the indoor frame protrudes a lap joint edge matched with the lap joint step; the lap edges of the aluminum alloy sections of the indoor frame are lapped on the lap steps of the decorative wood sections of the frame. The aluminum alloy section bar of the indoor frame just wraps the frame decoration wood section bar, and the stability of the frame is further improved.
Further preferably, the utility model also comprises a buckle cover arranged on the frame or the mullion which is lapped with the fan frame; the visible surface of the buckle cover is provided with a positioning point and a positioning groove for mounting the lock seat, the non-visible surface of the buckle cover extends out of three fins A, B and C, the groove formed by the two fins A, B at the outer end of the room is matched with a fin D extending out of the inner end of the indoor inner frame aluminum alloy section or the indoor mullion aluminum alloy section, and the fin C at the inner end of the room is matched with the groove at the inner end surface of the frame decorative wood section or the mullion decorative wood section; the buckle cover is buckled between the indoor mullion aluminum alloy section of the frame lapped with the fan frame and the frame decorative wood section or between the indoor mullion aluminum alloy section of the mullion lapped with the fan frame and the mullion decorative wood section. The buckle cover plays a role in positioning the installed lock seat, plays a role in fixing the frame aluminum alloy profile and the frame decorative wood profile or the mullion aluminum alloy profile and the mullion decorative wood profile, and plays a role in preventing dust from entering and decorating the closed frame aluminum alloy profile, the frame decorative wood profile or the mullion aluminum alloy profile and the mullion decorative wood profile.
Further preferably, the indoor wood sash trim strip is substantially flush with the wood sash decoration section; the two frame heat insulation strips and the two fan heat insulation strips are on the same horizontal line. The appearance is beautiful, the isothermal line distribution of the whole window is more reasonable, and the heat insulation performance of the whole window is improved.
The utility model discloses between the frame decoration wood section bar, the fan decorates between the wood section bar and well bight decorates bight between wood section bar and the frame decoration wood section bar and all adopt 90 tongue and groove connection structure, has improved timber bight joint strength, difficult fracture, long service life, heat preservation thermal-insulated energy-conservation. Particularly, the lap edges of the aluminum alloy sections of the indoor frame are lapped and wrapped on the lap steps of the decorative wood sections of the frame, so that the stability of the frame is further improved; the buckle cover is additionally arranged on the frame which is in lap joint with the fan frame to play a role in positioning the installed lock seat, play a role in fixing the frame aluminum alloy section and the frame decoration wood section, and seal the frame aluminum alloy section and the frame decoration wood section to play roles in preventing dust from entering and decorating.
Drawings
Fig. 1 is a front view of an embodiment of the present invention as seen from the inside;
fig. 2 is a front view of an embodiment of the present invention as seen from the outside;
FIG. 3 is a cross-sectional view AA in FIG. 1;
FIG. 4 is a cross-sectional view BB of FIG. 1;
FIG. 5 is a cross-sectional view CC of FIG. 1;
fig. 6 is a schematic view showing a connection structure between the frame decorative wood section, the sash decorative wood section, and the mullion decorative wood section according to an embodiment of the present invention;
fig. 7 is an exploded view of the connection structure between the middle horizontal and vertical frame decorative wood sections of the present invention;
FIG. 8 is an exploded view of the connection structure between the decorative wood sections of the horizontal and vertical wings of the present invention;
fig. 9 is an exploded view of a connection structure between a wood section for a mullion decoration and a wood section for a frame decoration connected thereto according to the present invention;
FIG. 10 is a schematic view of the structure of the present invention in which the middle frame and the fan frame are connected;
fig. 11 is a front view of the middle buckle cover of the present invention.
Detailed Description
The invention is further described with reference to the accompanying drawings and specific embodiments.
As shown in fig. 1-11, in embodiment 1, the present embodiment includes a frame, a sash frame, a mullion, a glass 12, a glass line pressing assembly a including an indoor frame aluminum pressing strip 16 and an indoor frame wood pressing strip 7, and a glass line pressing assembly B including an indoor sash aluminum pressing strip 17 and an indoor sash wood pressing strip 8. 23 is a hinge, and 24 is a handle.
The frame comprises an outdoor frame bridge-cut-off aluminum alloy section bar 1 and an indoor frame decorative wood section bar 3 which is fixedly connected through a buckle 19. The frame bridge-cut-off aluminum alloy section bar 1 comprises an outdoor frame aluminum alloy section bar 9, two frame heat insulation strips 10 and an indoor frame aluminum alloy section bar 11. The horizontal frame decorative wood section 3 and the vertical frame decorative wood section 3 are connected by a groove 3-1 and a tenon 3-2: the end of the transverse frame decorative wood section bar is milled with a tenon 3-2, the end of the vertical frame decorative wood section bar 3 is milled with a groove 3-1 matched with the tenon 3-2, and the tenon groove and the groove are adhered and fixed. Preferably, the outer end of the outdoor end of the frame decorative wood section 3 is milled with the lapping step 14 of the indoor frame aluminum alloy section, and the outer end of the indoor frame aluminum alloy section 11 protrudes out of the lapping edge 13 matched with the lapping step 14. The overlapping edge 13 of the aluminum alloy section bar 11 in the indoor frame is overlapped on the overlapping step 14 of the wood section bar 3 for frame decoration.
The sash frame comprises an outdoor sash broken bridge aluminum alloy section bar 2 and an indoor sash decorative wood section bar 4 which is fixedly connected through a buckle 19. The sash broken bridge aluminum alloy section 2 comprises an outdoor sash aluminum alloy section 15, two sash heat insulation strips 18 and an indoor sash aluminum alloy section 20. The horizontal sash decorative wood section 4 and the vertical sash decorative wood section 4 are connected by a groove 4-1 and a tenon 4-2: the end of the horizontal fan decorative wood section 4 is milled with a tenon 4-2, the end of the vertical fan decorative wood section 4 is milled with a groove 4-1 matched with the tenon 4-2, and the tenon and the groove are adhered and fixed.
The mullion comprises an outdoor mullion broken bridge aluminum alloy section 5 and an indoor mullion decorative wood section 6 which is fixedly connected through a buckle 19. The mullion break-bridge aluminum alloy section 5 comprises an outdoor mullion aluminum alloy section 21, two mullion heat insulation strips 25 and an indoor mullion aluminum alloy section 26. The mullion decorative wood section 6 and the frame decorative wood section 3 connected with the mullion decorative wood section are connected by a groove 3-3 and a tenon 6-1: the end of the mullion decorative wood section 6 is milled with a tenon 6-1, the inner end of the frame decorative wood section 3 connected with the mullion decorative wood section is milled with a groove 3-3 matched with the tenon 6-1, the tenon grooves are bonded and fixed, and the mullion decorative wood section is connected and fixed by a T-shaped mullion connecting piece 27 attached to the indoor end of the joint of the mullion decorative wood section and the tenon 6-1 through a nail 28. Preferably, the indoor wood sash batten 8 is substantially flush with the wood sash decoration section bar 4; the two frame insulating strips 10 and the two fan insulating strips 18 are on the same horizontal line.
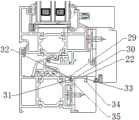
Preferably, this embodiment also includes a cover 22 mounted on the frame overlapping the fan frame. The visible surface of the buckle cover 22 is provided with a positioning point 29 for mounting the lock seat and a positioning groove 30, the non-visible surface of the buckle cover extends out of three wing edges A31, B32 and C33, the groove formed by the two wing edges A31 and B32 at the outer end of the room is matched with the wing edge D35 extending out of the inner end of the indoor frame aluminum alloy section bar 11 or the indoor mullion aluminum alloy section bar 26 at the inner end of the room, and the wing edge C33 at the inner end of the room is matched with the groove 34 of the inner end surface of the frame decorative wood section bar 3 or the mullion decorative wood section bar 6. The buckle cover 22 is buckled between the indoor frame aluminum alloy section bar 11 of the frame lapped with the fan frame and the frame decorative wood section bar 3 or between the indoor mullion aluminum alloy section bar 26 of the mullion lapped with the fan frame and the mullion decorative wood section bar 6.
Example 2 this example includes a frame, glass, and a glass press line assembly a including an indoor frame aluminum press bead and an indoor frame wood press bead. The structure of the frame is the same as that of the embodiment 1, and the frame comprises an outdoor frame bridge-cut aluminum alloy section and an indoor frame decorative wood section 3 which is fixedly connected through a buckle. The frame bridge-cut-off aluminum alloy section bar 1 comprises an outdoor frame aluminum alloy section bar 9, two frame heat insulation strips 10 and an indoor frame aluminum alloy section bar 11. The horizontal frame decorative wood section 3 and the vertical frame decorative wood section 3 are connected by a groove 3-1 and a tenon 3-2: the end of the transverse frame decorative wood section bar is milled with a tenon 3-2, the end of the vertical frame decorative wood section bar 3 is milled with a groove 3-1 matched with the tenon 3-2, and the tenon groove and the groove are adhered and fixed. Preferably, the outer end of the outdoor end of the frame decorative wood section 3 is milled with the lapping step 14 of the indoor frame aluminum alloy section, and the outer end of the indoor frame aluminum alloy section 11 protrudes out of the lapping edge 13 matched with the lapping step 14. The overlapping edge 13 of the aluminum alloy section bar 11 in the indoor frame is overlapped on the overlapping step 14 of the wood section bar 3 for frame decoration.
Example 3, this example includes a frame, a sash frame, glass, and a glass bead assembly B that includes an indoor aluminum sash bead and an indoor wood sash bead. The frame and fan frame structures and the structures therebetween are the same as those of embodiment 1.
Example 4 this example includes a frame, a sash frame, a false mullion, glass, and a glass line clip assembly B that includes indoor aluminum sash moldings and indoor wood sash moldings. The frame and fan frame structures and the structures therebetween are the same as those of embodiment 1.
Naturally, the invention also relates to other embodiments, and those skilled in the art can make corresponding changes and modifications according to the invention without departing from the spirit and substance of the invention, and these corresponding changes and modifications should be considered as improvements in the equivalent technology, and fall within the scope of protection of the claims of the invention.

Claims (5)

1. A high-angle-strength energy-saving heat-preservation wood-aluminum composite door and window comprises a frame, glass and a glass line pressing assembly A comprising an indoor frame aluminum pressing strip and an indoor frame wood pressing strip, or comprises a frame, a sash frame, glass and a glass line pressing assembly B comprising an indoor sash aluminum pressing strip and an indoor sash wood pressing strip, or comprises a frame, a sash frame, a mullion, glass, a glass line pressing assembly A comprising an indoor frame aluminum pressing strip and an indoor frame wood pressing strip and a glass line pressing assembly B comprising an indoor sash aluminum pressing strip and an indoor sash wood pressing strip, or comprises a frame, a sash frame, a false mullion, glass and a glass line pressing assembly B comprising an indoor sash aluminum pressing strip and an indoor sash wood pressing strip; the method is characterized in that:
the frame comprises an outdoor frame bridge-cut-off aluminum alloy section and an indoor frame decorative wood section; the frame bridge-cut-off aluminum alloy section comprises an outer indoor frame aluminum alloy section, two frame heat insulation strips and an inner indoor frame aluminum alloy section; the transverse frame decorative wood section and the vertical frame decorative wood section are connected by a groove tenon: milling tenons at the ends of the transverse frame decoration wood sections, milling grooves matched with the tenons at the ends of the vertical frame decoration wood sections, and bonding and fixing the tenons and the grooves;
the sash frame comprises an outdoor sash broken bridge aluminum alloy section and an indoor sash decorative wood section; the sash broken bridge aluminum alloy section comprises an outdoor sash aluminum alloy section, two sash heat insulation strips and an indoor sash aluminum alloy section; the horizontal sash decorative wood section bar and the vertical sash decorative wood section bar are connected by a groove tenon: milling tenons at the ends of the horizontal sash decorative wood sections, milling grooves matched with the tenons at the ends of the vertical sash decorative wood sections, and bonding and fixing the tenons and the grooves;
the mullion comprises an outdoor mullion bridge-cut-off aluminum alloy section and an indoor mullion decorative wood section; the mullion broken bridge aluminum alloy section comprises an outdoor mullion aluminum alloy section, two mullion heat insulation strips and an indoor mullion aluminum alloy section; the muntin decorative wood section and the frame decorative wood section connected with the muntin decorative wood section are connected by adopting a mortise and tenon: the end of the mullion decorative wood section is milled with a tenon, the inner end of the frame decorative wood section connected with the mullion decorative wood section is milled with a groove matched with the tenon, the mortise and the mortise are bonded and fixed, and are connected and fixed by a T-shaped mullion connecting piece attached to the indoor end of the joint of the mullion decorative wood section and the mortise and tenon.
2. The energy-saving heat-insulating wood-aluminum composite door and window with high angular strength as claimed in claim 1, characterized in that: the outer end of the outdoor end of the frame decorative wood section is milled with a lap joint step of an aluminum alloy section of an indoor frame, and the outer end of the indoor end of the aluminum alloy section of the indoor frame protrudes out of a lap joint edge matched with the lap joint step; the lap edges of the aluminum alloy sections of the indoor frame are lapped on the lap steps of the decorative wood sections of the frame.
3. The energy-saving heat-insulating wood-aluminum composite door and window with high angular strength as claimed in claim 1 or 2, characterized in that: it also includes a buckle cover mounted on the frame or mullion lapped with the fan frame; the visible surface of the buckle cover is provided with a positioning point and a positioning groove for mounting the lock seat, the non-visible surface of the buckle cover extends out of three fins A, B and C, the groove formed by the two fins A, B at the outer end of the room is matched with a fin D extending out of the inner end of the indoor inner frame aluminum alloy section or the indoor mullion aluminum alloy section, and the fin C at the inner end of the room is matched with the groove at the inner end surface of the frame decorative wood section or the mullion decorative wood section; the buckle cover is buckled between the indoor mullion aluminum alloy section of the frame lapped with the fan frame and the frame decorative wood section or between the indoor mullion aluminum alloy section of the mullion lapped with the fan frame and the mullion decorative wood section.
4. The energy-saving heat-insulating wood-aluminum composite door and window with high angular strength as claimed in claim 3, characterized in that: the indoor sash wood pressing strip is basically flush with the sash decorative wood section; the two frame heat insulation strips and the two fan heat insulation strips are on the same horizontal line.
5. The energy-saving heat-insulating wood-aluminum composite door and window with high angular strength as claimed in claim 1 or 2, characterized in that: the indoor sash wood pressing strip is basically flush with the sash decorative wood section; the two frame heat insulation strips and the two fan heat insulation strips are on the same horizontal line.
CN201921917673.8U 2019-11-08 2019-11-08 High-angle-strength energy-saving heat-preservation wood-aluminum composite door and window Active CN211342433U (en)

Priority Applications (1)

Application Number Priority Date Filing Date Title
CN201921917673.8U CN211342433U (en) 2019-11-08 2019-11-08 High-angle-strength energy-saving heat-preservation wood-aluminum composite door and window

Applications Claiming Priority (1)

Application Number Priority Date Filing Date Title
CN201921917673.8U CN211342433U (en) 2019-11-08 2019-11-08 High-angle-strength energy-saving heat-preservation wood-aluminum composite door and window

Publications (1)

Publication Number Publication Date
CN211342433U true CN211342433U (en) 2020-08-25

Family

ID=72136275

Family Applications (1)

Application Number Title Priority Date Filing Date
CN201921917673.8U Active CN211342433U (en) 2019-11-08 2019-11-08 High-angle-strength energy-saving heat-preservation wood-aluminum composite door and window

Country Status (1)

Country Link
CN (1) CN211342433U (en)

Cited By (1)

* Cited by examiner, † Cited by third party
Publication number Priority date Publication date Assignee Title
CN114183052A (en) * 2021-12-30 2022-03-15 徐州阿卡建筑装饰工程有限公司 A new type of door and window frame that is easy to splicing

Cited By (1)

* Cited by examiner, † Cited by third party
Publication number Priority date Publication date Assignee Title
CN114183052A (en) * 2021-12-30 2022-03-15 徐州阿卡建筑装饰工程有限公司 A new type of door and window frame that is easy to splicing

Similar Documents

Publication Publication Date Title
CN211342433U (en) High-angle-strength energy-saving heat-preservation wood-aluminum composite door and window
CN204571738U (en) A kind of wooden aluminium composite inward opening window of window screening one with waterproof, heat insulation performance
CN201495924U (en) Aluminum-wood compound environment-friendly and energy-saving doors and windows
CN202164963U (en) Tilt and turn aluminum alloy window with concealed leaf
CN104747024B (en) Energy conservation solid wood door and window combination
CN202157666U (en) Aluminum-plastic-wood combined energy-saving sash frame
CN204571665U (en) A kind of door and window composite material and door and window
CN114991627A (en) Cold-proof clamping type PVC plastic steel window
CN207715013U (en) Full welding wood and aluminum composite window
CN209556753U (en) Passive type fire resisting composite material Energy Saving Windows
CN113309442A (en) Ecological door system of pottery sheet metal
CN201062468Y (en) Combined type heat insulation door and window
CN215830352U (en) Reinforced aluminum profile wooden door
CN222894201U (en) Passive window with glass fiber reinforced polymer material coated with wood profile
CN215949301U (en) Heat-insulation inward-opening window structure
CN202866542U (en) Wood-aluminum composite section
CN101313123A (en) Strip-shaped section bar for fixing devices, consisting of a strip-shaped section bar made of metal or plastic, having a preferably open cross-section, which can be firmly joined to a laminated plastic section bar having a structural and decorative function
CN2869261Y (en) Wood-aluminium composite door-window
CN202131907U (en) Composite aluminum and plastic and wood energy-saving window
CN205677448U (en) A kind of aluminum wood composite door and window of improvement
CN202157668U (en) Combined-type energy-saving window
CN202125178U (en) Combined type energy-saving window
CN110576617A (en) manufacturing method of natural veneer composite heat-insulation plastic-steel door and window
CN202131919U (en) Combined energy saving window
CN202157644U (en) Aluminum, plastic and wood combined type energy-saving window

Legal Events

Date Code Title Description
GR01 Patent grant
GR01 Patent grant
EE01 Entry into force of recordation of patent licensing contract

Assignee: GAOBEIDIAN SHUNDA MOSER WINDOW & DOOR Co.,Ltd.

Assignor: HEBEI ORIENT SUNDAR WINDOW Co.,Ltd.

Contract record no.: X2023980032571

Denomination of utility model: A kind of energy-saving and thermal insulation wood-aluminum composite door and window with high angular strength

Granted publication date: 20200825

License type: Common License

Record date: 20230222

EE01 Entry into force of recordation of patent licensing contract
EE01 Entry into force of recordation of patent licensing contract

Assignee: Hebei Green Building Technology Co.,Ltd.

Assignor: HEBEI ORIENT SUNDAR WINDOW Co.,Ltd.

Contract record no.: X2023980037949

Denomination of utility model: A High Angular Strength Energy Saving and Insulation Wood Aluminum Composite Door and Window

Granted publication date: 20200825

License type: Common License

Record date: 20230712

EE01 Entry into force of recordation of patent licensing contract