CN211279132U - 一种用于桥梁施工的混凝土搅拌装置 - Google Patents

一种用于桥梁施工的混凝土搅拌装置 Download PDF

Info

Publication number
CN211279132U
CN211279132U CN201922483810.8U CN201922483810U CN211279132U CN 211279132 U CN211279132 U CN 211279132U CN 201922483810 U CN201922483810 U CN 201922483810U CN 211279132 U CN211279132 U CN 211279132U
Authority
CN
China
Prior art keywords
concrete
agitator
base
bridge construction
motor
Prior art date
Legal status (The legal status is an assumption and is not a legal conclusion. Google has not performed a legal analysis and makes no representation as to the accuracy of the status listed.)
Expired - Fee Related
Application number
CN201922483810.8U
Other languages
English (en)
Inventor
占西西
Current Assignee (The listed assignees may be inaccurate. Google has not performed a legal analysis and makes no representation or warranty as to the accuracy of the list.)
Individual
Original Assignee
Individual
Priority date (The priority date is an assumption and is not a legal conclusion. Google has not performed a legal analysis and makes no representation as to the accuracy of the date listed.)
Filing date
Publication date
Application filed by Individual filed Critical Individual
Priority to CN201922483810.8U priority Critical patent/CN211279132U/zh
Application granted granted Critical
Publication of CN211279132U publication Critical patent/CN211279132U/zh
Expired - Fee Related legal-status Critical Current
Anticipated expiration legal-status Critical

Links

Images

Landscapes

  • On-Site Construction Work That Accompanies The Preparation And Application Of Concrete (AREA)

Abstract

本实用新型公开了一种用于桥梁施工的混凝土搅拌装置,包括底座、搅拌桶和双轴电机,所述底座上侧设有搅拌桶,搅拌桶前后两侧上均铰接有支架,支架下端固定连接底座,所述搅拌桶上端中部设有双轴电机,双轴电机上端安装有往复丝杆,往复丝杆上设有螺纹套,螺纹套左右两端均设有连接杆。本实用新型使用时,当搅拌桶内的混凝土在搅拌时,往复丝杆带动螺纹套、连接杆、竖杆和刮板上下移动,使刮板将搅拌桶内壁上残留的混凝土刮除,即节约了成本,又便于将搅拌桶内壁的残留混凝土进行刮除,防止混凝土凝结,影响搅拌桶的使用。

Description

一种用于桥梁施工的混凝土搅拌装置
技术领域
本实用新型涉及桥梁施工技术领域,具体是一种用于桥梁施工的混凝土搅拌装置。
背景技术
桥梁施工按照设计内容,建造桥梁的过程;主要指桥梁施工技术与施工组织、施工管理、施工质量等内容。指桥头引道及导流建筑物的施工。桥头引道的河滩路堤部分应使用透水性强的土质填筑,并用砌石护坡以防冲刷。导流建筑物多在枯水季节,按照设计用柴排、石笼、砌石或混凝土等就地建造。
现有的混凝土搅拌装置在使用时,搅拌桶内壁容易残留较多的混凝土残渣,若不进行及时的清理,混凝土凝结后,容易对后续的使用造成一定的影响,且浪费成本。因此,本领域技术人员提供了一种用于桥梁施工的混凝土搅拌装置,以解决上述背景技术中提出的问题。
发明内容
本实用新型的目的在于提供一种用于桥梁施工的混凝土搅拌装置,以解决上述背景技术中提出的问题。
为实现上述目的,本实用新型提供如下技术方案:
一种用于桥梁施工的混凝土搅拌装置,包括底座、搅拌桶和双轴电机,所述底座上侧设有搅拌桶,搅拌桶前后两侧上均铰接有支架,支架下端固定连接底座,所述搅拌桶上端中部设有双轴电机,双轴电机上端安装有往复丝杆,往复丝杆上设有螺纹套,螺纹套左右两端均设有连接杆,连接杆下端均设有竖杆,竖杆下端设有刮板,所述双轴电机下端设有转轴,转轴左右两端均设有若干搅拌棒,所述搅拌桶右端上侧设有进料管,搅拌桶下端中部设有出料管,所述搅拌桶右端设有拉钩,拉钩右端连接有钢丝线,钢丝线右端设有收线辊,收线辊后端设有电机轴,电机轴后端设有牵引电机。
作为本实用新型进一步的方案,所述竖杆贯穿搅拌桶上端,且竖杆与刮板靠近搅拌桶内壁的一端均与搅拌桶内壁贴合。
作为本实用新型再进一步的方案,所述转轴下侧上对应出料管设有螺旋排料叶,出料管上设有阀门。
作为本实用新型再进一步的方案,所述牵引电机下端设有固定箱,固定箱内设有蓄电池,固定箱下端固定连接底座。
作为本实用新型再进一步的方案,所述双轴电机和牵引电机均电性连接蓄电池。
作为本实用新型再进一步的方案,所述底座上对应出料管设有卸料通口,底座上端右侧设有把手,底座下端四角处均设有万向轮。
与现有技术相比,本实用新型的有益效果是:
1、本实用新型使用时,搅拌棒便于对混凝土进行搅拌,使混凝土搅拌的更加均匀,提高混凝土的质量,牵引电机带动电机轴和收线辊转动,收线辊将钢丝线收卷,带动拉钩和搅拌桶在支架向右移动,牵引电机断电,在惯性的作用下使搅拌桶向左移动,如此反复操作使搅拌桶在支架上左右晃动,起到辅助搅拌的作用。
2、本实用新型使用时,当搅拌桶内的混凝土在搅拌时,往复丝杆带动螺纹套、连接杆、竖杆和刮板上下移动,使刮板将搅拌桶内壁上残留的混凝土刮除,即节约了成本,又便于将搅拌桶内壁的残留混凝土进行刮除,防止混凝土凝结,影响搅拌桶的使用。
3、本实用新型使用时,工作人员只需推动本装置,通过卸料通口对施工区域卸料即可,省时省力,提高工作效率。
4、本实用新型使用时,设置的螺旋排料叶方便混凝土的排料,防止了混凝土过多堵塞出料管。
附图说明
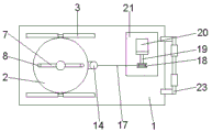
图1为一种用于桥梁施工的混凝土搅拌装置的结构示意图。
图2为一种用于桥梁施工的混凝土搅拌装置中搅拌桶的结构示意图。
图3为一种用于桥梁施工的混凝土搅拌装置的俯视结构示意图。
图4为一种用于桥梁施工的混凝土搅拌装置中刮板的结构示意图。
图5为一种用于桥梁施工的混凝土搅拌装置中刮板的立体结构示意图。
图中:1、底座;2、搅拌桶;3、支架;4、双轴电机;5、往复丝杆;6、螺纹套;7、连接杆;8、竖杆;9、刮板;10、转轴;11、搅拌棒;12、螺旋排料叶;13、出料管;14、进料管;15、卸料通口;16、拉钩;17、钢丝线;18、收线辊;19、电机轴;20、牵引电机;21、固定箱;22、蓄电池;23、把手;24、万向轮。
具体实施方式
下面将结合本实用新型实施例中的附图,对本实用新型实施例中的技术方案进行清楚、完整地描述,显然,所描述的实施例仅仅是本实用新型一部分实施例,而不是全部的实施例。基于本实用新型中的实施例,本领域普通技术人员在没有做出创造性劳动前提下所获得的所有其他实施例,都属于本实用新型保护的范围。
请参阅图1~5,本实用新型实施例中,一种用于桥梁施工的混凝土搅拌装置,包括底座1、搅拌桶2和双轴电机4,所述底座1上侧设有搅拌桶2,搅拌桶2前后两侧上均铰接有支架3,支架3下端固定连接底座1,所述搅拌桶2上端中部设有双轴电机4,双轴电机4上端安装有往复丝杆5,往复丝杆5上设有螺纹套6,螺纹套6左右两端均设有连接杆7,连接杆7下端均设有竖杆8,竖杆8下端设有刮板9,所述竖杆8贯穿搅拌桶2上端,且竖杆8与刮板9靠近搅拌桶2内壁的一端均与搅拌桶2内壁贴合;
所述双轴电机4下端设有转轴10,转轴10左右两端均设有若干搅拌棒11,所述转轴10下侧上对应出料管13设有螺旋排料叶12,出料管13上设有阀门,所述搅拌桶2右端上侧设有进料管14,搅拌桶2下端中部设有出料管13,所述搅拌桶2右端设有拉钩16,拉钩16右端连接有钢丝线17,钢丝线17右端设有收线辊18,收线辊18后端设有电机轴19,电机轴19后端设有牵引电机20,所述牵引电机20下端设有固定箱21,固定箱21内设有蓄电池22,固定箱21下端固定连接底座1,所述双轴电机4和牵引电机20均电性连接蓄电池22,所述底座1上对应出料管13设有卸料通口15,底座1上端右侧设有把手23,底座1下端四角处均设有万向轮24。
本实用新型的工作原理是:
本实用新型使用时,通过设置的把手23和万向轮24将本装置移动至工作区域,通过进料管14往搅拌桶2内加入所需比例的混凝土和水,双轴电机4带动转轴10、搅拌棒11、螺旋排料叶12和往复丝杆5转动,搅拌棒11便于对混凝土进行搅拌,使混凝土搅拌的更加均匀,提高混凝土的质量,牵引电机20带动电机轴19和收线辊18转动,收线辊18将钢丝线17收卷,带动拉钩16和搅拌桶2在支架3向右移动,牵引电机20断电,在惯性的作用下使搅拌桶2向左移动,如此反复操作使搅拌桶2在支架3上左右晃动,起到辅助搅拌的作用,当搅拌桶2内的混凝土在搅拌时,往复丝杆5带动螺纹套6、连接杆7、竖杆8和刮板9上下移动,使刮板9将搅拌桶2内壁上残留的混凝土刮除,即节约了成本,又便于将搅拌桶2内壁的残留混凝土进行刮除,防止混凝土凝结,影响搅拌桶2的使用,方便对搅拌桶2内进行清洁,打开出料管13上的阀门,设置的螺旋排料叶12方便混凝土的排料,防止了混凝土过多堵塞出料管13,工作人员只需推动本装置,通过卸料通口15对施工区域卸料即可,省时省力,提高工作效率,蓄电池22便于给双轴电机4和牵引电机20供电使用。
以上所述,仅为本实用新型较佳的具体实施方式,但本实用新型的保护范围并不局限于此,任何熟悉本技术领域的技术人员在本实用新型揭露的技术范围内,根据本实用新型的技术方案及其实用新型构思加以等同替换或改变,都应涵盖在本实用新型的保护范围之内。

Claims (6)

1.一种用于桥梁施工的混凝土搅拌装置,包括底座(1)、搅拌桶(2)和双轴电机(4),其特征在于,所述底座(1)上侧设有搅拌桶(2),搅拌桶(2)前后两侧上均铰接有支架(3),支架(3)下端固定连接底座(1),所述搅拌桶(2)上端中部设有双轴电机(4),双轴电机(4)上端安装有往复丝杆(5),往复丝杆(5)上设有螺纹套(6),螺纹套(6)左右两端均设有连接杆(7),连接杆(7)下端均设有竖杆(8),竖杆(8)下端设有刮板(9),所述双轴电机(4)下端设有转轴(10),转轴(10)左右两端均设有若干搅拌棒(11),所述搅拌桶(2)右端上侧设有进料管(14),搅拌桶(2)下端中部设有出料管(13),所述搅拌桶(2)右端设有拉钩(16),拉钩(16)右端连接有钢丝线(17),钢丝线(17)右端设有收线辊(18),收线辊(18)后端设有电机轴(19),电机轴(19)后端设有牵引电机(20)。
2.根据权利要求1所述的一种用于桥梁施工的混凝土搅拌装置,其特征在于,所述竖杆(8)贯穿搅拌桶(2)上端,且竖杆(8)与刮板(9)靠近搅拌桶(2)内壁的一端均与搅拌桶(2)内壁贴合。
3.根据权利要求1所述的一种用于桥梁施工的混凝土搅拌装置,其特征在于,所述转轴(10)下侧上对应出料管(13)设有螺旋排料叶(12),出料管(13)上设有阀门。
4.根据权利要求1所述的一种用于桥梁施工的混凝土搅拌装置,其特征在于,所述牵引电机(20)下端设有固定箱(21),固定箱(21)内设有蓄电池(22),固定箱(21)下端固定连接底座(1)。
5.根据权利要求1所述的一种用于桥梁施工的混凝土搅拌装置,其特征在于,所述双轴电机(4)和牵引电机(20)均电性连接蓄电池(22)。
6.根据权利要求1所述的一种用于桥梁施工的混凝土搅拌装置,其特征在于,所述底座(1)上对应出料管(13)设有卸料通口(15),底座(1)上端右侧设有把手(23),底座(1)下端四角处均设有万向轮(24)。
CN201922483810.8U 2019-12-31 2019-12-31 一种用于桥梁施工的混凝土搅拌装置 Expired - Fee Related CN211279132U (zh)

Priority Applications (1)

Application Number Priority Date Filing Date Title
CN201922483810.8U CN211279132U (zh) 2019-12-31 2019-12-31 一种用于桥梁施工的混凝土搅拌装置

Applications Claiming Priority (1)

Application Number Priority Date Filing Date Title
CN201922483810.8U CN211279132U (zh) 2019-12-31 2019-12-31 一种用于桥梁施工的混凝土搅拌装置

Publications (1)

Publication Number Publication Date
CN211279132U true CN211279132U (zh) 2020-08-18

Family

ID=72032757

Family Applications (1)

Application Number Title Priority Date Filing Date
CN201922483810.8U Expired - Fee Related CN211279132U (zh) 2019-12-31 2019-12-31 一种用于桥梁施工的混凝土搅拌装置

Country Status (1)

Country Link
CN (1) CN211279132U (zh)

Cited By (1)

* Cited by examiner, † Cited by third party
Publication number Priority date Publication date Assignee Title
CN112300903A (zh) * 2020-11-12 2021-02-02 李晓龙 一种适用于农业废弃物沼气发酵的cstr反应器

Cited By (1)

* Cited by examiner, † Cited by third party
Publication number Priority date Publication date Assignee Title
CN112300903A (zh) * 2020-11-12 2021-02-02 李晓龙 一种适用于农业废弃物沼气发酵的cstr反应器

Similar Documents

Publication Publication Date Title
CN207511141U (zh) 浓密槽下料防堵塞装置
CN206718186U (zh) 混凝土搅拌站卸料口的余料自动清理机构
CN211279132U (zh) 一种用于桥梁施工的混凝土搅拌装置
CN212283765U (zh) 一种建筑工程用混料装置
CN211368320U (zh) 道路修补装置
CN210097511U (zh) 一种搅拌效果好的建筑用搅拌机
CN214136674U (zh) 一种道路施工用混凝土搅拌装置
CN221045895U (zh) 一种石墨烯润滑油制备装置
CN214187791U (zh) 一种建筑施工混凝土自动浇灌装置
CN213703994U (zh) 一种便于维护的混凝土加工设备
CN208321455U (zh) 一种建筑用安全网清洗装置
CN214918966U (zh) 一种用于混凝土砂浆存储罐的清洗装置
CN211359514U (zh) 一种混凝土清洗滚筒分离机
CN215164461U (zh) 一种用于市政工程的路面修补装置
CN214833034U (zh) 一种深基坑开挖过程中的运土装置
CN208878308U (zh) 一种便于清洗且便于灌装的油脂搅拌装置
CN211246207U (zh) 一种纺织印染染料混合设备
CN210616924U (zh) 一种混凝土加工用搅拌装置
CN209832196U (zh) 一种砂浆搅拌机中的卸料装置
CN211389489U (zh) 一种环保型建筑用水泥沙石搅拌装置
CN209923928U (zh) 一种水利工程灌浆施工装置
CN207786388U (zh) 一种双轴卧式搅拌机
CN206737433U (zh) 新型混凝土布料机
CN209682583U (zh) 一种鱼雷罐式混凝土输送机
CN223606202U (zh) 一种再生沥青混凝土加工用储存装置

Legal Events

Date Code Title Description
GR01 Patent grant
GR01 Patent grant
CF01 Termination of patent right due to non-payment of annual fee
CF01 Termination of patent right due to non-payment of annual fee

Granted publication date: 20200818

Termination date: 20211231