CN211192081U - A bevel punching tool for processing loader accessories - Google Patents
A bevel punching tool for processing loader accessories Download PDFInfo
- Publication number
- CN211192081U CN211192081U CN201922488249.2U CN201922488249U CN211192081U CN 211192081 U CN211192081 U CN 211192081U CN 201922488249 U CN201922488249 U CN 201922488249U CN 211192081 U CN211192081 U CN 211192081U
- Authority
- CN
- China
- Prior art keywords
- frame
- displacement
- push rod
- electric push
- motor
- Prior art date
- Legal status (The legal status is an assumption and is not a legal conclusion. Google has not performed a legal analysis and makes no representation as to the accuracy of the status listed.)
- Expired - Fee Related
Links
Images
Landscapes
- Drilling And Boring (AREA)
Abstract
本实用新型公开了一种对装载机配件进行加工的斜面打孔工装,包括工作台,所述工作台上设置有转动机构,所述转动机构上设置有打孔结构;所述转动机构主要包含:环形架、环形滑轨、位移马达、外齿轮以及内齿轮;所述环形架设置在工作台上,环形滑轨与内齿轮的均装配在环形架上,所述内齿轮的直径大于环形滑轨的直径,所述环形滑轨上设置有可在其上滑动的位移架,所述位移马达安置于位移架上,并外齿轮与位移马达的驱动端连接,所述外齿轮与内齿轮啮合,所述打孔结构安置于位移架上,本实用新型涉及打孔设备技术领域。本技术方案主要是通过位移结构来实现对打孔设备的转动,使得刀头垂直于具有斜面的工件,从而加快打孔生产效率。
The utility model discloses an inclined surface punching tool for processing loader accessories, comprising a workbench, a rotating mechanism is arranged on the working platform, and a punching structure is arranged on the rotating mechanism; the rotating mechanism mainly comprises : ring frame, ring slide rail, displacement motor, external gear and internal gear; the ring frame is arranged on the worktable, the ring slide rail and the internal gear are both assembled on the ring frame, and the diameter of the internal gear is larger than that of the ring slide The diameter of the rail, the annular slide rail is provided with a displacement frame that can slide on it, the displacement motor is arranged on the displacement frame, and the external gear is connected with the driving end of the displacement motor, and the external gear meshes with the internal gear The punching structure is arranged on a displacement frame, and the utility model relates to the technical field of punching equipment. The technical solution mainly realizes the rotation of the punching equipment through the displacement structure, so that the cutter head is perpendicular to the workpiece with the inclined plane, thereby speeding up the punching production efficiency.
Description
技术领域technical field
本实用新型涉及工件加工技术领域,具体为一种对装载机配件进行加工的斜面打孔工装。The utility model relates to the technical field of workpiece processing, in particular to an inclined surface punching tool for processing loader accessories.
背景技术Background technique
装配机具有一些斜面的工件,这些工件为了与其他工件装配,采用螺栓连接,为此就需要对其斜面进行打孔,而由于一些工件重量较重,不便于移动,就需要多人配合完成操作,较为不便,同时打孔过程中,需要人工手动操作,较为麻烦,加工效率低。The assembly machine has some inclined workpieces. In order to assemble these workpieces with other workpieces, they are connected by bolts. For this purpose, the inclined planes need to be drilled. Because some workpieces are heavy and inconvenient to move, multiple people are required to complete the operation. , is more inconvenient, and at the same time, during the drilling process, manual operation is required, which is more troublesome and has low processing efficiency.
实用新型内容Utility model content
针对现有技术的不足,本实用新型提供了一种对装载机配件进行加工的斜面打孔工装,解决了由于一些工件重量较重,不便于移动,就需要多人配合完成操作,较为不便,同时打孔结构也实现人工手动操作,较为麻烦,加工效率低的技术问题。In view of the deficiencies of the prior art, the utility model provides an inclined surface drilling tool for processing loader accessories, which solves the problem that due to the heavy weight of some workpieces and inconvenience to move, multiple people are required to cooperate to complete the operation, which is relatively inconvenient. At the same time, the punching structure also realizes manual manual operation, which is relatively troublesome and has low processing efficiency.
为实现以上目的,本实用新型通过以下技术方案予以实现:一种对装载机配件进行加工的斜面打孔工装,包括工作台,其特征在于,所述工作台上设置有转动机构,所述转动机构上设置有打孔结构;In order to achieve the above purpose, the present utility model is realized through the following technical solutions: an inclined surface punching tool for processing loader accessories, including a workbench, characterized in that a rotating mechanism is provided on the workbench, and the rotary The mechanism is provided with a punching structure;
所述转动机构主要包含:环形架、环形滑轨、位移马达、外齿轮以及内齿轮;The rotating mechanism mainly includes: an annular frame, an annular slide rail, a displacement motor, an external gear and an internal gear;
所述环形架设置在工作台上,环形滑轨与内齿轮的均装配在环形架上,所述内齿轮的直径大于环形滑轨的直径,所述环形滑轨上设置有可在其上滑动的位移架,所述位移马达安置于位移架上,并外齿轮与位移马达的驱动端连接,所述外齿轮与内齿轮啮合,所述打孔结构安置于位移架上;The ring frame is arranged on the workbench, the ring slide rail and the internal gear are both assembled on the ring frame, the diameter of the internal gear is larger than the diameter of the ring slide rail, and the ring slide rail is provided with a slide on it. The displacement frame, the displacement motor is arranged on the displacement frame, and the external gear is connected with the driving end of the displacement motor, the external gear meshes with the internal gear, and the punching structure is arranged on the displacement frame;
所述打孔结构主要包含:横向电动推杆、纵向电动推杆、电机、刀架以及刀头;The punching structure mainly includes: a horizontal electric push rod, a longitudinal electric push rod, a motor, a tool holder and a cutter head;
所述横向电动推杆与位移架进行连接,纵向电动推杆与横向电动推杆的伸缩端连接,所述电机安置于纵向电动推杆的伸缩端上,刀头通过刀架固定于电机的输出轴上。The horizontal electric push rod is connected with the displacement frame, the longitudinal electric push rod is connected with the telescopic end of the horizontal electric push rod, the motor is arranged on the telescopic end of the longitudinal electric push rod, and the cutter head is fixed to the output of the motor through the cutter holder on the axis.
优选的,所述环形架与工作台之间设置有可对环形架进行固定的加强筋。Preferably, a reinforcing rib for fixing the annular frame is provided between the annular frame and the workbench.
优选的,所述横向电动推杆与位移架之间设置有固定架。Preferably, a fixing frame is arranged between the horizontal electric push rod and the displacement frame.
优选的,所述纵向电动推杆与横向电动推杆之间设置有伸缩架。Preferably, a telescopic frame is arranged between the longitudinal electric push rod and the transverse electric push rod.
优选的,所述电机与纵向电动推杆之间设置有对电机进行固定的电机架。Preferably, a motor frame for fixing the motor is arranged between the motor and the longitudinal electric push rod.
有益效果beneficial effect
本实用新型提供了一种对装载机配件进行加工的斜面打孔工装。具备以下有益效果,本技术方案主要是通过位移结构来实现对打孔设备的转动,使得刀头垂直于具有斜面的工件,从而加快打孔生产效率,有效的解决了背景技术中所提及的由于一些工件重量较重,不便于移动,就需要多人配合完成操作,较为不便,同时打孔结构也实现人工手动操作,较为麻烦,加工效率低的技术问题。The utility model provides an inclined surface punching tool for processing loader accessories. It has the following beneficial effects. The technical solution mainly realizes the rotation of the punching equipment through the displacement structure, so that the cutter head is perpendicular to the workpiece with the inclined plane, thereby speeding up the punching production efficiency and effectively solving the problems mentioned in the background technology. Because some workpieces are heavy and inconvenient to move, many people are required to cooperate to complete the operation, which is inconvenient. At the same time, the punching structure also realizes manual operation, which is troublesome and has low processing efficiency.
附图说明Description of drawings
图1为本实用新型所述一种对装载机配件进行加工的斜面打孔工装的结构示意图。FIG. 1 is a schematic structural diagram of a bevel punching tool for processing loader accessories according to the present invention.
图2为本实用新型所述一种对装载机配件进行加工的斜面打孔工装的结构示意图。FIG. 2 is a schematic structural diagram of a bevel punching tool for processing loader accessories according to the present invention.
图3为本实用新型所述一种对装载机配件进行加工的斜面打孔工装的结构示意图。FIG. 3 is a schematic structural diagram of a bevel punching tool for processing loader accessories according to the present invention.
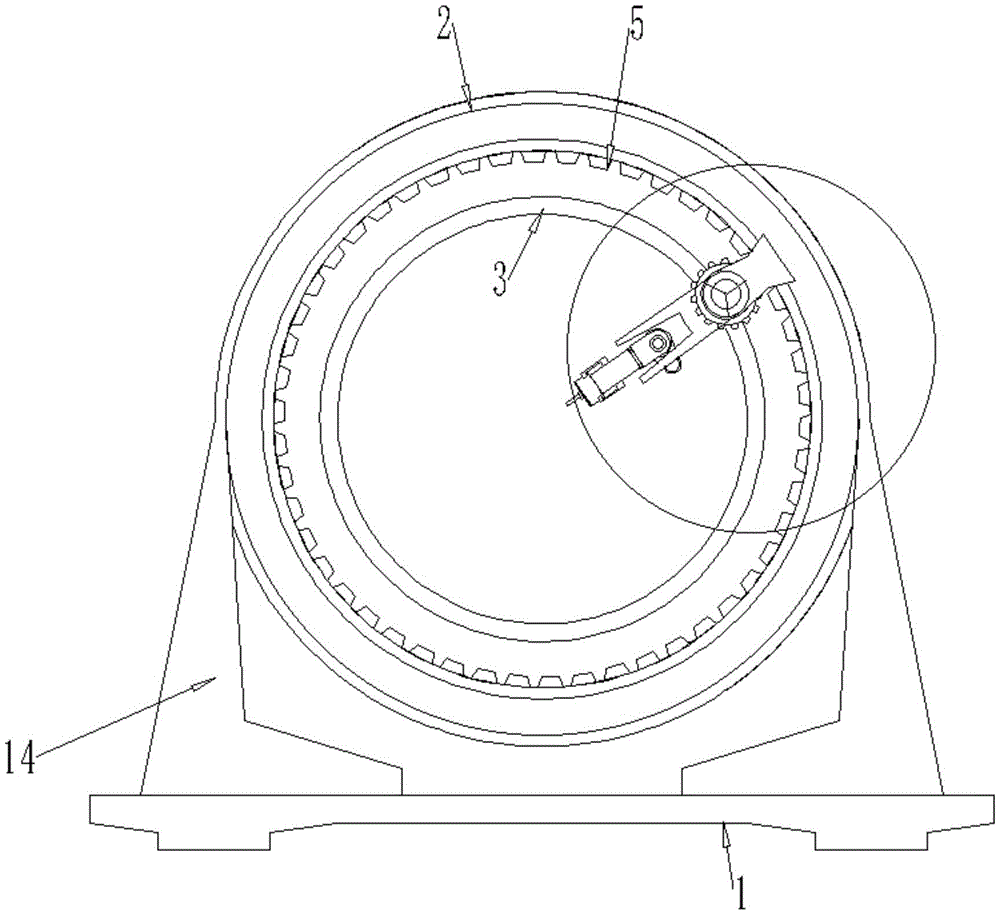
图中:1-工作台;2-环形架;3-环形滑轨;4-位移马达;5-外齿轮;6-内齿轮;7-位移架;8-横向电动推杆;9-纵向电动推杆;10-电机;11-刀架;12-刀头;13-电机架;14-加强筋;15-伸缩架;16-固定架。In the picture: 1- worktable; 2-ring frame; 3-ring slide rail; 4-displacement motor; 5-external gear; 6-internal gear; 7-displacement frame; 8-transverse electric push rod; 9-longitudinal electric Push rod; 10-motor; 11-tool holder; 12-tool head; 13-motor frame; 14-reinforcing rib; 15- telescopic frame; 16-fixed frame.
具体实施方式Detailed ways
下面将结合本实用新型实施例中的附图,对本实用新型实施例中的技术方案进行清楚、完整地描述,显然,所描述的实施例仅仅是本实用新型一部分实施例,而不是全部的实施例。基于本实用新型中的实施例,本领域普通技术人员在没有做出创造性劳动前提下所获得的所有其他实施例,都属于本实用新型保护的范围。The technical solutions in the embodiments of the present utility model will be clearly and completely described below with reference to the accompanying drawings in the embodiments of the present utility model. Obviously, the described embodiments are only a part of the embodiments of the present utility model, rather than all the implementations. example. Based on the embodiments of the present invention, all other embodiments obtained by those of ordinary skill in the art without creative work fall within the protection scope of the present invention.
请参阅图1-3,本实用新型提供一种技术方案:一种对装载机配件进行加工的斜面打孔工装。Please refer to Figures 1-3, the present utility model provides a technical solution: a bevel punching tool for processing loader accessories.
实施例:该技术方案主要有工作台1,在工作台1上设置有转动机构,转动机构上设置有打孔结构;Embodiment: This technical solution mainly includes a workbench 1, a rotating mechanism is arranged on the working platform 1, and a punching structure is arranged on the rotating mechanism;
当工件置于工作台1上后,通过夹具对工件固定,随后控制转动机构来对打孔结构转动,使得打孔结构垂直于工件斜面,由打孔结构来实现打孔;When the workpiece is placed on the worktable 1, the workpiece is fixed by the fixture, and then the rotating mechanism is controlled to rotate the punching structure, so that the punching structure is perpendicular to the inclined plane of the workpiece, and the punching structure is used to realize the punching;
具体的,转动机构主要包含:环形架2、环形滑轨3、位移马达4、外齿轮5以及内齿轮6;Specifically, the rotation mechanism mainly includes: an annular frame 2, an annular slide rail 3, a displacement motor 4, an
环形架2设置在工作台1上,环形滑轨3与内齿轮6的均装配在环形架2上,内齿轮6的直径大于环形滑轨3的直径,环形滑轨3上设置有可在其上滑动的位移架7,位移马达4安置于位移架7上,并外齿轮5与位移马达4的驱动端连接,外齿轮5与内齿轮6啮合,打孔结构安置于位移架7上;The ring frame 2 is arranged on the worktable 1, the ring slide rail 3 and the internal gear 6 are both assembled on the ring frame 2, the diameter of the internal gear 6 is larger than the diameter of the ring slide rail 3, and the ring slide rail 3 is provided with a The upper sliding
需要说明的是,当位移马达4对外齿轮5驱动后,内齿轮6会与外齿轮5啮合后,由于内齿轮6固定在环形架2上,为此外齿轮5转动,当外齿轮5转动后,会带着位移架7移动,位移架7同时由位于环形架2上的环形滑轨3来辅助位移架7移动;使得位于位移架7上的打孔结构得到移动。It should be noted that when the displacement motor 4 drives the
具体的,横向电动推杆8、纵向电动推杆9、电机10、刀架11以及刀头12;Specifically, the horizontal
横向电动推杆8与位移架7进行连接,纵向电动推杆9与横向电动推杆8的伸缩端连接,电机10安置于纵向电动推杆9的伸缩端上,刀头12通过刀架11固定于电机10的输出轴上。The transverse
需要说明的是,上述中,是通过横向电动推杆8来对纵向电动推杆9驱动,使得刀头12可以正对打孔位置,随后由电机10对刀架11驱动,刀架11带着刀头12转动,并由纵向电动推杆9来对电机10进行推动,使得刀头12不断深入到工件的斜面内,完成打孔工作。It should be noted that, in the above, the vertical
具体实施过程中,进一步的,环形架2与工作台1之间设置有可对环形架2进行固定的加强筋14。In the specific implementation process, further, a reinforcing
具体实施过程中,进一步的,横向电动推杆8与位移架7之间设置有固定架16。In the specific implementation process, further, a
具体实施过程中,进一步的,纵向电动推杆9与横向电动推杆8之间设置有伸缩架15。In the specific implementation process, further, a
具体实施过程中,进一步的,电机10与纵向电动推杆9之间设置有对电机10进行固定的电机架13。In the specific implementation process, further, a
需要说明的是,在本文中,诸如第一和第二等之类的关系术语仅仅用来将一个实体或者操作与另一个实体或操作区分开来,而不一定要求或者暗示这些实体或操作之间存在任何这种实际的关系或者顺序。而且,术语“包括”、“包含”或者其任何其他变体意在涵盖非排他性的包含,从而使得包括一系列要素的过程、方法、物品或者设备不仅包括那些要素,而且还包括没有明确列出的其他要素,或者是还包括为这种过程、方法、物品或者设备所固有的要素。在没有更多限制的情况下。由语句“包括一个......限定的要素,并不排除在包括所述要素的过程、方法、物品或者设备中还存在另外的相同要素”。It should be noted that, in this document, relational terms such as first and second are only used to distinguish one entity or operation from another entity or operation, and do not necessarily require or imply any relationship between these entities or operations. any such actual relationship or sequence exists. Moreover, the terms "comprising", "comprising" or any other variation thereof are intended to encompass a non-exclusive inclusion such that a process, method, article or device that includes a list of elements includes not only those elements, but also includes not explicitly listed or other elements inherent to such a process, method, article or apparatus. without more restrictions. An element defined by the statement "comprising an element does not preclude the presence of additional identical elements in a process, method, article or apparatus comprising said element".
尽管已经示出和描述了本实用新型的实施例,对于本领域的普通技术人员而言,可以理解在不脱离本实用新型的原理和精神的情况下可以对这些实施例进行多种变化、修改、替换和变型,本实用新型的范围由所附权利要求及其等同物限定。Although the embodiments of the present invention have been shown and described, it will be understood by those skilled in the art that various changes and modifications can be made to these embodiments without departing from the principles and spirit of the present invention , alternatives and modifications, the scope of the present invention is defined by the appended claims and their equivalents.
Claims (5)
Priority Applications (1)
| Application Number | Priority Date | Filing Date | Title |
|---|---|---|---|
| CN201922488249.2U CN211192081U (en) | 2019-12-31 | 2019-12-31 | A bevel punching tool for processing loader accessories |
Applications Claiming Priority (1)
| Application Number | Priority Date | Filing Date | Title |
|---|---|---|---|
| CN201922488249.2U CN211192081U (en) | 2019-12-31 | 2019-12-31 | A bevel punching tool for processing loader accessories |
Publications (1)
| Publication Number | Publication Date |
|---|---|
| CN211192081U true CN211192081U (en) | 2020-08-07 |
Family
ID=71859631
Family Applications (1)
| Application Number | Title | Priority Date | Filing Date |
|---|---|---|---|
| CN201922488249.2U Expired - Fee Related CN211192081U (en) | 2019-12-31 | 2019-12-31 | A bevel punching tool for processing loader accessories |
Country Status (1)
| Country | Link |
|---|---|
| CN (1) | CN211192081U (en) |
Cited By (2)
| Publication number | Priority date | Publication date | Assignee | Title |
|---|---|---|---|---|
| CN115648351A (en) * | 2022-10-21 | 2023-01-31 | 安徽省汇金木业股份有限公司 | Panel beveling device with reduced error |
| CN117206579A (en) * | 2023-11-09 | 2023-12-12 | 四川省场道工程有限公司 | Annular wall groove milling device and annular wall groove milling method for airport pavement repair |
-
2019
- 2019-12-31 CN CN201922488249.2U patent/CN211192081U/en not_active Expired - Fee Related
Cited By (4)
| Publication number | Priority date | Publication date | Assignee | Title |
|---|---|---|---|---|
| CN115648351A (en) * | 2022-10-21 | 2023-01-31 | 安徽省汇金木业股份有限公司 | Panel beveling device with reduced error |
| CN115648351B (en) * | 2022-10-21 | 2023-08-22 | 安徽省汇金木业股份有限公司 | Error-reduced plate chamfering device |
| CN117206579A (en) * | 2023-11-09 | 2023-12-12 | 四川省场道工程有限公司 | Annular wall groove milling device and annular wall groove milling method for airport pavement repair |
| CN117206579B (en) * | 2023-11-09 | 2024-01-26 | 四川省场道工程有限公司 | Annular wall groove milling device and annular wall groove milling method for airport pavement repair |
Similar Documents
| Publication | Publication Date | Title |
|---|---|---|
| CN205342605U (en) | Lathe with impulse type tool magazine device | |
| CN211192081U (en) | A bevel punching tool for processing loader accessories | |
| CN108115173A (en) | A kind of auto parts clamp perforating device with dislocation type | |
| CN205342608U (en) | Cantilever lathe with impulse type tool magazine device | |
| CN204353531U (en) | A multi-axis drilling machine | |
| CN205342481U (en) | Cantilever lathe with rotary type workstation | |
| CN211192082U (en) | A new type of bevel punching tool for processing loader accessories | |
| CN211332661U (en) | Oil drill pipe cleaning device with rotating function | |
| CN211878318U (en) | A square tube magnifying glass for detecting tools | |
| CN209140404U (en) | A kind of adjustable clamping tool for machine work in direction | |
| CN220463170U (en) | Steering column cutting device | |
| CN211101709U (en) | A drilling device for perforated plate processing | |
| CN210938064U (en) | Turntable machine combined machine tool | |
| CN217647556U (en) | Positioning fixture for automatic mechanical drilling | |
| CN211053078U (en) | Boring and milling integrated numerical control machine tool | |
| CN214053723U (en) | A kind of drilling equipment for crank arm processing | |
| CN205187179U (en) | Work transfer apparatus | |
| CN203221218U (en) | Horizontal drilling machine | |
| CN205342625U (en) | Modified cantilever type lathe | |
| CN221676481U (en) | Planetary reducer processingequipment | |
| CN220216783U (en) | A radial drilling machine that can process metal molds of different sizes | |
| CN216421746U (en) | Positioning device for drilling machine | |
| CN220660616U (en) | Fixed tooling table for machining mechanical parts | |
| CN221435637U (en) | Radial drilling machine convenient to remove | |
| CN217595943U (en) | Precision machining equipment |
Legal Events
| Date | Code | Title | Description |
|---|---|---|---|
| GR01 | Patent grant | ||
| GR01 | Patent grant | ||
| CP03 | Change of name, title or address |
Address after: 250206 Panlongshan Industrial Park, Puji street, Zhangqiu District, Jinan City, Shandong Province Patentee after: Shandong Baoxin Technology Co.,Ltd. Address before: 250200 Panlongshan Industrial Park, Puji street, Zhangqiu District, Jinan City, Shandong Province Patentee before: Zhangqiu Baoxin Forging Co.,Ltd. |
|
| CP03 | Change of name, title or address | ||
| CF01 | Termination of patent right due to non-payment of annual fee |
Granted publication date: 20200807 |
|
| CF01 | Termination of patent right due to non-payment of annual fee |
