CN211093727U - Aluminum alloy door and window with self-cleaning function - Google Patents
Aluminum alloy door and window with self-cleaning function Download PDFInfo
- Publication number
- CN211093727U CN211093727U CN201921149560.8U CN201921149560U CN211093727U CN 211093727 U CN211093727 U CN 211093727U CN 201921149560 U CN201921149560 U CN 201921149560U CN 211093727 U CN211093727 U CN 211093727U
- Authority
- CN
- China
- Prior art keywords
- window frame
- fixedly connected
- window
- aluminum alloy
- alloy door
- Prior art date
- Legal status (The legal status is an assumption and is not a legal conclusion. Google has not performed a legal analysis and makes no representation as to the accuracy of the status listed.)
- Expired - Fee Related
Links
- 229910000838 Al alloy Inorganic materials 0.000 title claims abstract description 30
- 238000004140 cleaning Methods 0.000 title claims abstract description 15
- XLYOFNOQVPJJNP-UHFFFAOYSA-N water Substances O XLYOFNOQVPJJNP-UHFFFAOYSA-N 0.000 claims abstract description 44
- 239000007921 spray Substances 0.000 claims description 5
- 230000006978 adaptation Effects 0.000 claims 1
- 239000011521 glass Substances 0.000 abstract description 8
- 230000002349 favourable effect Effects 0.000 abstract description 3
- 239000004744 fabric Substances 0.000 abstract description 2
- 238000007789 sealing Methods 0.000 description 11
- 239000000463 material Substances 0.000 description 4
- XAGFODPZIPBFFR-UHFFFAOYSA-N aluminium Chemical compound [Al] XAGFODPZIPBFFR-UHFFFAOYSA-N 0.000 description 3
- 229910052782 aluminium Inorganic materials 0.000 description 3
- 239000002131 composite material Substances 0.000 description 2
- 239000002023 wood Substances 0.000 description 2
- 230000004075 alteration Effects 0.000 description 1
- 230000009286 beneficial effect Effects 0.000 description 1
- 238000012986 modification Methods 0.000 description 1
- 230000004048 modification Effects 0.000 description 1
- 239000002994 raw material Substances 0.000 description 1
- 238000012216 screening Methods 0.000 description 1
- 238000006467 substitution reaction Methods 0.000 description 1
- 238000004381 surface treatment Methods 0.000 description 1
Images
Landscapes
- Wing Frames And Configurations (AREA)
Abstract
The utility model discloses an aluminum alloy door and window with self-cleaning function, including the mount, there is the fixed block inside of mount through round pin axle swing joint, the left side fixedly connected with connecting block of fixed block, the left side fixedly connected with window frame of connecting block, fixedly connected with water pump, solar cell panel and battery are in proper order from a left side to the right side in the top of window frame, the bottom fixedly connected with header box at the window frame back, the inside fixedly connected with screen cloth of header box. The utility model discloses a set up water pump, solar cell panel, battery, water-collecting box, connecting pipe and shower nozzle, can wash the glass on the window frame, through setting up turning block, first gear, second gear, screw rod, supporting shoe and brush, can scrub glass on the window frame, make aluminum alloy door and window convenient to use, aluminum alloy door and window has self-cleaning function, does not need the workman clean, and labour saving and time saving is favorable to people's use.
Description
Technical Field
The utility model relates to a door and window technical field specifically is an aluminum alloy door and window with self-cleaning function.
Background
An aluminum alloy door and window is made of aluminum alloy extruded sections serving as frames, stiles and sash materials, is called an aluminum alloy door and window, and is called an aluminum door and window for short, the aluminum alloy door and window comprises a door and window which is made of aluminum alloy serving as a stress rod (a rod for bearing and transmitting self weight and load) base material and is compounded with wood and plastic, is called an aluminum-wood composite door and window for short, and is called an aluminum-plastic composite door and window for short, the quality of the aluminum alloy door and window can be roughly judged from the aspects of material selection of raw materials (aluminum profiles), surface treatment and internal processing quality of aluminum materials, price of the aluminum alloy door and window and the like, and most of the conventional aluminum alloy doors and windows are cleaned by manually.
SUMMERY OF THE UTILITY MODEL
An object of the utility model is to provide an aluminum alloy door and window with self-cleaning function possesses the advantage that aluminum alloy door and window is convenient for use, has solved aluminum alloy door and window and has used inconvenient problem.
In order to achieve the above object, the utility model provides a following technical scheme: an aluminum alloy door and window with a self-cleaning function comprises a fixing frame, wherein the inside of the fixing frame is movably connected with a fixing block through a pin shaft, the left side of the fixing block is fixedly connected with a connecting block, the left side of the connecting block is fixedly connected with a window frame, the top of the window frame is sequentially and fixedly connected with a water pump, a solar cell panel and a storage battery from left to right, the bottom of the back of the window frame is fixedly connected with a water collecting box, the inside of the water collecting box is fixedly connected with a screen, the inside of the water collecting box is communicated with a water inlet pipe, the top end of the water inlet pipe sequentially penetrates through the screen, the water collecting box and the window frame and extends to the outside of the window frame to be communicated with the bottom of the water pump, the top of the water pump is communicated with a connecting pipe, the surface of the connecting pipe is communicated with a spray head, the front, the back of the rotating block is fixedly connected with a first gear located on the back of the window frame through a pin shaft, the surface of the first gear is meshed with a second gear, the top of the second gear is fixedly connected with a screw rod, the top end of the screw rod is movably connected with a supporting block, the front of the supporting block is fixedly connected with the back of the window frame, the surface of the screw rod is in threaded connection with a brush, and the front of the brush is in contact with the back of the window frame.
Preferably, a sealing groove is formed in the fixing frame, and a sealing strip matched with the sealing groove is fixedly connected to the front side of the window frame.
Preferably, the surface of the fixing frame is provided with a through hole, and the through hole is matched with the rotating block.
Preferably, the bottom of the water collecting box is communicated with a drain pipe, and a drain valve is arranged on the surface of the drain pipe.
Preferably, both sides at the top of the window frame are fixedly connected with brackets, and the inner walls of the brackets are movably connected with the surfaces of the connecting pipes.
Compared with the prior art, the beneficial effects of the utility model are as follows:
1. the utility model discloses a set up water pump, solar cell panel, battery, water-collecting box, connecting pipe and shower nozzle, can wash the glass on the window frame, through setting up turning block, first gear, second gear, screw rod, supporting shoe and brush, can scrub glass on the window frame, make aluminum alloy door and window convenient to use, aluminum alloy door and window has self-cleaning function, does not need the workman clean, and labour saving and time saving is favorable to people's use.
2. The utility model discloses a set up seal groove and sealing strip, make mount and window frame connect more sealedly, through setting up the through-hole, make the turning block can pass the mount, through setting up the drain pipe, be convenient for discharge the water in the water-collecting box.
Drawings
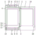
FIG. 1 is a schematic structural view of the present invention;
fig. 2 is a rear view of the window frame of the present invention.
In the figure: 1. a fixed mount; 2. a fixed block; 3. connecting blocks; 4. a window frame; 5. a water pump; 6. a solar panel; 7. a storage battery; 8. a water collection box; 9. screening a screen; 10. a water inlet pipe; 11. a connecting pipe; 12. a spray head; 13. rotating the block; 14. a first gear; 15. a second gear; 16. a screw; 17. a support block; 18. a brush; 19. a sealing groove; 20. a through hole; 21. a drain pipe; 22. a support; 23. inserting a rod; 24. a sealing strip.
Detailed Description
The technical solutions in the embodiments of the present invention will be described clearly and completely with reference to the accompanying drawings in the embodiments of the present invention, and it is obvious that the described embodiments are only some embodiments of the present invention, not all embodiments. Based on the embodiments in the present invention, all other embodiments obtained by a person skilled in the art without creative work belong to the protection scope of the present invention.
Referring to fig. 1-2, an aluminum alloy door and window with a self-cleaning function comprises a fixing frame 1, a sealing groove 19 is formed in the fixing frame 1, a sealing strip 24 matched with the sealing groove 19 is fixedly connected to the front surface of a window frame 4, the fixing frame 1 and the window frame 4 are connected more hermetically by arranging the sealing groove 19 and the sealing strip 24, a through hole 20 is formed in the surface of the fixing frame 1, the through hole 20 is matched with a rotating block 13, the rotating block 13 can penetrate through the fixing frame 1 by arranging the through hole 20, the fixing frame 1 is movably connected with a fixing block 2 by a pin shaft, the left side of the fixing block 2 is fixedly connected with a connecting block 3, the left side of the connecting block 3 is fixedly connected with the window frame 4, two sides of the top of the window frame 4 are fixedly connected with supports 22, the inner wall of each support 22 is movably connected with the surface of, The solar energy water-saving water pump comprises a solar cell panel 6 and a storage battery 7, wherein the bottom of the back of a window frame 4 is fixedly connected with a water collecting box 8, the bottom of the water collecting box 8 is communicated with a drain pipe 21, the surface of the drain pipe 21 is provided with a drain valve, the water in the water collecting box 8 is convenient to drain by arranging the drain pipe 21, the inside of the water collecting box 8 is fixedly connected with a screen 9, the inside of the water collecting box 8 is communicated with a water inlet pipe 10, the top end of the water inlet pipe 10 sequentially penetrates through the screen 9, the water collecting box 8 and the window frame 4 and extends to the outside of the window frame 4 to be communicated with the bottom of a water pump 5, the top of the water pump 5 is communicated with a connecting pipe 11, the surface of the connecting pipe 11 is communicated with a spray head 12, the front of the window frame 4 is provided with a rotating block 13, the inside of the window frame 4 is movably connected, the surface of the first gear 14 is meshed with the second gear 15, the top of the second gear 15 is fixedly connected with a screw 16, the top end of the screw 16 is movably connected with a supporting block 17, the front face of the supporting block 17 is fixedly connected with the back face of the window frame 4, the surface of the screw 16 is in threaded connection with a brush 18, the front face of the brush 18 is in contact with the back face of the window frame 4, through the arrangement of the water pump 5, the solar cell panel 6, the storage battery 7, the water collecting box 8, the connecting pipe 11 and the spray head 12, glass on the window frame 4 can be washed, through the arrangement of the rotating block 13, the first gear 14, the second gear 15, the screw 16, the supporting block 17 and the brush 18, the glass on the window frame 4 can be washed, the aluminum alloy door and window is convenient to use, and the aluminum alloy door and window has.
During the use, collect the rainwater through water-collecting box 8, filter through screen cloth 9, solar cell panel 6 charges to battery 7, start water pump 5, water pump 5 is with the water suction connecting pipe 11 in the water-collecting box 8, spout through shower nozzle 12, wash the glass on the window frame 4, take off inserted bar 23, rotate turning block 13, turning block 13 drives first gear 14 and rotates, first gear 14 drives second gear 15 and rotates, second gear 15 drives screw rod 16 and rotates, screw rod 16 drives brush 18 and reciprocates, brush 18 scrubs the glass on the window frame 4, make aluminum alloy door and window convenient to use, aluminum alloy door and window has self-cleaning function, do not need the workman to clean, time saving and labor saving, be favorable to people's use.
Although embodiments of the present invention have been shown and described, it will be appreciated by those skilled in the art that changes, modifications, substitutions and alterations can be made in these embodiments without departing from the principles and spirit of the invention, the scope of which is defined in the appended claims and their equivalents.
Claims (5)
1. The utility model provides an aluminum alloy door and window with self-cleaning function, includes mount (1), its characterized in that: the solar water heater is characterized in that a fixed block (2) is movably connected inside the fixed frame (1), a connecting block (3) is fixedly connected to the left side of the fixed block (2), a window frame (4) is fixedly connected to the left side of the connecting block (3), a water pump (5), a solar cell panel (6) and a storage battery (7) are sequentially and fixedly connected to the top of the window frame (4) from left to right, a water collecting box (8) is fixedly connected to the bottom of the back of the window frame (4), a screen (9) is fixedly connected to the inside of the water collecting box (8), a water inlet pipe (10) is communicated with the inside of the water collecting box (8), the top end of the water inlet pipe (10) sequentially penetrates through the screen (9), the water collecting box (8) and the window frame (4) and extends to the outside of the window frame (4) to be communicated with the bottom of the water pump (, the surface of the connecting pipe (11) is communicated with a spray head (12), the front surface of the window frame (4) is provided with a rotating block (13), an inserting rod (23) is movably connected inside the window frame (4), the rear end of the inserting rod (23) extends to the outside of the rotating block (13), the back of the rotating block (13) is fixedly connected with a first gear (14) positioned on the back of the window frame (4) through a pin shaft, a second gear (15) is meshed on the surface of the first gear (14), a screw rod (16) is fixedly connected to the top of the second gear (15), the top end of the screw rod (16) is movably connected with a supporting block (17), the front surface of the supporting block (17) is fixedly connected with the back surface of the window frame (4), the surface of the screw rod (16) is in threaded connection with a hairbrush (18), and the front surface of the hairbrush (18) is in contact with the back surface of the window frame (4).
2. The aluminum alloy door and window with the self-cleaning function as recited in claim 1, wherein: seal groove (19) have been seted up to the inside of mount (1), the front fixedly connected with of window frame (4) and seal strip (24) of seal groove (19) looks adaptation.
3. The aluminum alloy door and window with the self-cleaning function as recited in claim 1, wherein: the surface of the fixing frame (1) is provided with a through hole (20), and the through hole (20) is matched with the rotating block (13).
4. The aluminum alloy door and window with the self-cleaning function as recited in claim 1, wherein: the bottom of the water collecting box (8) is communicated with a drain pipe (21), and a drain valve is arranged on the surface of the drain pipe (21).
5. The aluminum alloy door and window with the self-cleaning function as recited in claim 1, wherein: both sides at window frame (4) top are equal fixedly connected with support (22), the inner wall of support (22) and the surperficial swing joint of connecting pipe (11).
Priority Applications (1)
| Application Number | Priority Date | Filing Date | Title |
|---|---|---|---|
| CN201921149560.8U CN211093727U (en) | 2019-07-22 | 2019-07-22 | Aluminum alloy door and window with self-cleaning function |
Applications Claiming Priority (1)
| Application Number | Priority Date | Filing Date | Title |
|---|---|---|---|
| CN201921149560.8U CN211093727U (en) | 2019-07-22 | 2019-07-22 | Aluminum alloy door and window with self-cleaning function |
Publications (1)
| Publication Number | Publication Date |
|---|---|
| CN211093727U true CN211093727U (en) | 2020-07-28 |
Family
ID=71713908
Family Applications (1)
| Application Number | Title | Priority Date | Filing Date |
|---|---|---|---|
| CN201921149560.8U Expired - Fee Related CN211093727U (en) | 2019-07-22 | 2019-07-22 | Aluminum alloy door and window with self-cleaning function |
Country Status (1)
| Country | Link |
|---|---|
| CN (1) | CN211093727U (en) |
Cited By (2)
| Publication number | Priority date | Publication date | Assignee | Title |
|---|---|---|---|---|
| CN112523662A (en) * | 2020-12-02 | 2021-03-19 | 金马日晖幕墙装饰有限公司 | Energy-saving high-quality aluminum alloy fire-resistant system window |
| CN113027311A (en) * | 2021-04-06 | 2021-06-25 | 黄山萨洛凯铝业有限公司 | Aluminum alloy door and window with self-cleaning function |
-
2019
- 2019-07-22 CN CN201921149560.8U patent/CN211093727U/en not_active Expired - Fee Related
Cited By (2)
| Publication number | Priority date | Publication date | Assignee | Title |
|---|---|---|---|---|
| CN112523662A (en) * | 2020-12-02 | 2021-03-19 | 金马日晖幕墙装饰有限公司 | Energy-saving high-quality aluminum alloy fire-resistant system window |
| CN113027311A (en) * | 2021-04-06 | 2021-06-25 | 黄山萨洛凯铝业有限公司 | Aluminum alloy door and window with self-cleaning function |
Similar Documents
| Publication | Publication Date | Title |
|---|---|---|
| CN211093727U (en) | Aluminum alloy door and window with self-cleaning function | |
| CN214740807U (en) | Aluminum alloy door and window convenient to door and window slide spot clearance | |
| CN209924866U (en) | Door and window of aluminium alloy with wash structure | |
| CN219451178U (en) | Aluminum veneer curtain wall | |
| CN110644887A (en) | Door and window convenient to scrub and scrub structure | |
| CN112360317A (en) | Novel ventilation energy-saving aluminum alloy door and window | |
| CN210899064U (en) | Solar cell panel capable of preventing dust accumulation | |
| CN218324568U (en) | Heat-insulation energy-saving bridge-cut-off aluminum door and window | |
| CN214997100U (en) | Energy-saving aluminum alloy door and window frame structure | |
| CN215292247U (en) | Aluminum alloy door and window capable of draining water quickly | |
| CN213850433U (en) | Seamless welded structure aluminium door and window | |
| CN218588910U (en) | Novel environment-friendly energy-saving door and window | |
| CN218029836U (en) | Aluminum alloy window with outer frame capable of avoiding water accumulation | |
| CN212535503U (en) | Aluminum alloy door and window with hydrophobic type | |
| CN214804406U (en) | Door and window with cleaning device | |
| CN211851457U (en) | Photovoltaic power generation control electric opening window | |
| CN115075694A (en) | Window structure that can not have damage and change | |
| CN218407215U (en) | Aluminum alloy door and window with drainage structures | |
| CN218439125U (en) | Easily clean al-alloy door & window | |
| CN214078071U (en) | A surface stain removal device for processing aluminum alloy doors and windows | |
| CN220979317U (en) | High-strength bridge-cut-off aluminum alloy door and window | |
| CN218509367U (en) | Aluminum alloy door and window section bar hidden form drainage structures | |
| CN221722666U (en) | Aluminum alloy door and window with hydrophobicity | |
| CN212225004U (en) | Aluminum alloy door and window for assembly type building | |
| CN214943795U (en) | Aluminum alloy door and window with hidden drainage structures |
Legal Events
| Date | Code | Title | Description |
|---|---|---|---|
| GR01 | Patent grant | ||
| GR01 | Patent grant | ||
| CP01 | Change in the name or title of a patent holder |
Address after: NO.715, 7th floor, unit 3, building 1, No.6 Daye Road, Jinjiang District, Chengdu City, Sichuan Province 610004 Patentee after: Chengdu yueerda door industry Co.,Ltd. Address before: NO.715, 7th floor, unit 3, building 1, No.6 Daye Road, Jinjiang District, Chengdu City, Sichuan Province 610004 Patentee before: Chengdu yueerda Trading Co.,Ltd. |
|
| CP01 | Change in the name or title of a patent holder | ||
| CF01 | Termination of patent right due to non-payment of annual fee |
Granted publication date: 20200728 |
|
| CF01 | Termination of patent right due to non-payment of annual fee |