CN210273461U - 一种便于安装和拆卸的风电防雷器 - Google Patents
一种便于安装和拆卸的风电防雷器 Download PDFInfo
- Publication number
- CN210273461U CN210273461U CN201921341039.4U CN201921341039U CN210273461U CN 210273461 U CN210273461 U CN 210273461U CN 201921341039 U CN201921341039 U CN 201921341039U CN 210273461 U CN210273461 U CN 210273461U
- Authority
- CN
- China
- Prior art keywords
- threaded rod
- wind power
- plate
- protection device
- fixed
- Prior art date
- Legal status (The legal status is an assumption and is not a legal conclusion. Google has not performed a legal analysis and makes no representation as to the accuracy of the status listed.)
- Expired - Fee Related
Links
- 230000005611 electricity Effects 0.000 title claims abstract description 18
- 238000009434 installation Methods 0.000 title claims abstract description 11
- 230000002457 bidirectional effect Effects 0.000 claims description 31
- 230000001012 protector Effects 0.000 claims description 12
- 230000005540 biological transmission Effects 0.000 claims description 3
- 244000309464 bull Species 0.000 abstract description 3
- 238000012423 maintenance Methods 0.000 abstract description 3
- 230000000149 penetrating effect Effects 0.000 description 4
- 230000004048 modification Effects 0.000 description 2
- 238000012986 modification Methods 0.000 description 2
- 238000010248 power generation Methods 0.000 description 2
- 230000009286 beneficial effect Effects 0.000 description 1
- 230000000694 effects Effects 0.000 description 1
Images
Landscapes
- Wind Motors (AREA)
Abstract
本实用新型属于防雷器技术领域,尤其为一种便于安装和拆卸的风电防雷器,包括风电防雷器主体,所述风电防雷器主体的两侧壁均固定有第一固定板和第二固定板,所述第一固定板的顶部均通过轴承转动连接有双向螺纹杆,所述双向螺纹杆的顶端均贯穿相对应第二固定板的顶部固定有从动齿轮,所述双向螺纹杆的两端外侧壁均对称套设有连接板。本实用新型通过设置第一固定板、第二固定板、双向螺纹杆、从动齿轮、连接板、竖杆、支撑柱、顶板、转杆、转盘、主动齿轮、皮带、插块和卡块,可以方便快捷的将风电防雷器主体安装在条形块上,且拆卸起来也较为方便快捷,所以当风电防雷器主体出现故障,需要拆卸下来维修或者更换时,拆卸和安装的效率较高。
Description
技术领域
本实用新型涉及防雷器技术领域,具体为一种便于安装和拆卸的风电防雷器。
背景技术
浪涌保护器,也叫防雷器,是一种为各种电子设备、仪器仪表、通讯线路提供安全防护的电子装置,当电气回路或者通信线路中因为外界的干扰突然产生尖峰电流或者电压时,浪涌保护器能在极短的时间内导通分流,从而避免浪涌对回路中其他设备的损害,在风力发电设备中,通常都会设置防雷器,防雷器一般都是安装在柜体中,目前防雷器大多数都是通过螺钉固定的,当防雷器出现故障,需要拆卸下来进行维修或者更换时,操作起来较为麻烦,因此我们提出了一种便于安装和拆卸的风电防雷器来解决上述问题。
实用新型内容
(一)解决的技术问题
针对现有技术的不足,本实用新型提供了一种便于安装和拆卸的风电防雷器,解决了现有风力发电设备用防雷器不便于安装和拆卸的问题。
(二)技术方案
为实现上述目的,本实用新型提供如下技术方案:一种便于安装和拆卸的风电防雷器,包括风电防雷器主体,所述风电防雷器主体的两侧壁均固定有第一固定板和第二固定板,所述第一固定板的顶部均通过轴承转动连接有双向螺纹杆,所述双向螺纹杆的顶端均贯穿相对应第二固定板的顶部固定有从动齿轮,所述双向螺纹杆的两端外侧壁均对称套设有连接板,且双向螺纹杆与相对应的连接板通过螺纹连接,所述双向螺纹杆的背面均设置有竖杆,所述竖杆的两端分别与第一固定板的顶部和第二固定板的底部固定连接,所述连接板滑动连接在相对应竖杆的外侧壁,所述第二固定板的顶部均固定有支撑柱,所述风电防雷器主体的上方设置有顶板,所述支撑柱的顶部均与顶板的底部固定连接,所述顶板的内部贯穿设置有转杆,且转杆通过轴承与顶板转动连接,所述转杆的顶部固定有转盘,所述转杆的底部固定有主动齿轮,所述顶板的下方设置有皮带,所述主动齿轮与两个从动齿轮通过皮带传动连接,所述风电防雷器主体的背面设置有条形块,所述条形块的背面固定有安装板,所述条形块的正面对称开设有插槽,所述条形块的顶部和底部对称开设有卡槽,所述风电防雷器主体的背面对称固定有插块,所述连接板靠近条形块的一侧壁均固定有卡块,所述插块分别插设在相对应的插槽内,所述卡块分别插设在相对应的卡槽内。
作为本实用新型的一种优选技术方案,所述双向螺纹杆靠近从动齿轮的一端均通过轴承与相对应第二固定板的顶部转动连接。
作为本实用新型的一种优选技术方案,所述双向螺纹杆两端的螺纹方向相反,所述连接板的顶部分别开设有与双向螺纹杆螺纹相对应的螺纹孔,所述双向螺纹杆与相对应连接板的螺纹孔通过螺纹连接。
作为本实用新型的一种优选技术方案,所述连接板的顶部均开设有滑孔,所述竖杆贯穿相对应连接板的滑孔。
作为本实用新型的一种优选技术方案,所述转盘的表面设置有防滑纹。
作为本实用新型的一种优选技术方案,所述安装板的正面四角均开设有螺钉孔。
(三)有益效果
与现有技术相比,本实用新型提供了一种便于安装和拆卸的风电防雷器,具备以下有益效果:
该便于安装和拆卸的风电防雷器,通过设置第一固定板、第二固定板、双向螺纹杆、从动齿轮、连接板、竖杆、支撑柱、顶板、转杆、转盘、主动齿轮、皮带、插块和卡块,可以方便快捷的将风电防雷器主体安装在条形块上,且拆卸起来也较为方便快捷,所以当风电防雷器主体出现故障,需要拆卸下来维修或者更换时,拆卸和安装的效率较高。
附图说明
图1为本实用新型整体结构示意图;
图2为本实用新型整体左侧结构示意图;
图3为本实用新型条形块结构示意图;
图4为本实用新型插块结构示意图。
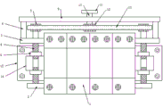
图中:1、风电防雷器主体;2、第一固定板;3、第二固定板;4、双向螺纹杆;5、从动齿轮;6、连接板;7、竖杆;8、支撑柱;9、顶板;10、转杆;11、转盘;12、主动齿轮;13、皮带;14、条形块;15、安装板;16、插槽;17、卡槽;18、插块;19、卡块;20、滑孔。
具体实施方式
下面将结合本实用新型实施例中的附图,对本实用新型实施例中的技术方案进行清楚、完整地描述,显然,所描述的实施例仅仅是本实用新型一部分实施例,而不是全部的实施例。基于本实用新型中的实施例,本领域普通技术人员在没有做出创造性劳动前提下所获得的所有其他实施例,都属于本实用新型保护的范围。
实施例
请参阅图1-4,本实用新型提供以下技术方案:一种便于安装和拆卸的风电防雷器,包括风电防雷器主体1,风电防雷器主体1的两侧壁均固定有第一固定板2和第二固定板3,第一固定板2的顶部均通过轴承转动连接有双向螺纹杆4,双向螺纹杆4的顶端均贯穿相对应第二固定板3的顶部固定有从动齿轮5,双向螺纹杆4的两端外侧壁均对称套设有连接板6,且双向螺纹杆4与相对应的连接板6通过螺纹连接,双向螺纹杆4的背面均设置有竖杆7,竖杆7的两端分别与第一固定板2的顶部和第二固定板3的底部固定连接,连接板6滑动连接在相对应竖杆7的外侧壁,第二固定板3的顶部均固定有支撑柱8,风电防雷器主体1的上方设置有顶板9,支撑柱8的顶部均与顶板9的底部固定连接,顶板9的内部贯穿设置有转杆10,且转杆10通过轴承与顶板9转动连接,转杆10的顶部固定有转盘11,转杆10的底部固定有主动齿轮12,顶板9的下方设置有皮带13,主动齿轮12与两个从动齿轮5通过皮带13传动连接,风电防雷器主体1的背面设置有条形块14,条形块14的背面固定有安装板15,条形块14的正面对称开设有插槽16,条形块14的顶部和底部对称开设有卡槽17,风电防雷器主体1的背面对称固定有插块18,连接板6靠近条形块14的一侧壁均固定有卡块19,插块18分别插设在相对应的插槽16内,卡块19分别插设在相对应的卡槽17内。
本实施方案中,通过设置第一固定板2、第二固定板3、双向螺纹杆4、从动齿轮5、连接板6、竖杆7、支撑柱8、顶板9、转杆10、转盘11、主动齿轮12、皮带13、插块18和卡块19,可以方便快捷的将风电防雷器主体1安装在条形块14上,且拆卸起来也较为方便快捷,所以当风电防雷器主体1出现故障,需要拆卸下来维修或者更换时,拆卸和安装的效率较高。
具体的,双向螺纹杆4靠近从动齿轮5的一端均通过轴承与相对应第二固定板3的顶部转动连接。
本实施例中,双向螺纹杆4靠近从动齿轮5的一端通过轴承与相对应的第二固定板3的顶部转动连接,可以使双向螺纹杆4转动时,更为稳定。
具体的,双向螺纹杆4两端的螺纹方向相反,连接板6的顶部分别开设有与双向螺纹杆4螺纹相对应的螺纹孔,双向螺纹杆4与相对应连接板6的螺纹孔通过螺纹连接。
本实施例中,双向螺纹杆4两端的螺纹方向相反,连接板6的顶部开设有与双向螺纹杆4螺纹相对应的螺纹孔,是为了与双向螺纹杆4相互配合,所以当双向螺纹杆4转动时,可以带动相对应的连接板6运动。
具体的,连接板6的顶部均开设有滑孔20,竖杆7贯穿相对应连接板6的滑孔20。
本实施例中,通过在连接板6的顶部开设滑孔20,是为了使竖杆7能够顺利的贯穿相对应的连接板6,从而连接板6可以随着双向螺纹杆4的转动而滑动。
具体的,转盘11的表面设置有防滑纹。
本实施例中,通过在转盘11的表面设置防滑纹,是为了起到防滑作用,从而便于人们转动转盘11。
具体的,安装板15的正面四角均开设有螺钉孔。
本实施例中,通过在安装板15的正面四角开设螺钉孔,是为了便于将安装板15固定在柜体内。
本实用新型的工作原理及使用流程:安装板15通过螺钉固定在柜体内,当风电防雷器主体1出现故障,需要拆卸下来时,可以转动转盘11,转盘11带动转杆10转动,转杆10带动主动齿轮12转动,主动齿轮12通过皮带13带动两个从动齿轮5转动,从动齿轮5带动相对应的双向螺纹杆4转动,双向螺纹杆4带动相对应的连接板6往远离条形块14的方向移动,从而可以使卡块19脱离条形块14的卡槽17,这样风电防雷器主体1就可以从条形块14上拆卸下来了,在安装时,将风电防雷器主体1上的插块18插入到条形块14相对应的插槽16内,这样可以使卡块19正好位于卡槽17的方向,所以转动转盘11,就可以使卡块19进入到卡槽17内,这样就可以将风电防雷器主体1固定再条形块14上了。
最后应说明的是:以上所述仅为本实用新型的优选实施例而已,并不用于限制本实用新型,尽管参照前述实施例对本实用新型进行了详细的说明,对于本领域的技术人员来说,其依然可以对前述各实施例所记载的技术方案进行修改,或者对其中部分技术特征进行等同替换。凡在本实用新型的精神和原则之内,所作的任何修改、等同替换、改进等,均应包含在本实用新型的保护范围之内。
Claims (6)
1.一种便于安装和拆卸的风电防雷器,包括风电防雷器主体(1),其特征在于:所述风电防雷器主体(1)的两侧壁均固定有第一固定板(2)和第二固定板(3),所述第一固定板(2)的顶部均通过轴承转动连接有双向螺纹杆(4),所述双向螺纹杆(4)的顶端均贯穿相对应第二固定板(3)的顶部固定有从动齿轮(5),所述双向螺纹杆(4)的两端外侧壁均对称套设有连接板(6),且双向螺纹杆(4)与相对应的连接板(6)通过螺纹连接,所述双向螺纹杆(4)的背面均设置有竖杆(7),所述竖杆(7)的两端分别与第一固定板(2)的顶部和第二固定板(3)的底部固定连接,所述连接板(6)滑动连接在相对应竖杆(7)的外侧壁,所述第二固定板(3)的顶部均固定有支撑柱(8),所述风电防雷器主体(1)的上方设置有顶板(9),所述支撑柱(8)的顶部均与顶板(9)的底部固定连接,所述顶板(9)的内部贯穿设置有转杆(10),且转杆(10)通过轴承与顶板(9)转动连接,所述转杆(10)的顶部固定有转盘(11),所述转杆(10)的底部固定有主动齿轮(12),所述顶板(9)的下方设置有皮带(13),所述主动齿轮(12)与两个从动齿轮(5)通过皮带(13)传动连接,所述风电防雷器主体(1)的背面设置有条形块(14),所述条形块(14)的背面固定有安装板(15),所述条形块(14)的正面对称开设有插槽(16),所述条形块(14)的顶部和底部对称开设有卡槽(17),所述风电防雷器主体(1)的背面对称固定有插块(18),所述连接板(6)靠近条形块(14)的一侧壁均固定有卡块(19),所述插块(18)分别插设在相对应的插槽(16)内,所述卡块(19)分别插设在相对应的卡槽(17)内。
2.根据权利要求1所述的一种便于安装和拆卸的风电防雷器,其特征在于:所述双向螺纹杆(4)靠近从动齿轮(5)的一端均通过轴承与相对应第二固定板(3)的顶部转动连接。
3.根据权利要求1所述的一种便于安装和拆卸的风电防雷器,其特征在于:所述双向螺纹杆(4)两端的螺纹方向相反,所述连接板(6)的顶部分别开设有与双向螺纹杆(4)螺纹相对应的螺纹孔,所述双向螺纹杆(4)与相对应连接板(6)的螺纹孔通过螺纹连接。
4.根据权利要求1所述的一种便于安装和拆卸的风电防雷器,其特征在于:所述连接板(6)的顶部均开设有滑孔(20),所述竖杆(7)贯穿相对应连接板(6)的滑孔(20)。
5.根据权利要求1所述的一种便于安装和拆卸的风电防雷器,其特征在于:所述转盘(11)的表面设置有防滑纹。
6.根据权利要求1所述的一种便于安装和拆卸的风电防雷器,其特征在于:所述安装板(15)的正面四角均开设有螺钉孔。
Priority Applications (1)
| Application Number | Priority Date | Filing Date | Title |
|---|---|---|---|
| CN201921341039.4U CN210273461U (zh) | 2019-08-19 | 2019-08-19 | 一种便于安装和拆卸的风电防雷器 |
Applications Claiming Priority (1)
| Application Number | Priority Date | Filing Date | Title |
|---|---|---|---|
| CN201921341039.4U CN210273461U (zh) | 2019-08-19 | 2019-08-19 | 一种便于安装和拆卸的风电防雷器 |
Publications (1)
| Publication Number | Publication Date |
|---|---|
| CN210273461U true CN210273461U (zh) | 2020-04-07 |
Family
ID=70017550
Family Applications (1)
| Application Number | Title | Priority Date | Filing Date |
|---|---|---|---|
| CN201921341039.4U Expired - Fee Related CN210273461U (zh) | 2019-08-19 | 2019-08-19 | 一种便于安装和拆卸的风电防雷器 |
Country Status (1)
| Country | Link |
|---|---|
| CN (1) | CN210273461U (zh) |
Cited By (1)
| Publication number | Priority date | Publication date | Assignee | Title |
|---|---|---|---|---|
| CN112909881A (zh) * | 2021-01-26 | 2021-06-04 | 芜湖市凯鑫避雷器有限责任公司 | 一种避雷器的安装座 |
-
2019
- 2019-08-19 CN CN201921341039.4U patent/CN210273461U/zh not_active Expired - Fee Related
Cited By (2)
| Publication number | Priority date | Publication date | Assignee | Title |
|---|---|---|---|---|
| CN112909881A (zh) * | 2021-01-26 | 2021-06-04 | 芜湖市凯鑫避雷器有限责任公司 | 一种避雷器的安装座 |
| CN112909881B (zh) * | 2021-01-26 | 2022-03-22 | 芜湖市凯鑫避雷器有限责任公司 | 一种避雷器的安装座 |
Similar Documents
| Publication | Publication Date | Title |
|---|---|---|
| CN210608137U (zh) | 一种便于安装的电力柜 | |
| CN210273461U (zh) | 一种便于安装和拆卸的风电防雷器 | |
| CN212110199U (zh) | 一种便于调节的水位检测装置 | |
| CN111917014B (zh) | 一种壁挂式用于室外的防护配电柜 | |
| CN211208915U (zh) | 一种可调节本体宽度的配电柜 | |
| CN210865395U (zh) | 一种防护效果好的电子信息展示架 | |
| CN208782317U (zh) | 一种方便安装的应急照明配电箱 | |
| CN216598511U (zh) | 具有防漏电功能的交流低压配电柜内舱结构 | |
| CN216903779U (zh) | 一种便于安装的电气工程配电柜 | |
| CN212809622U (zh) | 一种智能展示屏 | |
| CN211547456U (zh) | 一种可旋转的交通管理标识 | |
| CN213520704U (zh) | 一种led电子屏安装用防雷击安装架 | |
| CN212518035U (zh) | 一种配电箱安装架 | |
| CN221305305U (zh) | 一种便于检修的配电柜 | |
| CN216253498U (zh) | 一种电流监测器用电流保护装置 | |
| CN221278911U (zh) | 一种计算机网络设备终端控制设备 | |
| CN214852140U (zh) | 一种电容器保护测控装置 | |
| CN214589919U (zh) | 一种新型配电柜 | |
| CN221101610U (zh) | 一种具有疏散指示功能的四面一体信号机 | |
| CN221103223U (zh) | 一种光伏板线路固定装置 | |
| CN213520756U (zh) | 一种户外建筑电气配电柜用防雨装置 | |
| CN216214988U (zh) | 一种带有防触电结构的移动式高低压柜 | |
| CN218102207U (zh) | 一种具有监测功能的多功能智能配电箱 | |
| CN218418997U (zh) | 一种墙面展示架 | |
| CN220228893U (zh) | 一种安装支架结构 |
Legal Events
| Date | Code | Title | Description |
|---|---|---|---|
| GR01 | Patent grant | ||
| GR01 | Patent grant | ||
| CF01 | Termination of patent right due to non-payment of annual fee |
Granted publication date: 20200407 |
|
| CF01 | Termination of patent right due to non-payment of annual fee |