CN202609433U - Kitchen garbage collecting storage bin - Google Patents
Kitchen garbage collecting storage bin Download PDFInfo
- Publication number
- CN202609433U CN202609433U CN201220296589.0U CN201220296589U CN202609433U CN 202609433 U CN202609433 U CN 202609433U CN 201220296589 U CN201220296589 U CN 201220296589U CN 202609433 U CN202609433 U CN 202609433U
- Authority
- CN
- China
- Prior art keywords
- feed bin
- food waste
- door
- changing food
- silo
- Prior art date
- Legal status (The legal status is an assumption and is not a legal conclusion. Google has not performed a legal analysis and makes no representation as to the accuracy of the status listed.)
- Expired - Lifetime
Links
Images
Classifications
-
- Y—GENERAL TAGGING OF NEW TECHNOLOGICAL DEVELOPMENTS; GENERAL TAGGING OF CROSS-SECTIONAL TECHNOLOGIES SPANNING OVER SEVERAL SECTIONS OF THE IPC; TECHNICAL SUBJECTS COVERED BY FORMER USPC CROSS-REFERENCE ART COLLECTIONS [XRACs] AND DIGESTS
- Y02—TECHNOLOGIES OR APPLICATIONS FOR MITIGATION OR ADAPTATION AGAINST CLIMATE CHANGE
- Y02W—CLIMATE CHANGE MITIGATION TECHNOLOGIES RELATED TO WASTEWATER TREATMENT OR WASTE MANAGEMENT
- Y02W30/00—Technologies for solid waste management
- Y02W30/10—Waste collection, transportation, transfer or storage, e.g. segregated refuse collecting, electric or hybrid propulsion
Landscapes
- Processing Of Solid Wastes (AREA)
Abstract
本实用新型提供了一种餐厨垃圾收集料仓,该料仓包括外壳总成(1),该外壳总成(1)上设置有位于顶部的进料口以及位于底部的出料口(17),其中,所述进料口包括第一进料口(2)和第二进料口(3),所述第二进料口(3)小于所述第一进料口(2),并且,在所述第一进料口(2)和所述第二进料口(3)处分别设置有第一料仓门(4)和第二料仓门(5)。该餐厨垃圾收集料仓具有两个大小不同的进料口,适于多种投料形式,能够有效减少餐厨垃圾异味向外扩散以及投料过程中餐厨垃圾的飞溅。
The utility model provides a kitchen garbage collection silo, which comprises a shell assembly (1), and the shell assembly (1) is provided with a material inlet at the top and a material outlet (17 at the bottom). ), wherein the feed port includes a first feed port (2) and a second feed port (3), and the second feed port (3) is smaller than the first feed port (2), Moreover, a first silo door (4) and a second silo door (5) are respectively arranged at the first material inlet (2) and the second material inlet (3). The food waste collection silo has two feed ports of different sizes, is suitable for various feeding forms, and can effectively reduce the outward diffusion of food waste odor and the splash of food waste during the feeding process.
Description
技术领域 technical field
本实用新型涉及餐厨垃圾处理领域,具体地,涉及一种餐厨垃圾收集料仓。The utility model relates to the field of kitchen waste treatment, in particular to a kitchen waste collection bin.
背景技术 Background technique
目前,对餐厨垃圾处理的问题的关注日益增加。餐厨垃圾收集料仓,主要用于暂存餐厨垃圾车收运来的餐厨垃圾,当餐厨垃圾暂存到一定数量后,餐厨垃圾收集料仓将餐厨垃圾送往下一处理环节,以对餐厨垃圾进行集中处理。通过餐厨垃圾收集料仓对餐厨垃圾的集中收集和控制,不仅可以截断“地沟油”的回收渠道,防止其危害市民健康,还可以变废为宝,将餐厨垃圾集中用于提炼生物柴油等。At present, attention to the problem of food waste disposal is increasing. The food waste collection silo is mainly used to temporarily store the food waste collected and transported by the kitchen garbage truck. When the food waste is temporarily stored to a certain amount, the food waste collection silo will send the food waste to the next processing links to centralize the treatment of food waste. The centralized collection and control of food waste through the food waste collection silo can not only cut off the recycling channels of "gutter oil" and prevent it from endangering public health, but also turn waste into treasure, and use food waste in a centralized manner to refine biological Diesel etc.
餐厨垃圾收集料仓在对餐厨垃圾的收集和暂存过程中如何保证干净、卫生和无污染等也日益成为环卫行业所关心的问题。How to ensure cleanliness, sanitation and pollution-free during the collection and temporary storage of food waste in the food waste collection silo has increasingly become a concern of the sanitation industry.
现存的餐厨垃圾收集料仓种类繁多,主要的缺点在于:餐厨垃圾向外扩散异味较严重以及投料过程中餐厨垃圾易飞溅等。There are many types of existing food waste collection silos. The main disadvantages are: the food waste spreads out and the odor is serious, and the food waste is easy to splash during the feeding process.
实用新型内容 Utility model content
本实用新型的目的是提供一种餐厨垃圾收集料仓,该餐厨垃圾收集料仓具有两个大小不同的进料口,适于多种投料形式,能够有效减少餐厨垃圾异味向外扩散以及投料过程中餐厨垃圾的飞溅。The purpose of the utility model is to provide a food waste collection silo, which has two feeding ports of different sizes, is suitable for various feeding forms, and can effectively reduce the outward diffusion of food waste odor And the splash of food waste during the feeding process.
为了实现上述目的,本实用新型提供一种餐厨垃圾收集料仓,该料仓包括外壳总成,该外壳总成上设置有位于顶部的进料口以及位于底部的出料口,其中,所述进料口包括第一进料口和第二进料口,所述第二进料口小于所述第一进料口,并且,在所述第一进料口和所述第二进料口处分别设置有第一料仓门和第二料仓门。In order to achieve the above object, the utility model provides a kitchen waste collection silo, the silo includes a shell assembly, the shell assembly is provided with a material inlet at the top and a material outlet at the bottom, wherein the The feed port includes a first feed port and a second feed port, the second feed port is smaller than the first feed port, and, between the first feed port and the second feed port A first hopper door and a second hopper door are respectively arranged at the mouth.
优选地,所述第二进料口设置在所述第一料仓门上。Preferably, the second material inlet is arranged on the first silo door.
优选地,所述第一料仓门上设置有第一电动推杆,该第一电动推杆的推杆连接于所述第二料仓门。Preferably, a first electric push rod is provided on the first bunker door, and a push rod of the first electric push rod is connected to the second bunker door.
优选地,所述外壳总成还包括收集斗,该收集斗设置在所述第一进料口上方。Preferably, the housing assembly further includes a collecting bucket, and the collecting bucket is arranged above the first feeding port.
优选地,所述外壳总成的顶部的一侧设置有顶部盖板,另一侧设置有所述第一进料口,所述第一料仓门设置有滚轮,在该滚轮的下方还设置有与该滚轮配合的导轨,所述第一料仓门位于所述顶部盖板的下方。Preferably, one side of the top of the shell assembly is provided with a top cover plate, the other side is provided with the first material inlet, the first bin door is provided with rollers, and a roller is provided below the rollers. There is a guide rail matched with the roller, and the first bunker door is located under the top cover plate.
优选地,所述第一料仓门和所述第二料仓门在水平方式上的运动方向相互垂直。Preferably, the moving directions of the first bin door and the second bin door in a horizontal manner are perpendicular to each other.
优选地,该料仓设置有第二电动推杆,该第二电动推杆的推杆连接于所述第一料仓门。Preferably, the silo is provided with a second electric push rod, and the push rod of the second electric push rod is connected to the first silo door.
优选地,所述外壳总成上设置有用于与臭气收集管道相连的臭气收集口。Preferably, the housing assembly is provided with an odor collection port for connecting with the odor collection pipe.
优选地,所述料仓外壳总成的底部设置有螺旋输送机,该螺旋输送机的出料端与所述出料口相连。Preferably, a screw conveyor is provided at the bottom of the silo shell assembly, and the discharge end of the screw conveyor is connected to the discharge port.
优选地,该料仓设置有料仓内壁清洗装置,该料仓内壁清洗装置包括设置在所述外壳总成内的喷射装置,该喷射装置包括围绕所述外壳总成内壁设置的喷管,该喷管上等间隔设置有多个朝向所述料仓的内壁设置的喷嘴。Preferably, the silo is provided with a cleaning device for the inner wall of the silo, and the cleaning device for the inner wall of the silo includes a spraying device arranged in the shell assembly, and the spraying device includes a nozzle arranged around the inner wall of the shell assembly, and the spraying device A plurality of nozzles facing the inner wall of the silo are arranged at equal intervals on the pipe.
优选地,在所述外壳总成外设置有泵和清洗液池,所述泵通过输送管道分别与所述喷射装置和所述清洗液池连通。Preferably, a pump and a cleaning liquid pool are arranged outside the housing assembly, and the pump communicates with the spraying device and the cleaning liquid pool respectively through a delivery pipe.
优选地,所述第二进料口上方设置有长度可调节的对接管,该对接管的一端与所述第二进料口对接,另一端设置有对接口。Preferably, a length-adjustable docking pipe is provided above the second feed port, one end of the docking pipe is docked with the second feed port, and a docking port is provided at the other end.
优选地,所述对接管为波纹管,所述对接口包括固定装置,该固定装置为磁铁。Preferably, the docking pipe is a bellows, and the docking port includes a fixing device, and the fixing device is a magnet.
优选地,所述磁铁为电磁铁。Preferably, the magnet is an electromagnet.
优选地,所述对接口包括与所述波纹管连接的支架,所述磁铁沿所述支架的周向均布。Preferably, the docking port includes a bracket connected to the bellows, and the magnets are evenly distributed along the circumference of the bracket.
根据本实用新型的餐厨垃圾收集料仓的进料口处设置有料仓门,能够有效减少暂存于该收集料仓中的垃圾的异味向外排放;并且,该餐厨垃圾收集料仓设置有两个进料口,当采用例如倒料式餐厨垃圾车投料时,可以将开口较大的第一料仓门打开,将餐厨垃圾直接从第一进料口倒入,当采用如抽吸式餐厨垃圾车投料时,可以仅将开口较小的第二料仓门打开,然后将抽吸式餐厨垃圾车的排料管直接从第二进料口伸入料仓中进行投料,由于第二进料口的打开程度较小,能够有效减少投料过程中垃圾异味向外扩散,并在一定程度上减少投料过程中餐厨垃圾的飞溅。According to the utility model, the feed port of the kitchen waste collection bin is provided with a bin door, which can effectively reduce the outward discharge of the peculiar smell of the garbage temporarily stored in the collection bin; and, the kitchen waste collection bin is provided with There are two feeding ports. When using, for example, an unloading type kitchen garbage truck to feed, the first bin door with a larger opening can be opened, and the food waste can be poured directly from the first feeding port. When feeding the suction type kitchen garbage truck, you can only open the door of the second bin with a smaller opening, and then directly extend the discharge pipe of the suction type kitchen garbage truck into the bin from the second feeding port. Feeding, because the opening degree of the second feeding port is small, it can effectively reduce the spread of garbage odor during the feeding process, and reduce the splash of kitchen waste during the feeding process to a certain extent.
本实用新型的其他特征和优点将在随后的具体实施方式部分予以详细说明。Other features and advantages of the present utility model will be described in detail in the following specific embodiments.
附图说明 Description of drawings
附图是用来提供对本实用新型的进一步理解,并且构成说明书的一部分,与下面的具体实施方式一起用于解释本实用新型,但并不构成对本实用新型的限制。在附图中:The accompanying drawings are used to provide a further understanding of the utility model, and constitute a part of the description, together with the following specific embodiments, are used to explain the utility model, but do not constitute a limitation to the utility model. In the attached picture:
图1是根据本实用新型的餐厨垃圾收集料仓的第一实施方式的正视结构示意图,其中第一料仓门处于关闭状态;Fig. 1 is a schematic diagram of the front view of the first embodiment of the kitchen waste collection silo according to the present invention, wherein the first silo door is in a closed state;
图2是图1中的餐厨垃圾收集料仓的第一料仓门处于打开状态的正视结构示意图;Fig. 2 is a schematic diagram of the front view of the first bin door of the kitchen waste collection bin in Fig. 1 in an open state;
图3是图1中所示餐厨垃圾收集料仓的俯视结构示意图,其中,虚线描绘的是位于第一料仓门下部的控制第二料仓门的第一电动推杆;Fig. 3 is a top view structural schematic diagram of the kitchen waste collection silo shown in Fig. 1, wherein the dotted line depicts the first electric push rod located at the lower part of the first silo door to control the second silo door;
图4是图1中所示餐厨垃圾收集料仓的的侧视结构示意图;Fig. 4 is a side view schematic diagram of the kitchen waste collection silo shown in Fig. 1;
图5是根据本实用新型的餐厨垃圾收集料仓的第二实施方式的正视结构示意图,其中第一料仓门处于关闭状态;Fig. 5 is a schematic diagram of the front view of the second embodiment of the kitchen waste collection silo according to the present invention, wherein the first silo door is in a closed state;
图6是根据本实用新型的餐厨垃圾收集料仓的第二实施方式的正视结构示意图,其中第一料仓门处于打开状态;Fig. 6 is a schematic diagram of the front view of the second embodiment of the kitchen waste collection silo according to the present invention, wherein the first silo door is in an open state;
图7是图5中的餐厨垃圾收集料仓的俯视结构示意图,其中省略了第一料仓门以及控制该第一料仓门的第二电动推杆和第二料仓门以及控制该第二料仓门的第一电动推杆;Fig. 7 is a schematic top view of the kitchen waste collection silo in Fig. 5, in which the first silo door and the second electric push rod for controlling the first silo door and the second silo door and the second electric push rod for controlling the first silo door are omitted. The first electric push rod of the second bin door;
图8是图5中的餐厨垃圾收集料仓的俯视结构示意图,其中第一料仓门和第二料仓门均处于关闭状态;Fig. 8 is a top view structural diagram of the kitchen waste collection bin in Fig. 5, wherein the first bin door and the second bin door are in a closed state;
图9是显示第二料仓门的一种实施方式的主视结构示意图,其中第二料仓门处于关闭状态;Fig. 9 is a schematic front view showing an embodiment of the second silo door, wherein the second silo door is in a closed state;
图10是显示第二料仓门的另一种实施方式的主视结构示意图,其中第二料仓门处于关闭状态;Fig. 10 is a front structural schematic view showing another embodiment of the second silo door, wherein the second silo door is in a closed state;
图11是图10中的第二料仓门的俯视结构示意图,其中,虚线描绘的是位于第二料仓门下方的控制该第二料仓门的第一电动推杆;Fig. 11 is a top structural schematic diagram of the second silo door in Fig. 10, wherein the dotted line depicts the first electric push rod located below the second silo door to control the second silo door;
图12和图13分别是图10中的对接口的主视图和俯视图。12 and 13 are respectively a front view and a top view of the docking port in FIG. 10 .
附图标记说明Explanation of reference signs
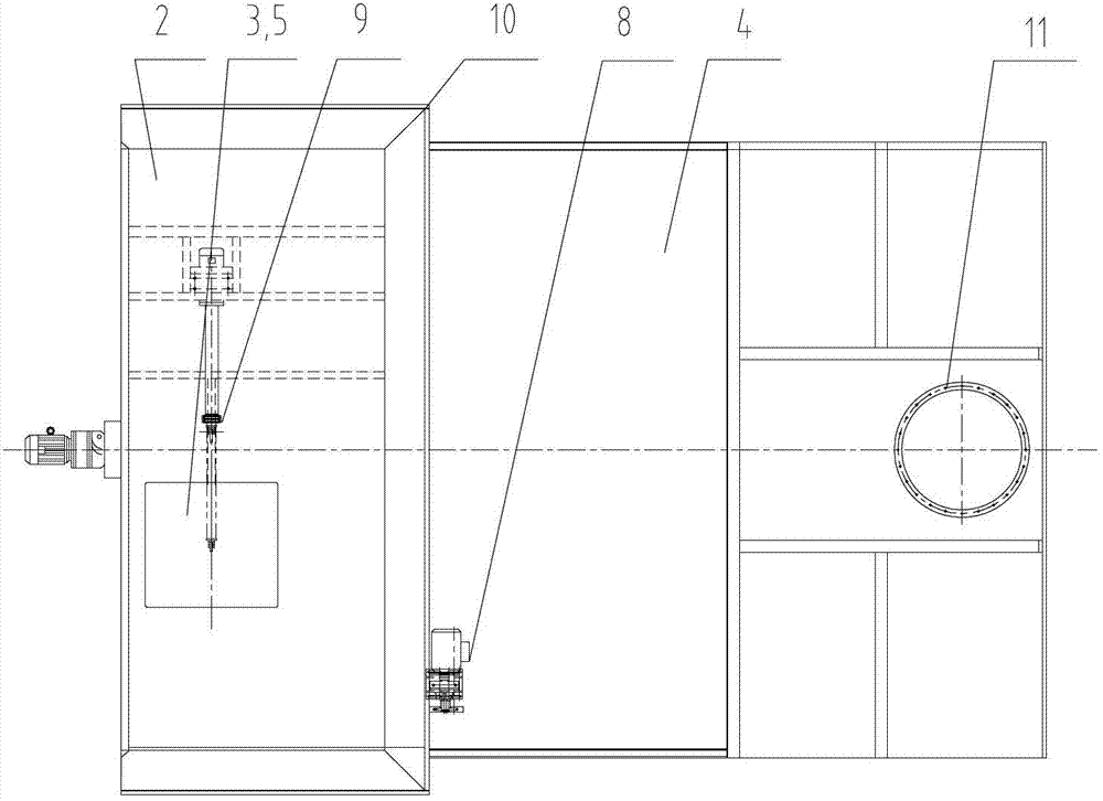
1外壳总成 2第一进料口1
3第二进料口 4第一料仓门3 The
5第二料仓门 6滚轮5 second silo door 6 rollers
7导轨 8电机7
9第一电动推杆 10收集斗9 The first
11臭气收集口 12臭气收集管11 Odor
13喷射装置 14喷管13
15喷嘴 16螺旋输送机15
17出料口 18杂质过滤网17
19第二电动推杆 20排水口19 The second
21旋转轴 22、23、24、25支座21 rotating
26波纹管 27对接口26
28支架 29把手28
30磁铁 31加强筋板30
32顶部盖板32 top cover
具体实施方式 Detailed ways
本实用新型提供了一种餐厨垃圾收集料仓,该料仓包括外壳总成1,该外壳总成1上设置有位于顶部的进料口以及位于底部的出料口17,其中,所述进料口包括第一进料口2和第二进料口3,所述第二进料口3小于所述第一进料口2,并且,在所述第一进料口2和所述第二进料口3处分别设置有第一料仓门4和第二料仓门5。The utility model provides a kitchen garbage collection silo, which includes a
根据本实用新型的餐厨垃圾收集料仓的进料口处设置有料仓门,能够有效减少暂存于该收集料仓中的垃圾的异味向外排放;并且,该餐厨垃圾收集料仓设置有两个进料口,当采用例如倒料式餐厨垃圾车投料时,可以将开口较大的第一料仓门4打开,将餐厨垃圾直接从第一进料口2倒入,当采用如抽吸式餐厨垃圾车投料时,可以仅将开口较小的第二料仓门5打开,然后将抽吸式餐厨垃圾车的排料管直接从第二进料口3伸入料仓中进行投料,由于第二进料口3的打开程度较小,能够有效减少投料过程中垃圾异味向外扩散,并在一定程度上减少投料过程中餐厨垃圾的飞溅。According to the utility model, the feed port of the kitchen waste collection bin is provided with a bin door, which can effectively reduce the outward discharge of the peculiar smell of the garbage temporarily stored in the collection bin; and, the kitchen waste collection bin is provided with There are two feed ports. When using, for example, an unloading type kitchen garbage truck to feed, the
其中,外壳总成1大体上包括壁板和顶部盖板32。Wherein, the
其中,第一进料口2可以设置为完全敞开式的,如图1和图2所示,外壳总成1的顶部的一侧设置有顶部盖板32,另一侧为沿该料仓的宽度方向完全敞开式的第一进料口2。Wherein, the
优选地,可以将第二进料口3设置在第一料仓门4上,在这种情况下,仅需要在外壳总成1上设置一个开口作为第一进料口2即可,从而使料仓的结构更紧凑。Preferably, the
第二料仓门5可以采用任意合适的方式打开,当第二料仓门5设置在第一料仓门4上时,可以在第一料仓门4上设置第一电动推杆9,通过第一电动推杆9的推动实现第二料仓门的开启和关闭,这种设置方式结构简单并且操作方便。The
如图9所示,作为一种实施方式,可以在第一料仓门4的下方设置第一电动推杆9,第一电动推杆9通过支座22固定在第一料仓门4上,并且将第一电动推杆9的推杆通过支座23与第二料仓门5连接,在图9中,仅显示了第一料仓门4的局部,第二料仓门5的上表面与第一料仓门4的下表面之间留有0.5-1.2mm间隔,以方便第二料仓门5相对于第一料仓门4的移动,当第一电动推杆9的推杆推出时,第二料仓门5沿图9中从左向右的方向移动,将第二进料口3关闭,当第一电动推杆9的推杆缩回时,第二料仓门5沿图9中从右向左的方向移动,将第二进料口3打开。另外,该第一电动推杆9也可以设置在第一料仓门4的上方。As shown in Figure 9, as an embodiment, a first
此外,外壳总成1还包括收集斗10,该收集斗10设置在第一进料口2上方,收集斗10的设置能够有效减少投料过程中餐厨垃圾的飞溅。并且,由于第一进料口2设置在第一料仓门4上,仅需要在第一进料口2的上方设置一个收集斗10便可以同时防止使用第一进料口2和第二进料口3投料时餐厨垃圾的飞溅,使料仓的结构更简单并紧凑。另外,如图3所示,在本实施方式中,收集斗10上还设置有开口(图3中收集斗10的左侧打开),以方便餐厨垃圾车的投料。In addition, the
第一料仓门4也可以采用任意合适的方式打开。例如,优选地第一料仓门4可以通过下面的方式设置:外壳总成1的顶部的一侧设置有顶部盖板32,另一侧设置有第一进料口2,第一料仓门4设置有滚轮6,在该滚轮6的下方还设置有与该滚轮6配合的导轨7,通过滚轮6和导轨7的配合实现打开和关闭,并且第一料仓门4位于顶部盖板32的下方。这种设置方式尤其适用于体积和重量较大的第一料仓门4,并且还有利于收集斗10的安装,而且,由于第一料仓门4位于顶部盖板32的下方,顶部盖板32的下表面与第一料仓门4的上表面贴合,可以有效防止料仓内的餐厨垃圾的异味外逸。The
并且,第一料仓门4和第二料仓门5在水平方式上的运动方向相互垂直,如图3所示,第一料仓门4沿左右方向运动,第二料仓门5沿上下方向运动。And, the movement directions of the
并且滚轮6优选设置在第一料仓门4的边缘处,例如,第一料仓门4的边缘的下方或者外侧,在这种情况下,当第一料仓门4打开后,导轨7位于第一进料口2的外侧,从而避免采用第一进料口2投料时餐厨垃圾落到导轨7上对导轨7的污染腐蚀和对第一料仓门4开关操作的影响。And the
作为一种优选实施的方式,该料仓还可以设置有电机8,该电机8通过传动机构(例如,链条)与滚轮6连接,从而实现第一料仓门4的电动操作,并且还可以通过PLC实现第一料仓门4的全自动控制。As a preferred embodiment, the silo can also be provided with a
具体地,在本实用新型的第一实施方式中,如图1和图2所示,当滚轮6位于位置A1时,第一进料口2是关闭的,第一料仓门4的左边缘紧贴第一进料口2的左边缘,第一料仓门4的右边缘位于图1中的B1位置处;当滚轮6为与位置A2时,第一进料口2是打开的,第一料仓门4的左边缘位于第一进料口2的右边缘,第一料仓门4的右边缘位于图1中的B2位置处,此时,第一料仓门4的右侧的部分移动到顶部盖板32的下方。Specifically, in the first embodiment of the present utility model, as shown in Figures 1 and 2, when the
并且,作为另一种实施方式,还可以在料仓上设置第二电动推杆19,将第二电动推杆19的推杆连接于第一料仓门4,从而通过第二电动推杆19控制第一料仓门4的开启与关闭。例如,如图5和图6所示,第一料仓门4通过旋转轴21或合页等与顶部盖板32枢转连接,第二电动推杆19的设置有推杆的一端与支座25枢转连接并通过支座25连接至第一料仓门4,第二电动推杆19的另一端则与固定在外壳总成1上的支座24枢转连接,从而通过第二电动推杆19的推杆的伸缩,拉动支座25,为第一料仓门4提供转矩,继而将第一料仓门4翻开或关闭。And, as another embodiment, a second
当然,第二料仓门5也设置为类似该实施方式的形式,即通过电动推杆翻开或关闭;并且同样类似的,也可以将第一料仓门4设置为与上文中所述的第二料仓门3类似的形式,即通过设置电动推杆将第一料仓门4推开或关闭。Of course, the
另外,第二进料口3还可以设置为其它形式。图10至图13提供了第二进料口3的另一种实施方式,例如,在第二进料口3的上方设置有长度可调节的对接管,该对接管的一端与该第二进料口3对接,另一端设置有对接口27。In addition, the
在这种情况下,可以通过调节对接管的长度,使得出口高度不同的抽吸式餐厨垃圾车的排料管可以方便地与该第一进料口3对接,操作方便,提高了工作效率,并且能够有效减少投料过程中餐厨垃圾的飞溅和异味的扩散。In this case, by adjusting the length of the connecting pipe, the discharge pipe of the suction type kitchen garbage truck with different outlet heights can be conveniently connected with the
优选地,所述对接管为波纹管26,由于波纹管的可伸缩性和可弯曲性,使对接口可以在水平和垂直方向上移动,使得抽吸式餐厨垃圾车的排料管可以方便地与该第一进料口对接,操作方便,无需不断移动餐厨垃圾车以使排料管与第一进料口对接,通过波纹管能够提高对接的准确性和效率。Preferably, the butt joint is a bellows 26. Due to the scalability and bendability of the bellows, the docking port can move horizontally and vertically, so that the discharge pipe of the suction type kitchen garbage truck can be conveniently It is convenient to operate and does not need to constantly move the kitchen garbage truck to make the discharge pipe dock with the first feeding port, and the accuracy and efficiency of the docking can be improved through the bellows.
具体地,对接口27包括固定装置。波纹管26与排料管对接后通过固定装置与排料管固定。其中,固定装置可以设置为任意合适的形式,例如,设置为耐磨橡胶接头的形式以将波纹管26通过摩擦力固定至排料管出口处。由于垃圾车的排料管通常都是铁质的,因此,作为一种优选实施方式,该固定装置为磁铁30,通过磁铁30使波纹管26与排料管的出口连接,这种设置形式结构简单并可以方便地将波纹管26与排料管的连接和分离。Specifically, the
优选地,磁铁30为电磁铁,在这种情况下,仅需要对该电磁铁通电,使该电磁铁具有磁性,便可以将波纹管26连接至排料管上,并且,投料结束后,将电磁铁断电,波纹管26便自动与排料管分离,从而实现波纹管与排料管的自动连接与分离。Preferably, the
具体地,对接口27包括与波纹管26连接的支架28,磁铁30沿支架28的周向均布。优选地,该支架28可以具有适于垃圾车排料管的大小和形状,以方便波纹管26通过该支架28连接至垃圾车的排料管出口处,并且,该支架28还可以设置为大小可调节的,例如,该支架28可以设置为包括在波纹管26的另一端设置的螺纹接头,并配套设置的多个直径不同的圆环,选择不同的圆环连接至螺纹接头上,以使该支架28适用于不同规格的垃圾车的排料管。另外,还可以在支架28上还设置把手29,该把手29从支架28的外周面向外突出。当投料结束后,可以通过把手29手动地将支架28与排料管分离,并且把手29还与有利于控制支架28与排料管的准确对接。Specifically, the
具体地,如图12和图13所示,提供了对接口27的一种实施方式,其中,支架28由重叠的两个圆环片构成,这两个圆环片之间具有间隔,在该间隔中沿该圆环片的周向等间距设置有加强筋板31,两个圆环片通过该加强筋板31连接,并且在所述间隔中沿圆环片的周向等间距设置有磁铁30,把手29对称地沿支架28的周向设置。Specifically, as shown in Fig. 12 and Fig. 13, an embodiment of the
此外,对于设置有波纹管26的第二进料口3,第二料仓门5优选设置在第二进料口3的下方,如图10所示,即与上文中所述的图9中的第二料仓门的设置形式相同。通常,第二料仓门5处于关闭状态,仅在抽吸式餐厨垃圾车进行投料,并且已将对接口27与排料管对接好后,才将第二料仓门5打开,从而有效避免料仓内暂存的餐厨垃圾异味外排而影响周围环境。In addition, for the
优选地,外壳总成1上还可以设置有用于与臭气收集管道12相连的臭气收集口11,从而通过负压将料仓内餐厨垃圾产生的异味经臭气收集管道12输送至除臭系统中,有效减少暂存于收集料仓中的垃圾的异味对周围环境的影响。Preferably, the
此外,优选地,该料仓还设置有料仓内壁清洗装置。由于餐厨垃圾含有油、水和渣质等,当料仓内的餐厨垃圾从出料口17排出后,在料仓的内壁上还会粘着有一些餐厨垃圾遗留物,利用该料仓内壁清洗装置能够清洗掉料仓内壁上的遗留物,将料仓内的餐厨垃圾完全清理干净,防止遗留物长期停留变质。In addition, preferably, the silo is also provided with a cleaning device for the inner wall of the silo. Since the food waste contains oil, water and slag, when the food waste in the silo is discharged from the
具体地,料仓内壁清洗装置可以包括设置在外壳总成1内的喷射装置13。该喷射装置13可以设置为任意合适的形式,例如,该喷射装置13可以为悬挂在料仓内的高压旋转喷头,在旋转的同时将清洗液喷射至料仓内壁上以对遗留物进行清洗。Specifically, the cleaning device for the inner wall of the silo may include a
并且,作为一种优选实施方式,如图1、图2和图4所示,喷射装置13可以设置为包括围绕外壳总成1内壁设置的喷管14,该喷管14上等间隔设置有多个喷嘴15,采用这种设置方式,有利于清洗到料仓内壁的各个部位,从而对料仓内部进行较彻底的清洁。And, as a preferred embodiment, as shown in Fig. 1, Fig. 2 and Fig. 4, the spraying
相应地,在该料仓的外部设置泵和清洗液池,泵通过输送管道分别与喷射装置13和清洗液池连接,并且,清洗液池可以是热水池,以便于将餐厨垃圾中的油脂等洗净。Correspondingly, a pump and a cleaning liquid pool are arranged outside the silo, and the pump is respectively connected to the
并且,优选地,将喷射装置13设置在外壳总成1上部并且位于导轨7的下方,这样不仅增大了对料仓内壁的清洗范围,使对料仓内壁的清洗更彻底,还有利于避免清洗液对导轨7的污染和腐蚀。And, preferably, the
另外,作为一种优选实施方式,如图4至图6所示,外壳总成1形成向下减缩的形状,其垂直断面大体上为倒三角形,这种形式有利于餐厨垃圾的完全排出,并且能够使喷射装置13将料仓内清洗的更彻底。In addition, as a preferred embodiment, as shown in Fig. 4 to Fig. 6, the
并且,外壳总成1的底部还可以设置有螺旋输送机16,该螺旋输送机16的出料端与所述出料口17相连,通过螺旋输送机16对餐厨垃圾进行初步的脱水处理,然后推挤到出料口17处排出。Moreover, the bottom of the
在料仓的底部还可以设置有排水口20,餐厨垃圾由螺旋输送机16进行推挤时脱出的水分通过该排水口20排出。A
另外,优选地,第一进料口2的下方还设置有杂质过滤网18,将餐厨垃圾倒入料仓中后,餐厨垃圾中较大的杂质(例如大块的塑料、布料和木材等)会停留在杂质过滤网18上,工作人员可以将这些较大的杂质夹出,从而避免这些较大的杂质进入到料仓中,继而堵塞螺旋输送机16。In addition, preferably, an
以上结合附图详细描述了本实用新型的优选实施方式,但是,本实用新型并不限于上述实施方式中的具体细节,在本实用新型的技术构思范围内,可以对本实用新型的技术方案进行多种简单变型,这些简单变型均属于本实用新型的保护范围。The preferred embodiment of the utility model has been described in detail above in conjunction with the accompanying drawings, but the utility model is not limited to the specific details of the above-mentioned embodiment, and within the scope of the technical concept of the utility model, the technical solution of the utility model can be carried out in many ways. These simple modifications all belong to the protection scope of the present utility model.
另外需要说明的是,在上述具体实施方式中所描述的各个具体技术特征,在不矛盾的情况下,可以通过任何合适的方式进行组合。为了避免不必要的重复,本实用新型对各种可能的组合方式不再另行说明。In addition, it should be noted that the various specific technical features described in the above specific implementation manners may be combined in any suitable manner if there is no contradiction. In order to avoid unnecessary repetition, the utility model will not further describe various possible combinations.
此外,本实用新型的各种不同的实施方式之间也可以进行任意组合,只要其不违背本实用新型的思想,其同样应当视为本实用新型所公开的内容。In addition, any combination of various implementations of the present invention can also be made, as long as they do not violate the idea of the present invention, they should also be regarded as the disclosed content of the present invention.
Claims (15)
Priority Applications (1)
| Application Number | Priority Date | Filing Date | Title |
|---|---|---|---|
| CN201220296589.0U CN202609433U (en) | 2012-06-21 | 2012-06-21 | Kitchen garbage collecting storage bin |
Applications Claiming Priority (1)
| Application Number | Priority Date | Filing Date | Title |
|---|---|---|---|
| CN201220296589.0U CN202609433U (en) | 2012-06-21 | 2012-06-21 | Kitchen garbage collecting storage bin |
Publications (1)
| Publication Number | Publication Date |
|---|---|
| CN202609433U true CN202609433U (en) | 2012-12-19 |
Family
ID=47343150
Family Applications (1)
| Application Number | Title | Priority Date | Filing Date |
|---|---|---|---|
| CN201220296589.0U Expired - Lifetime CN202609433U (en) | 2012-06-21 | 2012-06-21 | Kitchen garbage collecting storage bin |
Country Status (1)
| Country | Link |
|---|---|
| CN (1) | CN202609433U (en) |
Cited By (1)
| Publication number | Priority date | Publication date | Assignee | Title |
|---|---|---|---|---|
| CN114435808A (en) * | 2022-02-22 | 2022-05-06 | 北京恩萨工程技术有限公司 | A feeding automatically-controlled door for hazardous waste storage silo |
-
2012
- 2012-06-21 CN CN201220296589.0U patent/CN202609433U/en not_active Expired - Lifetime
Cited By (1)
| Publication number | Priority date | Publication date | Assignee | Title |
|---|---|---|---|---|
| CN114435808A (en) * | 2022-02-22 | 2022-05-06 | 北京恩萨工程技术有限公司 | A feeding automatically-controlled door for hazardous waste storage silo |
Similar Documents
| Publication | Publication Date | Title |
|---|---|---|
| CN106625709B (en) | A new type of household robot | |
| CN217595356U (en) | Aggregate belt cleaning device is used in concrete production | |
| CN110584191B (en) | Tobacco vacuum tank with unpowered rotating cleaning and drying device | |
| CN220011101U (en) | Food packaging equipment with cleaning function | |
| CN110404929B (en) | Kitchen waste processor | |
| CN202609433U (en) | Kitchen garbage collecting storage bin | |
| KR100919848B1 (en) | Waste storage facility | |
| CN202609412U (en) | Kitchen garbage collecting storage bin | |
| CN202657538U (en) | Meal-kitchen garbage collection bin | |
| CN211587831U (en) | Feed cylinder that material loading and cleaning efficiency are high | |
| CN210847575U (en) | Hanging air conditioner cleaning dirt holding box | |
| CN216334358U (en) | Kitchen waste conveying device | |
| CN208377958U (en) | A kind of conveying device of sorting rubbish efficient transportation | |
| CN202138766U (en) | Rotary garbage bin | |
| CN209810791U (en) | Waste collecting device in production of neck ring for water pump | |
| CN109592352A (en) | A kind of belt machine tail part automatic cleaning device | |
| CN109230427A (en) | A kind of rural area organic waste materials transfer device | |
| CN221234439U (en) | A kind of ash transfer tank for smelting workshop | |
| CN202427238U (en) | Drum type bar screen machine | |
| CN207645379U (en) | Garbage automatic unloading collecting device | |
| CN209457343U (en) | Discharge structure of construction waste pipeline | |
| CN217726359U (en) | A clean collection device for aluminium bits pelletization | |
| CN222678660U (en) | Waste concrete separating equipment for constructional engineering | |
| CN208726825U (en) | A kind of small-scale sewage processing sedimentation basin rapid cleaning device | |
| CN218909065U (en) | Waste vacuum collection tank for stone plastic floor production |
Legal Events
| Date | Code | Title | Description |
|---|---|---|---|
| C14 | Grant of patent or utility model | ||
| GR01 | Patent grant | ||
| CP03 | Change of name, title or address |
Address after: 410000 Hunan province Changsha hi tech Development Zone, Lin Yulu No. 288 Patentee after: ZOOMLION ENVIRONMENTAL INDUSTRY Co.,Ltd. Address before: 410013 Changsha province high tech Development Zone, No. 307 South Road, silver basin Patentee before: Changsha Zoomlion Environmental Industry Co.,Ltd. |
|
| CP03 | Change of name, title or address | ||
| CX01 | Expiry of patent term |
Granted publication date: 20121219 |
|
| CX01 | Expiry of patent term |
