CN202519128U - Erythromycin thiocyanate wastewater pretreatment equipment - Google Patents

Erythromycin thiocyanate wastewater pretreatment equipment Download PDF

Info

Publication number
CN202519128U
CN202519128U CN2012200491086U CN201220049108U CN202519128U CN 202519128 U CN202519128 U CN 202519128U CN 2012200491086 U CN2012200491086 U CN 2012200491086U CN 201220049108 U CN201220049108 U CN 201220049108U CN 202519128 U CN202519128 U CN 202519128U
Authority
CN
China
Prior art keywords
reaction tank
enzyme reaction
enzyme
complex
tank
Prior art date
Legal status (The legal status is an assumption and is not a legal conclusion. Google has not performed a legal analysis and makes no representation as to the accuracy of the status listed.)
Expired - Fee Related
Application number
CN2012200491086U
Other languages
Chinese (zh)
Inventor
王余标
赵立功
薛红兵
包国强
Current Assignee (The listed assignees may be inaccurate. Google has not performed a legal analysis and makes no representation or warranty as to the accuracy of the list.)
Shanghai MinSion Environmeatal Protection Co., Ltd.
Original Assignee
SHANGHAI MINSION ENVIRONMEATAL PROTECTION CO Ltd
Priority date (The priority date is an assumption and is not a legal conclusion. Google has not performed a legal analysis and makes no representation as to the accuracy of the date listed.)
Filing date
Publication date
Application filed by SHANGHAI MINSION ENVIRONMEATAL PROTECTION CO Ltd filed Critical SHANGHAI MINSION ENVIRONMEATAL PROTECTION CO Ltd
Priority to CN2012200491086U priority Critical patent/CN202519128U/en
Application granted granted Critical
Publication of CN202519128U publication Critical patent/CN202519128U/en
Anticipated expiration legal-status Critical
Expired - Fee Related legal-status Critical Current

Links

Images

Classifications

    • YGENERAL TAGGING OF NEW TECHNOLOGICAL DEVELOPMENTS; GENERAL TAGGING OF CROSS-SECTIONAL TECHNOLOGIES SPANNING OVER SEVERAL SECTIONS OF THE IPC; TECHNICAL SUBJECTS COVERED BY FORMER USPC CROSS-REFERENCE ART COLLECTIONS [XRACs] AND DIGESTS
    • Y02TECHNOLOGIES OR APPLICATIONS FOR MITIGATION OR ADAPTATION AGAINST CLIMATE CHANGE
    • Y02WCLIMATE CHANGE MITIGATION TECHNOLOGIES RELATED TO WASTEWATER TREATMENT OR WASTE MANAGEMENT
    • Y02W10/00Technologies for wastewater treatment
    • Y02W10/10Biological treatment of water, waste water, or sewage

Landscapes

  • Purification Treatments By Anaerobic Or Anaerobic And Aerobic Bacteria Or Animals (AREA)

Abstract

The utility model belongs to a wastewater treatment device, in particular to erythromycin thiocyanate wastewater pretreatment equipment. The erythromycin thiocyanate wastewater pretreatment equipment comprises a complex reaction tank, a complex sedimentation tank, an enzyme reaction tank and an enzyme sedimentation tank, wherein the complex reaction tank is connected with the complex sedimentation tank, the complex sedimentation tank is connected with the enzyme reaction tank, and the enzyme reaction tank is connected with the enzyme sedimentation tank; a padding fixing support is arranged at the upper part of the enzyme reaction tank, and padding fixed with torulopsis candida and candida tropicalis is filled in the padding fixing support; an aeration pipe with a plurality of aeration heads is arranged at the bottom of the enzyme reaction tank, and a heating coil filled with steam is arranged above the aeration pipe; and a division plate is arranged between the water inlet of the enzyme reaction tank and a water outlet pipe. The erythromycin thiocyanate wastewater pretreatment equipment has the benefits that the treatment problem of erythromycin thiocyanate wastewater is effectively solved; the influence from the quality fluctuation of raw water is small, the equipment can be sustainably and stably operated, and the operation cost is low; and no secondary pollution exists.

Description

A kind of Matachrom Wastewater Pretreatment equipment
Technical field
The utility model belongs to wastewater treatment equipment, relates in particular to a kind of Matachrom Wastewater Pretreatment equipment.
Background technology
Matachrom belongs to macrolide antibiotics, is used for microbiotic such as synthesis of erythromycin, Roxithromycin, Azythromycin, clarithromycin more, and the Matachrom production capacity of China is above 10,000 tons/year at present.Be that main macrolide antibiotics has become the fourth-largest clinical antibiotic product commonly used of China in the past few years with the Azythromycin, and growth do not subtract, this causes that also the demand to Matachrom constantly increases.
In Matachrom separation and purification process, produce the high-concentration hardly-degradable waste water that contains a large amount of pollutents.Contain large amount of organic in the Matachrom waste water, COD CrReach 50000~70000mg/L; Ammonia-nitrogen content surpasses 1000mg/L; Sulfur hydrogen anion content reaches 3000~3500mg/L; And also contain a large amount of organic solvents and residual the tiring of bringing in the separation and purification process in the waste water, be acid.The waste water complicated component, Pollutant levels are high, and Biostatic and bio-toxicity are strong.Waste water not directly adopts Wastewater Treated by Activated Sludge Process, need carry out pre-treatment, and most of organism of degrading is removed Biostatic, removes toxic substance.
Summary of the invention
The utility model is to the deficiency that prior art exists, and a kind of equipment that utilizes the enzyme complex reaction to remove organism and toxic substance in the waste water is provided, and this equipment is to the contaminant removal efficiency height, and working cost is low, non-secondary pollution.
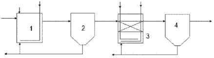
The utility model solves the technical scheme that its technical problem adopted: a kind of Matachrom Wastewater Pretreatment equipment; Comprise complex reaction pond, complex-precipitation pond, enzyme reaction pond, enzyme settling tank; The complex reaction pond connects the complex-precipitation pond; Complex-precipitation pond ligase enzyme reaction tank, the enzyme reaction pond is the ligase enzyme settling tank again; Top, enzyme reaction pond is provided with the filler fixed support; Fill in the filler fixed support and fixed the filler of white torulopsis and candida tropicalis; Bottom, enzyme reaction pond is provided with the aeration tube of a plurality of aeration heads; The aeration tube top is provided with the heating coil of dress steam, is provided with dividing plate between enzyme reaction pond water-in and effluent pipe mouth.
The principle of work of the utility model: 1, the complex reaction pond under acidic conditions through adding complexing agent (ferrous sulfate) with the SCN complexing in the waste water; With suspended substance removal; Aeration agitation is adopted in the complex reaction pond; The reaction tank water outlet gets into the complex-precipitation pond and carries out mud-water separation, and precipitating sludge is back to the complex reaction pond, and excess sludge effluxes.Complex reaction pond COD clearance is 15~20%.
2, the water outlet of complex-precipitation pond gets into the enzyme reaction pond; Middle and upper part, enzyme reaction pond is filled and has been fixed the filler of white torulopsis and candida tropicalis; Enzyme in the yeast is removed most of organism and SCN in the waste water with the SCN oxygenolysis of organism in the waste water and complex pattern.Boring aeration pipe is set at the bottom of the enzyme reaction pond keeps the dissolved oxygen in the waste water, the coil pipe heating system is set keeps wastewater temperature.The water outlet of enzyme reaction pond gets into the enzyme settling tank, carries out mud-water separation at the enzyme settling tank, and precipitating sludge is back to the enzyme reaction pond, and excess sludge effluxes.It is 40~65% that enzyme reaction pond COD removes.The beneficial effect of the utility model is:
Solve the processing difficult problem of Matachrom waste water effectively, received the raw water quality influence of fluctuations little, the Sustainable Stability operation, working cost is low, non-secondary pollution.
Description of drawings
Fig. 1 is the structural representation of the utility model.
Fig. 2 is the utility model enzyme reaction pond two dimensional structure synoptic diagram.
Fig. 3 is the utility model enzyme reaction pond facade structures synoptic diagram.
Among Fig. 11, the complex reaction pond, 2, the complex-precipitation pond, 3, the enzyme reaction pond, 4, the enzyme settling tank.
Among Fig. 2 21, water-in, 22, water outlet, 23, dividing plate.
Among Fig. 3 31, filler, 32, the filler fixed support, 33, aeration tube, 34, steam, 35, aeration head, 36, heating coil.
Embodiment
Shown in accompanying drawing; A kind of Matachrom Wastewater Pretreatment equipment comprises complex reaction pond 1, complex-precipitation pond 2, enzyme reaction pond 3, enzyme settling tank 4, and complex reaction pond 1 connects complex-precipitation pond 2; Complex-precipitation pond 2 ligase enzyme reaction tanks 3, enzyme reaction pond 3 is ligase enzyme settling tank 4 again; 3 tops, enzyme reaction pond are provided with filler fixed support 32; Fill in the filler fixed support 32 and fixed the filler 31 of white torulopsis and candida tropicalis; 3 bottoms, enzyme reaction pond are provided with the aeration tube 33 of a plurality of aeration heads 35; Aeration tube 33 tops are provided with the heating coil 36 of dress steam 34, and enzyme reaction pond 3 water-ins 21 and 22 of water outlets are provided with dividing plate 23.

Claims (1)

1.一种硫氰酸红霉素废水预处理设,包括络合反应池、络合沉淀池、酶反应池、酶沉淀池,其特征在于:络合反应池连接络合沉淀池,络合沉淀池连接酶反应池,酶反应池再连接酶沉淀池;酶反应池上部设有填料固定支架,填料固定支架内填充固定了白色球拟酵母和热带假丝酵母的填料,酶反应池底部设置有多个曝气头的曝气管,曝气管上方设有装蒸汽的加热盘管,酶反应池进水口和出水管口间设有隔板。  1. A kind of erythromycin thiocyanate waste water pretreatment equipment comprises complexation reaction tank, complexation sedimentation tank, enzyme reaction tank, enzyme sedimentation tank, it is characterized in that: complexation reaction tank connects complexation sedimentation tank, complexation The sedimentation tank is connected to the enzyme reaction tank, and the enzyme reaction tank is connected to the enzyme sedimentation tank; the upper part of the enzyme reaction tank is provided with a packing fixing bracket, and the filler fixing bracket is filled with fillers fixed with Torulopsis albicans and Candida tropicalis, and the bottom of the enzyme reaction tank is set There are aeration pipes with multiple aeration heads, a heating coil for containing steam is arranged above the aeration pipes, and a partition is arranged between the water inlet and the outlet pipe of the enzyme reaction tank. the
CN2012200491086U 2012-02-15 2012-02-15 Erythromycin thiocyanate wastewater pretreatment equipment Expired - Fee Related CN202519128U (en)

Priority Applications (1)

Application Number Priority Date Filing Date Title
CN2012200491086U CN202519128U (en) 2012-02-15 2012-02-15 Erythromycin thiocyanate wastewater pretreatment equipment

Applications Claiming Priority (1)

Application Number Priority Date Filing Date Title
CN2012200491086U CN202519128U (en) 2012-02-15 2012-02-15 Erythromycin thiocyanate wastewater pretreatment equipment

Publications (1)

Publication Number Publication Date
CN202519128U true CN202519128U (en) 2012-11-07

Family

ID=47102088

Family Applications (1)

Application Number Title Priority Date Filing Date
CN2012200491086U Expired - Fee Related CN202519128U (en) 2012-02-15 2012-02-15 Erythromycin thiocyanate wastewater pretreatment equipment

Country Status (1)

Country Link
CN (1) CN202519128U (en)

Cited By (2)

* Cited by examiner, † Cited by third party
Publication number Priority date Publication date Assignee Title
CN103011526A (en) * 2012-12-23 2013-04-03 山东新时代药业有限公司 Method for treating erythromycin thiocyanate wastewater
CN103319053A (en) * 2013-07-10 2013-09-25 山东太平洋环保有限公司 Treatment process and device of wastewater produced by erythromycin thiocyanate

Cited By (3)

* Cited by examiner, † Cited by third party
Publication number Priority date Publication date Assignee Title
CN103011526A (en) * 2012-12-23 2013-04-03 山东新时代药业有限公司 Method for treating erythromycin thiocyanate wastewater
CN103011526B (en) * 2012-12-23 2014-12-31 山东新时代药业有限公司 Method for treating erythromycin thiocyanate wastewater
CN103319053A (en) * 2013-07-10 2013-09-25 山东太平洋环保有限公司 Treatment process and device of wastewater produced by erythromycin thiocyanate

Similar Documents

Publication Publication Date Title
CN102863080B (en) Bi-circulating multistage anaerobic reaction device
CN205575887U (en) Small -size integrated domestic sewage treatment equipment
CN104045156A (en) Integrated efficient autotrophic nitrogen removal reactor
CN102754613A (en) Integrated circulating water culture system
CN109516553A (en) Efficient anaerobic denitrification organisms reactor
CN203411382U (en) Multi-phase internal circulating Fenton oxidation tower
CN101898850A (en) A continuous flow aerobic granular sludge membrane bioreactor for the treatment of berberine pharmaceutical wastewater
CN202519128U (en) Erythromycin thiocyanate wastewater pretreatment equipment
CN204874025U (en) A aeration biological fluidized bed device for high ammonia -nitrogen concentration waste water treatment
CN107879578B (en) Granular sludge in-situ flotation calcium removal reactor and method thereof
CN203794724U (en) Outer circulating type pressurized dissolved air flotation-film separation water treatment device
CN201990580U (en) Recycle car washing waste water treating system
CN204897529U (en) STREAMING anaerobic sludge bed reactor in two backward flows
CN202054668U (en) Anaerobic reactor for treating wastewater containing emulsion
CN205803229U (en) A kind of waste emulsified mixture and the processing means of machining waste water
CN203558919U (en) Device for treating mixed waste water by adopting high-concentration activated sludge process
CN102815823A (en) Air-flotation and oxidation machine
CN204281515U (en) A kind for the treatment of unit of factory effluent of paper making additive
CN203075928U (en) Continuous production device of solution
CN208055167U (en) Granule sludge original position flotation calcium-removing reactor
CN209322593U (en) A kind of special equipment of the demineralized water production technology of coal chemical industry
CN112624313A (en) Microalgae internal circulating fluidized bed membrane bioreactor
CN205999238U (en) Realize the sewage-treatment plant of biogas and recovery ammonia simultaneously
CN205676273U (en) The device of industrial wastewater is administered in the oxidation of a kind of fluidised bed adsorption
CN202849178U (en) Air floatation-oxidization integrated machine

Legal Events

Date Code Title Description
C14 Grant of patent or utility model
GR01 Patent grant
ASS Succession or assignment of patent right

Owner name: SHANGHAI CHECOA ENVIRONMENT TECHNOLOGY CO., LTD.

Free format text: FORMER OWNER: SHANGHAI MINSION ENVIRONMENTAL PROTECTION TECHNOLOGY CO., LTD.

Effective date: 20130814

Owner name: SHANGHAI MINSION ENVIRONMENTAL PROTECTION TECHNOLO

Effective date: 20130814

C41 Transfer of patent application or patent right or utility model
COR Change of bibliographic data

Free format text: CORRECT: ADDRESS; FROM: 200131 PUDONG NEW AREA, SHANGHAI TO: 200437 HONGKOU, SHANGHAI

TR01 Transfer of patent right

Effective date of registration: 20130814

Address after: 200437, room 1, block A, 2601 Songhua River Road, Hongkou District, Shanghai,

Patentee after: Shanghai Checoa Environmental Technology Co., Ltd.

Patentee after: Shanghai MinSion Environmeatal Protection Co., Ltd.

Address before: 200131, Shanghai, Pudong New Area, Pudong New Area six stoves, six South Road, No. 11, building 193, room 1437

Patentee before: Shanghai MinSion Environmeatal Protection Co., Ltd.

ASS Succession or assignment of patent right

Free format text: FORMER OWNER: SHANGHAI MINSION ENVIRONMENTAL PROTECTION TECHNOLOGY CO., LTD.

Effective date: 20141229

Owner name: SHANGHAI MINSION ENVIRONMENTAL PROTECTION TECHNOLO

Free format text: FORMER OWNER: SHANGHAI CHECOA ENVIRONMENT TECHNOLOGY CO., LTD.

Effective date: 20141229

C41 Transfer of patent application or patent right or utility model
COR Change of bibliographic data

Free format text: CORRECT: ADDRESS; FROM: 200437 HONGKOU, SHANGHAI TO: 200131 PUDONG NEW AREA, SHANGHAI

TR01 Transfer of patent right

Effective date of registration: 20141229

Address after: 200131, Shanghai, Pudong New Area, six stoves, six South Road, No. 11, building 193, room 1437

Patentee after: Shanghai MinSion Environmeatal Protection Co., Ltd.

Address before: 200437, room 1, block A, 2601 Songhua River Road, Hongkou District, Shanghai,

Patentee before: Shanghai Checoa Environmental Technology Co., Ltd.

Patentee before: Shanghai MinSion Environmeatal Protection Co., Ltd.

CF01 Termination of patent right due to non-payment of annual fee
CF01 Termination of patent right due to non-payment of annual fee

Granted publication date: 20121107

Termination date: 20170215