CN202158869U - Weather observation system for overhead power transmission line - Google Patents

Weather observation system for overhead power transmission line Download PDF

Info

Publication number
CN202158869U
CN202158869U CN201120251806XU CN201120251806U CN202158869U CN 202158869 U CN202158869 U CN 202158869U CN 201120251806X U CN201120251806X U CN 201120251806XU CN 201120251806 U CN201120251806 U CN 201120251806U CN 202158869 U CN202158869 U CN 202158869U
Authority
CN
China
Prior art keywords
module
main control
monitoring system
control module
sensor
Prior art date
Legal status (The legal status is an assumption and is not a legal conclusion. Google has not performed a legal analysis and makes no representation as to the accuracy of the status listed.)
Expired - Fee Related
Application number
CN201120251806XU
Other languages
Chinese (zh)
Inventor
王家田
Current Assignee (The listed assignees may be inaccurate. Google has not performed a legal analysis and makes no representation or warranty as to the accuracy of the list.)
Aerospace Science and Industry Shenzhen Group Co Ltd
Original Assignee
Aerospace Science and Industry Shenzhen Group Co Ltd
Priority date (The priority date is an assumption and is not a legal conclusion. Google has not performed a legal analysis and makes no representation as to the accuracy of the date listed.)
Filing date
Publication date
Application filed by Aerospace Science and Industry Shenzhen Group Co Ltd filed Critical Aerospace Science and Industry Shenzhen Group Co Ltd
Priority to CN201120251806XU priority Critical patent/CN202158869U/en
Application granted granted Critical
Publication of CN202158869U publication Critical patent/CN202158869U/en
Anticipated expiration legal-status Critical
Expired - Fee Related legal-status Critical Current

Links

Images

Classifications

    • YGENERAL TAGGING OF NEW TECHNOLOGICAL DEVELOPMENTS; GENERAL TAGGING OF CROSS-SECTIONAL TECHNOLOGIES SPANNING OVER SEVERAL SECTIONS OF THE IPC; TECHNICAL SUBJECTS COVERED BY FORMER USPC CROSS-REFERENCE ART COLLECTIONS [XRACs] AND DIGESTS
    • Y02TECHNOLOGIES OR APPLICATIONS FOR MITIGATION OR ADAPTATION AGAINST CLIMATE CHANGE
    • Y02ATECHNOLOGIES FOR ADAPTATION TO CLIMATE CHANGE
    • Y02A90/00Technologies having an indirect contribution to adaptation to climate change
    • Y02A90/10Information and communication technologies [ICT] supporting adaptation to climate change, e.g. for weather forecasting or climate simulation

Landscapes

  • Arrangements For Transmission Of Measured Signals (AREA)

Abstract

本实用新型提供一种架空输电线路气象监测系统,所述监测系统包括安装于输电线路杆塔并用于采集温度、湿度、风速、风向、气压、辐射量及雨量的数据采集模块、主控模块、通讯模块及数据处理模块,所述数据采集模块、通讯模块分别与所述主控模块电连接,所述主控模块控制所述通讯模块与所述数据处理模块进行通讯。通过数据采集模块采集输电线路的各种气象信息,然后在主控模块的控制下通过通讯模块将所采集的数据传送给所述数据处理模块进行综合分析,以实现对架空输电线路气象状态的实时监测,并判断是否采取相应措施以避免断线、倒塔等事故的发生。

The utility model provides a meteorological monitoring system for an overhead transmission line. The monitoring system includes a data acquisition module installed on a transmission line tower and used for collecting temperature, humidity, wind speed, wind direction, air pressure, radiation and rainfall, a main control module, a communication module and a data processing module, the data acquisition module and the communication module are respectively electrically connected to the main control module, and the main control module controls the communication module to communicate with the data processing module. Collect various meteorological information of the transmission line through the data acquisition module, and then transmit the collected data to the data processing module through the communication module under the control of the main control module for comprehensive analysis, so as to realize the real-time meteorological status of the overhead transmission line Monitor and judge whether to take corresponding measures to avoid accidents such as disconnection and tower collapse.

Description

架空输电线路气象监测系统Meteorological Monitoring System for Overhead Transmission Lines

技术领域 technical field

本实用新型属于线缆监测领域,尤其涉及一种架空输电线路气象监测系统。 The utility model belongs to the field of cable monitoring, in particular to a meteorological monitoring system for overhead power transmission lines.

背景技术 Background technique

我国气象环境多变,冰灾事故时有发生,冻结在输电线路上的冰雨或冰雪,会在导线上逐渐形成一种横截面近似于椭圆形或蛋形的冰壳。输电线路的覆冰是在特定的自然环境下才能形成,当空气的温、湿度各达到一定的条件才可能形成覆冰,而当温度和湿度满足条件以后,形成覆冰的量取决于风速,当无风或是微风时,只能形成极薄的冰,当风速达到一定速度后,线路上的冰才会越积越厚。严重的覆冰会导致输电线路的损害,甚至是输电的中断,而且有时候受风的影响,架线杆塔出现折损,严重影响电网的安全运行。需要对输电线路的气象情况进行监测以得到输电线路的气象信息,并判断是否采取相应措施以避免断线、倒塔等事故的发生。 my country's meteorological environment is changeable, and ice disasters occur from time to time. The ice rain or ice and snow frozen on the transmission line will gradually form an ice shell with a cross-section approximately oval or egg-shaped on the conductor. The icing of transmission lines can only be formed in a specific natural environment. When the temperature and humidity of the air reach certain conditions, icing can be formed. When the temperature and humidity meet the conditions, the amount of icing depends on the wind speed. When there is no wind or light wind, only extremely thin ice can be formed. When the wind speed reaches a certain speed, the ice on the line will accumulate and thicken. Severe icing can lead to damage to transmission lines, or even interruption of power transmission, and sometimes under the influence of wind, the poles and towers are damaged, which seriously affects the safe operation of the power grid. It is necessary to monitor the meteorological conditions of the transmission line to obtain the meteorological information of the transmission line, and to judge whether to take corresponding measures to avoid accidents such as disconnection and tower collapse.

目前,监测输电线路覆冰的方法主要有人工巡视监测,这些方法存在着劳动强度高、监测不及时、监测结果和实际情况出入大等问题。 At present, the methods of monitoring the icing of transmission lines mainly include manual patrol monitoring. These methods have problems such as high labor intensity, untimely monitoring, and large discrepancies between monitoring results and actual conditions.

实用新型内容 Utility model content

本实用新型旨在解决现有技术中不能对架空输电线路的气象进行准确、及时监测的技术问题,提供一种能够实现对输电线路气象情况进行自动、准确、及时监测的架空输电线路气象监测系统。 The utility model aims to solve the technical problem that the weather of the overhead transmission line cannot be accurately and timely monitored in the prior art, and provides a meteorological monitoring system for the overhead transmission line that can realize automatic, accurate and timely monitoring of the meteorological conditions of the transmission line .

本实用新型提供一种架空输电线路气象监测系统,所述监测系统包括数据采集模块、主控模块、通讯模块及数据处理模块; The utility model provides a meteorological monitoring system for overhead transmission lines. The monitoring system includes a data acquisition module, a main control module, a communication module and a data processing module;

数据采集模块,与主控模块连接,安装于输电线路杆塔并用于采集温度、湿度、风速、风向、气压、辐射量及雨量数据; The data acquisition module is connected with the main control module, installed on the transmission line tower and used to collect temperature, humidity, wind speed, wind direction, air pressure, radiation and rainfall data;

通讯模块,与主控模块连接,用于与数据处理模块进行通讯; The communication module is connected with the main control module and used for communicating with the data processing module;

主控模块,用于控制数据采集模块的工作,并控制将所采集的数据通过通讯模块传送给所述数据处理模块,所述主控模块与数据采集模块电连接; The main control module is used to control the work of the data acquisition module, and control the data collected to be transmitted to the data processing module through the communication module, and the main control module is electrically connected to the data acquisition module;

数据处理模块,与通讯模块进行通讯,用于对所述接收的数据进行处理分析。 The data processing module communicates with the communication module and is used for processing and analyzing the received data.

优选地,所述数据采集模块包括用于采集风向信息的风向传感器,用于采集风速信息的风速传感器,用于采集湿度信息的湿度传感器,用于采集温度信息的温度传感器用于采集气压信息的气压传感器、用于采集辐射信息的辐射传感器及用于采集雨量信息的雨量传感器,所述风向传感器、风速传感器、湿度传感器、温度传感器、气压传感器、辐射传感器及雨量传感器分别与所述主控模块电连接。 Preferably, the data collection module includes a wind direction sensor for collecting wind direction information, a wind speed sensor for collecting wind speed information, a humidity sensor for collecting humidity information, a temperature sensor for collecting temperature information, and a temperature sensor for collecting air pressure information. Air pressure sensor, radiation sensor for collecting radiation information and rain sensor for collecting rainfall information, the wind direction sensor, wind speed sensor, humidity sensor, temperature sensor, air pressure sensor, radiation sensor and rain sensor are respectively connected with the main control module electrical connection.

优选地,所述主控模块采用型号为MEGA128的单片机。 Preferably, the main control module adopts a single-chip microcomputer whose model is MEGA128.

优选地,所述监测系统还包括与主控模块电连接的电源模块,所述电源模块分别给所述主控模块、数据采集模块及通讯模块供电。 Preferably, the monitoring system further includes a power module electrically connected to the main control module, and the power module supplies power to the main control module, the data acquisition module and the communication module respectively.

优选地,所述电源模块包括: Preferably, the power module includes:

控制器,与所述主控模块连接,用于控制电源模块在不同的发电方式之间进行切换; A controller, connected to the main control module, is used to control the power module to switch between different power generation modes;

光伏电池,与所述控制器连接,用于利用太阳的光能发电; Photovoltaic cells, connected with the controller, for generating electricity by utilizing the light energy of the sun;

风力发电机,与所述控制器连接,用于利用风力发电; a wind generator, connected to the controller, for utilizing wind power to generate electricity;

蓄电池,与所述控制器连接,用于储存电能。 The storage battery is connected with the controller and used for storing electric energy.

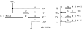
优选地,所述架空输电线路气象监测系统还包括与主控模块电连接的FLASH扩展电路,所述扩展电路的控制芯片采用型号为AT45DB161的芯片。 Preferably, the meteorological monitoring system for overhead transmission lines further includes a FLASH expansion circuit electrically connected to the main control module, and the control chip of the expansion circuit is a chip of model AT45DB161.

优选地,所述架空输电线路气象监测系统还包括与主控模块电连接的复位电路,用于对所述主控模块进行复位操作。 Preferably, the meteorological monitoring system for overhead transmission lines further includes a reset circuit electrically connected to the main control module, for performing a reset operation on the main control module.

优选地,所述架空输电线路气象监测系统还包括与主控模块电连接的实时时钟电路,所述实时时钟电路的控制芯片采用型号为RX-8025T的芯片。 Preferably, the meteorological monitoring system for overhead transmission lines further includes a real-time clock circuit electrically connected to the main control module, and the control chip of the real-time clock circuit is a chip of model RX-8025T.

优选地,所述通讯模块才用GPRS模块与数据处理模块进行通讯。 Preferably, the communication module uses the GPRS module to communicate with the data processing module.

以上所述技术方案,通过数据采集模块采集输电线路的各种气象信息,然后在主控模块的控制下通过通讯模块将所采集的数据传送给所述数据处理模块进行综合分析,以实现对架空输电线路气象状态的实时监测,并判断是否采取相应措施以避免断线、倒塔等事故的发生。实现了气象监测的自动化,同时与以往的人工巡视监测相比较,有效提高了气象监测的准确性和计时性,同时也有效降低了人工劳动成本。 The above-mentioned technical solution collects various meteorological information of the transmission line through the data acquisition module, and then transmits the collected data to the data processing module through the communication module under the control of the main control module for comprehensive analysis, so as to realize the analysis of overhead Real-time monitoring of the meteorological status of the transmission line, and judging whether to take corresponding measures to avoid accidents such as disconnection and tower collapse. The automation of meteorological monitoring is realized, and compared with the previous manual patrol monitoring, the accuracy and timing of meteorological monitoring are effectively improved, and the labor cost is also effectively reduced.

附图说明 Description of drawings

图1是本实用新型一种实施例的架空输电线路气象监测系统结构框图。 Fig. 1 is a structural block diagram of an overhead transmission line meteorological monitoring system according to an embodiment of the present invention.

图2是本实用新型一种实施例的架空输电线路气象监测系统结构示意图。 Fig. 2 is a structural schematic diagram of an overhead transmission line meteorological monitoring system according to an embodiment of the present invention.

图3是本实用新型一种实施例提供的主控模块的结构图。 Fig. 3 is a structural diagram of a main control module provided by an embodiment of the present invention.

图4是本实用新型一种实施例提供的FLASH扩展电路的电路图。 Fig. 4 is a circuit diagram of a FLASH expansion circuit provided by an embodiment of the present invention.

图5是本实用新型一种实施例提供的硬件看门狗电路的电路图。 Fig. 5 is a circuit diagram of a hardware watchdog circuit provided by an embodiment of the present invention.

图6是本实用新型一种实施例提供的复位电路的电路图。 Fig. 6 is a circuit diagram of a reset circuit provided by an embodiment of the present invention.

图7是本实用新型一种实施例提供的实时时钟电路的电路图。 Fig. 7 is a circuit diagram of a real-time clock circuit provided by an embodiment of the present invention.

图8是本实用新型一种实施例提供的GPRS模块的电源控制单元的电路图。 Fig. 8 is a circuit diagram of the power control unit of the GPRS module provided by an embodiment of the present invention.

图9是本实用新型一种实施例提供的电源模块的结构图。 Fig. 9 is a structural diagram of a power module provided by an embodiment of the present invention.

具体实施方式 Detailed ways

为了使本实用新型所解决的技术问题、技术方案及有益效果更加清楚明白,以下结合附图及实施例,对本实用新型进行进一步详细说明。应当理解,此处所描述的具体实施例仅仅用以解释本实用新型,并不用于限定本实用新型。 In order to make the technical problems, technical solutions and beneficial effects solved by the utility model clearer, the utility model will be further described in detail below in conjunction with the accompanying drawings and embodiments. It should be understood that the specific embodiments described here are only used to explain the utility model, and are not intended to limit the utility model.

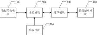
如图1所示,本实用新型还提供一种架空输电线路气象监测系统,所述系统包括数据采集模块100、主控模块200、通讯模块300、数据处理模块400及电源模块500,所述数据采集模块100与所述通讯模块300分别与所述主控模块200电连接,所述主控模块200控制所述通讯模块300与所述数据处理模块400进行通讯,所述电源模块500与所述主控模块200电连接,分别给所述主控模块200、数据采集模块100及通讯模块300供电。 As shown in Figure 1, the utility model also provides a meteorological monitoring system for overhead power transmission lines. The acquisition module 100 and the communication module 300 are respectively electrically connected to the main control module 200, the main control module 200 controls the communication module 300 to communicate with the data processing module 400, the power supply module 500 is connected to the The main control module 200 is electrically connected to supply power to the main control module 200 , the data acquisition module 100 and the communication module 300 respectively.

数据采集模块100采集架空输电线路的气象信息,将所采集到的气象信息传送给所述主控模块200,主控模块200进行处理分析后通过通讯模块300传送给所述数据处理模块400进行模型建立和数据处理分析,一旦出项故障则进行报警提示。优选地,所述数据处理模块400内部具有专家分析系统,专家分析系统可以对数据采集模块100可以发送实时监控请求,也可以设定数据采集模块100定时自动发送到数据处理模块400,采样时间间隔可由用户根据实际情况和实际需要设定。 The data collection module 100 collects the meteorological information of the overhead power transmission line, and transmits the collected meteorological information to the main control module 200. After the main control module 200 performs processing and analysis, it transmits it to the data processing module 400 through the communication module 300 for modeling. Establishment and data processing and analysis, once the item fails, it will give an alarm prompt. Preferably, the data processing module 400 has an expert analysis system inside, and the expert analysis system can send a real-time monitoring request to the data acquisition module 100, or it can be set that the data acquisition module 100 is automatically sent to the data processing module 400 at regular intervals, and the sampling time interval It can be set by the user according to the actual situation and actual needs.

优选地,数据处理模块400的专家分析系统通过对数据进行处理分析,对超过警界值的数据进行报警提示,报警信息可以在专家系统提示,并且根据紧级的级别设定报警的频率,也可通过短信发送到相关人员手机上(可设置成不同人员的多部手机)。 Preferably, the expert analysis system of the data processing module 400 processes and analyzes the data, and gives an alarm prompt to the data exceeding the alarm limit value. It can be sent to the relevant personnel's mobile phone by text message (can be set as multiple mobile phones of different personnel).

优选地,所述数据处理模块的专家分析系统可以绘出不同时期架空输电线路导线监控基站的环境温度、湿度、风速、风向、气压、、总辐射、雨量状况的曲线图,可以查询不同时期的平均数据等。 Preferably, the expert analysis system of the data processing module can draw graphs of ambient temperature, humidity, wind speed, wind direction, air pressure, total radiation, and rainfall conditions of the overhead transmission line wire monitoring base station in different periods, and can inquire about different periods average data etc.

优选地,结合图2所示,所述采集模块100包括用于采集风向信息的风向传感器106,用于采集风速信息的风速传感器105,用于采集辐射信息的辐射传感器102、用于采集气压信息的气压传感器101、用于采集温度信息的温度传感器103、用于采集湿度信息的湿度传感器104及用于采集雨量信息的雨量传感器107,所述风向传感器106、风速传感器105、辐射传感器102、气压传感器101、温度传感器103、湿度传感器104及雨量传感器107分别与所述主控模块200电连接。 Preferably, as shown in FIG. 2 , the collection module 100 includes a wind direction sensor 106 for collecting wind direction information, a wind speed sensor 105 for collecting wind speed information, a radiation sensor 102 for collecting radiation information, and a wind sensor 102 for collecting air pressure information. Air pressure sensor 101, temperature sensor 103 for collecting temperature information, humidity sensor 104 for collecting humidity information and rain sensor 107 for collecting rainfall information, the wind direction sensor 106, wind speed sensor 105, radiation sensor 102, air pressure The sensor 101 , the temperature sensor 103 , the humidity sensor 104 and the rain sensor 107 are respectively electrically connected to the main control module 200 .

所述通讯模块300与所述数据处理模块400之间可进行有线或者无线通讯,优选地,所述通讯模块300与所述数据处理模块400之间通过GPRS/CDMA等公众无线网络进行通讯,所述主控模块200控制各种传感器采集完信息后,又控制通讯模块300将所采集的数据或者图像信息传送到数据处理模块400。优选地,所述通讯模块300为DTU,该DTU包括一个GPRS模块,通过GPRS模块实现与数据处理模块400的数据通讯,该DTU具有以下功能:精选工业级器件,满足各种恶劣环境的需求;支持动态IP地址数据中心DNS域名寻址;支持固定IP地址数据中心;收发数据无需计算机支持;点对点、中心对多点等数据传输,传输时延一般小于一秒;模块化设计,CPU和无线核心模块分离的设计方式,超强的扩展性;内嵌PPP、TCP/IP、UDP/IP协议;宏电特有的DDP协议,保证数据链路畅通;AT+协议;满足客户个性化需求;永远在线及多种触发上线模式;按数据流量计费;数据和短信通信互为备份、自由切换;支持多方通信;TCP/IP Server/Client、UDP/IP、DDP、SMS、AT多种通信方式;可定义数据通信方式;数据中心服务器远程参数配置;AT+参数配置;提供完整的数据中心服务程序,可实现数据透明转发;提供函数开发包,便于二次开发;提供完整的中英文DEMO源码(VB、VC、C#、Delphi、VB.net)。 Wired or wireless communication can be performed between the communication module 300 and the data processing module 400. Preferably, the communication module 300 and the data processing module 400 communicate through public wireless networks such as GPRS/CDMA, so After the main control module 200 controls various sensors to collect information, it controls the communication module 300 to transmit the collected data or image information to the data processing module 400 . Preferably, the communication module 300 is a DTU, and the DTU includes a GPRS module, through which the data communication with the data processing module 400 is realized, and the DTU has the following functions: select industrial-grade devices to meet the needs of various harsh environments ;Support dynamic IP address data center DNS domain name addressing; support fixed IP address data center; send and receive data without computer support; point-to-point, center-to-multipoint data transmission, transmission delay is generally less than one second; modular design, CPU and wireless The design method of core module separation, super expansibility; embedded PPP, TCP/IP, UDP/IP protocols; Hongdian's unique DDP protocol to ensure smooth data link; AT+ protocol; to meet the individual needs of customers; always online And a variety of trigger online modes; billing according to data traffic; data and SMS communication are mutually backed up and freely switched; support multi-party communication; TCP/IP Server/Client, UDP/IP, DDP, SMS, AT multiple communication methods; Define the data communication method; remote parameter configuration of the data center server; AT+ parameter configuration; provide a complete data center service program, which can realize data transparent forwarding; provide a function development kit for secondary development; provide complete Chinese and English DEMO source code (VB, VC, C#, Delphi, VB.net).

如图12所示,本实用新型所述的电源模块500包括光伏电池502,控制器501,风力发电机503及蓄电池504,其中,控制器501,与主控模块200连接,用于在不同的发电方式之间进行切换。 As shown in Figure 12, the power module 500 of the present invention includes a photovoltaic cell 502, a controller 501, a wind generator 503 and a storage battery 504, wherein the controller 501 is connected to the main control module 200 for different Switch between power generation modes.

光伏电池502,与控制器501连接,用于利用太阳的光能发电;风力发电机503,与控制器501连接,用于利用风力发电;蓄电池504,与控制器501连接,用于储存电能。 The photovoltaic cell 502 is connected to the controller 501 for generating electricity from the sun; the wind generator 503 is connected to the controller 501 for generating electricity from the wind; the storage battery 504 is connected to the controller 501 for storing electric energy.

由于受时间和地域的约束,很难全天候都只依靠太阳能或者风能进行发电。而太阳能和风能在时间上和地域上都具有很强的互补性:白天光照强时风较小;夜间光照弱时,风能由于地表温差变化而增强。因此本实用新型实施例根据具体情况在太阳能发电和风能发电之间进行切换,以保证系统电源的可靠性和稳定性。 Due to time and geographical constraints, it is difficult to rely solely on solar or wind energy for power generation around the clock. However, solar energy and wind energy are highly complementary in terms of time and area: during the day when the light is strong, the wind is weak; when the light is weak at night, the wind energy is enhanced due to the change in surface temperature. Therefore, the embodiment of the utility model switches between solar power generation and wind power generation according to specific conditions, so as to ensure the reliability and stability of the system power supply.

结合图2和图3所示,在本实用新型的实施例中,所述主控模块优选采用型号为MEGA128的单片机。其中,GPIO为通用I/O口,IIC为IIC总线,ADC为数模转换装置,USART为通用同步/异步串行接收/发射器,JTAG为JTAG接口,SDRAM为同步动态随机存储器,SPI为SPI总线,FLASH为闪存,EBI为EBI总线,还具有调试接口206。 As shown in FIG. 2 and FIG. 3 , in the embodiment of the present utility model, the main control module preferably adopts a single-chip microcomputer whose model is MEGA128. Among them, GPIO is a general-purpose I/O port, IIC is an IIC bus, ADC is a digital-to-analog conversion device, USART is a universal synchronous/asynchronous serial receiver/transmitter, JTAG is a JTAG interface, SDRAM is a synchronous dynamic random access memory, and SPI is an SPI bus, FLASH is a flash memory, EBI is an EBI bus, and also has a debugging interface 206.

图4示出了本实用新型实施例提供的FLASH扩展电路,为了便于说明只示出了与本实用新型实施例相关的部分。作为本实用新型实施例的一个示例,可以用型号为AT45DB161的芯片实现。 FIG. 4 shows the FLASH expansion circuit provided by the embodiment of the present invention, and only shows the parts related to the embodiment of the present invention for convenience of description. As an example of the embodiment of the present invention, it can be implemented with a chip whose model is AT45DB161.

图5示出了本实用新型实施例提供的硬件看门狗电路,为了便于说明只示出了与本实用新型实施例相关的部分。作为本实用新型实施例的一个示例,可以用型号为2P706REN的芯片实现。 Fig. 5 shows the hardware watchdog circuit provided by the embodiment of the present invention, and only shows the parts related to the embodiment of the present invention for convenience of description. As an example of the embodiment of the utility model, it can be realized by a chip whose model is 2P706REN.

图8示出了本实用新型实施例提供的GPRS模块的电源控制单元的电路,为了便于说明只示出了与本实用新型实施例相关的部分。该电路可用于实现电源管理和低功耗设计要求。 Fig. 8 shows the circuit of the power control unit of the GPRS module provided by the embodiment of the present invention, and only shows the parts related to the embodiment of the present invention for convenience of description. This circuit can be used to implement power management and low power consumption design requirements.

作为一种优选方案,该系统还包括与主控模块电连接的复位电路201和实时时钟电路202,图6示出了本实用新型实施例提供的复位电路,为了便于说明只示出了与本实用新型实施例相关的部分;图7示出了本实用新型实施例提供的实时时钟电路,为了便于说明只示出了与本实用新型实施例相关的部分,作为本实用新型实施例的一个示例,可以用型号为RX-8025T的芯片实现。 As a preferred solution, the system also includes a reset circuit 201 and a real-time clock circuit 202 electrically connected to the main control module. Figure 6 shows the reset circuit provided by the embodiment of the present invention. The part related to the embodiment of the utility model; Fig. 7 shows the real-time clock circuit provided by the embodiment of the utility model, and only shows the part related to the embodiment of the utility model for the convenience of explanation, as an example of the embodiment of the utility model , can be implemented with a chip model RX-8025T.

通过以上技术方案,可实现对架空输电线路的气象状态信息的监测,该系统通过实时监测架空输电线路现场的风速、风向、气温、湿度、雨量、气压及光辐射等参数,准确掌握现场的微气象条件和环境状况,为输电线路故障判断、保护线路安全、提高线路输送容量提供科学数据分析依据。 Through the above technical solutions, the monitoring of meteorological status information of overhead transmission lines can be realized. The system can accurately grasp the micro Meteorological conditions and environmental conditions provide scientific data analysis basis for fault judgment of transmission lines, protection of line safety, and improvement of line transmission capacity.

以上所述仅为本实用新型的较佳实施例而已,并不用以限制本实用新型,凡在本实用新型的精神和原则之内所作的任何修改、等同替换和改进等,均应包含在本实用新型的保护范围之内。 The above descriptions are only preferred embodiments of the present utility model, and are not intended to limit the present utility model. Any modifications, equivalent replacements and improvements made within the spirit and principles of the present utility model shall be included in this utility model. within the scope of protection of utility models.

Claims (9)

1.架空输电线路气象监测系统,其特征在于,所述监测系统包括数据采集模块、主控模块、通讯模块及数据处理模块; 1. The meteorological monitoring system for overhead transmission lines, characterized in that the monitoring system includes a data acquisition module, a main control module, a communication module and a data processing module; 数据采集模块,与主控模块连接,安装于输电线路杆塔并用于采集温度、湿度、风速、风向、气压、辐射量及雨量数据; The data acquisition module is connected with the main control module, installed on the transmission line tower and used to collect temperature, humidity, wind speed, wind direction, air pressure, radiation and rainfall data; 通讯模块,与主控模块连接,用于与数据处理模块进行通讯; The communication module is connected with the main control module and used for communicating with the data processing module; 主控模块,用于控制数据采集模块的工作,并控制将所采集的数据通过通讯模块传送给所述数据处理模块,所述主控模块与数据采集模块电连接; The main control module is used to control the work of the data acquisition module, and control the data collected to be transmitted to the data processing module through the communication module, and the main control module is electrically connected to the data acquisition module; 数据处理模块,与通讯模块进行通讯,用于对所述接收的数据进行处理分析。 The data processing module communicates with the communication module and is used for processing and analyzing the received data. 2.根据权利要求1所述的架空输电线路气象监测系统,其特征在于,所述数据采集模块包括用于采集风向信息的风向传感器,用于采集风速信息的风速传感器,用于采集湿度信息的湿度传感器,用于采集温度信息的温度传感器用于采集气压信息的气压传感器、用于采集辐射信息的辐射传感器及用于采集雨量信息的雨量传感器,所述风向传感器、风速传感器、湿度传感器、温度传感器、气压传感器、辐射传感器及雨量传感器分别与所述主控模块电连接。 2. The meteorological monitoring system for overhead transmission lines according to claim 1, wherein the data collection module includes a wind direction sensor for collecting wind direction information, a wind speed sensor for collecting wind speed information, and a wind sensor for collecting humidity information. Humidity sensor, a temperature sensor for collecting temperature information, an air pressure sensor for collecting air pressure information, a radiation sensor for collecting radiation information, and a rain sensor for collecting rainfall information, the wind direction sensor, wind speed sensor, humidity sensor, temperature The sensor, air pressure sensor, radiation sensor and rain sensor are respectively electrically connected to the main control module. 3.根据权利要求1所述的架空输电线路气象监测系统,其特征在于,所述主控模块采用型号为MEGA128的单片机。 3. The meteorological monitoring system for overhead power transmission lines according to claim 1, wherein the main control module adopts a single-chip microcomputer whose model is MEGA128. 4.根据权利要求1所述的架空输电线路气象监测系统,其特征在于,所述监测系统还包括与主控模块电连接的电源模块,所述电源模块分别给所述主控模块、数据采集模块及通讯模块供电。 4. overhead power transmission line meteorological monitoring system according to claim 1, is characterized in that, described monitoring system also comprises the power supply module that is electrically connected with main control module, and described power supply module provides respectively to described main control module, data acquisition module and communication module power supply. 5.根据权利要求4所述的架空输电线路气象监测系统,其特征在于,所述电源模块包括: 5. The meteorological monitoring system for overhead power transmission lines according to claim 4, wherein the power module comprises: 控制器,与所述主控模块连接,用于控制电源模块在不同的发电方式之间进行切换; A controller, connected to the main control module, is used to control the power module to switch between different power generation modes; 光伏电池,与所述控制器连接,用于利用太阳的光能发电; Photovoltaic cells, connected with the controller, for generating electricity by utilizing the light energy of the sun; 风力发电机,与所述控制器连接,用于利用风力发电; a wind generator, connected to the controller, for utilizing wind power to generate electricity; 蓄电池,与所述控制器连接,用于储存电能。 The storage battery is connected with the controller and used for storing electric energy. 6.根据权利要求1所述的架空输电线路气象监测系统,其特征在于,所述架空输电线路气象监测系统还包括与主控模块电连接的FLASH扩展电路,所述扩展电路的控制芯片采用型号为AT45DB161的芯片。 6. The overhead power transmission line weather monitoring system according to claim 1, characterized in that, the overhead power transmission line weather monitoring system also includes a FLASH extension circuit electrically connected to the main control module, and the control chip of the extension circuit adopts a model It is the chip of AT45DB161. 7.根据权利要求1所述的架空输电线路气象监测系统,其特征在于,所述架空输电线路气象监测系统还包括与主控模块电连接的复位电路,用于对所述主控模块进行复位操作。 7. The meteorological monitoring system for overhead power transmission lines according to claim 1, wherein the meteorological monitoring system for overhead power transmission lines further comprises a reset circuit electrically connected to the main control module for resetting the main control module operate. 8.根据权利要求1所述的架空输电线路气象监测系统,其特征在于,所述架空输电线路气象监测系统还包括与主控模块电连接的实时时钟电路,所述实时时钟电路的控制芯片采用型号为RX-8025T的芯片。 8. The overhead power transmission line meteorological monitoring system according to claim 1, characterized in that, the overhead power transmission line meteorological monitoring system also includes a real-time clock circuit electrically connected to the main control module, and the control chip of the real-time clock circuit adopts A chip with the model number RX-8025T. 9.根据权利要求1所述的架空输电线路气象监测系统,其特征在于,所述通讯模块采用GPRS模块与数据处理模块进行通讯。 9. The meteorological monitoring system for overhead transmission lines according to claim 1, wherein the communication module communicates with the data processing module using a GPRS module.
CN201120251806XU 2011-07-18 2011-07-18 Weather observation system for overhead power transmission line Expired - Fee Related CN202158869U (en)

Priority Applications (1)

Application Number Priority Date Filing Date Title
CN201120251806XU CN202158869U (en) 2011-07-18 2011-07-18 Weather observation system for overhead power transmission line

Applications Claiming Priority (1)

Application Number Priority Date Filing Date Title
CN201120251806XU CN202158869U (en) 2011-07-18 2011-07-18 Weather observation system for overhead power transmission line

Publications (1)

Publication Number Publication Date
CN202158869U true CN202158869U (en) 2012-03-07

Family

ID=45766503

Family Applications (1)

Application Number Title Priority Date Filing Date
CN201120251806XU Expired - Fee Related CN202158869U (en) 2011-07-18 2011-07-18 Weather observation system for overhead power transmission line

Country Status (1)

Country Link
CN (1) CN202158869U (en)

Cited By (8)

* Cited by examiner, † Cited by third party
Publication number Priority date Publication date Assignee Title
CN103197358A (en) * 2013-04-23 2013-07-10 安徽中瑞电气技术有限公司 Meteorological monitoring system
CN106168686A (en) * 2016-08-26 2016-11-30 广西科技大学 Small-sized photovoltaic power station Design of meteorological data collection
CN107911805A (en) * 2017-06-26 2018-04-13 深圳市三方海洋探测技术研究所 A kind of information transmission system
CN108710160A (en) * 2018-08-17 2018-10-26 广东电网有限责任公司江门供电局 Distribution line microclimate monitoring device based on MEMS sensor in electric system
CN111486897A (en) * 2020-05-07 2020-08-04 南京电博机器人技术有限公司 Overhead transmission line wire temperature on-line monitoring system
CN113611081A (en) * 2021-07-06 2021-11-05 四川艾德瑞电气有限公司 Icing early warning method for electrified railway contact network
CN113624272A (en) * 2021-07-06 2021-11-09 四川艾德瑞电气有限公司 Icing early warning, anti-icing and ice melting method for contact network of alternating current electrified railway
CN114740307A (en) * 2022-04-20 2022-07-12 四川艾德瑞电气有限公司 Flexible contact net state monitoring system

Cited By (9)

* Cited by examiner, † Cited by third party
Publication number Priority date Publication date Assignee Title
CN103197358A (en) * 2013-04-23 2013-07-10 安徽中瑞电气技术有限公司 Meteorological monitoring system
CN103197358B (en) * 2013-04-23 2015-04-08 安徽中瑞电气技术有限公司 Meteorological monitoring system
CN106168686A (en) * 2016-08-26 2016-11-30 广西科技大学 Small-sized photovoltaic power station Design of meteorological data collection
CN107911805A (en) * 2017-06-26 2018-04-13 深圳市三方海洋探测技术研究所 A kind of information transmission system
CN108710160A (en) * 2018-08-17 2018-10-26 广东电网有限责任公司江门供电局 Distribution line microclimate monitoring device based on MEMS sensor in electric system
CN111486897A (en) * 2020-05-07 2020-08-04 南京电博机器人技术有限公司 Overhead transmission line wire temperature on-line monitoring system
CN113611081A (en) * 2021-07-06 2021-11-05 四川艾德瑞电气有限公司 Icing early warning method for electrified railway contact network
CN113624272A (en) * 2021-07-06 2021-11-09 四川艾德瑞电气有限公司 Icing early warning, anti-icing and ice melting method for contact network of alternating current electrified railway
CN114740307A (en) * 2022-04-20 2022-07-12 四川艾德瑞电气有限公司 Flexible contact net state monitoring system

Similar Documents

Publication Publication Date Title
CN202158869U (en) Weather observation system for overhead power transmission line
CN101571413B (en) On-line monitoring system for galloping of transmission lines based on acceleration sensor
CN202158870U (en) Icing state monitoring system of overhead transmission line
CN102353400A (en) Method and system for monitoring icing condition of overhead power transmission line
CN203532160U (en) Wind power generation remote monitoring system based on internet of things
CN204423627U (en) Photo-voltaic power generation station cell panel power line carrier monitoring system
CN203534587U (en) Real-time monitoring system for tilting of power transmission line pole tower based on Beidou satellite communication
CN202033053U (en) Multi-information integration-based integrated transmission line state monitoring device
CN103986416B (en) A kind of portable light photovoltaic assembly monitoring side
CN204536806U (en) The online remote supervision system of environmental quality based on technology of Internet of things
CN102780271A (en) 3G smart monitoring terminal for connection of photovoltaic micro-network power generation system to power grid
CN201887976U (en) Remote monitoring system for wind-light supplementary street lamp
CN102288145A (en) Icing thickness monitoring system of overhead power transmission line and method
CN106877504A (en) UHV transmission line remote online monitoring device and method
CN203672336U (en) Power transmission pole tower inclination angle monitoring system based on ZigBee network
CN202231875U (en) Power transmission line monitoring base station and system
CN203812387U (en) Zigbee based wind speed and wind direction monitoring system for electric transmission lines
CN207039908U (en) A kind of system that remote monitoring is carried out to micro- communication base station and supporting wind-driven generator
CN203811699U (en) Solar panel wire connector temperature monitoring system based on Zigbee
CN204142978U (en) A kind of power transmission line shaft tower weather monitoring system based on Beidou satellite system
CN203433076U (en) Line fault warning indicator system
CN205081757U (en) Photovoltaic power station remote monitoring system
CN202093665U (en) Breeze vibration monitoring base station of power transmission line
CN201947455U (en) Wireless sensor network system for monitoring data of grid in real time
CN204925317U (en) A distribution network automation terminal for quick fault localization

Legal Events

Date Code Title Description
C14 Grant of patent or utility model
GR01 Patent grant
CF01 Termination of patent right due to non-payment of annual fee
CF01 Termination of patent right due to non-payment of annual fee

Granted publication date: 20120307

Termination date: 20200718