CN201821242U - 超能电动机 - Google Patents
超能电动机 Download PDFInfo
- Publication number
- CN201821242U CN201821242U CN2010205782093U CN201020578209U CN201821242U CN 201821242 U CN201821242 U CN 201821242U CN 2010205782093 U CN2010205782093 U CN 2010205782093U CN 201020578209 U CN201020578209 U CN 201020578209U CN 201821242 U CN201821242 U CN 201821242U
- Authority
- CN
- China
- Prior art keywords
- rotor
- stator
- permanent magnet
- rotating shaft
- coil
- Prior art date
- Legal status (The legal status is an assumption and is not a legal conclusion. Google has not performed a legal analysis and makes no representation as to the accuracy of the status listed.)
- Expired - Fee Related
Links
- XEEYBQQBJWHFJM-UHFFFAOYSA-N Iron Chemical group [Fe] XEEYBQQBJWHFJM-UHFFFAOYSA-N 0.000 claims abstract description 14
- 230000000694 effects Effects 0.000 abstract description 2
- 238000010586 diagram Methods 0.000 description 3
- 230000007812 deficiency Effects 0.000 description 1
- 230000003993 interaction Effects 0.000 description 1
- 229910052742 iron Inorganic materials 0.000 description 1
- 239000000696 magnetic material Substances 0.000 description 1
- 230000005389 magnetism Effects 0.000 description 1
- 238000000034 method Methods 0.000 description 1
- 238000002360 preparation method Methods 0.000 description 1
Images
Landscapes
- Dc Machiner (AREA)
Abstract
本实用新型公开一种超能电动机,包括机壳和换向器,机壳内包括成套设置的转子和定子,转子设置在转轴上,转轴两端设在机壳上,所述转子包括转子永磁铁芯和缠绕在转子永磁铁芯外的转子线圈,所述定子包括定子永磁铁芯和缠绕在定子永磁铁芯外的定子线圈。与现有技术相比,本实用新型的定子线圈和转子线圈所产生的磁场不相互影响,具有显著的节能效果。另外,本实用新型的结构较为简单。
Description
技术领域
本实用新型涉及一种电动机。
背景技术
换向器、转子和定子是电动机的核心零件,现有技术中,电动机的转子铁芯和定子铁芯都是软铁构成的,转子铁芯外缠绕有转子线圈,定子铁芯外缠绕有定子线圈。当定子线圈和转子线圈通电的时候,定子铁芯和转子铁芯都产生磁场,根据磁体同极相斥、异极相吸的原理,转子带动转轴转动,从而对外做功。对外做功的同时,定子线圈和转子线圈受磁场的影响,产生反电动势,阻碍电流的通过,造成能量的大量损耗。
实用新型内容
本实用新型的目的是针对上述现有技术的不足,提供一种超能电动机,能节约能源,提高工作效率。
本实用新型的技术方案是以下述方式实现的: 一种超能电动机,包括机壳和换向器,机壳内包括成套设置的转子和定子,转子设置在转轴上,转轴两端设在机壳上,所述转子包括转子永磁铁芯和缠绕在转子永磁铁芯外的转子线圈,所述定子包括定子永磁铁芯和缠绕在定子永磁铁芯外的定子线圈。
所述每组成套设置的转子和定子包括一个转子和两个定子,两个定子分别设置在转子两侧。
所述转轴上设有一个或者两个或者四个转子。
所述转轴上设有至少两个转子,相邻转子相互垂直。
本实用新型中,转子铁芯和定子铁芯都是永磁铁芯,不通电时,不会影响对方铁芯的磁性,当通电时,整个转子对外显示无磁性,定子对外也显示无磁性。也就是说,在通电过程中,转子线圈和定子线圈不受磁场的影响,即本实用新型运转过程中不产生反电动势。与现有技术相比,本实用新型的定子线圈和转子线圈所产生的磁场不相互影响,具有显著的节能效果。另外,本实用新型的结构较为简单。
附图说明
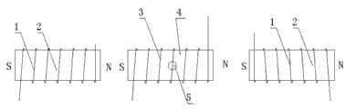
图1是本实用新型实施例1中工作状态1的示意图。
图2是本实用新型实施例1中工作状态2的示意图。
图3是本实用新型实施例1中工作状态3的示意图。
图4是图1的俯视示意图。
图5是本实用新型实施例2的工作状态示意图。
具体实施方式
实施例1
如图所示,本实用新型包括机壳和换向器,机壳内包括成套设置的转子和定子,转子设置在转轴5上,转轴5两端设在机壳上,所述转子包括转子永磁铁芯4和缠绕在转子永磁铁芯4外的转子线圈3,所述定子包括定子永磁铁芯2和缠绕在定子永磁铁芯2外的定子线圈1。
所述每组成套设置的转子和定子包括一个转子和两个定子,两个定子分别设置在转子两侧。
本实用新型工作原理如下:初始状态,转子处于竖直位置,如图1所示。转子铁芯和定子铁芯都是永磁材料制备的,由于磁体同极相斥、异极相吸,最开始的时候,转子线圈3和定子线圈1都不通电,此时,受到定子永磁铁芯2的吸引力,转子向图2所示的水平位置转动,当转子铁芯和定子铁芯异极相对相互吸引的时候,定子线圈1和转子线圈3同时通电,定子线圈1产生的磁场与定子永磁铁芯2的磁场方向相反,大小基本相等,使得整个定子对外显示无磁性;同理,转子线圈3产生的磁场和转子永磁铁芯4的磁场方向相反、磁场大小基本相等,转子对外整体不显示磁性,即转子和定子之间无相互作用力。此时,在惯性的作用下,转子继续转动,等转子线圈再次处于如图3所示水平位置之后断电,此时转子和定子对外再次显示磁性,且转子永磁铁芯2和定子永磁铁芯2处于同极排斥状态,则转子继续逆时针旋转,直到达到图1所示状态,完成一个周期。本实用新型在使用时,线圈不通电时刻,电流为零;通电时刻,电流大小不变。
实施例2
如图5所示,所述转轴5上设有两个转子,两个转子在不同平面上,每个转子两侧均设有定子,其他结构同实施例1。本实用新型可以在转轴5上设置四个、六个或者多个转子,可以增加转轴5的输出扭矩。
Claims (4)
1.一种超能电动机,包括机壳和换向器,机壳内包括成套设置的转子和定子,转子设置在转轴上,转轴两端设在机壳上,其特征在于:所述转子包括转子永磁铁芯和缠绕在转子永磁铁芯外的转子线圈,所述定子包括定子永磁铁芯和缠绕在定子永磁铁芯外的定子线圈。
2.根据权利要求1所述的超能电动机,其特征在于:所述每组成套设置的转子和定子包括一个转子和两个定子,两个定子分别设置在转子两侧。
3.根据权利要求1或2述的超能电动机,其特征在于:所述转轴上设有一个或者两个或者四个转子。
4.根据权利要求3所属的超能电动机,其特征在于:所属转轴上设有至少两个转子,相邻转子相互垂直。
Priority Applications (1)
| Application Number | Priority Date | Filing Date | Title |
|---|---|---|---|
| CN2010205782093U CN201821242U (zh) | 2010-10-27 | 2010-10-27 | 超能电动机 |
Applications Claiming Priority (1)
| Application Number | Priority Date | Filing Date | Title |
|---|---|---|---|
| CN2010205782093U CN201821242U (zh) | 2010-10-27 | 2010-10-27 | 超能电动机 |
Publications (1)
| Publication Number | Publication Date |
|---|---|
| CN201821242U true CN201821242U (zh) | 2011-05-04 |
Family
ID=43919184
Family Applications (1)
| Application Number | Title | Priority Date | Filing Date |
|---|---|---|---|
| CN2010205782093U Expired - Fee Related CN201821242U (zh) | 2010-10-27 | 2010-10-27 | 超能电动机 |
Country Status (1)
| Country | Link |
|---|---|
| CN (1) | CN201821242U (zh) |
Cited By (2)
| Publication number | Priority date | Publication date | Assignee | Title |
|---|---|---|---|---|
| CN101989799A (zh) * | 2010-10-27 | 2011-03-23 | 赵进杰 | 一种超能电动机 |
| CN107689721A (zh) * | 2017-05-09 | 2018-02-13 | 杨培应 | 一种相位电机 |
-
2010
- 2010-10-27 CN CN2010205782093U patent/CN201821242U/zh not_active Expired - Fee Related
Cited By (2)
| Publication number | Priority date | Publication date | Assignee | Title |
|---|---|---|---|---|
| CN101989799A (zh) * | 2010-10-27 | 2011-03-23 | 赵进杰 | 一种超能电动机 |
| CN107689721A (zh) * | 2017-05-09 | 2018-02-13 | 杨培应 | 一种相位电机 |
Similar Documents
| Publication | Publication Date | Title |
|---|---|---|
| CN102570647B (zh) | 一种混合励磁的磁通反向电机 | |
| CN102157993A (zh) | 一种模块化磁通切换永磁电机 | |
| CN106849567A (zh) | 一种高功率密度的磁通切换永磁电机 | |
| CN107104528A (zh) | 一种用于飞轮储能系统的高性能Halbach型永磁转子 | |
| CN206164401U (zh) | 电磁控制永磁磁能动力机 | |
| CN201536282U (zh) | 一种具有磁场调节能力的磁通反向电机 | |
| CN103501063B (zh) | 一种多齿型永磁内嵌式磁通切换型记忆电机 | |
| CN105680649B (zh) | 一种轴向径向磁通双凸极永磁电机 | |
| CN201821242U (zh) | 超能电动机 | |
| CN201378761Y (zh) | 恒压输出混合励磁型磁通切换风力发电机 | |
| CN202444339U (zh) | 一种容错型半齿绕定子表面贴装式永磁电机 | |
| CN205647211U (zh) | 一种轴向径向磁通双凸极永磁电机 | |
| CN202565053U (zh) | 磁场自增速永磁风力发电机 | |
| CN102005836A (zh) | 外转子磁场增强型磁通切换双凸极电机 | |
| CN203984204U (zh) | 一种混合磁材料Halbach永磁容错电机 | |
| CN201985636U (zh) | 一种模块化磁通切换永磁电机 | |
| CN201733147U (zh) | 一种有限转角力矩电动机 | |
| CN101488682A (zh) | 恒压输出混合励磁型磁通切换风力发电机 | |
| CN105790501B (zh) | 带暖风机的永磁发电机 | |
| CN201846156U (zh) | 一种伺服电机转子模块 | |
| CN102594070B (zh) | 一种自耦型永磁双凸极电机 | |
| CN101989799A (zh) | 一种超能电动机 | |
| CN208797686U (zh) | 永磁从动转子节能电动机 | |
| CN201947072U (zh) | 一种外转子磁通切换双凸极电机 | |
| CN106655892A (zh) | 电磁控制永磁磁能动力机 |
Legal Events
| Date | Code | Title | Description |
|---|---|---|---|
| C14 | Grant of patent or utility model | ||
| GR01 | Patent grant | ||
| C17 | Cessation of patent right | ||
| CF01 | Termination of patent right due to non-payment of annual fee |
Granted publication date: 20110504 Termination date: 20131027 |