CN201285120Y - Cold air cooling type air conditioner and air conditioner with air cooler - Google Patents

Cold air cooling type air conditioner and air conditioner with air cooler Download PDF

Info

Publication number
CN201285120Y
CN201285120Y CNU2008201646849U CN200820164684U CN201285120Y CN 201285120 Y CN201285120 Y CN 201285120Y CN U2008201646849 U CNU2008201646849 U CN U2008201646849U CN 200820164684 U CN200820164684 U CN 200820164684U CN 201285120 Y CN201285120 Y CN 201285120Y
Authority
CN
China
Prior art keywords
air
air conditioner
water
humidifier
wet curtain
Prior art date
Legal status (The legal status is an assumption and is not a legal conclusion. Google has not performed a legal analysis and makes no representation as to the accuracy of the status listed.)
Expired - Fee Related
Application number
CNU2008201646849U
Other languages
Chinese (zh)
Inventor
蒋国良
Current Assignee (The listed assignees may be inaccurate. Google has not performed a legal analysis and makes no representation or warranty as to the accuracy of the list.)
Individual
Original Assignee
Individual
Priority date (The priority date is an assumption and is not a legal conclusion. Google has not performed a legal analysis and makes no representation as to the accuracy of the date listed.)
Filing date
Publication date
Application filed by Individual filed Critical Individual
Priority to CNU2008201646849U priority Critical patent/CN201285120Y/en
Application granted granted Critical
Publication of CN201285120Y publication Critical patent/CN201285120Y/en
Anticipated expiration legal-status Critical
Expired - Fee Related legal-status Critical Current

Links

Images

Classifications

    • YGENERAL TAGGING OF NEW TECHNOLOGICAL DEVELOPMENTS; GENERAL TAGGING OF CROSS-SECTIONAL TECHNOLOGIES SPANNING OVER SEVERAL SECTIONS OF THE IPC; TECHNICAL SUBJECTS COVERED BY FORMER USPC CROSS-REFERENCE ART COLLECTIONS [XRACs] AND DIGESTS
    • Y02TECHNOLOGIES OR APPLICATIONS FOR MITIGATION OR ADAPTATION AGAINST CLIMATE CHANGE
    • Y02BCLIMATE CHANGE MITIGATION TECHNOLOGIES RELATED TO BUILDINGS, e.g. HOUSING, HOUSE APPLIANCES OR RELATED END-USER APPLICATIONS
    • Y02B30/00Energy efficient heating, ventilation or air conditioning [HVAC]
    • Y02B30/54Free-cooling systems

Landscapes

  • Devices For Blowing Cold Air, Devices For Blowing Warm Air, And Means For Preventing Water Condensation In Air Conditioning Units (AREA)

Abstract

本实用新型公开了一种能有效利用空气的湿能进行散热的冷风冷却式空调及带冷风机的空调,该冷风冷却式空调包括冷凝器,冷凝器的进风道内配有等焓加湿器,等焓加湿器为湿帘水膜加湿器。湿帘水膜加湿器含有湿帘、排水阀、进水阀、水泵、水箱等。该带冷风机的空调,其冷凝器的进风道内设置有冷风机,冷风机包括风机、等焓加湿器和外壳等。本实用新型具有以下优点和效果:1.比同样配置的风冷式空调制冷量大10%到30%,节能20%到50%。2.该空调可以做成冷热型空调。3.换热器采用风冷式翅片换热器,使用寿命长。4.结构简单,成本低,能模块化小型化设计。5.在用风冷式空调的冷凝器使用冷风机处理后,降温幅度大,节能效果好。

Figure 200820164684

The utility model discloses a cold air cooling air conditioner and an air conditioner with a cooling fan which can effectively utilize the moisture energy of the air to dissipate heat. The cold air cooling air conditioner includes a condenser, and an isenthalpy humidifier is arranged in the air inlet channel of the condenser. The isenthalpic humidifier is a wet curtain water film humidifier. The wet curtain water film humidifier contains a wet curtain, a drain valve, a water inlet valve, a water pump, a water tank, etc. In the air conditioner with a cooling fan, a cooling fan is arranged in the air inlet passage of the condenser, and the cooling fan includes a fan, an isenthalpic humidifier, a casing, and the like. The utility model has the following advantages and effects: 1. The cooling capacity is 10% to 30% larger than that of the air-cooled air conditioner with the same configuration, and the energy saving is 20% to 50%. 2. The air conditioner can be made into a hot and cold air conditioner. 3. The heat exchanger adopts air-cooled fin heat exchanger with long service life. 4. The structure is simple, the cost is low, and the design can be modularized and miniaturized. 5. After the condenser of the air-cooled air conditioner is treated with a cooling fan, the cooling range is large and the energy-saving effect is good.

Figure 200820164684

Description

The air-conditioning of a kind of cold wind cooled air-conditioning and band air-cooler
Technical field:
The utility model relates to the air-conditioning of a kind of cold wind cooled air-conditioning and band air-cooler.
Background technology:
Nowadays produce life from daily, all trades and professions are all used various types of air-conditioners, and that air-conditioning condenser heat radiation at present mainly contains is air-cooled, water-cooled, air-cooled evaporation type.What use was maximum in these radiating modes is air-cooled, this method is simple in structure, reliable in quality, almost any place all can be used, energy miniaturization, modularized design, energy adjustment efficient height, but this method can only utilize the temperature difference of air and condenser surface to dispel the heat, at the bottom of the exchange capability of heat utilization rate of air, air conditioner condensation temperature height, energy consumption is big.The water-cooled condensing mode is used more at big-and-middle-sized air-conditioning unit, though this method condensation temperature is lower, the energy consumption of water pump is very big, and capacity regulating efficient is low.The water-cooled air-conditioning according to the difference in cooling water source can be divided into that cooling tower is air-cooled, water source type, the source formula, because water source type, the source formula directly utilize natural cooling source, chilling temperature is low, efficiency value height, but there is the cooling source that can directly utilize very limited in the natural environment, and easily make underground water pollution, fouling of heat exchangers.Though adopt the condensation temperature of air-cooled water evaporative condenser mode air-conditioning lower, but, water then evaporates because directly spraying in the surface of condenser, easily make the corrosion of condenser tubing generation lattice, the easy scaling of tube outer surface, easy cleaning not, add and to be used as cooling/heating air conditioner, so less on the air-cooled water evaporative condenser air-conditioning market.
Comprehensive above-mentioned present stage, the air conditioner condensation mode also had problems, can also be perfect.
Summary of the invention:
Technical problem to be solved in the utility model is to overcome existing above-mentioned deficiency in the prior art, and provides a kind of the wet of air that can effectively utilize to dispel the heat, and improves the cold wind cooled air-conditioning of refrigerating efficiency and the air-conditioning of band air-cooler.
The technical scheme in the invention for solving the above technical problem is: this cold wind cooled air-conditioning, comprise existing air-cooled air conditioner structures such as condenser, and it is characterized in that in the air inlet duct of air cooled condenser, being furnished with the equal-enthalpy humidifying device.
Equal-enthalpy humidifying device described in the utility model is wet curtain moisture film humidifier.
The wet curtain moisture film humidifier of the utility model is provided with wet curtain, draining valve, water intaking valve, water pump, water tank, and water intaking valve, draining valve, water pump all are connected with water tank.
The wet curtain moisture film humidifier of the utility model is provided with wet curtain, water inlet, discharge outlet, water tank, and water inlet places the top of wet curtain, and discharge outlet is positioned at the bottom of water tank.
The technical scheme in the invention for solving the above technical problem also comprises a kind of air-conditioning with air-cooler, it is characterized in that being provided with air-cooler in the air inlet duct of condenser, and air-cooler comprises equal-enthalpy humidifying device and the blower fan that is arranged in order along the air intake direction.The equal-enthalpy humidifying device can adopt wet curtain moisture film humidifier.
The air-conditioning of the utility model band air-cooler is specially adapted to use in the reducing energy consumption with air-cooled air-conditioning, and its power-economizing method is after earlier air being passed through the moistening and lowering temperature of air-cooler, to remove to cool off air-conditioning condenser again, and wherein blower fan can compensate the air drag of wet curtain.
The utility model compared with prior art has the following advantages and effect: 1, the air-cooled air conditioner refrigerating capacity than same configuration is big by 10% to 30%, and is energy-conservation 20% to 50%, can be better in xeothermic regional effect.2, this type air-conditioning can be made the cold and hot type air-conditioning, and this is that traditional evaporative condenser heat exchanger is not accomplished.What 3, heat exchanger adopted is air-cooled finned heat exchanger, does not have the corrosion and the scale problems of heat exchanger tube, long service life.4, simple in structure, cost is low, can modularization, the miniaturization design, with the installation of traditional air cooling heat exchanger with use similar.5, generally be installed on roof, exterior wall etc. at the condenser with air-cooled air conditioner and locate, the sun directly shines, the temperature height, and humidity is low, and after the use air-cooler was handled, cooling extent was big, good energy-conserving effect.
Description of drawings:
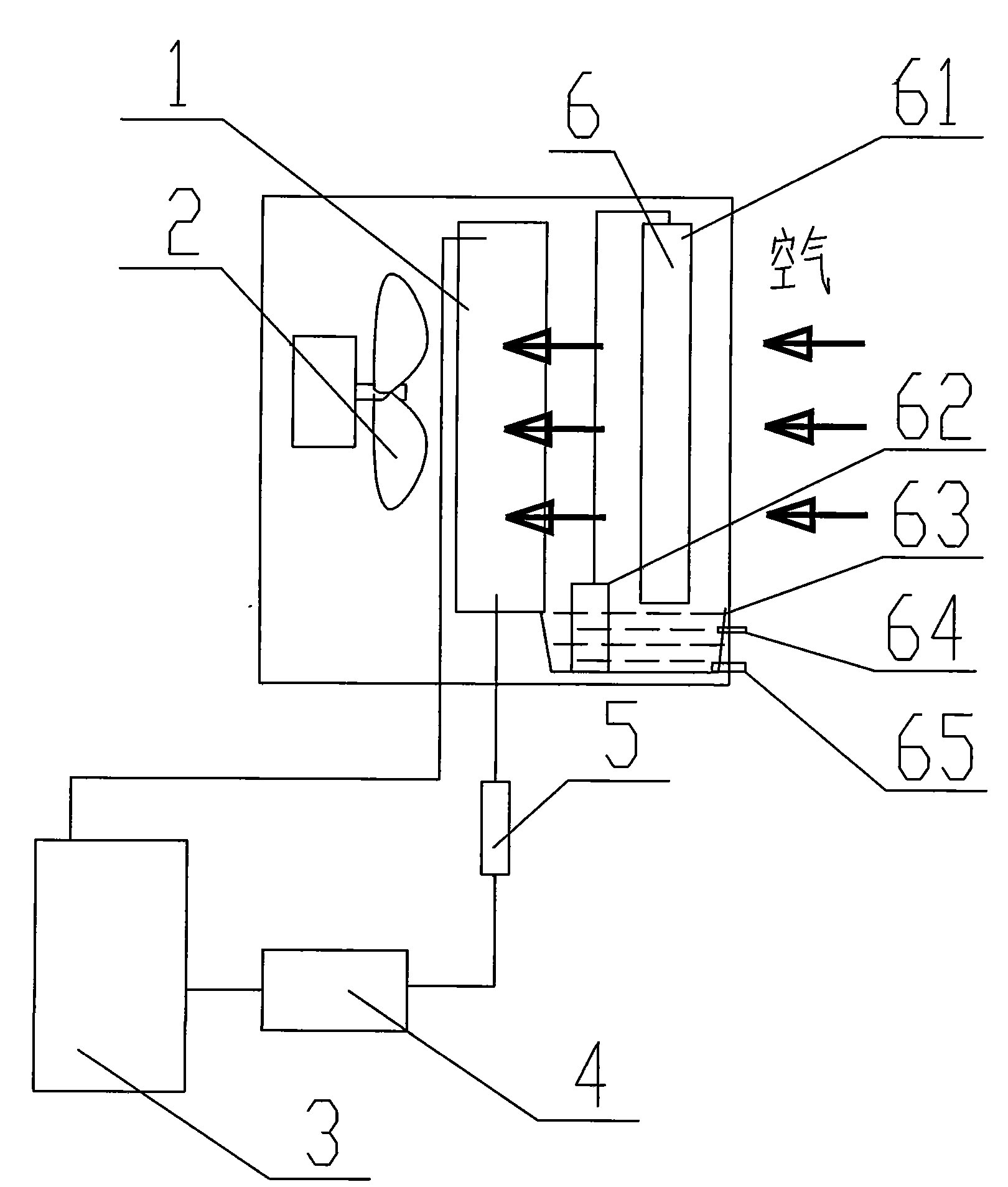
Fig. 1 is a kind of structural representation of the utility model embodiment 1 cold wind cooled air-conditioning.
Fig. 2 is the another kind of structural representation of the utility model embodiment 2 cold wind cooled air-conditionings.
Fig. 3 is the structural representation of the air-conditioning of the utility model embodiment 3 band air-coolers.
The specific embodiment:
Embodiment 1:
Referring to Fig. 1, present embodiment comprises the air-cooled air conditioner machine of present stages such as condenser 1, blower fan 2, compressor 3, evaporimeter 4, throttling arrangement 5, is provided with wet curtain moisture film humidifier 6 on the air inlet duct of condenser.Wet curtain moisture film humidifier 6 is provided with wet curtain 61, water pump 62, water tank 63, water intaking valve 64, draining valve 65, and water intaking valve 64, draining valve 65, water pump 62 all are connected with water tank 63.
When the utility model embodiment uses, water enters water tank 63 from water intaking valve 64, the upside that water pump 62 is mentioned wet curtain moisture film humidifier 6 with water drenches down, humidification the wet curtain 61 of humidifier, flow air flows through when wetting curtain 61 from right to left, wet curtain 61 surface moistures evaporation, the surface temperature of wet curtain 61 drops to the wet-bulb temperature of air, high temperature air flows through low warm and humid curtain 61 surfaces, temperature also drops near wet-bulb temperature, these Cryogenic air flow through air cooled condenser 1, have increased the heat radiation temperature difference of condenser, have reduced condensation temperature.When air-conditioning turned round by the mode of heating in the winter time, wet curtain humidifier stopped to add water, and this moment, humidifier cut little ice.
Embodiment 2:
Referring to Fig. 2, the utility model embodiment 2 is similar to embodiment 1, just wet curtain moisture film humidifier 6 adds wet model and makes single flow into from the pump circulation, the wet curtain moisture film humidifier 6 of present embodiment is provided with wet curtain 61, water inlet 62, discharge outlet 64, water tank 63, water inlet 62 places the top of wet curtain 61, discharge outlet 64 is positioned at the bottom of water tank 63, and the water of trace directly is added on the wet curtain 61, and remaining water is directly drained from discharge outlet 46.
Embodiment 3:
Referring to Fig. 3, the utility model embodiment 3 comprises that condenser 1, blower fan 2, compressor 3, evaporimeter 4, throttling arrangement 5 etc. are using air-cooled air conditioner, the heat radiation air is earlier through comprising that the wet curtain moisture film humidifier 6 that is arranged in order along the air intake direction, the air-cooler moistening and lowering temperature of blower fan 7 handle, and then be blown into air-cooled condenser, utilize the potential of air to come cooling, this air-cooler can be provided with shell 8, and wet curtain moisture film humidifier 6 comprises wet curtain 61, water pump 62, water tank 63, water intaking valve 64, draining valve 65.Concrete using method is similar to embodiment one, and no matter just still summer in the winter time, being used to compensate the wet blower fan 7 of resistance of 61 pairs of air of curtain all should open.

Claims (6)

1、一种冷风冷却式空调,包括冷凝器,其特征在于:冷凝器的进风道内配有等焓加湿器。1. A cold air-cooled air conditioner, including a condenser, characterized in that: an isenthalpic humidifier is equipped in the air inlet of the condenser. 2、根据权利要求1所述的冷风冷却式空调,其特征在于:等焓加湿器为湿帘水膜加湿器。2. The cold air-cooled air conditioner according to claim 1, wherein the isenthalpic humidifier is a wet curtain water film humidifier. 3、根据权利要求2所述的冷风冷却式空调,其特征在于:湿帘水膜加湿器设置有湿帘、排水阀、进水阀、水泵、水箱,进水阀、排水阀、水泵均与水箱连接。3. The cold air-cooled air conditioner according to claim 2, characterized in that: the wet curtain water film humidifier is equipped with a wet curtain, a drain valve, a water inlet valve, a water pump, and a water tank, and the water inlet valve, the drain valve, and the water pump are all connected to each other. Water tank connection. 4、根据权利要求2所述的冷风冷却式空调,其特征在于:湿帘水膜加湿器设置有湿帘、进水口、排水口、水箱,进水口置于湿帘的上方,排水口位于水箱的底部。4. The cold air cooling air conditioner according to claim 2, characterized in that: the wet curtain water film humidifier is provided with a wet curtain, a water inlet, a drain, and a water tank, the water inlet is placed above the wet curtain, and the drain is located in the water tank bottom of. 5、一种带冷风机的空调,其特征在于:冷凝器的进风道内设置有冷风机,冷风机包括沿进风方向依次排列的等焓加湿器和风机。5. An air conditioner with a cooling fan, characterized in that: a cooling fan is installed in the air inlet passage of the condenser, and the cooling fan includes an isenthalpy humidifier and a fan arranged in sequence along the air inlet direction. 6、根据权利要求5所述的带冷风机的空调,其特征在于:等焓加湿器为湿帘水膜加湿器。6. The air conditioner with a cooling fan according to claim 5, wherein the isenthalpic humidifier is a wet curtain water film humidifier.
CNU2008201646849U 2008-09-12 2008-09-12 Cold air cooling type air conditioner and air conditioner with air cooler Expired - Fee Related CN201285120Y (en)

Priority Applications (1)

Application Number Priority Date Filing Date Title
CNU2008201646849U CN201285120Y (en) 2008-09-12 2008-09-12 Cold air cooling type air conditioner and air conditioner with air cooler

Applications Claiming Priority (1)

Application Number Priority Date Filing Date Title
CNU2008201646849U CN201285120Y (en) 2008-09-12 2008-09-12 Cold air cooling type air conditioner and air conditioner with air cooler

Publications (1)

Publication Number Publication Date
CN201285120Y true CN201285120Y (en) 2009-08-05

Family

ID=40950106

Family Applications (1)

Application Number Title Priority Date Filing Date
CNU2008201646849U Expired - Fee Related CN201285120Y (en) 2008-09-12 2008-09-12 Cold air cooling type air conditioner and air conditioner with air cooler

Country Status (1)

Country Link
CN (1) CN201285120Y (en)

Cited By (12)

* Cited by examiner, † Cited by third party
Publication number Priority date Publication date Assignee Title
CN102287880A (en) * 2011-06-17 2011-12-21 北京工业大学 Split-type air-air heat exchange unit with humidification sections
CN104300402A (en) * 2014-10-30 2015-01-21 法瑞钠(济南)焊接器材有限公司 Cooling device of frequency changers of welding wire machining device
CN105264297A (en) * 2013-04-27 2016-01-20 张云章 Pm2.5 cold/warm filter-window apparatus
CN105318747A (en) * 2014-07-30 2016-02-10 三能科技有限公司 Evaporation type heat dissipation device
CN105716188A (en) * 2016-02-04 2016-06-29 华为技术有限公司 Air conditioner and humidifying method thereof
CN106247724A (en) * 2016-08-31 2016-12-21 无锡金鑫集团股份有限公司 A kind of high-efficiency radiator
CN108168198A (en) * 2017-12-25 2018-06-15 合肥华凌股份有限公司 Condense heat elimination assembly and with its refrigerator
WO2018165803A1 (en) * 2017-03-12 2018-09-20 深圳市上羽科技有限公司 Indoor air conditioner specialised for chilled and fresh food and capable of humidifying air
CN109798614A (en) * 2018-12-28 2019-05-24 杰马科技(中山)有限公司 Cooling fan with copper tube heat exchange system
CN110553315A (en) * 2019-09-29 2019-12-10 郑州轻工业学院 Constant temperature and humidity household air conditioner
CN113237252A (en) * 2021-04-19 2021-08-10 南京久鼎精机冷冻设备有限公司 Precooling type condenser and air conditioning unit
CN113701256A (en) * 2021-09-14 2021-11-26 珠海格力电器股份有限公司 Evaporative cooling device, outdoor unit and air conditioning system

Cited By (16)

* Cited by examiner, † Cited by third party
Publication number Priority date Publication date Assignee Title
CN102287880A (en) * 2011-06-17 2011-12-21 北京工业大学 Split-type air-air heat exchange unit with humidification sections
CN105264297A (en) * 2013-04-27 2016-01-20 张云章 Pm2.5 cold/warm filter-window apparatus
CN105264297B (en) * 2013-04-27 2017-12-05 郑燕梅 PM2.5 changes in temperature filtering window devices
CN105318747A (en) * 2014-07-30 2016-02-10 三能科技有限公司 Evaporation type heat dissipation device
CN104300402A (en) * 2014-10-30 2015-01-21 法瑞钠(济南)焊接器材有限公司 Cooling device of frequency changers of welding wire machining device
CN105716188A (en) * 2016-02-04 2016-06-29 华为技术有限公司 Air conditioner and humidifying method thereof
WO2017133326A1 (en) * 2016-02-04 2017-08-10 华为技术有限公司 Air conditioner and humidification method thereof
CN106247724A (en) * 2016-08-31 2016-12-21 无锡金鑫集团股份有限公司 A kind of high-efficiency radiator
WO2018165803A1 (en) * 2017-03-12 2018-09-20 深圳市上羽科技有限公司 Indoor air conditioner specialised for chilled and fresh food and capable of humidifying air
CN108168198A (en) * 2017-12-25 2018-06-15 合肥华凌股份有限公司 Condense heat elimination assembly and with its refrigerator
CN108168198B (en) * 2017-12-25 2020-04-17 合肥华凌股份有限公司 Condensation heat dissipation assembly and refrigerator with same
CN109798614A (en) * 2018-12-28 2019-05-24 杰马科技(中山)有限公司 Cooling fan with copper tube heat exchange system
CN110553315A (en) * 2019-09-29 2019-12-10 郑州轻工业学院 Constant temperature and humidity household air conditioner
CN113237252A (en) * 2021-04-19 2021-08-10 南京久鼎精机冷冻设备有限公司 Precooling type condenser and air conditioning unit
CN113701256A (en) * 2021-09-14 2021-11-26 珠海格力电器股份有限公司 Evaporative cooling device, outdoor unit and air conditioning system
CN113701256B (en) * 2021-09-14 2025-03-25 珠海格力电器股份有限公司 Evaporative cooling devices, outdoor units and air conditioning systems

Similar Documents

Publication Publication Date Title
CN201285120Y (en) Cold air cooling type air conditioner and air conditioner with air cooler
CN201852342U (en) Wet curtain evaporative cooling air-cooled condensing unit
CN101191646B (en) Evaporation refrigerating water chilling unit
CN103712477B (en) Heat pump heat supply demist water-saving cooling tower
CN201827979U (en) Evaporative condensing dual-temperature fresh air handling unit
CN201436495U (en) A two-way fresh air ventilator with efficient energy recovery function
CN211792609U (en) Indirect evaporative cooling air conditioning unit for data center
CN101514829B (en) Tube-plate evaporative condensing air-conditioning unit with packing
CN203672184U (en) Heat pump heat-supply mist-removal water-saving type cooling tower
CN104197588A (en) Surface air cooler with wet films of composite structures
CN105135739A (en) Multifunctional heat pump type evaporative condensing air-conditioning unit
CN201322466Y (en) Evaporative condensing/cooling air conditioning water chilling unit
CN111295084A (en) Indirect evaporative cooling air conditioning unit using condenser and evaporator
CN201497089U (en) Evaporative condensing computer room air conditioner
CN202254205U (en) Direct expansion type air conditioning unit adopting tubular indirect evaporative cooling air side economizer
CN206831742U (en) Indirect direct evaporating-cooling and the compound energy-saving type air conditioner unit of evaporative condenser
CN201039641Y (en) Air conditioner for machine room
CN209840328U (en) Double-cold evaporative cooling-condensation integrated air conditioning unit for data center machine room
CN209763378U (en) Air conditioning unit based on combination of evaporative cooling and mechanical refrigeration
CN110645667A (en) Heat pump fresh air fan system with condensed water heat recovery function
CN102345920A (en) Split heat recycling evaporating and condensing fresh air conditioner
CN202581613U (en) Evaporative air-cooling cold water system
CN209588260U (en) A Closed Evaporative Cooling-Condensing Chiller Combined with Mechanical Refrigeration
CN2553290Y (en) Indirect evaporation-cooling refrigeration air cooler set
CN206724389U (en) A kind of indirect evaporating colling type water-cooled multi-connected air-conditioning system

Legal Events

Date Code Title Description
C14 Grant of patent or utility model
GR01 Patent grant
C17 Cessation of patent right
CF01 Termination of patent right due to non-payment of annual fee

Granted publication date: 20090805

Termination date: 20110912