CN116021146A - Vertical multifunctional laser cutting machine - Google Patents
Vertical multifunctional laser cutting machine Download PDFInfo
- Publication number
- CN116021146A CN116021146A CN202211086473.9A CN202211086473A CN116021146A CN 116021146 A CN116021146 A CN 116021146A CN 202211086473 A CN202211086473 A CN 202211086473A CN 116021146 A CN116021146 A CN 116021146A
- Authority
- CN
- China
- Prior art keywords
- laser
- axis
- cutting machine
- laser cutting
- vertical
- Prior art date
- Legal status (The legal status is an assumption and is not a legal conclusion. Google has not performed a legal analysis and makes no representation as to the accuracy of the status listed.)
- Pending
Links
- 238000003698 laser cutting Methods 0.000 title claims abstract description 77
- 238000005520 cutting process Methods 0.000 claims abstract description 36
- 230000033001 locomotion Effects 0.000 claims abstract description 21
- 238000003466 welding Methods 0.000 claims abstract description 15
- 238000001816 cooling Methods 0.000 claims abstract description 7
- 238000009434 installation Methods 0.000 claims description 11
- 238000004372 laser cladding Methods 0.000 claims description 10
- 239000000428 dust Substances 0.000 claims description 6
- 238000010330 laser marking Methods 0.000 claims description 6
- 239000011248 coating agent Substances 0.000 claims description 4
- 238000000576 coating method Methods 0.000 claims description 4
- 239000000654 additive Substances 0.000 claims description 3
- 230000000996 additive effect Effects 0.000 claims description 3
- 238000005253 cladding Methods 0.000 claims description 3
- 230000001360 synchronised effect Effects 0.000 claims description 3
- -1 cooling Substances 0.000 claims description 2
- 238000010147 laser engraving Methods 0.000 claims description 2
- 239000013307 optical fiber Substances 0.000 claims description 2
- 238000003860 storage Methods 0.000 claims description 2
- 230000002035 prolonged effect Effects 0.000 claims 1
- 238000002844 melting Methods 0.000 abstract description 2
- 239000000463 material Substances 0.000 description 14
- 239000007789 gas Substances 0.000 description 10
- 230000007547 defect Effects 0.000 description 4
- 230000009471 action Effects 0.000 description 3
- 230000000694 effects Effects 0.000 description 3
- 238000005516 engineering process Methods 0.000 description 3
- 230000007613 environmental effect Effects 0.000 description 3
- 239000011159 matrix material Substances 0.000 description 3
- 239000002893 slag Substances 0.000 description 3
- 239000000956 alloy Substances 0.000 description 2
- 229910045601 alloy Inorganic materials 0.000 description 2
- 230000009286 beneficial effect Effects 0.000 description 2
- 238000004134 energy conservation Methods 0.000 description 2
- 230000002349 favourable effect Effects 0.000 description 2
- 239000012761 high-performance material Substances 0.000 description 2
- 239000004482 other powder Substances 0.000 description 2
- 239000000843 powder Substances 0.000 description 2
- 208000026817 47,XYY syndrome Diseases 0.000 description 1
- 238000003915 air pollution Methods 0.000 description 1
- 229910052799 carbon Inorganic materials 0.000 description 1
- 238000006243 chemical reaction Methods 0.000 description 1
- 239000002131 composite material Substances 0.000 description 1
- 230000007797 corrosion Effects 0.000 description 1
- 238000005260 corrosion Methods 0.000 description 1
- 229910001385 heavy metal Inorganic materials 0.000 description 1
- 229910010272 inorganic material Inorganic materials 0.000 description 1
- 239000011147 inorganic material Substances 0.000 description 1
- 230000001788 irregular Effects 0.000 description 1
- 238000003754 machining Methods 0.000 description 1
- 230000007246 mechanism Effects 0.000 description 1
- 230000008018 melting Effects 0.000 description 1
- 229910052751 metal Inorganic materials 0.000 description 1
- 239000002184 metal Substances 0.000 description 1
- 230000004048 modification Effects 0.000 description 1
- 238000012986 modification Methods 0.000 description 1
- 239000011368 organic material Substances 0.000 description 1
- 230000003647 oxidation Effects 0.000 description 1
- 238000007254 oxidation reaction Methods 0.000 description 1
- 229920000642 polymer Polymers 0.000 description 1
- 239000000779 smoke Substances 0.000 description 1
- 239000002912 waste gas Substances 0.000 description 1
Images
Landscapes
- Laser Beam Processing (AREA)
Abstract
The invention relates to the field of laser cutting, in particular to a vertical multifunctional laser cutting machine, which comprises a machine body, a control system, a laser system, a gas system, a cooling system, a motion control system and other systems, wherein a working platform is arranged on the machine body, an X-axis motion part parallel to the platform and a Y-axis motion part perpendicular to the X-axis are arranged on the machine body in the horizontal direction, a Z-axis motion part perpendicular to the horizontal plane is arranged on a sliding table moving along an X-axis guide rail, a mounting table surface is arranged on the Z-axis motion part, a laser head arranged on the table surface executes Z-axis and X-axis motions in a space three-dimensional coordinate, a plate arranged on the working table surface and clamped on a clamp executes space coordinate Y-axis motions, a numerical control pipe cutting machine is arranged at any end of the machine body in a three-axis linkage way by matching with the gas and laser beam control instructions, so that a laser cutting pipe plate integrated machine is formed, and different laser heads can be replaced on the Z-axis mounting table surface, so that laser cutting, marking, engraving, welding and surface hot-melting processing can be completed, and the multifunctional integrated machine is formed.
Description
Technical Field
The invention relates to a laser cutting machine, in particular to a vertical multifunctional laser cutting machine.
Background
The traditional plate part processing generally has manual flame cutting, numerical control flame cutting, plasma cutting and the like when a plate or an irregular shaped piece is required to be cut, and has the defects of poor precision, low efficiency, high labor intensity, serious pollution and the like.
Aiming at the problems, laser cutting machines, especially for plate and pipe workpieces, are developed in recent years, the laser cutting machines take laser beams with high energy density as cutting tools to thermally cut materials, the defects inherent in the traditional processing mode can be effectively solved, for example, chinese patent application No. CN202210299960.7 discloses a large-breadth high-efficiency rail composite laser cutting machine, chinese patent publication No. CN202220714266.2 also discloses a movable material table for a gantry laser cutting machine, the common characteristics are that the machine comprises a fixed machine body, a full-size working platform for placing a workpiece to be processed is arranged on the machine body, the size of the full-size platform is far larger than that of the platform of the plate to be processed, a gantry structure running along the X axis of a longitudinal guide rail of the workbench is provided with a Y axis guide rail vertical to the gantry structure and a Z axis guide rail vertical to the horizontal plane, the Z-axis platform is provided with a laser cutting head, when in work, a plate to be processed is fixed on the platform, the control system controls XYZ three-axis linkage, cutting gas and on-off of a laser beam to finish cutting the plate according to an input pattern, the device has obvious advantages compared with the traditional processing mode, the device has the advantages of high precision and high efficiency of laser cutting, the working table surface of the device can bear larger weight, but the device has large body because of large working table surface, large occupied area of the device, poor precision stability of the device and single function, can not realize one machine for multiple purposes, has difficult dust removal because of large opened large space of the table surface of the device, is unfavorable for environmental protection, has large weight of a gantry mechanism, causes large operation power consumption, is unfavorable for energy conservation and environmental protection, a workpiece and a bottom support are in unavoidable contact state, and the laser beam with high energy has direct damage effect on the platform, the cutting slag is always adhered to the platform support, so that the precision of the platform is low, and slag removal is difficult.
At present, no complete scheme capable of solving the defects exists at home and abroad, and a vertical multifunctional laser cutting machine is designed for the scheme, and compared with a horizontal laser cutting machine, the vertical multifunctional laser cutting machine has the advantages of realizing high precision, high efficiency, high stability, energy conservation and environmental protection, along with small occupied area of a small machine body structure, and being multipurpose, the vertical working table surface only needs to be larger than the size of a plate in one direction, only needs to be small in the vertical direction, and belongs to a working platform with limited size. The high-energy laser beam acts on the outer end of the working table surface, is not contacted with the table surface, and does not influence the precision of the working table surface, so that the service life is long, the function and the application range of the laser cutting machine are greatly improved, and the invention aims to overcome the defects of the traditional laser cutting equipment and provide a brand-new vertical laser cutting equipment which has good practical significance and wide application prospect.
Disclosure of Invention
In view of the above-mentioned shortcomings of conventional laser cutting devices, the present invention provides a vertical type multifunctional laser cutting machine,
the invention is realized by the following technical scheme: the vertical multifunctional laser cutting machine comprises a control system, a laser system, a gas system, a cooling system, a motion control execution system, a machine body and a workpiece clamping device, wherein the control system consists of a control panel, an industrial personal computer and an on-site I/O module, the laser system consists of a laser generator, an optical fiber, cooling, gas and a laser head, the gas system consists of a gas storage device, a gas circuit and a control valve, the motion control system consists of a motion operation driving and executing device, a working platform for placing a workpiece is arranged on the machine body, an X-axis guide rail moving part parallel to the working platform and a Y-axis guide rail moving part perpendicular to the X-axis are arranged above the working platform in the horizontal direction, a Z-axis guide rail moving part perpendicular to the horizontal plane is arranged on a sliding table moving along the X-axis guide rail, the Z-axis moving part is provided with a mounting table surface, laser heads with different functions are arranged on the mounting table surface in a changing way and supported by laser software with different functions, laser cutting, welding, cladding and marking engraving can be carried out, the part moving along the Y-axis guide rail is provided with a clamp for clamping a processed plate, the mounting table surface is provided with a laser head outputting laser beams vertically downwards, the width dimension of the mounting table surface in the X-axis direction of the machine body is larger than the width of the plate to be processed, the width dimension of the mounting table surface in the Y-axis direction is smaller than the dimension of the workpiece to be processed, the plate to be processed is arranged on the working table surface, the rear end of the plate to be processed is fixed on the clamp of the Y-axis moving part, the end of the laser head in the Z-axis direction controls the space distance between the laser head and the top surface of the workpiece according to instructions, the laser head in the X-axis direction controls the left and right movement according to the control system software calculation instructions, and the processed plate in the Y-axis direction is controlled to move back and forth according to the calculation instruction of the control system software, and the two-dimensional or three-dimensional processing of the set graph of the processed plate is completed by matching with the control instruction of the gas and the laser beam in a X, Y, Z three-axis linkage way.
Further, the center of the laser head beam on the installation table of the vertical multifunctional laser cutting machine is 3-30 mm away from the outer side of the front end surface of the working table.
Further, the laser head comprises a laser cutting head, a laser welding head, a laser cladding head and a laser marking engraving head.
Further, the motion control execution system of the vertical multifunctional laser cutting machine is a synchronous motor system or a gear rack or a screw rod nut driven by a servo motor system.
Further, after the output end part of the laser head of the vertical multifunctional laser cutting machine keeps a set distance from the surface of the workpiece according to the instruction, the laser head is automatically controlled by the height adjuster when the laser system works.
Further, a front auxiliary platform is arranged at the front part of the vertical multifunctional laser cutting machine working platform, a 5-50 mm cutting gap is reserved between the front auxiliary platform and the front end surface of the working platform, the upper plane of the front auxiliary platform is coplanar with the working platform, the auxiliary platform can be integrated or split, can be divided into 2 sections or 3 sections of discrete platforms, can be flat plate type or brush plate type, can be fixed, can be hinged with a machine body, and can be folded and unfolded manually, pneumatically operated cylinder, hydraulic cylinder or electric supporting rod.
Further, the vertical multifunctional laser cutting machine is characterized in that a machining plate moving in the Y-axis direction is clamped on a feeding device at the rear part of a working platform, the feeding device consists of a motor, a Y-axis guide rail body, a Y-axis sliding plate, a Y-axis guide rail group and a gear rack, the Y-axis guide rail body of the feeding device is connected with a machine body through screws, an auxiliary support is further arranged at the rear part of the working platform and connected with the machine body through screws, and the upper plane of the auxiliary support is coplanar with the surface of the working platform.
Further, the dust-proof shield is arranged at the lower part of the working table surface and the lower part of the auxiliary table surface at the outer cutting gap of the front end of the working table surface of the vertical multifunctional laser cutting machine, one end of the shield is closed, and the other end of the shield is of a pipe joint structure so as to be connected with dust removing equipment.
Further, the vertical multifunctional laser cutting machine can control laser output to proper power for different materials to be processed, so that laser marking and engraving can be realized.
Furthermore, a special laser marking engraving machine can be arranged on the Z-axis installation table of the vertical multifunctional laser cutting machine.
Further, the vertical multifunctional laser cutting machine prolongs the guide rail at one end or two ends of the X axis of the machine body to a proper size so as to install the numerical control pipe cutting machine below the machine body, the numerical control pipe cutting machine and the vertical multifunctional laser cutting machine set form a tube plate laser cutting integrated machine, the numerical control pipe cutting machine can be installed at the left end or the right end according to the characteristics of equipment installation sites, and the two working modes share the same laser head and share the sliding table X, Z shafting.
Furthermore, a special laser cladding head can be arranged on the Z-axis installation table of the vertical multifunctional laser cutting machine, cladding software can realize hot coating additive processing on the surfaces of shaft parts, plate parts or sleeve parts by utilizing the laser cladding head, and likewise, a special laser welding head can be arranged on the Z-axis installation table, and welding software of a control system can carry out welding processing on the plate parts or the pipe parts.
Furthermore, the laser generator additionally derives a path light path system, a cooling system and a control system, controls the laser beam passing path and installs the hand-held laser welding head, and the vertical multifunctional laser cutting machine has the hand-held laser welding function.
Further, the plate to be processed may be a metal, a high molecular polymer, an organic material or an inorganic material.
Further, the width of the working platform in the Y-axis direction is 100-400 mm.
Compared with the prior art, the invention has the beneficial effects that: compared with the traditional laser cutting machine, especially the horizontal laser cutting machine, the vertical multifunctional laser cutting machine of the invention firstly has unique advantages in structure, the processing plate is arranged on the working table surface of non-full size, thus the main body of the machine body has small volume, light weight, small occupied area, low cost, high precision and good stability, the laser beam does not directly act on the main working table surface, the equipment precision can be kept for a long time, the high precision working table surface provides possibility for the multifunctional multipurpose one machine of the equipment, the cutting, marking, welding, carving, pipe cutting and hot melting coating of plate parts can be completed only by changing different laser heads under the support of corresponding functional software, and the operation of the laser head full-size working table surface of the horizontal laser cutting machine is different, the laser head of the vertical multifunctional laser cutting machine only needs to run along the gap outside the workbench surface of the X axis, can not damage and accumulate cutting slag on the workbench surface like a horizontal laser cutting machine, ensures the service life of equipment, has small cutting gap compared with the full-size cutting space opened by the horizontal laser cutting machine, is favorable for collecting and processing cutting waste gas, preventing and controlling air pollution of the laser cutting machine, is favorable for green, low-carbon, safe and environment-friendly, has large gantry structure weight of the X axis of the traditional horizontal laser cutting machine, is generally about 1 ton, has smaller moment of inertia, has smaller movement driving power and obvious energy-saving effect, has the X axis movement sliding table weight of about 1/10 of the traditional horizontal laser cutting machine,
drawings
Fig. 1 is an isometric view of a vertical multi-function laser cutting machine
FIG. 2 is a front view of a vertical multi-function laser cutting machine
FIG. 3 is a left side view of a vertical multi-function laser cutter
FIG. 3a is a partial enlarged view of a left side view of a vertical type multifunctional laser cutter
Fig. 4 is a top view of a vertical multi-function laser cutter
Fig. 5 is an isometric view of a sliding table on the X axis of the vertical multifunctional laser cutting machine
Fig. 6 is an isometric view of a numerical control pipe cutting machine of a vertical multifunctional laser cutting machine
FIG. 7 is a front view of an X-axis sliding table of the vertical multifunctional laser cutting machine
FIG. 8 is a left side view of an X-axis sliding table of the vertical multifunctional laser cutting machine
FIG. 9 is an isometric view of a Y-axis feed system of a vertical multi-function laser cutting machine
FIG. 10 is a front view of a Y-axis feed system of a vertical multi-function laser cutter
FIG. 11 is a left side view of a Y-axis feeding system of a vertical multifunctional laser cutter
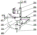
Description of the figure: 100-machine body, 101-working table, 102-X axis guide rail sliding block set, 103-front auxiliary platform, 104-processing plate, 105-platform action cylinder, 106-machine body vertical plate, 107-flexible dustproof shield, 108-flexible dustproof shield pipe joint, 109-machine body shield, 115-threading drag chain, 116-front auxiliary platform hinge shaft, 118-X axis guide rail set, 125-control system, 201-sliding table bottom plate, 203-Z axis screw rod, 204-Z axis guide rail set, 205-Z axis mounting platform, 206-laser head, 207-drag chain support, 208-X axis motor, 209-Z axis motor, 210-X axis gear rack set, 300-front chuck, 301-rear chuck, 302-pipe fitting to be processed, 303-guide rail set, 304-rear driving box, 305-pipe cutting machine body, 400-Y axis guide rail body, 401-Y axis gear rack set, 402-Y axis sliding plate, 403-Y axis guide rail set, 404-clamp cylinder, 407-rear material support, 408-Y axis clamp connection screw, 410-auxiliary clamp support, 411-connection screw, 412-Y axis clamp support connection beam.
Detailed Description
In order to better understand the technical solution in the embodiments of the present invention and make the above objects, features and advantages of the present invention more obvious, the following detailed description of the present invention with reference to the accompanying drawings will be further described, and the technical solution in the embodiments of the present invention will be clearly and completely described.
Example 1
The invention relates to a vertical multifunctional laser cutting machine, which is shown in fig. 1-11, wherein the mechanical structure mainly comprises a machine body, a front auxiliary platform, a rear feeding device, a pipe cutting machine and a dust removing component, wherein the machine body 100 is provided with a working platform 101, a horizontal X-axis guide rail group 102 and a rack 118 are arranged above the working platform, a sliding table bottom plate 201 is arranged on the guide rail group 102, a Z-axis installation platform 205 which moves along a vertical Z-axis is arranged on the sliding table bottom plate 201 through the guide rail group 204, various pipelines which move along the sliding table bottom plate are arranged in a threading drag chain 115 under the driving of a motor 208 and a rack gear group 210 and 118, one end of the threading drag chain 115 is fixed on the machine body 100, the other end of the threading drag chain is fixed on a drag chain bracket 207, a driving motor 412 which is arranged on a Y-axis sliding plate 402 and clamped on a clamp 408 is driven by a rack gear group 401 to move along the guide rail group 403 along the horizontal Y-axis, the beam 411 is installed on the Y-axis sliding plate 402, the beam 411 is connected with the double Y-axis sliding plate 402 by screw fastening, a plurality of clamps 408 are installed on the beam 411, the clamps 408 are controlled by a cylinder or a hydraulic cylinder 404 to clamp, the clamping and fixing of the processing plate 104 are realized, the rear end of the rear material supporting bracket 407 is installed on the Y-axis guide rail body 400, the other end of the rear material supporting bracket is installed on the machine body 100 by the screw 410, the upper plane of the material supporting bracket 407 is the same plane with the worktable 101, the auxiliary support of the rear part of the machine body is provided for the processing plate 104, the front auxiliary platform 103 provides the auxiliary support of the front part of the main machine body for the processing plate 104, the upper plane of the auxiliary platform is the same plane with the worktable 101, the front auxiliary platform 103 can be a flat plate or a brush plate, the front auxiliary platform 103 is a foldable structure for convenient operation, the front auxiliary platform 103 is connected with the machine body 100 by a hinge shaft 116, the cylinder or the cylinder 105 realizes the overturning and folding actions of the auxiliary platform, the front auxiliary platform 103 can be an independent integral platform or a discrete double-platform or three-platform structure, the Y-axis guide rail body 400 is arranged on the machine body vertical plate 106 through screws 409, the laser head 206 is arranged on the platform 205 through bolts and driven by a driving motor 209 lead screw 203 to move along the Z axis of the guide rail group 204 in the vertical direction, during operation, the automatic temperature-regulating instrument controls the gap B between the port of the laser head 206 in the Z axis direction and the processed plate 104, the software of the control system 125 controls X, Y-axis operation after digital-analog conversion according to input data or graphics, simultaneously controls the gas system and laser beam on-off to finish two-dimensional shape following or linear processing of the plate, during processing, high-energy laser generates a large amount of smoke dust containing heavy metals to the material, and damages the human body, so that the whole length flexible dustproof shield 107 is arranged between the machine body vertical plate 106 and the front auxiliary platform 103, one end of the laser head is closed, the other end of the laser head is provided with the pipe joint 108 for being connected with a dedusting device, the closed structure only has a cutting gap at the upper end, thereby being beneficial to achieving the dedusting effect, realizing safe and environment protection, and the shield 109 is also provided with a vertical type of cutting machine body, the high-function, the high-temperature multifunctional laser cutting device is a multifunctional vertical type laser cutting device, and a vertical type high-performance laser material cutting device is capable of cutting, and a vertical type high-performance material is realized, and a vertical type high-performance material has a high-quality material, and a vertical type material can be cut, and a high-quality material, and a vertical type material can be cut.
Example 2
When a pipe part needs to be cut, a laser head is operated to the upper part of a numerical control pipe cutting machine at the left end or the right end of a vertical multifunctional laser cutting machine, a machine body 305 of the numerical control pipe cutting machine is provided with a front chuck 300 and a rear chuck 301 which coaxially and synchronously rotate, the front chuck and the rear chuck are matched together to complete clamping of a pipe fitting 302, the coaxial synchronous rotation function of the circumferential direction of the pipe fitting is provided, the rear chuck also provides the axial movement function of the pipe fitting along a guide rail group 303 under the driving of a rear driving box 304, the set distance B between a port of the laser head 206 and the top surface of a processed pipe is matched with an automatic height adjuster, cutting gas and laser beams are cut on and off, linear or shape-following cutting of data or graphics of an input control system is realized, laser cutting software controls the power of the gas system and output laser beams, cutting and marking carving of a machined part can be completed,
example 3
The laser cladding technology is a new material surface modification technology based on a high-power laser, and the specific implementation mode is that alloy powder or other powder and the surface of a matrix are heated and melted rapidly under the action of a laser beam, after the laser beam is removed, the alloy powder or other powder is cooled on the surface of the matrix by self-excitation to form a surface coating, the laser cladding technology can obviously improve the wear resistance, corrosion resistance, heat resistance, oxidation resistance and the like of the surface of the matrix, a laser cladding head is arranged on a Z-axis installation platform 205, the laser cladding feeding system is used for feeding, the laser cladding software of a control system 125 can carry out hot cladding additive processing on the surfaces of plate-type and pipe-type parts, so that the shape and the size of the parts are repaired or the performance is improved, a laser welding head is arranged on the Z-axis installation platform 205, and the plate-type or pipe-type parts can be welded and processed under the support of the laser welding software of the control system 125.
It is apparent that the above-described embodiments are only some embodiments of the present invention, not all of which are included in the present invention, and that all other embodiments obtained by persons having ordinary skill in the art without making any inventive effort are included in the scope of protection of the present invention.
Claims (13)
1. The vertical multifunctional laser cutting machine comprises a control system, a laser system, a gas system, a cooling system, a motion control execution system and a dust removal system, wherein the control system consists of a control panel, an industrial personal computer and an on-site I/O module, the laser system consists of a laser generator, an optical fiber, cooling, gas and a laser head, the gas system consists of a gas storage device, a gas circuit and a control valve, the motion control system consists of a motion operation driving and execution device, and is characterized in that a working platform for placing a plate to be processed is arranged on the machine body, an X-axis guide rail moving part parallel to the working platform and a Y-axis guide rail moving part vertical to an X-axis are arranged above the working platform in the horizontal direction, a Z-axis guide rail moving part vertical to the horizontal plane is arranged on a sliding table moving along the X-axis guide rail, the Z-axis moving part is provided with a mounting table surface, the mounting table surface is provided with a laser head with a vertically downward output laser beam, the mounting table surface is provided with laser heads with different functions in a changing way and can carry out laser cutting, welding, cladding and marking carving under the support of laser software with different functions, the feeding part moving along the Y-axis guide rail is provided with a clamp for clamping a plate to be processed, the plate to be processed is arranged on the working table surface, the rear end of the plate to be processed is clamped on the clamp of the Y-axis moving part, the end part of the laser head in the Z-axis direction controls the relative distance with the top surface of the plate to be processed in real time according to the software control instruction, the laser head in the X-axis direction controls the left and right movement according to the control system laser software calculation instruction, the plate to be processed in the Y-axis direction controls the front and back movement according to the control system laser software calculation instruction, X, Y, and the Z three-axis linkage completes two-dimensional or three-dimensional processing of the set graph of the processed plate.
2. The vertical multi-function laser cutting machine of claim 1, wherein the distance between the center of the laser beam on the mounting table and the front end surface of the working table is 2-30 mm.
3. The vertical multi-functional laser cutting machine of claim 1, the laser head comprising a laser cutting head, a laser welding head, a laser cladding head, a laser marking engraving head.
4. The vertical multi-function laser cutting machine of claim 1, wherein the motion control executing system is a synchronous motor system or a servo motor system.
5. The vertical type multifunctional laser cutting machine according to claim 1, wherein the output end of the laser head is automatically controlled by the height adjuster after a set distance from the surface of the processed plate is maintained according to the instruction.
6. The vertical multifunctional laser cutting machine according to claim 1, wherein the front part of the working platform is provided with a front auxiliary platform, a 5-50 mm cutting gap is reserved between the front auxiliary platform and the front end surface of the working platform, the upper plane of the front auxiliary platform is coplanar with the surface of the working platform, the front auxiliary platform can be integrated or split and can be divided into 2 sections or 3 sections of discrete platforms, the front auxiliary platform can be flat plate type or brush plate type, can be fixed, can also be hinged with a machine body and can be folded, and the folding and unfolding of the front auxiliary platform can be manual, pneumatic, hydraulic or electric supporting rods.
7. The vertical type multifunctional laser cutting machine according to claim 1, wherein the processed plate moving in the Y-axis direction is clamped on a feeding device at the rear part of the working platform, an auxiliary support is further arranged at the rear part of the working platform, and the upper plane of the auxiliary support is coplanar with the upper plane of the working platform.
8. The vertical type multifunctional laser cutting machine according to claim 1 or 6, wherein a dust-proof shield is installed at the lower part of the working table surface and the lower part of the auxiliary table surface at the cutting gap, one end of the shield is closed, and the other end is in a pipe joint structure for being connected with dust removing equipment.
9. The vertical multifunctional laser cutting machine according to claim 1, wherein laser marking and engraving can be realized by controlling laser output to proper power for different plates to be processed.
10. The vertical multifunctional laser cutting machine according to claim 1 and 9, wherein a special laser marking engraving head can be mounted on the Z-axis mounting table surface.
11. The vertical multifunctional laser cutting machine according to claim 1, wherein the guide rail at one end or two ends of the X axis of the machine body is prolonged to a proper size, so that a numerical control pipe cutting machine is installed below the guide rail, the numerical control pipe cutting machine and the vertical multifunctional laser cutting machine form a tube plate laser cutting integrated machine, a laser head and a X, Z shafting are shared by two processing modes of a plate and a tube, and the numerical control pipe cutting machine can be installed at the left end or the right end according to the characteristics of equipment installation sites.
12. The vertical multifunctional laser cutting machine according to claim 1, 2 and 11, wherein a special laser cladding head is arranged on the Z-axis installation table surface, cladding software realizes hot coating additive processing on the surfaces of shaft parts, plate parts or sleeve parts by using the laser cladding head, and likewise, a special laser welding head is arranged on the Z-axis installation table surface, and welding software of a control system carries out welding processing on the plate parts or the pipe parts.
13. The vertical type multifunctional laser cutting machine according to claim 1, wherein the laser generator additionally derives a path light path system, a cooling system and a control system, controls a laser beam passing path and is provided with a handheld laser welding head, and the vertical type multifunctional laser cutting machine has a handheld laser welding function.
Priority Applications (1)
| Application Number | Priority Date | Filing Date | Title |
|---|---|---|---|
| CN202211086473.9A CN116021146A (en) | 2022-09-07 | 2022-09-07 | Vertical multifunctional laser cutting machine |
Applications Claiming Priority (1)
| Application Number | Priority Date | Filing Date | Title |
|---|---|---|---|
| CN202211086473.9A CN116021146A (en) | 2022-09-07 | 2022-09-07 | Vertical multifunctional laser cutting machine |
Publications (1)
| Publication Number | Publication Date |
|---|---|
| CN116021146A true CN116021146A (en) | 2023-04-28 |
Family
ID=86090130
Family Applications (1)
| Application Number | Title | Priority Date | Filing Date |
|---|---|---|---|
| CN202211086473.9A Pending CN116021146A (en) | 2022-09-07 | 2022-09-07 | Vertical multifunctional laser cutting machine |
Country Status (1)
| Country | Link |
|---|---|
| CN (1) | CN116021146A (en) |
Cited By (1)
| Publication number | Priority date | Publication date | Assignee | Title |
|---|---|---|---|---|
| CN117564511A (en) * | 2023-10-10 | 2024-02-20 | 安徽大学绿色产业创新研究院 | Glass plate positioning equipment for laser cutting processing |
-
2022
- 2022-09-07 CN CN202211086473.9A patent/CN116021146A/en active Pending
Cited By (1)
| Publication number | Priority date | Publication date | Assignee | Title |
|---|---|---|---|---|
| CN117564511A (en) * | 2023-10-10 | 2024-02-20 | 安徽大学绿色产业创新研究院 | Glass plate positioning equipment for laser cutting processing |
Similar Documents
| Publication | Publication Date | Title |
|---|---|---|
| CN110508562B (en) | Numerical control equipment suitable for high-efficient laser cleaning of large-scale component | |
| CN206717543U (en) | Double axis compound CNC machine tool | |
| CN101690994A (en) | Numerical control laser processing device | |
| CN207997068U (en) | A kind of industrial robot for dimension laser cutting | |
| ATE354450T1 (en) | LASER CUTTER WITH TWO Y-AXIS DRIVES | |
| CN105458409A (en) | Full-automatic spiral bevel gear milling machine | |
| CN211638623U (en) | Automatic welding system for oil cylinder | |
| CN214518189U (en) | High-precision five-axis laser welding machine tool | |
| CN210208821U (en) | Double housing planer capable of bidirectional planing | |
| CN116021146A (en) | Vertical multifunctional laser cutting machine | |
| CN101653912A (en) | Intelligent multi-functional gland sealing ring finishing equipment | |
| CN213729944U (en) | Seven-axis five-linkage laser welding mechanical structure | |
| CN104759656B (en) | A fully automatic flexible double-sided double-axis CNC drilling and boring machine | |
| CN112548583A (en) | Marine propeller machining robot and machining method thereof | |
| CN115971888A (en) | Vertical multifunctional laser milling machine | |
| CN116100137A (en) | Gantry type constant-cantilever friction stir welding equipment | |
| CN213794726U (en) | Automatic locating and welding device for box-shaped beam | |
| CN115106578A (en) | A three-axis machining table for arc additive production | |
| CN221415124U (en) | Gantry numerical control boring and milling machine | |
| CN207824036U (en) | A kind of multi-shaft interlocked carving and milling machine | |
| CN115488563B (en) | An intelligent welding industrial robot | |
| CN217667118U (en) | Multifunctional laser processing system | |
| CN218533197U (en) | Blade laser cutting system | |
| CN215468804U (en) | Double-sided laser hybrid welding device | |
| CN215050698U (en) | Wear-resisting type high-speed steel laser cladding device |
Legal Events
| Date | Code | Title | Description |
|---|---|---|---|
| PB01 | Publication | ||
| PB01 | Publication | ||
| WD01 | Invention patent application deemed withdrawn after publication |
Application publication date: 20230428 |
|
| WD01 | Invention patent application deemed withdrawn after publication |