CN114088530B - Natural environment-stress cooperative test device - Google Patents

Natural environment-stress cooperative test device Download PDF

Info

Publication number
CN114088530B
CN114088530B CN202111418108.9A CN202111418108A CN114088530B CN 114088530 B CN114088530 B CN 114088530B CN 202111418108 A CN202111418108 A CN 202111418108A CN 114088530 B CN114088530 B CN 114088530B
Authority
CN
China
Prior art keywords
clamping
clamping seat
test device
test
lever
Prior art date
Legal status (The legal status is an assumption and is not a legal conclusion. Google has not performed a legal analysis and makes no representation as to the accuracy of the status listed.)
Active
Application number
CN202111418108.9A
Other languages
Chinese (zh)
Other versions
CN114088530A (en
Inventor
钟勇
王成章
刘丽辉
封先河
杨万均
杨小奎
周堃
郭赞洪
许斌
冯利军
杨祎
李昊瑜
Current Assignee (The listed assignees may be inaccurate. Google has not performed a legal analysis and makes no representation or warranty as to the accuracy of the list.)
Southwest Institute of Technology and Engineering of China South Industries Group
Original Assignee
No 59 Research Institute of China Ordnance Industry
Priority date (The priority date is an assumption and is not a legal conclusion. Google has not performed a legal analysis and makes no representation as to the accuracy of the date listed.)
Filing date
Publication date
Application filed by No 59 Research Institute of China Ordnance Industry filed Critical No 59 Research Institute of China Ordnance Industry
Priority to CN202111418108.9A priority Critical patent/CN114088530B/en
Publication of CN114088530A publication Critical patent/CN114088530A/en
Application granted granted Critical
Publication of CN114088530B publication Critical patent/CN114088530B/en
Active legal-status Critical Current
Anticipated expiration legal-status Critical

Links

Images

Classifications

    • GPHYSICS
    • G01MEASURING; TESTING
    • G01NINVESTIGATING OR ANALYSING MATERIALS BY DETERMINING THEIR CHEMICAL OR PHYSICAL PROPERTIES
    • G01N3/00Investigating strength properties of solid materials by application of mechanical stress
    • G01N3/08Investigating strength properties of solid materials by application of mechanical stress by applying steady tensile or compressive forces
    • GPHYSICS
    • G01MEASURING; TESTING
    • G01NINVESTIGATING OR ANALYSING MATERIALS BY DETERMINING THEIR CHEMICAL OR PHYSICAL PROPERTIES
    • G01N3/00Investigating strength properties of solid materials by application of mechanical stress
    • G01N3/02Details
    • GPHYSICS
    • G01MEASURING; TESTING
    • G01NINVESTIGATING OR ANALYSING MATERIALS BY DETERMINING THEIR CHEMICAL OR PHYSICAL PROPERTIES
    • G01N3/00Investigating strength properties of solid materials by application of mechanical stress
    • G01N3/20Investigating strength properties of solid materials by application of mechanical stress by applying steady bending forces
    • GPHYSICS
    • G01MEASURING; TESTING
    • G01NINVESTIGATING OR ANALYSING MATERIALS BY DETERMINING THEIR CHEMICAL OR PHYSICAL PROPERTIES
    • G01N2203/00Investigating strength properties of solid materials by application of mechanical stress
    • G01N2203/0001Type of application of the stress
    • G01N2203/0003Steady
    • GPHYSICS
    • G01MEASURING; TESTING
    • G01NINVESTIGATING OR ANALYSING MATERIALS BY DETERMINING THEIR CHEMICAL OR PHYSICAL PROPERTIES
    • G01N2203/00Investigating strength properties of solid materials by application of mechanical stress
    • G01N2203/0014Type of force applied
    • G01N2203/0016Tensile or compressive
    • GPHYSICS
    • G01MEASURING; TESTING
    • G01NINVESTIGATING OR ANALYSING MATERIALS BY DETERMINING THEIR CHEMICAL OR PHYSICAL PROPERTIES
    • G01N2203/00Investigating strength properties of solid materials by application of mechanical stress
    • G01N2203/0014Type of force applied
    • G01N2203/0023Bending
    • GPHYSICS
    • G01MEASURING; TESTING
    • G01NINVESTIGATING OR ANALYSING MATERIALS BY DETERMINING THEIR CHEMICAL OR PHYSICAL PROPERTIES
    • G01N2203/00Investigating strength properties of solid materials by application of mechanical stress
    • G01N2203/0058Kind of property studied
    • G01N2203/0069Fatigue, creep, strain-stress relations or elastic constants

Landscapes

  • Physics & Mathematics (AREA)
  • Health & Medical Sciences (AREA)
  • Life Sciences & Earth Sciences (AREA)
  • Chemical & Material Sciences (AREA)
  • Analytical Chemistry (AREA)
  • Biochemistry (AREA)
  • General Health & Medical Sciences (AREA)
  • General Physics & Mathematics (AREA)
  • Immunology (AREA)
  • Pathology (AREA)
  • Investigating Strength Of Materials By Application Of Mechanical Stress (AREA)

Abstract

本发明提供了一种自然环境‑应力协同试验装置,包括用于夹持试件的夹持座A和夹持座B,夹持座A和夹持座B水平布置在台座上,夹持座A和夹持座B设置在同一组导轨上,夹持座A能够被固定,夹持座B通过杠杆连接拉/压载荷加载系统。本发明能够实现试验样品静态拉应力加载,能够实现大变形量样品拉应力持续加载,能够实现试验样品恒幅疲劳载荷加载,能够实现试验样品静态压应力加载;能实现试验样品弯曲应力加载,能实现试验样品的拉‑弯、压‑弯多点复合程控加载。

Figure 202111418108

The present invention provides a natural environment-stress synergy test device, comprising a clamping seat A and a clamping seat B for clamping a test piece, the clamping seat A and the clamping seat B are horizontally arranged on the bench, and the clamping seat A and the clamping base B are arranged on the same set of guide rails, the clamping base A can be fixed, and the clamping base B is connected to the tension/compression load loading system through a lever. The invention can realize the static tensile stress loading of the test sample, can realize the continuous loading of the tensile stress of the large deformation sample, can realize the constant amplitude fatigue load loading of the test sample, can realize the static compressive stress loading of the test sample; can realize the bending stress loading of the test sample, can realize Realize multi-point composite program-controlled loading of tensile-bending and compression-bending test samples.

Figure 202111418108

Description

Natural environment-stress cooperative test device
Technical Field
The invention belongs to the technical field of environmental test equipment, and particularly relates to a natural environment-stress cooperative test device.
Background
In engineering practice, the force-bearing component can not only be subjected to the single or comprehensive action of environmental factors such as temperature, humidity, rain and snow, solar radiation, wind and sand, dust, salt mist and industrial pollution in the long-term use process, but also be subjected to the synergistic action of a complex load environment, and often shows different damage modes and damage mechanisms when the force-bearing component is statically used and is simply loaded. At this stage, the particularity and complexity of the structural environmental damage mode and mechanism under the use condition provides new requirements and challenges for the traditional environmental test method. However, most of the existing environmental tests are directed at material processes and component samples, static or dynamic natural exposure modes are adopted, or a laboratory accelerated test is used for researching the influence of the environment on the performance and/or the function of the samples, the coupling effect of the environment-load is less considered, and environment-stress cooperative test devices and technologies effective for the load-bearing structure are lacked, especially simulation devices and technologies for complex load forms such as multi-point cooperative loading, stretching-bending/compressing-bending composite alternating loading and the like under typical/extreme environmental conditions are lacked, the structural environment damage test and quantitative characterization technology research foundation is weak, the environmental adaptability design basis is insufficient, and the service performance degradation and influence of the load-bearing structure are difficult to be fully assessed, verified and evaluated under the use condition.
In the prior art, document CN2018214240324 discloses a marine climate environment-tensile, compressive and bending load coupling test device, which includes a host, a hydraulic station and a control system thereof, which are arranged in an underground closed control room with controllable temperature and humidity and are used for driving and controlling the host to operate, and a software control system which is arranged in a ground control room and is used for controlling test conditions, wherein the host, the hydraulic station and the control system thereof and the software control system thereof are separately arranged. However, the environment-tension-bending test, the environment-compression-bending test and the environment-bending test can only be carried out by adopting the equipment, the environment-tension-bending test or the environment-compression-bending test cannot be cooperatively loaded, and the cost of the device is high and reaches tens of thousands yuan/set.
Furthermore, although document CN2020201773968 discloses a tensile bending tester, comprising a test frame, a tensile structure and a bending compression structure, the tensile structure is mounted at the bottom of the inner cavity of the test frame, and the bending compression structure is mounted at the top of the test frame. However, the testing machine still cannot continuously carry out environment-tension-bending test or environment-compression-bending test cooperative loading in outdoor environment for a long time, and cannot accurately adjust, control and apply bending load and tension/compression load of different sizes, and further cannot simultaneously carry out large-batch environment-tension/compression-bending test.
Disclosure of Invention
The invention aims to provide a natural environment-stress cooperative test device which is at least used for solving the technical problems that the conventional environment test equipment can not continuously carry out environment-tension-bending test or environment-compression-bending test cooperative loading in outdoor environment for a long time, can not accurately adjust, control and apply bending loads and tension/compression loads with different sizes, and can not simultaneously carry out large-batch environment-tension/compression-bending test.
In order to achieve the above object, the present invention adopts the following technical solutions.
The utility model provides a natural environment-stress cooperative test device, is including grip slipper A and the grip slipper B that is used for the centre gripping test piece, and grip slipper A and grip slipper B level are arranged on the pedestal, its characterized in that: the clamping seat A and the clamping seat B are arranged on the same group of guide rails, the clamping seat A can be fixed, and the clamping seat B is connected with a tension/compression load loading system through a lever; the tension/compression load loading system comprises a stainless steel wire rope wound on two fixed pulleys at the same height, one end of the stainless steel wire rope is connected with a weight, the other end of the stainless steel wire rope is connected with a vertical pull rod, a slide block is arranged on the vertical pull rod, a support lug is arranged on the front side of the slide block, the support lug is movably sleeved on the vertical pull rod, a chute on the back side of the slide block is matched on a vertical line rail, an annular limiting plate is arranged on the vertical pull rod below the support lug, the upper end of a third spring sleeved on the vertical pull rod abuts against the support lug, the lower end of the third spring abuts against the annular limiting plate, the line rail is fixed on a support, a driving motor is arranged on the support, the output end of the driving motor is connected with a cam assembly, and the cam assembly is connected with the slide block; the driving motor drives the cam assembly to rotate during operation, the cam assembly drives the sliding block to move up and down repeatedly, the third spring is compressed and drives the vertical pull rod to move down to the limit position when the sliding block moves down to the limit position, and the third spring resets when the sliding block moves up to the limit position.
In order to improve the stability of the testing device, a guide plate is fixedly arranged on the vertical pull rod below the annular limiting plate, and the sliding block is clamped in a clamping groove in the guide plate.
In order to facilitate accurate adjustment, control and application of pull/press loads of different sizes, a plug pin which can be taken out is arranged on the vertical pull rod below the third spring, and the annular limiting plate is sleeved on the vertical pull rod and is axially limited by the plug pin.
For the commonality that improves test device, the fixed right angle set square that is provided with on the lever is provided with a plurality of through-holes on the vertical border that is close to the right angle set square, and the articulated shaft that sets up on the pedestal is worn to establish in arbitrary through-hole wherein. The structure facilitates large-scale adjustment of the tension/compression load, and can prevent the tension/compression load loading system from being stuck.
In order to improve the flexibility of the testing device and prevent the tension/compression fatigue loading from changing suddenly, the fixed pulley is positioned below the lever, and the stainless steel wire rope can move along the fixed pulley so as to realize the adaptive lifting of the weight along with the vertical pull rod.
In the invention, a jacking mechanism for transversely jacking a test piece is arranged on a pedestal, and the jacking mechanism is positioned between a clamping seat A and a clamping seat B; and a creep compensation system used for pulling back the clamping seat A to a specified position is arranged on the pedestal, and the creep compensation system is positioned at the opposite side of the lever and is fixedly connected with the clamping seat A. The scheme is particularly suitable for the test sample which is easy to creep under the stress state, and is particularly suitable for engineering plastic samples.
In the invention, a plurality of pedestals are arranged side by side; preferably, 4-30 pedestals are arranged, each pedestal is provided with two sets of mutually staggered pull/press load loading systems and two sets of mutually parallel guide rails, and each set of pull/press load loading system is independently provided with a creep compensation system and a jacking mechanism. With such a configuration, it is possible to perform tests for 8 to 60 sets of samples at the same time with extremely low test costs.
Furthermore, the jacking mechanism comprises a jacking mechanism support arranged between the two clamping seats, and the midpoint between the two clamping seats and the center of the jacking mechanism support are positioned on the same vertical line; a jacking rod assembly is vertically arranged on the jacking mechanism support, the upper end of the jacking rod assembly is used for jacking a test piece, and a crank mechanism below the jacking rod assembly is connected with a motor; the crank mechanism comprises a cam connected to an output shaft of the motor, the cam is matched with the movable shaft, and the movable shaft and the jacking rod assembly are driven to reciprocate up and down when the cam rotates; the jacking mechanism also comprises a guide sleeve which is vertically penetrated and fixed on a support of the jacking mechanism, a movable shaft is axially arranged in the guide sleeve, the upper end of the movable shaft abuts against the jacking rod assembly, the lower end of the movable shaft is matched with the cam, ear pins symmetrically arranged on the movable shaft are radially penetrated in strip-shaped holes of the guide sleeve, one part of the jacking rod assembly is precisely matched in the guide sleeve, and the other part of the jacking rod assembly extends upwards; the jacking rod assembly comprises a cylinder with a brim, a screw hole is formed in the middle of the brim, a jacking rod is axially and threadedly matched in the screw hole, the top end of the jacking rod is used for jacking the test piece, a second spring is sleeved on the cylinder, the upper end of the second spring abuts against the brim, and the lower end of the second spring abuts against the movable shaft; the top pressure mechanism support is matched with or fixed on the horizontal guide rail rod in a sliding way, and two sets of elastic pieces with the same specification symmetrically arranged on the top pressure mechanism support are respectively connected with the clamping seat.
Furthermore, the creep compensation system comprises a ball screw fixedly connected to the clamping seat A, a nut seat with a first helical tooth is matched on the ball screw, and the first helical tooth is meshed with a second helical tooth at the output end of the servo motor; or, a nut seat is matched on the ball screw, a first helical tooth is fixedly sleeved on the nut seat, and the first helical tooth is meshed with a second helical tooth at the output end of the servo motor; when the servo motor operates, the helical teeth II are driven to rotate, the nut seat is further driven to rotate, and the ball screw is further driven to move so as to realize the pull-back of the clamping seat A; a sensor A and a sensor B are arranged right below the lever, the sensor A, the sensor B, the servo motor and the tension/compression load loading system are respectively connected with a control system, the control system comprises a memory, a processor and a program which is stored on the memory and can run on the processor, and the processor executes the program to realize the following steps/functions: when the sensor A monitors that the lever deflects by a preset angle, a servo motor of the creep automatic compensation system is started to operate immediately, the clamping seat A is pulled back to a preset position, and then the servo motor is controlled to be closed; and when the sensor B monitors that the lever deflects by a preset angle II, immediately closing the pull/press load loading system.
In the invention, the loading frequency of the tension/compression load loading system is 1-16 HZ; the bending loading frequency of the jacking mechanism is 0.01-5 HZ.
The invention has the following beneficial effects:
1. the static tensile stress loading of a test sample can be realized, the tensile stress continuous loading of a sample with large deformation can be realized, the constant amplitude fatigue load loading of the test sample can be realized, and the static compressive stress loading of the test sample can be realized; the bending stress loading of a test sample can be realized, and the multi-point composite program control loading of the test sample in stretching-bending and pressing-bending can be realized;
2. the environment-tension-bending test or environment-compression-bending test can be continuously carried out in outdoor environment for a long time, the bending loads and the tension/compression loads with different sizes can be accurately adjusted, controlled and applied, and the environment-tension/compression-bending tests can be carried out in large batch at the same time; the tension/compression load can be conveniently and greatly adjusted, and the clamping stagnation of a tension/compression load loading system can be prevented;
3. the device can always ensure that the longitudinal bending load application point is positioned in the middle area of the test piece under the unattended condition, perform regular stress test according to the actual stress state of the test piece, efficiently, accurately, stably and flexibly control a strain concentration area in real time, and continuously perform cooperative/coupled loading of the longitudinal bending load and the transverse pulling/pressing load under outdoor environment, especially severe environment (such as coastal areas and alpine regions) for a long time (months or even years), and is particularly suitable for researching and evaluating the environmental damage performance evolution of engineering plastic components; the bending stress and the tensile/compressive stress of high frequency and large load can be stably loaded on the test piece (especially a rod piece, a plate piece and a cylindrical piece in a creep state) in a coordinated mode, and when the bending loading frequency is 1-5HZ, the bending stress load can reach more than 375 kg; the fatigue load loading frequency of 1-16HZ can be realized;
4. the test device has the advantages of low cost (only about two ten thousand yuan per set of cost), simple mechanical structure and small occupied space, realizes large-tonnage (1-3 tons) environment-pull/press-bending test and accurate control thereof in the natural environment, and can synchronously carry out the test for a plurality of sets of samples.
Drawings
FIG. 1 is a schematic view of a natural environment-stress synergy test device (single stand) in the example;
FIG. 2 is an enlarged view of portion A of FIG. 1;
FIG. 3 is a schematic view of a tensile/compressive load loading system of the natural environment-stress synergy test device in the embodiment;
FIG. 4 is a partial schematic view of a natural environment-stress synergy test device in the embodiment;
FIG. 5 is a top view of the natural environment-stress synergy test device in an example (four pedestals, eight sets of tension/compression load loading systems arranged side by side);
FIG. 6 is a schematic view (inclined elevation) of the pressing mechanism in the embodiment;
FIG. 7 is a partial perspective view of the pressing mechanism in the embodiment;
fig. 8 is an exploded view of a top press rod assembly of the top press mechanism of the embodiment.
Detailed Description
The following examples are provided only for the understanding of the principle of the present invention and the core idea thereof, and are not intended to limit the scope of the present invention. It should be noted that modifications to the invention as described herein, which do not depart from the principles of the invention, are intended to be within the scope of the claims which follow.
Examples
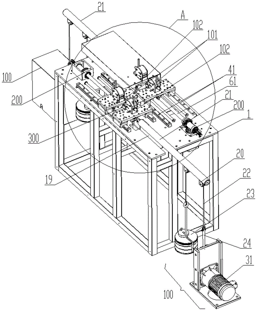
As shown in fig. 1 to 8, a natural environment-stress synergy test device includes a clamping seat a101 and a clamping seat B102 for clamping a test piece, wherein the clamping seat a101 and the clamping seat B102 are horizontally arranged on a pedestal 1, the clamping seat a101 and the clamping seat B102 are arranged on a same set of guide rails 41, the guide rails 41 are fixed on the pedestal 1, the clamping seat a101 can be fixed, and the clamping seat B102 is connected with a tension/compression load loading system 100 through a lever 21; the tension/compression load loading system 100 comprises a stainless steel wire rope 22 wound on two fixed pulleys 20 at the same height, one end of the stainless steel wire rope 22 is connected with a weight 23, the other end of the stainless steel wire rope is connected with a vertical pull rod 24, a slide block 25 is arranged on the vertical pull rod 24, a support lug 28 is arranged on the front surface of the slide block 25, the support lug 28 is movably sleeved on the vertical pull rod 24, a chute on the back surface of the slide block 25 is matched on a vertical wire rail 26, an annular limit plate 27 is arranged on the vertical pull rod 24 below the support lug 28, the upper end of a third spring 29 sleeved on the vertical pull rod 24 abuts against the support lug 28, the lower end of the third spring 29 abuts against the annular limit plate 27, the wire rail 26 is fixed on a support 30, a driving motor 31 is arranged on the support 30, the output end of the driving motor 31 is connected with a cam assembly 32, and the cam assembly 32 is connected with the slide block 25; when the driving motor 31 operates, the cam assembly 32 is driven to rotate, the cam assembly 32 drives the slide block 25 to move up and down repeatedly, and when the slide block 25 moves down to the limit position, the third spring 29 is compressed and drives the vertical pull rod 24 to move down to the limit position, and when the slide block 25 moves up to the limit position, the third spring 29 resets.
In this embodiment, a guide plate 33 is fixedly arranged on the vertical pull rod 24 below the ring-shaped limit plate 27, and the slider 25 is clamped in a clamping groove 34 on the guide plate 33; a plug pin 35 which can be taken out is arranged on the vertical pull rod 24 which is positioned below the third spring 29, and the annular limit plate 27 is sleeved on the vertical pull rod 24 and is axially limited by the plug pin 35; the fixed pulley 20 is positioned below the lever 21, and the stainless steel wire rope 22 can move along the fixed pulley 20 to realize that the weight 23 can be adaptively lifted along with the vertical pull rod 24.
In this embodiment, as shown in fig. 4, a right triangle 19 is fixedly disposed on the lever 21, a plurality of through holes 18 are disposed near the vertical edge of the right triangle 19, and the hinge shaft 17 disposed on the pedestal 1 is inserted into any one of the through holes 18, i.e., the fulcrum of the lever 21 can be set in any one of the through holes 18 to correspond to different magnitudes of pulling/pressing loads.
In this embodiment, a jacking mechanism 300 for jacking the test piece longitudinally is arranged on the pedestal 1, and the jacking mechanism is located between the clamping seat a101 and the clamping seat B102; a creep compensation system 200 for pulling back the grip holder a to a specified position is provided on the pedestal 1, and the creep compensation system 200 is located on the opposite side of the lever 21 and fixedly connected to the grip holder a 101. As shown in fig. 5, four pedestals 1 are arranged side by side, a corridor with a distance of 50-100cm is provided between adjacent pedestals 1, each pedestal 1 is provided with two sets of mutually staggered pull/press load loading systems 100 and two sets of mutually parallel guide rails 41, each set of pull/press load loading system 100 is independently provided with a creep compensation system 200 and a jacking mechanism 300, each set of pull/press load loading system 100, each set of creep compensation system 200, each jacking mechanism 300, sidewalls and tops of pedestals 1 are provided with cover plates 17, mainly only ejector rods of a clamping seat, a weight 23 and the jacking mechanism are exposed outside, and other structures are basically box-type protection structures. This enables eight sets of samples to be tested simultaneously. In the remaining embodiments, the number of the stands 1 and the equipment and components thereon can be expanded according to the required number of sets as far as the site permits.
In this embodiment, as shown in fig. 6-8, the pressing mechanism 300 includes a pressing mechanism support 40 disposed between two holders, and a midpoint between the two holders and a center of the pressing mechanism support 40 are located on a same vertical line; a jacking rod assembly 43 is vertically arranged on the jacking mechanism support 40, the upper end of the jacking rod assembly 43 is used for jacking the test piece, and a crank mechanism below the jacking rod assembly 43 is connected with a motor 44; the crank mechanism comprises a cam 45 connected to an output shaft of the motor 44, the cam 45 is matched with the movable shaft 48, and the cam 45 drives the movable shaft 48 and the jacking rod assembly 43 to move up and down in a reciprocating manner when rotating; the jacking mechanism further comprises a guide sleeve 47 vertically penetrating and fixed on the jacking mechanism support 40, a movable shaft 48 is axially arranged in the guide sleeve 47, the upper end of the movable shaft 48 abuts against the jacking rod assembly 43, the lower end of the movable shaft 48 is matched with a cam 45, ear pins 49 symmetrically arranged on the movable shaft 48 radially penetrate through a strip-shaped hole 50 of the guide sleeve 47, one part of the jacking rod assembly 43 is precisely matched in the guide sleeve 47, and the other part of the jacking rod assembly 43 extends upwards; the top pressure rod assembly 43 comprises a cylinder 432 with a brim 431, a screw hole 433 is arranged in the middle of the brim 431, a top rod 434 is axially and in threaded fit in the screw hole 433, the top end of the top rod 434 is used for top pressure of a test piece, a second spring 435 is sleeved on the cylinder 432, the upper end of the second spring 435 abuts against the brim 431, and the lower end of the second spring 435 abuts against the movable shaft 48; the jacking mechanism support 40 is slidably matched or fixed on the horizontal guide rail rod 53, and two sets of elastic pieces 42 with the same specification symmetrically arranged on the jacking mechanism support 40 are respectively connected with the clamping seats.
In this embodiment, as shown in fig. 2, the creep compensation system includes a ball screw 61 fixedly connected to a clamping seat a101, a nut seat 63 with a first helical tooth 62 is fitted on the ball screw 61, and the first helical tooth 62 is engaged with a second helical tooth 64 at the output end of the servo motor 60; or, a nut seat 63 is matched on the ball screw 61, a first helical tooth 62 is fixedly sleeved on the nut seat 63, and the first helical tooth 62 is meshed with a second helical tooth 64 at the output end of the servo motor 60; when the servo motor 60 operates, the second helical gear 64 is driven to rotate, the nut seat 63 is driven to rotate, the ball screw 61 is driven to move, so that the clamping seat A101 is pulled back, and the clamping seat B102 is driven to move synchronously when the clamping seat A101 moves; a sensor a and a sensor B are arranged right below the lever 21, the sensor a, the sensor B, the servo motor 60 and the tension/compression load loading system are respectively connected with a control system, the control system comprises a memory, a processor and a program which is stored on the memory and can be run on the processor, and the processor realizes the following steps/functions when executing the program: when the sensor A monitors that the lever 21 deflects by a preset angle, the servo motor 60 of the creep automatic compensation system is started to operate immediately, the clamping seat A101 is pulled back to a preset position, and then the servo motor 60 is controlled to be closed; when the sensor B detects that the lever 21 is deflected by the preset angle two, the pull/press load loading system 100 is immediately turned off.
In this embodiment, the loading frequency of the tension/compression load loading system 100 can be arbitrarily selected within a range of 1 to 16HZ, and the bending loading frequency of the pressing mechanism 300 can be arbitrarily selected within a range of 0.01 to 5 HZ.
In this embodiment, adopt 316L stainless steel square pipe welding preparation main part supporting framework, each guard plate (apron 17) adopts the 316L stainless steel board of thickness 1mm to make, the landing slab of pedestal 1 adopts the 6061 aluminum alloy plate that thickness is 16mm, the closing cap panel of box adopts whole milling process, requires within the accumulative error of hole site 0.05mm, carry out the plastic-blasting after pedestal 1's mesa aluminum alloy surface anodic oxidation and handle, guarantee the appearance and the surface finish quality of box. Each protection component has the rainproof and dustproof functions, the exposure of key connecting pieces and metal components can be effectively reduced, the corrosion resistance of the test device is improved, and the service life of the test device is prolonged.
In this embodiment, the tensile/compressive load loading system 100 is used to realize the coupling application of the transverse dynamic and static loads, and when the driving motor 31 is not considered, the transverse static load value mainly depends on the lever size of the loading arm, the position of the stressed fulcrum of the loading arm, the position of the weight and the mass of the weight; the lateral dynamic load is mainly determined by the rotational speed of the motor 31, the specification of the third spring 29, the weight mass and the specification of the cam member 32. The specific load magnitude is calculated by the person skilled in the art according to the actual situation.
In this embodiment, the weight can be set to various specifications, including but not limited to 1kg, 2kg, 5kg, 10 kg. In the actual test process, the weights are freely combined and overlapped according to the test requirements. The weight is made of a 45-steel bar with the thickness of 210mm, and a 16-mm wide strip-shaped groove is formed in the center of the weight, so that loading and unloading in the test process are facilitated; and after machining and forming, carrying out integral hot-dip galvanizing treatment on the weights, wherein the 45# steel subjected to the integral surface hot-dip galvanizing treatment can meet the anti-corrosion requirement of more than five years in a damp-heat ocean atmosphere environment. Simultaneously, in order to ensure that the weight is accurate (the weight error is required to be less than or equal to 2%), after the test device is developed and put into use, the platform scale which is used once every half year and is calibrated is used for measuring the weight.
In the embodiment, the track is milled, ground and drilled by a 316L stainless steel plate with the thickness of 20mm, the 316L stainless steel plate is connected with the sliding block through a 316L stainless steel bolt, the parallelism of the track is corrected by a dial indicator, so that the clamping seats are adjusted to run smoothly, the coaxiality of force loading of a sample is ensured to be within +/-10%, and the clamping seats and the jacking mechanism support can horizontally move back and forth under extremely low friction force as the track is connected with the pedestal 1 in parallel.
During the use, place test device in atmospheric environment, exert the process of sound load to the test piece: when the driving motor 31 is operated, the cam assembly 32 is driven to operate, the cam of the cam assembly 32 is rotated, and the slider 25 is driven to move up and down repeatedly, in the process, the third spring 29 is repeatedly pressed down to repeatedly compress and reset the third spring 29, and then the vertical pull rod 24 is driven to repeatedly lift up and down, when the third spring 29 is pressed down to the limit position, the fatigue load applied to the test piece by means of the lever 21 and the clamping seat is a peak (peak) value, when the third spring 29 is reset, the fatigue load applied to the test piece by means of the lever 21 and the clamping seat is a valley (valley) value, and along with the continuous operation of the driving motor 31, the fatigue load applied to the test piece is a continuous (waveform) peak-valley value, and the fatigue load is coupled with the transverse static load value applied by the weight.
Procedure for applying load to the center of the test piece: when the motor 44 operates, the cam 45 is driven to rotate, when the cam 45 rotates, the movable shaft 48 is driven to move up and down in a reciprocating manner, the jacking rod assembly 43 moves up and down along with the movable shaft 48 in a reciprocating manner, when the jacking rod assembly 43 moves up, the test piece is longitudinally jacked to apply longitudinal load to bend the test piece, when the jacking rod assembly 43 moves down, the test piece resets, and thus the continuous operation is performed to continuously apply bending load to the test piece; and when the bending load is applied, a tension/compression load loading system is adopted to apply an axial tension load or an axial compression load to the test piece, and the two loads are applied simultaneously, so that the coupling loading of the longitudinal bending load and the transverse tension/compression load of the test piece is realized.
Because the test piece creeps and becomes longer gradually under the action of the axial tension load, the clamping seat B102 can also make adaptive displacement along with the test piece, and therefore, the jacking mechanism and/or the clamping seat are required to be moved to adjust the application point of the longitudinal load. In the embodiment, the sensor a arranged right below the lever 21 is used for monitoring the deflection amount of the lever 21, once the lever 21 deflects to a preset angle, the test piece is elongated to a certain degree, the middle part of the test piece deviates from a longitudinal load application area, then the servo motor 60 of the creep automatic compensation system is immediately started to operate, the clamping seat a101 is pulled back to a preset position, meanwhile, the clamping seat B102 also synchronously moves along with the clamping seat a101, the middle part of the test piece returns to the longitudinal load application area again, and then the servo motor 60 is controlled to be turned off; when the sensor B detects that the lever 21 deflects by the preset angle two as the test piece continues to be elongated, the test piece is broken by pulling, and the tension/compression load loading system is immediately closed. In this embodiment, two sets of elastic members (springs) with the same specification symmetrically arranged on the jacking mechanism support 40 can perform an automatic centering function, and after either the holder a101 or the holder B102 moves, the elastic members can automatically adjust the extension or contraction amount, so that the jacking mechanism is always located at the central position between the holder a101 and the holder B102, thereby further ensuring that the jacking member is over against the center of the test piece.
In other embodiments, the jacking mechanism support 40 may be fixed on the horizontal guide rail 53, and the clamping seat a101 may be pulled back by a half of the elongation of the test piece directly through the creep automatic compensation system, for example, when the elongation of the test piece (engineering plastic rod) is Nmm, the center of the elongated test piece is shifted by N/2mm relative to the center of the test piece in the initial state, at this time, the clamping seat a101 needs to be pulled back by N/2mm, and the clamping seat a101 also needs to be moved back by N/2mm correspondingly.
In other embodiments, the push rod 434 may also have a structure that (1) as shown in fig. 7, the push rod 434 has a cylindrical part 51, the top end of the cylindrical part 51 is connected with the U-shaped part 52, and when a longitudinal bending load is applied, a test piece passes through the U-shaped groove of the U-shaped part 52; (2) as shown in fig. 8, the jack 434 has a cylindrical portion 51, the tip of the cylindrical portion 51 is connected to the V-shaped portion 54, and the test piece is inserted through the space in the V-shaped groove of the V-shaped portion 54 when a longitudinal bending load is applied.
In the embodiment, the foregoing structure and drawings only represent an environment-pull-bending test, and if the environment-press-bending test is to be implemented, it is only necessary to provide transverse through holes on the clamping seat a101 and the clamping seat B102, respectively, pass the lever 21 through the corresponding through hole and connect to the clamping seat a101, pass the ball screw 61 through the corresponding through hole and connect to the clamping seat B102, and when the pull/press load loading system 100 operates, the clamping seat a101 and the clamping seat B102 approach each other, thereby implementing the press action.
By adopting the scheme in the embodiment, the longitudinal bending load application point can be always ensured to be positioned in the middle area of the test piece under the unattended condition, the regular stress test is carried out according to the actual stress state of the test piece, the strain concentration area can be efficiently, accurately, stably and flexibly controlled in real time, the cooperative/coupling loading of the longitudinal bending load and the transverse pulling/pressing load can be continuously carried out under the outdoor environment, particularly the severe environment (such as coastal areas and high-cold areas) for a long time (months or even years), and the method is particularly suitable for researching and evaluating the environmental damage performance evolution of engineering plastic components; by adopting the scheme in the embodiment, the test piece (particularly the rod piece, the plate piece and the cylindrical piece in a creep state) can be stably loaded with the bending stress and the tensile/compressive stress in a high-frequency and large-load manner, and when the bending loading frequency is 1-5HZ, the bending stress load can reach more than 375 kg.

Claims (10)

1.一种自然环境-应力协同试验装置,包括用于夹持试件的夹持座A(101)和夹持座B(102),夹持座A(101)和夹持座B(102)水平布置在台座(1)上,其特征在于:夹持座A(101)和夹持座B(102)设置在同一组导轨(41)上,夹持座A(101)能够被固定,夹持座B(102)通过杠杆(21)连接拉/压载荷加载系统(100);拉/压载荷加载系统(100)包括绕在同一高度的两个定滑轮(20)上的不锈钢钢丝绳(22),不锈钢钢丝绳(22)一端连接砝码(23)、另一端连接立式拉杆(24),在立式拉杆(24)上设置有滑块(25),滑块(25)正面设置有支耳(28),支耳(28)活动套设在立式拉杆(24)上,滑块(25)背面的滑槽配合在竖直线轨(26)上,在位于支耳(28)下方的立式拉杆(24)上设置有环形限位板(27),套设在立式拉杆(24)上的第三弹簧(29)上端抵靠支耳(28),第三弹簧(29)下端抵靠在环形限位板(27)上,线轨(26)固定在支座(30)上,在支座(30)上设置有驱动电机(31),驱动电机(31)的输出端连接凸轮组件(32),凸轮组件(32)连接滑块(25);驱动电机(31)运行时带动凸轮组件(32)转动,凸轮组件(32)带动滑块(25)上下反复移动,且在滑块(25)下移至极限位置时,第三弹簧(29)被压缩并带动立式拉杆(24)下移至极限位置,在滑块(25)上移至极限时第三弹簧(29)复位。1. A natural environment-stress synergy test device, comprising a clamping base A (101) and a clamping base B (102) for clamping a specimen, and a clamping base A (101) and a clamping base B (102) ) is horizontally arranged on the pedestal (1), characterized in that: the clamping seat A (101) and the clamping seat B (102) are arranged on the same set of guide rails (41), and the clamping seat A (101) can be fixed, The clamping base B (102) is connected to the tension/compression load loading system (100) through a lever (21); the tension/compression load loading system (100) includes a stainless steel wire rope ( 22), one end of the stainless steel wire rope (22) is connected to the weight (23), and the other end is connected to the vertical pull rod (24). The support lug (28), the support lug (28) is movably sleeved on the vertical pull rod (24), the sliding groove on the back of the slider (25) is matched with the vertical line rail (26), and the support lug (28) is located on the vertical rail (26). An annular limit plate (27) is arranged on the lower vertical pull rod (24), the upper end of a third spring (29) sleeved on the vertical pull rod (24) abuts against the lug (28), and the third spring (29) ) the lower end abuts on the annular limit plate (27), the wire rail (26) is fixed on the support (30), the support (30) is provided with a drive motor (31), and the output of the drive motor (31) The end is connected with the cam assembly (32), and the cam assembly (32) is connected with the slider (25); when the driving motor (31) is running, the cam assembly (32) is driven to rotate, and the cam assembly (32) drives the slider (25) to move up and down repeatedly, And when the slider (25) moves down to the limit position, the third spring (29) is compressed and drives the vertical pull rod (24) to move down to the limit position. When the slider (25) moves up to the limit, the third spring (29) is compressed. 29) Reset. 2.根据权利要求1所述的试验装置,其特征在于:在位于环形限位板(27)下方的立式拉杆(24)上固定设置有导向板(33),滑块(25)卡合在导向板(33)上的卡槽(34)中。2. The test device according to claim 1, characterized in that: a guide plate (33) is fixedly arranged on the vertical pull rod (24) located under the annular limit plate (27), and the slider (25) is engaged with in the slot (34) on the guide plate (33). 3.根据权利要求2所述的试验装置,其特征在于:在位于第三弹簧(29)下方的立式拉杆(24)上设置有可取出的插销(35),环形限位板(27)套设在立式拉杆(24)上并被插销(35)轴向限位。3. The test device according to claim 2, characterized in that: a removable pin (35) is provided on the vertical pull rod (24) under the third spring (29), and the annular limit plate (27) The utility model is sleeved on the vertical pull rod (24) and axially limited by the latch (35). 4.根据权利要求3所述的试验装置,其特征在于:杠杆(21)上固定设置有直角三角板(19),在靠近直角三角板(19)的竖直边沿设置有多个通孔(18),设置在台座(1)上的铰接轴(17)穿设在其中的任一通孔(18)中。4. The test device according to claim 3, characterized in that: a right-angled triangular plate (19) is fixedly arranged on the lever (21), and a plurality of through holes (18) are provided on the vertical edge close to the right-angled triangular plate (19). , the hinge shaft (17) arranged on the pedestal (1) passes through any through hole (18) therein. 5.根据权利要求4所述的试验装置,其特征在于:定滑轮(20)位于杠杆(21)下方,不锈钢钢丝绳(22)能够顺着定滑轮(20)移动,以实现砝码(23)跟随立式拉杆(24)作适应性升降。5. The test device according to claim 4, characterized in that: the fixed pulley (20) is located under the lever (21), and the stainless steel wire rope (22) can move along the fixed pulley (20) to realize the weight (23) Follow the vertical pull rod (24) for adaptive lifting. 6.根据权利要求5所述的试验装置,其特征在于:在台座(1)上设置有用于纵向顶压试件的顶压机构(300),顶压机构位于夹持座A(101)与夹持座B(102)之间;在台座(1)上设置有用于将所述夹持座A(101)回拉至指定位置的蠕变补偿系统(200),蠕变补偿系统(200)位于杠杆(21)的对侧并固定连接夹持座A(101)。6. The test device according to claim 5, characterized in that: the pedestal (1) is provided with a pressing mechanism (300) for longitudinally pressing the test piece, and the pressing mechanism is located between the clamping seat A (101) and the Between the clamping bases B (102); the base (1) is provided with a creep compensation system (200) for pulling the clamping base A (101) back to a designated position, and the creep compensation system (200) It is located on the opposite side of the lever (21) and is fixedly connected to the clamping seat A (101). 7.根据权利要求6所述的试验装置,其特征在于:共并排设置有4-30个台座(1),每一个台座(1)上设置有两套相互错开的拉/压载荷加载系统(100)、两组相互平行的导轨(41),每套拉/压载荷加载系统(100)单独配置有蠕变补偿系统(200)、顶压机构(300)。7. The test device according to claim 6 is characterized in that: a total of 4-30 pedestals (1) are arranged side by side, and each pedestal (1) is provided with two sets of mutually staggered tension/compression load loading systems ( 100), two sets of mutually parallel guide rails (41), each set of tension/compression load loading system (100) is individually configured with a creep compensation system (200) and a top pressing mechanism (300). 8.根据权利要求7所述的试验装置,其特征在于:顶压机构(300)包括设置在两个夹持座之间的顶压机构支座(40),两个夹持座之间的中点与顶压机构支座(40)中心位于同一竖直线上;在顶压机构支座(40)上竖直设置有顶压杆组件(43),顶压杆组件(43)上端用于顶压试件,顶压杆组件(43)下方的曲柄机构连接电机(44);曲柄机构包括连接在电机(44)输出轴上的凸轮(45),凸轮(45)配合活动轴(48),凸轮(45)转动时带动活动轴(48)和顶压杆组件(43)上下往复移动;顶压机构还包括竖直穿设并固定在顶压机构支座(40)上的导向套(47),在导向套(47)中轴向设置活动轴(48),活动轴(48)上端抵靠所述顶压杆组件(43),活动轴(48)下端配合所述凸轮(45),活动轴(48)上对称设置的耳销(49)径向穿设在导向套(47)的条形孔(50)中,所述顶压杆组件(43)的其中一部分精密配合在导向套(47)中,另一部分向上伸出;顶压杆组件(43)包括带帽沿(431)的圆柱(432),在帽沿(431)中部设置有螺孔(433),在螺孔(433)中轴向、螺纹配合有顶杆(434),顶杆(434)顶端用于顶压试件,在圆柱(432)上套设有第二弹簧(435),第二弹簧(435)上端抵靠帽沿(431)、下端抵靠活动轴(48);顶压机构支座(40)可滑动地配合或固定在水平导轨杆(53)上,在顶压机构支座(40)上对称设置的两套同规格的弹性件(42)分别连接夹持座。8 . The test device according to claim 7 , wherein the pressing mechanism ( 300 ) comprises a pressing mechanism support ( 40 ) arranged between the two clamping bases, and the support between the two clamping bases is 8 . The midpoint and the center of the top pressing mechanism support (40) are located on the same vertical line; the top pressing mechanism support (40) is vertically provided with a top pressing rod assembly (43), and the upper end of the top pressing rod assembly (43) is used for For the pressing test piece, the crank mechanism below the pressing rod assembly (43) is connected to the motor (44); the crank mechanism includes a cam (45) connected to the output shaft of the motor (44), and the cam (45) cooperates with the movable shaft (48) ), when the cam (45) rotates, it drives the movable shaft (48) and the push rod assembly (43) to reciprocate up and down; the push mechanism also includes a guide sleeve that is vertically penetrated and fixed on the support (40) of the push mechanism (47), a movable shaft (48) is axially arranged in the guide sleeve (47), the upper end of the movable shaft (48) abuts against the push rod assembly (43), and the lower end of the movable shaft (48) matches the cam (45) ), the ear pins (49) symmetrically arranged on the movable shaft (48) are radially penetrated in the strip holes (50) of the guide sleeve (47), and a part of the push rod assembly (43) is precisely fitted in the In the guide sleeve (47), the other part protrudes upward; the pressing rod assembly (43) includes a cylinder (432) with a brim (431), and a screw hole (433) is provided in the middle of the brim (431), and a screw hole (433) is provided in the middle of the brim (431). A push rod (434) is axially and threadedly fitted in the hole (433), the top end of the push rod (434) is used to push the test piece, a second spring (435) is sleeved on the cylinder (432), and the second spring ( 435) The upper end abuts the cap brim (431), and the lower end abuts the movable shaft (48); the top pressing mechanism support (40) is slidably fitted or fixed on the horizontal rail rod (53), and the top pressing mechanism support (40) Two sets of elastic pieces (42) of the same specification that are symmetrically arranged on the 40) are respectively connected to the clamping seats. 9.根据权利要求8所述的试验装置,其特征在于:蠕变补偿系统包括固定连接在夹持座A(101)上的滚珠丝杠(61),在滚珠丝杠(61)上配合有带斜齿一(62)的螺母座(63),斜齿一(62)与伺服电机(60)输出端的斜齿二(64)相啮合;或者,在滚珠丝杠(61)上配合有螺母座(63),在螺母座(63)上固定套设有斜齿一(62),斜齿一(62)与伺服电机(60)输出端的斜齿二(64)相啮合;伺服电机(60)运行时带动斜齿二(64)转动,进而带动螺母座(63)转动,进而带动滚珠丝杠(61)移动以实现回拉夹持座A(101);杠杆(21)的正下方设置有传感器A和传感器B,传感器A、传感器B、伺服电机(60)、拉/压载荷加载系统分别连接控制系统,控制系统包括存储器、处理器及存储在存储器上并可在处理器上运行的程序,所述处理器执行所述程序时实现以下步骤/功能:每当传感器A监测到所述杠杆(21)偏转预设角度一时,立即启动所述蠕变自动补偿系统的伺服电机(60)运行,并将夹持座A(101)回拉至预设位置,随后控制伺服电机(60)关闭;当传感器B监测到所述杠杆(21)偏转预设角度二时,立即关闭拉/压载荷加载系统(100)。9 . The test device according to claim 8 , wherein the creep compensation system comprises a ball screw ( 61 ) fixedly connected to the clamping seat A ( 101 ), and a ball screw ( 61 ) is matched with a ball screw ( 61 ). 10 . A nut seat (63) with helical gear one (62), the helical gear one (62) meshes with the helical gear two (64) at the output end of the servo motor (60); or, a nut is fitted on the ball screw (61) The seat (63) is fixedly sleeved with a helical tooth 1 (62) on the nut seat (63), and the helical tooth 1 (62) meshes with the helical tooth 2 (64) at the output end of the servo motor (60); ) during operation, drives the helical tooth two (64) to rotate, and then drives the nut seat (63) to rotate, and then drives the ball screw (61) to move to pull back the clamping seat A (101); the lever (21) is set directly below There are sensor A and sensor B. Sensor A, sensor B, servo motor (60), and tension/compression load loading system are respectively connected to the control system. A program, the processor implements the following steps/functions when executing the program: whenever the sensor A detects that the lever (21) is deflected by a preset angle of one, immediately start the servo motor (60) of the creep automatic compensation system run, and pull the clamping seat A (101) back to the preset position, and then control the servo motor (60) to close; when the sensor B detects that the lever (21) is deflected by a preset angle of two, immediately close the pull/press Load loading system (100). 10.根据权利要求9所述的试验装置,其特征在于:拉/压载荷加载系统(100)的加载频率为1~16HZ;顶压机构(300)的弯曲加载频率为0.01~5HZ。10. The test device according to claim 9, characterized in that: the loading frequency of the tension/compression loading system (100) is 1-16 Hz; the bending loading frequency of the top pressing mechanism (300) is 0.01-5 Hz.
CN202111418108.9A 2021-11-25 2021-11-25 Natural environment-stress cooperative test device Active CN114088530B (en)

Priority Applications (1)

Application Number Priority Date Filing Date Title
CN202111418108.9A CN114088530B (en) 2021-11-25 2021-11-25 Natural environment-stress cooperative test device

Applications Claiming Priority (1)

Application Number Priority Date Filing Date Title
CN202111418108.9A CN114088530B (en) 2021-11-25 2021-11-25 Natural environment-stress cooperative test device

Publications (2)

Publication Number Publication Date
CN114088530A CN114088530A (en) 2022-02-25
CN114088530B true CN114088530B (en) 2022-05-20

Family

ID=80304730

Family Applications (1)

Application Number Title Priority Date Filing Date
CN202111418108.9A Active CN114088530B (en) 2021-11-25 2021-11-25 Natural environment-stress cooperative test device

Country Status (1)

Country Link
CN (1) CN114088530B (en)

Families Citing this family (2)

* Cited by examiner, † Cited by third party
Publication number Priority date Publication date Assignee Title
CN118603764B (en) * 2024-06-07 2025-05-13 山东天乐塑料科技有限公司 Plastic pallet finished product quality detection system
CN119147297B (en) * 2024-11-15 2025-03-07 北京卫星制造厂有限公司 Flexible large-deformation structure thermal coupling test system and method

Citations (8)

* Cited by examiner, † Cited by third party
Publication number Priority date Publication date Assignee Title
CN204302110U (en) * 2014-12-25 2015-04-29 高铁检测仪器(东莞)有限公司 A lever type creep testing machine
CN107340190A (en) * 2017-08-24 2017-11-10 吉林大学 Multistage quiet Dynamic Coupling mechanical loading unit for high frequency fatigue test
CN108279179A (en) * 2018-01-31 2018-07-13 中国兵器工业第五九研究所 Constant, the fatigue stress experimental rig of one kind and test method
CN109115593A (en) * 2018-08-31 2019-01-01 中国兵器工业第五九研究所 Marine climate environment-tensile, compressive, bending load coupling test equipment and test method
WO2019232710A1 (en) * 2018-06-05 2019-12-12 东北大学 Comprehensive performance test platform for axial tension, bending, tension, and vibration of composite material
CN110967264A (en) * 2019-11-21 2020-04-07 中国矿业大学 Dynamic-static coupling loading test system based on lever principle
CN211122324U (en) * 2019-10-16 2020-07-28 靖江市中亿汽车配件制造有限公司 Seat unlocker is acted as go-between and is fixed nail strength test frock
WO2021047145A1 (en) * 2019-09-12 2021-03-18 吉林大学 Instrument and method for in-situ testing of mechanical properties of material under complex high-temperature mechanical load

Patent Citations (8)

* Cited by examiner, † Cited by third party
Publication number Priority date Publication date Assignee Title
CN204302110U (en) * 2014-12-25 2015-04-29 高铁检测仪器(东莞)有限公司 A lever type creep testing machine
CN107340190A (en) * 2017-08-24 2017-11-10 吉林大学 Multistage quiet Dynamic Coupling mechanical loading unit for high frequency fatigue test
CN108279179A (en) * 2018-01-31 2018-07-13 中国兵器工业第五九研究所 Constant, the fatigue stress experimental rig of one kind and test method
WO2019232710A1 (en) * 2018-06-05 2019-12-12 东北大学 Comprehensive performance test platform for axial tension, bending, tension, and vibration of composite material
CN109115593A (en) * 2018-08-31 2019-01-01 中国兵器工业第五九研究所 Marine climate environment-tensile, compressive, bending load coupling test equipment and test method
WO2021047145A1 (en) * 2019-09-12 2021-03-18 吉林大学 Instrument and method for in-situ testing of mechanical properties of material under complex high-temperature mechanical load
CN211122324U (en) * 2019-10-16 2020-07-28 靖江市中亿汽车配件制造有限公司 Seat unlocker is acted as go-between and is fixed nail strength test frock
CN110967264A (en) * 2019-11-21 2020-04-07 中国矿业大学 Dynamic-static coupling loading test system based on lever principle

Non-Patent Citations (6)

* Cited by examiner, † Cited by third party
Title
Synergistic effect of environmental media and stress on the fatigue fracture behaviour of aluminium alloys;H-H YANG.et al;《FFEMS》;20160610;第1309-1316页 *
The strain in the test environmental stress cracking of plastics;H.T. Wang.et al;《Polymer Testing》;20031231;第22卷;第125-128页 *
The Stress Determination Method on the Environmental Stress Screening Test Based on the Physical of Failure;Manman Mu.et al;《2015 PHM-Beijing》;20151231;第1-5页 *
一种温度、湿度、振动、盐雾四因素动态模拟加速环境试验;李迪凡;《环境试验设备》;20201031;第201-206页 *
湿热环境下复合材料层板拉-压性能;许良等;《材料工程》;20180331;第46卷(第3期);第124-130页 *
自然环境-疲劳交替作用对2024典型连接结构累积损伤的影响研究;苏艳等;《表面技术》;20201031;第49卷(第10期);第268-275页 *

Also Published As

Publication number Publication date
CN114088530A (en) 2022-02-25

Similar Documents

Publication Publication Date Title
CN106885745B (en) Beam column node beam end loading test device and test method thereof
CN109115593B (en) Marine climate environment-tension, compression and bending load coupling test equipment and test method
CN114088530B (en) Natural environment-stress cooperative test device
CN109443946B (en) A point load tester and point load test method
CN116773352A (en) Pressure testing equipment and pressure testing method
CN207366338U (en) A kind of flexibility chain bar self-balancing is without shearing load testing machine
CN106370532A (en) Pulling, pressing and bending load coupled testing apparatus for outdoor environments of high-cold climates
CN211602736U (en) High-temperature creep testing machine for micro sample
CN110231229A (en) A kind of integrated experiment device clamped for pressing from both sides torsion with cutting nipper
CN205844106U (en) A kind of two-sided layer electric shearing equipment
CN109443935A (en) Construction material tensile strength detection device
CN205080009U (en) 3 fatigue bending machine
CN209247526U (en) Construction material tensile strength detection device
CN209945869U (en) Crankshaft reliability test device
KR101003253B1 (en) Crimping device for sulfur distribution test of steel
CN203422273U (en) Load device for abrasion tester of electric power fittings
CN209327134U (en) A kind of simple stainless steel and alloy material Huey test bend test device
CN217819741U (en) IGBT module terminal tension detection device
CN219179181U (en) Coating scratch resistance testing device
CN111576501A (en) Bending resistance test system for vertically and upwardly loading tubular pile
CN114088529B (en) Longitudinal bending load and transverse pulling/ballasting load coupling loading method
CN216839356U (en) An easy-to-assemble touch detection device
CN215812172U (en) Instrument for testing fatigue strength of rectangular sheet metal test piece
CN212718806U (en) Nondestructive inspection detects with test probe who takes buffer function
CN212621833U (en) Composite cross arm structure test device

Legal Events

Date Code Title Description
PB01 Publication
PB01 Publication
SE01 Entry into force of request for substantive examination
SE01 Entry into force of request for substantive examination
GR01 Patent grant
GR01 Patent grant
TR01 Transfer of patent right
TR01 Transfer of patent right

Effective date of registration: 20231024

Address after: 400039 Chongqing Jiulongpo Yuzhou Road No. 33

Patentee after: Southwest Institute of technology and engineering of China Ordnance Equipment Group

Address before: 400039 Chongqing Jiulongpo Yuzhou Road No. 33

Patentee before: NO 59 Research Institute OF CHINA ORDNACE INDUSTRY