CN109570106B - Automatic efficient bearing cleaning device - Google Patents
Automatic efficient bearing cleaning device Download PDFInfo
- Publication number
- CN109570106B CN109570106B CN201811304283.3A CN201811304283A CN109570106B CN 109570106 B CN109570106 B CN 109570106B CN 201811304283 A CN201811304283 A CN 201811304283A CN 109570106 B CN109570106 B CN 109570106B
- Authority
- CN
- China
- Prior art keywords
- shell
- fixed
- cleaning
- top end
- rod
- Prior art date
- Legal status (The legal status is an assumption and is not a legal conclusion. Google has not performed a legal analysis and makes no representation as to the accuracy of the status listed.)
- Active
Links
- 238000004140 cleaning Methods 0.000 title claims abstract description 59
- XLYOFNOQVPJJNP-UHFFFAOYSA-N water Substances O XLYOFNOQVPJJNP-UHFFFAOYSA-N 0.000 claims abstract description 32
- 239000007788 liquid Substances 0.000 claims description 25
- 238000001802 infusion Methods 0.000 claims description 8
- 238000007599 discharging Methods 0.000 claims 1
- 239000012459 cleaning agent Substances 0.000 description 8
- 238000010586 diagram Methods 0.000 description 4
- 230000000694 effects Effects 0.000 description 4
- 230000009286 beneficial effect Effects 0.000 description 3
- 230000006378 damage Effects 0.000 description 2
- 238000005201 scrubbing Methods 0.000 description 2
- 231100000331 toxic Toxicity 0.000 description 2
- 230000002588 toxic effect Effects 0.000 description 2
- 238000005406 washing Methods 0.000 description 2
- 208000027418 Wounds and injury Diseases 0.000 description 1
- 244000309464 bull Species 0.000 description 1
- 238000004891 communication Methods 0.000 description 1
- 208000014674 injury Diseases 0.000 description 1
- 238000009434 installation Methods 0.000 description 1
- 230000007774 longterm Effects 0.000 description 1
- 238000004519 manufacturing process Methods 0.000 description 1
- 230000010412 perfusion Effects 0.000 description 1
- 238000002791 soaking Methods 0.000 description 1
- 239000007921 spray Substances 0.000 description 1
- 239000002699 waste material Substances 0.000 description 1
Images
Classifications
-
- B—PERFORMING OPERATIONS; TRANSPORTING
- B08—CLEANING
- B08B—CLEANING IN GENERAL; PREVENTION OF FOULING IN GENERAL
- B08B3/00—Cleaning by methods involving the use or presence of liquid or steam
- B08B3/02—Cleaning by the force of jets or sprays
- B08B3/022—Cleaning travelling work
-
- B—PERFORMING OPERATIONS; TRANSPORTING
- B08—CLEANING
- B08B—CLEANING IN GENERAL; PREVENTION OF FOULING IN GENERAL
- B08B1/00—Cleaning by methods involving the use of tools
- B08B1/10—Cleaning by methods involving the use of tools characterised by the type of cleaning tool
- B08B1/12—Brushes
-
- B—PERFORMING OPERATIONS; TRANSPORTING
- B08—CLEANING
- B08B—CLEANING IN GENERAL; PREVENTION OF FOULING IN GENERAL
- B08B1/00—Cleaning by methods involving the use of tools
- B08B1/20—Cleaning of moving articles, e.g. of moving webs or of objects on a conveyor
-
- B—PERFORMING OPERATIONS; TRANSPORTING
- B08—CLEANING
- B08B—CLEANING IN GENERAL; PREVENTION OF FOULING IN GENERAL
- B08B3/00—Cleaning by methods involving the use or presence of liquid or steam
- B08B3/04—Cleaning involving contact with liquid
- B08B3/041—Cleaning travelling work
-
- B—PERFORMING OPERATIONS; TRANSPORTING
- B08—CLEANING
- B08B—CLEANING IN GENERAL; PREVENTION OF FOULING IN GENERAL
- B08B3/00—Cleaning by methods involving the use or presence of liquid or steam
- B08B3/04—Cleaning involving contact with liquid
- B08B3/08—Cleaning involving contact with liquid the liquid having chemical or dissolving effect
-
- B—PERFORMING OPERATIONS; TRANSPORTING
- B08—CLEANING
- B08B—CLEANING IN GENERAL; PREVENTION OF FOULING IN GENERAL
- B08B3/00—Cleaning by methods involving the use or presence of liquid or steam
- B08B3/04—Cleaning involving contact with liquid
- B08B3/10—Cleaning involving contact with liquid with additional treatment of the liquid or of the object being cleaned, e.g. by heat, by electricity or by vibration
Landscapes
- Chemical & Material Sciences (AREA)
- Chemical Kinetics & Catalysis (AREA)
- General Chemical & Material Sciences (AREA)
- Cleaning In General (AREA)
- Cleaning By Liquid Or Steam (AREA)
Abstract
The invention discloses an automatic efficient bearing cleaning device which comprises a support frame, wherein a cleaning shell is fixed at the top end of the support frame, two groups of slide rods are arranged on the inner wall of the cleaning shell, the slide rods penetrate through the inside of the rod shell, the rod shell is fixed on the outer wall of a U-shaped hollow shell, water outlet holes are formed in the top end and the bottom end of the inside of the U-shaped hollow shell, multiple groups of water outlet holes are uniformly formed in the top end and the bottom end of the inside of the U-shaped hollow shell, a handle is fixed at the top end of the U-shaped hollow shell, plate shells are fixed on two sides of the inside of the U-shaped hollow shell, a brush plate is inserted into the plate shells, a shell cover is fixed at the top end of the cleaning shell, a low-speed motor is installed at the top end of the shell cover, and a water pump is installed at the left end of the cleaning shell. According to the invention, the water outlet holes are formed in the top end and the bottom end of the inner wall of the U-shaped hollow shell, so that a mechanical bearing to be cleaned can be washed, and the bearing is automatically scrubbed by the brush plate, thereby greatly improving the working efficiency of the traditional manual cleaning.
Description
Technical Field
The invention relates to a cleaning device, in particular to an automatic efficient bearing cleaning device.
Background
At present, the mechatronics is a mechanical device combining a mechanical mechanism and an electric device to assist people in production or life, many typical mechatronics devices are provided on our part, generally, devices combining the mechanical mechanism and the electric device belong to mechatronics devices such as ink-jet printers, remote control televisions and the like, with the progress of science and technology, the development of times, the growth of national economy, the development of mechatronics devices, the closest to life and around, digital cameras, communication mobile phones, fax machines, computers, air conditioners, electromagnetic ovens, microwave ovens, refrigerators, washing machines and the like can be regarded as mechatronics devices, the main function of mechatronics is to help people to improve work efficiency, during the installation of machinery, the commonly used parts of the bearing can be adhered with oil stains on the surface after the bearing is used for a long time, the automatic high-efficiency bearing cleaning device is difficult to clean, manual cleaning is generally adopted, soaking treatment is carried out through special cleaning agents, the cleaning effect is low, no better cleaning device is arranged at present to improve the cleaning efficiency, and in order to solve the problems, the automatic high-efficiency bearing cleaning device is provided.
Disclosure of Invention
The invention aims to provide an automatic efficient bearing cleaning device, which can be used for washing a mechanical bearing to be cleaned through water outlet holes formed in the top end and the bottom end of the inner wall of a U-shaped hollow shell, and automatically scrubbing the bearing through a brush plate, so that the working efficiency of the traditional manual cleaning is greatly improved, and the problems in the background art are solved.
In order to achieve the purpose, the invention provides the following technical scheme: an automatic high-efficiency bearing cleaning device comprises a support frame, a cleaning shell is fixed at the top end of the support frame, a sliding rod is installed on the inner wall of the cleaning shell, two groups of slide bars are arranged, the slide bars penetrate through the inside of the bar shell, the bar shell is fixed on the outer wall of the U-shaped hollow shell, water outlet holes are formed in the top end and the bottom end of the inside of the U-shaped hollow shell, a plurality of groups of water outlet holes are uniformly formed, a handle is fixed at the top end of the U-shaped hollow shell, plate shells are fixed at both sides in the U-shaped hollow shell, a brush plate is inserted in the plate shell, a shell cover is fixed at the top end of the cleaning shell, a low-speed motor is installed at the top end of the shell cover, a water pump is installed at the left end of the cleaning shell, a liquid conveying pipe is communicated with the water pump, and the right-hand member of clearance shell installs control panel, the bottom intercommunication of clearance shell has the fluid-discharge tube.
In a preferred embodiment of the present invention, the top end of the brush plate is uniformly provided with hollow holes, the top end of the brush plate is uniformly fixed with brushes, and the front side of the brush plate is fixed with a handle.
As a preferred embodiment of the present invention, a base plate is fixed to the bottom end of the left side of the support frame, a groove is formed in the top end of the base plate, a liquid barrel is placed in the groove, a carrying handle is installed at the top end of the liquid barrel, and a pipe orifice is formed in the right side of the top end of the liquid barrel.
In a preferred embodiment of the present invention, one end of the infusion tube is located inside the liquid barrel, the other end of the infusion tube penetrates through the cleaning shell, and the other end of the infusion tube is communicated with the U-shaped hollow shell.
As a preferred embodiment of the present invention, a motor shaft of the low-speed motor penetrates through a bottom end of a housing, a driving tooth is installed on the motor shaft of the low-speed motor, a rotating rod is installed inside the housing, the rotating rod penetrates through a bottom of the housing, and a rod post is fixed to both a terminal of the motor shaft of the low-speed motor and a terminal of the rotating rod.
As a preferred embodiment of the present invention, a moving rod is inserted through the right end of the rod column, a spring is installed inside the rod column, the rod column is connected to the moving rod through the spring, and clamping blocks are fixed to both the left end of the rod column and the right end of the moving rod.
In a preferred embodiment of the present invention, the outer wall of the rotating rod is provided with a driven tooth, and the driven tooth is engaged with the driving tooth.
As a preferred embodiment of the present invention, the control panel is electrically connected to the low-speed motor and the water pump.
Compared with the prior art, the invention has the following beneficial effects:
the invention discloses an automatic efficient bearing cleaning device, which comprises the following components:
1. the water outlet holes are formed in the top end and the bottom end of the inner wall of the U-shaped hollow shell, mechanical bearings needing to be cleaned can be washed, the bearings are automatically scrubbed through the brush plate, and the working efficiency of traditional manual cleaning is greatly improved.
2. Through the inside of brush board grafting and board shell, after the long-term clearance of brush, brush itself also need clear up, and the accessible handle is direct to be taken out the brush board and clear up the brush, perhaps changes the brush board, avoids the reduction of cleaning efficiency.
3. The bottom of the motor shaft of the low-speed motor and the bottom of the rotating rod are both fixed with the pole columns, and the moving rods in the pole columns and the pole columns are both provided with the clamping blocks, so that the multiple groups of mechanical bearings can be clamped fixedly and simultaneously, and the multiple groups of bearings can be cleaned simultaneously.
4. The infusion tube is inserted into the liquid barrel, so that the contact between a human body and the cleaning agent can be avoided to the greatest extent during use, the injury of the toxic cleaning agent to the human body is avoided, and the safety of work is improved.
Drawings
Other features, objects and advantages of the invention will become more apparent upon reading of the detailed description of non-limiting embodiments with reference to the following drawings:
FIG. 1 is a schematic diagram of the overall structure of an automated high-efficiency bearing cleaning device according to the present invention;
FIG. 2 is a schematic diagram of a top view of the automated high-efficiency bearing cleaning apparatus of the present invention;
FIG. 3 is a schematic structural view of a U-shaped hollow shell of the automatic efficient bearing cleaning device of the invention;
FIG. 4 is a schematic diagram of the internal structure of the housing of the automatic efficient bearing cleaning device according to the present invention;
FIG. 5 is a schematic diagram of the internal structure of the rod column of the automatic efficient bearing cleaning device of the invention.
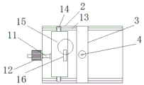
In the figure: the cleaning device comprises a support frame 1, a cleaning shell 2, a shell cover 3, a low-speed motor 4, a liquid discharge pipe 5, a base plate 6, a groove 7, a liquid barrel 8, a carrying handle 9, a pipe orifice 10, a liquid conveying pipe 11, a water pump 12, a sliding rod 13, a rod shell 14, a hollow shell 15U-shaped, a handle 16, a water outlet hole 17, a plate shell 18, a brush plate 19, a brush 20, a hollow hole 21, a handle 22, a driving tooth 23, a rotating rod 24, a driven tooth 25, a rod column 26, a moving rod 27, a clamping block 28 and a spring 29.
Detailed Description
In order to make the technical means, the creation characteristics, the achievement purposes and the effects of the invention easy to understand, the invention is further described with the specific embodiments.
Referring to fig. 1-5, the present invention provides a technical solution: an automatic efficient bearing cleaning device comprises a support frame 1, wherein a cleaning shell 2 is fixed at the top end of the support frame 1, two groups of slide rods 13 are installed on the inner wall of the cleaning shell 2, the slide rods 13 are arranged in two groups, the slide rods 13 penetrate through the inside of a rod shell 14, the rod shell 14 is fixed on the outer wall of a U-shaped hollow shell 15, water outlet holes 17 are formed in the top end and the bottom end of the inside of the U-shaped hollow shell 15, multiple groups of water outlet holes 17 are uniformly formed in the water outlet holes, a handle 16 is fixed at the top end of the U-shaped hollow shell 15, plate shells 18 are fixed on two sides of the inside of the U-shaped hollow shell 15, hairbrush plates 19 are inserted in the plate shells 18, a shell cover 3 is fixed at the top end of the cleaning shell 2, a low-speed motor 4 is installed at the top end of the shell cover 3, a water pump 12 is installed at the left end of the cleaning shell 2, a perfusion tube 11 is communicated with the water pump 12, and a control panel 30 is installed at the right end of the cleaning shell 2, the bottom end of the cleaning shell 2 is communicated with a liquid discharge pipe 5.
In this embodiment, as shown in fig. 1, the water outlet holes 17 are formed in the top end and the bottom end of the inner wall of the U-shaped hollow shell 15, so that the mechanical bearing to be cleaned can be washed, the brush plate 19 automatically cleans the bearing, and the working efficiency of manual cleaning in the prior art is greatly improved.
Wherein, the top of the brush board 19 is evenly provided with hollow holes 21, the top of the brush board 19 is evenly fixed with brushes 20, and the front side of the brush board 19 is fixed with a handle 22.
In this embodiment, as shown in fig. 1, the hollow hole 21 formed in the brush plate 19 is beneficial to the water outlet hole 17 formed in the inner wall of the U-shaped hollow shell 15 to discharge water, so that the water outlet hole 17 can spray a cleaning agent on the surface of the mechanical bearing, and the cleaning of the brush 20 is beneficial.
Wherein, the left bottom mounting of support frame 1 has base plate 6, and the top of base plate 6 has seted up recess 7, liquid bucket 8 has been placed to the inside of recess 7, carrying handle 9 is installed on the top of liquid bucket 8, and the right side on liquid bucket 8 top has seted up mouth of pipe 10.
Wherein, one end of the transfusion tube 11 is positioned in the liquid barrel 8, the other end of the transfusion tube 11 penetrates through the cleaning shell 2, and the other end of the transfusion tube 11 is communicated with the U-shaped hollow shell 15.
As shown in figure 1, the infusion tube 11 is inserted into the liquid barrel 8, so that the contact between a human body and a cleaning agent can be avoided to the greatest extent during use, the harm of the toxic cleaning agent to the human body is avoided, and the working safety is improved.
The motor shaft of the low-speed motor 4 penetrates through the bottom end of the housing 3, the driving teeth 23 are mounted on the motor shaft of the low-speed motor 4, the rotating rod 24 is mounted inside the housing 3, the rotating rod 24 penetrates through the bottom of the housing 3, and the rod posts 26 are fixed at the tail end of the motor shaft of the low-speed motor 4 and the tail end of the rotating rod 24.
A moving rod 27 is inserted through the right end of the rod column 26, a spring 29 is installed inside the rod column 26, the rod column 26 is connected with the moving rod 27 through the spring 29, and clamping blocks 28 are fixed at the left end of the rod column 26 and the right end of the moving rod 27.
In this embodiment, as shown in fig. 1, the rod 26 and the moving rod 27 in the rod are both provided with the clamping blocks 28, so that multiple groups of mechanical bearings can be simultaneously fixed and rapidly clamped, and the simultaneous cleaning of the multiple groups of bearings is facilitated.
Wherein, the outer wall of the rotating rod 24 is provided with a driven tooth 25, and the driven tooth 25 is meshed with the driving tooth 23.
The control panel 30 is electrically connected with the low-speed motor 4 and the water pump 12.
When the automatic high-efficiency bearing cleaning device is used: the device needs to be connected with a power supply through a lead, a liquid barrel 8 filled with a cleaning agent is placed in a groove 7, one end of a liquid conveying pipe 11 is inserted into the liquid barrel 8 from a pipe opening 10, a moving rod 27 is pressed into a rod column 26 at the moment, the inner walls of the rod column 26 and the moving rod 27 are placed at the inner wall of a bearing, the moving rod 27 is loosened at the moment, under the action of a spring 29 in the rod column 26, a clamping block 28 on the rod column 26 and a clamping block 28 on the moving rod 27 enable the bearing to be rapidly clamped, after clamping is completed, a sliding rod 13 penetrates into a rod shell 14, a U-shaped hollow shell 15 is driven by a handle 16 to move on the basis of a sliding rod 13, the U-shaped hollow shell 15 wraps a half side of the bearing, the half side of the bearing enters the U-shaped hollow shell 15, at the moment, a low-speed motor 4 and a water pump 12 are started through a control panel 30, the water pump 12 pumps the cleaning agent into the bearing surface through a water outlet 17, a driving tooth 23 on a low-speed motor 4 drives a driven tooth 25 on a rotating rod 24 to rotate, 4 and the same rotation of bull stick 24 of low-speed motor, thereby the bearing that presss from both sides in the drive post 26 rotates, make the bearing be located the 15 internal rotations of U type hollow shell, and carry out comprehensive scrubbing to the bearing by brush 20 on the brush board 19, reach efficient clearance effect, final waste liquid will be discharged through 5 drain pipes in clearance shell 3 bottoms, brush 20 on brush board 19 uses the back for a long time simultaneously, accessible handle 22 takes brush board 19 out outside the shell 18, replace, avoid the not good problem of clearance effect to take place.
Claims (5)
1. The utility model provides an automatic change high-efficient belt cleaning device of bearing, includes support frame (1), its characterized in that: the cleaning device is characterized in that a cleaning shell (2) is fixed at the top end of the support frame (1), slide rods (13) are installed on the inner wall of the cleaning shell (2), two groups of slide rods (13) are installed on the two groups of slide rods (13), the slide rods (13) penetrate through the inside of a rod shell (14), the rod shell (14) is fixed on the outer wall of a U-shaped hollow shell (15), water outlet holes (17) are formed in the top end and the bottom end of the inside of the U-shaped hollow shell (15), multiple groups of water outlet holes (17) are uniformly formed in the water outlet holes, a handle (16) is fixed at the top end of the U-shaped hollow shell (15), plate shells (18) are fixed on two sides of the inside of the U-shaped hollow shell (15), a brush plate (19) is inserted in the plate shells (18), a shell cover (3) is fixed at the top end of the cleaning shell (2), a low-speed motor (4) is installed at the top end of the shell cover (3), and a water pump (12) is installed at the left end of the cleaning shell (2), the water pump (12) is communicated with a liquid conveying pipe (11), the right end of the cleaning shell (2) is provided with a control panel (30), and the bottom end of the cleaning shell (2) is communicated with a liquid discharging pipe (5);
a motor shaft of the low-speed motor (4) penetrates through the bottom end of the shell cover (3), a driving tooth (23) is installed on the motor shaft of the low-speed motor (4), a rotating rod (24) is installed inside the shell cover (3), the rotating rod (24) penetrates through the bottom of the shell cover (3), and a rod column (26) is fixed at the tail end of the motor shaft of the low-speed motor (4) and the tail end of the rotating rod (24);
a moving rod (27) is inserted into the right end of the rod column (26), a spring (29) is installed inside the rod column (26), the rod column (26) is connected with the moving rod (27) through the spring (29), and clamping blocks (28) are fixed at the left end of the rod column (26) and the right end of the moving rod (27);
and a driven tooth (25) is arranged on the outer wall of the rotating rod (24), and the driven tooth (25) is meshed with the driving tooth (23).
2. The automated high-efficiency bearing cleaning device according to claim 1, wherein: the hollow hole (21) has evenly been seted up on the top of brush board (19), and the top of brush board (19) evenly is fixed with brush (20), the front side of brush board (19) is fixed with handle (22).
3. The automated high-efficiency bearing cleaning device according to claim 1, wherein: the support frame is characterized in that a base plate (6) is fixed to the bottom end of the left side of the support frame (1), a groove (7) is formed in the top end of the base plate (6), a liquid barrel (8) is placed inside the groove (7), a carrying handle (9) is installed on the top end of the liquid barrel (8), and a pipe orifice (10) is formed in the right side of the top end of the liquid barrel (8).
4. The automated high-efficiency bearing cleaning device according to claim 3, wherein: one end of the infusion tube (11) is positioned in the liquid barrel (8), the other end of the infusion tube (11) penetrates through the cleaning shell (2), and the other end of the infusion tube (11) is communicated with the U-shaped hollow shell (15).
5. The automated high-efficiency bearing cleaning device according to claim 1, wherein: the control panel (30) is electrically connected with the low-speed motor (4) and the water pump (12).
Priority Applications (1)
| Application Number | Priority Date | Filing Date | Title |
|---|---|---|---|
| CN201811304283.3A CN109570106B (en) | 2018-11-03 | 2018-11-03 | Automatic efficient bearing cleaning device |
Applications Claiming Priority (1)
| Application Number | Priority Date | Filing Date | Title |
|---|---|---|---|
| CN201811304283.3A CN109570106B (en) | 2018-11-03 | 2018-11-03 | Automatic efficient bearing cleaning device |
Publications (2)
| Publication Number | Publication Date |
|---|---|
| CN109570106A CN109570106A (en) | 2019-04-05 |
| CN109570106B true CN109570106B (en) | 2021-10-08 |
Family
ID=65921367
Family Applications (1)
| Application Number | Title | Priority Date | Filing Date |
|---|---|---|---|
| CN201811304283.3A Active CN109570106B (en) | 2018-11-03 | 2018-11-03 | Automatic efficient bearing cleaning device |
Country Status (1)
| Country | Link |
|---|---|
| CN (1) | CN109570106B (en) |
Citations (10)
| Publication number | Priority date | Publication date | Assignee | Title |
|---|---|---|---|---|
| JP2002327764A (en) * | 2001-05-01 | 2002-11-15 | Hitachi Electronics Eng Co Ltd | Bearing waterproof mechanism and disk cleaning device |
| CN202863402U (en) * | 2012-06-19 | 2013-04-10 | 浙江理工大学 | Detachable multipurpose car cleaning brush head |
| CN104028483A (en) * | 2014-05-29 | 2014-09-10 | 昆山中士设备工业有限公司 | Screw rod cleaning device |
| CN106076948A (en) * | 2016-08-05 | 2016-11-09 | 无锡市天龙装饰材料有限公司 | A kind of efficient five metals cleans device |
| CN206287641U (en) * | 2016-12-13 | 2017-06-30 | 温州海旭科技有限公司 | A kind of silk-screen printing device |
| CN107377463A (en) * | 2017-07-19 | 2017-11-24 | 潘丽萍 | A kind of bearing machining automatic cleaning equipment |
| CN108043771A (en) * | 2017-12-22 | 2018-05-18 | 新昌县三源轴承有限公司 | A kind of bearing cleaning equipment |
| CN108126924A (en) * | 2017-12-21 | 2018-06-08 | 梁玉燕 | A kind of automated cleaning electronic component device |
| CN108636865A (en) * | 2018-06-29 | 2018-10-12 | 惠州市兴邦新材料科技有限公司 | A kind of oil exploitation probe cleaning device |
| CN207983104U (en) * | 2017-12-29 | 2018-10-19 | 新昌县南明街道嘉宇机械厂 | A kind of bearing machining special fixture |
-
2018
- 2018-11-03 CN CN201811304283.3A patent/CN109570106B/en active Active
Patent Citations (10)
| Publication number | Priority date | Publication date | Assignee | Title |
|---|---|---|---|---|
| JP2002327764A (en) * | 2001-05-01 | 2002-11-15 | Hitachi Electronics Eng Co Ltd | Bearing waterproof mechanism and disk cleaning device |
| CN202863402U (en) * | 2012-06-19 | 2013-04-10 | 浙江理工大学 | Detachable multipurpose car cleaning brush head |
| CN104028483A (en) * | 2014-05-29 | 2014-09-10 | 昆山中士设备工业有限公司 | Screw rod cleaning device |
| CN106076948A (en) * | 2016-08-05 | 2016-11-09 | 无锡市天龙装饰材料有限公司 | A kind of efficient five metals cleans device |
| CN206287641U (en) * | 2016-12-13 | 2017-06-30 | 温州海旭科技有限公司 | A kind of silk-screen printing device |
| CN107377463A (en) * | 2017-07-19 | 2017-11-24 | 潘丽萍 | A kind of bearing machining automatic cleaning equipment |
| CN108126924A (en) * | 2017-12-21 | 2018-06-08 | 梁玉燕 | A kind of automated cleaning electronic component device |
| CN108043771A (en) * | 2017-12-22 | 2018-05-18 | 新昌县三源轴承有限公司 | A kind of bearing cleaning equipment |
| CN207983104U (en) * | 2017-12-29 | 2018-10-19 | 新昌县南明街道嘉宇机械厂 | A kind of bearing machining special fixture |
| CN108636865A (en) * | 2018-06-29 | 2018-10-12 | 惠州市兴邦新材料科技有限公司 | A kind of oil exploitation probe cleaning device |
Also Published As
| Publication number | Publication date |
|---|---|
| CN109570106A (en) | 2019-04-05 |
Similar Documents
| Publication | Publication Date | Title |
|---|---|---|
| CN111604300A (en) | Full-automatic cleaning machine for PCB | |
| CN202143891U (en) | Micro cleaning machine for bearings | |
| CN111420908A (en) | New energy automobile motor part cleaning device and cleaning method thereof | |
| CN216366849U (en) | Medical wastewater treatment batch treatment equipment | |
| CN215288848U (en) | Vamp ultrasonic cleaning device is used in leather shoes processing | |
| CN215089605U (en) | Double-sided photovoltaic panel self-cleaning device | |
| CN111229757A (en) | Clinical laboratory uses tube cleaning device | |
| CN220142840U (en) | Water circulation filter core cleaning machine that ore dressing workshop was used | |
| CN107212443B (en) | Efficient fruit cleaning device | |
| CN109570106B (en) | Automatic efficient bearing cleaning device | |
| CN218146312U (en) | Drying device of galvanized sludge | |
| CN213761788U (en) | Stainless steel reaction kettle for producing heavy metal capture agent | |
| CN219357183U (en) | Automatic cleaning device for lithium battery shell | |
| CN220005206U (en) | Roller-rolling ring driving roller type ultrasonic cleaner | |
| CN219255015U (en) | Gear shaft grinding equipment for automatic production | |
| CN217250919U (en) | Hardware workpiece cleaning equipment with wastewater filtering function | |
| CN210966093U (en) | Hydraulic component cleaning machine | |
| CN211217712U (en) | A cleaning and pretreatment device for mechanical parts | |
| CN211191143U (en) | Environment-friendly screw self-cleaning equipment | |
| CN210614473U (en) | Cleaning device for machining of mechanical parts | |
| CN210152272U (en) | Water-saving cleaning device for building | |
| CN112921384B (en) | Electrolytic cell convenient to clean and used for electroplating processing of workpiece surface | |
| CN221515398U (en) | Cleaning device for beryllium copper spring sheet processing | |
| CN219836885U (en) | Traditional Chinese medicine decoction piece raw material washing machine capable of circularly turning and washing | |
| CN205284927U (en) | High efficiency grape belt cleaning device |
Legal Events
| Date | Code | Title | Description |
|---|---|---|---|
| PB01 | Publication | ||
| PB01 | Publication | ||
| SE01 | Entry into force of request for substantive examination | ||
| SE01 | Entry into force of request for substantive examination | ||
| TA01 | Transfer of patent application right | ||
| TA01 | Transfer of patent application right |
Effective date of registration: 20210907 Address after: No. 505, Xida Road, Meicun, Xinwu District, Wuxi City, Jiangsu Province, 214000 Applicant after: WUXI GAOCHUANG PRECISION MACHINERY Co.,Ltd. Address before: 050501 No. 5, Government Street, Qingtong Town, Lingshou County, Shijiazhuang City, Hebei Province Applicant before: Xing Erjiang |
|
| GR01 | Patent grant | ||
| GR01 | Patent grant |