CN108612552B - 一种锚杆 - Google Patents
一种锚杆 Download PDFInfo
- Publication number
- CN108612552B CN108612552B CN201810383091.XA CN201810383091A CN108612552B CN 108612552 B CN108612552 B CN 108612552B CN 201810383091 A CN201810383091 A CN 201810383091A CN 108612552 B CN108612552 B CN 108612552B
- Authority
- CN
- China
- Prior art keywords
- anchor
- rod body
- movable end
- tray
- rod
- Prior art date
- Legal status (The legal status is an assumption and is not a legal conclusion. Google has not performed a legal analysis and makes no representation as to the accuracy of the status listed.)
- Active
Links
- 239000011435 rock Substances 0.000 claims abstract description 81
- 230000008878 coupling Effects 0.000 claims description 5
- 238000010168 coupling process Methods 0.000 claims description 5
- 238000005859 coupling reaction Methods 0.000 claims description 5
- 230000004323 axial length Effects 0.000 claims description 4
- 230000009286 beneficial effect Effects 0.000 abstract description 4
- 238000006073 displacement reaction Methods 0.000 description 7
- 238000000034 method Methods 0.000 description 6
- 238000004873 anchoring Methods 0.000 description 5
- 238000005516 engineering process Methods 0.000 description 5
- 230000008569 process Effects 0.000 description 4
- 230000007423 decrease Effects 0.000 description 3
- 239000002689 soil Substances 0.000 description 3
- 230000008093 supporting effect Effects 0.000 description 3
- 230000015572 biosynthetic process Effects 0.000 description 2
- 238000010586 diagram Methods 0.000 description 2
- 230000007774 longterm Effects 0.000 description 2
- 238000012986 modification Methods 0.000 description 2
- 230000004048 modification Effects 0.000 description 2
- 102000004190 Enzymes Human genes 0.000 description 1
- 108090000790 Enzymes Proteins 0.000 description 1
- 238000004891 communication Methods 0.000 description 1
- 238000009792 diffusion process Methods 0.000 description 1
- 230000000694 effects Effects 0.000 description 1
- 230000005489 elastic deformation Effects 0.000 description 1
- JEIPFZHSYJVQDO-UHFFFAOYSA-N iron(III) oxide Inorganic materials O=[Fe]O[Fe]=O JEIPFZHSYJVQDO-UHFFFAOYSA-N 0.000 description 1
- 239000000463 material Substances 0.000 description 1
- 235000012149 noodles Nutrition 0.000 description 1
- 230000002093 peripheral effect Effects 0.000 description 1
- 230000002787 reinforcement Effects 0.000 description 1
- 239000004576 sand Substances 0.000 description 1
- 230000003068 static effect Effects 0.000 description 1
- 238000006467 substitution reaction Methods 0.000 description 1
- 230000007704 transition Effects 0.000 description 1
- XLYOFNOQVPJJNP-UHFFFAOYSA-N water Substances O XLYOFNOQVPJJNP-UHFFFAOYSA-N 0.000 description 1
Images
Classifications
-
- E—FIXED CONSTRUCTIONS
- E21—EARTH OR ROCK DRILLING; MINING
- E21D—SHAFTS; TUNNELS; GALLERIES; LARGE UNDERGROUND CHAMBERS
- E21D21/00—Anchoring-bolts for roof, floor in galleries or longwall working, or shaft-lining protection
- E21D21/0026—Anchoring-bolts for roof, floor in galleries or longwall working, or shaft-lining protection characterised by constructional features of the bolts
-
- E—FIXED CONSTRUCTIONS
- E02—HYDRAULIC ENGINEERING; FOUNDATIONS; SOIL SHIFTING
- E02D—FOUNDATIONS; EXCAVATIONS; EMBANKMENTS; UNDERGROUND OR UNDERWATER STRUCTURES
- E02D17/00—Excavations; Bordering of excavations; Making embankments
- E02D17/20—Securing of slopes or inclines
-
- E—FIXED CONSTRUCTIONS
- E02—HYDRAULIC ENGINEERING; FOUNDATIONS; SOIL SHIFTING
- E02D—FOUNDATIONS; EXCAVATIONS; EMBANKMENTS; UNDERGROUND OR UNDERWATER STRUCTURES
- E02D5/00—Bulkheads, piles, or other structural elements specially adapted to foundation engineering
- E02D5/74—Means for anchoring structural elements or bulkheads
-
- E—FIXED CONSTRUCTIONS
- E21—EARTH OR ROCK DRILLING; MINING
- E21D—SHAFTS; TUNNELS; GALLERIES; LARGE UNDERGROUND CHAMBERS
- E21D21/00—Anchoring-bolts for roof, floor in galleries or longwall working, or shaft-lining protection
- E21D21/0086—Bearing plates
Landscapes
- Engineering & Computer Science (AREA)
- Mining & Mineral Resources (AREA)
- Structural Engineering (AREA)
- Life Sciences & Earth Sciences (AREA)
- General Life Sciences & Earth Sciences (AREA)
- Paleontology (AREA)
- Civil Engineering (AREA)
- General Engineering & Computer Science (AREA)
- Geochemistry & Mineralogy (AREA)
- Geology (AREA)
- Piles And Underground Anchors (AREA)
- Devices Affording Protection Of Roads Or Walls For Sound Insulation (AREA)
Abstract
本发明提供一种锚杆,包括杆体和托盘,所述杆体包括连接锚尾的扩长段,所述扩长段与锚尾套装有可相对杆体滑动的扩长装置,扩长段设有凸部结构,所述扩长装置为具有活动端的套筒,活动端末端位于凸部结构前端,可用以与凸部结构咬合或滑脱;所述锚尾用以活动端滑动至锚尾时限制活动端的运动;所述托盘可拆卸的安装于所述套筒,托盘在锚杆锚固完毕时紧压在锚杆插入的岩壁。本发明的有益效果体现在,通过扩长装置的设置,实现当围岩发生一定变形时,锚杆的长度得到延伸,使围岩中的变形能得到释放,锚杆延伸之后,仍然能够保持工作阻力,再次维持围岩的稳定。
Description
技术领域
本发明涉及土木工程的防护设施技术,具体涉及一种锚杆,可应用于隧道、边坡等支护工程。
背景技术
岩土工程中的锚固技术是应用锚杆或锚索对岩体进行加固,它充分地发挥岩土体自身的稳定能力,是一种对原岩扰动小、施工速度快、安全可靠、又是经济有效的加固技术。锚杆能主动加固岩土体,有效控制其变形,防止岩土体的坍塌破坏,锚杆支护技术的诸多优越性,使锚杆支护技术已成为岩土工程领域的主要支护方式。
然而,如深埋隧道或深部巷道围岩潜在变形能很大,在围岩高应力条件下,常常表现出“大变形”的特点,具体表现为软岩大变形、岩爆大变形、冲击大变形、瓦斯突出大变形。而现有技术中的锚杆极限拉伸长度小,当地下工程围岩发生较大的变形时,锚杆往往不能适用围岩的大变形而出现锚头失效、锚杆拉断等破坏,进而引发塌方、冒顶等事故,甚至造成地下工程功能的丧失。由于锚杆自身不可弯曲、与围岩摩擦力小等原因,不能达到理想的锚固效果。当围岩变形逐渐增大,由于普通锚杆抗拉刚度大、抗剪能力差的原因,不能提供足够的弹性变形,产生锚杆与围岩拉脱、锚杆被拉断、托盘失效等问题,最终导致锚杆等支护设备失效,给工程带来不可预估的损伤,严重时或许会造成重大安全事故。
由于锚杆钢筋自身的延伸率低,在极限应力下发生微小的变形便有可能被拉断,而锚杆一旦被拉断,则整个锚杆支护系统将会失效。因此,为避免上述地质灾害的发生,如何提供一种可在围岩发生变形时,能在一定范围内适应围岩移动的锚杆,使其起到良好的支护效果,是需要解决的重要技术问题。
发明内容
针对现有技术中存在的问题,本发明需要解决的技术问题是,提供一种锚杆,可以提高锚杆适应围岩变形的能力,提供有效的锚杆支护。
本发明的技术方案是,提供一种锚杆,包括杆体和托盘,所述杆体包括连接锚尾的扩长段,所述扩长段与锚尾套装有可相对杆体滑动的扩长装置,扩长段设有凸部结构,所述扩长装置为具有活动端的套筒,活动端末端位于凸部结构前端,可用以与凸部结构咬合或滑脱;所述锚尾用以活动端滑动至锚尾时限制活动端的运动;所述托盘可拆卸的安装于所述套筒,托盘在锚杆锚固完毕时紧压在锚杆插入的岩壁。
优选方案,所述活动端为一开孔的空心圆柱结构,所述孔内径与杆体直径相等,活动端内圆面紧贴于杆体外圆面。
优选方案,所述活动端内圆面设有与扩长段外圆面凸部结构相耦合的耦合结构。
优选方案,所述杆体与活动端承载能力大于凸部结构的承载能力。
优选方案,所述锚尾、套筒、活动端和托盘的承载能力与杆体承载能力相匹配。
优选方案,所述凸部结构的承载能力沿所述杆体扩长段至锚尾方向渐增。
优选方案,所述凸部结构之间的间距沿所述杆体扩长段至锚尾方向渐减。
优选方案,所述凸部结构沿所述杆体径向的厚度沿所述杆体扩长段至锚尾方向渐增。
优选方案,所述凸部结构沿所述杆体轴向的宽度沿所述杆体扩长段至锚尾方向渐增。
优选方案,所述凸部结构可为螺纹。
优选方案,所述凸部结构可为沿所述杆体外圆面的环状柱体结构。
优选方案,所述锚尾为圆柱体结构,所述圆柱体结构直径大于所述套筒活动端孔的内径。
优选方案,所述活动端轴向长度与扩长段长度相等。
优选方案,所述套筒另一端设有封盖。
优选方案,所述套筒包括调节装置,用以调节锚杆锚固后托盘距离岩壁间的距离。
优选方案,所述托盘底部设有与所述套筒外径适配的通孔;所述调节装置包括螺母,套筒设有与所述螺母适配的螺纹,所述螺母处于旋拧结束状态时,托盘紧压在锚杆插入的岩壁。
本发明的有益效果体现在,提供一种锚杆,可有效提高锚杆适应围岩变形的能力,从而提供有效的锚杆支护。通过扩长装置的设置,实现当围岩发生一定变形时,锚杆的长度得到延伸,使围岩中的变形能得到释放,锚杆延伸之后,仍然能够保持工作阻力,再次维持围岩的稳定;所述套筒活动端与扩长段凸起结构的配合设置,实现围岩发生变形时扩长装置随之与杆体发生相对位移从而适应围岩变形,在不损坏杆体承载能力的同时提供锚杆进一步支护的结构支持;套筒封盖的设置,可有效防止水分及杂物进入套筒内部;套筒调节装置的设置,可利于调节锚杆锚固后托盘距离岩壁间的距离。
附图说明:
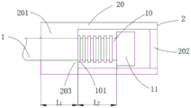
图1为本发明实施例一种锚杆结构示意图;
图2为本发明实施例所述扩长装置局部结构示意图。
附图标记说明
1.杆体,10.扩长段,101.凸部结构,11.锚尾,2.扩长装置,20.套筒,201.活动端,202.封盖,203.活动端末端,3.托盘,4.螺母。
具体实施方式
下面将结合本发明实施例中的附图,对本发明实施例中的技术方案进行清楚、完整地描述,显然,所描述的实施例仅仅是本发明一部分实施例,而不是全部的实施例。基于本发明中的实施例,本领域普通技术人员在没有做出创造性劳动前提下所获得的所有其他实施例,都属于本发明保护的范围。
请参阅图1-2所示,本发明提供的具体实施例如下:
本实施例的一种锚杆,包括杆体1和托盘3,所述杆体包括连接锚尾11的扩长段10,所述扩长段与锚尾外套装有可相对杆体滑动的扩长装置2,扩长段10设有凸部结构101,所述扩长装置2为具有活动端201的套筒20,活动端末端203位于凸部结构前端(所述前端和后端为相对概念,以朝向锚尾的方向称为后端方向,背离锚尾的方向则为前端方向),可用以与凸部结构咬合或滑脱;所述锚尾11用以活动端201滑动至锚尾11时限制活动端的运动;所述托盘3可拆卸的安装于所述套筒20,托盘在锚杆锚固完毕时紧压在锚杆插入的岩壁。现有技术中,通常由于锚杆钢筋自身的延伸率低,在极限应力下发生微小的变形便有可能被拉断,而锚杆一旦被拉断,则整个锚杆支护系统将会失效。因此,本实施例中采用通过扩展锚杆长度而适应围岩发生变形的技术方案,并随着围岩变形进展过程中,保证锚杆提供逐渐增大的工作阻力。本实施例所述锚杆在进行锚固时,锚杆锚固段锚固于山体或岩层中,将扩长装置套装于杆体扩长段上,托盘在锚杆锚固完毕时紧压在锚杆插入的岩壁。锚固完毕时,活动端末端位于凸部结构前端位置。在稳定状态下,扩长装置紧紧的套装于杆体上,套筒活动端与杆体处于相对静止状态;当围岩出现变形,其初期的变形能较大,若围岩的变形能超过锚杆所能承受的范围,活动端将沿锚尾方向移动与杆体产生相对位移(图1中箭头所指方向为所述活动端移动方向,即扩长装置相对于杆体的移动方向),破坏凸部结构并滑脱;此间围岩的变形能得到释放,当其变形能小于锚杆的承载能力,活动端末端将位于另一凸部结构前端位置,活动端与杆体不再产生位移而回到平衡状态,扩长装置再次紧紧的套装于杆体上。采用上述方案,当围岩发生一定变形时,由于扩长装置的设置,锚杆长度得到延伸,使围岩中的变形能得到释放,锚杆延伸之后,仍然能够保持工作阻力,再次维持围岩的稳定。
优选实施例方案,所述活动端为一开孔的空心圆柱结构,所述孔内径与杆体直径相等,活动端内圆面紧贴于杆体外圆面。为利于扩长装置套装于所述杆体,本实施例中将活动端设为一开孔的空心圆柱结构,所述孔内径与杆体直径相等,有利于活动端内圆面紧贴于杆体外圆面。
优选实施例方案,所述活动端内圆面设有与扩长段外圆面凸部结构相耦合的耦合结构。当围岩出现变形,若围岩的变形能超过锚杆所能承受的范围,活动端将沿锚尾方向移动与杆体产生相对位移,破坏凸部结构并滑脱。在此过程中为了推迟凸部结构的破坏时间,给围岩一定时间释放形变能,通过活动端内圆面设有与扩长段外圆面凸部结构相耦合的耦合结构,一方面可增强活动端与杆体相对移动的阻力,从而达到延长锚杆使用寿命的目的;另一方面,当围岩中的变形能得到释放,再次回到稳定状态时,活动端与杆体不再产生位移,并通过耦合结构使活动端与扩长段咬合在一起,也利于扩长装置再次紧紧的套装于杆体上。
优选实施例方案,所述杆体与活动端承载能力大于凸部结构的承载能力。本实施例中,为保证套筒活动端与杆体发生相对位移过程中,当围岩的变形能超过锚杆所能承受的范围使活动端能破坏凸部结构(但不破坏锚杆杆体)从而滑脱产生相对位移,设计所述杆体与活动端的承载能力大于凸部结构的承载能力。
优选实施例方案,所述锚尾、套筒、活动端和托盘的承载能力与杆体承载能力相匹配。随着围岩长期变形,活动端将沿锚尾方向移动与杆体产生相对位移,破坏凸部结构并滑脱,当活动端将杆体扩长段上设置的凸部结构全部破坏后,最终将抵至锚尾处维持平衡状态,锚尾最终将限制活动端继续运动。另一方面,围岩出现变形时,荷载作用于托盘,通过托盘将荷载传递到杆体,且托盘亦可变形,围岩应力得到释放,安全过渡到新的平衡阶段。因此托盘的承载能力也具有一定要求,如具有一定变形能力,当荷载较大时可压缩,不致脆裂失效,具有一定面积,有利于锚杆预应力扩散。而托盘通过可拆卸的安装于套筒,套筒的承载能力也应该满足一定要求。因此,本实施例中对于锚尾的承载能力要求较高,将锚尾、套筒、活动端和托盘的承载能力与杆体承载能力相匹配。
优选实施例方案,所述凸部结构的承载能力沿所述杆体扩长段至锚尾方向渐增。本实施例中锚杆锚固后,若围岩发生变形,超过锚杆所能承受的范围,活动端将沿锚尾方向移动与杆体产生相对位移,破坏凸部结构并滑脱,此间围岩释放形变能重新回到稳定状态。当围岩再次发生变形,为进一步增强活动端与杆体相对移动的阻力,本实施例中设计扩长段上的凸部结构沿所述杆体扩长段至锚尾方向渐增,实现当围岩再次发生变形,增强活动端沿锚尾方向移动破坏凸部结构时的阻力。
优选实施例方案,所述凸部结构之间的间距沿所述杆体扩长段至锚尾方向渐减。本实施例中,多个凸部结构之间的间距沿所述杆体扩长段至锚尾方向渐减。通常,围岩初期的变形能较大,当超过锚杆的承载能力范围后,为使锚杆适应围岩较大的变形,避免锚杆在围岩变形过程中拉断,本实施例中采用扩长装置在围岩变形前期相对杆体移动较容易的方案来解决。具体来说,扩长段前端外圆面设置的凸部结构之间的间距较后端间距大些,从而利于扩长装置在围岩变形前期相对杆体移动。
优选实施例方案,所述凸部结构沿所述杆体径向的厚度沿所述杆体扩长段至锚尾方向渐增。通常,围岩初期的变形能较大,当超过锚杆的承载能力范围后,为使锚杆适应围岩较大的变形,避免锚杆在围岩变形过程中拉断,本实施例中采用扩长装置在围岩变形前期相对杆体移动较容易的方案来解决。具体来说,扩长段前端外圆面设置的凸部结构的径向厚度较后端厚度小些,使得套筒活动端在杆体移动时更容易破坏凸部结构并滑脱,从而利于扩长装置在围岩变形前期相对杆体移动。
优选实施例方案,所述凸部结构沿所述杆体轴向的宽度沿所述杆体扩长段至锚尾方向渐增。通常,围岩初期的变形能较大,当超过锚杆的承载能力范围后,为使锚杆适应围岩较大的变形,避免锚杆在围岩变形过程中拉断,本实施例中采用扩长装置在围岩变形前期相对杆体移动较容易的方案来解决。具体来说,扩长段前端外圆面设置的凸部结构的轴向宽度较后端宽度小些,使得套筒活动端在杆体移动时更容易破坏凸部结构并滑脱,从而利于扩长装置在围岩变形前期相对杆体移动。
优选实施例方案,所述凸部结构可为螺纹。
优选实施例方案,所述凸部结构可为沿所述杆体外圆面的环状柱体结构。
优选实施例方案,所述锚尾为圆柱体结构,所述圆柱体结构直径大于所述套筒活动端孔的内径。随着围岩长期变形,活动端将沿锚尾方向移动与杆体产生相对位移,逐渐破坏凸部结构并滑脱,当活动端将杆体扩长段上设置的凸部结构全部破坏后,最终将抵至锚尾处维持平衡状态,锚尾最终将限制活动端继续运动。
优选实施例方案,所述活动端轴向长度与扩长段长度相等。本实施例中设置活动端轴向长度L1与扩长段长度L2相等,可实现当活动端将杆体扩长段上设置的凸部结构全部破坏后,最终活动端末端将抵至锚尾处维持平衡状态,锚尾最终将限制活动端继续运动,提高锚杆的稳定性。
优选实施例方案,所述套筒另一端设有封盖202。本实施例中在套筒的另一端(即活动端相对的另一端)设置封盖,一方面,锚杆在潮湿环境下工作时可防止水分进入扩长装置而导致扩长装置与杆体的连接酶发生锈蚀,另一方面,还可防止泥沙或石子等杂物进入套筒内部。
优选实施例方案,所述套筒包括调节装置,用以调节锚杆锚固后托盘距离岩壁间的距离。当锚杆锚固段锚固于山体或岩层中,将扩长装置套装于杆体扩长段上,通过调节装置,可以使拖盘在锚杆锚固完毕时紧压在锚杆插入的岩壁。
优选实施例方案,所述托盘3底部设有与所述套筒20外径适配的通孔;所述调节装置包括螺母4,套筒设有与所述螺母适配的螺纹,所述螺母处于旋拧结束状态时,托盘紧压在锚杆插入的岩壁。具体的,所述托盘底部穿过套筒,通过螺母旋拧于套筒,从而调整托盘距离岩壁间的距离,当螺母旋拧结束后,托盘紧压在锚杆插入的岩壁。另一方面,围岩出现变形时,荷载作用于托盘,通过托盘将荷载传递到锚杆杆体,通过扩长装置增大锚杆的工作阻力,进而控制围岩变形。
在本发明的实施例的描述中,需要理解的是,术语“上”、“下”、“前”、“后”、“左”、“右”、“坚直”、“水平”、“中心”、“顶”、“底”、“顶部”、“底部”、“内”、“外”、“内侧”、“外侧”等指示的方位或位置关系为基于附图所示的方位或位置关系,仅是为了使于描述本发明和简化描述,而不是指示或暗示所指的装置或元件必须具有特定的方位、以特定的方位构造和操作,因此不能理解为对本发明的限制。其中,“里侧”是指内部或围起来的区域或空间。“外围”是指某特定部件或特定区域的周围的区域。
在本发明的实施例的描述中,术语“第一”、“第二”、“第三”、“第四”仅用以描述目的,而不能理解为指示或暗示相对重要性或者隐含指明所指示的技术特征的数量。由此,限定有“第一”、“第二”、“第三”、“第四”的特征可以明示或者隐含地包括一个或者更多个该特征。在本发明的描述中,除非另有说明,“多个”的含义是两个或两个以上。
在本发明的实施例的描述中,需要说明的是,除非另有明确的规定和限定,术语“安装”、“相连”、“连接”、“组装”应做广义理解,例如,可以是固定连接,也可以是可拆卸连接,或一体地连接;可以是直接相连,也可以通过中间媒介间接相连,可以是两个元件内部的连通。对于本领域的普通技术人员而言,可以具体情况理解上述术语在本发明中的具体含义。
在本发明的实施例的描述中,具体特征、结构、材料或者特点可以在任何的一个或多个实施例或示例中以合适的方式结合。
在本发明的实施例的描述中,需要理解的是,“-”和“~”表示的是两个数值之同的范围,并且该范围包括端点。例如:“A-B”表示大于或等于A,且小于或等于B的范围。“A~B”表示大于或等于A,且小于或等于B的范围。
在本发明的实施例的描述中,本文中术语“和/或”,仅仅是一种描述关联对象的关联关系,表示可以存在三种关系,例如,A和/或B,可以表示:单独存在A,同时存在A和B,单独存在B这三种情况。另外,本文中字符“/”,一般表示前后关联对象是一种“或”的关系。
尽管已经示出和描述了本发明的实施例,对于本领域的普通技术人员而言,可以理解在不脱离本发明的原理和精神的情况下可以对这些实施例进行多种变化、修改、替换和变型,本发明的范围由所附权利要求及其等同物限定。
Claims (3)
1.一种锚杆,其特征在于,包括杆体和托盘,所述杆体包括连接锚尾的扩长段,所述扩长段与锚尾套装有可相对杆体滑动的扩长装置,扩长段设有凸部结构,所述扩长装置为具有活动端的套筒,活动端末端位于凸部结构前端,可用以与凸部结构咬合或滑脱;所述锚尾用以活动端滑动至锚尾时限制活动端的运动;所述托盘可拆卸的安装于所述套筒,托盘在锚杆锚固完毕时紧压在锚杆插入的岩壁;
所述套筒包括调节装置,用以调节锚杆锚固后托盘距离岩壁间的距离;所述托盘底部设有与所述套筒外径适配的通孔;所述调节装置包括螺母,套筒设有与所述螺母适配的螺纹,所述螺母处于旋拧结束状态时,托盘紧压在锚杆插入的岩壁;
所述活动端为一开孔的空心圆柱结构,所述孔内径与杆体直径相等,活动端内圆面紧贴于杆体外圆面;
所述活动端内圆面设有与扩长段外圆面凸部结构相耦合的耦合结构;
所述杆体与活动端承载能力大于凸部结构的承载能力;
所述锚尾、套筒、活动端和托盘的承载能力与杆体承载能力相匹配;
所述凸部结构的承载能力沿所述杆体扩长段至锚尾方向渐增;
所述凸部结构之间的间距沿所述杆体扩长段至锚尾方向渐减。
2.根据权利要求1所述的一种锚杆,其特征在于,所述锚尾为圆柱体结构,所述圆柱体结构直径大于所述套筒活动端孔的内径。
3.根据权利要求1所述的一种锚杆,其特征在于,所述活动端轴向长度与扩长段长度相等。
Priority Applications (1)
| Application Number | Priority Date | Filing Date | Title |
|---|---|---|---|
| CN201810383091.XA CN108612552B (zh) | 2018-04-26 | 2018-04-26 | 一种锚杆 |
Applications Claiming Priority (1)
| Application Number | Priority Date | Filing Date | Title |
|---|---|---|---|
| CN201810383091.XA CN108612552B (zh) | 2018-04-26 | 2018-04-26 | 一种锚杆 |
Publications (2)
| Publication Number | Publication Date |
|---|---|
| CN108612552A CN108612552A (zh) | 2018-10-02 |
| CN108612552B true CN108612552B (zh) | 2020-12-04 |
Family
ID=63661213
Family Applications (1)
| Application Number | Title | Priority Date | Filing Date |
|---|---|---|---|
| CN201810383091.XA Active CN108612552B (zh) | 2018-04-26 | 2018-04-26 | 一种锚杆 |
Country Status (1)
| Country | Link |
|---|---|
| CN (1) | CN108612552B (zh) |
Families Citing this family (1)
| Publication number | Priority date | Publication date | Assignee | Title |
|---|---|---|---|---|
| CN117188497A (zh) * | 2023-09-22 | 2023-12-08 | 山西四建集团有限公司 | 一种高边坡支护施工结构及施工方法 |
Citations (5)
| Publication number | Priority date | Publication date | Assignee | Title |
|---|---|---|---|---|
| US4850746A (en) * | 1987-04-18 | 1989-07-25 | Dyckerhoff & Widmann Aktiengesellschaft | Rock anchor assembly for securing roadways and wall surfaces of open cuts and tunnels |
| CN201924947U (zh) * | 2010-11-17 | 2011-08-10 | 江苏省矿业工程集团有限公司建井工程处 | 一种可伸长锚杆 |
| CN104594928A (zh) * | 2014-12-31 | 2015-05-06 | 中国矿业大学 | 一种四维支护大变形锚杆 |
| CN204591323U (zh) * | 2015-05-07 | 2015-08-26 | 山东科技大学 | 大伸长耐蚀锚杆 |
| CN205445647U (zh) * | 2016-03-27 | 2016-08-10 | 山东科技大学 | 一种双重预紧循序渐进让压锚杆托盘 |
Family Cites Families (2)
| Publication number | Priority date | Publication date | Assignee | Title |
|---|---|---|---|---|
| CN202866845U (zh) * | 2012-09-02 | 2013-04-10 | 山东科技大学 | 一种可适时检测锚固质量的增阻变形锚索/锚杆 |
| CN106193031A (zh) * | 2016-07-19 | 2016-12-07 | 成都鹏程路桥机械有限公司 | 一种防尘锚具 |
-
2018
- 2018-04-26 CN CN201810383091.XA patent/CN108612552B/zh active Active
Patent Citations (5)
| Publication number | Priority date | Publication date | Assignee | Title |
|---|---|---|---|---|
| US4850746A (en) * | 1987-04-18 | 1989-07-25 | Dyckerhoff & Widmann Aktiengesellschaft | Rock anchor assembly for securing roadways and wall surfaces of open cuts and tunnels |
| CN201924947U (zh) * | 2010-11-17 | 2011-08-10 | 江苏省矿业工程集团有限公司建井工程处 | 一种可伸长锚杆 |
| CN104594928A (zh) * | 2014-12-31 | 2015-05-06 | 中国矿业大学 | 一种四维支护大变形锚杆 |
| CN204591323U (zh) * | 2015-05-07 | 2015-08-26 | 山东科技大学 | 大伸长耐蚀锚杆 |
| CN205445647U (zh) * | 2016-03-27 | 2016-08-10 | 山东科技大学 | 一种双重预紧循序渐进让压锚杆托盘 |
Also Published As
| Publication number | Publication date |
|---|---|
| CN108612552A (zh) | 2018-10-02 |
Similar Documents
| Publication | Publication Date | Title |
|---|---|---|
| CN110578542B (zh) | 一种高应力冲击地压巷道锚杆、设计方法和工作方法 | |
| CN204357467U (zh) | 可伸缩内注式二次锚固型锚杆 | |
| CN102536278B (zh) | 渐进让压复合式可伸长锚杆及其施工方法 | |
| CN104818723B (zh) | 边坡支护用抗滑桩 | |
| CN107060851B (zh) | 双级恒阻大变形锚固件 | |
| CN103758550B (zh) | 一种液胀式让压抗震抗高地温锚杆 | |
| CN109162743B (zh) | 一种摩擦-剪切复合式准恒阻大变形锚索 | |
| CN111894643A (zh) | 恒阻体与恒阻套管组件及npr锚杆/索 | |
| CN103104271B (zh) | 一种锚索断裂冲击缓冲保护装置 | |
| CN107747500A (zh) | 一种让压锚杆 | |
| CN107218072A (zh) | 一种挤压摩擦式恒阻让压大变形锚杆 | |
| CN205117379U (zh) | 一种自进式大变形让压锚杆 | |
| CN108612552B (zh) | 一种锚杆 | |
| CN102536280B (zh) | 增阻让压锚杆 | |
| CN109339840B (zh) | 一种抗扭大变形锚杆 | |
| CN110617094A (zh) | 能够加强锚固作用的减震定位复合式注浆锚杆 | |
| CN207437107U (zh) | 一种让压锚索 | |
| CN204783078U (zh) | 一种具有抗冲击恒阻性能的中空注浆锚杆 | |
| CN108316957A (zh) | 一种增阻型锚杆 | |
| CN202417556U (zh) | 渐进让压复合式可伸长锚杆 | |
| CN108343457A (zh) | 一种可适应围岩变形的锚杆 | |
| CN212898562U (zh) | 一种让压锚杆 | |
| CN207740024U (zh) | 一种让压锚杆 | |
| CN102392662A (zh) | 一种弯曲式动静组合锚杆 | |
| CN102953684A (zh) | 一种带扩大钻头的钻杆 |
Legal Events
| Date | Code | Title | Description |
|---|---|---|---|
| PB01 | Publication | ||
| PB01 | Publication | ||
| SE01 | Entry into force of request for substantive examination | ||
| SE01 | Entry into force of request for substantive examination | ||
| GR01 | Patent grant | ||
| GR01 | Patent grant |