CN106806077B - An automatic turning over airbag nursing mattress - Google Patents

An automatic turning over airbag nursing mattress Download PDF

Info

Publication number
CN106806077B
CN106806077B CN201710168209.2A CN201710168209A CN106806077B CN 106806077 B CN106806077 B CN 106806077B CN 201710168209 A CN201710168209 A CN 201710168209A CN 106806077 B CN106806077 B CN 106806077B
Authority
CN
China
Prior art keywords
air
airbag
pressure
air bag
module
Prior art date
Legal status (The legal status is an assumption and is not a legal conclusion. Google has not performed a legal analysis and makes no representation as to the accuracy of the status listed.)
Active
Application number
CN201710168209.2A
Other languages
Chinese (zh)
Other versions
CN106806077A (en
Inventor
刘今越
李路
刘子欣
郭士杰
王宁
顾立振
路浩
刘秀丽
王旭之
Current Assignee (The listed assignees may be inaccurate. Google has not performed a legal analysis and makes no representation or warranty as to the accuracy of the list.)
Hebei University of Technology
Original Assignee
Hebei University of Technology
Priority date (The priority date is an assumption and is not a legal conclusion. Google has not performed a legal analysis and makes no representation as to the accuracy of the date listed.)
Filing date
Publication date
Application filed by Hebei University of Technology filed Critical Hebei University of Technology
Priority to CN201710168209.2A priority Critical patent/CN106806077B/en
Publication of CN106806077A publication Critical patent/CN106806077A/en
Application granted granted Critical
Publication of CN106806077B publication Critical patent/CN106806077B/en
Active legal-status Critical Current
Anticipated expiration legal-status Critical

Links

Images

Classifications

    • AHUMAN NECESSITIES
    • A61MEDICAL OR VETERINARY SCIENCE; HYGIENE
    • A61GTRANSPORT, PERSONAL CONVEYANCES, OR ACCOMMODATION SPECIALLY ADAPTED FOR PATIENTS OR DISABLED PERSONS; OPERATING TABLES OR CHAIRS; CHAIRS FOR DENTISTRY; FUNERAL DEVICES
    • A61G7/00Beds specially adapted for nursing; Devices for lifting patients or disabled persons
    • A61G7/001Beds specially adapted for nursing; Devices for lifting patients or disabled persons with means for turning-over the patient
    • AHUMAN NECESSITIES
    • A61MEDICAL OR VETERINARY SCIENCE; HYGIENE
    • A61BDIAGNOSIS; SURGERY; IDENTIFICATION
    • A61B5/00Measuring for diagnostic purposes; Identification of persons
    • A61B5/103Measuring devices for testing the shape, pattern, colour, size or movement of the body or parts thereof, for diagnostic purposes
    • A61B5/11Measuring movement of the entire body or parts thereof, e.g. head or hand tremor or mobility of a limb
    • A61B5/1116Determining posture transitions
    • AHUMAN NECESSITIES
    • A61MEDICAL OR VETERINARY SCIENCE; HYGIENE
    • A61BDIAGNOSIS; SURGERY; IDENTIFICATION
    • A61B5/00Measuring for diagnostic purposes; Identification of persons
    • A61B5/48Other medical applications
    • A61B5/4806Sleep evaluation
    • A61B5/4818Sleep apnoea
    • AHUMAN NECESSITIES
    • A61MEDICAL OR VETERINARY SCIENCE; HYGIENE
    • A61BDIAGNOSIS; SURGERY; IDENTIFICATION
    • A61B5/00Measuring for diagnostic purposes; Identification of persons
    • A61B5/68Arrangements of detecting, measuring or recording means, e.g. sensors, in relation to patient
    • A61B5/6887Arrangements of detecting, measuring or recording means, e.g. sensors, in relation to patient mounted on external non-worn devices, e.g. non-medical devices
    • A61B5/6891Furniture
    • AHUMAN NECESSITIES
    • A61MEDICAL OR VETERINARY SCIENCE; HYGIENE
    • A61FFILTERS IMPLANTABLE INTO BLOOD VESSELS; PROSTHESES; DEVICES PROVIDING PATENCY TO, OR PREVENTING COLLAPSING OF, TUBULAR STRUCTURES OF THE BODY, e.g. STENTS; ORTHOPAEDIC, NURSING OR CONTRACEPTIVE DEVICES; FOMENTATION; TREATMENT OR PROTECTION OF EYES OR EARS; BANDAGES, DRESSINGS OR ABSORBENT PADS; FIRST-AID KITS
    • A61F5/00Orthopaedic methods or devices for non-surgical treatment of bones or joints; Nursing devices ; Anti-rape devices
    • A61F5/56Devices for preventing snoring
    • AHUMAN NECESSITIES
    • A61MEDICAL OR VETERINARY SCIENCE; HYGIENE
    • A61GTRANSPORT, PERSONAL CONVEYANCES, OR ACCOMMODATION SPECIALLY ADAPTED FOR PATIENTS OR DISABLED PERSONS; OPERATING TABLES OR CHAIRS; CHAIRS FOR DENTISTRY; FUNERAL DEVICES
    • A61G2200/00Information related to the kind of patient or his position
    • A61G2200/30Specific positions of the patient
    • A61G2200/32Specific positions of the patient lying
    • AHUMAN NECESSITIES
    • A61MEDICAL OR VETERINARY SCIENCE; HYGIENE
    • A61GTRANSPORT, PERSONAL CONVEYANCES, OR ACCOMMODATION SPECIALLY ADAPTED FOR PATIENTS OR DISABLED PERSONS; OPERATING TABLES OR CHAIRS; CHAIRS FOR DENTISTRY; FUNERAL DEVICES
    • A61G2203/00General characteristics of devices
    • A61G2203/10General characteristics of devices characterised by specific control means, e.g. for adjustment or steering
    • AHUMAN NECESSITIES
    • A61MEDICAL OR VETERINARY SCIENCE; HYGIENE
    • A61GTRANSPORT, PERSONAL CONVEYANCES, OR ACCOMMODATION SPECIALLY ADAPTED FOR PATIENTS OR DISABLED PERSONS; OPERATING TABLES OR CHAIRS; CHAIRS FOR DENTISTRY; FUNERAL DEVICES
    • A61G2203/00General characteristics of devices
    • A61G2203/30General characteristics of devices characterised by sensor means
    • A61G2203/34General characteristics of devices characterised by sensor means for pressure
    • AHUMAN NECESSITIES
    • A61MEDICAL OR VETERINARY SCIENCE; HYGIENE
    • A61GTRANSPORT, PERSONAL CONVEYANCES, OR ACCOMMODATION SPECIALLY ADAPTED FOR PATIENTS OR DISABLED PERSONS; OPERATING TABLES OR CHAIRS; CHAIRS FOR DENTISTRY; FUNERAL DEVICES
    • A61G2203/00General characteristics of devices
    • A61G2203/70General characteristics of devices with special adaptations, e.g. for safety or comfort

Landscapes

  • Health & Medical Sciences (AREA)
  • Life Sciences & Earth Sciences (AREA)
  • Veterinary Medicine (AREA)
  • Animal Behavior & Ethology (AREA)
  • General Health & Medical Sciences (AREA)
  • Public Health (AREA)
  • Heart & Thoracic Surgery (AREA)
  • Engineering & Computer Science (AREA)
  • Biomedical Technology (AREA)
  • Biophysics (AREA)
  • Surgery (AREA)
  • Molecular Biology (AREA)
  • Medical Informatics (AREA)
  • Pathology (AREA)
  • Physics & Mathematics (AREA)
  • Nursing (AREA)
  • Otolaryngology (AREA)
  • Vascular Medicine (AREA)
  • Pulmonology (AREA)
  • Orthopedic Medicine & Surgery (AREA)
  • Physiology (AREA)
  • Dentistry (AREA)
  • Oral & Maxillofacial Surgery (AREA)
  • Mattresses And Other Support Structures For Chairs And Beds (AREA)
  • Invalid Beds And Related Equipment (AREA)

Abstract

本发明涉及一种自动翻身气囊护理床垫,其特征在于该床垫包括气囊模块、控制器模块和柔性压敏传感器模块;柔性压敏传感器模块安装在气囊模块上,控制器模块控制柔性压敏传感器模块和气囊模块进行相应动作;所述气囊模块包括气囊、气垫、支路橡胶气管、第一储气罐,第二储气罐和充气泵;80个气囊构成一个气囊单元阵列,80个气囊呈8*10的阵列形式安装在底布上,每个气囊的尺寸为100mmx100mm,每个气囊分为上下两层;每个气囊的气嘴均连接有一个支路橡胶气管,相邻两个气囊的支路橡胶气管通过T字接口连接起来,再连接一个微型电磁阀,然后通过一个转换接口与总路橡胶气管接通;1至4行的气囊称为A部分,5至8行的气囊称为B部分。

Figure 201710168209

The invention relates to an automatic turning over airbag nursing mattress, which is characterized in that the mattress comprises an airbag module, a controller module and a flexible pressure-sensitive sensor module; the flexible pressure-sensitive sensor module is installed on the airbag module, and the controller module controls the flexible pressure-sensitive sensor module. The sensor module and the airbag module perform corresponding actions; the airbag module includes an airbag, an air cushion, a branch rubber trachea, a first air storage tank, a second air storage tank and an inflation pump; 80 airbags form an airbag unit array, and 80 airbags It is installed on the base fabric in the form of 8*10 array, the size of each air bag is 100mmx100mm, and each air bag is divided into upper and lower layers; the air nozzle of each air bag is connected with a branch rubber trachea, and two adjacent air bags are connected. The branch rubber trachea is connected through the T-shaped interface, and then connected to a micro solenoid valve, and then connected to the main rubber trachea through a conversion interface; the air bags in rows 1 to 4 are called part A, and the air bags in rows 5 to 8 are called part A. for Part B.

Figure 201710168209

Description

Automatic turning-over air bag nursing mattress
Technical Field
The invention relates to the technical field of intelligent household and medical instruments, in particular to an automatic turning-over air bag nursing mattress, which can realize the change of sleeping postures.
Background
Sleep Apnea Syndrome (SAS) is the second largest sleep disorder, second only to insomnia, with prevalence rates of up to 9% in men over 40 years of age. It is closely related to the cardiovascular system, and not only induces heart disease, but also is a complication of heart failure. The main reason is that when sleeping on back, the tongue, the soft palate and the uvula are loose and fall down, and the airway is aggravated to be blocked, so that snoring is caused, and the sleeping posture needs to be changed to prevent snoring. The existing method for adjusting the sleeping posture is only to simply adjust the hardness of the inflatable mattress or mechanically turn over the user, and cannot accurately judge according to the current sleeping posture state of the user, and particularly cannot ensure the automatic adjustment of the sleeping posture in the sleeping process so as to ensure the comfort of the user. For example, chinese patent application No. 201610645559.9 discloses an air cushion device suitable for a multifunctional nursing bed, which can bend legs, turn over and the like by inflating and deflating an air cylinder, but cannot detect the breathing, sleeping posture and pressure distribution of a user, cannot meet the requirements of the multifunctional nursing bed mattress, and needs a novel nursing bed mattress structure along with the popularization of the existing multifunctional nursing bed. The chinese patent with application number 201610452866.5 discloses a multi-functional intelligent bed system, and this intelligent bed fuses the many information module, but when many information acquisition fuses, the error that analysis result appears is bigger to increaseed the degree of difficulty to gasbag inflation and deflation control, reduced the comfort level when the user stands up, and carry the use inconvenient. Therefore, there is a need to provide a method for changing the sleeping posture of a user by determining the breathing state of the human body.
Disclosure of Invention
Aiming at the defects of the prior art, the invention provides an automatic turning over air bag nursing mattress. The mattress can realize automatic change of the sleeping posture of a human body by judging the breathing state of the human body, and meanwhile, can also carry out alternate inflation and deflation on a patient lying in bed for a long time, prevent bedsore and massage a user.
The technical scheme adopted by the invention for solving the technical problems is to provide an automatic turning-over air bag nursing mattress which is characterized by comprising an air bag module, a controller module and a flexible pressure-sensitive sensor module; the flexible pressure-sensitive sensor module is arranged on the air bag module, and the controller module controls the flexible pressure-sensitive sensor module and the air bag module to perform corresponding actions;
the air bag module comprises an air bag, an air cushion, a branch rubber air pipe, a first air storage tank, a second air storage tank and an inflating pump; 80 air bags form an air bag unit array, the 80 air bags are arranged on the base fabric in an 8x10 array form, the size of each air bag is 100mmx100mm, and each air bag is divided into an upper layer and a lower layer; the air tap of each air bag is connected with a branch rubber air pipe, the branch rubber air pipes of two adjacent air bags are connected through a T-shaped interface, then connected with a micro electromagnetic valve and communicated with a main rubber air pipe through a conversion interface; the air bags in the rows 1 to 4 are called as the part A, the air bags in the rows 5 to 8 are called as the part B, and branch rubber air pipes of the air bags in the part A are communicated with a main rubber air pipe through a conversion interface to form a main air passage A; the air path of the part B is the same as that of the part A, namely a branch rubber air pipe of the part B air bag is communicated with the micro electromagnetic valve through a conversion interface and another main rubber air pipe to form a main air path B; the inlets of the main gas path A and the main gas path B are respectively connected with a two-position three-way electromagnetic valve, and the two-position three-way electromagnetic valves respectively control the inflation and deflation of the main gas path A and the main gas path B; inlets of the main air path A and the main air path B are communicated with a first air storage tank through corresponding two-position three-way electromagnetic valves through T-shaped interfaces, and the main air path A and the main air path B are communicated with a second air storage tank through corresponding two-position three-way electromagnetic valves through T sub-interfaces; a first pressure transmitter and a second pressure transmitter are respectively arranged on the first air storage tank and the second air storage tank, and the two pressure transmitters are used for detecting the pressure inside the air bag unit array; the first air storage tank is connected with the inflator pump, and the second air storage tank is communicated with the outside air; the air bag unit array is arranged in the middle of the air cushion in a surrounding mode, the air cushion is connected with the main air passage A and is arranged on the base cloth, the distance from one end of the air bag unit array to the bed head is 1/6-1/4 of the overall size of the mattress, and the distances from the two sides of the air bag unit array to the bed edge are equal; the connection method of the two-position three-way electromagnetic valve is that when the coil is electrified, the inflation state is realized, and when the coil is powered off, the deflation state is realized;
the flexible pressure-sensitive sensor module consists of 80 flexible pressure-sensitive sensors and is used for detecting the respiratory state, the sleeping posture and the sleeping posture pressure distribution of a human body, and each flexible pressure-sensitive sensor is flatly laid on one air bag mattress;
the controller module comprises a controller, a control box and an operation panel; the controller comprises a serial port relay module and an industrial personal computer, wherein the serial port relay module is respectively connected with the industrial personal computer, two-position three-way electromagnetic valves and 40 miniature electromagnetic valves; the industrial computer is connected to the operation panel through the connecting wire simultaneously, carries out corresponding action through operation panel control serial port relay module, and the industrial computer carries out the communication with first pressure transmitter and second pressure transmitter.
Compared with the prior art, the invention has the beneficial effects that:
most of the existing snore stopping devices wake up users by means of vibration, sound, electrical stimulation and the like, so that muscles of respiratory tracts generate conditioned reflex contraction to relieve respiratory tract obstruction and achieve the purpose of stopping snore. Under the condition that a user is not awakened, when the flexible pressure-sensitive sensor detects that the breathing state of the user is the apnea state, the pressure area of the sleeping posture of the patient and the pressure value of each area are measured by the flexible pressure-sensitive sensor, the height to which the air bag to be inflated or deflated needs to reach is determined, the inflation quantity or deflation quantity required by each air bag is judged, and finally the two-position three-way electromagnetic valve and the corresponding micro electromagnetic valve are controlled by the controller to inflate and deflate the air bag, so that the sleeping posture of the user is changed, the respiratory tract blockage is relieved, and the purpose of stopping snore is achieved, and the sleeping quality of the user is improved.
The multifunctional nursing bed also solves the problem that the nursing staff is helped by manpower to turn over the bedridden patient to increase the labor intensity or cause the patient to suffer from turning over due to improper operation in the turning over process, is beneficial to the bedridden patient with clear head and healthy upper limbs to control to turn over by oneself, is convenient to use, has small weight and easy to carry, and can be arranged on the nursing bed to realize the action function of the multifunctional nursing bed.
Drawings
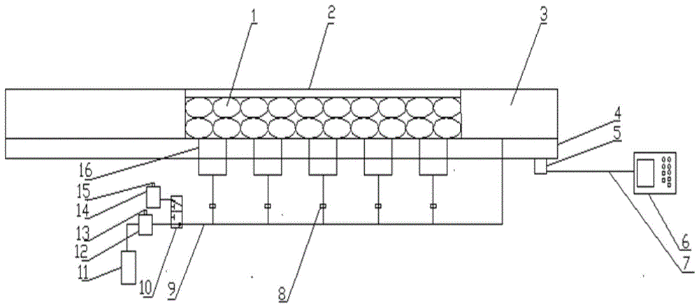
Fig. 1 is a schematic front view structure diagram of an automatic turn-over airbag nursing mattress according to an embodiment of the invention.
Fig. 2 is a schematic top view of an automatic turn-over airbag nursing mattress according to an embodiment of the invention.
In the figure: 1. the air bag, 2, the flexible pressure-sensitive sensor, 3, the air cushion, 4, the base fabric, 5, the control box, 6, the operation panel, 7, the connecting wire, 8, the miniature solenoid valve, 9, the main rubber air pipe, 10, two-position three-way solenoid valve, 11, the inflator pump, 12, the first air storage tank, 13, the first pressure transmitter, 14, the second air storage tank, 15, the second pressure transmitter, 16 and the branch rubber air pipe.
Detailed Description
The present invention is further explained with reference to the following examples and drawings, but the present invention is not limited thereto.
The automatic turning over air bag nursing mattress (called as a mattress for short, see figures 1-2) comprises an air bag module, a controller module and a flexible pressure-sensitive sensor module; the flexible pressure-sensitive sensor module is arranged on the air bag module, and the controller module controls the flexible pressure-sensitive sensor module and the air bag module to perform corresponding actions;
the air bag module comprises an air bag 1, an air cushion 3, a branch rubber air pipe 16, a first air storage tank 12, a second air storage tank 14 and an inflator pump 11; 80 air bags form an air bag unit array, the 80 air bags are arranged on the base fabric 4 in an 8x10 array form, namely 8 rows and 10 columns, each row is provided with 10 air bags, each column is provided with 8 air bags, the size of each air bag is 100mmx100mm, each air bag is similar to an air spring in shape and is divided into an upper layer and a lower layer, and a user always keeps the user in contact with the mattress in the process of lying on the mattress and turning over, does not have any side pressure and only receives self gravity, so the user does not have a squeezing feeling and has good experience in the process of turning over; the whole size of the airbag unit array is 1000mmx 800mm, when a user lies down to turn over, force is applied to the shoulders, the waist, the buttocks and the thighs of the user, so that the user can turn over most effectively, and the size of the airbag unit array is designed to meet the position of the force required by the user to turn over; the air tap of each air bag is connected with a branch rubber air pipe 16, the branch rubber air pipes of two adjacent air bags are connected through a T-shaped interface, then connected with a micro electromagnetic valve 8 and communicated with a main rubber air pipe 9 through a conversion interface, and the diameters of the branch rubber air pipes and the main rubber air pipe meet the ventilation requirement; as shown in fig. 2, 80 airbags 1 are numbered, for example, 8 airbags in the first row are numbered as 1-1, 1-2, 1-3, 1-4, 1-5, 1-6, 1-7 and 1-8 in sequence, 8 airbags in the second row are numbered as 2-1, 2-2, 2-3, 2-4, 2-5, 2-6, 2-7, 2-8 and … … in sequence, and 8 airbags in the tenth row are numbered as 10-1, 10-2, 10-3, 10-4, 10-5, 10-6, 10-7 and 10-8 in sequence; the air bags in the rows 1 to 4 are called as the part A, the air bags in the rows 5 to 8 are called as the part B, as shown in figure 1, each air bag is inserted into a branch rubber air pipe 16, a micro electromagnetic valve 8 controls the inflation and deflation of the two air bags, and the branch rubber air pipe 16 and the micro electromagnetic valve 8 of the air bag in the part A are communicated with a main path rubber air pipe 9 through a conversion interface to form a main air path A; the air path of the part B is the same as that of the part A, namely a branch rubber air tube 16 of the part B air bag is communicated with the micro electromagnetic valve 8 through a conversion interface and another main rubber air tube 9 to form a main air path B; the inlets of the main gas path A and the main gas path B are respectively connected with a two-position three-way electromagnetic valve, and the two-position three-way electromagnetic valves 10 respectively control the inflation and deflation of the main gas path A and the main gas path B; the main air path A and the main air path B can realize independent inflation and deflation of some air bags in a part of areas, so that the height of the mattress can be adjusted, and according to the requirement of a user on hardness, when the requirement of the user on the hardness is higher, in order to realize the change of sleeping postures, some air bags of the part A or the part B need to be inflated, some air bags of the part B or the part A need to be deflated, and the two actions of inflation and deflation are realized simultaneously; inlets of the main air path A and the main air path B are communicated with a first air storage tank 12 through corresponding two-position three-way electromagnetic valves through T-shaped interfaces, and the main air path A and the main air path B are simultaneously communicated with a second air storage tank 14 through corresponding two-position three-way electromagnetic valves through T sub-interfaces; a first pressure transmitter 13 and a second pressure transmitter 15 are respectively arranged on the first air storage tank 12 and the second air storage tank 14, and the two pressure transmitters are used for detecting the pressure inside the air bag unit array; the first air storage tank 12 is connected with the inflator pump 11, and the second air storage tank 14 is communicated with the outside air; the size width of the automatic turning-over air bag nursing mattress is 1000mm, the length of the automatic turning-over air bag nursing mattress is 2000mm, the air bag unit array is arranged in the middle of the air cushion 3 in a surrounding mode, the air cushion 3 is connected with the main air path A, the air cushion 3 is arranged on the base cloth 4, the distance from one end of the air bag unit array to the bed head is 1/6-1/4 of the total size of the mattress, the distances from two sides of the air bag unit array to the bed edge are equal, the height of the air cushion and the height of the air bag unit array can be kept consistent according to the requirement of a user on the hardness of the mattress, and the comfort level of the mattress is improved; the connection method of the two-position three-way electromagnetic valve 12 is that when the coil is electrified, the inflation state is realized, and when the coil is powered off, the deflation state is realized, so that the micro electromagnetic valve 9 can be effectively prevented from being damaged due to overlarge pressure when the inflator pump inflates air;
the flexible pressure-sensitive sensor module consists of 80 flexible pressure-sensitive sensors 2 and is used for detecting the respiratory state, the sleeping posture and the sleeping posture pressure distribution of a human body, and each flexible pressure-sensitive sensor is flatly laid on one air bag mattress;
the controller module comprises a controller, a control box 5 and an operation panel 6, and the core is the controller arranged in the control box 5; the controller comprises a serial port relay module and an industrial personal computer, wherein the serial port relay module is respectively connected with the industrial personal computer, two-position three-way electromagnetic valves and 40 miniature electromagnetic valves 8; the industrial personal computer is simultaneously connected to the operation panel 6 through the connecting wire 7, controls the serial port relay module to execute corresponding actions through the operation panel 6, and is communicated with the first pressure transmitter 13 and the second pressure transmitter 15; the serial port relay module realizes 2 functions in the invention: firstly, the communication with an upper computer is realized; secondly, a working circuit (a main gas circuit A and a main gas circuit B) is controlled, wherein the working circuit comprises 2 two-position three-way electromagnetic valves and 40 micro electromagnetic valves 8; the on-off of each miniature electromagnetic valve in a working loop is specifically controlled, so that the inflation and deflation of each air bag are controlled, and the turning-over effect is realized; wherein, in order to prevent the air bag inflation amount from exceeding the maximum value allowed by the air bag, the first pressure transmitter 13 is used for detecting the pressure inside the air bag after the air bag is inflated, the second pressure transmitter 15 is used for detecting the pressure inside the air bag after the air bag is deflated, and the controller controls the inflation and deflation of the air bag by controlling the on-off of the two-position three-way electromagnetic valve and the micro electromagnetic valve.
The operation panel 6 is provided with a display screen, an automatic button, a manual button, a weight button, a left turn-over button, a right turn-over button and a timing button; the display screen is used for displaying the breathing state, the sleeping posture and the pressure distribution of a user; the weight buttons are different in weight of different users, and in order to meet the requirement that the sleeping posture changing time of the users is the same, the inflating and deflating speeds of the air bags are different according to different weights; according to the requirements of users, manual control and automatic control can be realized: manual control, namely pressing a corresponding manual button according to the physical condition and the respiratory state of a user to realize required actions; automatic control, which automatically realizes corresponding sleeping posture change according to the breathing condition of the user detected by the flexible pressure sensor; the timing button can inflate or deflate the air bag within a certain time, can effectively promote the blood circulation of a patient for a long-term bedridden patient, prevents the bedsore from being generated, and can massage the user; the left turn-over button and the right turn-over button are respectively used for controlling a user to turn over left and right.
The invention is provided with two gas storage tanks, a first gas storage tank 12 is provided with three interfaces, one interface is connected with a main gas path A and a main gas path B, a first pressure transmitter is arranged at a second interface, and a third interface is connected with an inflator pump, the first gas storage tank 12 has the function that on one hand, when an airbag unit array is inflated, the pressure in an airbag after inflation can be judged through a first pressure transmitter 13; the second air storage tank 14 is the same as the first air storage tank 12 in shape, the size of the second air storage tank 14 is smaller than that of the first air storage tank 12, a first interface on the second air storage tank 14 is connected with the main air path A and the main air path B, the second pressure transmitter 15 is installed at the second interface, the third interface is communicated with the atmosphere, and the second air storage tank 14 is used for judging the internal pressure of the air bag after the air bag is deflated through the second pressure transmitter 15. 80 air bags with the thickness of 100mmx100mm are arranged on the base fabric 4 in an array, and the inflation or deflation of the corresponding two air bags is controlled by controlling the on-off of each micro electromagnetic valve, so that the independent control of the corresponding two air bags is realized. According to the state that the muscle of each position of the body is in during user's sleep, when aerifing the gasbag of effective part, carry out corresponding aerifing and control the time of aerifing including the initial time and the ending time and the gas velocity of aerifing of corresponding gasbag with other positions of the same side body, because of required power and the difference in height of each position on one side of the body, when preventing to aerify the gasbag simultaneously, and aerify the air cushion with the same dynamics, make the user feel uncomfortable, reduced user's sleep quality. Therefore, when the sleeping posture of the human body is changed, the mattress can accurately inflate or deflate the air bag at the most effective position of the user during turning over, the height of the inflated air bag forms a wave shape, so that the sleeping posture of the user is changed, and after the change, the inflated air bag is correspondingly deflated, so that the height of the inflated air bag is consistent with that of the air cushion. Meanwhile, the air cell array can be inflated or deflated according to the requirements of users, and the hardness of the air cell mattress can be adjusted.
The 80 flexible pressure-sensitive sensors 2 are tiled on the airbag unit array and are calibrated with the airbag unit array, namely the positions of all parts of the body of a user are detected by the flexible pressure-sensitive sensors, and the corresponding position of the mattress is found out, so that the specific coordinate position of the airbag unit array needing to be operated is determined. The flexible pressure-sensitive sensor 2 can judge the breathing state of a user, when the breathing state of the user detected by the flexible pressure-sensitive sensor 2 is an apnea state, the height to which the air bag to be inflated or deflated needs to reach is determined according to the pressure area of the sleeping posture of the patient measured by the flexible pressure-sensitive sensor 2 and the pressure value of each area, the inflation amount or deflation amount required by each air bag is judged, and finally the two-position three-way electromagnetic valve and the corresponding micro electromagnetic valve are controlled by the controller to inflate and deflate the air bag, so that the sleeping posture of the user is changed.
The working principle of the invention is as follows: the display screen of the operation panel 6 displays the sleeping posture, breathing and pressure distribution of the user. According to the weight of the user, a weight button is pressed to a position corresponding to the weight of the user. Under normal conditions, the curve of human breathing is a sinusoidal curve. When the automatic button is pressed down, when the controller detects that the breathing curve of a user is in a gentle state, the specific coordinate position of the air bag unit needing to be operated is determined according to the pressure distribution of the sleeping posture of the user, the miniature electromagnetic valve 8 and the two-position three-way electromagnetic valve 10 which control the corresponding air bag are automatically opened, the corresponding air bag is inflated or deflated by the inflator pump 11, the height of the air bag is wavy, and finally the sleeping posture of the human body is changed. When the manual button is pressed, the corresponding button is manually pressed to realize the transformation of the human body pose according to the requirement of a user. If the user is a patient lying in bed for a long time, the bedsore is prevented, and the timing button is pressed, so that the air bag unit array can be inflated or deflated within a certain time, and the blood circulation of the patient is promoted. The hardness of the bed can be adjusted according to personal preference.
Example 1
The size of the automatic turning over air bag nursing mattress is 1000mmx2000mm, the position 400mm away from the bed head and the position 100mm away from one side of the mattress adopt an 8x10 air bag unit array, the size of each air bag is 100mm x100mm, and the air bags are arranged on the base cloth 4 through drawing pins. The empty part of the mattress is filled with an annular air cushion 3. As shown in fig. 2, 80 airbags 1 are numbered, for example, 8 airbags in the first row are numbered as 1-1, 1-2, 1-3, 1-4, 1-5, 1-6, 1-7 and 1-8 in sequence, 8 airbags in the second row are numbered as 2-1, 2-2, 2-3, 2-4, 2-5, 2-6, 2-7, 2-8 and … … in sequence, and 8 airbags in the tenth row are numbered as 10-1, 10-2, 10-3, 10-4, 10-5, 10-6, 10-7 and 10-8 in sequence; the air bags in the rows 1 to 4 are called as the part A, the air bags in the rows 5 to 8 are called as the part B, each air bag is inserted into a branch rubber air pipe 16, a micro electromagnetic valve 8 controls the inflation and deflation of the two air bags, and the branch rubber air pipe 16 of the air bag in the part A is communicated with the micro electromagnetic valve 8 through a conversion interface and a main path rubber air pipe 9 to form a main air path A; the air path of the part B is the same as that of the part A, namely a branch rubber air pipe 16 of the part B air bag is communicated with a corresponding micro electromagnetic valve through a conversion interface and another main rubber air pipe 9 to form a main air path B, and the main air path A and the main air path B can realize independent inflation and deflation of some air bags in a part of areas. Or according to the requirement of the user on the hardness, when the requirement of the user on the hardness is higher, in order to realize the change of the sleeping posture, the part A or the part B air bag needs to be inflated, and the part B or the part A air bag needs to be deflated, so that the two actions of inflation and deflation are realized simultaneously. The flexible pressure sensitive sensor 2 is laid flat on the air bag. The air cushion 3 is arranged around the air bag unit array and is connected with the main air path A, and the inflation height of the air cushion 3 is determined by the inflation height of the air bags.
Nothing in this specification is said to apply to the prior art.

Claims (3)

1.一种自动翻身气囊护理床垫,其特征在于该床垫包括气囊模块、控制器模块和柔性压敏传感器模块;柔性压敏传感器模块安装在气囊模块上,控制器模块控制柔性压敏传感器模块和气囊模块进行相应动作;1. A self-turning airbag nursing mattress is characterized in that the mattress comprises an airbag module, a controller module and a flexible pressure-sensitive sensor module; the flexible pressure-sensitive sensor module is installed on the airbag module, and the controller module controls the flexible pressure-sensitive sensor The module and the airbag module perform corresponding actions; 所述气囊模块包括气囊、气垫、支路橡胶气管、第一储气罐,第二储气罐和充气泵;80个气囊构成一个气囊单元阵列,80个气囊呈8*10的阵列形式安装在底布上,每个气囊的尺寸为100mmx100mm,每个气囊分为上下两层;每个气囊的气嘴均连接有一个支路橡胶气管,相邻两个气囊的支路橡胶气管通过T字接口连接起来,再连接一个微型电磁阀,然后通过一个转换接口与总路橡胶气管接通;1至4行的气囊称为A部分,5至8行的气囊称为B部分,A部分气囊的支路橡胶气管与微型电磁阀通过转换接口和一个总路橡胶气管接通,形成主气路A;B部分的气路与A部分的气路相同,即B部分气囊的支路橡胶气管与微型电磁阀通过转换接口和另一个总路橡胶气管接通,形成主气路B;主气路A和主气路B的进口处分别连接一个两位三通电磁阀,两个两位三通电磁阀分别控制主气路A和主气路B的充气与放气;主气路A与主气路B的进口经相应的两位三通电磁阀通过T字接口接通第一储气罐,主气路A与主气路B同时经相应的两位三通电磁阀通过T字接口与第二储气罐相连通;在第一储气罐和第二储气罐上分别安装有第一压力变送和第二压力变送器,两个压力变送器用于检测气囊单元阵列内部的压力,为防止气囊充气量超过气囊允许的最大值,第一压力变送器13用来检测气囊充气之后气囊内部的压力,第二压力变送器15用来检测气囊放气之后气囊内部的压力;所述第一储气罐与充气泵连接,第二储气罐与外部空气连通;所述气囊单元阵列环绕安装在气垫的中部内,气垫与主气路A连接,且气垫安装在底布上,气囊单元阵列一端到床头的距离为床垫总体尺寸的1/6-1/4,气囊单元阵列的两侧到床边的距离相等;两位三通电磁阀的接法为线圈通电时,实现充气状态,线圈断电时,实现放气状态;The airbag module includes an airbag, an air cushion, a branch rubber air pipe, a first air storage tank, a second air storage tank and an inflator pump; 80 airbags form an airbag unit array, and the 80 airbags are installed in an 8*10 array form. On the base fabric, the size of each air bag is 100mmx100mm, and each air bag is divided into upper and lower layers; the air nozzle of each air bag is connected with a branch rubber trachea, and the branch rubber trachea of two adjacent air bags pass through the T-shaped interface Connect it, then connect a micro solenoid valve, and then connect it to the general rubber trachea through a conversion interface; the airbags in rows 1 to 4 are called part A, the airbags in rows 5 to 8 are called part B, and the branches of the airbags in part A are called part A. The rubber trachea and the miniature solenoid valve are connected to a general rubber trachea through the conversion interface to form the main air circuit A; the air circuit of the B part is the same as the air circuit of the A part, that is, the branch rubber trachea of the B part of the airbag is connected with the miniature electromagnetic valve. The valve is connected to another main road rubber gas pipe through the conversion interface to form the main gas path B; the inlets of the main gas path A and the main gas path B are respectively connected with a two-position three-way solenoid valve, and two two-position three-way solenoid valves. Control the inflation and deflation of the main air path A and the main air path B respectively; the inlets of the main air path A and the main air path B are connected to the first air storage tank through the corresponding two-position three-way solenoid valve through the T-shaped interface. The air path A and the main air path B are connected with the second air storage tank through the corresponding two-position three-way solenoid valve through the T-shaped interface at the same time; the first air storage tank and the second air storage tank are respectively installed with a first pressure The transmitter and the second pressure transmitter, the two pressure transmitters are used to detect the pressure inside the airbag unit array. In order to prevent the airbag inflation from exceeding the allowed maximum value of the airbag, the first pressure transmitter 13 is used to detect after the airbag is inflated. The pressure inside the air bag, the second pressure transmitter 15 is used to detect the pressure inside the air bag after the air bag is deflated; the first air storage tank is connected to the inflation pump, and the second air storage tank is communicated with the outside air; the air bag unit The array is installed around the middle of the air cushion, the air cushion is connected to the main air circuit A, and the air cushion is installed on the base cloth. The distance from one end of the airbag unit array to the head of the bed is 1/6-1/4 of the overall size of the mattress. The distances from both sides of the array to the bedside are equal; the connection method of the two-position three-way solenoid valve is that when the coil is energized, the inflation state is realized, and when the coil is de-energized, the deflation state is realized; 所述柔性压敏传感器模块由80个柔性压敏传感器构成,用来检测人体的呼吸状态和睡姿及睡姿压力分布,每个柔性压敏传感器平铺在一个气囊床垫上;80个柔性压敏传感器平铺在气囊单元阵列上,并与气囊单元阵列进行标定,即通过柔性压敏传感器检测出使用者身体各部位所处于的位置,找出床垫所对应的位置,目的是确定气囊单元阵列需要进行操作的具体坐标位置;根据柔性压敏传感器测得病人睡姿的压力区域,以及各个区域的压力值,确定所要充气或者放气的气囊需要到达的高度,判断每个气囊所需要的充气量或放气量,最终通过控制器控制两位三通电磁阀和相应的微型电磁阀对气囊进行充气与放气,实现使用者的睡姿变换;The flexible pressure-sensitive sensor module is composed of 80 flexible pressure-sensitive sensors, which are used to detect the breathing state of the human body and the sleeping posture and pressure distribution in the sleeping posture. Each flexible pressure-sensitive sensor is laid on an airbag mattress; 80 flexible pressure-sensitive sensors The pressure-sensitive sensor is laid on the airbag unit array and calibrated with the airbag unit array, that is, the position of each part of the user's body is detected by the flexible pressure-sensitive sensor, and the corresponding position of the mattress is found, in order to determine the airbag. The specific coordinate position where the unit array needs to be operated; according to the pressure area of the patient's sleeping position measured by the flexible pressure-sensitive sensor, and the pressure value of each area, determine the height that the air bag to be inflated or deflated needs to reach, and determine the required height of each air bag. Finally, the controller controls the two-position three-way solenoid valve and the corresponding micro solenoid valve to inflate and deflate the airbag to realize the user's sleeping position change; 所述控制器模块包括控制器、控制盒和操作面板;该控制器包括串口继电器模块、工控机,所述串口继电器模块分别与工控机、两个两位三通电磁阀、40个微型电磁阀连接;所述工控机同时通过连接线连接到操作面板上,通过操作面板控制串口继电器模块执行相应动作,且工控机与第一压力变送器和第二压力变送器进行通讯。The controller module includes a controller, a control box and an operation panel; the controller includes a serial port relay module and an industrial computer, and the serial port relay module is respectively connected with the industrial computer, two two-position three-way solenoid valves, and 40 miniature solenoid valves. connection; the industrial computer is simultaneously connected to the operation panel through a connecting line, and the serial port relay module is controlled to perform corresponding actions through the operation panel, and the industrial computer communicates with the first pressure transmitter and the second pressure transmitter. 2.根据权利要求1所述的自动翻身气囊护理床垫,其特征在于所述操作面板上设有显示屏、自动按钮、手动按钮、体重按钮、左翻身按钮、右翻身按钮和定时按钮。2 . The airbag nursing mattress for automatic turning over according to claim 1 , wherein the operation panel is provided with a display screen, an automatic button, a manual button, a weight button, a left turning button, a right turning button and a timing button. 3 . 3.根据权利要求1所述的自动翻身气囊护理床垫,其特征在于所述自动翻身气囊护理床垫的尺寸是:宽为1000mm,长为2000mm。3 . The automatic turning over airbag nursing mattress according to claim 1 , wherein the dimensions of the automatic turning over airbag nursing mattress are: a width of 1000 mm and a length of 2000 mm. 4 .
CN201710168209.2A 2017-03-21 2017-03-21 An automatic turning over airbag nursing mattress Active CN106806077B (en)

Priority Applications (1)

Application Number Priority Date Filing Date Title
CN201710168209.2A CN106806077B (en) 2017-03-21 2017-03-21 An automatic turning over airbag nursing mattress

Applications Claiming Priority (1)

Application Number Priority Date Filing Date Title
CN201710168209.2A CN106806077B (en) 2017-03-21 2017-03-21 An automatic turning over airbag nursing mattress

Publications (2)

Publication Number Publication Date
CN106806077A CN106806077A (en) 2017-06-09
CN106806077B true CN106806077B (en) 2022-03-08

Family

ID=59115212

Family Applications (1)

Application Number Title Priority Date Filing Date
CN201710168209.2A Active CN106806077B (en) 2017-03-21 2017-03-21 An automatic turning over airbag nursing mattress

Country Status (1)

Country Link
CN (1) CN106806077B (en)

Families Citing this family (19)

* Cited by examiner, † Cited by third party
Publication number Priority date Publication date Assignee Title
CN107928239A (en) * 2017-12-29 2018-04-20 汤嘉翊 Intelligent mattress
CN108175662A (en) * 2018-01-19 2018-06-19 成都乐享智家科技有限责任公司 A kind of adaptive massage mattress of spherical envelope based on pressure distribution
CN108261293A (en) * 2018-01-26 2018-07-10 青岛大学附属医院 A kind of image department human body transfer platform
CN108309604A (en) * 2018-02-06 2018-07-24 广东粤华医疗器械厂有限公司 A kind of air bed of counteracting bedsores
CN110151415A (en) * 2018-02-12 2019-08-23 上海市宝山区罗店医院 An intelligent air bed and its control method
CN109758281B (en) * 2018-12-25 2021-05-11 广东三水合肥工业大学研究院 A safety system based on body position adjustment
CN111544250A (en) * 2019-03-20 2020-08-18 华中科技大学同济医学院附属协和医院 Electric inflatable ankle pump exercise assisting device
CN110279250A (en) * 2019-07-16 2019-09-27 温州医科大学 A kind of mechanics intelligence mattress
CN110584924A (en) * 2019-10-17 2019-12-20 哈尔滨工业大学 Bedsore self-adaptation mattress is prevented in medical treatment based on gasbag array
CN111802858A (en) * 2020-08-14 2020-10-23 夏永庭 A bamboo raft type air mattress
CN111904207A (en) * 2020-09-02 2020-11-10 广东珞珈睡眠科技有限公司 Distributed control air mattress
CN113180941A (en) * 2021-01-28 2021-07-30 合肥赛为智能有限公司 Air cushion bed with automatic turning-over function
CN113995594A (en) * 2021-11-29 2022-02-01 上海理工大学 Sleep apnea syndrome treatment bed
CN114468665B (en) * 2022-04-06 2022-12-06 帝豪家居科技集团有限公司 Multifunctional graphene mattress
CN114699257B (en) * 2022-04-11 2023-12-05 河北工业大学 A pressure ulcer prevention method based on small turning movements of air bag nursing mattresses
CN115429066B (en) * 2022-10-24 2023-06-30 河北工业大学 A method and system for recognizing the intention to get out of bed of an array airbag mattress
CN116942441B (en) * 2023-08-30 2024-08-30 中国人民解放军陆军军医大学第二附属医院 Multifunctional nursing system for interventional operation patient
CN117679297A (en) * 2023-12-08 2024-03-12 喜临门家具股份有限公司 A control method for a massage component and a system and mattress using the same
CN117883051B (en) * 2024-03-14 2024-05-31 北京航空航天大学 Multi-cylinder-based dynamic-static conversion balance capability testing device and testing method

Family Cites Families (6)

* Cited by examiner, † Cited by third party
Publication number Priority date Publication date Assignee Title
CN2249594Y (en) * 1996-02-15 1997-03-19 武汉市无线电研究所 Automatic controlling aerated mattress
US6698046B1 (en) * 2001-03-26 2004-03-02 Sunflower Medical, L.L.C. Air mattress control unit
FR2912884B1 (en) * 2007-02-27 2012-09-28 Hill Rom Ind Sa "MATTRESS-TYPE SUPPORT DEVICE COMPRISING AT LEAST ONE SOLENOID VALVE FOR CONTROLLING THE SUPPLY / EXHAUST OF FLUID IN SUBSTRATES OF THE MATTRESS"
CN103565165A (en) * 2012-07-18 2014-02-12 上海创始实业(集团)有限公司 Pressure-sore-preventing cushion capable of automatically regulating pressure
CN105877712A (en) * 2016-06-19 2016-08-24 河北工业大学 Multifunctional intelligent bed system
CN207220963U (en) * 2017-03-21 2018-04-13 河北工业大学 A kind of automatic turn-over body nursing care of airbag mattress

Also Published As

Publication number Publication date
CN106806077A (en) 2017-06-09

Similar Documents

Publication Publication Date Title
CN106806077B (en) An automatic turning over airbag nursing mattress
CN106859887A (en) The nursing mattress of sleeping position conversion is realized based on detection breathing
CN104490192B (en) Intelligent health pillow
CN102551455B (en) A multi-functional health pillow that adapts to different sleeping positions
CN111281642B (en) Smart pillow based on self-adaptive adjustment for anti-snoring and anti-stiff neck and its use method
WO2020228539A1 (en) Adjustable pillow
CN114699257B (en) A pressure ulcer prevention method based on small turning movements of air bag nursing mattresses
CN208784143U (en) A kind of massage physiotherapy mattress
CN207220963U (en) A kind of automatic turn-over body nursing care of airbag mattress
CN206166480U (en) Built -in intelligent pillow that has neck gasbag
CN206525872U (en) A kind of pillow of automatic controlled height
CN207708114U (en) A kind of airbed of medical anti-cotton-padded mattress
CN207323638U (en) A kind of Novel rehabilitation and the air bed for preventing bedsore
CN204684015U (en) A kind of gas cushion special for nursing lying patient
CN215304706U (en) Height-adjustable pillow
CN211674998U (en) A multifunctional rollover air mattress
CN210581824U (en) Intelligent mattress device
CN204274862U (en) Multifunctional inflating type pressure sore prevention posture nursing mat
CN209474936U (en) A kind of aerated pillow
CN116172800B (en) A method for controlling an airbag nursing pillow in coordination with turning over movement
TWM454804U (en) Automatically adjustable air bag pillow device
CN207545287U (en) An adjustable inflatable waist cushion
CN204814564U (en) Air -inflated bed mattress
CN211048900U (en) Pneumatic suspension mattress
CN212186845U (en) Smart pillow based on adaptive adjustment of anti-snoring and anti-stiff pillow

Legal Events

Date Code Title Description
PB01 Publication
PB01 Publication
SE01 Entry into force of request for substantive examination
SE01 Entry into force of request for substantive examination
GR01 Patent grant
GR01 Patent grant