CN102916315A - Incorrect-operation-prevented electric power grounding wire - Google Patents
Incorrect-operation-prevented electric power grounding wire Download PDFInfo
- Publication number
- CN102916315A CN102916315A CN2012103984499A CN201210398449A CN102916315A CN 102916315 A CN102916315 A CN 102916315A CN 2012103984499 A CN2012103984499 A CN 2012103984499A CN 201210398449 A CN201210398449 A CN 201210398449A CN 102916315 A CN102916315 A CN 102916315A
- Authority
- CN
- China
- Prior art keywords
- movable pressing
- pressing board
- ratchet
- loop chain
- adjusting bolt
- Prior art date
- Legal status (The legal status is an assumption and is not a legal conclusion. Google has not performed a legal analysis and makes no representation as to the accuracy of the status listed.)
- Granted
Links
Images
Landscapes
- Connections Arranged To Contact A Plurality Of Conductors (AREA)
Abstract
一种防误操作电力接地线,用于实现电网施工或检修过程中作业人员的安全保护,它包括接地端卡具、导线端卡子、环链卡销组件和铜绞线,所述接地端卡具由固定压板、活动压板、锁止单元和调节螺栓构成,所述固定压板为一侧开放的矩形框架结构,所述活动压板位于固定压板的框架中,它包括活动压板Ⅰ、活动压板Ⅱ和贯穿两者之间的方榫铆钉,所述活动压板Ⅰ和活动压板Ⅱ之间设有空腔结构,所述锁止单元布置在该空腔结构中,所述调节螺栓与固定压板上边框以螺纹配合方式装配,调节螺栓的末端与方榫铆钉连接。本发明有效地解决了现有电力系统生产作业现场使用接地线未按照规程要求操作的问题,消除了作业人员发生触电及高摔等安全隐患。
An anti-misoperation power grounding wire is used to realize the safety protection of workers during power grid construction or maintenance. The tool is composed of a fixed platen, a movable platen, a locking unit and an adjusting bolt. The fixed platen is a rectangular frame structure with one side open, and the movable platen is located in the frame of the fixed platen. It includes the movable platen I, the movable platen II and The square mortise rivet runs through the two, and a cavity structure is provided between the movable platen I and the movable platen II, and the locking unit is arranged in the cavity structure, and the adjusting bolt and the frame of the fixed platen are connected by Assembled by screw fit, the end of the adjusting bolt is connected with the square mortise and rivet. The invention effectively solves the problem that the grounding wire used in the production operation site of the existing electric power system is not operated according to the regulations, and eliminates safety hazards such as electric shock and high fall of operating personnel.
Description
技术领域 technical field
本发明涉及一种电力接地线,尤其是一种具有强制执行电力接地线安全操作规程功能的接地线,属于基本电器元件技术领域。 The invention relates to a power grounding wire, in particular to a grounding wire with the function of enforcing the safety operation rules of the power grounding wire, and belongs to the technical field of basic electrical components.
背景技术 Background technique
接地线是电网施工或检修过程中保障操作人员人身安全的专用工具,按照电力安全工作规程的要求,挂装接地线应先接接地端,后接导线端;拆除接地线时要先拆除导线端,再拆除接地端。目前在接地线的使用方面存在着较多的安全隐患,因工作人员不按操作规程进行挂、拆接地线作业而造成人身伤害的事件时有发生。为解决上述问题,具有强制执行电力接地线安全操作规程功能的安全型接地线应运而生,但现有的安全型接地线只是对挂装接地线的顺序给予强制规范,对拆除接地线的操作顺序没有限定措施,仍存在着不安全因素。 The grounding wire is a special tool to ensure the personal safety of the operator during the construction or maintenance of the power grid. According to the requirements of the electrical safety work regulations, the grounding wire should be connected to the grounding end first, and then the wire end; when removing the grounding wire, the wire end should be removed first. , and then remove the ground terminal. At present, there are many potential safety hazards in the use of grounding wires, and incidents of personal injury occur from time to time because the staff do not hang and remove the grounding wires according to the operating procedures. In order to solve the above problems, a safety ground wire with the function of enforcing the safety operation rules of the power ground wire came into being. The order does not limit the measures, and there are still unsafe factors.
发明内容 Contents of the invention
本发明的目的在于针对现有技术之弊端,提供一种结构简单、实用性强、能全面规范工作人员操作顺序的防误操作电力接地线。 The object of the present invention is to aim at the drawbacks of the prior art, and provide a misoperation-preventing power grounding wire with simple structure, strong practicability, and the ability to comprehensively standardize the operation sequence of workers.
本发明所述问题是以下述技术方案实现的: Problem described in the present invention is realized with following technical scheme:
一种防误操作电力接地线,它包括接地端卡具、导线端卡子、环链卡销组件和铜绞线,所述接地端卡具由固定压板、活动压板、锁止单元和调节螺栓构成,所述固定压板为一侧开放的矩形框架结构,所述活动压板位于固定压板的框架中,它包括活动压板Ⅰ、活动压板Ⅱ和贯穿两者之间的方榫铆钉,所述活动压板Ⅰ和活动压板Ⅱ之间设有空腔结构,所述锁止单元布置在该空腔结构中,所述调节螺栓与固定压板上边框以螺纹配合方式装配,调节螺栓的末端与方榫铆钉连接。 An anti-misoperation power grounding wire, which includes a grounding fixture, a wire terminal clamp, a ring chain bayonet assembly and a copper stranded wire, and the grounding fixture is composed of a fixed pressure plate, a movable pressure plate, a locking unit and an adjusting bolt , the fixed platen is a rectangular frame structure with one side open, the movable platen is located in the frame of the fixed platen, it includes the movable platen I, the movable platen II and the square tenon rivet running through the two, the movable platen I There is a cavity structure between the movable platen II, the locking unit is arranged in the cavity structure, the adjusting bolt is threadedly assembled with the frame of the fixed platen, and the end of the adjusting bolt is connected with a square tenon rivet.
上述防误操作电力接地线,所述锁止单元包括棘轮、棘爪拨片、压缩弹簧和锁止销,所述棘轮与方榫铆钉配装,所述棘爪拨片通过铰接轴固定在活动压板Ⅱ上面,棘轮与棘爪拨片组成单向传动机构,棘爪拨片的一端设有环链卡销组件配合面,另一端设有压缩弹簧配合面,所述压缩弹簧水平布置在活动压板Ⅰ和活动压板Ⅱ之间,所述锁止销为阶梯销轴,其小直径端垂直穿过活动压板Ⅱ,它与环链卡销组件匹配。 The above-mentioned anti-misoperation power grounding wire, the locking unit includes a ratchet, a pawl pick, a compression spring and a locking pin, the ratchet is fitted with a square rivet, and the ratchet pick is fixed on the movable On the pressure plate II, the ratchet wheel and the pawl paddle form a one-way transmission mechanism. One end of the pawl paddle is provided with the matching surface of the ring chain bayonet assembly, and the other end is provided with a compression spring matching surface. The compression spring is horizontally arranged on the movable pressure plate. Between I and the movable pressing plate II, the locking pin is a stepped pin shaft, the small diameter end of which passes through the movable pressing plate II vertically, and it is matched with the ring chain bayonet assembly.
上述防误操作电力接地线,所述导线端卡子为鸭嘴型线夹,在其侧面上固定安装环链卡销组件,所述环链卡销组件包括环链和卡销,所述卡销通过前端套环与环链连接,在卡销尾部设有与锁止单元匹配的卡槽。 For the above-mentioned anti-misoperation electric power grounding wire, the wire end clamp is a duckbill-shaped clamp, and a ring chain bayonet assembly is fixedly installed on its side, and the ring chain bayonet assembly includes a ring chain and a bayonet pin. The front end collar is connected with the chain, and a card slot matching the locking unit is provided at the end of the bayonet pin.
上述防误操作电力接地线,所述铜绞线连接在接地端卡具和导线端卡子之间。 For the above-mentioned anti-misoperation power grounding wire, the copper stranded wire is connected between the grounding clamp and the wire terminal clamp.
本发明处于非工作状态时,环链卡销组件的卡销插入活动压板Ⅰ和活动压板Ⅱ之间的空腔结构中,卡销尾部的卡槽被锁止销大直径端锁止,使导线端卡子与接地端卡具相连;当需要挂接接地线时,作业人员必须先将接地端卡具安装在作业点位置,使穿过活动压板Ⅱ的锁止销被顶起,锁止销大直径端与卡销的卡槽脱离,解除了卡销的锁止状态,水平布置在活动压板Ⅰ和活动压板Ⅱ之间的压缩弹簧推动拨片绕铰接轴转动,与导线端卡子相连的卡销被取出,此时在压缩弹簧弹力作用下棘爪拨片与棘轮配合,组成单向传动机构,使接地端卡具只能拧紧,然后再进行导线端卡子的安装;拆除接地线时,首先通过操作杆将导线端卡子拆除,然后将卡销插入活动压板Ⅰ和活动压板Ⅱ之间的空腔结构中,由卡销尾端推动棘轮拨片绕铰接轴转动,锁止销大直径端与卡销的卡槽配合,将卡销锁止,同时使棘爪拨片与棘轮脱开,解除调节螺栓的闭锁状态,然后通过调节螺栓带动活动压板移动,接地端卡具被拆除,并且将导线端卡子与接地端卡具可靠地连接起来,更便于接地线的携带。本发明适用于220kV及以下电压等级设备的施工及检修,它以独特的结构,规范了作业人员的操作顺序,有效地解决了现有电力系统生产作业现场使用接地线未按照规程要求操作的问题,消除了作业人员发生触电及高摔等安全隐患。 When the present invention is in a non-working state, the bayonet pin of the ring chain bayonet assembly is inserted into the cavity structure between the movable pressure plate I and the movable pressure plate II, and the bayonet groove at the tail of the bayonet pin is locked by the large-diameter end of the locking pin, so that the wire The end clip is connected with the grounding fixture; when the grounding wire needs to be hooked, the operator must first install the grounding fixture at the operating point, so that the locking pin passing through the movable pressure plate Ⅱ is lifted up, and the locking pin is large. The diameter end is disengaged from the slot of the bayonet pin, and the locking state of the bayonet pin is released. The compression spring horizontally arranged between the movable pressure plate I and the movable pressure plate II pushes the plectrum to rotate around the hinge shaft, and the bayonet pin connected to the wire end clip At this time, under the elastic force of the compressed spring, the ratchet pick and the ratchet cooperate to form a one-way transmission mechanism, so that the grounding clamp can only be tightened, and then the wire terminal clip is installed; when the grounding wire is removed, first pass The operating rod removes the clamp of the wire end, and then inserts the bayonet pin into the cavity structure between the movable pressure plate I and the movable pressure plate II, and the ratchet pick is driven by the tail end of the bayonet pin to rotate around the hinge axis, and the large diameter end of the locking pin is in contact with the bayonet. The card slot of the pin is matched to lock the pin, and at the same time, the pawl pick is disengaged from the ratchet wheel, and the locking state of the adjusting bolt is released. The clip is reliably connected with the ground terminal fixture, which is more convenient for carrying the ground wire. The invention is suitable for the construction and maintenance of equipment with a voltage level of 220kV and below. With its unique structure, it regulates the operation sequence of operators and effectively solves the problem that the grounding wire used in the production and operation site of the existing power system does not operate according to the regulations. , Eliminate safety hazards such as electric shock and high fall for operators.
附图说明 Description of drawings
下面结合附图对本发明作进一步说明。 The present invention will be further described below in conjunction with accompanying drawing.
图1是本发明非工作状态下的结构示意图; Fig. 1 is the structural representation under the non-working state of the present invention;
图2是本发明接地端卡具非工作状态下的结构示意图; Fig. 2 is a schematic structural view of the grounding fixture of the present invention in a non-working state;
图3是图2中A-A剖面结构图; Fig. 3 is A-A sectional structure diagram among Fig. 2;
图4是本发明在接地端卡具安装在作业点位置后的结构示意图; Fig. 4 is a structural schematic diagram of the present invention after the ground clamp is installed at the operating point;
图5是本发明接地端卡具在工作状态下的结构示意图; Fig. 5 is a schematic structural view of the ground clamp of the present invention in working condition;
图6是图5中B-B剖面结构。 Fig. 6 is the B-B sectional structure in Fig. 5 .
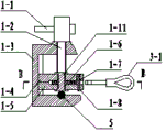
图中各标号为:1、接地端卡具,1-1、操作杆,1-2、调节螺栓,1-3、固定压板,1-4、活动压板Ⅰ,1-5、活动压板Ⅱ,1-6、棘轮,1-7、棘爪拨片,1-8、锁止销,1-9、压缩弹簧,1-10、铰接轴,1-11、方榫铆钉,2、导线端卡子,3、环链及卡销组件,4、铜绞线,5、地线。 The labels in the figure are: 1. Ground clamp, 1-1, Operating lever, 1-2, Adjusting bolt, 1-3, Fixed pressure plate, 1-4, Movable pressure plate I, 1-5, Movable pressure plate II, 1-6, ratchet, 1-7, pawl pick, 1-8, locking pin, 1-9, compression spring, 1-10, hinged shaft, 1-11, square tenon rivet, 2, wire end clip , 3, ring chain and bayonet components, 4, copper stranded wire, 5, ground wire.
具体实施方式 Detailed ways
参看图 1、图2、图3,本发明包括接地端卡具1、导线端卡子2、环链卡销组件3和铜绞线4,所述接地端卡具1由固定压板1-3、活动压板、锁止单元和调节螺栓1-2构成,所述固定压板1-3为一侧开放的矩形框架结构,所述活动压板位于固定压板的框架中,它包括活动压板Ⅰ1-4、活动压板Ⅱ1-5和贯穿两者之间的方榫铆钉1-11,所述活动压板Ⅰ1-4和活动压板Ⅱ1-5之间设有空腔结构,所述锁止单元布置在该空腔结构中,所述调节螺栓1-2与固定压板上边框以螺纹配合方式装配,调节螺栓1-2的末端与方榫铆钉1-11连接;所述锁止单元包括棘轮1-6、棘爪拨片1-7、压缩弹簧1-9和锁止销1-8,所述棘轮1-6与方榫铆钉1-11配装,所述棘爪拨片1-7通过铰接轴1-10固定在活动压板Ⅱ1-5上面,棘轮1-6与棘爪拨片1-7组成单向传动机构,棘爪拨片1-7的一端设有环链卡销组件配合面,另一端设有压缩弹簧配合面,所述压缩弹簧1-9水平布置在活动压板Ⅰ1-4和活动压板Ⅱ1-5之间,所述锁止销1-8为阶梯销轴,其小直径端垂直穿过活动压板Ⅱ1-5,它与环链卡销组件匹配。
Referring to Fig. 1, Fig. 2 and Fig. 3, the present invention includes a grounding
参看图1、图4、图5、图6,本发明的导线端卡子2为鸭嘴型线夹,在其侧面上固定安装环链卡销组件3,所述环链卡销组件3包括环链和卡销3-1,所述卡销3-1通过前端套环与环链连接,在卡销3-1尾部设有与锁止单元匹配的卡槽。 Referring to Fig. 1, Fig. 4, Fig. 5 and Fig. 6, the wire terminal clip 2 of the present invention is a duckbill-shaped clip, and a ring chain detent assembly 3 is fixedly installed on its side, and the ring chain detent assembly 3 includes a ring The chain and the bayonet pin 3-1, the bayonet pin 3-1 is connected with the ring chain through the collar at the front end, and a bayonet slot matching the locking unit is provided at the tail of the bayonet pin 3-1.
参看图 1、图 2、图3、图4、图5、图6,本发明适用于220kV及以下电压等级设备的施工及检修,在其处于非工作状态时,环链卡销组件3的卡销3-1插入活动压板Ⅰ1-4和活动压板Ⅱ1-5之间的空腔结构中,卡销3-1尾部的卡槽被锁止销1-8大直径端锁止,使导线端卡子2与接地端卡具1相连;当需要挂接接地线时,作业人员必须先将接地端卡具1与在作业点位置的地线5可靠连接后,穿过活动压板Ⅱ1-5的锁止销1-8被顶起,锁止销大直径端与卡销的卡槽脱离,解除了卡销3-1的锁止状态,水平布置在活动压板Ⅰ1-4和活动压板Ⅱ1-5之间的压缩弹簧1-9推动棘爪拨片1-7绕铰接轴1-10转动,与导线端卡子2相连的卡销3-1被取出,此时在压缩弹簧1-9弹力作用下棘爪拨片1-7与棘轮1-6配合,组成单向传动机构,使接地端卡具1只能拧紧,不能放松,然后再进行导线端卡子2的安装;拆除接地线时,首先通过操作杆将导线端卡子2拆除,然后将卡销3-1插入活动压板Ⅰ1-4和活动压板Ⅱ1-5之间的空腔结构中,由卡销3-1尾端推动棘轮拨片1-7绕铰接轴1-10转动,锁止销大直径端与卡销的卡槽配合,将卡销3-1锁止,同时使棘爪拨片1-7与棘轮1-6脱开,解除调节螺栓1-2的闭锁状态,然后通过转动操作杆1-1使活动压板移动,接地端卡具1被拆除,并且将导线端卡子2与接地端卡具1可靠地连接起来,更便于接地线的携带。
Referring to Fig. 1, Fig. 2, Fig. 3, Fig. 4, Fig. 5, and Fig. 6, the present invention is applicable to the construction and maintenance of equipment with a voltage level of 220kV and below. The pin 3-1 is inserted into the cavity structure between the movable pressure plate Ⅰ1-4 and the movable pressure plate II 1-5, and the slot at the tail of the bayonet pin 3-1 is locked by the large diameter end of the locking pin 1-8, so that the wire end clip 2. Connect with the
Claims (4)
Priority Applications (1)
| Application Number | Priority Date | Filing Date | Title |
|---|---|---|---|
| CN201210398449.9A CN102916315B (en) | 2012-10-19 | 2012-10-19 | A kind of anti-misoperation electricity earthing cable |
Applications Claiming Priority (1)
| Application Number | Priority Date | Filing Date | Title |
|---|---|---|---|
| CN201210398449.9A CN102916315B (en) | 2012-10-19 | 2012-10-19 | A kind of anti-misoperation electricity earthing cable |
Publications (2)
| Publication Number | Publication Date |
|---|---|
| CN102916315A true CN102916315A (en) | 2013-02-06 |
| CN102916315B CN102916315B (en) | 2015-10-28 |
Family
ID=47614601
Family Applications (1)
| Application Number | Title | Priority Date | Filing Date |
|---|---|---|---|
| CN201210398449.9A Expired - Fee Related CN102916315B (en) | 2012-10-19 | 2012-10-19 | A kind of anti-misoperation electricity earthing cable |
Country Status (1)
| Country | Link |
|---|---|
| CN (1) | CN102916315B (en) |
Cited By (4)
| Publication number | Priority date | Publication date | Assignee | Title |
|---|---|---|---|---|
| CN103441348A (en) * | 2013-08-28 | 2013-12-11 | 国家电网公司 | Ground wire connector |
| CN104868319A (en) * | 2015-05-07 | 2015-08-26 | 杨瑞亮 | Safe grounding wire |
| CN109672032A (en) * | 2018-12-10 | 2019-04-23 | 国网辽宁省电力有限公司锦州供电公司 | Ground line with anti-incorrect manipulation deadlock function |
| CN115986439A (en) * | 2023-01-04 | 2023-04-18 | 江苏迈道通信科技有限公司 | Adjustable ground card for cable |
Citations (5)
| Publication number | Priority date | Publication date | Assignee | Title |
|---|---|---|---|---|
| US20040229499A1 (en) * | 2003-05-16 | 2004-11-18 | Associated Equipment Corporation | Portable power supply |
| CN201985380U (en) * | 2011-04-18 | 2011-09-21 | 衡水供电公司 | Safe earth wire |
| CN102610964A (en) * | 2012-03-29 | 2012-07-25 | 沧州供电公司 | Safe type electric grounding wire |
| CN202352853U (en) * | 2011-11-21 | 2012-07-25 | 黄石供电公司变电运行中心 | Spiral high-voltage ground rod wire clamp |
| CN202905991U (en) * | 2012-10-19 | 2013-04-24 | 沧州供电公司 | Safe operation electric ground wire |
-
2012
- 2012-10-19 CN CN201210398449.9A patent/CN102916315B/en not_active Expired - Fee Related
Patent Citations (5)
| Publication number | Priority date | Publication date | Assignee | Title |
|---|---|---|---|---|
| US20040229499A1 (en) * | 2003-05-16 | 2004-11-18 | Associated Equipment Corporation | Portable power supply |
| CN201985380U (en) * | 2011-04-18 | 2011-09-21 | 衡水供电公司 | Safe earth wire |
| CN202352853U (en) * | 2011-11-21 | 2012-07-25 | 黄石供电公司变电运行中心 | Spiral high-voltage ground rod wire clamp |
| CN102610964A (en) * | 2012-03-29 | 2012-07-25 | 沧州供电公司 | Safe type electric grounding wire |
| CN202905991U (en) * | 2012-10-19 | 2013-04-24 | 沧州供电公司 | Safe operation electric ground wire |
Cited By (7)
| Publication number | Priority date | Publication date | Assignee | Title |
|---|---|---|---|---|
| CN103441348A (en) * | 2013-08-28 | 2013-12-11 | 国家电网公司 | Ground wire connector |
| CN103441348B (en) * | 2013-08-28 | 2015-07-01 | 国家电网公司 | Ground wire connector |
| CN104868319A (en) * | 2015-05-07 | 2015-08-26 | 杨瑞亮 | Safe grounding wire |
| CN104868319B (en) * | 2015-05-07 | 2016-12-14 | 重庆迎瑞升压铸有限公司 | A kind of protective earth |
| CN109672032A (en) * | 2018-12-10 | 2019-04-23 | 国网辽宁省电力有限公司锦州供电公司 | Ground line with anti-incorrect manipulation deadlock function |
| CN109672032B (en) * | 2018-12-10 | 2020-06-05 | 国网辽宁省电力有限公司锦州供电公司 | Grounding wire with anti-misoperation locking function |
| CN115986439A (en) * | 2023-01-04 | 2023-04-18 | 江苏迈道通信科技有限公司 | Adjustable ground card for cable |
Also Published As
| Publication number | Publication date |
|---|---|
| CN102916315B (en) | 2015-10-28 |
Similar Documents
| Publication | Publication Date | Title |
|---|---|---|
| CN111181078B (en) | 35KV strain insulator string replacing device and operation method thereof | |
| CN102916315B (en) | A kind of anti-misoperation electricity earthing cable | |
| CN203013969U (en) | U-shape bayonet spiral compaction ground clamp | |
| CN202905991U (en) | Safe operation electric ground wire | |
| CN201515026U (en) | A vertical ground clamp | |
| CN102610964B (en) | A safe electric ground wire | |
| CN203277304U (en) | Built-in high-voltage fuse sleeve installation apparatus | |
| CN104767050A (en) | A hook type personal security line | |
| CN105396236B (en) | Climbing fall device | |
| CN202978103U (en) | Insulator fixture | |
| CN203690803U (en) | Backup protection device for live replacement of power transmission line tension insulator | |
| CN209929857U (en) | Backup protection device for branch line | |
| CN209658439U (en) | A kind of plug-in ground line with electrical verification warning function | |
| CN104112919A (en) | Ground wire special for low-voltage meter box | |
| CN202550208U (en) | Safety power grounding wire | |
| CN201210159Y (en) | Electric cable pressure resistant test jig | |
| CN205206727U (en) | Pedal climbing mechanism | |
| CN203951012U (en) | The effectively converting equipment earthing device of slip-off preventing | |
| CN208478587U (en) | Grounding Handle for Ratchet Working Cords | |
| CN204088982U (en) | A kind of ground protection pincers | |
| CN201786352U (en) | Drop-proof device for oil well logger | |
| CN105514873A (en) | Maintenance tool special for dismounting and mounting double-bundle conductor clamp | |
| CN102810820B (en) | Switch cabinet | |
| CN217507690U (en) | Locking earth connection device that takes off | |
| KR102290560B1 (en) | Terminal stripping device of ground transformer |
Legal Events
| Date | Code | Title | Description |
|---|---|---|---|
| C06 | Publication | ||
| PB01 | Publication | ||
| C10 | Entry into substantive examination | ||
| SE01 | Entry into force of request for substantive examination | ||
| ASS | Succession or assignment of patent right |
Owner name: CANGZHOU POWER SUPPLY BRANCH COMPANY, STATE GRID H Free format text: FORMER OWNER: STATE GRID CORPORATION OF CHINA HEBEI ELECTRIC POWER CORPORATION Effective date: 20140326 Owner name: STATE GRID CORPORATION OF CHINA Free format text: FORMER OWNER: CANGZHOU POWER SUPPLY CO., LTD. Effective date: 20140326 |
|
| C41 | Transfer of patent application or patent right or utility model | ||
| COR | Change of bibliographic data |
Free format text: CORRECT: ADDRESS; FROM: 061001 CANGZHOU, HEBEI PROVINCE TO: 100031 XICHENG, BEIJING |
|
| TA01 | Transfer of patent application right |
Effective date of registration: 20140326 Address after: 100031 No. 86 West The Strip, Beijing Applicant after: State Grid Corporation of China Applicant after: STATE GRID HEBEI ELECTRIC POWER COMPANY, CANGZHOU BRANCH Applicant after: STATE GRID HEBEI ELECTRIC POWER Co. Address before: 061001 No. 21 West Yongji Road, Hebei, Cangzhou Applicant before: Cangzhou Power Supply Co. Applicant before: State Grid Corporation of China Applicant before: Hebei Electric Power Corp. |
|
| C14 | Grant of patent or utility model | ||
| GR01 | Patent grant | ||
| CF01 | Termination of patent right due to non-payment of annual fee |
Granted publication date: 20151028 Termination date: 20211019 |
|
| CF01 | Termination of patent right due to non-payment of annual fee |
