CN102615600A - Fast vise - Google Patents
Fast vise Download PDFInfo
- Publication number
- CN102615600A CN102615600A CN2012100979639A CN201210097963A CN102615600A CN 102615600 A CN102615600 A CN 102615600A CN 2012100979639 A CN2012100979639 A CN 2012100979639A CN 201210097963 A CN201210097963 A CN 201210097963A CN 102615600 A CN102615600 A CN 102615600A
- Authority
- CN
- China
- Prior art keywords
- handed
- handed nut
- thread
- clamp body
- nut
- Prior art date
- Legal status (The legal status is an assumption and is not a legal conclusion. Google has not performed a legal analysis and makes no representation as to the accuracy of the status listed.)
- Pending
Links
Images
Landscapes
- Gripping Jigs, Holding Jigs, And Positioning Jigs (AREA)
Abstract
一种钳口能够快速开合、工作效率高的快速台钳,包括底座、操作手柄,底座上连接有固定钳身,固定钳身上通过丝杠连接有活动钳身,操作手柄上连接有手柄座,丝杠的左部设计有右旋螺纹,丝杠的右部设计有左旋螺纹,活动钳身内的丝杠上螺纹旋合有左旋螺母,左旋螺母通过滑键与活动钳身水平面滑动连接,左旋螺母的右端固定连接有凸台,凸台位于活动钳身的外侧,左旋螺母的左端部设计有挡圈槽,挡圈槽内装有C形弹性挡圈,C形弹性挡圈的右侧带有垫片,垫片右侧的左旋螺母上套有螺纹弹簧,左旋螺母与左旋螺纹相对应,丝杠的右端带有方形接头,方形接头通过销钉与手柄座固定连接。
A fast vise with fast opening and closing jaws and high working efficiency, comprising a base and an operating handle, the base is connected with a fixed clamp body, the fixed clamp body is connected with a movable clamp body through a screw, and the operating handle is connected with a handle seat , the left part of the lead screw is designed with a right-handed thread, the right part of the lead screw is designed with a left-handed thread, the upper thread of the lead screw in the movable tong body is screwed with a left-handed nut, and the left-handed nut is slidingly connected with the horizontal plane of the movable tong body through a sliding key, left-handed The right end of the nut is fixedly connected with a boss, and the boss is located on the outside of the movable clamp body. The left end of the left-handed nut is designed with a retaining ring groove, and a C-shaped elastic retaining ring is installed in the retaining ring groove. The right side of the C-shaped elastic retaining ring has a Gasket, the left-handed nut on the right side of the gasket is covered with a threaded spring, the left-handed nut corresponds to the left-handed thread, the right end of the lead screw has a square joint, and the square joint is fixedly connected with the handle seat by a pin.
Description
the
技术领域 technical field
本发明涉及一种台钳,尤其涉及一种快速台钳。 The invention relates to a vise, in particular to a fast vise.
背景技术 Background technique
在机械领域和其它各行业中,广泛采用的夹持工具及市场上所出售的都是传统的、多年不变的,导螺母式结构的台钳,这类台钳主要包括底座、操作手柄,底座上连接有固定钳身,固定钳身上通过丝杠连接有活动钳身的开合,操作手柄上连接有手柄座,通过手柄转动丝杆来带动活动钳体前后移动,来实现工件的夹紧和放松,其调节钳口间距速度较慢,操作者劳动强度大,且效率较低。 In the field of machinery and other industries, the widely used clamping tools and those sold on the market are traditional vise with a guide nut structure that has not changed for many years. This type of vise mainly includes a base, an operating handle, The base is connected with a fixed clamp body, the fixed clamp body is connected with the opening and closing of the movable clamp body through a screw, the operating handle is connected with a handle seat, and the movable clamp body is driven to move forward and backward by turning the screw rod through the handle to realize the clamping of the workpiece And relax, the speed of adjusting the gap between the jaws is slow, the operator is labor-intensive, and the efficiency is low.
发明内容 Contents of the invention
本发明的目的是提供一种钳口能够快速开合、工作效率高的快速台钳。 The object of the present invention is to provide a quick vise with fast opening and closing jaws and high working efficiency.
为实现上述目的,本发明采用的技术方案为:一种快速台钳,包括底座、操作手柄,底座上连接有固定钳身,固定钳身上通过丝杠连接有活动钳身,操作手柄上连接有手柄座,其特征是:丝杠的左部设计有右旋螺纹,丝杠的右部设计有左旋螺纹,活动钳身内的丝杠上螺纹旋合有左旋螺母,左旋螺母通过滑键与活动钳身水平面滑动连接,左旋螺母的右端固定连接有凸台,凸台位于活动钳身的外侧,左旋螺母的左端部设计有挡圈槽,挡圈槽内装有C形弹性挡圈,C形弹性挡圈的右侧带有垫片,垫片右侧的左旋螺母上套有螺纹弹簧,左旋螺母与左旋螺纹相对应,丝杠的右端带有方形接头,方形接头通过销钉与手柄座固定连接。 In order to achieve the above object, the technical solution adopted in the present invention is: a quick vise, comprising a base and an operating handle, the base is connected with a fixed clamp body, the fixed clamp body is connected with a movable clamp body through a screw, and the operating handle is connected with a The handle seat is characterized in that: the left part of the lead screw is designed with a right-handed thread, the right part of the lead screw is designed with a left-handed thread, the thread on the lead screw in the movable clamp body is screwed with a left-handed nut, and the left-handed nut is connected to the movable clamp through the sliding key. Body level sliding connection, the right end of the left-handed nut is fixedly connected with a boss, the boss is located outside the movable clamp body, the left end of the left-handed nut is designed with a retaining ring groove, and a C-shaped elastic retaining ring is installed in the retaining ring groove, and the C-shaped elastic stop The right side of the ring is provided with a gasket, and the left-handed nut on the right side of the gasket is covered with a threaded spring. The left-handed nut corresponds to the left-handed thread.
本发明的优点效果在于:由于本发明的这种结构,所以使用本发明的钳口能够快速开合,提高工作效率。 The advantages and effects of the present invention are: due to the structure of the present invention, the jaws of the present invention can be quickly opened and closed to improve work efficiency.
附图说明 Description of drawings
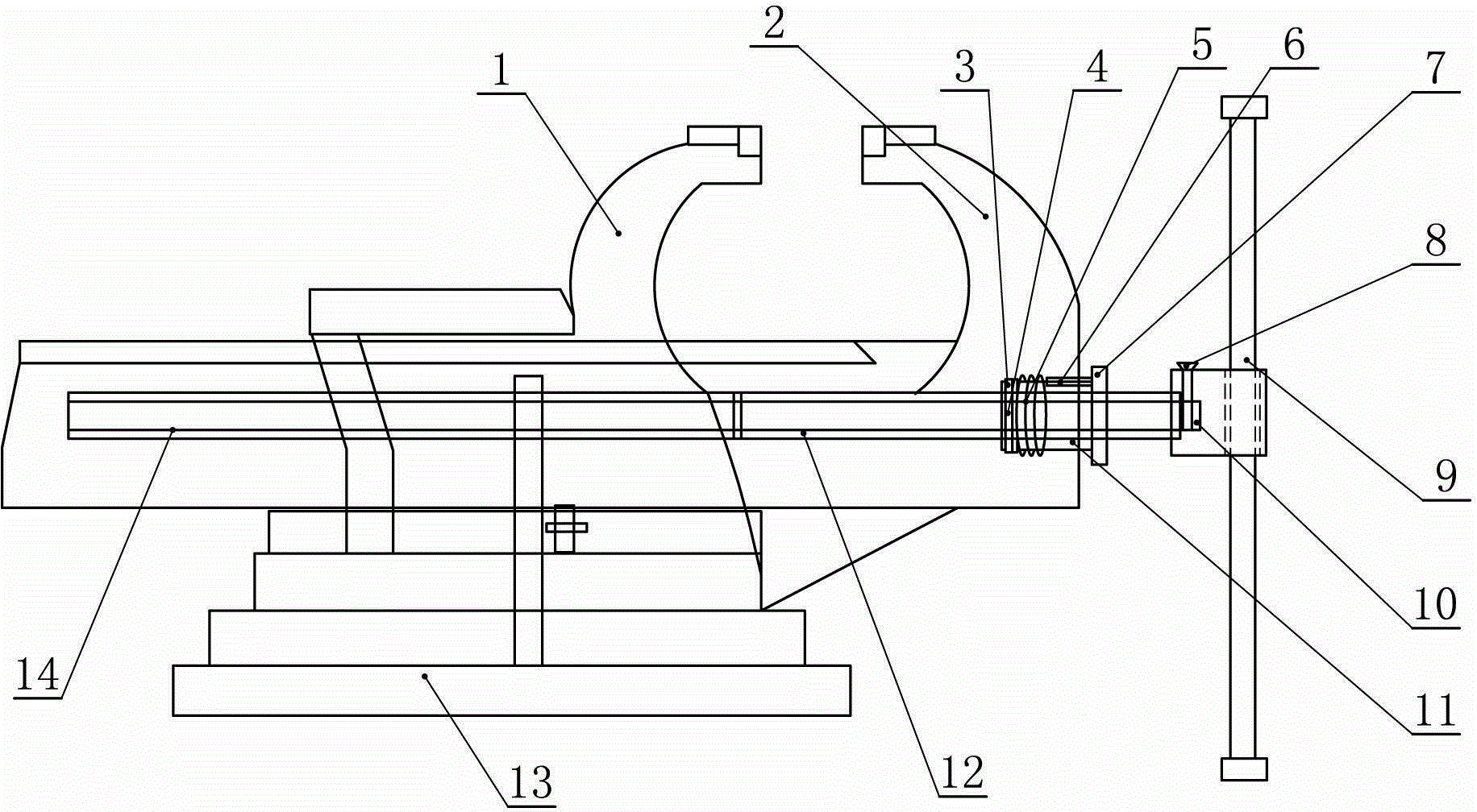
图1为本发明的结构示意图。 Fig. 1 is a structural schematic diagram of the present invention.
附图中:1、固定钳身; 2、活动钳身; 3、C形弹性挡圈; 4、挡圈槽; 5、弹簧; 6、滑键; 7、凸台; 8、销钉; 9、操作手柄; 10、方形接头; 11、左旋螺母; 12、左旋螺纹; 13、底座; 14、右旋螺纹。 In the attached drawings: 1. Fixed clamp body; 2. Movable clamp body; 3. C-shaped elastic retaining ring; 4. Retaining ring groove; 5. Spring; 6. Sliding key; 7. Boss; 8. Pin; 9. Operating handle; 10. Square joint; 11. Left-handed nut; 12. Left-handed thread; 13. Base; 14. Right-handed thread.
具体实施方式 Detailed ways
下面结合附图和具体实施例对本发明作进一步说明: The present invention will be further described below in conjunction with accompanying drawing and specific embodiment:
本发明如图1所示,一种快速台钳,包括底座13、操作手柄9,底座13上连接有固定钳身1,固定钳身1上通过丝杠连接有活动钳身2,操作手柄上连接有手柄座,其特征是:丝杠的左部设计有右旋螺纹14,丝杠的右部设计有左旋螺纹12,活动钳身2内的丝杠上螺纹旋合有左旋螺母11,左旋螺母11通过滑键6与活动钳身2水平面滑动连接,左旋螺母11的右端固定连接有凸台7,凸台7位于活动钳身2的外侧,左旋螺母11的左端部设计有挡圈槽4,挡圈槽4内装有C形弹性挡圈3,C形弹性挡圈3的右侧带有垫片,垫片右侧的左旋螺母11上套有螺纹弹簧5,左旋螺母11与左旋螺纹12相对应,丝杠的右端带有方形接头10,方形接头10通过销钉8与手柄座固定连接。
The present invention is shown in Figure 1, a kind of fast vise, comprises
使用本发明,当摇动操作手柄时,使丝杠旋转,从而带动活动钳身快速移动,进而控制钳口的开合,这种结构可以将活动钳身移动的速度提高一倍。 Using the present invention, when the operating handle is shaken, the lead screw is rotated, thereby driving the movable tong body to move rapidly, and then controlling the opening and closing of the jaws. This structure can double the moving speed of the movable tong body.
Claims (1)
Priority Applications (1)
| Application Number | Priority Date | Filing Date | Title |
|---|---|---|---|
| CN2012100979639A CN102615600A (en) | 2012-04-06 | 2012-04-06 | Fast vise |
Applications Claiming Priority (1)
| Application Number | Priority Date | Filing Date | Title |
|---|---|---|---|
| CN2012100979639A CN102615600A (en) | 2012-04-06 | 2012-04-06 | Fast vise |
Publications (1)
| Publication Number | Publication Date |
|---|---|
| CN102615600A true CN102615600A (en) | 2012-08-01 |
Family
ID=46555984
Family Applications (1)
| Application Number | Title | Priority Date | Filing Date |
|---|---|---|---|
| CN2012100979639A Pending CN102615600A (en) | 2012-04-06 | 2012-04-06 | Fast vise |
Country Status (1)
| Country | Link |
|---|---|
| CN (1) | CN102615600A (en) |
Cited By (5)
| Publication number | Priority date | Publication date | Assignee | Title |
|---|---|---|---|---|
| CN103056789A (en) * | 2013-01-08 | 2013-04-24 | 吴成芳 | Jaw-adjustable bench clamp |
| CN104097155A (en) * | 2014-06-18 | 2014-10-15 | 苏州市职业大学 | Rapid vice |
| CN105818009A (en) * | 2016-04-29 | 2016-08-03 | 无锡港盛重型装备有限公司 | Hardware machining clamping device convenient to replace |
| CN106141945A (en) * | 2015-03-12 | 2016-11-23 | 盐城工业职业技术学院 | Fast screw clamping mechanism |
| CN110712052A (en) * | 2019-11-05 | 2020-01-21 | 中国三冶集团有限公司 | A quick clamping bench vice |
Citations (9)
| Publication number | Priority date | Publication date | Assignee | Title |
|---|---|---|---|---|
| CN2031335U (en) * | 1988-05-17 | 1989-01-25 | 朱有超 | Fast-holding plain vice |
| CN2063067U (en) * | 1989-11-02 | 1990-10-03 | 四川省叙永县通用机械厂 | Multifunction anvil vice |
| CN1981994A (en) * | 2005-12-13 | 2007-06-20 | 库拉图五金工具(上海)有限公司 | Fast bench clamp |
| CN201006575Y (en) * | 2006-12-18 | 2008-01-16 | 魏乐勇 | Multifunctional bench clamp |
| CN101559579A (en) * | 2009-05-19 | 2009-10-21 | 周德才 | Fast clamping table vise |
| CN201471308U (en) * | 2009-09-02 | 2010-05-19 | 铜陵市永生机电制造有限责任公司 | Quickly folding bench clamp |
| CN201500937U (en) * | 2009-09-14 | 2010-06-09 | 东莞市大忠电子有限公司 | Elastic quick-clamping vice |
| CN201592397U (en) * | 2009-12-30 | 2010-09-29 | 周勇 | Rapid-movement bench clamp |
| CN202498464U (en) * | 2012-04-06 | 2012-10-24 | 山东电力集团公司枣庄供电公司 | Fast bench clamp |
-
2012
- 2012-04-06 CN CN2012100979639A patent/CN102615600A/en active Pending
Patent Citations (9)
| Publication number | Priority date | Publication date | Assignee | Title |
|---|---|---|---|---|
| CN2031335U (en) * | 1988-05-17 | 1989-01-25 | 朱有超 | Fast-holding plain vice |
| CN2063067U (en) * | 1989-11-02 | 1990-10-03 | 四川省叙永县通用机械厂 | Multifunction anvil vice |
| CN1981994A (en) * | 2005-12-13 | 2007-06-20 | 库拉图五金工具(上海)有限公司 | Fast bench clamp |
| CN201006575Y (en) * | 2006-12-18 | 2008-01-16 | 魏乐勇 | Multifunctional bench clamp |
| CN101559579A (en) * | 2009-05-19 | 2009-10-21 | 周德才 | Fast clamping table vise |
| CN201471308U (en) * | 2009-09-02 | 2010-05-19 | 铜陵市永生机电制造有限责任公司 | Quickly folding bench clamp |
| CN201500937U (en) * | 2009-09-14 | 2010-06-09 | 东莞市大忠电子有限公司 | Elastic quick-clamping vice |
| CN201592397U (en) * | 2009-12-30 | 2010-09-29 | 周勇 | Rapid-movement bench clamp |
| CN202498464U (en) * | 2012-04-06 | 2012-10-24 | 山东电力集团公司枣庄供电公司 | Fast bench clamp |
Cited By (6)
| Publication number | Priority date | Publication date | Assignee | Title |
|---|---|---|---|---|
| CN103056789A (en) * | 2013-01-08 | 2013-04-24 | 吴成芳 | Jaw-adjustable bench clamp |
| CN103056789B (en) * | 2013-01-08 | 2015-09-30 | 慈溪市新浦广乘电器配件厂 | A kind of Jaw-adjustable bench clamp |
| CN104097155A (en) * | 2014-06-18 | 2014-10-15 | 苏州市职业大学 | Rapid vice |
| CN106141945A (en) * | 2015-03-12 | 2016-11-23 | 盐城工业职业技术学院 | Fast screw clamping mechanism |
| CN105818009A (en) * | 2016-04-29 | 2016-08-03 | 无锡港盛重型装备有限公司 | Hardware machining clamping device convenient to replace |
| CN110712052A (en) * | 2019-11-05 | 2020-01-21 | 中国三冶集团有限公司 | A quick clamping bench vice |
Similar Documents
| Publication | Publication Date | Title |
|---|---|---|
| CN110774311A (en) | A robotic arm gripping mechanism | |
| CN102615600A (en) | Fast vise | |
| CN102554812A (en) | Motor-driven quick bench clamp | |
| CN202498464U (en) | Fast bench clamp | |
| CN206653320U (en) | Adjustable ratchet wrench | |
| CN205165943U (en) | Drilling machine for hardware | |
| CN106312852A (en) | Bench vice with clamping opening replaced freely | |
| CN103372819A (en) | Quick clamping pliers | |
| CN204108710U (en) | Self-adaptive flat tongs | |
| CN204221637U (en) | A kind of adjustable type bench vice | |
| CN102615608A (en) | Rapid moving bidirectional fixture | |
| CN204382120U (en) | A kind of hand-hydraulic bench vice | |
| CN209698513U (en) | A flat-nose pliers convenient for clamping and keyway processing | |
| CN201856202U (en) | a water pipe wrench | |
| CN101574797A (en) | Quick clamping bench clamp | |
| CN204771615U (en) | Two while closing device | |
| CN204658230U (en) | A kind of Quick vise | |
| CN104097155A (en) | Rapid vice | |
| CN204413881U (en) | A kind of New-type bench screw | |
| CN207189485U (en) | Quick-clamping bench vice | |
| CN202684800U (en) | Socket spanner | |
| CN203109674U (en) | Flat tongs | |
| CN204450348U (en) | Adjustable ratchet wrench | |
| CN205363639U (en) | Bench vice with quick adjustment function | |
| CN206216521U (en) | Pneumatic gripping device |
Legal Events
| Date | Code | Title | Description |
|---|---|---|---|
| C06 | Publication | ||
| PB01 | Publication | ||
| C10 | Entry into substantive examination | ||
| SE01 | Entry into force of request for substantive examination | ||
| ASS | Succession or assignment of patent right |
Owner name: STATE ELECTRIC NET CROP. Effective date: 20130722 |
|
| C41 | Transfer of patent application or patent right or utility model | ||
| TA01 | Transfer of patent application right |
Effective date of registration: 20130722 Address after: 277000 the Yellow River Road, Xuecheng District, Shandong, No. 999, No. Applicant after: Tai'an Power Supply Co., Ltd. of Shandong Electric Power Corporation Applicant after: State Grid Corporation of China Address before: 277000 Zaozhuang power supply company, No. 60 Guangming Middle Road, Shizhong District, Zaozhuang, Shandong Applicant before: Tai'an Power Supply Co., Ltd. of Shandong Electric Power Corporation |
|
| C02 | Deemed withdrawal of patent application after publication (patent law 2001) | ||
| WD01 | Invention patent application deemed withdrawn after publication |
Application publication date: 20120801 |
