CN102340119A - 一种防止输电线路风偏闪络的结构 - Google Patents
一种防止输电线路风偏闪络的结构 Download PDFInfo
- Publication number
- CN102340119A CN102340119A CN2011103117780A CN201110311778A CN102340119A CN 102340119 A CN102340119 A CN 102340119A CN 2011103117780 A CN2011103117780 A CN 2011103117780A CN 201110311778 A CN201110311778 A CN 201110311778A CN 102340119 A CN102340119 A CN 102340119A
- Authority
- CN
- China
- Prior art keywords
- windage yaw
- transmission line
- suspension insulator
- lead
- damping system
- Prior art date
- Legal status (The legal status is an assumption and is not a legal conclusion. Google has not performed a legal analysis and makes no representation as to the accuracy of the status listed.)
- Pending
Links
- 230000005540 biological transmission Effects 0.000 title claims abstract description 33
- 239000000725 suspension Substances 0.000 claims abstract description 45
- 238000013016 damping Methods 0.000 claims abstract description 37
- 239000004020 conductor Substances 0.000 claims abstract description 33
- 238000000034 method Methods 0.000 claims abstract description 11
- 239000012212 insulator Substances 0.000 claims description 49
- XEEYBQQBJWHFJM-UHFFFAOYSA-N Iron Chemical compound [Fe] XEEYBQQBJWHFJM-UHFFFAOYSA-N 0.000 claims description 26
- 125000006850 spacer group Chemical group 0.000 claims description 15
- 229910052742 iron Inorganic materials 0.000 claims description 13
- 239000002131 composite material Substances 0.000 claims description 9
- PCHJSUWPFVWCPO-UHFFFAOYSA-N gold Chemical compound [Au] PCHJSUWPFVWCPO-UHFFFAOYSA-N 0.000 claims description 8
- 239000010931 gold Substances 0.000 claims description 8
- 229910052737 gold Inorganic materials 0.000 claims description 8
- 230000015572 biosynthetic process Effects 0.000 claims description 4
- 230000000694 effects Effects 0.000 abstract description 3
- 230000002265 prevention Effects 0.000 abstract 2
- 230000002401 inhibitory effect Effects 0.000 abstract 1
- 230000033001 locomotion Effects 0.000 description 4
- 238000010521 absorption reaction Methods 0.000 description 3
- 230000006835 compression Effects 0.000 description 3
- 238000007906 compression Methods 0.000 description 3
- 238000005516 engineering process Methods 0.000 description 3
- 238000009434 installation Methods 0.000 description 3
- 238000010276 construction Methods 0.000 description 2
- 230000001133 acceleration Effects 0.000 description 1
- 238000005266 casting Methods 0.000 description 1
- 230000002950 deficient Effects 0.000 description 1
- 238000006073 displacement reaction Methods 0.000 description 1
- 230000005611 electricity Effects 0.000 description 1
- 238000003754 machining Methods 0.000 description 1
- 230000000750 progressive effect Effects 0.000 description 1
- 230000003068 static effect Effects 0.000 description 1
Images
Landscapes
- Suspension Of Electric Lines Or Cables (AREA)
Abstract
一种防止输电线路风偏闪络的结构,所述方法在悬垂绝缘子串(1)左右两侧导线(2、3)分别安装间隔棒(4、5)和线夹(6、7),线夹(6、7)之间设有阻尼系统(8),阻尼系统(8)通过拉杆(9)与线夹(6、7形成铰接),用于吸收两侧导线的振动能量,达到抑制导线水平及扭转振动的目的;同时,悬垂绝缘子串(1)端部金具设有“T”形端头(10),“T”形端头(10)开有用于和铁塔横担(11)连接的螺栓孔(12),增大连接的接触面,使悬垂绝缘子串与铁塔横担连接稳定并减少力矩。本发明一方面有效吸收导线振动能量,另一方面有效降低导线舞动对悬垂绝缘子串端部所产生的力矩,降低悬垂绝缘子串风偏趋势,结构简单,成本低,使用寿命长,防风偏效果好,适合架空输电线路直线塔悬垂绝缘子串的防风偏需求,易实现。
Description
技术领域
本发明涉及一种防止输电线路风偏闪络的结构,特别是涉及一种防止直线塔悬垂绝缘子串的风偏闪络方法,属电力架空输电线路保护技术领域。
背景技术
近年来,由强风暴雨导致的输电线路风偏闪络事故明显增多,通常发生风偏闪络后重合闸不易成功,给电网的安全、稳定运行造成了严重的危害,且风偏的发生常伴有大风和雷雨现象,给故障的判断及查找带来很大的困难。
风偏闪络是在外界各种不利条件下造成输电线路上导线和杆塔之间的空间间隙距离减小,当此间隙距离的电气强度不能耐受系统最高运行电压时便会发生击穿放电。当风载持续作用于输电导线,易造成导线风偏,即导线舞动。导线舞动实际上是一种复杂的垂直、水平和扭转的三维运动,其机理被认为是:当导线受到横向风力作用时,产生一个向上(下)加速度运动,即除了垂直运动外,还使导线受到一个空气动力力矩的作用而产生扭转和摆动,当扭转运动的频率与其垂直运动的频率同步时,就会产生导线舞动和摆动。一般振幅较大最大者超过10m,表现在杆塔固定点上就会是:顺线路方向的舞动和垂直线路的扭转摆动,这是极易引起线路风偏的一个重要原因。
为了防止输电线路风偏闪络,往往采取在直线塔悬垂线夹下安装重锤或其它方法加大绝缘子串的垂直荷重,实质上没有从源头上抑制引起风偏的导线舞动或扭转摆动,实际效果并不理想。
发明内容
为了克服现有技术存在的缺陷,本发明提出一种新的防止输电线路风偏闪络结构,以达到有效控制导线舞动或扭转摆动并减少导线舞动对现有技术中球头挂环处所产生的大力矩,防止直线塔悬垂绝缘子串的风偏闪络。
为解决上述技术问题,本发明是这样实现的:
一种防止输电线路风偏闪络结构,包括悬挂于输电线路铁塔横担上悬吊导线的悬垂绝缘子串1,其特征是:所述的悬垂绝缘子串的两侧导线之间、单侧或是两侧导线上设有减振系统:导线上间隔一定间距设有两线夹夹住导线,两线夹之间设有阻尼系统8,阻尼系统两端与两线夹铰接。
在上述基础上,本发明还可以做进一步的改进:
所述的悬垂绝缘子串1的端部金具设有“T”形端头,“T”形端头开有螺栓孔与铁塔横担连接。
所述的悬垂绝缘子串的两侧导线上还分别安装有间隔棒。
所述的线夹由两个夹片组成,两个夹片通过螺栓联接固定。
所述的间隔棒为标准型阻尼型或非阻尼型间隔棒,两个间隔棒离悬垂绝缘子串的距离相同,为500-800mm。
所述的跨过悬垂绝缘子串的两侧导线之间的线夹离悬垂绝缘子串的距离相同,为2000-3000mm。
所述的阻尼系统8两端通过拉杆9与两线夹6、7之间铰接。
所述的阻尼系统8为弹簧阻尼器、粘弹性阻尼器、空气阻尼器或它们之间并列构成的复合阻尼系统。优选粘弹性阻尼器与空气阻尼器并列,吸收沿导线传递过来的舞动能量。
所述的空气阻尼器由一端敞口的大套管及两端封闭的小套管构成,所述小套管自大套管的敞口端插入,在小套管的外壁与大套管的内壁之间的间隙形成阻尼气道。
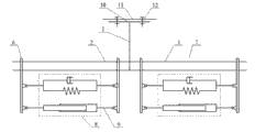
在悬垂绝缘子串1左右两侧导线2、3分别安装间隔棒4、5和线夹6、7,线夹6、7之间设有阻尼系统8,阻尼系统8通过拉杆9与线夹6、7形成铰接,用于吸收两侧导线的振动能量,达到抑制导线水平及扭转振动的目的;同时,悬垂绝缘子串1端部金具设有“T”形端头10,“T”形端头10开有用于和铁塔横担11连接的螺栓孔12,增大连接的接触面,使悬垂绝缘子串与铁塔横担连接稳定并减少力矩。本发明一方面有效吸收导线振动能量,另一方面有效降低导线舞动对悬垂绝缘子串端部所产生的力矩,降低悬垂绝缘子串风偏趋势,结构简单,成本低,使用寿命长,防风偏效果好,适合架空输电线路直线塔悬垂绝缘子串的防风偏需求,易实现。
本发明悬垂绝缘子串左右两侧导线安装间隔棒和线夹,在两线夹之间设有阻尼系统,阻尼系统优选粘弹性阻尼器与空气阻尼器并列构成的复合阻尼系统,充分利用粘弹性阻尼器性能可靠、经济实用,空气阻尼器空气压缩性大、可承受较大位移并可在垂直方向和水平方向同时提供阻尼的特点;同时,阻尼系统与线夹设计为铰接结构,其力学特性为二力杆,只承受拉伸和压缩载荷,这样当导线上的振动能量传递到阻尼系统时就体系了对系统支撑机构的拉伸和压缩,形成系统对振动能量的吸收,有效减少振动能量对导线的传递,达到抑制导线舞动的目的,间隔棒4、5离悬垂绝缘子串的距离相同,为500-800mm,使悬垂绝缘子串附近两侧导线形成一固定体,阻止导线的前进波前进。绝缘子串端部金具设有“T”形端头,“T”形端头开有用于和铁塔横担连接的螺栓孔,增大连接的接触面。本发明一方面有效吸收导线舞动或扭转摆动能量,另一方面有效降低导线舞动对现有技术中悬垂绝缘子串端部球头挂环处所产生的大力矩,结构简单,成本低,使用寿命长,防风偏效果好,适合架空输电线路直线塔悬垂绝缘子串的防风偏需求,易实现。
附图说明
下面结合附图和具体实施方式对本发明作进一步详细说明:
图1是本发明防止输电线路风偏闪络方法实施例一结构示意图;
图2是本发明防止输电线路风偏闪络方法实施例二结构示意图;
图3是本发明防止输电线路风偏闪络方法实施例三结构示意图;
图4是本发明线夹示意图;
图5是本发明粘弹性阻尼器与空气阻尼器并列构成的复合阻尼系统示意图;
图6是本发明悬垂绝缘子串端部的结构示意图;
图7是本发明3个弹簧阻尼器串联再与空气阻尼器并列构成的复合阻尼系统示意图;
图8是本发明粘弹性阻尼器示意图;
图9是本发明空气阻尼器示意图;
图10是本发明弹簧阻尼器示意图;
图中图号表示:1是悬垂绝缘子串,2是左侧导线;3是右侧导线;4是左侧间隔棒;5是右侧间隔棒;6是左侧线夹;7是右侧线夹;8是阻尼系统;9是拉杆;10是“T”形端头;11是铁塔横担;12是螺栓孔。
具体实施方式
实施例一
图1是本发明防止输电线路风偏闪络方法实施例一结构示意图。
如图1所示,在悬垂绝缘子串1左右两侧相距500mm的导线2、3上分别安装固定有阻尼型间隔棒4,5,左右线夹6,7分别安装在离悬垂绝缘子串为2.0m的左右导线上,悬垂绝缘子串的两侧导线之间、或是两侧导线上设有减振系统,即左右线夹之间设有阻尼器系统8,阻尼系统与左右线夹之间通过拉杆9实现铰接联接;悬垂绝缘子串1端部金具设有“T”形端头10,“T”形端头10开有用于和铁塔横担11连接的螺栓孔12。
附图4是本发明线夹结构示意图。线夹6,7是由两个夹片组成,两个夹片通过螺栓联接固定。
阻尼系统8为粘弹性阻尼器和空气阻尼器并列构成的复合阻尼系统,如附图5,复合阻尼系统与线夹通过拉杆实现铰接联接。
附图6为绝缘子串端部的结构示意图。绝缘子串一端端部金具具有“T”形端头10,“T”形端头10为与铁塔横担11刚性联接的接触面,“T”形端头10上有螺栓孔12,利用螺栓经螺栓孔12将绝缘子串与铁塔横担11联接。
实施例2
图2是本发明防止输电线路风偏闪络方法实施例二结构示意图。
非阻尼型间隔棒4,5分别固定在悬垂绝缘子串1左右两侧相距800mm的导线2、3上,左右线夹6、7分别安装在离悬垂绝缘子串1距离为2.5m的左右导线2、3,阻尼系统8通过拉杆9铰接于左右线夹5、6上,绝缘子串9端部金具设有“T”形端头10,“T”形端头10开有用于和铁塔横担11连接的螺栓孔12。
阻尼系统为3个弹簧阻尼器串联再与空气阻尼器并列构成的复合阻尼系统,如附图7所示。
左右线夹6、7及绝缘子串端部结构同实施例1。
实施例3
图3是本发明防止输电线路风偏闪络方法实施例三结构示意图。
在悬垂绝缘子串1左右两侧导线1、2上,分别固定两对由线夹5、6及阻尼系统8组成的减振系统,两对减振系统间隔2.5m。
阻尼系统为粘弹性阻尼器、空气阻尼器或弹簧阻尼器,如图8-图10,或它们之间并列构成的复合阻尼系统。
线夹5、6及绝缘子串端部结构同实施例1。
上述实施例一至例三所述的间隔棒4、5和线夹6、7以及绝缘子串端部金具“T”形端头10都可用一般的机械加工方法或铸造方法制造出来,各种阻尼器也可在一般的阻尼器生产厂家制造出来。
仅在单侧导线上设有减振系统也可以,结构相同在此不再赘述。
本发明的工作原理如下:将间隔棒4、5分别固定在悬垂绝缘子串左右两侧相距为500-800mm的导线上,形成一固定体,使悬垂绝缘子串附近两侧的导线处于相对静止状态,将导线上串来的振动波能量通过线夹6、7传递给阻尼系统8,阻尼系统8与线夹6、7设计为铰接结构,其力学特性为二力杆,只承受拉伸和压缩载荷,这样当导线上的振动能量传递到阻尼系统时就体系了对系统支撑机构的拉伸和压缩,形成系统对振动能量的吸收,有效减少振动能量对导线的传递,达到抑制导线舞动的目的。绝缘子串端部的“T”形端头10取代现有技术的球形挂环有利于增大连接的接触面,使绝缘子串与铁塔横担连接稳定并减少导线舞动所产生的力矩。
Claims (9)
1.一种防止输电线路风偏闪络结构,包括悬挂于输电线路铁塔横担上悬吊导线的悬垂绝缘子串(1),其特征是:所述的悬垂绝缘子串的两侧导线(2和3)之间、单侧或是两侧导线上设有减振系统:导线上间隔一定间距设有两线夹(6和7)夹住导线,两线夹之间设有阻尼系统(8),阻尼系统两端与两线夹铰接。
2.根据权利要求1所述的防止输电线路风偏闪络结构,其特征在于:所述的悬垂绝缘子串(1)的端部金具设有“T”形端头(10),“T”形端头开有螺栓孔与铁塔横担(11)连接。
3.根据权利要求1或2所述的防止输电线路风偏闪络结构,其特征在于:所述的悬垂绝缘子串的两侧导线上还分别安装有间隔棒(4和5)。
4.根据权利要求3所述的防止输电线路风偏闪络结构,其特征在于:所述的线夹由两个夹片组成,两个夹片通过螺栓联接固定。
5.根据权利要求3所述的防止输电线路风偏闪络结构,其特征在于:所述的间隔棒为标准型阻尼型或非阻尼型间隔棒,两个间隔棒离悬垂绝缘子串的距离相同,为500-800mm。
6.根据权利要求3所述的防止输电线路风偏闪络结构,其特征在于:所述的跨过悬垂绝缘子串的两侧导线之间的线夹离悬垂绝缘子串的距离相同,为2000-3000mm。
7.根据权利要求3所述的防止输电线路风偏闪络结构,其特征在于:所述的阻尼系统(8)两端通过拉杆(9)与两线夹(6、7)之间铰接。
8.根据权利要求7所述的防止输电线路风偏闪络结构,其特征在于:所述的阻尼系统(8)为弹簧阻尼器、粘弹性阻尼器、空气阻尼器或它们之间并列构成的复合阻尼系统。
9.根据权利要求8所述的一种防止输电线路风偏闪络方法,其特征在于,所述的空气阻尼器由一端敞口的大套管及两端封闭的小套管构成,所述小套管自大套管的敞口端插入,在小套管的外壁与大套管的内壁之间的间隙形成阻尼气道。
Priority Applications (1)
| Application Number | Priority Date | Filing Date | Title |
|---|---|---|---|
| CN2011103117780A CN102340119A (zh) | 2011-10-14 | 2011-10-14 | 一种防止输电线路风偏闪络的结构 |
Applications Claiming Priority (1)
| Application Number | Priority Date | Filing Date | Title |
|---|---|---|---|
| CN2011103117780A CN102340119A (zh) | 2011-10-14 | 2011-10-14 | 一种防止输电线路风偏闪络的结构 |
Publications (1)
| Publication Number | Publication Date |
|---|---|
| CN102340119A true CN102340119A (zh) | 2012-02-01 |
Family
ID=45515700
Family Applications (1)
| Application Number | Title | Priority Date | Filing Date |
|---|---|---|---|
| CN2011103117780A Pending CN102340119A (zh) | 2011-10-14 | 2011-10-14 | 一种防止输电线路风偏闪络的结构 |
Country Status (1)
| Country | Link |
|---|---|
| CN (1) | CN102340119A (zh) |
Cited By (7)
| Publication number | Priority date | Publication date | Assignee | Title |
|---|---|---|---|---|
| CN109980592A (zh) * | 2019-04-03 | 2019-07-05 | 东北电力大学 | 一种导线防舞装置 |
| CN110416954A (zh) * | 2019-08-16 | 2019-11-05 | 国家电网有限公司 | 一种输电线路铁塔舞动减震装置 |
| CN110518531A (zh) * | 2019-09-24 | 2019-11-29 | 国网新疆电力有限公司伊犁供电公司 | 一种输电线路防风偏闪络柔性阻尼装置及实施方法 |
| CN112260197A (zh) * | 2020-09-17 | 2021-01-22 | 同济大学 | 基于液压阻尼器的输电塔和绝缘子的连接装置 |
| CN116131184A (zh) * | 2022-11-21 | 2023-05-16 | 山东大学 | 一种惯容式高压输电线路风偏抑制耗能装置 |
| CN119266613A (zh) * | 2024-11-22 | 2025-01-07 | 国网黑龙江省电力有限公司鹤岗供电公司 | 一种扭矩基座输电线路防风偏铁塔 |
| CN120008483A (zh) * | 2025-04-18 | 2025-05-16 | 江苏泽宇电力设计有限公司 | 一种电力通信光缆监测系统 |
Citations (4)
| Publication number | Priority date | Publication date | Assignee | Title |
|---|---|---|---|---|
| DE4041889A1 (de) * | 1990-06-23 | 1992-01-02 | Abb Patent Gmbh | Daempfungseinrichtung |
| CN1790850A (zh) * | 2005-12-23 | 2006-06-21 | 唐校友 | 导线防振器 |
| CN201191541Y (zh) * | 2008-05-09 | 2009-02-04 | 湖北省电力公司襄樊供电公司 | 防风偏合成绝缘子 |
| CN101931196A (zh) * | 2010-08-04 | 2010-12-29 | 安徽省电力公司安庆供电公司 | 防治导线风偏及振动的弹性预张及复合阻尼系统 |
-
2011
- 2011-10-14 CN CN2011103117780A patent/CN102340119A/zh active Pending
Patent Citations (4)
| Publication number | Priority date | Publication date | Assignee | Title |
|---|---|---|---|---|
| DE4041889A1 (de) * | 1990-06-23 | 1992-01-02 | Abb Patent Gmbh | Daempfungseinrichtung |
| CN1790850A (zh) * | 2005-12-23 | 2006-06-21 | 唐校友 | 导线防振器 |
| CN201191541Y (zh) * | 2008-05-09 | 2009-02-04 | 湖北省电力公司襄樊供电公司 | 防风偏合成绝缘子 |
| CN101931196A (zh) * | 2010-08-04 | 2010-12-29 | 安徽省电力公司安庆供电公司 | 防治导线风偏及振动的弹性预张及复合阻尼系统 |
Cited By (10)
| Publication number | Priority date | Publication date | Assignee | Title |
|---|---|---|---|---|
| CN109980592A (zh) * | 2019-04-03 | 2019-07-05 | 东北电力大学 | 一种导线防舞装置 |
| CN110416954A (zh) * | 2019-08-16 | 2019-11-05 | 国家电网有限公司 | 一种输电线路铁塔舞动减震装置 |
| CN110518531A (zh) * | 2019-09-24 | 2019-11-29 | 国网新疆电力有限公司伊犁供电公司 | 一种输电线路防风偏闪络柔性阻尼装置及实施方法 |
| CN112260197A (zh) * | 2020-09-17 | 2021-01-22 | 同济大学 | 基于液压阻尼器的输电塔和绝缘子的连接装置 |
| CN116131184A (zh) * | 2022-11-21 | 2023-05-16 | 山东大学 | 一种惯容式高压输电线路风偏抑制耗能装置 |
| CN116131184B (zh) * | 2022-11-21 | 2025-08-15 | 山东大学 | 一种惯容式高压输电线路风偏抑制耗能装置 |
| CN119266613A (zh) * | 2024-11-22 | 2025-01-07 | 国网黑龙江省电力有限公司鹤岗供电公司 | 一种扭矩基座输电线路防风偏铁塔 |
| CN119266613B (zh) * | 2024-11-22 | 2025-09-26 | 国网黑龙江省电力有限公司鹤岗供电公司 | 一种扭矩基座输电线路防风偏铁塔 |
| CN120008483A (zh) * | 2025-04-18 | 2025-05-16 | 江苏泽宇电力设计有限公司 | 一种电力通信光缆监测系统 |
| CN120008483B (zh) * | 2025-04-18 | 2025-07-04 | 江苏泽宇电力设计有限公司 | 一种电力通信光缆监测系统 |
Similar Documents
| Publication | Publication Date | Title |
|---|---|---|
| CN102340119A (zh) | 一种防止输电线路风偏闪络的结构 | |
| CN107093881B (zh) | 一种用于抑制输电线路绝缘子风偏的阻尼装置 | |
| CN103594997B (zh) | 一种弹簧减震型相间防舞动间隔棒 | |
| CN106877264B (zh) | 一种防舞动碰撞耗能减振装置 | |
| CN101924338B (zh) | 一种抑制单导线输电线路舞动相间闪络的方法 | |
| CN202384725U (zh) | 一种防止输电线路风偏闪络的结构 | |
| CN104979790A (zh) | 一种相间间隔棒弹簧阻尼装置 | |
| CN102340120A (zh) | 一种防止输电线路风偏闪络的结构 | |
| CN104890534A (zh) | 一种高速铁路接触网反定位弹性阻尼器支撑机构 | |
| CN202014073U (zh) | 架空电线减振连接件 | |
| CN108512177B (zh) | 一种应用于悬垂绝缘子串的风偏角控制装置 | |
| CN201682246U (zh) | 一种单摆锤阻尼防舞器 | |
| CN103928891A (zh) | 一种双弹簧端部消振型相间间隔棒 | |
| CN204131064U (zh) | 一种架空输电导线防震锤的连接结构 | |
| CN208674830U (zh) | 一种大阻尼防舞动装置 | |
| CN202749780U (zh) | 导线减振器 | |
| CN112332352A (zh) | 一种可变阻尼握力的复合型抑制舞动间隔棒 | |
| CN102306921B (zh) | 一种悬垂绝缘子串防风致断裂方法 | |
| CN204858485U (zh) | 一种绝缘子串的减震间隔棒 | |
| CN106711904B (zh) | 一种绝缘子串的减震间隔棒 | |
| CN110011253B (zh) | 一种输电线路单柱复合绝缘横担用双挂点转接板装置 | |
| CN205118112U (zh) | 一种风力发电机变桨控制柜减震装置 | |
| CN205595734U (zh) | 一种环形防舞器 | |
| CN105633895B (zh) | 一种阻尼连接型多分裂导线扰流防舞器 | |
| CN221126863U (zh) | 一种用于输电线路的双稳态多功能减振装置 |
Legal Events
| Date | Code | Title | Description |
|---|---|---|---|
| C06 | Publication | ||
| PB01 | Publication | ||
| C10 | Entry into substantive examination | ||
| SE01 | Entry into force of request for substantive examination | ||
| C02 | Deemed withdrawal of patent application after publication (patent law 2001) | ||
| WD01 | Invention patent application deemed withdrawn after publication |
Application publication date: 20120201 |