RU2407124C2 - Учет нагрузки при дистанционной защите трехфазной линии электропередачи - Google Patents
Учет нагрузки при дистанционной защите трехфазной линии электропередачи Download PDFInfo
- Publication number
- RU2407124C2 RU2407124C2 RU2008137495/07A RU2008137495A RU2407124C2 RU 2407124 C2 RU2407124 C2 RU 2407124C2 RU 2008137495/07 A RU2008137495/07 A RU 2008137495/07A RU 2008137495 A RU2008137495 A RU 2008137495A RU 2407124 C2 RU2407124 C2 RU 2407124C2
- Authority
- RU
- Russia
- Prior art keywords
- impedance
- damage
- line
- current
- load
- Prior art date
Links
Images
Classifications
-
- H—ELECTRICITY
- H02—GENERATION; CONVERSION OR DISTRIBUTION OF ELECTRIC POWER
- H02H—EMERGENCY PROTECTIVE CIRCUIT ARRANGEMENTS
- H02H3/00—Emergency protective circuit arrangements for automatic disconnection directly responsive to an undesired change from normal electric working condition with or without subsequent reconnection ; integrated protection
- H02H3/40—Emergency protective circuit arrangements for automatic disconnection directly responsive to an undesired change from normal electric working condition with or without subsequent reconnection ; integrated protection responsive to ratio of voltage and current
- H02H3/402—Emergency protective circuit arrangements for automatic disconnection directly responsive to an undesired change from normal electric working condition with or without subsequent reconnection ; integrated protection responsive to ratio of voltage and current using homopolar quantities
-
- G—PHYSICS
- G01—MEASURING; TESTING
- G01R—MEASURING ELECTRIC VARIABLES; MEASURING MAGNETIC VARIABLES
- G01R31/00—Arrangements for testing electric properties; Arrangements for locating electric faults; Arrangements for electrical testing characterised by what is being tested not provided for elsewhere
- G01R31/08—Locating faults in cables, transmission lines, or networks
- G01R31/088—Aspects of digital computing
Landscapes
- Emergency Protection Circuit Devices (AREA)
- Locating Faults (AREA)
- Amplifiers (AREA)
Abstract
Изобретение относится к способу и устройству для определения расстояния до повреждения при дистанционной защите трехфазной линии электропередачи. Способ учета нагрузки для контуров замыкания на землю при дистанционной защите включает следующие шаги: ток повреждения подается от двух концов линии электропередачи; получение измерения фазных токов; оценку первого полного сопротивления при условии нулевого сопротивления в месте короткого замыкания или при токе прямой последовательности; оценку второго полного сопротивления с током нулевой последовательности, оценку третьего полного сопротивления с током обратной последовательности; оценку режима экспорта нагрузки, при котором поток мощности направлен от конца, где измеряются фазные токи, к дальнему концу линии электропередачи; оценку режима импорта нагрузки, при котором поток мощности имеет обратное направление, т.е. от дальнего конца к концу, где измеряются фазные токи. 2 н. и 12 з.п. ф-лы, 3 ил.
Description
Область техники, к которой относится изобретение
Настоящее изобретение относится к способу и устройству для определения расстояния до повреждения при дистанционной защите трехфазной линии электропередачи.
Уровень техники
Дистанционная защита является одним из нескольких способов, обычно используемых для распознавания повреждения в сети электропередачи и последующей изоляции поврежденной линии электропередачи от остальной электросети. Дистанционная защита осуществляется путем подсоединения реле дистанционной защиты к концам линий электропередачи и измерения фазных токов и фазных напряжений. На основании измерений рассчитывается полное сопротивление, которое в случае повреждения отражает расстояние между измерительным оборудованием и повреждением. В дальнейшем данное расстояние будет называться расстоянием до повреждения. В зависимости от значения рассчитанного полного сопротивления определяются различные зоны дистанционной защиты. Для каждой зоны дистанционной защиты задается временной предел, определяющий, когда поврежденная линия должна быть отключена при помощи соответствующих дистанционных реле. Чем меньше рассчитанное полное сопротивление, тем ближе находится повреждение к измерительному оборудованию и тем меньше временной предел перед моментом отключения линии.
В документе ЕР 0671011 В1 раскрыт способ определения относительного расстояния до повреждения от измерительной станции, расположенной рядом с одним из концов линии электропередачи. Измерительная станция обеспечивает измерения фазных токов и напряжений в линии электропередачи. Данный способ основан на обобщенной модели повреждения, которая учитывает полное сопротивление нулевой последовательности линии. Кроме того, в способе предполагается, что ток повреждения, т.е. ток, проходящий через сопротивление в месте повреждения, подается в точку повреждения от обоих концов линии электропередачи.
Раскрытие изобретения
Задачей настоящего изобретения является предложение улучшенного способа и устройства для определения расстояния до повреждения, где предполагается, что ток повреждения подается от двух концов линии электропередачи.
Согласно первому аспекту изобретения предлагается способ, охарактеризованный в пункте 1 формулы изобретения.
Согласно второму аспекту изобретения предлагается устройство, охарактеризованное в пункте 15 формулы изобретения.
Изобретение основывается на том факте, что во время дистанционной защиты, когда токи повреждения подаются с двух концов линии электропередачи, может возникнуть особая проблема. Если токи повреждения от двух концов линии имеют различные фазовые углы, то падение напряжения на сопротивлении в месте повреждения может искажать фазные токи и напряжения таким образом, что рассчитанное полное сопротивление будет показывать неверное расстояние до повреждения, что приведет к неправильной идентификации зоны дистанционной защиты. Если идентифицированная зона дистанционной защиты лежит ближе к измерительному оборудованию, нежели чем фактическое повреждение, то отключение будет выполнено слишком рано или даже без необходимости в случае, если повреждение исчезнет до достижения временного предела для следующей зоны. Данная ситуация называется «переохватом» (over-reach).
Если идентифицированная зона дистанционной защиты лежит дальше, нежели чем фактическое повреждение, то отключение может быть выполнено слишком поздно. Данная ситуация называется «недохватом» (under-reach).
Эффект переохвата и недоохвата усиливается в режимах большой нагрузки. Если не будет предпринято никаких действий специально для компенсации переохвата, может произойти нежелательное мгновенное отключение линии, которое может иметь пагубные последствия для всей электросети, такие как аварийные отключения или даже обесточивания.
Изобретение основано на общей идее использования трех различных моделей повреждения для оценки трех различных значений полного сопротивления и комбинирования различных полных сопротивлений для получения результирующего полного сопротивления, при этом способ комбинирования обусловлен режимом нагрузки на линии электропередачи.
Первая из трех моделей повреждения основана на допущении, что ток повреждения равен по меньшей мере одному из фазных токов линии электропередачи. Вторая и третья модели повреждения основаны на допущении, что ток повреждения равен составляющей тока обратной последовательности или тока нулевой последовательности в фазных токах соответственно. Каждое из трех полных сопротивлений, так же как и результирующее полное сопротивление предоставляет оценку расстояния до повреждения, при этом результирующее полное сопротивление предоставляет значение, которое ближе всего к реальному расстоянию до повреждения. Режим нагрузки классифицируется по одному из следующих вариантов нормальный, переохват или недоохват. В зависимости от определения режима выбирается соответствующий способ комбинирования трех полных сопротивлений.
Преимуществом данного способа и устройства, реализующего данный способ, является то, что они компенсируют негативное влияние большой нагрузки на точность дистанционной защиты. Компенсация достигается посредством проведения различия между режимами нормальной нагрузки, переохвата или недоохвата, а также посредством учета классификации режимов нагрузки при генерации значения полного сопротивления, которое отражает расстояние до повреждения. Так как точность определения расстояния до повреждения улучшается, соответствующая зона дистанционной защиты может быть идентифицирована с более высокой надежностью. Следовательно, можно предотвратить раннее или позднее отключение, и в особенности ненужное отключение линии электропередачи, что сокращает риск ненужных аварийных отключений и минимизирует итоговые расходы на отключение линии без необходимости.
В предпочтительном варианте осуществления данного изобретения фазные токи поступают от одного из двух концов линии электропередачи, и режим нагрузки определяется как направление потока мощности по отношению к этому одному концу. Режим нагрузки, при котором поток мощности направлен от конца, где измеряются фазные токи, к дальнему концу линии электропередачи, называется экспортом нагрузки. Режим нагрузки, при котором поток мощности имеет обратное направление, т.е. от дальнего конца к концу, где измеряются фазные токи, называется импортом нагрузки.
В особом случае однофазного короткого замыкания на землю в линии направление потока мощности определяется по фазным токам и междуфазному напряжению двух неповрежденных фаз линии вместо того, чтобы использовать все три фазы. Таким образом гарантируется, что для определения режима нагрузки используются только те измерения, которые достоверно характеризуют поток мощности.
В следующем варианте осуществления режим нагрузки определяется на основании комбинации потока мощности и диапазона значений фактической нагрузки. Если значение нагрузки превышает заранее установленное значение, это указывает на так называемый режим большой нагрузки. В случае большой нагрузки в сочетании с экспортом нагрузки, режим нагрузки классифицируется как переохват. В случае тяжелой нагрузки в сочетании с импортом нагрузки, режим нагрузки классифицируется как недоохват. Во всех остальных случаях режим нагрузки классифицируется как нормальный режим.
Далее подробно описаны различные варианты осуществления способа определения расстояния до повреждения.
Предполагая, что однофазное короткое замыкание на землю произошло на первой из трех фаз, режим импорта или экспорта нагрузки предпочтительно оценивается по измерению токов IL2 и IL3 во второй и третьей из трех фаз и напряжения UL2L3 между второй и третьей фазой с использованием следующей формулы:
Pflow=Re(UL2L3(IL2-IL3)∗).
Результирующее полное сопротивление определяется различными способами. В предпочтительном варианте осуществления данного изобретения определяется только мнимая часть результирующего полного сопротивления, и, соответственно, используются только мнимые части первого, второго и третьего полных сопротивлений. Если полное сопротивление Z в общем случае выразить как комплексное число Z=β+jα, то используется только мнимая часть α.
В случае переохвата результирующее полное сопротивление αover,a может быть определено как среднее арифметическое двух наибольших величин среди первого, второго и третьего полных сопротивлений, от α1 до α3, согласно формуле:
αover,a=0.5(α1+α2+α3-min(α1,α2,α3)).
В особом случае, когда переохват комбинируется с очень маленьким током повреждения в сравнении с составляющей тока нулевой последовательности в фазных токах, применяется другое уравнение. Такой особый случай может, например, возникнуть на электростанции с отсоединенной генераторной частью, но с действующими заземленными трансформаторами. Для того чтобы распознать данный случай, определяется ток повреждения, который затем сравнивается с составляющей тока нулевой последовательности. Если составляющая тока нулевой последовательности превышает увеличенное в предварительно заданное число раз значение тока повреждения, результирующее полное сопротивление αover,b определяется как среднее арифметическое третьего полного сопротивления α3 и большего из первого и второго полных сопротивлений α1 и α2:
αover,b=0.5(α3+α1+α2-min(α1,α2)). Указанное предварительно заданное число раз предпочтительно выбирается как число больше 5.
Если режим нагрузки устанавливается как недоохват, то результирующее полное сопротивление αunder,a определяется как медиана первого, второго и третьего полного сопротивления, от α1 до α3:
αunder,a=(α1+α2+α3-min(α1,α2,α3)-max(α1,α2,α3)).
В качестве альтернативы результирующее сопротивление αunder,b может определяться как среднее арифметическое трех полных сопротивлений α1-α3: αunder,b=(α1+α2+α3)/3.
Другой альтернативой является комбинация медианы αunder,a со средним арифметическим значением αunder,b первого, второго и третьего полного сопротивления согласно следующему уравнению:
αunder,c=(αunder,a+αunder,b)/2.
Для того чтобы упростить определение первого полного сопротивления и, следовательно, первой модели, в особом варианте осуществления изобретения делается допущение, что сопротивление в месте повреждения равно нулю, в результате чего ток повреждения также имеет нулевое значение.
В особом случае, когда составляющая тока нулевой последовательности очень мала, третье полное сопротивление α3 приравнивается к значению первого полного сопротивления α1. Такой случай выявляется путем определения, находится ли составляющая тока нулевой последовательности ниже предварительно заданного порогового значения.
В особом случае, когда составляющая тока обратной последовательности очень мала, второе полное сопротивление α2 приравнивается к значению первого полного сопротивления α1. Такой случай выявляется путем определения, находится ли составляющая тока обратной последовательности тока ниже предварительно заданного порогового значения.
Краткое описание чертежей
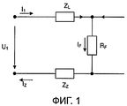
На фиг.1 схематически показана модель однофазного короткого замыкания на землю на линии электропередачи.
На фиг.2 показана схема последовательности шагов способа определения расстояния до повреждения при дистанционной защите трехфазной линии электропередачи.
На фиг.3 показана схема устройства для осуществления способа согласно фиг.1 и для генерации сигнала отключения при дистанционной защите.
Осуществление изобретения
Далее будет описан вариант осуществления настоящего изобретения со ссылкой на фиг.1-3.
Контур между фазой и землей в трехфазной линии электропередачи, оказывающий влияние на первую из трех фаз, может быть смоделирован таким образом, как показано на фиг.1. Линия электропередачи принадлежит электрической сети. Положение напряжения U1 указывает один из двух концов линии электропередачи, где установлен измерительный блок для измерения фазных токов I1, I2 и I3 и фазных напряжений U1, U2 и U3 в линии. Сопротивление RF указывает местоположение повреждения на линии. Другой конец линии электропередачи не показан. Он располагается на некотором расстоянии вправо от повреждения. Предполагается, что ток повреждения IF поступает от обоих концов линии электропередачи, как показано стрелками 1 и 2.
Напряжение U1 в контуре повреждения рассчитывается согласно следующему уравнению: U1=ZLI1+RFIF+ZzIz, где U1 - фазное напряжение на одном конце линии, где проводятся измерения, ZL - полное сопротивление фазы с повреждением, указывающее расстояние между местом измерения и повреждением, RF - сопротивление в месте повреждения и Zz - полное сопротивление нулевой последовательности. Ток I1 - это фазный ток первой фазы в месте измерения, ток Iz - составляющая тока нулевой последовательности в фазных токах в месте измерения, и ток IF - ток повреждения, который течет через сопротивление RF в месте повреждения.
Фазный ток I1 может быть измерен, и составляющая Iz тока нулевой последовательности может быть получена при помощи известных способов из измерений всех трех фазных токов. Ток IF повреждения неизвестен.
Согласно первой модели повреждения ток IF повреждения устанавливается равным фазному току I1. Согласно второй модели повреждения ток IF повреждения устанавливается равным составляющей Iz тока нулевой последовательности в фазных токах, которая может быть определена с помощью известных способов на основании трех фазных токов. Согласно третьей модели повреждения ток IF повреждения устанавливается равным компоненте тока обратной последовательности в фазных токах, при этом компонента тока обратной последовательности может быть определена с помощью известных способов на основании трех фазных токов.
Схема последовательности шагов на фиг.2 демонстрирует шаги для определения так называемого результирующего полного сопротивления α, которое отражает расстояние до повреждения. После начала определения (шаг 4) на шаге 5 получают значения трех фазных токов I1, I2 и I3. На основании фазных токов I1-I3 определяется первое полное сопротивление α1 с использованием первой модели повреждения. Соответствующим образом определяются второе полное сопротивление α2 и третье полное сопротивление α3 с использованием второй и третьей модели повреждения соответственно (шаг 6). Помимо фазных токов, которые образуют основной источник информации для определения расстояния до повреждения, может быть использована и другая информация Этой информацией могут быть значения фазных напряжений U1-U3, а также различные параметры линии, такие как полное сопротивление XL линии и полное сопротивление XN нулевой последовательности. На следующем шаге 7 определяется наличие в линии режима большой нагрузки. Если режим большой нагрузки отсутствует (шаг N), устанавливается режим нормальной нагрузки, и на шаге 8 результирующее полное сопротивление α устанавливается равным полному сопротивлению αnormal нормальной нагрузки, которое отражает расстояние до повреждения в режиме нормальной нагрузки. Полное сопротивление αnormal нормальной нагрузки рассчитывается с использованием известных способов определения места повреждения.
Если на шаге 7 обнаружен режим большой нагрузки (ветвь Y), то на шаге 9 определяется направление потока мощности. Если определено наличие экспорта нагрузки, то режим нагрузки классифицируется как переохват, и результирующее полное сопротивление α рассчитывается на шаге 10 как среднее арифметическое двух наибольших величин среди первого, второго и третьего полных сопротивлений α1-α3. Если определено наличие импорта нагрузки, то тогда режим нагрузки классифицируется как недоохват, и результирующее полное сопротивление α рассчитывается на шаге 11 как медиана первого, второго и третьего полных сопротивлений α1-α3.
Результирующее полное сопротивление α в конце передается в другой процесс, где определяется зона дистанционной защиты на основании значения полного сопротивления.
Способ, описанный со ссылкой на фиг.2, осуществляется блоком 2 определения полного сопротивления, изображенным на фиг.3. Блок 2 определения полного сопротивления представляет собой устройство для определения расстояния до повреждения, так как результирующее полное сопротивление α отражает и напрямую соотносится с расстоянием до повреждения. Для того чтобы определить результирующее полное сопротивление α, туда поступают как фазные токи I1-I3, так и фазные напряжения U1-U3. Кроме того, туда поступают параметры Р, либо из внешнего блока, либо из внутреннего блока памяти.
Блок 2 определения полного сопротивления является частью устройства 1 для дистанционной защиты, которое дополнительно включает в себя блок 3 определения зоны, предназначенный для определения зоны дистанционной защиты и для генерации соответствующего сигнала отключения для того, чтобы отсоединить поврежденную линию электропередачи от остальной электрической сети.
Claims (14)
1. Способ определения расстояния до повреждения, используемый при дистанционной защите трехфазной линии электропередачи, в котором в случае повреждения на линии
предполагают, что ток повреждения подается от двух концов линии электропередачи,
получают измерения фазных токов,
оценивают первое полное сопротивление линии, отражающее расстояние до повреждения, с использованием первой модели повреждения,
отличающийся тем, что
первая модель повреждения основана на предположении, что ток повреждения равен по меньшей мере одному из фазных токов,
оценивают второе полное сопротивление линии, отражающее расстояние до повреждения, с использованием второй модели повреждения, при этом вторая модель повреждения основана на предположении, что ток повреждения равен составляющей тока обратной последовательности в фазных токах,
оценивают третье полное сопротивление линии, отражающее расстояние до повреждения, с использованием третьей модели повреждения, при этом третья модель повреждения основана на предположении, что ток повреждения равен составляющей тока нулевой последовательности в фазных токах,
определяют режим нагрузки на линии,
классифицируют режим нагрузки как нормальный режим, переохват или недоохват,
определяют результирующее полное сопротивление на основании проведенной классификации и на основании первого, второго и третьего полных сопротивлений.
предполагают, что ток повреждения подается от двух концов линии электропередачи,
получают измерения фазных токов,
оценивают первое полное сопротивление линии, отражающее расстояние до повреждения, с использованием первой модели повреждения,
отличающийся тем, что
первая модель повреждения основана на предположении, что ток повреждения равен по меньшей мере одному из фазных токов,
оценивают второе полное сопротивление линии, отражающее расстояние до повреждения, с использованием второй модели повреждения, при этом вторая модель повреждения основана на предположении, что ток повреждения равен составляющей тока обратной последовательности в фазных токах,
оценивают третье полное сопротивление линии, отражающее расстояние до повреждения, с использованием третьей модели повреждения, при этом третья модель повреждения основана на предположении, что ток повреждения равен составляющей тока нулевой последовательности в фазных токах,
определяют режим нагрузки на линии,
классифицируют режим нагрузки как нормальный режим, переохват или недоохват,
определяют результирующее полное сопротивление на основании проведенной классификации и на основании первого, второго и третьего полных сопротивлений.
2. Способ по п.1, отличающийся тем, что измерения фазных токов получают на одном конце линии электропередачи, а режим нагрузки определяют как направление потока мощности по отношению к указанному одному концу.
3. Способ по п.2, отличающийся тем, что в случае однофазного короткого замыкания на землю направление потока мощности определяют на основании фазных токов и междуфазного напряжения двух неповрежденных фаз на линии.
4. Способ по п.2 или 3, отличающийся тем, что в случае если направление потока мощности указывает на экспорт нагрузки, а нагрузка превышает предварительное заданное значение, то режим нагрузки классифицируют как переохват.
5. Способ по п.2 или 3, отличающийся тем, что в случае если направление потока мощности указывает на импорт нагрузки, а нагрузка превышает предварительное заданное значение, то режим нагрузки классифицируют как недоохват.
6. Способ по любому из пп.1-3, отличающийся тем, что в случае определения наличия переохвата результирующее полное сопротивление определяют как среднее арифметическое двух наибольших величин среди первого, второго и третьего полных сопротивлений.
7. Способ по любому из пп.1-3, отличающийся тем, что определяют ток повреждения и в том случае, если определено наличие переохвата, а составляющая тока нулевой последовательности превышает в предварительно заданное число раз ток повреждения, определяют результирующее полное сопротивление как среднее арифметическое третьего полного сопротивления и большего из первого и второго полных сопротивлений.
8. Способ по любому из пп.1-3, отличающийся тем, что в случае определения наличия недоохвата результирующее полное сопротивление определяют как медиану первого, второго и третьего полных сопротивлений.
9. Способ по любому из пп.1-3, отличающийся тем, что в случае определения наличия недоохвата результирующее полное сопротивление определяют как среднее арифметическое для среднего арифметического первого, второго и третьего полных сопротивлений и медианы первого, второго и третьего полных сопротивлений.
10. Способ по любому из пп.1-3, отличающийся тем, что первое, второе и третье полные сопротивления и результирующее полное сопротивление представлены своей мнимой частью.
11. Способ по любому из пп.1-3, отличающийся тем, что первое полное сопротивление оценивают при том допущении, что сопротивление в месте повреждения равно нулю.
12. Способ по любому из пп.1-3, отличающийся тем, что третье полное сопротивление приравнивают к первому полному сопротивлению в случае, если составляющая тока нулевой последовательности ниже предварительно заданного порогового значения.
13. Способ по любому из пп.1-3, отличающийся тем, что второе полное сопротивление приравнивают к первому полному сопротивлению в случае, если составляющая тока обратной последовательности ниже предварительно заданного порогового значения.
14. Устройство для определения расстояния до повреждения при дистанционной защите трехфазной линии электропередачи, включающее в себя блок определения полного сопротивления, причем блок определения полного сопротивления выполнен с возможностью
получения измерений фазных токов,
оценки первого полного сопротивления линии, отражающего расстояние до повреждения, на основе первой модели повреждения,
отличающееся тем, что
первая модель повреждения основана на предположении, что ток повреждения равен по меньшей мере одному из фазных токов,
а блок определения полного сопротивления, кроме того, выполнен с возможностью
оценки второго полного сопротивления линии, отражающего расстояние до повреждения, с использованием второй модели повреждения, при этом вторая модель повреждения основана на предположении, что ток повреждения равен составляющей тока обратной последовательности в фазных токах,
оценки третьего полного сопротивления линии, отражающего расстояние до повреждения, с использованием третьей модели повреждения, при этом третья модель повреждения основана на предположении, что ток повреждения равен составляющей тока нулевой последовательности в фазных токах,
определения режима нагрузки на линии,
классификации режима нагрузки как нормального режима, переохвата или недоохвата,
определения результирующего полного сопротивления на основании проведенной классификации и на основании первого, второго и третьего полных сопротивлений.
получения измерений фазных токов,
оценки первого полного сопротивления линии, отражающего расстояние до повреждения, на основе первой модели повреждения,
отличающееся тем, что
первая модель повреждения основана на предположении, что ток повреждения равен по меньшей мере одному из фазных токов,
а блок определения полного сопротивления, кроме того, выполнен с возможностью
оценки второго полного сопротивления линии, отражающего расстояние до повреждения, с использованием второй модели повреждения, при этом вторая модель повреждения основана на предположении, что ток повреждения равен составляющей тока обратной последовательности в фазных токах,
оценки третьего полного сопротивления линии, отражающего расстояние до повреждения, с использованием третьей модели повреждения, при этом третья модель повреждения основана на предположении, что ток повреждения равен составляющей тока нулевой последовательности в фазных токах,
определения режима нагрузки на линии,
классификации режима нагрузки как нормального режима, переохвата или недоохвата,
определения результирующего полного сопротивления на основании проведенной классификации и на основании первого, второго и третьего полных сопротивлений.
Applications Claiming Priority (1)
| Application Number | Priority Date | Filing Date | Title |
|---|---|---|---|
| PCT/EP2006/067552 WO2008046451A1 (en) | 2006-10-18 | 2006-10-18 | Load compensation in distance protection of a three-phase power transmission line |
Publications (1)
| Publication Number | Publication Date |
|---|---|
| RU2407124C2 true RU2407124C2 (ru) | 2010-12-20 |
Family
ID=38293281
Family Applications (1)
| Application Number | Title | Priority Date | Filing Date |
|---|---|---|---|
| RU2008137495/07A RU2407124C2 (ru) | 2006-10-18 | 2006-10-18 | Учет нагрузки при дистанционной защите трехфазной линии электропередачи |
Country Status (8)
| Country | Link |
|---|---|
| US (1) | US8159229B2 (ru) |
| EP (1) | EP2084798B1 (ru) |
| CN (1) | CN101432941B (ru) |
| AT (1) | ATE462213T1 (ru) |
| DE (1) | DE602006013205D1 (ru) |
| ES (1) | ES2340802T3 (ru) |
| RU (1) | RU2407124C2 (ru) |
| WO (1) | WO2008046451A1 (ru) |
Families Citing this family (13)
| Publication number | Priority date | Publication date | Assignee | Title |
|---|---|---|---|---|
| CN101976817B (zh) * | 2010-09-08 | 2013-12-18 | 河南省电力公司洛阳供电公司 | 一种用于电气设备试运行的启动保护方法及装置 |
| US9696367B2 (en) | 2012-05-11 | 2017-07-04 | Howard University | Apparatus and method of fault detection and location determination |
| US9772636B2 (en) * | 2012-06-26 | 2017-09-26 | Analog Devices, Inc. | Power supply control |
| US10088546B2 (en) * | 2013-08-09 | 2018-10-02 | Eaton Intelligent Power Limited | Method and apparatus to diagnose current sensor polarities and phase associations for a three-phase electric power system |
| CN104375055B (zh) * | 2013-08-15 | 2017-05-17 | 通用电气公司 | 配电网的故障定位装置及方法 |
| CN103399260B (zh) * | 2013-08-21 | 2016-05-18 | 宁夏回族自治区电力设计院 | 大规模风电场故障选相方法 |
| CN107393383B (zh) * | 2017-08-22 | 2018-04-10 | 华中科技大学 | 一种电力网动态模型及其构建方法 |
| CN109149666B (zh) * | 2018-09-27 | 2021-06-01 | 国网山东省电力公司 | 特高压交直流混联受端电网距离保护设计方法 |
| CN110492449B (zh) * | 2019-07-16 | 2022-04-15 | 中国电力科学研究院有限公司 | 一种基于同塔多回线路的变时限距离保护计时方法及装置 |
| CN113659546B (zh) * | 2021-08-19 | 2023-08-08 | 国网湖南省电力有限公司 | 一种用于双回线供电系统的零序方向元件补偿方法及系统 |
| US20240319252A1 (en) * | 2023-03-22 | 2024-09-26 | General Electric Technology Gmbh | Systems and methods for determining a distance to a fault in a power systems network |
| WO2025045350A1 (en) | 2023-08-29 | 2025-03-06 | Technische Universität Graz | Distance relay, method and device for determining a fault distance in a power transmission line |
| CN118676869B (zh) * | 2024-06-03 | 2024-12-13 | 国家电网有限公司华东分部 | 一种双馈风机系统出线的保护方法、装置、存储介质和计算机设备 |
Citations (4)
| Publication number | Priority date | Publication date | Assignee | Title |
|---|---|---|---|---|
| RU2098838C1 (ru) * | 1996-02-13 | 1997-12-10 | Научно-производственное предприятие "Системы тестирования электрических линий" - Фирма "Стэлл" | Способ определения расстояния до места повреждения и длины проводов и кабелей линий электропередачи и связи и устройство для его осуществления |
| RU2149489C1 (ru) * | 1999-02-01 | 2000-05-20 | Нудельман Года Семенович | Способ дистанционной защиты и определения места замыкания на землю линии электропередачи |
| EP0671011B1 (en) * | 1992-10-20 | 2001-11-21 | Abb Ab | A method and a device for determining the distance from a measuring station to a fault on a transmission line |
| RU2258233C1 (ru) * | 2003-12-31 | 2005-08-10 | Государственное образовательное учреждение высшего профессионального образования "Южно-Российский государственный технический университет (Новочеркасский политехнический институт)" | Способ определения расстояния до места однофазного замыкания на землю в электрической сети |
Family Cites Families (13)
| Publication number | Priority date | Publication date | Assignee | Title |
|---|---|---|---|---|
| US4841405A (en) * | 1985-03-06 | 1989-06-20 | Westinghouse Electric Corp. | Protective relaying apparatus for providing fault-resistance correction |
| US4686601A (en) * | 1985-10-02 | 1987-08-11 | General Electric Company | Ground distance relay for AC power transmission line protection |
| JP3447402B2 (ja) | 1994-11-30 | 2003-09-16 | 株式会社東芝 | ディジタル距離継電器 |
| SE9602079D0 (sv) | 1996-05-29 | 1996-05-29 | Asea Brown Boveri | Roterande elektriska maskiner med magnetkrets för hög spänning och ett förfarande för tillverkning av densamma |
| US5796258A (en) * | 1997-01-30 | 1998-08-18 | Abb Power T&D Company, Inc. | Adaptive quadrilateral characteristic distance relay |
| US5773980A (en) * | 1997-01-30 | 1998-06-30 | Abb Power T&D Company, Inc. | One-terminal fault location system that corrects for fault resistance effects |
| US5956220A (en) * | 1998-02-05 | 1999-09-21 | Abb Power T&D Company Inc. | Adaptive distance protection system |
| JP3790053B2 (ja) | 1998-10-14 | 2006-06-28 | 株式会社東芝 | 距離継電器 |
| US6559622B2 (en) | 2001-07-06 | 2003-05-06 | Schweitzer Engineering Laboratories, Inc. | System for preventing overreach of protection for series compensated power lines |
| JP2003070151A (ja) | 2001-08-27 | 2003-03-07 | Toshiba Corp | 保護継電装置 |
| JP3950083B2 (ja) | 2003-06-03 | 2007-07-25 | 三菱電機株式会社 | 地絡距離リレー |
| CN1797887A (zh) * | 2004-12-24 | 2006-07-05 | 许继集团有限公司 | 一种三相同时刻采样值启动保护方法 |
| CN100442623C (zh) * | 2005-01-13 | 2008-12-10 | 天津大学 | 超高压输电线并联电抗器的匝间短路保护方法 |
-
2006
- 2006-10-18 RU RU2008137495/07A patent/RU2407124C2/ru not_active IP Right Cessation
- 2006-10-18 CN CN200680054466.3A patent/CN101432941B/zh active Active
- 2006-10-18 DE DE602006013205T patent/DE602006013205D1/de active Active
- 2006-10-18 ES ES06807384T patent/ES2340802T3/es active Active
- 2006-10-18 AT AT06807384T patent/ATE462213T1/de not_active IP Right Cessation
- 2006-10-18 US US12/293,601 patent/US8159229B2/en active Active
- 2006-10-18 EP EP06807384A patent/EP2084798B1/en active Active
- 2006-10-18 WO PCT/EP2006/067552 patent/WO2008046451A1/en not_active Ceased
Patent Citations (4)
| Publication number | Priority date | Publication date | Assignee | Title |
|---|---|---|---|---|
| EP0671011B1 (en) * | 1992-10-20 | 2001-11-21 | Abb Ab | A method and a device for determining the distance from a measuring station to a fault on a transmission line |
| RU2098838C1 (ru) * | 1996-02-13 | 1997-12-10 | Научно-производственное предприятие "Системы тестирования электрических линий" - Фирма "Стэлл" | Способ определения расстояния до места повреждения и длины проводов и кабелей линий электропередачи и связи и устройство для его осуществления |
| RU2149489C1 (ru) * | 1999-02-01 | 2000-05-20 | Нудельман Года Семенович | Способ дистанционной защиты и определения места замыкания на землю линии электропередачи |
| RU2258233C1 (ru) * | 2003-12-31 | 2005-08-10 | Государственное образовательное учреждение высшего профессионального образования "Южно-Российский государственный технический университет (Новочеркасский политехнический институт)" | Способ определения расстояния до места однофазного замыкания на землю в электрической сети |
Also Published As
| Publication number | Publication date |
|---|---|
| DE602006013205D1 (de) | 2010-05-06 |
| ATE462213T1 (de) | 2010-04-15 |
| ES2340802T3 (es) | 2010-06-09 |
| CN101432941B (zh) | 2014-06-04 |
| WO2008046451A1 (en) | 2008-04-24 |
| EP2084798B1 (en) | 2010-03-24 |
| US8159229B2 (en) | 2012-04-17 |
| CN101432941A (zh) | 2009-05-13 |
| US20100225329A1 (en) | 2010-09-09 |
| EP2084798A1 (en) | 2009-08-05 |
Similar Documents
| Publication | Publication Date | Title |
|---|---|---|
| Albasri et al. | Performance comparison of distance protection schemes for shunt-FACTS compensated transmission lines | |
| US9784781B2 (en) | Islanding detection reliability in electricity distribution network | |
| CN102077433B (zh) | 具有改进的重闭合功能的断路器 | |
| RU2407124C2 (ru) | Учет нагрузки при дистанционной защите трехфазной линии электропередачи | |
| CN1866043B (zh) | 确定相对地故障的位置的系统和方法 | |
| CN101814730B (zh) | 同杆并架双回线保护的故障选相方法 | |
| US9494635B2 (en) | Islanding detection in electricity distribution network | |
| CN114295935B (zh) | 基于低压量测的小电流系统中压单相接地故障定位方法 | |
| Bains et al. | Supplementary impedance-based fault-location algorithm for series-compensated lines | |
| US11721975B2 (en) | System and method for use with microgrids having inverter-based distributed generators | |
| CN109254226A (zh) | 异地相间接地短路故障检测系统及其检测方法 | |
| CN103823160B (zh) | 配电网自适应接地选线方法与装置 | |
| US9316679B2 (en) | Method for locating of single-phase-to-ground faults of ungrounded power distribution systems | |
| Schlake et al. | Performance of third harmonic ground fault protection schemes for generator stator windings | |
| Loos et al. | Fault direction method in compensated network using the zero sequence active energy signal | |
| CN104682361B (zh) | 基于电压相位比较的单相接地距离保护系统及其方法 | |
| CN105093058A (zh) | 电流互感器二次侧开路判别方法及对应的判别装置 | |
| GB2592147A (en) | An electrical protection system and a method thereof | |
| KR101989350B1 (ko) | 중첩 무효 에너지 측정을 통한 마이크로그리드 보호계전기 및 그 제어 방법 | |
| Masoud et al. | Protection scheme for transmission lines based on alienation coefficients for current signals | |
| WO2012116757A1 (en) | Method for adaptation of ground fault detection | |
| CN110581566B (zh) | 分布式光伏电源可接入容量的评估方法及装置 | |
| Chowdhury et al. | Stator Ground Protection for Multiple High-Impedance Grounded Generators Sharing a Common Bus | |
| Meddeb et al. | Impact of System Grounding on Distance Relay Operating | |
| Olofsson | Transmission line protection performance in presence of power electronic-interfaced devices: Impact and needed countermeasures in the Swedish transmission system |
Legal Events
| Date | Code | Title | Description |
|---|---|---|---|
| MM4A | The patent is invalid due to non-payment of fees |
Effective date: 20161019 |